mobile_sound +7 (930) 655-55-90

Техническая документация и чертежи (ТПР 501-07-3.83)

Поделиться:
Поделиться:

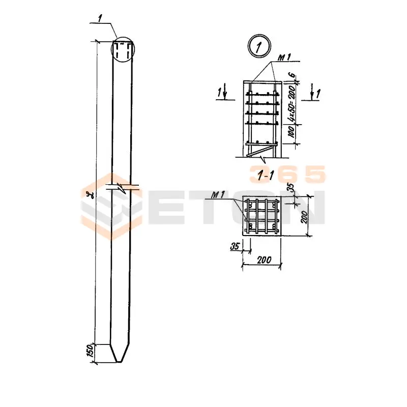
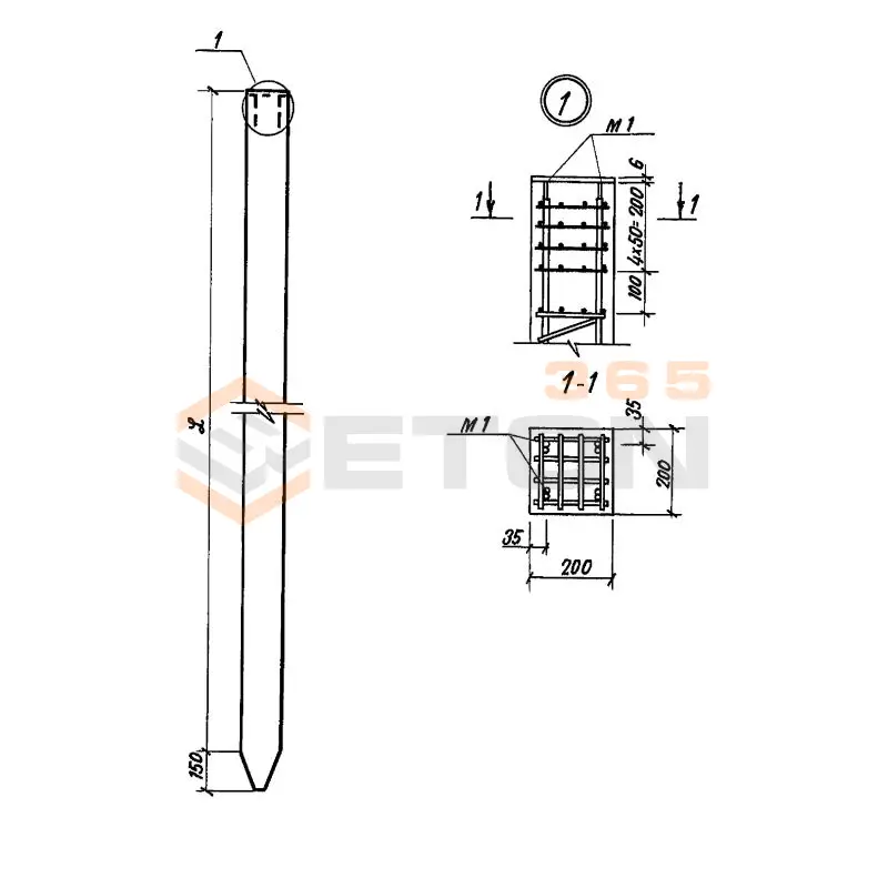
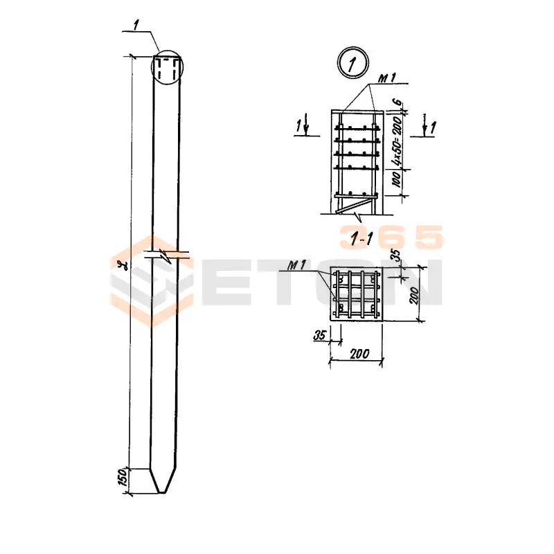
Документ ТПР 501-07-3.83 описывает область применения, номенклатуру и ключевые требования, опираясь на действующие нормы и практику проектирования. Типовые проектные решения ТПР 501-07-3.83 были специально разработаны проектным институтом ГИПРОПРОМТРАНССТРОЙ, и введены в действие с февраля 1982 года для обустройства высоких пассажирских платформ, возводимых из железобетонных элементов. Среди них приведены фундаменты, сваи различной длины, стойки, ригели, лестничные марши и их панели ограждения, а также унифицированные плиты. Для каждого типа строительных конструкций в регламенте приведены опалубочные и арматурные чертежи, отражающие точные геометрические пропорции, а также технические нормативные требования по организации процесса производства.

Файлы для скачивания:
picture_as_pdf

2265.pdf

11,734.9 KB

скачать
picture_as_pdf

2266.pdf

21,341.1 KB

скачать
picture_as_pdf

2267.pdf

12,534.8 KB

скачать
picture_as_pdf

2268.pdf

24,701.7 KB

скачать
Товары ТПР 501-07-3.83 (34)
ЛМ 36-15 л
Лестничные марши ТПР 501-07-3.83
  • Длина 3950 мм.
  • Ширина 1495 мм.
  • Высота 1730 мм.
  • Вес 1950 кг.
  • Объем бетона 0,78 м3
  • Геометрический объем 10,2161 м3
Цена: 17402 руб.
Подробнее
ЛМ 36-15 п
Лестничные марши ТПР 501-07-3.83
  • Длина 3950 мм.
  • Ширина 1495 мм.
  • Высота 1730 мм.
  • Вес 1950 кг.
  • Объем бетона 0,78 м3
  • Геометрический объем 10,2161 м3
Цена: 17402 руб.
Подробнее
ОЛ 18-12 лб
Панели лестничного ограждения ТПР 501-07-3.83
  • Длина 1790 мм.
  • Ширина 120 мм.
  • Высота 1170 мм.
  • Вес 230 кг.
  • Объем бетона 0,09 м3
  • Геометрический объем 0,2513 м3
Цена: 3056 руб.
Подробнее
ОЛ 18-12 п
Панели лестничного ограждения ТПР 501-07-3.83
  • Длина 1790 мм.
  • Ширина 120 мм.
  • Высота 1170 мм.
  • Вес 225 кг.
  • Объем бетона 0,09 м3
  • Геометрический объем 0,2513 м3
Цена: 3056 руб.
Подробнее
ОЛ 18-12 л
Панели лестничного ограждения ТПР 501-07-3.83
  • Длина 1790 мм.
  • Ширина 120 мм.
  • Высота 1170 мм.
  • Вес 225 кг.
  • Объем бетона 0,09 м3
  • Геометрический объем 0,2513 м3
Цена: 3056 руб.
Подробнее
ОЛ 18-12 лв
Панели лестничного ограждения ТПР 501-07-3.83
  • Длина 1790 мм.
  • Ширина 120 мм.
  • Высота 1170 мм.
  • Вес 230 кг.
  • Объем бетона 0,09 м3
  • Геометрический объем 0,2513 м3
Цена: 3056 руб.
Подробнее
ОЛ 18-12 пб
Панели лестничного ограждения ТПР 501-07-3.83
  • Длина 1790 мм.
  • Ширина 120 мм.
  • Высота 1170 мм.
  • Вес 230 кг.
  • Объем бетона 0,09 м3
  • Геометрический объем 0,2513 м3
Цена: 3056 руб.
Подробнее
ОЛ 18-12 пв
Панели лестничного ограждения ТПР 501-07-3.83
  • Длина 1790 мм.
  • Ширина 120 мм.
  • Высота 1170 мм.
  • Вес 230 кг.
  • Объем бетона 0,09 м3
  • Геометрический объем 0,2513 м3
Цена: 3056 руб.
Подробнее
ОП 15-12 в
Панели перильного ограждения ТПР 501-07-3.83
  • Длина 1490 мм.
  • Ширина 120 мм.
  • Высота 1200 мм.
  • Вес 175 кг.
  • Объем бетона 0,07 м3
  • Геометрический объем 0,2146 м3
Цена: 2377 руб.
Подробнее
ОП 15-12 а
Панели перильного ограждения ТПР 501-07-3.83
  • Длина 1490 мм.
  • Ширина 120 мм.
  • Высота 1200 мм.
  • Вес 175 кг.
  • Объем бетона 0,07 м3
  • Геометрический объем 0,2146 м3
Цена: 2377 руб.
Подробнее
ОП 15-12 б
Панели перильного ограждения ТПР 501-07-3.83
  • Длина 1490 мм.
  • Ширина 120 мм.
  • Высота 1200 мм.
  • Вес 175 кг.
  • Объем бетона 0,07 м3
  • Геометрический объем 0,2146 м3
Цена: 2377 руб.
Подробнее
ОП 30-12 в
Панели перильного ограждения ТПР 501-07-3.83
  • Длина 2990 мм.
  • Ширина 120 мм.
  • Высота 1200 мм.
  • Вес 425 кг.
  • Объем бетона 0,17 м3
  • Геометрический объем 0,4306 м3
Цена: 5772 руб.
Подробнее
ОП 30-12 а
Панели перильного ограждения ТПР 501-07-3.83
  • Длина 2990 мм.
  • Ширина 120 мм.
  • Высота 1200 мм.
  • Вес 325 кг.
  • Объем бетона 0,13 м3
  • Геометрический объем 0,4306 м3
Цена: 4414 руб.
Подробнее
ОП 30-12 б
Панели перильного ограждения ТПР 501-07-3.83
  • Длина 2990 мм.
  • Ширина 120 мм.
  • Высота 1200 мм.
  • Вес 425 кг.
  • Объем бетона 0,17 м3
  • Геометрический объем 0,4306 м3
Цена: 5772 руб.
Подробнее
ОП 9-12 а
Панели перильного ограждения ТПР 501-07-3.83
  • Длина 890 мм.
  • Ширина 120 мм.
  • Высота 1200 мм.
  • Вес 100 кг.
  • Объем бетона 0,04 м3
  • Геометрический объем 0,1282 м3
Цена: 1358 руб.
Подробнее
ОП 9-12 б
Панели перильного ограждения ТПР 501-07-3.83
  • Длина 890 мм.
  • Ширина 120 мм.
  • Высота 1200 мм.
  • Вес 100 кг.
  • Объем бетона 0,04 м3
  • Геометрический объем 0,1282 м3
Цена: 1358 руб.
Подробнее
ОП 9-12 в
Панели перильного ограждения ТПР 501-07-3.83
  • Длина 890 мм.
  • Ширина 120 мм.
  • Высота 1200 мм.
  • Вес 100 кг.
  • Объем бетона 0,04 м3
  • Геометрический объем 0,1282 м3
Цена: 1358 руб.
Подробнее
П 4
Плиты ТПР 501-07-3.83
  • Длина 2980 мм.
  • Ширина 1490 мм.
  • Высота 220 мм.
  • Вес 330 кг.
  • Объем бетона 0,132 м3
  • Геометрический объем 0,9768 м3
Цена: 2945 руб.
Подробнее
П 60-15 АтV-1
Плиты ТПР 501-07-3.83
  • Длина 5980 мм.
  • Ширина 1490 мм.
  • Высота 300 мм.
  • Вес 1500 кг.
  • Объем бетона 0,6 м3
  • Геометрический объем 2,6731 м3
Цена: 13386 руб.
Подробнее
П 60-15 АтV-2
Плиты ТПР 501-07-3.83
  • Длина 5980 мм.
  • Ширина 1490 мм.
  • Высота 300 мм.
  • Вес 1500 кг.
  • Объем бетона 0,6 м3
  • Геометрический объем 2,6731 м3
Цена: 13386 руб.
Подробнее
РС 45-3
Ригели ТПР 501-07-3.83
  • Длина 4500 мм.
  • Ширина 300 мм.
  • Высота 300 мм.
  • Вес 750 кг.
  • Объем бетона 0,3 м3
  • Геометрический объем 0,405 м3
Цена: 10476 руб.
Подробнее
РС 75-3-4
Ригели ТПР 501-07-3.83
  • Длина 7500 мм.
  • Ширина 300 мм.
  • Высота 400 мм.
  • Вес 1525 кг.
  • Объем бетона 0,6 м3
  • Геометрический объем 0,9 м3
Цена: 20952 руб.
Подробнее
РС 30-3
Ригели ТПР 501-07-3.83
  • Длина 3000 мм.
  • Ширина 300 мм.
  • Высота 300 мм.
  • Вес 470 кг.
  • Объем бетона 0,188 м3
  • Геометрический объем 0,27 м3
Цена: 6565 руб.
Подробнее
РС 60-3
Ригели ТПР 501-07-3.83
  • Длина 6000 мм.
  • Ширина 300 мм.
  • Высота 300 мм.
  • Вес 925 кг.
  • Объем бетона 0,37 м3
  • Геометрический объем 0,54 м3
Цена: 12920 руб.
Подробнее
С 5-20 (ТПР 501-04-3.83)
Сваи-стойки ТПР 501-07-3.83
  • Длина 5000 мм.
  • Ширина 200 мм.
  • Высота 200 мм.
  • Вес 525 кг.
  • Объем бетона 0,21 м3
  • Геометрический объем 0,2 м3
Цена: 3463 руб.
Подробнее
С 4-20 (ТПР 501-04-3.83)
Сваи-стойки ТПР 501-07-3.83
  • Длина 4000 мм.
  • Ширина 200 мм.
  • Высота 200 мм.
  • Вес 425 кг.
  • Объем бетона 0,17 м3
  • Геометрический объем 0,16 м3
Цена: 2803 руб.
Подробнее
С 6-20 (ТПР 501-04-3.83)
Сваи-стойки ТПР 501-07-3.83
  • Длина 6000 мм.
  • Ширина 200 мм.
  • Высота 200 мм.
  • Вес 625 кг.
  • Объем бетона 0,25 м3
  • Геометрический объем 0,24 м3
Цена: 4123 руб.
Подробнее
С 30-2
Стойки ТПР 501-07-3.83
  • Длина 3000 мм.
  • Ширина 200 мм.
  • Высота 200 мм.
  • Вес 300 кг.
  • Объем бетона 0,12 м3
  • Геометрический объем 0,12 м3
Цена: 2794 руб.
Подробнее
С 35-2
Стойки ТПР 501-07-3.83
  • Длина 3500 мм.
  • Ширина 200 мм.
  • Высота 200 мм.
  • Вес 350 кг.
  • Объем бетона 0,14 м3
  • Геометрический объем 0,14 м3
Цена: 3259 руб.
Подробнее
С 25-2
Стойки ТПР 501-07-3.83
  • Длина 2500 мм.
  • Ширина 200 мм.
  • Высота 200 мм.
  • Вес 250 кг.
  • Объем бетона 0,1 м3
  • Геометрический объем 0,1 м3
Цена: 2328 руб.
Подробнее
С 40-2
Стойки ТПР 501-07-3.83
  • Длина 4000 мм.
  • Ширина 200 мм.
  • Высота 200 мм.
  • Вес 400 кг.
  • Объем бетона 0,16 м3
  • Геометрический объем 0,16 м3
Цена: 3725 руб.
Подробнее
ФС 18-8 (ТПР 501-07-3.83)
Фундаменты ТПР 501-07-3.83
  • Длина 1800 мм.
  • Ширина 800 мм.
  • Высота 450 мм.
  • Вес 925 кг.
  • Объем бетона 0,37 м3
  • Геометрический объем 0,648 м3
Цена: 6101 руб.
Подробнее
ФС 8-8 (ТПР 501-07-3.83)
Фундаменты ТПР 501-07-3.83
  • Длина 800 мм.
  • Ширина 800 мм.
  • Высота 450 мм.
  • Вес 525 кг.
  • Объем бетона 0,21 м3
  • Геометрический объем 0,288 м3
Цена: 3463 руб.
Подробнее
ФС 12-8 (ТПР 501-07-3.83)
Фундаменты ТПР 501-07-3.83
  • Длина 1200 мм.
  • Ширина 800 мм.
  • Высота 450 мм.
  • Вес 675 кг.
  • Объем бетона 0,27 м3
  • Геометрический объем 0,432 м3
Цена: 4452 руб.
Подробнее

Уведомление о файлах cookie

Мы используем файлы cookie для улучшения вашего опыта просмотра и анализа трафика. Нажимая "Принять все", вы соглашаетесь с нашей политикой конфиденциальности и политикой обработки файлов cookie.

MAX Дзен Телеграм Вконтакте vk