mobile_sound +7 (930) 655-55-90

Техническая документация и чертежи (ТП 501-166)

Поделиться:
Поделиться:

Документ ТП 501-166 описывает область применения, номенклатуру и ключевые требования, опираясь на действующие нормы и практику проектирования. Типовой проект 501-166 распространяется на унифицированные конструкции, предназначенные для строительства пешеходных мостов через железные дороги. В номенклатурном перечне приведены железобетонные стойки, блоки, фундаменты, ростверки, косоуры, ступени, балки и другие элементы. В совокупности данные конструкции позволяют возводить пешеходные мостовые сооружения с пролетами от 12 до 33 метров.

Файлы для скачивания:
picture_as_pdf

3585.pdf

38,985.7 KB

скачать
picture_as_pdf

3586.pdf

15,562.2 KB

скачать
picture_as_pdf

3587.pdf

14,779.8 KB

скачать
Товары ТП 501-166 (60)
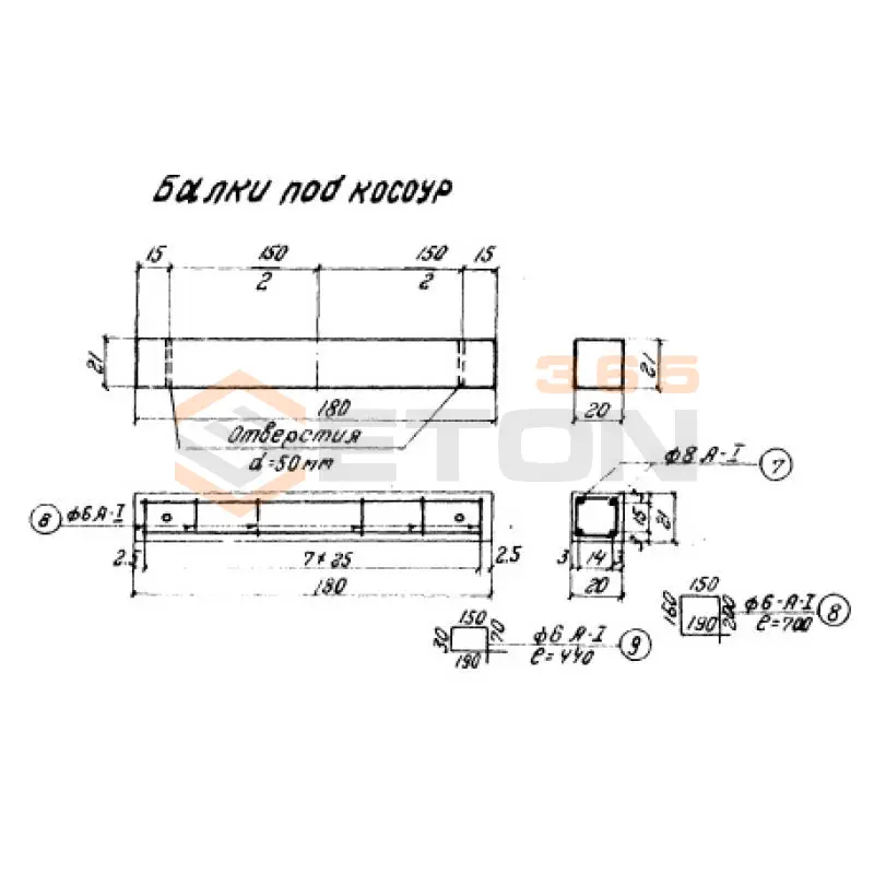
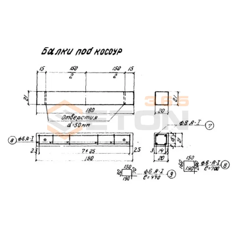
Балка (ТП 501-166)
Балки под косоуры ТП 501-166
  • Длина 1800 мм.
  • Ширина 200 мм.
  • Высота 60 мм.
  • Вес 50 кг.
  • Объем бетона 0,022 м3
  • Геометрический объем 0,0216 м3
Цена: 854 руб.
Подробнее
Балка (ТП 501-166)
Балки под косоуры ТП 501-166
  • Длина 1800 мм.
  • Ширина 200 мм.
  • Высота 210 мм.
  • Вес 188 кг.
  • Объем бетона 0,075 м3
  • Геометрический объем 0,0756 м3
Цена: 2910 руб.
Подробнее
Распорка (ТП 501-166)
Распорки ТП 501-166
  • Длина 1120 мм.
  • Ширина 180 мм.
  • Высота 350 мм.
  • Вес 200 кг.
  • Объем бетона 0,07 м3
  • Геометрический объем 0,0706 м3
Цена: 3395 руб.
Подробнее
РП 1 (ТП 501-166)
Распорки ТП 501-166
  • Длина 2500 мм.
  • Ширина 350 мм.
  • Высота 350 мм.
  • Вес 700 кг.
  • Объем бетона 0,3 м3
  • Геометрический объем 0,3063 м3
Цена: 14550 руб.
Подробнее
Б 1 (ТП 501-166)
Блоки ТП 501-166
  • Длина 2000 мм.
  • Ширина 830 мм.
  • Высота 140 мм.
  • Вес 600 кг.
  • Объем бетона 0,23 м3
  • Геометрический объем 0,2324 м3
Цена: 6693 руб.
Подробнее
Б 2 (ТП 501-166)
Блоки ТП 501-166
  • Длина 1150 мм.
  • Ширина 250 мм.
  • Высота 290 мм.
  • Вес 200 кг.
  • Объем бетона 0,08 м3
  • Геометрический объем 0,0834 м3
Цена: 2328 руб.
Подробнее
К 1 (ТП 501-166)
Косоуры ТП 501-166
  • Длина 12050 мм.
  • Ширина 260 мм.
  • Высота 4200 мм.
  • Вес 3800 кг.
  • Объем бетона 1,5 м3
  • Геометрический объем 13,1586 м3
Цена: 58200 руб.
Подробнее
К 2 (ТП 501-166)
Косоуры ТП 501-166
  • Длина 10130 мм.
  • Ширина 260 мм.
  • Высота 3360 мм.
  • Вес 3200 кг.
  • Объем бетона 1,3 м3
  • Геометрический объем 8,8496 м3
Цена: 50440 руб.
Подробнее
К 3 (ТП 501-166)
Косоуры ТП 501-166
  • Длина 9490 мм.
  • Ширина 260 мм.
  • Высота 3080 мм.
  • Вес 3000 кг.
  • Объем бетона 1,2 м3
  • Геометрический объем 7,5996 м3
Цена: 46560 руб.
Подробнее
К 4 (ТП 501-166)
Косоуры ТП 501-166
  • Длина 12050 мм.
  • Ширина 260 мм.
  • Высота 4200 мм.
  • Вес 3800 кг.
  • Объем бетона 1,5 м3
  • Геометрический объем 13,1586 м3
Цена: 58200 руб.
Подробнее
К 6 (ТП 501-166)
Косоуры ТП 501-166
  • Длина 9490 мм.
  • Ширина 260 мм.
  • Высота 3080 мм.
  • Вес 3000 кг.
  • Объем бетона 1,2 м3
  • Геометрический объем 7,5996 м3
Цена: 46560 руб.
Подробнее
К 5 (ТП 501-166)
Косоуры ТП 501-166
  • Длина 10130 мм.
  • Ширина 260 мм.
  • Высота 3360 мм.
  • Вес 3200 кг.
  • Объем бетона 1,3 м3
  • Геометрический объем 8,8496 м3
Цена: 50440 руб.
Подробнее
К 7 (ТП 501-166)
Косоуры ТП 501-166
  • Длина 6000 мм.
  • Ширина 180 мм.
  • Высота 2450 мм.
  • Вес 1000 кг.
  • Объем бетона 0,4 м3
  • Геометрический объем 2,646 м3
Цена: 15520 руб.
Подробнее
К 8 (ТП 501-166)
Косоуры ТП 501-166
  • Длина 5040 мм.
  • Ширина 180 мм.
  • Высота 1930 мм.
  • Вес 800 кг.
  • Объем бетона 0,3 м3
  • Геометрический объем 1,7509 м3
Цена: 11640 руб.
Подробнее
К 9 (ТП 501-166)
Косоуры ТП 501-166
  • Длина 4720 мм.
  • Ширина 180 мм.
  • Высота 1890 мм.
  • Вес 800 кг.
  • Объем бетона 0,32 м3
  • Геометрический объем 1,6057 м3
Цена: 12416 руб.
Подробнее
Ступень типа I (ТП 501-166)
Ступени сплошного сечения ТП 501-166
  • Длина 2000 мм.
  • Ширина 390 мм.
  • Высота 210 мм.
  • Вес 222 кг.
  • Объем бетона 0,089 м3
  • Геометрический объем 0,1638 м3
Цена: 2590 руб.
Подробнее
Ступень типа I (ТП 501-166)
Ступени сплошного сечения ТП 501-166
  • Длина 3200 мм.
  • Ширина 390 мм.
  • Высота 210 мм.
  • Вес 355 кг.
  • Объем бетона 0,142 м3
  • Геометрический объем 0,2621 м3
Цена: 4132 руб.
Подробнее
Ступень типа III (ТП 501-166)
Ступени сплошного сечения ТП 501-166
  • Длина 3200 мм.
  • Ширина 320 мм.
  • Высота 210 мм.
  • Вес 455 кг.
  • Объем бетона 0,182 м3
  • Геометрический объем 0,215 м3
Цена: 5296 руб.
Подробнее
Ступень типа II (ТП 501-166)
Ступени сплошного сечения ТП 501-166
  • Длина 2000 мм.
  • Ширина 320 мм.
  • Высота 210 мм.
  • Вес 222 кг.
  • Объем бетона 0,089 м3
  • Геометрический объем 0,1344 м3
Цена: 2590 руб.
Подробнее
Ступень типа II (ТП 501-166)
Ступени сплошного сечения ТП 501-166
  • Длина 3200 мм.
  • Ширина 320 мм.
  • Высота 210 мм.
  • Вес 355 кг.
  • Объем бетона 0,142 м3
  • Геометрический объем 0,215 м3
Цена: 4132 руб.
Подробнее
Ступень типа IV (ТП 501-166)
Ступени сплошного сечения ТП 501-166
  • Длина 3200 мм.
  • Ширина 570 мм.
  • Высота 190 мм.
  • Вес 655 кг.
  • Объем бетона 0,262 м3
  • Геометрический объем 0,3466 м3
Цена: 7624 руб.
Подробнее
Ступень типа IV (ТП 501-166)
Ступени сплошного сечения ТП 501-166
  • Длина 2000 мм.
  • Ширина 570 мм.
  • Высота 190 мм.
  • Вес 410 кг.
  • Объем бетона 0,164 м3
  • Геометрический объем 0,2166 м3
Цена: 4772 руб.
Подробнее
Ступень типа III (ТП 501-166)
Ступени сплошного сечения ТП 501-166
  • Длина 2000 мм.
  • Ширина 320 мм.
  • Высота 210 мм.
  • Вес 285 кг.
  • Объем бетона 0,114 м3
  • Геометрический объем 0,1344 м3
Цена: 3317 руб.
Подробнее
Ступень типа V (ТП 501-166)
Ступени сплошного сечения ТП 501-166
  • Длина 3200 мм.
  • Ширина 350 мм.
  • Высота 190 мм.
  • Вес 520 кг.
  • Объем бетона 0,208 м3
  • Геометрический объем 0,2128 м3
Цена: 6053 руб.
Подробнее
Ступень типа V (ТП 501-166)
Ступени сплошного сечения ТП 501-166
  • Длина 2000 мм.
  • Ширина 350 мм.
  • Высота 190 мм.
  • Вес 325 кг.
  • Объем бетона 0,13 м3
  • Геометрический объем 0,133 м3
Цена: 3783 руб.
Подробнее
Ступень типа 1 (ТП 501-166)
Ступени ТП 51-166
  • Длина 2000 мм.
  • Ширина 370 мм.
  • Высота 210 мм.
  • Вес 150 кг.
  • Объем бетона 0,06 м3
  • Геометрический объем 0,1554 м3
Цена: 1455 руб.
Подробнее
Ступень типа 2 (ТП 501-166)
Ступени ТП 51-166
  • Длина 2000 мм.
  • Ширина 390 мм.
  • Высота 210 мм.
  • Вес 175 кг.
  • Объем бетона 0,07 м3
  • Геометрический объем 0,1638 м3
Цена: 1698 руб.
Подробнее
Ступень типа 1 (ТП 501-166)
Ступени ТП 51-166
  • Длина 3200 мм.
  • Ширина 370 мм.
  • Высота 210 мм.
  • Вес 225 кг.
  • Объем бетона 0,09 м3
  • Геометрический объем 0,2486 м3
Цена: 2183 руб.
Подробнее
Ступень типа 3 (ТП 501-166)
Ступени ТП 51-166
  • Длина 3200 мм.
  • Ширина 320 мм.
  • Высота 210 мм.
  • Вес 300 кг.
  • Объем бетона 0,12 м3
  • Геометрический объем 0,215 м3
Цена: 2910 руб.
Подробнее
Ступень типа 2 (ТП 501-166)
Ступени ТП 51-166
  • Длина 3200 мм.
  • Ширина 390 мм.
  • Высота 210 мм.
  • Вес 300 кг.
  • Объем бетона 0,12 м3
  • Геометрический объем 0,2621 м3
Цена: 2910 руб.
Подробнее
Ступень типа 3 (ТП 501-166)
Ступени ТП 51-166
  • Длина 2000 мм.
  • Ширина 320 мм.
  • Высота 210 мм.
  • Вес 175 кг.
  • Объем бетона 0,07 м3
  • Геометрический объем 0,1344 м3
Цена: 1698 руб.
Подробнее
Ступень типа 4 (ТП 501-166)
Ступени ТП 51-166
  • Длина 3200 мм.
  • Ширина 570 мм.
  • Высота 190 мм.
  • Вес 475 кг.
  • Объем бетона 0,19 м3
  • Геометрический объем 0,3466 м3
Цена: 4608 руб.
Подробнее
Ступень типа 5 (ТП 501-166)
Ступени ТП 51-166
  • Длина 3200 мм.
  • Ширина 350 мм.
  • Высота 190 мм.
  • Вес 275 кг.
  • Объем бетона 0,11 м3
  • Геометрический объем 0,2128 м3
Цена: 2668 руб.
Подробнее
Ступень типа 4 (ТП 501-166)
Ступени ТП 51-166
  • Длина 2000 мм.
  • Ширина 570 мм.
  • Высота 190 мм.
  • Вес 275 кг.
  • Объем бетона 0,11 м3
  • Геометрический объем 0,2166 м3
Цена: 2668 руб.
Подробнее
Ступень типа 5 (ТП 501-166)
Ступени ТП 51-166
  • Длина 2000 мм.
  • Ширина 350 мм.
  • Высота 190 мм.
  • Вес 200 кг.
  • Объем бетона 0,09 м3
  • Геометрический объем 0,133 м3
Цена: 2183 руб.
Подробнее
ПР 3 (ТП 501-166)
Плиты ростверков ТП 501-166
  • Длина 2950 мм.
  • Ширина 5900 мм.
  • Высота 700 мм.
  • Вес 25800 кг.
  • Объем бетона 10,3 м3
  • Геометрический объем 12,1835 м3
Цена: 479568 руб.
Подробнее
ПР 2 (ТП 501-166)
Плиты ростверков ТП 501-166
  • Длина 2950 мм.
  • Ширина 1900 мм.
  • Высота 700 мм.
  • Вес 8000 кг.
  • Объем бетона 3,2 м3
  • Геометрический объем 3,9235 м3
Цена: 148992 руб.
Подробнее
ПР 1 (ТП 501-166)
Плиты ростверков ТП 501-166
  • Длина 2950 мм.
  • Ширина 2950 мм.
  • Высота 700 мм.
  • Вес 12300 кг.
  • Объем бетона 4,9 м3
  • Геометрический объем 6,0918 м3
Цена: 228144 руб.
Подробнее
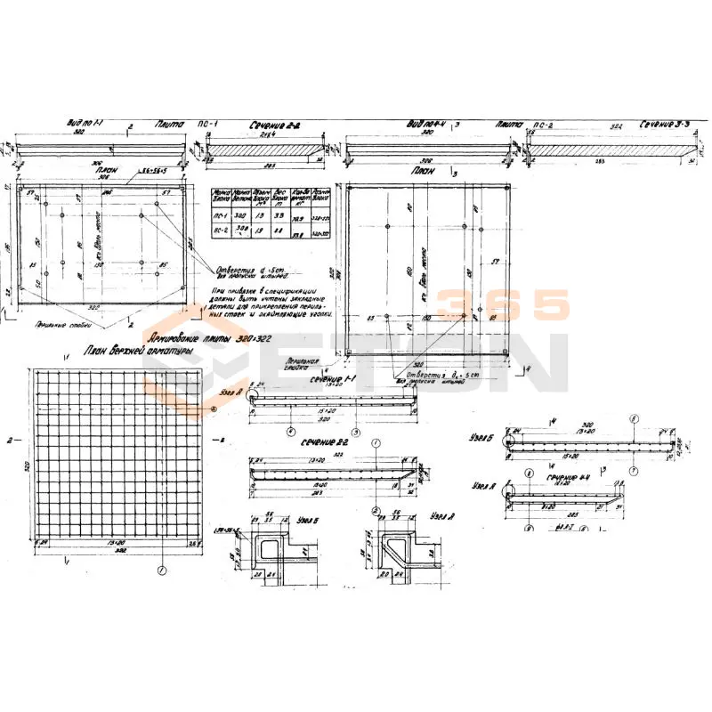
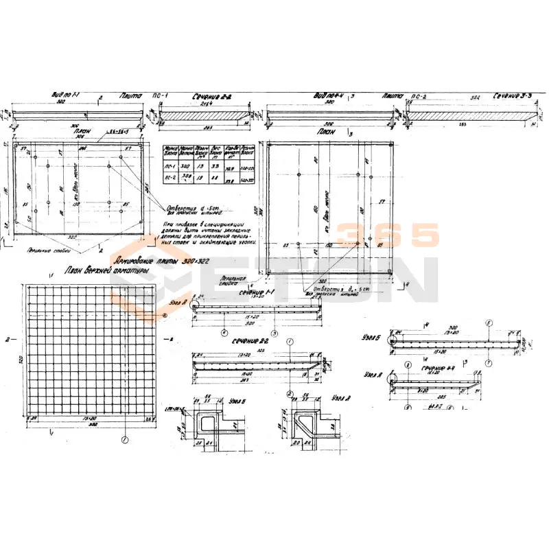
ПС 1 (ТП 501-166)
Плиты ТП 501-166
  • Длина 3060 мм.
  • Ширина 2250 мм.
  • Высота 210 мм.
  • Вес 3300 кг.
  • Объем бетона 1,3 м3
  • Геометрический объем 1,4459 м3
Цена: 21437 руб.
Подробнее
ПС 3 (ТП 501-166)
Плиты ТП 501-166
  • Длина 3200 мм.
  • Ширина 1640 мм.
  • Высота 210 мм.
  • Вес 2900 кг.
  • Объем бетона 0,91 м3
  • Геометрический объем 1,1021 м3
Цена: 15006 руб.
Подробнее
ПС 2 (ТП 501-166)
Плиты ТП 501-166
  • Длина 3060 мм.
  • Ширина 3220 мм.
  • Высота 210 мм.
  • Вес 4800 кг.
  • Объем бетона 1,9 м3
  • Геометрический объем 2,0692 м3
Цена: 31331 руб.
Подробнее
ПС 3 (ТП 501-166)
Плиты ТП 501-166
  • Длина 2000 мм.
  • Ширина 1640 мм.
  • Высота 210 мм.
  • Вес 1400 кг.
  • Объем бетона 0,57 м3
  • Геометрический объем 0,6888 м3
Цена: 9399 руб.
Подробнее
П 1 (260х290) (ТП 501-166)
Плиты фундаментные ТП 501-166
  • Длина 2600 мм.
  • Ширина 2900 мм.
  • Высота 400 мм.
  • Вес 7500 кг.
  • Объем бетона 3 м3
  • Геометрический объем 3,016 м3
Цена: 78570 руб.
Подробнее
П 1 (260х400) (ТП 501-166)
Плиты фундаментные ТП 501-166
  • Длина 2600 мм.
  • Ширина 4000 мм.
  • Высота 400 мм.
  • Вес 10500 кг.
  • Объем бетона 4,2 м3
  • Геометрический объем 4,16 м3
Цена: 109998 руб.
Подробнее
П 1 (260х320) (ТП 501-166)
Плиты фундаментные ТП 501-166
  • Длина 2600 мм.
  • Ширина 3200 мм.
  • Высота 400 мм.
  • Вес 8300 кг.
  • Объем бетона 3,3 м3
  • Геометрический объем 3,328 м3
Цена: 86427 руб.
Подробнее
С 1 (180х210) (ТП 501-166)
Стойки ТП 501-166
  • Длина 8650 мм.
  • Ширина 1800 мм.
  • Высота 2100 мм.
  • Вес 8800 кг.
  • Объем бетона 3,5 м3
  • Геометрический объем 32,697 м3
Цена: 69598 руб.
Подробнее
С 1 (180х190) (ТП 501-166)
Стойки ТП 501-166
  • Длина 8650 мм.
  • Ширина 1800 мм.
  • Высота 1900 мм.
  • Вес 7000 кг.
  • Объем бетона 2,8 м3
  • Геометрический объем 29,583 м3
Цена: 55678 руб.
Подробнее
С 1 (180х230) (ТП 501-166)
Стойки ТП 501-166
  • Длина 8650 мм.
  • Ширина 1800 мм.
  • Высота 2300 мм.
  • Вес 9000 кг.
  • Объем бетона 3,6 м3
  • Геометрический объем 35,811 м3
Цена: 71586 руб.
Подробнее
С 2 (180х210) (ТП 501-166)
Стойки ТП 501-166
  • Длина 9700 мм.
  • Ширина 1800 мм.
  • Высота 2100 мм.
  • Вес 10000 кг.
  • Объем бетона 4 м3
  • Геометрический объем 36,666 м3
Цена: 79540 руб.
Подробнее
С 2 (100х190) (ТП 501-166)
Стойки ТП 501-166
  • Длина 9700 мм.
  • Ширина 1000 мм.
  • Высота 1900 мм.
  • Вес 8500 кг.
  • Объем бетона 3,4 м3
  • Геометрический объем 18,43 м3
Цена: 67609 руб.
Подробнее
С 2 (180х230) (ТП 501-166)
Стойки ТП 501-166
  • Длина 9700 мм.
  • Ширина 1800 мм.
  • Высота 2300 мм.
  • Вес 10200 кг.
  • Объем бетона 4,1 м3
  • Геометрический объем 40,158 м3
Цена: 81529 руб.
Подробнее
С 5 (145х240) (ТП 501-166)
Стойки ТП 501-166
  • Длина 9250 мм.
  • Ширина 1450 мм.
  • Высота 2400 мм.
  • Вес 9800 кг.
  • Объем бетона 3,9 м3
  • Геометрический объем 32,19 м3
Цена: 77552 руб.
Подробнее
С 5 (100х240) (ТП 501-166)
Стойки ТП 501-166
  • Длина 9250 мм.
  • Ширина 1000 мм.
  • Высота 2400 мм.
  • Вес 9000 кг.
  • Объем бетона 3,6 м3
  • Геометрический объем 22,2 м3
Цена: 71586 руб.
Подробнее
С 3 (50х180) (ТП 501-166)
Стойки ТП 501-166
  • Длина 6410 мм.
  • Ширина 500 мм.
  • Высота 1800 мм.
  • Вес 3500 кг.
  • Объем бетона 1,4 м3
  • Геометрический объем 5,769 м3
Цена: 27839 руб.
Подробнее
С 4 (210х175) (ТП 501-166)
Стойки ТП 501-166
  • Длина 8250 мм.
  • Ширина 2100 мм.
  • Высота 1750 мм.
  • Вес 13500 кг.
  • Объем бетона 5,4 м3
  • Геометрический объем 30,3188 м3
Цена: 107379 руб.
Подробнее
Ф 1 (ТП 501-166)
Фундаменты ТП 501-166
  • Длина 2400 мм.
  • Ширина 2400 мм.
  • Высота 1300 мм.
  • Вес 9800 кг.
  • Объем бетона 3,9 м3
  • Геометрический объем 7,488 м3
Цена: 68094 руб.
Подробнее
Ф 3 (ТП 501-166)
Фундаменты ТП 501-166
  • Длина 1700 мм.
  • Ширина 1700 мм.
  • Высота 1300 мм.
  • Вес 5800 кг.
  • Объем бетона 2,3 м3
  • Геометрический объем 3,757 м3
Цена: 40158 руб.
Подробнее
Ф 2 (ТП 501-166)
Фундаменты ТП 501-166
  • Длина 2400 мм.
  • Ширина 2700 мм.
  • Высота 1300 мм.
  • Вес 10800 кг.
  • Объем бетона 4,3 м3
  • Геометрический объем 8,424 м3
Цена: 75078 руб.
Подробнее
Ф 5 (ТП 501-166)
Фундаменты ТП 501-166
  • Длина 2400 мм.
  • Ширина 2700 мм.
  • Высота 1300 мм.
  • Вес 9800 кг.
  • Объем бетона 3,9 м3
  • Геометрический объем 8,424 м3
Цена: 68094 руб.
Подробнее
Ф 4 (ТП 501-166)
Фундаменты ТП 501-166
  • Длина 2700 мм.
  • Ширина 2550 мм.
  • Высота 1300 мм.
  • Вес 11500 кг.
  • Объем бетона 4,6 м3
  • Геометрический объем 8,9505 м3
Цена: 80316 руб.
Подробнее

Уведомление о файлах cookie

Мы используем файлы cookie для улучшения вашего опыта просмотра и анализа трафика. Нажимая "Принять все", вы соглашаетесь с нашей политикой конфиденциальности и политикой обработки файлов cookie.

Дзен Телеграм Вконтакте vk