mobile_sound +7 (930) 655-55-90

Техническая документация и чертежи (Шифр 1484)

Поделиться:
Поделиться:

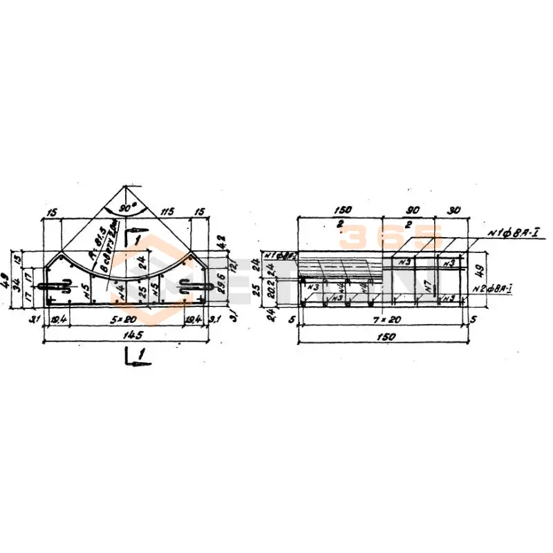
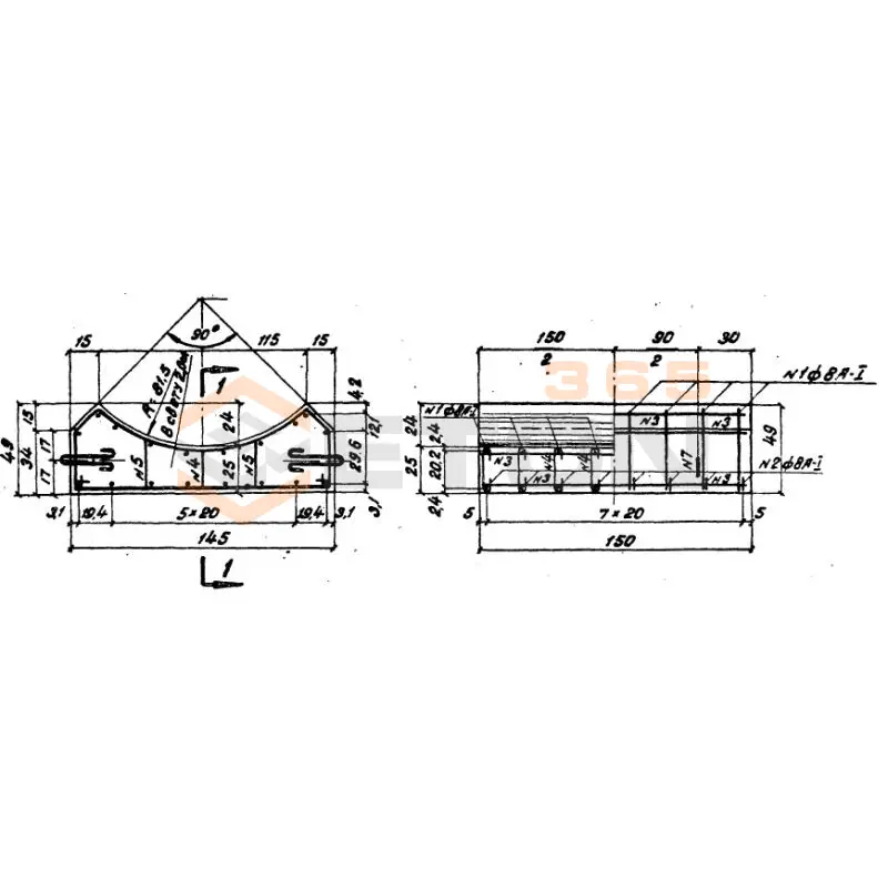
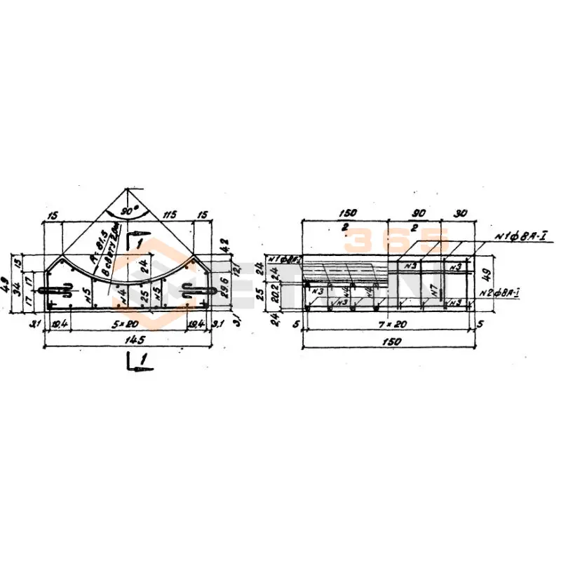
Документ Шифр 1484 описывает область применения, номенклатуру и ключевые требования, опираясь на действующие нормы и практику проектирования. В Шифре 1484 детально описывается организация процесса производства и осуществление монтажа водопропускных труб, отличающихся круглой формой и применяемых при прокладке автомобильных и железных дорог общего пользования. Разработкой нормативного документа занимался проектный институт ТРАНСМОСТ, введение в действие состоялось с мая 2002 года после утверждения Министерством путей сообщения. Звенья, лекальные и фундаментные блоки, а также портальные и откосные стенки служат основой для строительства водопропускного канала, прокладываемого под дорогами и служащего основным средством защиты от размывания земляного полотна.

Файлы для скачивания:
picture_as_pdf

2195.pdf

25,138.8 KB

скачать
picture_as_pdf

2196.pdf

35,003.4 KB

скачать
picture_as_pdf

2197.pdf

17,381.0 KB

скачать
Товары Шифр 1484 (60)
БЛ 10
Блоки лекальные под конические звенья Шифр 1484
  • Длина 1320 мм.
  • Ширина 1540 мм.
  • Высота 510 мм.
  • Вес 2000 кг.
  • Объем бетона 0,8 м3
  • Геометрический объем 1,0367 м3
Цена: 15520 руб.
Подробнее
БЛ 11
Блоки лекальные под конические звенья Шифр 1484
  • Длина 1320 мм.
  • Ширина 1780 мм.
  • Высота 560 мм.
  • Вес 2200 кг.
  • Объем бетона 0,87 м3
  • Геометрический объем 1,3158 м3
Цена: 16878 руб.
Подробнее
БЛ 12
Блоки лекальные под конические звенья Шифр 1484
  • Длина 1320 мм.
  • Ширина 2240 мм.
  • Высота 660 мм.
  • Вес 3000 кг.
  • Объем бетона 1,18 м3
  • Геометрический объем 1,9515 м3
Цена: 22892 руб.
Подробнее
БЛ 9
Блоки лекальные под конические звенья Шифр 1484
  • Длина 1320 мм.
  • Ширина 1300 мм.
  • Высота 460 мм.
  • Вес 1500 кг.
  • Объем бетона 0,58 м3
  • Геометрический объем 0,7894 м3
Цена: 11252 руб.
Подробнее
БЛ 1-201
Блоки лекальные под цилиндрические звенья (Серия 3.501-59, шифр 1484 )
  • Длина 2010 мм.
  • Ширина 1190 мм.
  • Высота 430 мм.
  • Вес 1900 кг.
  • Объем бетона 0,76 м3
  • Геометрический объем 1,0285 м3
Цена: 14744 руб.
Подробнее
БЛ 1-201 у
Блоки лекальные под цилиндрические звенья (Серия 3.501-59, шифр 1484 )
  • Длина 1500 мм.
  • Ширина 1190 мм.
  • Высота 430 мм.
  • Вес 1400 кг.
  • Объем бетона 0,57 м3
  • Геометрический объем 0,7675 м3
Цена: 11058 руб.
Подробнее
БЛ 1-201 у
Блоки лекальные под цилиндрические звенья (Серия 3.501-59, шифр 1484 )
  • Длина 990 мм.
  • Ширина 1190 мм.
  • Высота 430 мм.
  • Вес 1000 кг.
  • Объем бетона 0,4 м3
  • Геометрический объем 0,5066 м3
Цена: 7760 руб.
Подробнее
БЛ 1-302
Блоки лекальные под цилиндрические звенья (Серия 3.501-59, шифр 1484 )
  • Длина 3020 мм.
  • Ширина 1190 мм.
  • Высота 430 мм.
  • Вес 1900 кг.
  • Объем бетона 1,14 м3
  • Геометрический объем 1,5453 м3
Цена: 22116 руб.
Подробнее
БЛ 2-201
Блоки лекальные под цилиндрические звенья (Серия 3.501-59, шифр 1484 )
  • Длина 2010 мм.
  • Ширина 1390 мм.
  • Высота 480 мм.
  • Вес 2400 кг.
  • Объем бетона 0,96 м3
  • Геометрический объем 1,3411 м3
Цена: 18624 руб.
Подробнее
БЛ 2-302
Блоки лекальные под цилиндрические звенья (Серия 3.501-59, шифр 1484 )
  • Длина 3020 мм.
  • Ширина 1390 мм.
  • Высота 480 мм.
  • Вес 3600 кг.
  • Объем бетона 1,44 м3
  • Геометрический объем 2,0149 м3
Цена: 27936 руб.
Подробнее
БЛ 3-201 у
Блоки лекальные под цилиндрические звенья (Серия 3.501-59, шифр 1484 )
  • Длина 990 мм.
  • Ширина 1450 мм.
  • Высота 490 мм.
  • Вес 1300 кг.
  • Объем бетона 0,5 м3
  • Геометрический объем 0,7034 м3
Цена: 9700 руб.
Подробнее
БЛ 3-201
Блоки лекальные под цилиндрические звенья (Серия 3.501-59, шифр 1484 )
  • Длина 2010 мм.
  • Ширина 1450 мм.
  • Высота 490 мм.
  • Вес 2500 кг.
  • Объем бетона 1 м3
  • Геометрический объем 1,4281 м3
Цена: 19400 руб.
Подробнее
БЛ 3-201 у
Блоки лекальные под цилиндрические звенья (Серия 3.501-59, шифр 1484 )
  • Длина 1500 мм.
  • Ширина 1450 мм.
  • Высота 490 мм.
  • Вес 1900 кг.
  • Объем бетона 0,75 м3
  • Геометрический объем 1,0657 м3
Цена: 14550 руб.
Подробнее
БЛ 3-302
Блоки лекальные под цилиндрические звенья (Серия 3.501-59, шифр 1484 )
  • Длина 3020 мм.
  • Ширина 1450 мм.
  • Высота 490 мм.
  • Вес 3800 кг.
  • Объем бетона 1,5 м3
  • Геометрический объем 2,1457 м3
Цена: 29100 руб.
Подробнее
БЛ 4-150
Блоки лекальные под цилиндрические звенья (Серия 3.501-59, шифр 1484 )
  • Длина 1500 мм.
  • Ширина 1600 мм.
  • Высота 520 мм.
  • Вес 2100 кг.
  • Объем бетона 0,86 м3
  • Геометрический объем 1,248 м3
Цена: 16684 руб.
Подробнее
БЛ 4 а
Блоки лекальные под цилиндрические звенья (Серия 3.501-59, шифр 1484 )
  • Длина 990 мм.
  • Ширина 1190 мм.
  • Высота 430 мм.
  • Вес 1000 кг.
  • Объем бетона 0,4 м3
  • Геометрический объем 0,5066 м3
Цена: 7760 руб.
Подробнее
БЛ 4
Блоки лекальные под цилиндрические звенья (Серия 3.501-59, шифр 1484 )
  • Длина 2010 мм.
  • Ширина 1190 мм.
  • Высота 430 мм.
  • Вес 1900 кг.
  • Объем бетона 0,76 м3
  • Геометрический объем 1,0285 м3
Цена: 14744 руб.
Подробнее
БЛ 4-201 у
Блоки лекальные под цилиндрические звенья (Серия 3.501-59, шифр 1484 )
  • Длина 1500 мм.
  • Ширина 1600 мм.
  • Высота 520 мм.
  • Вес 2150 кг.
  • Объем бетона 0,86 м3
  • Геометрический объем 1,248 м3
Цена: 16684 руб.
Подробнее
БЛ 4-201
Блоки лекальные под цилиндрические звенья (Серия 3.501-59, шифр 1484 )
  • Длина 2010 мм.
  • Ширина 1600 мм.
  • Высота 520 мм.
  • Вес 2900 кг.
  • Объем бетона 1,15 м3
  • Геометрический объем 1,6723 м3
Цена: 22310 руб.
Подробнее
БЛ 4-201 у
Блоки лекальные под цилиндрические звенья (Серия 3.501-59, шифр 1484 )
  • Длина 990 мм.
  • Ширина 1600 мм.
  • Высота 520 мм.
  • Вес 1450 кг.
  • Объем бетона 0,58 м3
  • Геометрический объем 0,8237 м3
Цена: 11252 руб.
Подробнее
БЛ 5
Блоки лекальные под цилиндрические звенья (Серия 3.501-59, шифр 1484 )
  • Длина 1500 мм.
  • Ширина 1190 мм.
  • Высота 430 мм.
  • Вес 1400 кг.
  • Объем бетона 0,57 м3
  • Геометрический объем 0,7675 м3
Цена: 11058 руб.
Подробнее
БЛ 4-302
Блоки лекальные под цилиндрические звенья (Серия 3.501-59, шифр 1484 )
  • Длина 3020 мм.
  • Ширина 1600 мм.
  • Высота 520 мм.
  • Вес 4300 кг.
  • Объем бетона 1,73 м3
  • Геометрический объем 2,5126 м3
Цена: 33562 руб.
Подробнее
БЛ 5-201
Блоки лекальные под цилиндрические звенья (Серия 3.501-59, шифр 1484 )
  • Длина 2010 мм.
  • Ширина 1680 мм.
  • Высота 540 мм.
  • Вес 3100 кг.
  • Объем бетона 1,24 м3
  • Геометрический объем 1,8235 м3
Цена: 24056 руб.
Подробнее
БЛ 5-201 у
Блоки лекальные под цилиндрические звенья (Серия 3.501-59, шифр 1484 )
  • Длина 990 мм.
  • Ширина 1680 мм.
  • Высота 540 мм.
  • Вес 1600 кг.
  • Объем бетона 0,62 м3
  • Геометрический объем 0,8981 м3
Цена: 12028 руб.
Подробнее
БЛ 5-201 у
Блоки лекальные под цилиндрические звенья (Серия 3.501-59, шифр 1484 )
  • Длина 1500 мм.
  • Ширина 1680 мм.
  • Высота 540 мм.
  • Вес 2300 кг.
  • Объем бетона 0,93 м3
  • Геометрический объем 1,3608 м3
Цена: 18042 руб.
Подробнее
БЛ 5-302
Блоки лекальные под цилиндрические звенья (Серия 3.501-59, шифр 1484 )
  • Длина 3020 мм.
  • Ширина 1680 мм.
  • Высота 540 мм.
  • Вес 4700 кг.
  • Объем бетона 1,86 м3
  • Геометрический объем 2,7397 м3
Цена: 36084 руб.
Подробнее
БЛ 6-201
Блоки лекальные под цилиндрические звенья (Серия 3.501-59, шифр 1484 )
  • Длина 2010 мм.
  • Ширина 1950 мм.
  • Высота 590 мм.
  • Вес 3700 кг.
  • Объем бетона 1,48 м3
  • Геометрический объем 2,3125 м3
Цена: 28712 руб.
Подробнее
БЛ 6-302
Блоки лекальные под цилиндрические звенья (Серия 3.501-59, шифр 1484 )
  • Длина 3020 мм.
  • Ширина 1950 мм.
  • Высота 590 мм.
  • Вес 5600 кг.
  • Объем бетона 2,22 м3
  • Геометрический объем 3,4745 м3
Цена: 43068 руб.
Подробнее
БЛ 60
Блоки лекальные под цилиндрические звенья (Серия 3.501-59, шифр 1484 )
  • Длина 2010 мм.
  • Ширина 1450 мм.
  • Высота 490 мм.
  • Вес 2500 кг.
  • Объем бетона 1 м3
  • Геометрический объем 1,4281 м3
Цена: 19400 руб.
Подробнее
БЛ 62
Блоки лекальные под цилиндрические звенья (Серия 3.501-59, шифр 1484 )
  • Длина 2010 мм.
  • Ширина 1680 мм.
  • Высота 540 мм.
  • Вес 3100 кг.
  • Объем бетона 1,24 м3
  • Геометрический объем 1,8235 м3
Цена: 24056 руб.
Подробнее
БЛ 60 а
Блоки лекальные под цилиндрические звенья (Серия 3.501-59, шифр 1484 )
  • Длина 990 мм.
  • Ширина 1450 мм.
  • Высота 490 мм.
  • Вес 1300 кг.
  • Объем бетона 0,5 м3
  • Геометрический объем 0,7034 м3
Цена: 9700 руб.
Подробнее
БЛ 61
Блоки лекальные под цилиндрические звенья (Серия 3.501-59, шифр 1484 )
  • Длина 1500 мм.
  • Ширина 1450 мм.
  • Высота 490 мм.
  • Вес 1900 кг.
  • Объем бетона 0,75 м3
  • Геометрический объем 1,0657 м3
Цена: 14550 руб.
Подробнее
БЛ 62 а
Блоки лекальные под цилиндрические звенья (Серия 3.501-59, шифр 1484 )
  • Длина 990 мм.
  • Ширина 1680 мм.
  • Высота 540 мм.
  • Вес 1600 кг.
  • Объем бетона 0,62 м3
  • Геометрический объем 0,8981 м3
Цена: 12028 руб.
Подробнее
БЛ 63
Блоки лекальные под цилиндрические звенья (Серия 3.501-59, шифр 1484 )
  • Длина 1500 мм.
  • Ширина 1680 мм.
  • Высота 540 мм.
  • Вес 2300 кг.
  • Объем бетона 0,93 м3
  • Геометрический объем 1,3608 м3
Цена: 18042 руб.
Подробнее
БЛ 7-201
Блоки лекальные под цилиндрические звенья (Серия 3.501-59, шифр 1484 )
  • Длина 2010 мм.
  • Ширина 2010 мм.
  • Высота 610 мм.
  • Вес 3900 кг.
  • Объем бетона 1,58 м3
  • Геометрический объем 2,4645 м3
Цена: 30652 руб.
Подробнее
БЛ 7-302
Блоки лекальные под цилиндрические звенья (Серия 3.501-59, шифр 1484 )
  • Длина 3020 мм.
  • Ширина 2010 мм.
  • Высота 610 мм.
  • Вес 5900 кг.
  • Объем бетона 2,37 м3
  • Геометрический объем 3,7028 м3
Цена: 45978 руб.
Подробнее
БЛ 8
Блоки лекальные под цилиндрические звенья (Серия 3.501-59, шифр 1484 )
  • Длина 2010 мм.
  • Ширина 1600 мм.
  • Высота 520 мм.
  • Вес 2900 кг.
  • Объем бетона 1,15 м3
  • Геометрический объем 1,6723 м3
Цена: 22310 руб.
Подробнее
БЛ 8 а
Блоки лекальные под цилиндрические звенья (Серия 3.501-59, шифр 1484 )
  • Длина 990 мм.
  • Ширина 1600 мм.
  • Высота 520 мм.
  • Вес 1450 кг.
  • Объем бетона 0,58 м3
  • Геометрический объем 0,8237 м3
Цена: 11252 руб.
Подробнее
БЛ 8-201
Блоки лекальные под цилиндрические звенья (Серия 3.501-59, шифр 1484 )
  • Длина 2010 мм.
  • Ширина 2070 мм.
  • Высота 620 мм.
  • Вес 4000 кг.
  • Объем бетона 1,62 м3
  • Геометрический объем 2,5796 м3
Цена: 31428 руб.
Подробнее
БЛ 8-302
Блоки лекальные под цилиндрические звенья (Серия 3.501-59, шифр 1484 )
  • Длина 3020 мм.
  • Ширина 2070 мм.
  • Высота 620 мм.
  • Вес 6100 кг.
  • Объем бетона 2,43 м3
  • Геометрический объем 3,8759 м3
Цена: 47142 руб.
Подробнее
БЛ 9
Блоки лекальные под цилиндрические звенья (Серия 3.501-59, шифр 1484 )
  • Длина 1500 мм.
  • Ширина 1600 мм.
  • Высота 520 мм.
  • Вес 2150 кг.
  • Объем бетона 0,86 м3
  • Геометрический объем 1,248 м3
Цена: 16684 руб.
Подробнее
Блок 4
Блоки лекальные под цилиндрические звенья (Серия 3.501-59, шифр 1484 )
  • Длина 2010 мм.
  • Ширина 1190 мм.
  • Высота 430 мм.
  • Вес 1900 кг.
  • Объем бетона 0,75 м3
  • Геометрический объем 1,0285 м3
Цена: 14550 руб.
Подробнее
Блок 4 а
Блоки лекальные под цилиндрические звенья (Серия 3.501-59, шифр 1484 )
  • Длина 990 мм.
  • Ширина 1190 мм.
  • Высота 430 мм.
  • Вес 1000 кг.
  • Объем бетона 0,38 м3
  • Геометрический объем 0,5066 м3
Цена: 7372 руб.
Подробнее
Блок 5
Блоки лекальные под цилиндрические звенья (Серия 3.501-59, шифр 1484 )
  • Длина 1500 мм.
  • Ширина 1190 мм.
  • Высота 430 мм.
  • Вес 1400 кг.
  • Объем бетона 0,57 м3
  • Геометрический объем 0,7675 м3
Цена: 11058 руб.
Подробнее
Блок 6
Блоки лекальные под цилиндрические звенья (Серия 3.501-59, шифр 1484 )
  • Длина 2010 мм.
  • Ширина 1390 мм.
  • Высота 480 мм.
  • Вес 2400 кг.
  • Объем бетона 0,96 м3
  • Геометрический объем 1,3411 м3
Цена: 18624 руб.
Подробнее
Блок 6 а
Блоки лекальные под цилиндрические звенья (Серия 3.501-59, шифр 1484 )
  • Длина 990 мм.
  • Ширина 1390 мм.
  • Высота 480 мм.
  • Вес 1200 кг.
  • Объем бетона 0,48 м3
  • Геометрический объем 0,6605 м3
Цена: 9312 руб.
Подробнее
Блок 60
Блоки лекальные под цилиндрические звенья (Серия 3.501-59, шифр 1484 )
  • Длина 2010 мм.
  • Ширина 1450 мм.
  • Высота 490 мм.
  • Вес 2500 кг.
  • Объем бетона 1 м3
  • Геометрический объем 1,4281 м3
Цена: 19400 руб.
Подробнее
Блок 60 а
Блоки лекальные под цилиндрические звенья (Серия 3.501-59, шифр 1484 )
  • Длина 990 мм.
  • Ширина 1450 мм.
  • Высота 490 мм.
  • Вес 1300 кг.
  • Объем бетона 0,5 м3
  • Геометрический объем 0,7034 м3
Цена: 9700 руб.
Подробнее
Блок 61
Блоки лекальные под цилиндрические звенья (Серия 3.501-59, шифр 1484 )
  • Длина 1500 мм.
  • Ширина 1450 мм.
  • Высота 490 мм.
  • Вес 1900 кг.
  • Объем бетона 0,75 м3
  • Геометрический объем 1,0657 м3
Цена: 14550 руб.
Подробнее
Блок 62
Блоки лекальные под цилиндрические звенья (Серия 3.501-59, шифр 1484 )
  • Длина 2000 мм.
  • Ширина 1680 мм.
  • Высота 540 мм.
  • Вес 3100 кг.
  • Объем бетона 1,24 м3
  • Геометрический объем 1,8144 м3
Цена: 24056 руб.
Подробнее
Блок 62 а
Блоки лекальные под цилиндрические звенья (Серия 3.501-59, шифр 1484 )
  • Длина 990 мм.
  • Ширина 1680 мм.
  • Высота 540 мм.
  • Вес 1600 кг.
  • Объем бетона 0,62 м3
  • Геометрический объем 0,8981 м3
Цена: 12028 руб.
Подробнее
Блок 63
Блоки лекальные под цилиндрические звенья (Серия 3.501-59, шифр 1484 )
  • Длина 1500 мм.
  • Ширина 1680 мм.
  • Высота 540 мм.
  • Вес 2300 кг.
  • Объем бетона 0,93 м3
  • Геометрический объем 1,3608 м3
Цена: 18042 руб.
Подробнее
Блок 63
Блоки лекальные под цилиндрические звенья (Серия 3.501-59, шифр 1484 )
  • Длина 3000 мм.
  • Ширина 1680 мм.
  • Высота 540 мм.
  • Вес 4800 кг.
  • Объем бетона 1,92 м3
  • Геометрический объем 2,7216 м3
Цена: 37248 руб.
Подробнее
Блок 65
Блоки лекальные под цилиндрические звенья (Серия 3.501-59, шифр 1484 )
  • Длина 1500 мм.
  • Ширина 1950 мм.
  • Высота 590 мм.
  • Вес 2800 кг.
  • Объем бетона 1,11 м3
  • Геометрический объем 1,7257 м3
Цена: 21534 руб.
Подробнее
Блок 64
Блоки лекальные под цилиндрические звенья (Серия 3.501-59, шифр 1484 )
  • Длина 2010 мм.
  • Ширина 1950 мм.
  • Высота 590 мм.
  • Вес 3700 кг.
  • Объем бетона 1,48 м3
  • Геометрический объем 2,3125 м3
Цена: 28712 руб.
Подробнее
Блок 64 а
Блоки лекальные под цилиндрические звенья (Серия 3.501-59, шифр 1484 )
  • Длина 990 мм.
  • Ширина 1950 мм.
  • Высота 590 мм.
  • Вес 1900 кг.
  • Объем бетона 0,74 м3
  • Геометрический объем 1,139 м3
Цена: 14356 руб.
Подробнее
Блок 66
Блоки лекальные под цилиндрические звенья (Серия 3.501-59, шифр 1484 )
  • Длина 2010 мм.
  • Ширина 2010 мм.
  • Высота 610 мм.
  • Вес 3900 кг.
  • Объем бетона 1,58 м3
  • Геометрический объем 2,4645 м3
Цена: 30652 руб.
Подробнее
Блок 66 а
Блоки лекальные под цилиндрические звенья (Серия 3.501-59, шифр 1484 )
  • Длина 990 мм.
  • Ширина 2010 мм.
  • Высота 610 мм.
  • Вес 2000 кг.
  • Объем бетона 0,79 м3
  • Геометрический объем 1,2138 м3
Цена: 15326 руб.
Подробнее
Блок 67
Блоки лекальные под цилиндрические звенья (Серия 3.501-59, шифр 1484 )
  • Длина 1500 мм.
  • Ширина 2010 мм.
  • Высота 640 мм.
  • Вес 3000 кг.
  • Объем бетона 1,19 м3
  • Геометрический объем 1,9296 м3
Цена: 23086 руб.
Подробнее
Блок 68
Блоки лекальные под цилиндрические звенья (Серия 3.501-59, шифр 1484 )
  • Длина 2010 мм.
  • Ширина 2070 мм.
  • Высота 620 мм.
  • Вес 4000 кг.
  • Объем бетона 1,62 м3
  • Геометрический объем 2,5796 м3
Цена: 31428 руб.
Подробнее

Уведомление о файлах cookie

Мы используем файлы cookie для улучшения вашего опыта просмотра и анализа трафика. Нажимая "Принять все", вы соглашаетесь с нашей политикой конфиденциальности и политикой обработки файлов cookie.

MAX Дзен Телеграм Вконтакте vk