mobile_sound +7 (930) 655-55-90

Железобетонные опоры линий электропередачи. Рабочие чертежи (Серия ИС 01-04)

Поделиться:
Поделиться:

Документ Серия ИС 01-04 описывает область применения, номенклатуру и ключевые требования, опираясь на действующие нормы и практику проектирования. Среди многочисленных выпусков Серии ИС 01-04 приведены все железобетонные конструкции, применяемые при возведении каналов. Разработкой нормативного документа занимался проектный институт ПРОМСТРОЙПРОЕКТ при участии НИИЖБ. После утверждения Госкомом по вопросам строительства состоялось введение регламента в эксплуатацию, начиная с июля 1963 года.

Файлы для скачивания:
picture_as_pdf

473.pdf

13,683.0 KB

скачать
picture_as_pdf

474.pdf

10,100.9 KB

скачать
picture_as_pdf

475.pdf

18,831.9 KB

скачать
picture_as_pdf

476.pdf

3,239.5 KB

скачать
picture_as_pdf

477.pdf

2,400.9 KB

скачать
picture_as_pdf

478.pdf

23,973.0 KB

скачать
picture_as_pdf

479.pdf

29,670.4 KB

скачать
picture_as_pdf

480.pdf

1,937.5 KB

скачать
Товары Серия ИС 01-04 (60)
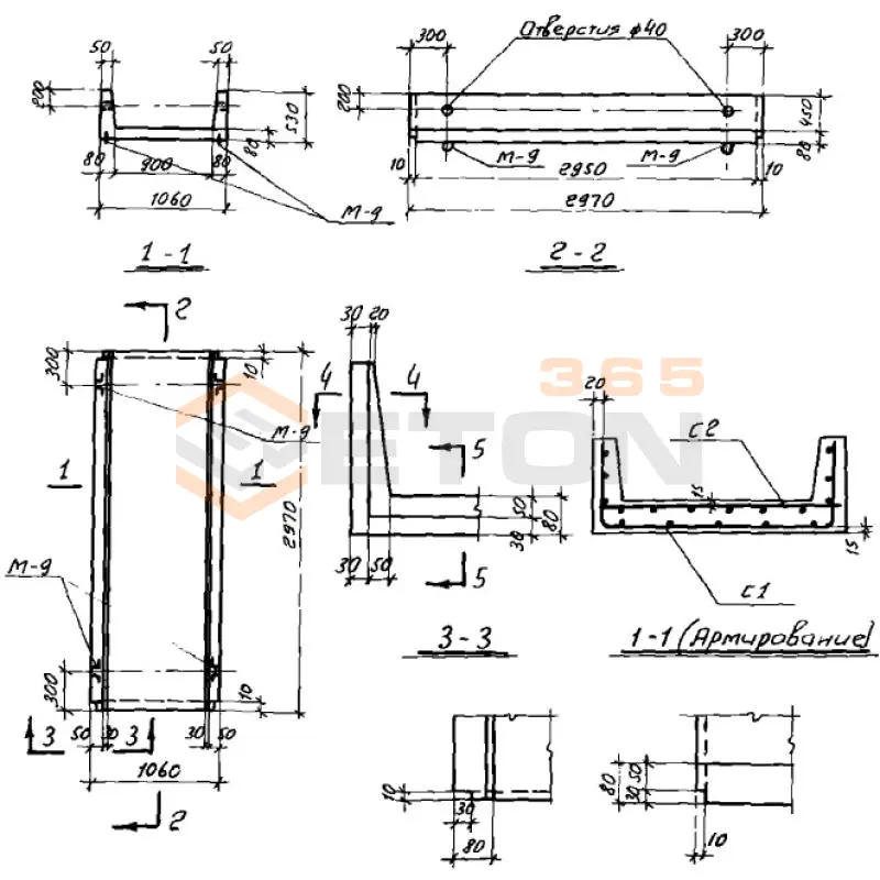
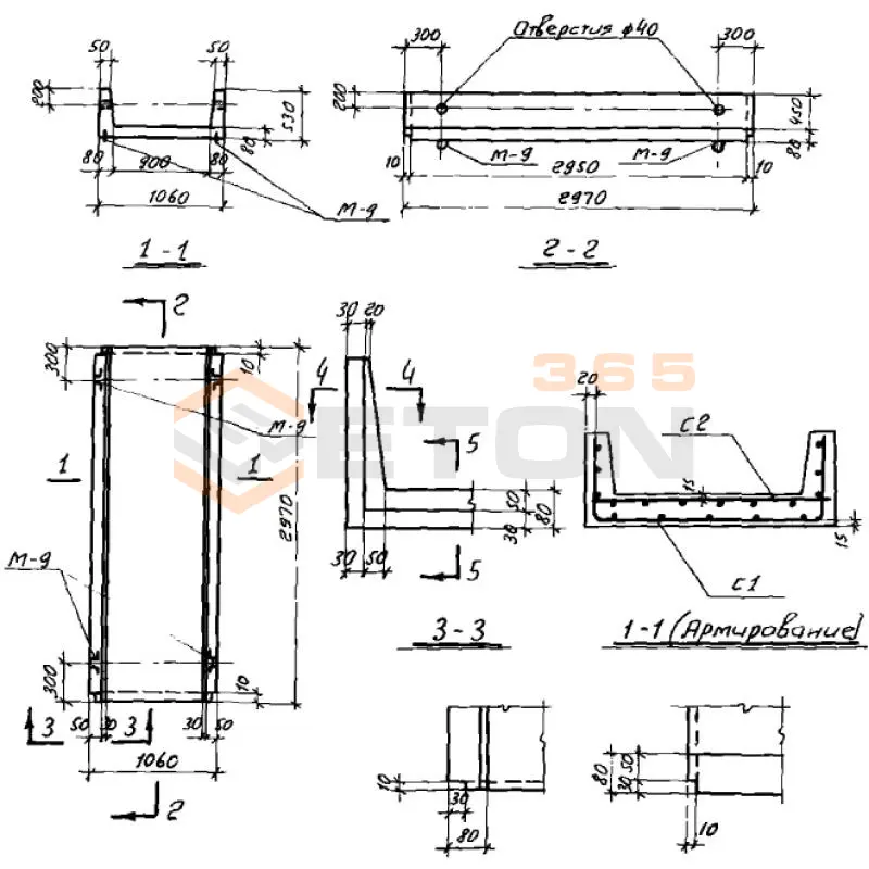
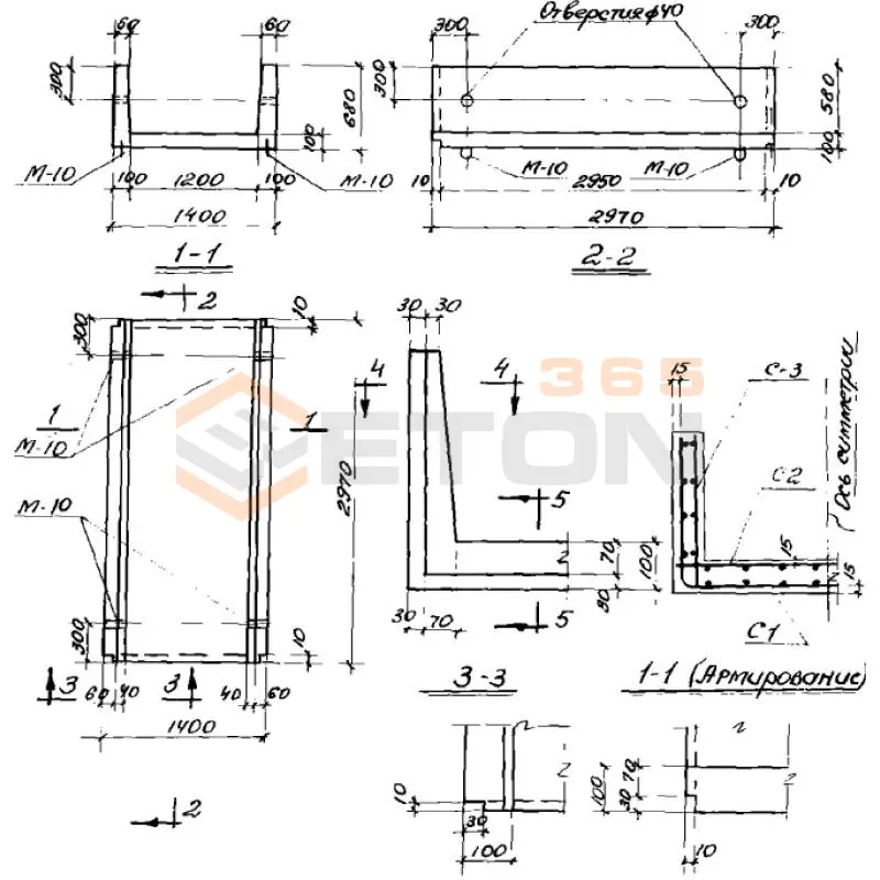
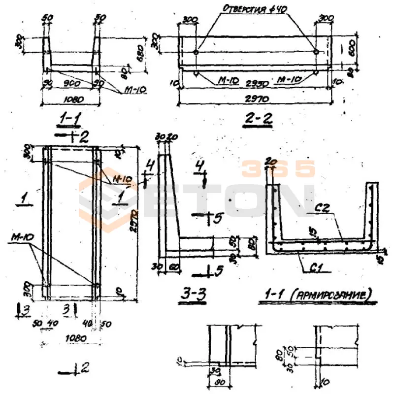
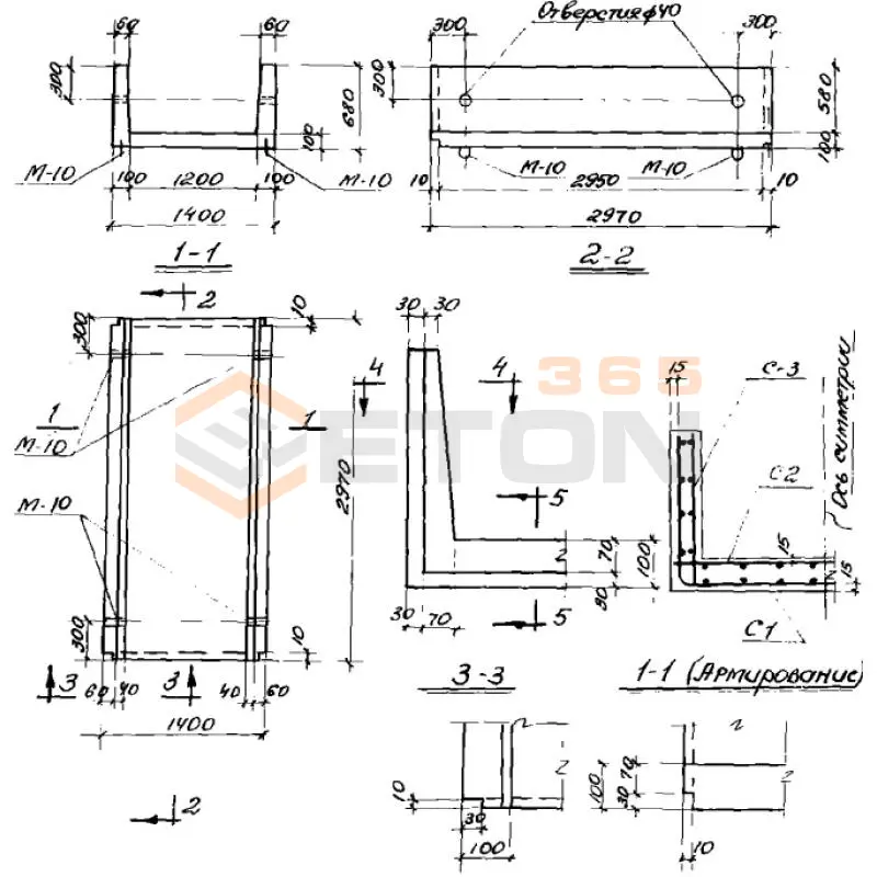
Л 26-1
Мотки Л Серия ИС 01-04
  • Длина 2970 мм.
  • Ширина 1700 мм.
  • Высота 1000 мм.
  • Вес 2700 кг.
  • Объем бетона 1,08 м3
  • Геометрический объем 5,049 м3
Цена: 31428 руб.
Подробнее
Л 26-3
Мотки Л Серия ИС 01-04
  • Длина 2970 мм.
  • Ширина 1700 мм.
  • Высота 1000 мм.
  • Вес 2700 кг.
  • Объем бетона 1,08 м3
  • Геометрический объем 5,049 м3
Цена: 31428 руб.
Подробнее
Л 26-2
Мотки Л Серия ИС 01-04
  • Длина 2970 мм.
  • Ширина 1700 мм.
  • Высота 1000 мм.
  • Вес 2700 кг.
  • Объем бетона 1,08 м3
  • Геометрический объем 5,049 м3
Цена: 31428 руб.
Подробнее
Л 27-3
Мотки Л Серия ИС 01-04
  • Длина 2970 мм.
  • Ширина 1720 мм.
  • Высота 1320 мм.
  • Вес 3780 кг.
  • Объем бетона 1,51 м3
  • Геометрический объем 6,7431 м3
Цена: 43941 руб.
Подробнее
Л 27-1
Мотки Л Серия ИС 01-04
  • Длина 2970 мм.
  • Ширина 1720 мм.
  • Высота 1320 мм.
  • Вес 3780 кг.
  • Объем бетона 1,51 м3
  • Геометрический объем 6,7431 м3
Цена: 43941 руб.
Подробнее
Л 27-2
Мотки Л Серия ИС 01-04
  • Длина 2970 мм.
  • Ширина 1720 мм.
  • Высота 1320 мм.
  • Вес 3780 кг.
  • Объем бетона 1,51 м3
  • Геометрический объем 6,7431 м3
Цена: 43941 руб.
Подробнее
Л 28-2
Мотки Л Серия ИС 01-04
  • Длина 2970 мм.
  • Ширина 630 мм.
  • Высота 530 мм.
  • Вес 870 кг.
  • Объем бетона 0,35 м3
  • Геометрический объем 0,9917 м3
Цена: 10185 руб.
Подробнее
Л 29-2
Мотки Л Серия ИС 01-04
  • Длина 2970 мм.
  • Ширина 630 мм.
  • Высота 680 мм.
  • Вес 960 кг.
  • Объем бетона 0,385 м3
  • Геометрический объем 1,2723 м3
Цена: 11204 руб.
Подробнее
Л 29-3
Мотки Л Серия ИС 01-04
  • Длина 2970 мм.
  • Ширина 630 мм.
  • Высота 680 мм.
  • Вес 960 кг.
  • Объем бетона 0,385 м3
  • Геометрический объем 1,2723 м3
Цена: 11204 руб.
Подробнее
Л 29-4
Мотки Л Серия ИС 01-04
  • Длина 2970 мм.
  • Ширина 630 мм.
  • Высота 680 мм.
  • Вес 960 кг.
  • Объем бетона 0,385 м3
  • Геометрический объем 1,2723 м3
Цена: 11204 руб.
Подробнее
Л 28-3
Мотки Л Серия ИС 01-04
  • Длина 2970 мм.
  • Ширина 630 мм.
  • Высота 530 мм.
  • Вес 870 кг.
  • Объем бетона 0,35 м3
  • Геометрический объем 0,9917 м3
Цена: 10185 руб.
Подробнее
Л 2д-1
Мотки Л Серия ИС 01-04
  • Длина 570 мм.
  • Ширина 760 мм.
  • Высота 530 мм.
  • Вес 180 кг.
  • Объем бетона 0,07 м3
  • Геометрический объем 0,2296 м3
Цена: 2037 руб.
Подробнее
Л 2д
Мотки Л Серия ИС 01-04
  • Длина 570 мм.
  • Ширина 760 мм.
  • Высота 530 мм.
  • Вес 180 кг.
  • Объем бетона 0,07 м3
  • Геометрический объем 0,2296 м3
Цена: 2037 руб.
Подробнее
Л 3
Мотки Л Серия ИС 01-04
  • Длина 2970 мм.
  • Ширина 780 мм.
  • Высота 680 мм.
  • Вес 1070 кг.
  • Объем бетона 0,43 м3
  • Геометрический объем 1,5753 м3
Цена: 12513 руб.
Подробнее
Л 3-2
Мотки Л Серия ИС 01-04
  • Длина 2970 мм.
  • Ширина 780 мм.
  • Высота 680 мм.
  • Вес 1070 кг.
  • Объем бетона 0,43 м3
  • Геометрический объем 1,5753 м3
Цена: 12513 руб.
Подробнее
Л 3-3
Мотки Л Серия ИС 01-04
  • Длина 2970 мм.
  • Ширина 780 мм.
  • Высота 680 мм.
  • Вес 1070 кг.
  • Объем бетона 0,43 м3
  • Геометрический объем 1,5753 м3
Цена: 12513 руб.
Подробнее
Л 3д-1
Мотки Л Серия ИС 01-04
  • Длина 570 мм.
  • Ширина 780 мм.
  • Высота 680 мм.
  • Вес 200 кг.
  • Объем бетона 0,08 м3
  • Геометрический объем 0,3023 м3
Цена: 2328 руб.
Подробнее
Л 3-4
Мотки Л Серия ИС 01-04
  • Длина 2970 мм.
  • Ширина 780 мм.
  • Высота 680 мм.
  • Вес 1070 кг.
  • Объем бетона 0,43 м3
  • Геометрический объем 1,5753 м3
Цена: 12513 руб.
Подробнее
Л 3д
Мотки Л Серия ИС 01-04
  • Длина 570 мм.
  • Ширина 780 мм.
  • Высота 680 мм.
  • Вес 200 кг.
  • Объем бетона 0,08 м3
  • Геометрический объем 0,3023 м3
Цена: 2328 руб.
Подробнее
Л 4
Мотки Л Серия ИС 01-04
  • Длина 2970 мм.
  • Ширина 1060 мм.
  • Высота 530 мм.
  • Вес 1050 кг.
  • Объем бетона 0,43 м3
  • Геометрический объем 1,6685 м3
Цена: 12513 руб.
Подробнее
Л 4-1
Мотки Л Серия ИС 01-04
  • Длина 2970 мм.
  • Ширина 1060 мм.
  • Высота 530 мм.
  • Вес 1050 кг.
  • Объем бетона 0,43 м3
  • Геометрический объем 1,6685 м3
Цена: 12513 руб.
Подробнее
Л 4-2
Мотки Л Серия ИС 01-04
  • Длина 2970 мм.
  • Ширина 1060 мм.
  • Высота 530 мм.
  • Вес 1050 кг.
  • Объем бетона 0,43 м3
  • Геометрический объем 1,6685 м3
Цена: 12513 руб.
Подробнее
Л 5-1
Мотки Л Серия ИС 01-04
  • Длина 2970 мм.
  • Ширина 1080 мм.
  • Высота 680 мм.
  • Вес 1250 кг.
  • Объем бетона 0,5 м3
  • Геометрический объем 2,1812 м3
Цена: 14550 руб.
Подробнее
Л 5
Мотки Л Серия ИС 01-04
  • Длина 2970 мм.
  • Ширина 1080 мм.
  • Высота 680 мм.
  • Вес 1250 кг.
  • Объем бетона 0,5 м3
  • Геометрический объем 2,1812 м3
Цена: 14550 руб.
Подробнее
Л 4д
Мотки Л Серия ИС 01-04
  • Длина 570 мм.
  • Ширина 1060 мм.
  • Высота 530 мм.
  • Вес 200 кг.
  • Объем бетона 0,08 м3
  • Геометрический объем 0,3202 м3
Цена: 2328 руб.
Подробнее
Л 5-2
Мотки Л Серия ИС 01-04
  • Длина 2970 мм.
  • Ширина 1080 мм.
  • Высота 680 мм.
  • Вес 1250 кг.
  • Объем бетона 0,5 м3
  • Геометрический объем 2,1812 м3
Цена: 14550 руб.
Подробнее
Л 5-3
Мотки Л Серия ИС 01-04
  • Длина 2970 мм.
  • Ширина 1080 мм.
  • Высота 680 мм.
  • Вес 1250 кг.
  • Объем бетона 0,5 м3
  • Геометрический объем 2,1812 м3
Цена: 14550 руб.
Подробнее
Л 6-1
Мотки Л Серия ИС 01-04
  • Длина 2970 мм.
  • Ширина 1400 мм.
  • Высота 530 мм.
  • Вес 1550 кг.
  • Объем бетона 0,62 м3
  • Геометрический объем 2,2037 м3
Цена: 18042 руб.
Подробнее
Л 6
Мотки Л Серия ИС 01-04
  • Длина 2970 мм.
  • Ширина 1400 мм.
  • Высота 530 мм.
  • Вес 1550 кг.
  • Объем бетона 0,62 м3
  • Геометрический объем 2,2037 м3
Цена: 18042 руб.
Подробнее
Л 5д
Мотки Л Серия ИС 01-04
  • Длина 570 мм.
  • Ширина 1080 мм.
  • Высота 680 мм.
  • Вес 250 кг.
  • Объем бетона 0,1 м3
  • Геометрический объем 0,4186 м3
Цена: 2910 руб.
Подробнее
Л 6-2
Мотки Л Серия ИС 01-04
  • Длина 2970 мм.
  • Ширина 1400 мм.
  • Высота 530 мм.
  • Вес 1550 кг.
  • Объем бетона 0,62 м3
  • Геометрический объем 2,2037 м3
Цена: 18042 руб.
Подробнее
Л 6-3
Мотки Л Серия ИС 01-04
  • Длина 2970 мм.
  • Ширина 1400 мм.
  • Высота 530 мм.
  • Вес 1550 кг.
  • Объем бетона 0,62 м3
  • Геометрический объем 2,2037 м3
Цена: 18042 руб.
Подробнее
Л 7-1
Мотки Л Серия ИС 01-04
  • Длина 2970 мм.
  • Ширина 1400 мм.
  • Высота 680 мм.
  • Вес 1720 кг.
  • Объем бетона 0,69 м3
  • Геометрический объем 2,8274 м3
Цена: 20079 руб.
Подробнее
Л 6д
Мотки Л Серия ИС 01-04
  • Длина 570 мм.
  • Ширина 1400 мм.
  • Высота 530 мм.
  • Вес 300 кг.
  • Объем бетона 0,12 м3
  • Геометрический объем 0,4229 м3
Цена: 3492 руб.
Подробнее
Л 7
Мотки Л Серия ИС 01-04
  • Длина 2970 мм.
  • Ширина 1400 мм.
  • Высота 680 мм.
  • Вес 1720 кг.
  • Объем бетона 0,69 м3
  • Геометрический объем 2,8274 м3
Цена: 20079 руб.
Подробнее
Л 7-3
Мотки Л Серия ИС 01-04
  • Длина 2970 мм.
  • Ширина 1400 мм.
  • Высота 680 мм.
  • Вес 1720 кг.
  • Объем бетона 0,69 м3
  • Геометрический объем 2,8274 м3
Цена: 20079 руб.
Подробнее
Л 7-2
Мотки Л Серия ИС 01-04
  • Длина 2970 мм.
  • Ширина 1400 мм.
  • Высота 680 мм.
  • Вес 1720 кг.
  • Объем бетона 0,69 м3
  • Геометрический объем 2,8274 м3
Цена: 20079 руб.
Подробнее
Л 8-1
Мотки Л Серия ИС 01-04
  • Длина 2970 мм.
  • Ширина 1740 мм.
  • Высота 530 мм.
  • Вес 2200 кг.
  • Объем бетона 0,88 м3
  • Геометрический объем 2,7389 м3
Цена: 25608 руб.
Подробнее
Л 8-2
Мотки Л Серия ИС 01-04
  • Длина 2970 мм.
  • Ширина 1740 мм.
  • Высота 530 мм.
  • Вес 2200 кг.
  • Объем бетона 0,88 м3
  • Геометрический объем 2,7389 м3
Цена: 25608 руб.
Подробнее
Л 7д
Мотки Л Серия ИС 01-04
  • Длина 570 мм.
  • Ширина 1400 мм.
  • Высота 680 мм.
  • Вес 330 кг.
  • Объем бетона 0,13 м3
  • Геометрический объем 0,5426 м3
Цена: 3783 руб.
Подробнее
Л 8
Мотки Л Серия ИС 01-04
  • Длина 2970 мм.
  • Ширина 1740 мм.
  • Высота 530 мм.
  • Вес 2200 кг.
  • Объем бетона 0,88 м3
  • Геометрический объем 2,7389 м3
Цена: 25608 руб.
Подробнее
Л 8-3
Мотки Л Серия ИС 01-04
  • Длина 2970 мм.
  • Ширина 1740 мм.
  • Высота 530 мм.
  • Вес 2200 кг.
  • Объем бетона 0,88 м3
  • Геометрический объем 2,7389 м3
Цена: 25608 руб.
Подробнее
Л 8д
Мотки Л Серия ИС 01-04
  • Длина 570 мм.
  • Ширина 1740 мм.
  • Высота 530 мм.
  • Вес 430 кг.
  • Объем бетона 0,17 м3
  • Геометрический объем 0,5257 м3
Цена: 4947 руб.
Подробнее
Л 9-1
Мотки Л Серия ИС 01-04
  • Длина 2970 мм.
  • Ширина 1740 мм.
  • Высота 730 мм.
  • Вес 2420 кг.
  • Объем бетона 0,97 м3
  • Геометрический объем 3,7725 м3
Цена: 28227 руб.
Подробнее
Л 9-2
Мотки Л Серия ИС 01-04
  • Длина 2970 мм.
  • Ширина 1740 мм.
  • Высота 730 мм.
  • Вес 2420 кг.
  • Объем бетона 0,97 м3
  • Геометрический объем 3,7725 м3
Цена: 28227 руб.
Подробнее
Л 9
Мотки Л Серия ИС 01-04
  • Длина 2970 мм.
  • Ширина 1740 мм.
  • Высота 730 мм.
  • Вес 2420 кг.
  • Объем бетона 0,97 м3
  • Геометрический объем 3,7725 м3
Цена: 28227 руб.
Подробнее
Л 9-3
Мотки Л Серия ИС 01-04
  • Длина 2970 мм.
  • Ширина 1740 мм.
  • Высота 730 мм.
  • Вес 2420 кг.
  • Объем бетона 0,97 м3
  • Геометрический объем 3,7725 м3
Цена: 28227 руб.
Подробнее
Л 9д
Мотки Л Серия ИС 01-04
  • Длина 570 мм.
  • Ширина 1740 мм.
  • Высота 730 мм.
  • Вес 480 кг.
  • Объем бетона 0,19 м3
  • Геометрический объем 0,724 м3
Цена: 5529 руб.
Подробнее
ПД 1-1
Плиты днища Серия ИС 01-04
  • Длина 2970 мм.
  • Ширина 1380 мм.
  • Высота 300 мм.
  • Вес 1700 кг.
  • Объем бетона 0,68 м3
  • Геометрический объем 1,2296 м3
Цена: 13192 руб.
Подробнее
ПД 1-2
Плиты днища Серия ИС 01-04
  • Длина 2970 мм.
  • Ширина 1380 мм.
  • Высота 300 мм.
  • Вес 1700 кг.
  • Объем бетона 0,68 м3
  • Геометрический объем 1,2296 м3
Цена: 13192 руб.
Подробнее
ПД 1-3
Плиты днища Серия ИС 01-04
  • Длина 2970 мм.
  • Ширина 1380 мм.
  • Высота 300 мм.
  • Вес 1700 кг.
  • Объем бетона 0,68 м3
  • Геометрический объем 1,2296 м3
Цена: 13192 руб.
Подробнее
ПД 1
Плиты днища Серия ИС 01-04
  • Длина 2970 мм.
  • Ширина 1380 мм.
  • Высота 300 мм.
  • Вес 1700 кг.
  • Объем бетона 0,68 м3
  • Геометрический объем 1,2296 м3
Цена: 13192 руб.
Подробнее
ПД 1-4
Плиты днища Серия ИС 01-04
  • Длина 2970 мм.
  • Ширина 1380 мм.
  • Высота 300 мм.
  • Вес 1700 кг.
  • Объем бетона 0,68 м3
  • Геометрический объем 1,2296 м3
Цена: 13192 руб.
Подробнее
ПД 10
Плиты днища Серия ИС 01-04
  • Длина 1470 мм.
  • Ширина 3180 мм.
  • Высота 300 мм.
  • Вес 1500 кг.
  • Объем бетона 0,6 м3
  • Геометрический объем 1,4024 м3
Цена: 11640 руб.
Подробнее
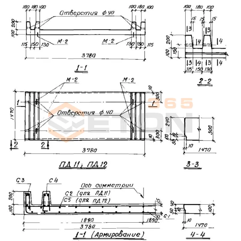
ПД 11
Плиты днища Серия ИС 01-04
  • Длина 1470 мм.
  • Ширина 3780 мм.
  • Высота 300 мм.
  • Вес 1700 кг.
  • Объем бетона 0,68 м3
  • Геометрический объем 1,667 м3
Цена: 13192 руб.
Подробнее
ПД 13
Плиты днища Серия ИС 01-04
  • Длина 1470 мм.
  • Ширина 4980 мм.
  • Высота 330 мм.
  • Вес 2750 кг.
  • Объем бетона 1,1 м3
  • Геометрический объем 2,4158 м3
Цена: 21340 руб.
Подробнее
ПД 12
Плиты днища Серия ИС 01-04
  • Длина 1470 мм.
  • Ширина 3780 мм.
  • Высота 300 мм.
  • Вес 1700 кг.
  • Объем бетона 0,68 м3
  • Геометрический объем 1,667 м3
Цена: 13192 руб.
Подробнее
ПД 15
Плиты днища Серия ИС 01-04
  • Длина 1470 мм.
  • Ширина 3220 мм.
  • Высота 410 мм.
  • Вес 2400 кг.
  • Объем бетона 0,94 м3
  • Геометрический объем 1,9407 м3
Цена: 18236 руб.
Подробнее
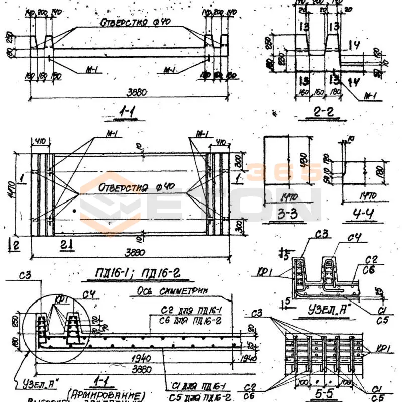
ПД 16-1
Плиты днища Серия ИС 01-04
  • Длина 1470 мм.
  • Ширина 3880 мм.
  • Высота 430 мм.
  • Вес 3150 кг.
  • Объем бетона 1,26 м3
  • Геометрический объем 2,4525 м3
Цена: 24444 руб.
Подробнее
ПД 14
Плиты днища Серия ИС 01-04
  • Длина 1470 мм.
  • Ширина 4980 мм.
  • Высота 330 мм.
  • Вес 2750 кг.
  • Объем бетона 1,1 м3
  • Геометрический объем 2,4158 м3
Цена: 21340 руб.
Подробнее

Уведомление о файлах cookie

Мы используем файлы cookie для улучшения вашего опыта просмотра и анализа трафика. Нажимая "Принять все", вы соглашаетесь с нашей политикой конфиденциальности и политикой обработки файлов cookie.

MAX Дзен Телеграм Вконтакте vk