mobile_sound +7 (930) 655-55-90

Типовые конструкции и железобетонные изделия. Рабочие чертежи (Серия ИС 01-08/67)

Поделиться:
Поделиться:

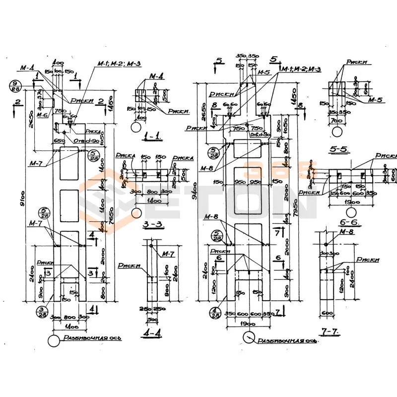
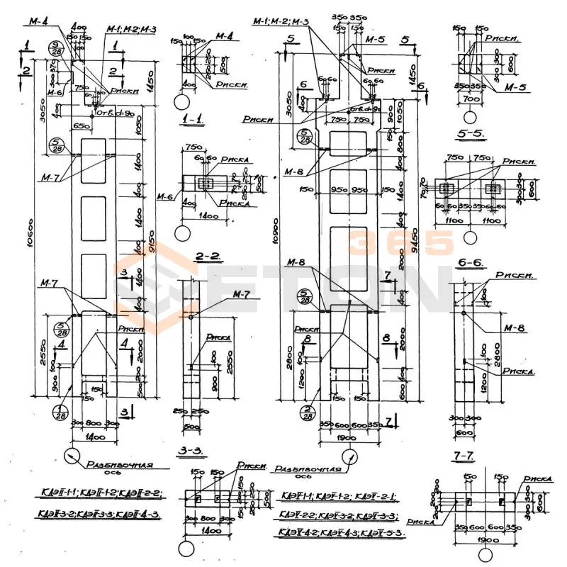
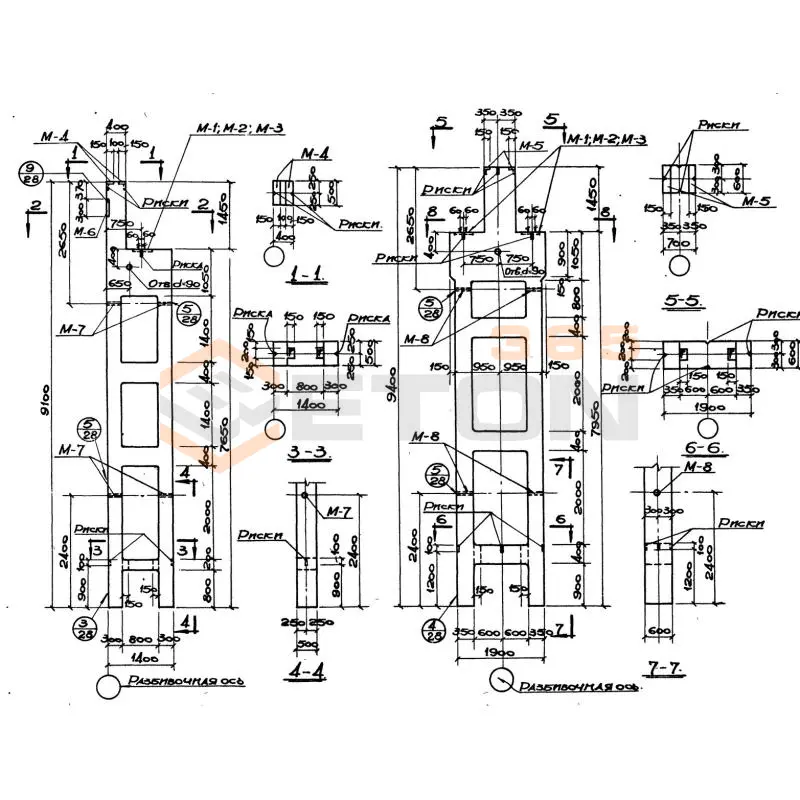
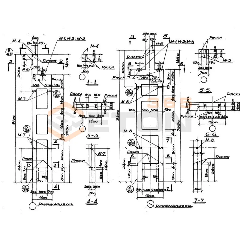
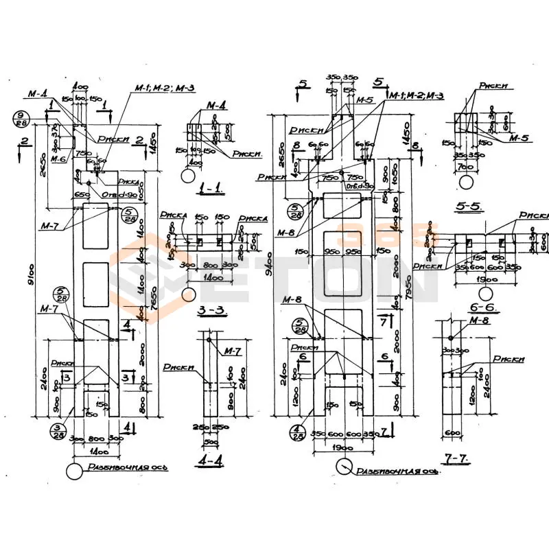
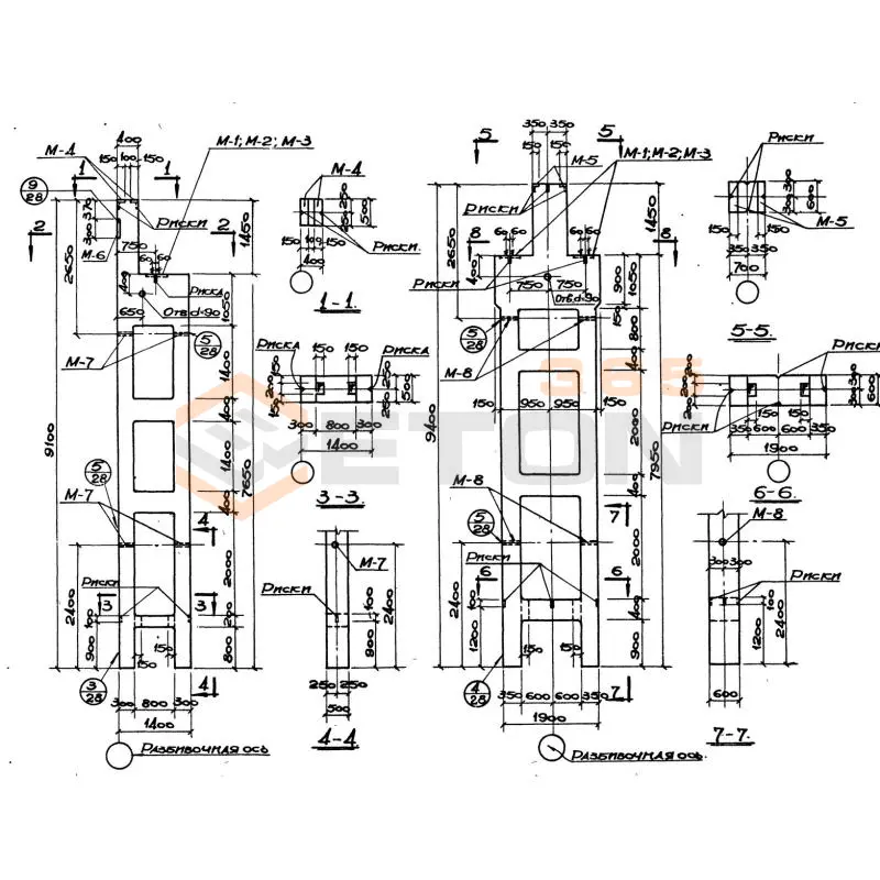
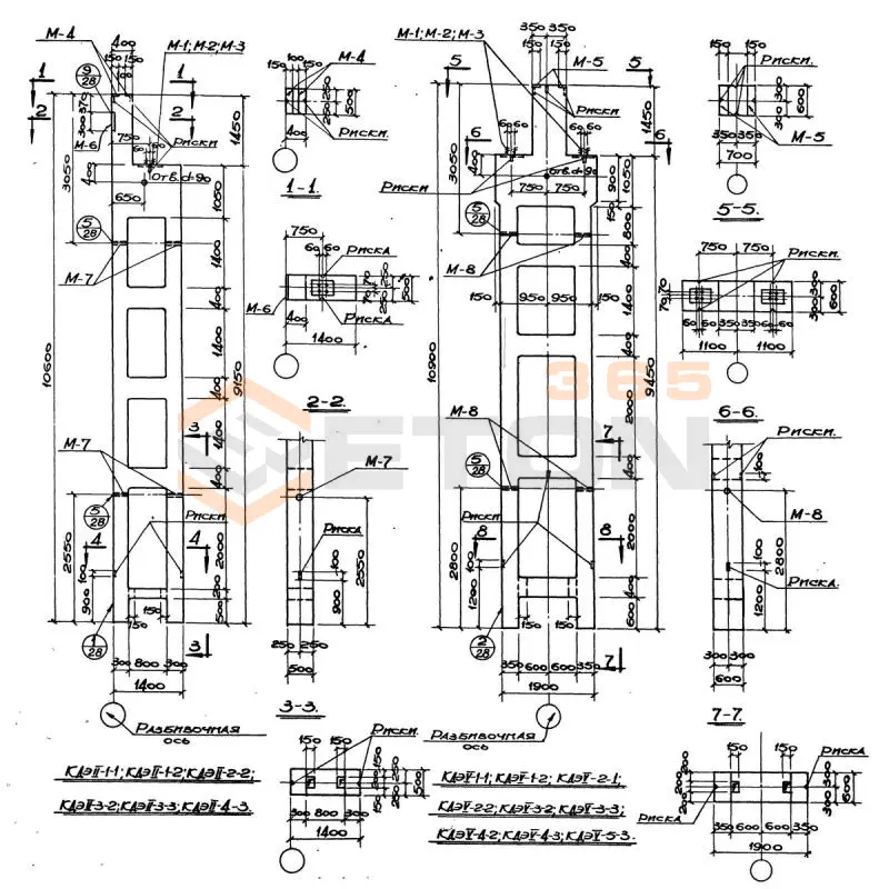
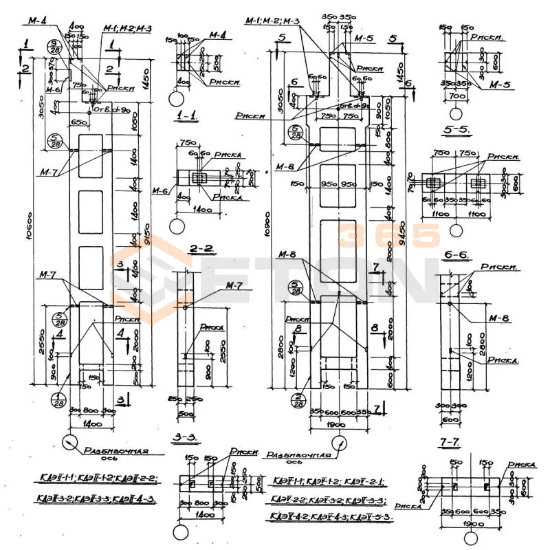
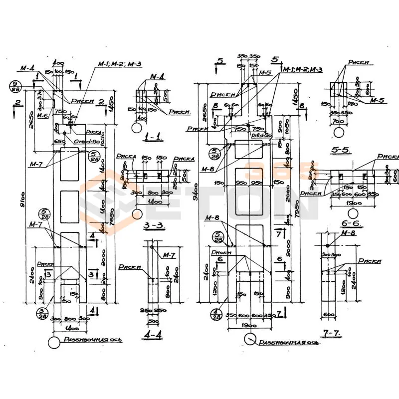
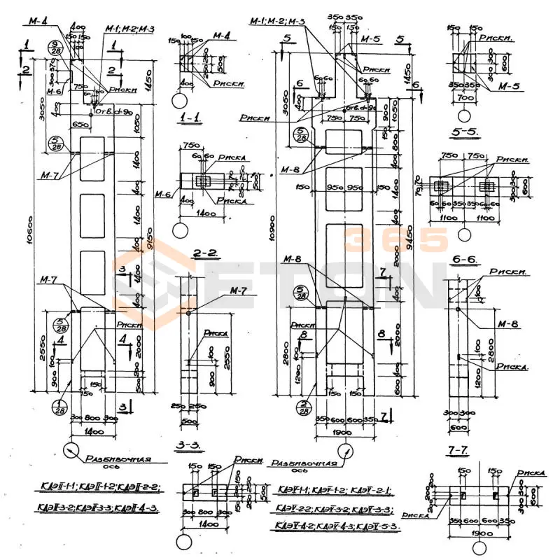
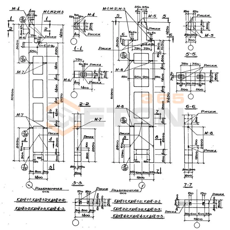
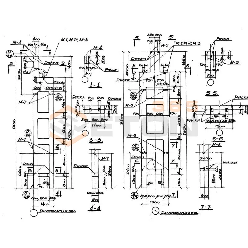
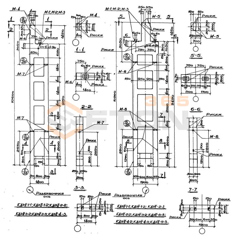
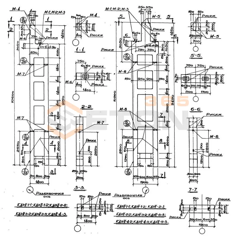
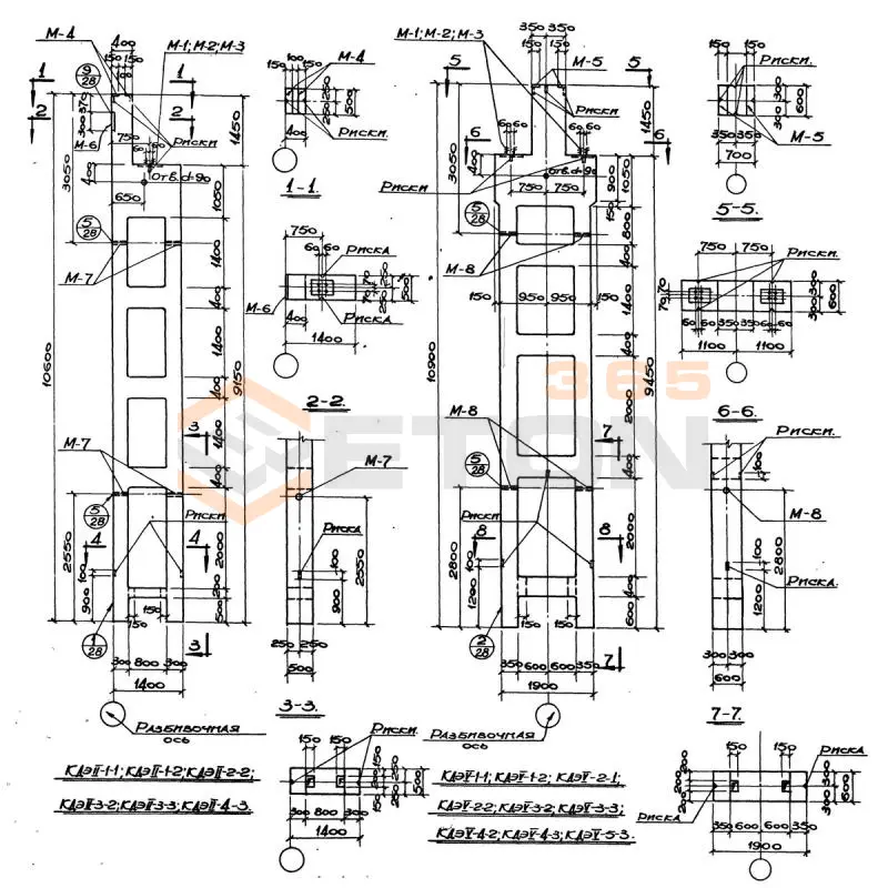
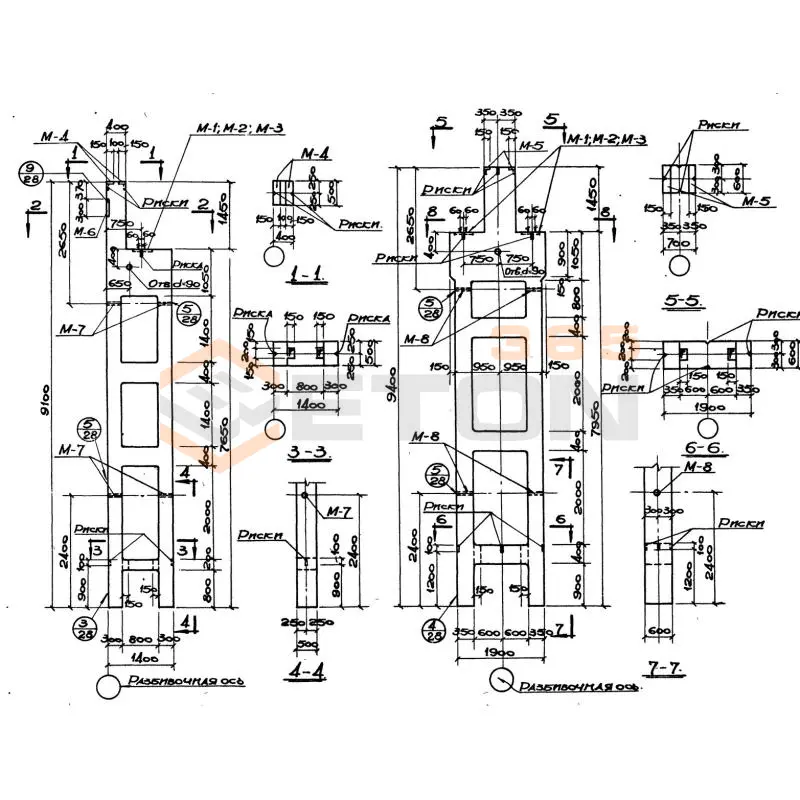
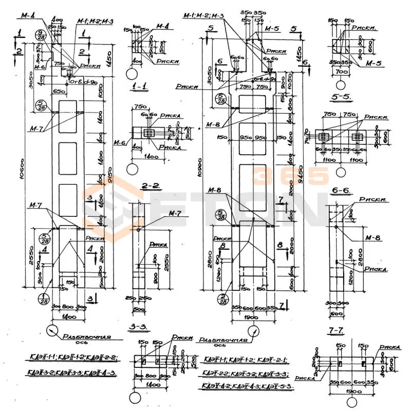
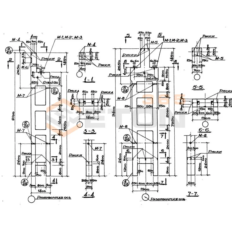
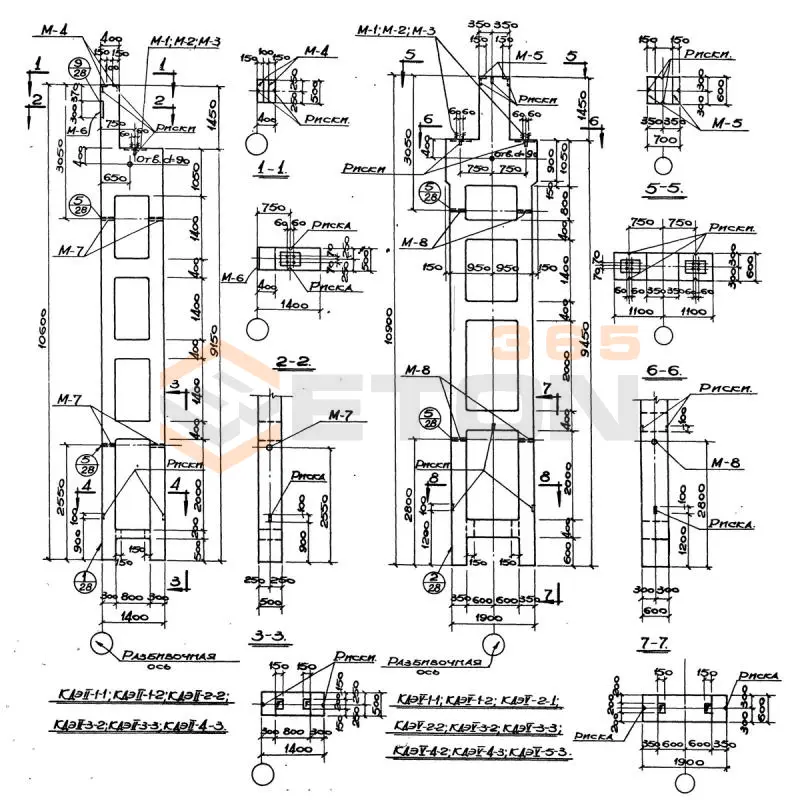
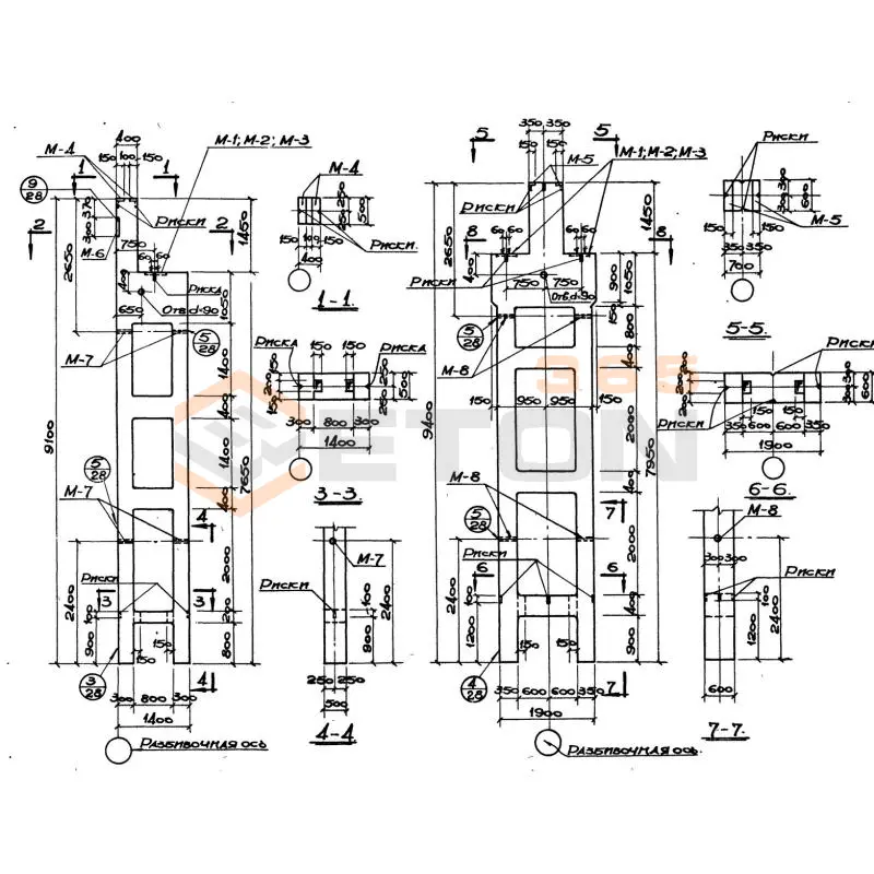
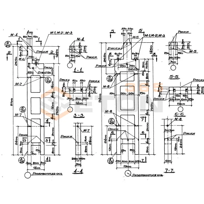
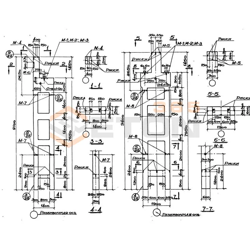
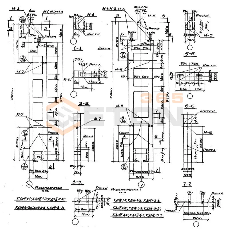
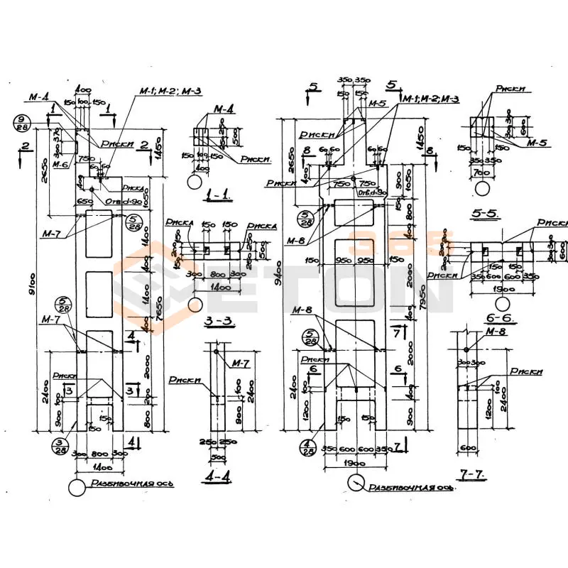
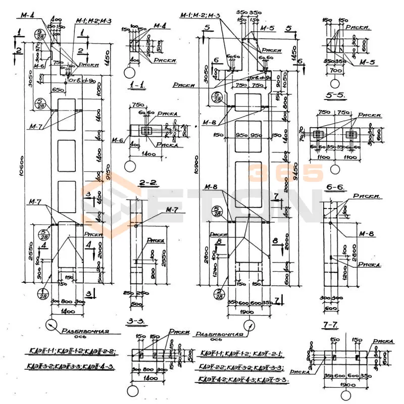
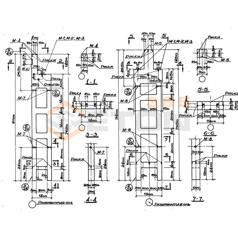
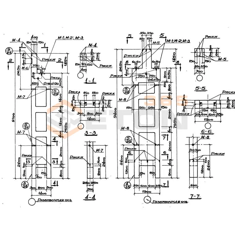
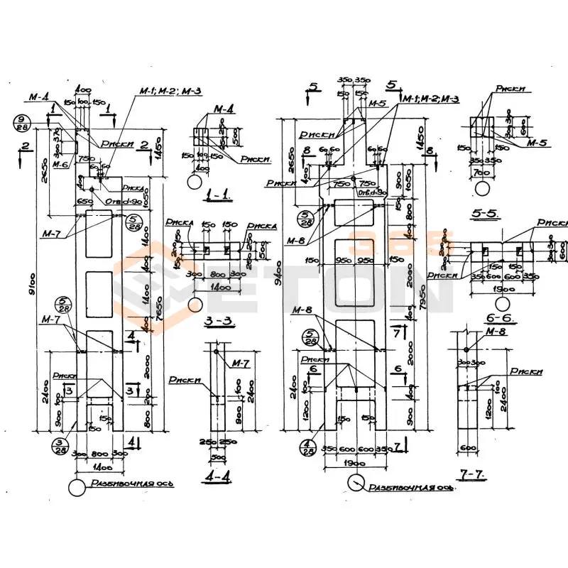
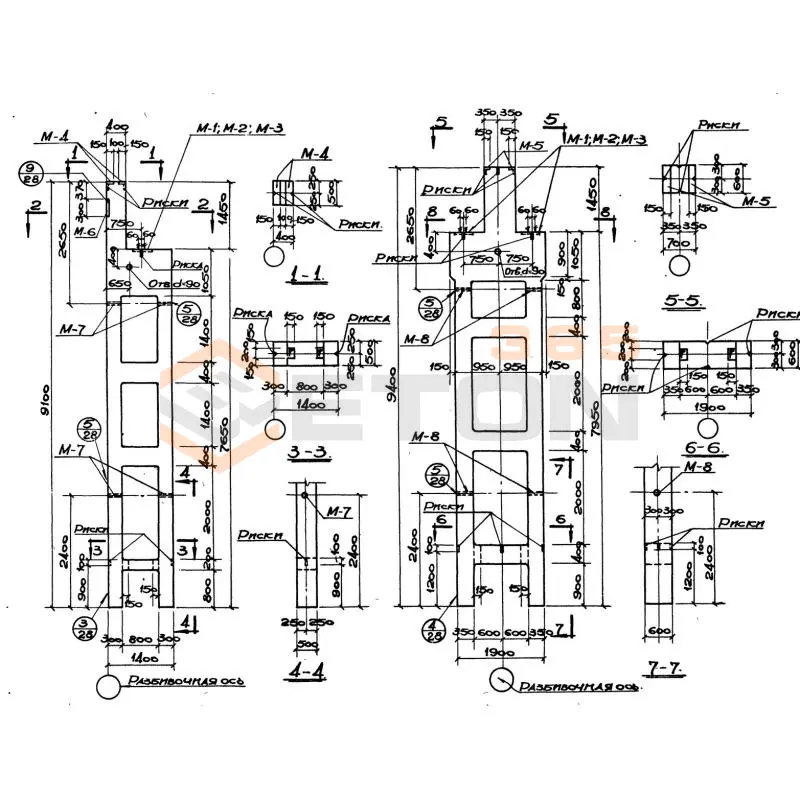
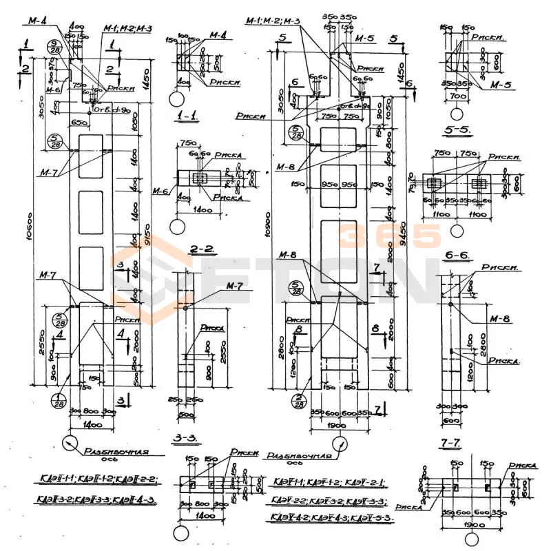
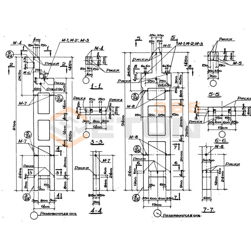
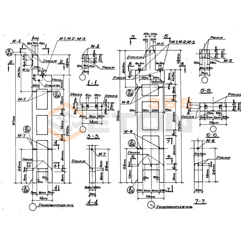
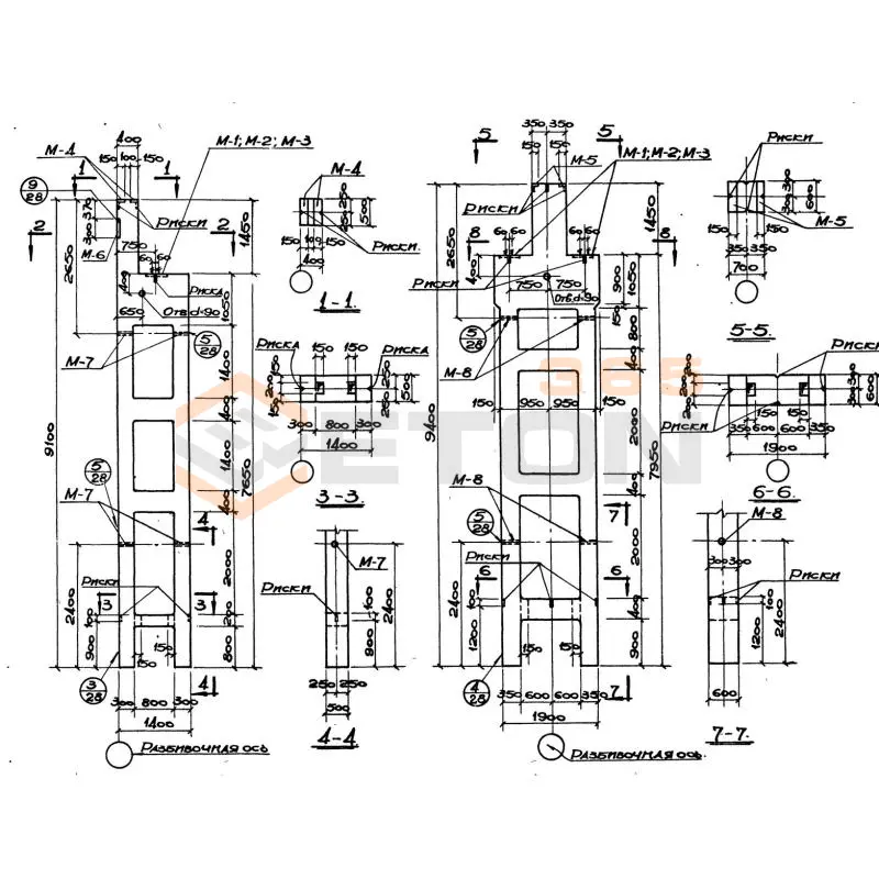
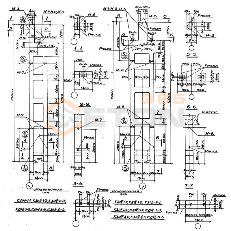
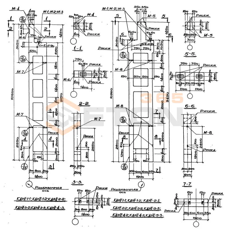
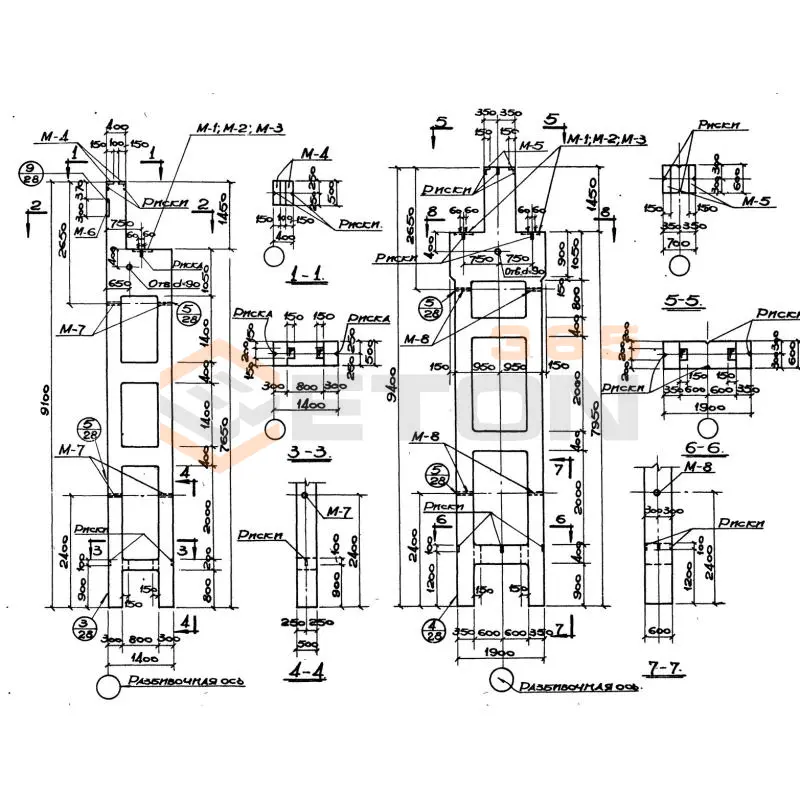
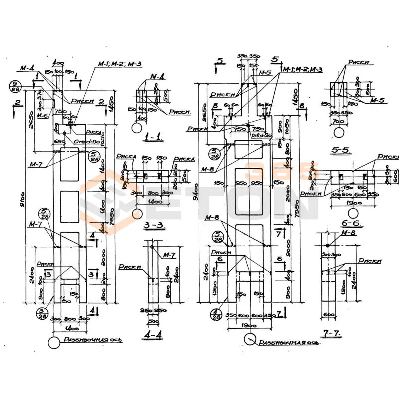
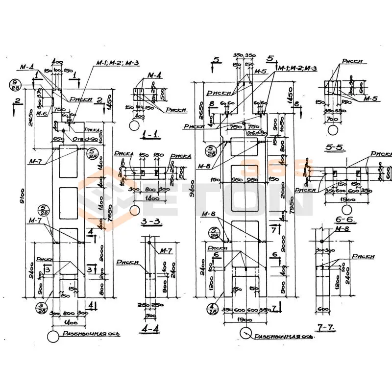
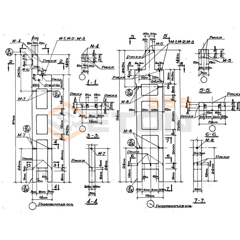
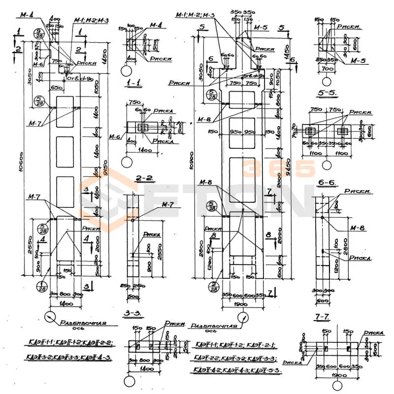
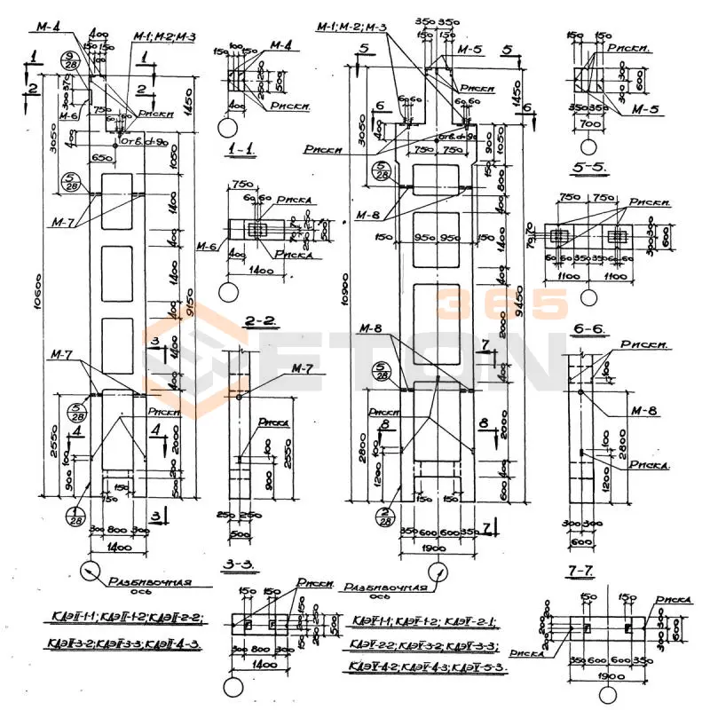
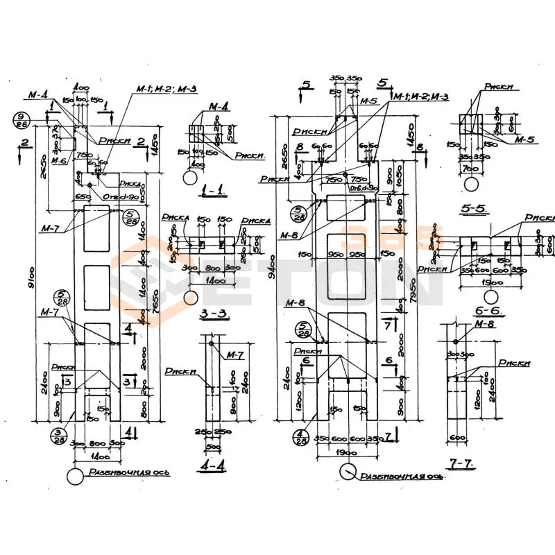
Документ Серия ИС 01-08/67 описывает область применения, номенклатуру и ключевые требования, опираясь на действующие нормы и практику проектирования. Для строительства эстакад, предназначенных под электрические краны, требуются унифицированные колонны, рабочие чертежи которых приведены в Серии ИС 01-08/67. Краны могут иметь грузоподъемность от 5 до 50 тонн, и для их установки в регламенте приведены специальные монтажные схемы. Для упрощения выборки под нужды типовых проектов в регламенте изложены ключи подбора соразмерных конструкций с указанием вариантов несущих способностей.

Файлы для скачивания:
picture_as_pdf

2906.pdf

18,439.0 KB

скачать
picture_as_pdf

2907.pdf

17,949.1 KB

скачать
picture_as_pdf

2908.pdf

6,594.8 KB

скачать
picture_as_pdf

2909.pdf

19,479.8 KB

скачать
picture_as_pdf

2910.pdf

18,920.7 KB

скачать
picture_as_pdf

2911.pdf

22,422.1 KB

скачать
Товары Серия ИС 01-08/67 (60)
КДЭ 1-1-1
Колонны Серия ИС 01-08/67
  • Длина 9100 мм.
  • Ширина 1400 мм.
  • Высота 500 мм.
  • Вес 8500 кг.
  • Объем бетона 3,41 м3
  • Геометрический объем 6,37 м3
Цена: 69462 руб.
Подробнее
КДЭ 1-1-2
Колонны Серия ИС 01-08/67
  • Длина 9100 мм.
  • Ширина 1400 мм.
  • Высота 500 мм.
  • Вес 8500 кг.
  • Объем бетона 3,41 м3
  • Геометрический объем 6,37 м3
Цена: 69462 руб.
Подробнее
КДЭ 1-1-4
Колонны Серия ИС 01-08/67
  • Длина 9100 мм.
  • Ширина 1400 мм.
  • Высота 500 мм.
  • Вес 8500 кг.
  • Объем бетона 3,41 м3
  • Геометрический объем 6,37 м3
Цена: 69462 руб.
Подробнее
КДЭ 1-2-1
Колонны Серия ИС 01-08/67
  • Длина 9100 мм.
  • Ширина 1400 мм.
  • Высота 500 мм.
  • Вес 8500 кг.
  • Объем бетона 3,41 м3
  • Геометрический объем 6,37 м3
Цена: 69462 руб.
Подробнее
КДЭ 1-2-2
Колонны Серия ИС 01-08/67
  • Длина 9100 мм.
  • Ширина 1400 мм.
  • Высота 500 мм.
  • Вес 8500 кг.
  • Объем бетона 3,41 м3
  • Геометрический объем 6,37 м3
Цена: 69462 руб.
Подробнее
КДЭ 1-3-2
Колонны Серия ИС 01-08/67
  • Длина 9100 мм.
  • Ширина 1400 мм.
  • Высота 500 мм.
  • Вес 8500 кг.
  • Объем бетона 3,41 м3
  • Геометрический объем 6,37 м3
Цена: 69462 руб.
Подробнее
КДЭ 1-2-5
Колонны Серия ИС 01-08/67
  • Длина 9100 мм.
  • Ширина 1400 мм.
  • Высота 500 мм.
  • Вес 8500 кг.
  • Объем бетона 3,41 м3
  • Геометрический объем 6,37 м3
Цена: 69462 руб.
Подробнее
КДЭ 1-2-4
Колонны Серия ИС 01-08/67
  • Длина 9100 мм.
  • Ширина 1400 мм.
  • Высота 500 мм.
  • Вес 8500 кг.
  • Объем бетона 3,41 м3
  • Геометрический объем 6,37 м3
Цена: 69462 руб.
Подробнее
КДЭ 1-3-3
Колонны Серия ИС 01-08/67
  • Длина 9100 мм.
  • Ширина 1400 мм.
  • Высота 500 мм.
  • Вес 8500 кг.
  • Объем бетона 3,41 м3
  • Геометрический объем 6,37 м3
Цена: 69462 руб.
Подробнее
КДЭ 1-3-5
Колонны Серия ИС 01-08/67
  • Длина 9100 мм.
  • Ширина 1400 мм.
  • Высота 500 мм.
  • Вес 8500 кг.
  • Объем бетона 3,41 м3
  • Геометрический объем 6,37 м3
Цена: 69462 руб.
Подробнее
КДЭ 1-3-6
Колонны Серия ИС 01-08/67
  • Длина 9100 мм.
  • Ширина 1400 мм.
  • Высота 500 мм.
  • Вес 8500 кг.
  • Объем бетона 3,41 м3
  • Геометрический объем 6,37 м3
Цена: 69462 руб.
Подробнее
КДЭ 1-4-3
Колонны Серия ИС 01-08/67
  • Длина 9100 мм.
  • Ширина 1400 мм.
  • Высота 500 мм.
  • Вес 8500 кг.
  • Объем бетона 3,41 м3
  • Геометрический объем 6,37 м3
Цена: 69462 руб.
Подробнее
КДЭ 1-4-2
Колонны Серия ИС 01-08/67
  • Длина 9100 мм.
  • Ширина 1400 мм.
  • Высота 500 мм.
  • Вес 8500 кг.
  • Объем бетона 3,41 м3
  • Геометрический объем 6,37 м3
Цена: 69462 руб.
Подробнее
КДЭ 1-5-3
Колонны Серия ИС 01-08/67
  • Длина 9100 мм.
  • Ширина 1400 мм.
  • Высота 500 мм.
  • Вес 8500 кг.
  • Объем бетона 3,41 м3
  • Геометрический объем 6,37 м3
Цена: 69462 руб.
Подробнее
КДЭ 1-5-6
Колонны Серия ИС 01-08/67
  • Длина 9100 мм.
  • Ширина 1400 мм.
  • Высота 500 мм.
  • Вес 8500 кг.
  • Объем бетона 3,41 м3
  • Геометрический объем 6,37 м3
Цена: 69462 руб.
Подробнее
КДЭ 1-5-7
Колонны Серия ИС 01-08/67
  • Длина 9100 мм.
  • Ширина 1400 мм.
  • Высота 500 мм.
  • Вес 8500 кг.
  • Объем бетона 3,41 м3
  • Геометрический объем 6,37 м3
Цена: 69462 руб.
Подробнее
КДЭ 2-1-1
Колонны Серия ИС 01-08/67
  • Длина 10600 мм.
  • Ширина 1400 мм.
  • Высота 500 мм.
  • Вес 10100 кг.
  • Объем бетона 4,02 м3
  • Геометрический объем 7,42 м3
Цена: 81887 руб.
Подробнее
КДЭ 2-1-2
Колонны Серия ИС 01-08/67
  • Длина 10600 мм.
  • Ширина 1400 мм.
  • Высота 500 мм.
  • Вес 10100 кг.
  • Объем бетона 4,02 м3
  • Геометрический объем 7,42 м3
Цена: 81887 руб.
Подробнее
КДЭ 2-2-2
Колонны Серия ИС 01-08/67
  • Длина 10600 мм.
  • Ширина 1400 мм.
  • Высота 500 мм.
  • Вес 10100 кг.
  • Объем бетона 4,02 м3
  • Геометрический объем 7,42 м3
Цена: 81887 руб.
Подробнее
КДЭ 2-1-4
Колонны Серия ИС 01-08/67
  • Длина 10600 мм.
  • Ширина 1400 мм.
  • Высота 500 мм.
  • Вес 10100 кг.
  • Объем бетона 4,02 м3
  • Геометрический объем 7,42 м3
Цена: 81887 руб.
Подробнее
КДЭ 2-2-5
Колонны Серия ИС 01-08/67
  • Длина 10600 мм.
  • Ширина 1400 мм.
  • Высота 500 мм.
  • Вес 10100 кг.
  • Объем бетона 4,02 м3
  • Геометрический объем 7,42 м3
Цена: 81887 руб.
Подробнее
КДЭ 2-2-4
Колонны Серия ИС 01-08/67
  • Длина 10600 мм.
  • Ширина 1400 мм.
  • Высота 500 мм.
  • Вес 10100 кг.
  • Объем бетона 4,02 м3
  • Геометрический объем 7,42 м3
Цена: 81887 руб.
Подробнее
КДЭ 2-3-2
Колонны Серия ИС 01-08/67
  • Длина 10600 мм.
  • Ширина 1400 мм.
  • Высота 500 мм.
  • Вес 10100 кг.
  • Объем бетона 4,02 м3
  • Геометрический объем 7,42 м3
Цена: 81887 руб.
Подробнее
КДЭ 2-3-3
Колонны Серия ИС 01-08/67
  • Длина 10600 мм.
  • Ширина 1400 мм.
  • Высота 500 мм.
  • Вес 10100 кг.
  • Объем бетона 4,02 м3
  • Геометрический объем 7,42 м3
Цена: 81887 руб.
Подробнее
КДЭ 2-3-5
Колонны Серия ИС 01-08/67
  • Длина 10600 мм.
  • Ширина 1400 мм.
  • Высота 500 мм.
  • Вес 10100 кг.
  • Объем бетона 4,02 м3
  • Геометрический объем 7,42 м3
Цена: 81887 руб.
Подробнее
КДЭ 2-3-6
Колонны Серия ИС 01-08/67
  • Длина 10600 мм.
  • Ширина 1400 мм.
  • Высота 500 мм.
  • Вес 10100 кг.
  • Объем бетона 4,02 м3
  • Геометрический объем 7,42 м3
Цена: 81887 руб.
Подробнее
КДЭ 2-4-3
Колонны Серия ИС 01-08/67
  • Длина 10600 мм.
  • Ширина 1400 мм.
  • Высота 500 мм.
  • Вес 10100 кг.
  • Объем бетона 4,02 м3
  • Геометрический объем 7,42 м3
Цена: 81887 руб.
Подробнее
КДЭ 2-4-6
Колонны Серия ИС 01-08/67
  • Длина 10600 мм.
  • Ширина 1400 мм.
  • Высота 500 мм.
  • Вес 10100 кг.
  • Объем бетона 4,02 м3
  • Геометрический объем 7,42 м3
Цена: 81887 руб.
Подробнее
КДЭ 2-4-7
Колонны Серия ИС 01-08/67
  • Длина 10600 мм.
  • Ширина 1400 мм.
  • Высота 500 мм.
  • Вес 10100 кг.
  • Объем бетона 4,02 м3
  • Геометрический объем 7,42 м3
Цена: 81887 руб.
Подробнее
КДЭ 3-1-1
Колонны Серия ИС 01-08/67
  • Длина 13900 мм.
  • Ширина 1900 мм.
  • Высота 600 мм.
  • Вес 19500 кг.
  • Объем бетона 7,8 м3
  • Геометрический объем 15,846 м3
Цена: 158886 руб.
Подробнее
КДЭ 3-1-4
Колонны Серия ИС 01-08/67
  • Длина 13900 мм.
  • Ширина 1900 мм.
  • Высота 600 мм.
  • Вес 19500 кг.
  • Объем бетона 7,8 м3
  • Геометрический объем 15,846 м3
Цена: 158886 руб.
Подробнее
КДЭ 3-1-3
Колонны Серия ИС 01-08/67
  • Длина 13900 мм.
  • Ширина 1900 мм.
  • Высота 600 мм.
  • Вес 19500 кг.
  • Объем бетона 7,8 м3
  • Геометрический объем 15,846 м3
Цена: 158886 руб.
Подробнее
КДЭ 3-2-1
Колонны Серия ИС 01-08/67
  • Длина 13900 мм.
  • Ширина 1900 мм.
  • Высота 600 мм.
  • Вес 19500 кг.
  • Объем бетона 7,8 м3
  • Геометрический объем 15,846 м3
Цена: 158886 руб.
Подробнее
КДЭ 3-2-2
Колонны Серия ИС 01-08/67
  • Длина 13900 мм.
  • Ширина 1900 мм.
  • Высота 600 мм.
  • Вес 19500 кг.
  • Объем бетона 7,8 м3
  • Геометрический объем 15,846 м3
Цена: 158886 руб.
Подробнее
КДЭ 3-2-4
Колонны Серия ИС 01-08/67
  • Длина 13900 мм.
  • Ширина 1900 мм.
  • Высота 600 мм.
  • Вес 19500 кг.
  • Объем бетона 7,8 м3
  • Геометрический объем 15,846 м3
Цена: 158886 руб.
Подробнее
КДЭ 3-3-2
Колонны Серия ИС 01-08/67
  • Длина 13900 мм.
  • Ширина 1900 мм.
  • Высота 600 мм.
  • Вес 19500 кг.
  • Объем бетона 7,8 м3
  • Геометрический объем 15,846 м3
Цена: 158886 руб.
Подробнее
КДЭ 3-3-5
Колонны Серия ИС 01-08/67
  • Длина 13900 мм.
  • Ширина 1900 мм.
  • Высота 600 мм.
  • Вес 19500 кг.
  • Объем бетона 7,8 м3
  • Геометрический объем 15,846 м3
Цена: 158886 руб.
Подробнее
КДЭ 3-2-5
Колонны Серия ИС 01-08/67
  • Длина 13900 мм.
  • Ширина 1900 мм.
  • Высота 600 мм.
  • Вес 19500 кг.
  • Объем бетона 7,8 м3
  • Геометрический объем 15,846 м3
Цена: 158886 руб.
Подробнее
КДЭ 3-3-6
Колонны Серия ИС 01-08/67
  • Длина 13900 мм.
  • Ширина 1900 мм.
  • Высота 600 мм.
  • Вес 19500 кг.
  • Объем бетона 7,8 м3
  • Геометрический объем 15,846 м3
Цена: 158886 руб.
Подробнее
КДЭ 4-1-2
Колонны Серия ИС 01-08/67
  • Длина 7950 мм.
  • Ширина 1900 мм.
  • Высота 600 мм.
  • Вес 14400 кг.
  • Объем бетона 5,74 м3
  • Геометрический объем 9,063 м3
Цена: 116924 руб.
Подробнее
КДЭ 4-1-1
Колонны Серия ИС 01-08/67
  • Длина 7950 мм.
  • Ширина 1900 мм.
  • Высота 600 мм.
  • Вес 14400 кг.
  • Объем бетона 5,74 м3
  • Геометрический объем 9,063 м3
Цена: 116924 руб.
Подробнее
КДЭ 4-2-2
Колонны Серия ИС 01-08/67
  • Длина 7950 мм.
  • Ширина 1900 мм.
  • Высота 600 мм.
  • Вес 14400 кг.
  • Объем бетона 5,74 м3
  • Геометрический объем 9,063 м3
Цена: 116924 руб.
Подробнее
КДЭ 4-1-4
Колонны Серия ИС 01-08/67
  • Длина 7950 мм.
  • Ширина 1900 мм.
  • Высота 600 мм.
  • Вес 14400 кг.
  • Объем бетона 5,74 м3
  • Геометрический объем 9,063 м3
Цена: 116924 руб.
Подробнее
КДЭ 4-2-1
Колонны Серия ИС 01-08/67
  • Длина 7950 мм.
  • Ширина 1900 мм.
  • Высота 600 мм.
  • Вес 14400 кг.
  • Объем бетона 5,74 м3
  • Геометрический объем 9,063 м3
Цена: 116924 руб.
Подробнее
КДЭ 4-2-4
Колонны Серия ИС 01-08/67
  • Длина 7950 мм.
  • Ширина 1900 мм.
  • Высота 600 мм.
  • Вес 14400 кг.
  • Объем бетона 5,74 м3
  • Геометрический объем 9,063 м3
Цена: 116924 руб.
Подробнее
КДЭ 4-3-2
Колонны Серия ИС 01-08/67
  • Длина 7950 мм.
  • Ширина 1900 мм.
  • Высота 600 мм.
  • Вес 14400 кг.
  • Объем бетона 5,74 м3
  • Геометрический объем 9,063 м3
Цена: 116924 руб.
Подробнее
КДЭ 4-2-5
Колонны Серия ИС 01-08/67
  • Длина 7950 мм.
  • Ширина 1900 мм.
  • Высота 600 мм.
  • Вес 14400 кг.
  • Объем бетона 5,74 м3
  • Геометрический объем 9,063 м3
Цена: 116924 руб.
Подробнее
КДЭ 4-3-5
Колонны Серия ИС 01-08/67
  • Длина 7950 мм.
  • Ширина 1900 мм.
  • Высота 600 мм.
  • Вес 14400 кг.
  • Объем бетона 5,74 м3
  • Геометрический объем 9,063 м3
Цена: 116924 руб.
Подробнее
КДЭ 4-3-3
Колонны Серия ИС 01-08/67
  • Длина 7950 мм.
  • Ширина 1900 мм.
  • Высота 600 мм.
  • Вес 14400 кг.
  • Объем бетона 5,74 м3
  • Геометрический объем 9,063 м3
Цена: 116924 руб.
Подробнее
КДЭ 4-3-6
Колонны Серия ИС 01-08/67
  • Длина 7950 мм.
  • Ширина 1900 мм.
  • Высота 600 мм.
  • Вес 14400 кг.
  • Объем бетона 5,74 м3
  • Геометрический объем 9,063 м3
Цена: 116924 руб.
Подробнее
КДЭ 4-5-6
Колонны Серия ИС 01-08/67
  • Длина 7950 мм.
  • Ширина 1900 мм.
  • Высота 600 мм.
  • Вес 14400 кг.
  • Объем бетона 5,74 м3
  • Геометрический объем 9,063 м3
Цена: 116924 руб.
Подробнее
КДЭ 4-4-2
Колонны Серия ИС 01-08/67
  • Длина 7950 мм.
  • Ширина 1900 мм.
  • Высота 600 мм.
  • Вес 14400 кг.
  • Объем бетона 5,74 м3
  • Геометрический объем 9,063 м3
Цена: 116924 руб.
Подробнее
КДЭ 4-4-3
Колонны Серия ИС 01-08/67
  • Длина 7950 мм.
  • Ширина 1900 мм.
  • Высота 600 мм.
  • Вес 14400 кг.
  • Объем бетона 5,74 м3
  • Геометрический объем 9,063 м3
Цена: 116924 руб.
Подробнее
КДЭ 4-5-3
Колонны Серия ИС 01-08/67
  • Длина 7950 мм.
  • Ширина 1900 мм.
  • Высота 600 мм.
  • Вес 14400 кг.
  • Объем бетона 5,74 м3
  • Геометрический объем 9,063 м3
Цена: 116924 руб.
Подробнее
КДЭ 4-5-7
Колонны Серия ИС 01-08/67
  • Длина 7950 мм.
  • Ширина 1900 мм.
  • Высота 600 мм.
  • Вес 14400 кг.
  • Объем бетона 5,74 м3
  • Геометрический объем 9,063 м3
Цена: 116924 руб.
Подробнее
КДЭ 4-4-6
Колонны Серия ИС 01-08/67
  • Длина 7950 мм.
  • Ширина 1900 мм.
  • Высота 600 мм.
  • Вес 14400 кг.
  • Объем бетона 5,74 м3
  • Геометрический объем 9,063 м3
Цена: 116924 руб.
Подробнее
КДЭ 5-1-1
Колонны Серия ИС 01-08/67
  • Длина 10900 мм.
  • Ширина 1900 мм.
  • Высота 600 мм.
  • Вес 16700 кг.
  • Объем бетона 6,66 м3
  • Геометрический объем 12,426 м3
Цена: 135664 руб.
Подробнее
КДЭ 5-2-1
Колонны Серия ИС 01-08/67
  • Длина 10900 мм.
  • Ширина 1900 мм.
  • Высота 600 мм.
  • Вес 16700 кг.
  • Объем бетона 6,66 м3
  • Геометрический объем 12,426 м3
Цена: 135664 руб.
Подробнее
КДЭ 5-1-2
Колонны Серия ИС 01-08/67
  • Длина 10900 мм.
  • Ширина 1900 мм.
  • Высота 600 мм.
  • Вес 16700 кг.
  • Объем бетона 6,66 м3
  • Геометрический объем 12,426 м3
Цена: 135664 руб.
Подробнее
КДЭ 5-2-2
Колонны Серия ИС 01-08/67
  • Длина 10900 мм.
  • Ширина 1900 мм.
  • Высота 600 мм.
  • Вес 16700 кг.
  • Объем бетона 6,66 м3
  • Геометрический объем 12,426 м3
Цена: 135664 руб.
Подробнее

Уведомление о файлах cookie

Мы используем файлы cookie для улучшения вашего опыта просмотра и анализа трафика. Нажимая "Принять все", вы соглашаетесь с нашей политикой конфиденциальности и политикой обработки файлов cookie.

MAX Дзен Телеграм Вконтакте vk