mobile_sound +7 (930) 655-55-90

Типовые конструкции и железобетонные изделия. Рабочие чертежи (Серия ИС 01-08/67)

Поделиться:
Поделиться:

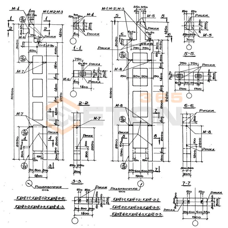
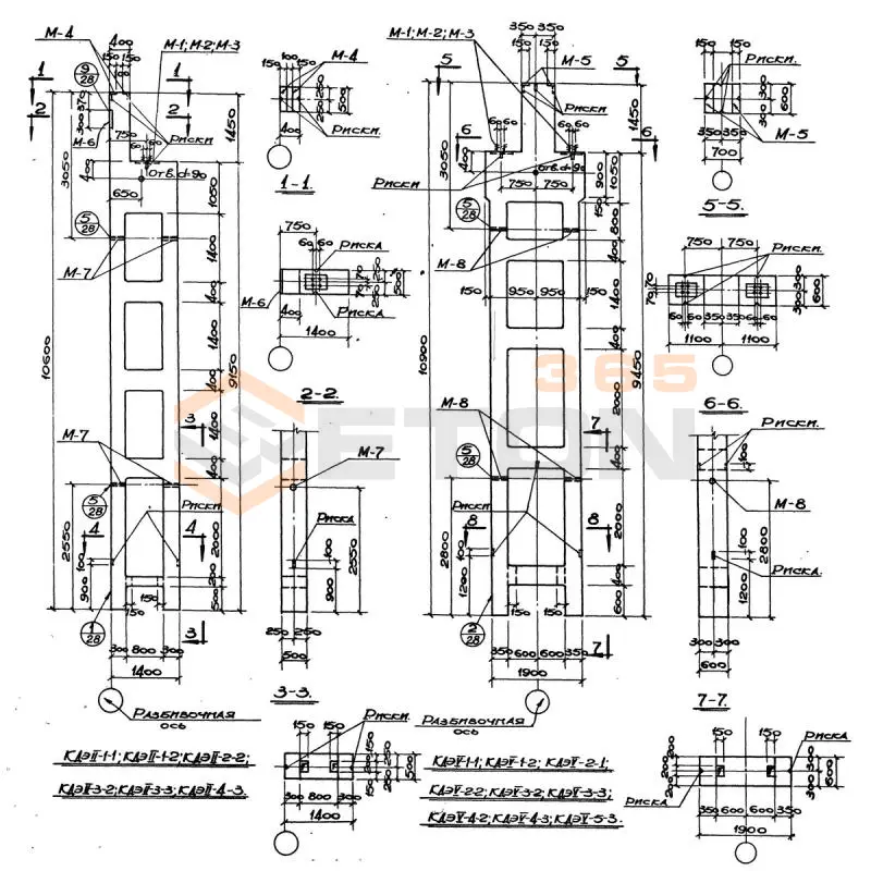
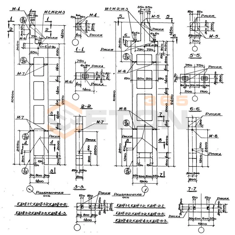
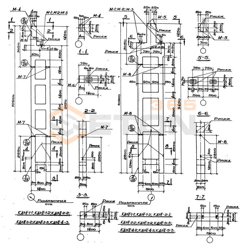
Документ Серия ИС 01-08/67 описывает область применения, номенклатуру и ключевые требования, опираясь на действующие нормы и практику проектирования. Для строительства эстакад, предназначенных под электрические краны, требуются унифицированные колонны, рабочие чертежи которых приведены в Серии ИС 01-08/67. Краны могут иметь грузоподъемность от 5 до 50 тонн, и для их установки в регламенте приведены специальные монтажные схемы. Для упрощения выборки под нужды типовых проектов в регламенте изложены ключи подбора соразмерных конструкций с указанием вариантов несущих способностей.

Файлы для скачивания:
picture_as_pdf

2906.pdf

18,439.0 KB

скачать
picture_as_pdf

2907.pdf

17,949.1 KB

скачать
picture_as_pdf

2908.pdf

6,594.8 KB

скачать
picture_as_pdf

2909.pdf

19,479.8 KB

скачать
picture_as_pdf

2910.pdf

18,920.7 KB

скачать
picture_as_pdf

2911.pdf

22,422.1 KB

скачать
Товары Серия ИС 01-08/67 (26)
КДЭ 5-1-4
Колонны Серия ИС 01-08/67
  • Длина 10900 мм.
  • Ширина 1900 мм.
  • Высота 600 мм.
  • Вес 16700 кг.
  • Объем бетона 6,66 м3
  • Геометрический объем 12,426 м3
Цена: 135664 руб.
Подробнее
КДЭ 5-2-4
Колонны Серия ИС 01-08/67
  • Длина 10900 мм.
  • Ширина 1900 мм.
  • Высота 600 мм.
  • Вес 16700 кг.
  • Объем бетона 6,66 м3
  • Геометрический объем 12,426 м3
Цена: 135664 руб.
Подробнее
КДЭ 5-2-5
Колонны Серия ИС 01-08/67
  • Длина 10900 мм.
  • Ширина 1900 мм.
  • Высота 600 мм.
  • Вес 16700 кг.
  • Объем бетона 6,66 м3
  • Геометрический объем 12,426 м3
Цена: 135664 руб.
Подробнее
КДЭ 5-3-2
Колонны Серия ИС 01-08/67
  • Длина 10900 мм.
  • Ширина 1900 мм.
  • Высота 600 мм.
  • Вес 16700 кг.
  • Объем бетона 6,66 м3
  • Геометрический объем 12,426 м3
Цена: 135664 руб.
Подробнее
КДЭ 5-3-3
Колонны Серия ИС 01-08/67
  • Длина 10900 мм.
  • Ширина 1900 мм.
  • Высота 600 мм.
  • Вес 16700 кг.
  • Объем бетона 6,66 м3
  • Геометрический объем 12,426 м3
Цена: 135664 руб.
Подробнее
КДЭ 5-3-6
Колонны Серия ИС 01-08/67
  • Длина 10900 мм.
  • Ширина 1900 мм.
  • Высота 600 мм.
  • Вес 16700 кг.
  • Объем бетона 6,66 м3
  • Геометрический объем 12,426 м3
Цена: 135664 руб.
Подробнее
КДЭ 5-4-2
Колонны Серия ИС 01-08/67
  • Длина 10900 мм.
  • Ширина 1900 мм.
  • Высота 600 мм.
  • Вес 16700 кг.
  • Объем бетона 6,66 м3
  • Геометрический объем 12,426 м3
Цена: 135664 руб.
Подробнее
КДЭ 5-3-5
Колонны Серия ИС 01-08/67
  • Длина 10900 мм.
  • Ширина 1900 мм.
  • Высота 600 мм.
  • Вес 16700 кг.
  • Объем бетона 6,66 м3
  • Геометрический объем 12,426 м3
Цена: 135664 руб.
Подробнее
КДЭ 5-4-3
Колонны Серия ИС 01-08/67
  • Длина 10900 мм.
  • Ширина 1900 мм.
  • Высота 600 мм.
  • Вес 16700 кг.
  • Объем бетона 6,66 м3
  • Геометрический объем 12,426 м3
Цена: 135664 руб.
Подробнее
КДЭ 5-5-3
Колонны Серия ИС 01-08/67
  • Длина 10900 мм.
  • Ширина 1900 мм.
  • Высота 600 мм.
  • Вес 16700 кг.
  • Объем бетона 6,66 м3
  • Геометрический объем 12,426 м3
Цена: 135664 руб.
Подробнее
КДЭ 5-4-6
Колонны Серия ИС 01-08/67
  • Длина 10900 мм.
  • Ширина 1900 мм.
  • Высота 600 мм.
  • Вес 16700 кг.
  • Объем бетона 6,66 м3
  • Геометрический объем 12,426 м3
Цена: 135664 руб.
Подробнее
КДЭ 5-5-7
Колонны Серия ИС 01-08/67
  • Длина 10900 мм.
  • Ширина 1900 мм.
  • Высота 600 мм.
  • Вес 16700 кг.
  • Объем бетона 6,66 м3
  • Геометрический объем 12,426 м3
Цена: 135664 руб.
Подробнее
КДЭ 5-5-6
Колонны Серия ИС 01-08/67
  • Длина 10900 мм.
  • Ширина 1900 мм.
  • Высота 600 мм.
  • Вес 16700 кг.
  • Объем бетона 6,66 м3
  • Геометрический объем 12,426 м3
Цена: 135664 руб.
Подробнее
КДЭ 6-1-1
Колонны Серия ИС 01-08/67
  • Длина 13900 мм.
  • Ширина 1900 мм.
  • Высота 600 мм.
  • Вес 20200 кг.
  • Объем бетона 8,06 м3
  • Геометрический объем 15,846 м3
Цена: 164182 руб.
Подробнее
КДЭ 6-1-3
Колонны Серия ИС 01-08/67
  • Длина 13900 мм.
  • Ширина 1900 мм.
  • Высота 600 мм.
  • Вес 20200 кг.
  • Объем бетона 8,06 м3
  • Геометрический объем 15,846 м3
Цена: 164182 руб.
Подробнее
КДЭ 6-2-1
Колонны Серия ИС 01-08/67
  • Длина 13900 мм.
  • Ширина 1900 мм.
  • Высота 600 мм.
  • Вес 20200 кг.
  • Объем бетона 8,06 м3
  • Геометрический объем 15,846 м3
Цена: 164182 руб.
Подробнее
КДЭ 6-1-4
Колонны Серия ИС 01-08/67
  • Длина 13900 мм.
  • Ширина 1900 мм.
  • Высота 600 мм.
  • Вес 20200 кг.
  • Объем бетона 8,06 м3
  • Геометрический объем 15,846 м3
Цена: 164182 руб.
Подробнее
КДЭ 6-2-2
Колонны Серия ИС 01-08/67
  • Длина 13900 мм.
  • Ширина 1900 мм.
  • Высота 600 мм.
  • Вес 20200 кг.
  • Объем бетона 8,06 м3
  • Геометрический объем 15,846 м3
Цена: 164182 руб.
Подробнее
КДЭ 6-2-4
Колонны Серия ИС 01-08/67
  • Длина 13900 мм.
  • Ширина 1900 мм.
  • Высота 600 мм.
  • Вес 20200 кг.
  • Объем бетона 8,06 м3
  • Геометрический объем 15,846 м3
Цена: 164182 руб.
Подробнее
КДЭ 6-2-5
Колонны Серия ИС 01-08/67
  • Длина 13900 мм.
  • Ширина 1900 мм.
  • Высота 600 мм.
  • Вес 20200 кг.
  • Объем бетона 8,06 м3
  • Геометрический объем 15,846 м3
Цена: 164182 руб.
Подробнее
КДЭ 6-3-1
Колонны Серия ИС 01-08/67
  • Длина 13900 мм.
  • Ширина 1900 мм.
  • Высота 600 мм.
  • Вес 20200 кг.
  • Объем бетона 8,06 м3
  • Геометрический объем 15,846 м3
Цена: 164182 руб.
Подробнее
КДЭ 6-3-5
Колонны Серия ИС 01-08/67
  • Длина 13900 мм.
  • Ширина 1900 мм.
  • Высота 600 мм.
  • Вес 20200 кг.
  • Объем бетона 8,06 м3
  • Геометрический объем 15,846 м3
Цена: 164182 руб.
Подробнее
КДЭ 6-3-2
Колонны Серия ИС 01-08/67
  • Длина 13900 мм.
  • Ширина 1900 мм.
  • Высота 600 мм.
  • Вес 20200 кг.
  • Объем бетона 8,06 м3
  • Геометрический объем 15,846 м3
Цена: 164182 руб.
Подробнее
КДЭ 6-4-5
Колонны Серия ИС 01-08/67
  • Длина 13900 мм.
  • Ширина 1900 мм.
  • Высота 600 мм.
  • Вес 20200 кг.
  • Объем бетона 8,06 м3
  • Геометрический объем 15,846 м3
Цена: 164182 руб.
Подробнее
КДЭ 6-4-2
Колонны Серия ИС 01-08/67
  • Длина 13900 мм.
  • Ширина 1900 мм.
  • Высота 600 мм.
  • Вес 20200 кг.
  • Объем бетона 8,06 м3
  • Геометрический объем 15,846 м3
Цена: 164182 руб.
Подробнее
КДЭ 6-4-6
Колонны Серия ИС 01-08/67
  • Длина 13900 мм.
  • Ширина 1900 мм.
  • Высота 600 мм.
  • Вес 20200 кг.
  • Объем бетона 8,06 м3
  • Геометрический объем 15,846 м3
Цена: 164182 руб.
Подробнее

Уведомление о файлах cookie

Мы используем файлы cookie для улучшения вашего опыта просмотра и анализа трафика. Нажимая "Принять все", вы соглашаетесь с нашей политикой конфиденциальности и политикой обработки файлов cookie.

MAX Дзен Телеграм Вконтакте vk