mobile_sound +7 (930) 655-55-90

Железобетонные опоры линий электропередачи. Рабочие чертежи (Серия 3.006.1-2/87)

Поделиться:
Поделиться:

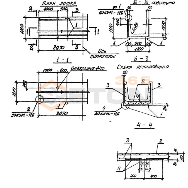
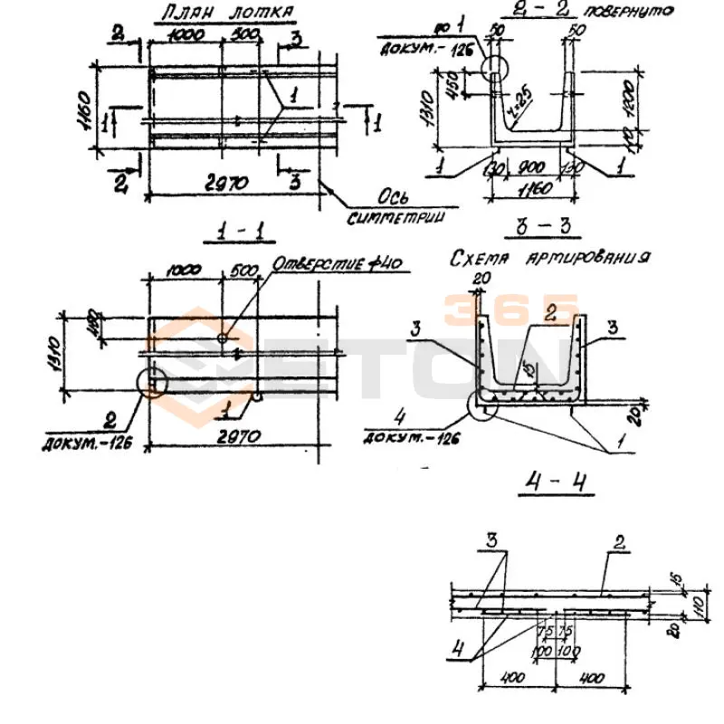
Документ Серия 3.006.1-2/87 описывает область применения, номенклатуру и ключевые требования, опираясь на действующие нормы и практику проектирования. Для возведения каналов и тоннелей могут использоваться различные конструкции, в том числе и лотковые элементы. Узнать максимально детально о специфике их производства можно, используя материалы Серии 3.006.1-2/87. В составе документа представлено девять выпусков, описывающих определенные блоки информации для удобства поиска необходимых сведений в процессе проектирования.

Файлы для скачивания:
picture_as_pdf

1391.pdf

21,963.0 KB

скачать
picture_as_pdf

1392.pdf

19,200.4 KB

скачать
picture_as_pdf

1393.pdf

36,057.5 KB

скачать
picture_as_pdf

1394.pdf

17,955.3 KB

скачать
picture_as_pdf

1395.pdf

20,695.4 KB

скачать
picture_as_pdf

1396.pdf

6,595.3 KB

скачать
picture_as_pdf

1397.pdf

33,528.0 KB

скачать
picture_as_pdf

1398.pdf

11,145.9 KB

скачать
picture_as_pdf

1399.pdf

3,629.5 KB

скачать
Товары Серия 3.006.1-2/87 (60)
Л 38-3 а
Мотки теплотрасс Л серия 3.006.1-2/87
  • Длина 2970 мм.
  • Ширина 4000 мм.
  • Высота 1700 мм.
  • Вес 9380 кг.
  • Объем бетона 3,75 м3
  • Геометрический объем 20,196 м3
Цена: 83663 руб.
Подробнее
Л 38-5
Мотки теплотрасс Л серия 3.006.1-2/87
  • Длина 2970 мм.
  • Ширина 4000 мм.
  • Высота 1700 мм.
  • Вес 9380 кг.
  • Объем бетона 3,75 м3
  • Геометрический объем 20,196 м3
Цена: 83663 руб.
Подробнее
Л 38-5 а
Мотки теплотрасс Л серия 3.006.1-2/87
  • Длина 2970 мм.
  • Ширина 4000 мм.
  • Высота 1700 мм.
  • Вес 9380 кг.
  • Объем бетона 3,75 м3
  • Геометрический объем 20,196 м3
Цена: 83663 руб.
Подробнее
Л 38-8
Мотки теплотрасс Л серия 3.006.1-2/87
  • Длина 2970 мм.
  • Ширина 4000 мм.
  • Высота 1700 мм.
  • Вес 9380 кг.
  • Объем бетона 3,75 м3
  • Геометрический объем 20,196 м3
Цена: 83663 руб.
Подробнее
Л 38-8 а
Мотки теплотрасс Л серия 3.006.1-2/87
  • Длина 2970 мм.
  • Ширина 4000 мм.
  • Высота 1700 мм.
  • Вес 9380 кг.
  • Объем бетона 3,75 м3
  • Геометрический объем 20,196 м3
Цена: 83663 руб.
Подробнее
Л 4-15
Мотки теплотрасс Л серия 3.006.1-2/87
  • Длина 5970 мм.
  • Ширина 780 мм.
  • Высота 530 мм.
  • Вес 1800 кг.
  • Объем бетона 0,72 м3
  • Геометрический объем 2,468 м3
Цена: 16063 руб.
Подробнее
Л 4-15/2
Мотки теплотрасс Л серия 3.006.1-2/87
  • Длина 2970 мм.
  • Ширина 780 мм.
  • Высота 530 мм.
  • Вес 900 кг.
  • Объем бетона 0,36 м3
  • Геометрический объем 1,2278 м3
Цена: 8032 руб.
Подробнее
Л 4-8
Мотки теплотрасс Л серия 3.006.1-2/87
  • Длина 5970 мм.
  • Ширина 780 мм.
  • Высота 530 мм.
  • Вес 1800 кг.
  • Объем бетона 0,72 м3
  • Геометрический объем 2,468 м3
Цена: 16063 руб.
Подробнее
Л 4-8/2
Мотки теплотрасс Л серия 3.006.1-2/87
  • Длина 2970 мм.
  • Ширина 780 мм.
  • Высота 530 мм.
  • Вес 900 кг.
  • Объем бетона 0,36 м3
  • Геометрический объем 1,2278 м3
Цена: 8032 руб.
Подробнее
Л 5-15
Мотки теплотрасс Л серия 3.006.1-2/87
  • Длина 5970 мм.
  • Ширина 780 мм.
  • Высота 680 мм.
  • Вес 2250 кг.
  • Объем бетона 0,88 м3
  • Геометрический объем 3,1665 м3
Цена: 19633 руб.
Подробнее
Л 5-15/2
Мотки теплотрасс Л серия 3.006.1-2/87
  • Длина 2970 мм.
  • Ширина 780 мм.
  • Высота 680 мм.
  • Вес 1125 кг.
  • Объем бетона 0,44 м3
  • Геометрический объем 1,5753 м3
Цена: 9816 руб.
Подробнее
Л 5-8
Мотки теплотрасс Л серия 3.006.1-2/87
  • Длина 5970 мм.
  • Ширина 780 мм.
  • Высота 680 мм.
  • Вес 2250 кг.
  • Объем бетона 0,88 м3
  • Геометрический объем 3,1665 м3
Цена: 19633 руб.
Подробнее
Л 5-8/2
Мотки теплотрасс Л серия 3.006.1-2/87
  • Длина 2970 мм.
  • Ширина 780 мм.
  • Высота 680 мм.
  • Вес 1125 кг.
  • Объем бетона 0,44 м3
  • Геометрический объем 1,5753 м3
Цена: 9816 руб.
Подробнее
Л 6-11
Мотки теплотрасс Л серия 3.006.1-2/87
  • Длина 5970 мм.
  • Ширина 1160 мм.
  • Высота 530 мм.
  • Вес 2250 кг.
  • Объем бетона 0,9 м3
  • Геометрический объем 3,6704 м3
Цена: 20079 руб.
Подробнее
Л 6-12
Мотки теплотрасс Л серия 3.006.1-2/87
  • Длина 5970 мм.
  • Ширина 1160 мм.
  • Высота 530 мм.
  • Вес 2250 кг.
  • Объем бетона 0,9 м3
  • Геометрический объем 3,6704 м3
Цена: 20079 руб.
Подробнее
Л 6-15
Мотки теплотрасс Л серия 3.006.1-2/87
  • Длина 5970 мм.
  • Ширина 1160 мм.
  • Высота 530 мм.
  • Вес 2250 кг.
  • Объем бетона 0,9 м3
  • Геометрический объем 3,6704 м3
Цена: 20079 руб.
Подробнее
Л 6-15/2
Мотки теплотрасс Л серия 3.006.1-2/87
  • Длина 2970 мм.
  • Ширина 1160 мм.
  • Высота 530 мм.
  • Вес 1125 кг.
  • Объем бетона 0,45 м3
  • Геометрический объем 1,826 м3
Цена: 10040 руб.
Подробнее
Л 6-5
Мотки теплотрасс Л серия 3.006.1-2/87
  • Длина 5970 мм.
  • Ширина 1160 мм.
  • Высота 530 мм.
  • Вес 2250 кг.
  • Объем бетона 0,9 м3
  • Геометрический объем 3,6704 м3
Цена: 20079 руб.
Подробнее
Л 6-8
Мотки теплотрасс Л серия 3.006.1-2/87
  • Длина 5970 мм.
  • Ширина 1160 мм.
  • Высота 530 мм.
  • Вес 2250 кг.
  • Объем бетона 0,9 м3
  • Геометрический объем 3,6704 м3
Цена: 20079 руб.
Подробнее
Л 6-8/2
Мотки теплотрасс Л серия 3.006.1-2/87
  • Длина 2970 мм.
  • Ширина 1160 мм.
  • Высота 530 мм.
  • Вес 1125 кг.
  • Объем бетона 0,45 м3
  • Геометрический объем 1,826 м3
Цена: 10040 руб.
Подробнее
Л 7-11
Мотки теплотрасс Л серия 3.006.1-2/87
  • Длина 5970 мм.
  • Ширина 1160 мм.
  • Высота 680 мм.
  • Вес 2700 кг.
  • Объем бетона 1,06 м3
  • Геометрический объем 4,7091 м3
Цена: 23649 руб.
Подробнее
Л 7-12
Мотки теплотрасс Л серия 3.006.1-2/87
  • Длина 5970 мм.
  • Ширина 1160 мм.
  • Высота 680 мм.
  • Вес 2700 кг.
  • Объем бетона 1,06 м3
  • Геометрический объем 4,7091 м3
Цена: 23649 руб.
Подробнее
Л 7-15
Мотки теплотрасс Л серия 3.006.1-2/87
  • Длина 5970 мм.
  • Ширина 1160 мм.
  • Высота 680 мм.
  • Вес 2700 кг.
  • Объем бетона 1,06 м3
  • Геометрический объем 4,7091 м3
Цена: 23649 руб.
Подробнее
Л 7-15/2
Мотки теплотрасс Л серия 3.006.1-2/87
  • Длина 2970 мм.
  • Ширина 1160 мм.
  • Высота 680 мм.
  • Вес 1350 кг.
  • Объем бетона 0,53 м3
  • Геометрический объем 2,3427 м3
Цена: 11824 руб.
Подробнее
Л 7-5
Мотки теплотрасс Л серия 3.006.1-2/87
  • Длина 5970 мм.
  • Ширина 1160 мм.
  • Высота 680 мм.
  • Вес 2700 кг.
  • Объем бетона 1,06 м3
  • Геометрический объем 4,7091 м3
Цена: 23649 руб.
Подробнее
Л 7-8
Мотки теплотрасс Л серия 3.006.1-2/87
  • Длина 5970 мм.
  • Ширина 1160 мм.
  • Высота 680 мм.
  • Вес 2700 кг.
  • Объем бетона 1,06 м3
  • Геометрический объем 4,7091 м3
Цена: 23649 руб.
Подробнее
Л 7-8/2
Мотки теплотрасс Л серия 3.006.1-2/87
  • Длина 2970 мм.
  • Ширина 1160 мм.
  • Высота 680 мм.
  • Вес 1350 кг.
  • Объем бетона 0,53 м3
  • Геометрический объем 2,3427 м3
Цена: 11824 руб.
Подробнее
Л 8-11
Мотки теплотрасс Л серия 3.006.1-2/87
  • Длина 5970 мм.
  • Ширина 1160 мм.
  • Высота 1000 мм.
  • Вес 3900 кг.
  • Объем бетона 1,56 м3
  • Геометрический объем 6,9252 м3
Цена: 34804 руб.
Подробнее
Л 8-15
Мотки теплотрасс Л серия 3.006.1-2/87
  • Длина 5970 мм.
  • Ширина 1160 мм.
  • Высота 1000 мм.
  • Вес 3900 кг.
  • Объем бетона 1,56 м3
  • Геометрический объем 6,9252 м3
Цена: 34804 руб.
Подробнее
Л 8-15/2
Мотки теплотрасс Л серия 3.006.1-2/87
  • Длина 2970 мм.
  • Ширина 1160 мм.
  • Высота 1000 мм.
  • Вес 1950 кг.
  • Объем бетона 0,78 м3
  • Геометрический объем 3,4452 м3
Цена: 17402 руб.
Подробнее
Л 8-5
Мотки теплотрасс Л серия 3.006.1-2/87
  • Длина 5970 мм.
  • Ширина 1160 мм.
  • Высота 1000 мм.
  • Вес 3900 кг.
  • Объем бетона 1,56 м3
  • Геометрический объем 6,9252 м3
Цена: 34804 руб.
Подробнее
Л 8-8
Мотки теплотрасс Л серия 3.006.1-2/87
  • Длина 5970 мм.
  • Ширина 1160 мм.
  • Высота 1000 мм.
  • Вес 3900 кг.
  • Объем бетона 1,56 м3
  • Геометрический объем 6,9252 м3
Цена: 34804 руб.
Подробнее
Л 8-8/2
Мотки теплотрасс Л серия 3.006.1-2/87
  • Длина 2970 мм.
  • Ширина 1160 мм.
  • Высота 1000 мм.
  • Вес 1950 кг.
  • Объем бетона 0,78 м3
  • Геометрический объем 3,4452 м3
Цена: 17402 руб.
Подробнее
Л 9-15
Мотки теплотрасс Л серия 3.006.1-2/87
  • Длина 5970 мм.
  • Ширина 1160 мм.
  • Высота 1310 мм.
  • Вес 5100 кг.
  • Объем бетона 2,04 м3
  • Геометрический объем 9,072 м3
Цена: 45512 руб.
Подробнее
Л 9-15/2
Мотки теплотрасс Л серия 3.006.1-2/87
  • Длина 2970 мм.
  • Ширина 1160 мм.
  • Высота 1310 мм.
  • Вес 2550 кг.
  • Объем бетона 1,02 м3
  • Геометрический объем 4,5132 м3
Цена: 22756 руб.
Подробнее
Л 9-8
Мотки теплотрасс Л серия 3.006.1-2/87
  • Длина 5970 мм.
  • Ширина 1160 мм.
  • Высота 1310 мм.
  • Вес 5100 кг.
  • Объем бетона 2,04 м3
  • Геометрический объем 9,072 м3
Цена: 45512 руб.
Подробнее
Л 9-8/2
Мотки теплотрасс Л серия 3.006.1-2/87
  • Длина 2970 мм.
  • Ширина 1160 мм.
  • Высота 1310 мм.
  • Вес 2550 кг.
  • Объем бетона 1,02 м3
  • Геометрический объем 4,5132 м3
Цена: 22756 руб.
Подробнее
Л 10д-11
Мотки теплотрасс Л серия 3.006.1-2/87 доборные
  • Длина 720 мм.
  • Ширина 1480 мм.
  • Высота 550 мм.
  • Вес 430 кг.
  • Объем бетона 0,17 м3
  • Геометрический объем 0,5861 м3
Цена: 3793 руб.
Подробнее
Л 10д-15
Мотки теплотрасс Л серия 3.006.1-2/87 доборные
  • Длина 720 мм.
  • Ширина 1480 мм.
  • Высота 550 мм.
  • Вес 430 кг.
  • Объем бетона 0,17 м3
  • Геометрический объем 0,5861 м3
Цена: 3793 руб.
Подробнее
Л 10д-3
Мотки теплотрасс Л серия 3.006.1-2/87 доборные
  • Длина 720 мм.
  • Ширина 1480 мм.
  • Высота 550 мм.
  • Вес 430 кг.
  • Объем бетона 0,17 м3
  • Геометрический объем 0,5861 м3
Цена: 3793 руб.
Подробнее
Л 10д-8
Мотки теплотрасс Л серия 3.006.1-2/87 доборные
  • Длина 720 мм.
  • Ширина 1480 мм.
  • Высота 550 мм.
  • Вес 430 кг.
  • Объем бетона 0,17 м3
  • Геометрический объем 0,5861 м3
Цена: 3793 руб.
Подробнее
Л 11д-11
Мотки теплотрасс Л серия 3.006.1-2/87 доборные
  • Длина 720 мм.
  • Ширина 1480 мм.
  • Высота 700 мм.
  • Вес 450 кг.
  • Объем бетона 0,18 м3
  • Геометрический объем 0,7459 м3
Цена: 4016 руб.
Подробнее
Л 11д-15
Мотки теплотрасс Л серия 3.006.1-2/87 доборные
  • Длина 720 мм.
  • Ширина 1480 мм.
  • Высота 700 мм.
  • Вес 450 кг.
  • Объем бетона 0,18 м3
  • Геометрический объем 0,7459 м3
Цена: 4016 руб.
Подробнее
Л 11д-3
Мотки теплотрасс Л серия 3.006.1-2/87 доборные
  • Длина 720 мм.
  • Ширина 1480 мм.
  • Высота 700 мм.
  • Вес 450 кг.
  • Объем бетона 0,18 м3
  • Геометрический объем 0,7459 м3
Цена: 4016 руб.
Подробнее
Л 11д-5
Мотки теплотрасс Л серия 3.006.1-2/87 доборные
  • Длина 720 мм.
  • Ширина 1480 мм.
  • Высота 700 мм.
  • Вес 450 кг.
  • Объем бетона 0,18 м3
  • Геометрический объем 0,7459 м3
Цена: 4016 руб.
Подробнее
Л 11д-8
Мотки теплотрасс Л серия 3.006.1-2/87 доборные
  • Длина 720 мм.
  • Ширина 1480 мм.
  • Высота 700 мм.
  • Вес 450 кг.
  • Объем бетона 0,18 м3
  • Геометрический объем 0,7459 м3
Цена: 4016 руб.
Подробнее
Л 12д-11
Мотки теплотрасс Л серия 3.006.1-2/87 доборные
  • Длина 720 мм.
  • Ширина 1480 мм.
  • Высота 1010 мм.
  • Вес 600 кг.
  • Объем бетона 0,24 м3
  • Геометрический объем 1,0763 м3
Цена: 5354 руб.
Подробнее
Л 12д-15
Мотки теплотрасс Л серия 3.006.1-2/87 доборные
  • Длина 720 мм.
  • Ширина 1480 мм.
  • Высота 1010 мм.
  • Вес 600 кг.
  • Объем бетона 0,24 м3
  • Геометрический объем 1,0763 м3
Цена: 5354 руб.
Подробнее
Л 12д-3
Мотки теплотрасс Л серия 3.006.1-2/87 доборные
  • Длина 720 мм.
  • Ширина 1480 мм.
  • Высота 1010 мм.
  • Вес 600 кг.
  • Объем бетона 0,24 м3
  • Геометрический объем 1,0763 м3
Цена: 5354 руб.
Подробнее
Л 12д-5
Мотки теплотрасс Л серия 3.006.1-2/87 доборные
  • Длина 720 мм.
  • Ширина 1480 мм.
  • Высота 1010 мм.
  • Вес 600 кг.
  • Объем бетона 0,24 м3
  • Геометрический объем 1,0763 м3
Цена: 5354 руб.
Подробнее
Л 12д-8
Мотки теплотрасс Л серия 3.006.1-2/87 доборные
  • Длина 720 мм.
  • Ширина 1480 мм.
  • Высота 1010 мм.
  • Вес 600 кг.
  • Объем бетона 0,24 м3
  • Геометрический объем 1,0763 м3
Цена: 5354 руб.
Подробнее
Л 13д-11
Мотки теплотрасс Л серия 3.006.1-2/87 доборные
  • Длина 720 мм.
  • Ширина 1480 мм.
  • Высота 1320 мм.
  • Вес 800 кг.
  • Объем бетона 0,32 м3
  • Геометрический объем 1,4066 м3
Цена: 7139 руб.
Подробнее
Л 13д-15
Мотки теплотрасс Л серия 3.006.1-2/87 доборные
  • Длина 720 мм.
  • Ширина 1480 мм.
  • Высота 1320 мм.
  • Вес 800 кг.
  • Объем бетона 0,32 м3
  • Геометрический объем 1,4066 м3
Цена: 7139 руб.
Подробнее
Л 13д-3
Мотки теплотрасс Л серия 3.006.1-2/87 доборные
  • Длина 720 мм.
  • Ширина 1480 мм.
  • Высота 1320 мм.
  • Вес 800 кг.
  • Объем бетона 0,32 м3
  • Геометрический объем 1,4066 м3
Цена: 7139 руб.
Подробнее
Л 13д-5
Мотки теплотрасс Л серия 3.006.1-2/87 доборные
  • Длина 720 мм.
  • Ширина 1480 мм.
  • Высота 1320 мм.
  • Вес 800 кг.
  • Объем бетона 0,32 м3
  • Геометрический объем 1,4066 м3
Цена: 7139 руб.
Подробнее
Л 13д-8
Мотки теплотрасс Л серия 3.006.1-2/87 доборные
  • Длина 720 мм.
  • Ширина 1480 мм.
  • Высота 1320 мм.
  • Вес 800 кг.
  • Объем бетона 0,32 м3
  • Геометрический объем 1,4066 м3
Цена: 7139 руб.
Подробнее
Л 14д-11
Мотки теплотрасс Л серия 3.006.1-2/87 доборные
  • Длина 720 мм.
  • Ширина 1840 мм.
  • Высота 570 мм.
  • Вес 580 кг.
  • Объем бетона 0,23 м3
  • Геометрический объем 0,7551 м3
Цена: 5131 руб.
Подробнее
Л 14д-12
Мотки теплотрасс Л серия 3.006.1-2/87 доборные
  • Длина 720 мм.
  • Ширина 1840 мм.
  • Высота 570 мм.
  • Вес 580 кг.
  • Объем бетона 0,23 м3
  • Геометрический объем 0,7551 м3
Цена: 5131 руб.
Подробнее
Л 14д-15
Мотки теплотрасс Л серия 3.006.1-2/87 доборные
  • Длина 720 мм.
  • Ширина 1840 мм.
  • Высота 570 мм.
  • Вес 580 кг.
  • Объем бетона 0,23 м3
  • Геометрический объем 0,7551 м3
Цена: 5131 руб.
Подробнее
Л 14д-3
Мотки теплотрасс Л серия 3.006.1-2/87 доборные
  • Длина 720 мм.
  • Ширина 1840 мм.
  • Высота 570 мм.
  • Вес 580 кг.
  • Объем бетона 0,23 м3
  • Геометрический объем 0,7551 м3
Цена: 5131 руб.
Подробнее

Уведомление о файлах cookie

Мы используем файлы cookie для улучшения вашего опыта просмотра и анализа трафика. Нажимая "Принять все", вы соглашаетесь с нашей политикой конфиденциальности и политикой обработки файлов cookie.

MAX Дзен Телеграм Вконтакте vk