mobile_sound +7 (930) 655-55-90

Железобетонные опоры линий электропередачи. Рабочие чертежи (Серия 3.006.1-2/87)

Поделиться:
Поделиться:

Документ Серия 3.006.1-2/87 описывает область применения, номенклатуру и ключевые требования, опираясь на действующие нормы и практику проектирования. Для возведения каналов и тоннелей могут использоваться различные конструкции, в том числе и лотковые элементы. Узнать максимально детально о специфике их производства можно, используя материалы Серии 3.006.1-2/87. В составе документа представлено девять выпусков, описывающих определенные блоки информации для удобства поиска необходимых сведений в процессе проектирования.

Файлы для скачивания:
picture_as_pdf

1391.pdf

21,963.0 KB

скачать
picture_as_pdf

1392.pdf

19,200.4 KB

скачать
picture_as_pdf

1393.pdf

36,057.5 KB

скачать
picture_as_pdf

1394.pdf

17,955.3 KB

скачать
picture_as_pdf

1395.pdf

20,695.4 KB

скачать
picture_as_pdf

1396.pdf

6,595.3 KB

скачать
picture_as_pdf

1397.pdf

33,528.0 KB

скачать
picture_as_pdf

1398.pdf

11,145.9 KB

скачать
picture_as_pdf

1399.pdf

3,629.5 KB

скачать
Товары Серия 3.006.1-2/87 (60)
П 25д-15 а
Плиты перекрытия лотков П серия 3.006.1-2/87
  • Длина 740 мм.
  • Ширина 2780 мм.
  • Высота 250 мм.
  • Вес 1290 кг.
  • Объем бетона 0,51 м3
  • Геометрический объем 0,5143 м3
Цена: 9894 руб.
Подробнее
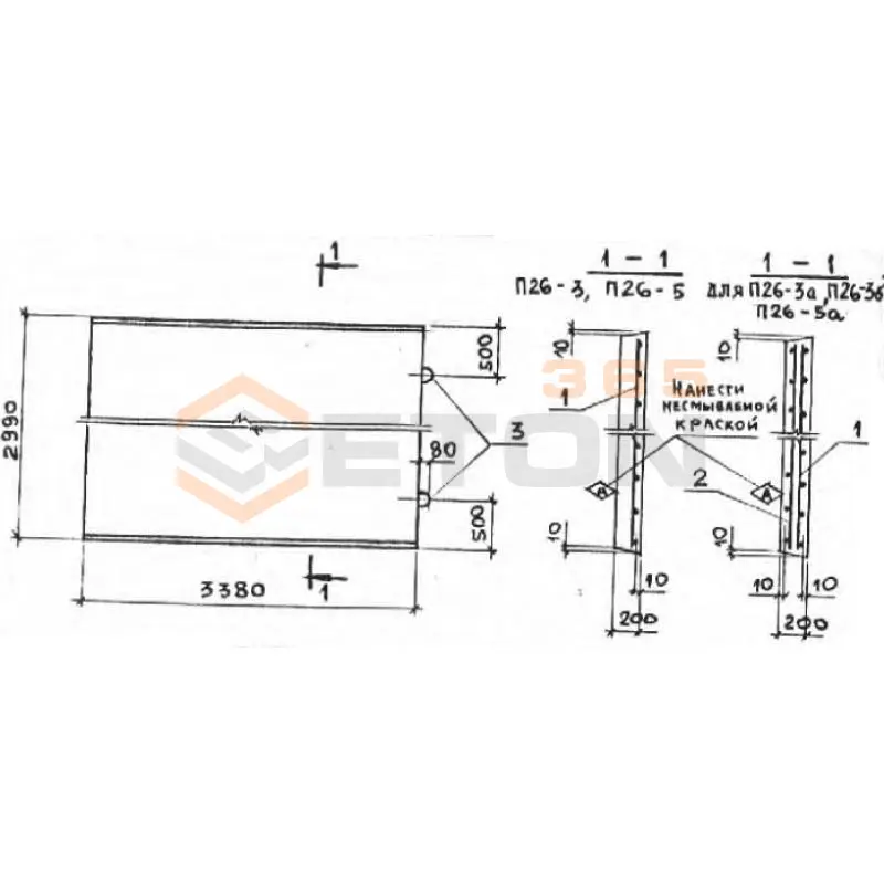
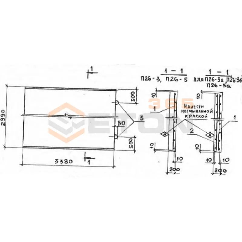
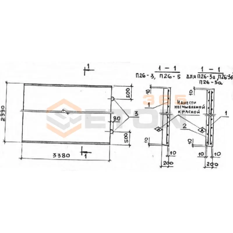
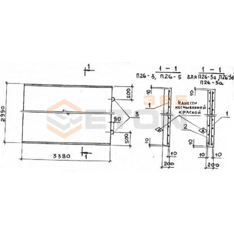
П 26-3
Плиты перекрытия лотков П серия 3.006.1-2/87
  • Длина 2990 мм.
  • Ширина 3380 мм.
  • Высота 200 мм.
  • Вес 5050 кг.
  • Объем бетона 2,02 м3
  • Геометрический объем 2,0212 м3
Цена: 39188 руб.
Подробнее
П 26-3 а
Плиты перекрытия лотков П серия 3.006.1-2/87
  • Длина 2990 мм.
  • Ширина 3380 мм.
  • Высота 200 мм.
  • Вес 5050 кг.
  • Объем бетона 2,02 м3
  • Геометрический объем 2,0212 м3
Цена: 39188 руб.
Подробнее
П 26-3 б
Плиты перекрытия лотков П серия 3.006.1-2/87
  • Длина 2990 мм.
  • Ширина 3380 мм.
  • Высота 200 мм.
  • Вес 5050 кг.
  • Объем бетона 2,02 м3
  • Геометрический объем 2,0212 м3
Цена: 39188 руб.
Подробнее
П 26-5
Плиты перекрытия лотков П серия 3.006.1-2/87
  • Длина 2990 мм.
  • Ширина 3380 мм.
  • Высота 200 мм.
  • Вес 5050 кг.
  • Объем бетона 2,02 м3
  • Геометрический объем 2,0212 м3
Цена: 39188 руб.
Подробнее
П 26-5 а
Плиты перекрытия лотков П серия 3.006.1-2/87
  • Длина 2990 мм.
  • Ширина 3380 мм.
  • Высота 200 мм.
  • Вес 5050 кг.
  • Объем бетона 2,02 м3
  • Геометрический объем 2,0212 м3
Цена: 39188 руб.
Подробнее
П 26д-3
Плиты перекрытия лотков П серия 3.006.1-2/87
  • Длина 740 мм.
  • Ширина 3380 мм.
  • Высота 200 мм.
  • Вес 1250 кг.
  • Объем бетона 0,5 м3
  • Геометрический объем 0,5002 м3
Цена: 9700 руб.
Подробнее
П 26д-3 а
Плиты перекрытия лотков П серия 3.006.1-2/87
  • Длина 740 мм.
  • Ширина 3380 мм.
  • Высота 200 мм.
  • Вес 1250 кг.
  • Объем бетона 0,5 м3
  • Геометрический объем 0,5002 м3
Цена: 9700 руб.
Подробнее
П 26д-3 б
Плиты перекрытия лотков П серия 3.006.1-2/87
  • Длина 740 мм.
  • Ширина 3380 мм.
  • Высота 200 мм.
  • Вес 1250 кг.
  • Объем бетона 0,5 м3
  • Геометрический объем 0,5002 м3
Цена: 9700 руб.
Подробнее
П 26д-5
Плиты перекрытия лотков П серия 3.006.1-2/87
  • Длина 740 мм.
  • Ширина 3380 мм.
  • Высота 200 мм.
  • Вес 1250 кг.
  • Объем бетона 0,5 м3
  • Геометрический объем 0,5002 м3
Цена: 9700 руб.
Подробнее
П 26д-5 а
Плиты перекрытия лотков П серия 3.006.1-2/87
  • Длина 740 мм.
  • Ширина 3380 мм.
  • Высота 200 мм.
  • Вес 1250 кг.
  • Объем бетона 0,5 м3
  • Геометрический объем 0,5002 м3
Цена: 9700 руб.
Подробнее
П 27-8
Плиты перекрытия лотков П серия 3.006.1-2/87
  • Длина 2990 мм.
  • Ширина 3380 мм.
  • Высота 250 мм.
  • Вес 6320 кг.
  • Объем бетона 2,53 м3
  • Геометрический объем 2,5265 м3
Цена: 49082 руб.
Подробнее
П 27д-8
Плиты перекрытия лотков П серия 3.006.1-2/87
  • Длина 740 мм.
  • Ширина 3380 мм.
  • Высота 250 мм.
  • Вес 1560 кг.
  • Объем бетона 0,63 м3
  • Геометрический объем 0,6253 м3
Цена: 12222 руб.
Подробнее
П 27-8 а
Плиты перекрытия лотков П серия 3.006.1-2/87
  • Длина 2990 мм.
  • Ширина 3380 мм.
  • Высота 250 мм.
  • Вес 6320 кг.
  • Объем бетона 2,53 м3
  • Геометрический объем 2,5265 м3
Цена: 49082 руб.
Подробнее
П 28-12
Плиты перекрытия лотков П серия 3.006.1-2/87
  • Длина 2990 мм.
  • Ширина 3380 мм.
  • Высота 300 мм.
  • Вес 7580 кг.
  • Объем бетона 3,03 м3
  • Геометрический объем 3,0319 м3
Цена: 58782 руб.
Подробнее
П 27д-8 а
Плиты перекрытия лотков П серия 3.006.1-2/87
  • Длина 740 мм.
  • Ширина 3380 мм.
  • Высота 250 мм.
  • Вес 1560 кг.
  • Объем бетона 0,63 м3
  • Геометрический объем 0,6253 м3
Цена: 12222 руб.
Подробнее
П 28-12 а
Плиты перекрытия лотков П серия 3.006.1-2/87
  • Длина 2990 мм.
  • Ширина 3380 мм.
  • Высота 300 мм.
  • Вес 7580 кг.
  • Объем бетона 3,03 м3
  • Геометрический объем 3,0319 м3
Цена: 58782 руб.
Подробнее
П 28-15
Плиты перекрытия лотков П серия 3.006.1-2/87
  • Длина 2990 мм.
  • Ширина 3380 мм.
  • Высота 300 мм.
  • Вес 7580 кг.
  • Объем бетона 3,03 м3
  • Геометрический объем 3,0319 м3
Цена: 58782 руб.
Подробнее
П 28-15 а
Плиты перекрытия лотков П серия 3.006.1-2/87
  • Длина 2990 мм.
  • Ширина 3380 мм.
  • Высота 300 мм.
  • Вес 7580 кг.
  • Объем бетона 3,03 м3
  • Геометрический объем 3,0319 м3
Цена: 58782 руб.
Подробнее
П 28д-12
Плиты перекрытия лотков П серия 3.006.1-2/87
  • Длина 740 мм.
  • Ширина 3380 мм.
  • Высота 300 мм.
  • Вес 1880 кг.
  • Объем бетона 0,75 м3
  • Геометрический объем 0,7504 м3
Цена: 14550 руб.
Подробнее
П 28д-12 а
Плиты перекрытия лотков П серия 3.006.1-2/87
  • Длина 740 мм.
  • Ширина 3380 мм.
  • Высота 300 мм.
  • Вес 1880 кг.
  • Объем бетона 0,75 м3
  • Геометрический объем 0,7504 м3
Цена: 14550 руб.
Подробнее
П 28д-15 а
Плиты перекрытия лотков П серия 3.006.1-2/87
  • Длина 740 мм.
  • Ширина 3380 мм.
  • Высота 300 мм.
  • Вес 1880 кг.
  • Объем бетона 0,75 м3
  • Геометрический объем 0,7504 м3
Цена: 14550 руб.
Подробнее
П 28д-15
Плиты перекрытия лотков П серия 3.006.1-2/87
  • Длина 740 мм.
  • Ширина 3380 мм.
  • Высота 300 мм.
  • Вес 1880 кг.
  • Объем бетона 0,75 м3
  • Геометрический объем 0,7504 м3
Цена: 14550 руб.
Подробнее
П 2д-8
Плиты перекрытия лотков П серия 3.006.1-2/87
  • Длина 740 мм.
  • Ширина 400 мм.
  • Высота 60 мм.
  • Вес 72 кг.
  • Объем бетона 0,028 м3
  • Геометрический объем 0,0178 м3
Цена: 543 руб.
Подробнее
П 3-5
Плиты перекрытия лотков П серия 3.006.1-2/87
  • Длина 740 мм.
  • Ширина 570 мм.
  • Высота 50 мм.
  • Вес 50 кг.
  • Объем бетона 0,02 м3
  • Геометрический объем 0,0211 м3
Цена: 388 руб.
Подробнее
П 3-15 б
Плиты перекрытия лотков П серия 3.006.1-2/87
  • Длина 740 мм.
  • Ширина 570 мм.
  • Высота 50 мм.
  • Вес 50 кг.
  • Объем бетона 0,02 м3
  • Геометрический объем 0,0211 м3
Цена: 388 руб.
Подробнее
П 3-5 а
Плиты перекрытия лотков П серия 3.006.1-2/87
  • Длина 740 мм.
  • Ширина 570 мм.
  • Высота 50 мм.
  • Вес 50 кг.
  • Объем бетона 0,02 м3
  • Геометрический объем 0,0211 м3
Цена: 388 руб.
Подробнее
П 3-8 а
Плиты перекрытия лотков П серия 3.006.1-2/87
  • Длина 740 мм.
  • Ширина 570 мм.
  • Высота 50 мм.
  • Вес 50 кг.
  • Объем бетона 0,02 м3
  • Геометрический объем 0,0211 м3
Цена: 388 руб.
Подробнее
П 3-8
Плиты перекрытия лотков П серия 3.006.1-2/87
  • Длина 740 мм.
  • Ширина 570 мм.
  • Высота 50 мм.
  • Вес 50 кг.
  • Объем бетона 0,02 м3
  • Геометрический объем 0,0211 м3
Цена: 388 руб.
Подробнее
П 4-15
Плиты перекрытия лотков П серия 3.006.1-2/87
  • Длина 2990 мм.
  • Ширина 570 мм.
  • Высота 100 мм.
  • Вес 4250 кг.
  • Объем бетона 0,17 м3
  • Геометрический объем 0,1704 м3
Цена: 3298 руб.
Подробнее
П 4-15 а
Плиты перекрытия лотков П серия 3.006.1-2/87
  • Длина 740 мм.
  • Ширина 570 мм.
  • Высота 100 мм.
  • Вес 110 кг.
  • Объем бетона 0,04 м3
  • Геометрический объем 0,0422 м3
Цена: 776 руб.
Подробнее
П 4-15 б
Плиты перекрытия лотков П серия 3.006.1-2/87
  • Длина 740 мм.
  • Ширина 570 мм.
  • Высота 100 мм.
  • Вес 110 кг.
  • Объем бетона 0,04 м3
  • Геометрический объем 0,0422 м3
Цена: 776 руб.
Подробнее
П 5-5
Плиты перекрытия лотков П серия 3.006.1-2/87
  • Длина 2990 мм.
  • Ширина 780 мм.
  • Высота 70 мм.
  • Вес 410 кг.
  • Объем бетона 0,16 м3
  • Геометрический объем 0,1633 м3
Цена: 3104 руб.
Подробнее
П 4д-15
Плиты перекрытия лотков П серия 3.006.1-2/87
  • Длина 740 мм.
  • Ширина 570 мм.
  • Высота 100 мм.
  • Вес 110 кг.
  • Объем бетона 0,04 м3
  • Геометрический объем 0,0422 м3
Цена: 776 руб.
Подробнее
П 5-5 а
Плиты перекрытия лотков П серия 3.006.1-2/87
  • Длина 2990 мм.
  • Ширина 780 мм.
  • Высота 70 мм.
  • Вес 410 кг.
  • Объем бетона 0,16 м3
  • Геометрический объем 0,1633 м3
Цена: 3104 руб.
Подробнее
П 5-8 а
Плиты перекрытия лотков П серия 3.006.1-2/87
  • Длина 2990 мм.
  • Ширина 780 мм.
  • Высота 70 мм.
  • Вес 410 кг.
  • Объем бетона 0,16 м3
  • Геометрический объем 0,1633 м3
Цена: 3104 руб.
Подробнее
П 5-8 б
Плиты перекрытия лотков П серия 3.006.1-2/87
  • Длина 2990 мм.
  • Ширина 780 мм.
  • Высота 70 мм.
  • Вес 410 кг.
  • Объем бетона 0,16 м3
  • Геометрический объем 0,1633 м3
Цена: 3104 руб.
Подробнее
П 5-8
Плиты перекрытия лотков П серия 3.006.1-2/87
  • Длина 2990 мм.
  • Ширина 780 мм.
  • Высота 70 мм.
  • Вес 410 кг.
  • Объем бетона 0,16 м3
  • Геометрический объем 0,1633 м3
Цена: 3104 руб.
Подробнее
П 5-8/2
Плиты перекрытия лотков П серия 3.006.1-2/87
  • Длина 1490 мм.
  • Ширина 780 мм.
  • Высота 70 мм.
  • Вес 200 кг.
  • Объем бетона 0,08 м3
  • Геометрический объем 0,0814 м3
Цена: 1552 руб.
Подробнее
П 5д-5
Плиты перекрытия лотков П серия 3.006.1-2/87
  • Длина 740 мм.
  • Ширина 780 мм.
  • Высота 70 мм.
  • Вес 100 кг.
  • Объем бетона 0,04 м3
  • Геометрический объем 0,0404 м3
Цена: 776 руб.
Подробнее
П 5-8/2
Плиты перекрытия лотков П серия 3.006.1-2/87
  • Длина 1480 мм.
  • Ширина 780 мм.
  • Высота 100 мм.
  • Вес 280 кг.
  • Объем бетона 0,012 м3
  • Геометрический объем 0,1154 м3
Цена: 233 руб.
Подробнее
П 5д-5 а
Плиты перекрытия лотков П серия 3.006.1-2/87
  • Длина 740 мм.
  • Ширина 780 мм.
  • Высота 70 мм.
  • Вес 100 кг.
  • Объем бетона 0,04 м3
  • Геометрический объем 0,0404 м3
Цена: 776 руб.
Подробнее
П 5д-8
Плиты перекрытия лотков П серия 3.006.1-2/87
  • Длина 740 мм.
  • Ширина 780 мм.
  • Высота 70 мм.
  • Вес 100 кг.
  • Объем бетона 0,04 м3
  • Геометрический объем 0,0404 м3
Цена: 776 руб.
Подробнее
П 5д-8 а
Плиты перекрытия лотков П серия 3.006.1-2/87
  • Длина 740 мм.
  • Ширина 780 мм.
  • Высота 70 мм.
  • Вес 100 кг.
  • Объем бетона 0,04 м3
  • Геометрический объем 0,0404 м3
Цена: 776 руб.
Подробнее
П 5д-8 б
Плиты перекрытия лотков П серия 3.006.1-2/87
  • Длина 740 мм.
  • Ширина 780 мм.
  • Высота 70 мм.
  • Вес 100 кг.
  • Объем бетона 0,04 м3
  • Геометрический объем 0,0404 м3
Цена: 776 руб.
Подробнее
П 6-15
Плиты перекрытия лотков П серия 3.006.1-2/87
  • Длина 2990 мм.
  • Ширина 780 мм.
  • Высота 120 мм.
  • Вес 700 кг.
  • Объем бетона 0,28 м3
  • Геометрический объем 0,2799 м3
Цена: 5432 руб.
Подробнее
П 6-15 а
Плиты перекрытия лотков П серия 3.006.1-2/87
  • Длина 2990 мм.
  • Ширина 780 мм.
  • Высота 120 мм.
  • Вес 700 кг.
  • Объем бетона 0,28 м3
  • Геометрический объем 0,2799 м3
Цена: 5432 руб.
Подробнее
П 6-15 б
Плиты перекрытия лотков П серия 3.006.1-2/87
  • Длина 2990 мм.
  • Ширина 780 мм.
  • Высота 120 мм.
  • Вес 700 кг.
  • Объем бетона 0,28 м3
  • Геометрический объем 0,2799 м3
Цена: 5432 руб.
Подробнее
П 6-15/2
Плиты перекрытия лотков П серия 3.006.1-2/87
  • Длина 1480 мм.
  • Ширина 780 мм.
  • Высота 120 мм.
  • Вес 350 кг.
  • Объем бетона 0,14 м3
  • Геометрический объем 0,1385 м3
Цена: 2716 руб.
Подробнее
П 6д-15
Плиты перекрытия лотков П серия 3.006.1-2/87
  • Длина 740 мм.
  • Ширина 780 мм.
  • Высота 120 мм.
  • Вес 170 кг.
  • Объем бетона 0,07 м3
  • Геометрический объем 0,0693 м3
Цена: 1358 руб.
Подробнее
П 6д-15 а
Плиты перекрытия лотков П серия 3.006.1-2/87
  • Длина 740 мм.
  • Ширина 780 мм.
  • Высота 120 мм.
  • Вес 170 кг.
  • Объем бетона 0,07 м3
  • Геометрический объем 0,0693 м3
Цена: 1358 руб.
Подробнее
П 6д-15 б
Плиты перекрытия лотков П серия 3.006.1-2/87
  • Длина 740 мм.
  • Ширина 780 мм.
  • Высота 120 мм.
  • Вес 170 кг.
  • Объем бетона 0,07 м3
  • Геометрический объем 0,0693 м3
Цена: 1358 руб.
Подробнее
П 7-3
Плиты перекрытия лотков П серия 3.006.1-2/87
  • Длина 2990 мм.
  • Ширина 1160 мм.
  • Высота 70 мм.
  • Вес 610 кг.
  • Объем бетона 0,24 м3
  • Геометрический объем 0,2428 м3
Цена: 4656 руб.
Подробнее
П 7-3 а
Плиты перекрытия лотков П серия 3.006.1-2/87
  • Длина 2990 мм.
  • Ширина 1160 мм.
  • Высота 70 мм.
  • Вес 610 кг.
  • Объем бетона 0,24 м3
  • Геометрический объем 0,2428 м3
Цена: 4656 руб.
Подробнее
П 7-5
Плиты перекрытия лотков П серия 3.006.1-2/87
  • Длина 2990 мм.
  • Ширина 1160 мм.
  • Высота 70 мм.
  • Вес 610 кг.
  • Объем бетона 0,24 м3
  • Геометрический объем 0,2428 м3
Цена: 4656 руб.
Подробнее
П 7-5 а
Плиты перекрытия лотков П серия 3.006.1-2/87
  • Длина 2990 мм.
  • Ширина 1160 мм.
  • Высота 70 мм.
  • Вес 610 кг.
  • Объем бетона 0,24 м3
  • Геометрический объем 0,2428 м3
Цена: 4656 руб.
Подробнее
П 7д-3
Плиты перекрытия лотков П серия 3.006.1-2/87
  • Длина 740 мм.
  • Ширина 1160 мм.
  • Высота 70 мм.
  • Вес 150 кг.
  • Объем бетона 0,06 м3
  • Геометрический объем 0,0601 м3
Цена: 1164 руб.
Подробнее
П 7д-3 а
Плиты перекрытия лотков П серия 3.006.1-2/87
  • Длина 740 мм.
  • Ширина 1160 мм.
  • Высота 70 мм.
  • Вес 150 кг.
  • Объем бетона 0,06 м3
  • Геометрический объем 0,0601 м3
Цена: 1164 руб.
Подробнее
П 7-5 б
Плиты перекрытия лотков П серия 3.006.1-2/87
  • Длина 2990 мм.
  • Ширина 1160 мм.
  • Высота 70 мм.
  • Вес 610 кг.
  • Объем бетона 0,24 м3
  • Геометрический объем 0,2428 м3
Цена: 4656 руб.
Подробнее
П 7д-5 б
Плиты перекрытия лотков П серия 3.006.1-2/87
  • Длина 740 мм.
  • Ширина 1160 мм.
  • Высота 70 мм.
  • Вес 150 кг.
  • Объем бетона 0,06 м3
  • Геометрический объем 0,0601 м3
Цена: 1164 руб.
Подробнее

Уведомление о файлах cookie

Мы используем файлы cookie для улучшения вашего опыта просмотра и анализа трафика. Нажимая "Принять все", вы соглашаетесь с нашей политикой конфиденциальности и политикой обработки файлов cookie.

MAX Дзен Телеграм Вконтакте vk