mobile_sound +7 (930) 655-55-90

Типовые конструкции и железобетонные изделия. Рабочие чертежи (Серия ИИ 03-02)

Поделиться:
Поделиться:

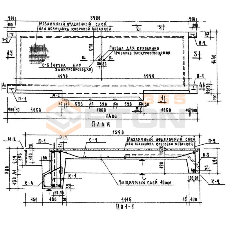
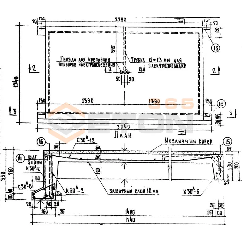
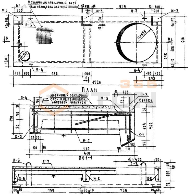
Документ Серия ИИ 03-02 описывает область применения, номенклатуру и ключевые требования, опираясь на действующие нормы и практику проектирования. Серия ИИ 03-02 является крупным нормативным документом, охватывающим большое количество индустриальных изделия и конструкции, используемых в сфере гражданского строительства. В составе регламента масса выпусков, каждый из которых предназначен для отражения определенного информационного блока, направленного на максимально эффективное производство различных изделия и конструкции. Для этих целей приведены опалубочные и арматурные чертежи, технические условия, инструкции по проектированию, расчеты величин несущих способностей, правила контроля, приемки и паспортизации.

Файлы для скачивания:
picture_as_pdf

370.pdf

3,189.6 KB

скачать
picture_as_pdf

398.pdf

4,391.5 KB

скачать
picture_as_pdf

399.pdf

4,548.0 KB

скачать
picture_as_pdf

400.pdf

15,288.0 KB

скачать
picture_as_pdf

401.pdf

13,645.2 KB

скачать
picture_as_pdf

402.pdf

11,172.3 KB

скачать
picture_as_pdf

403.pdf

17,088.9 KB

скачать
picture_as_pdf

404.pdf

7,281.0 KB

скачать
picture_as_pdf

405.pdf

9,400.8 KB

скачать
picture_as_pdf

4588.pdf

1,148.3 KB

скачать
picture_as_pdf

406.pdf

8,049.9 KB

скачать
picture_as_pdf

407.pdf

5,302.9 KB

скачать
picture_as_pdf

373.pdf

6,358.7 KB

скачать
picture_as_pdf

378.pdf

3,479.2 KB

скачать
picture_as_pdf

379.pdf

4,579.9 KB

скачать
picture_as_pdf

381.pdf

12,613.5 KB

скачать
picture_as_pdf

382.pdf

16,141.5 KB

скачать
picture_as_pdf

384.pdf

3,362.0 KB

скачать
picture_as_pdf

388.pdf

8,107.5 KB

скачать
picture_as_pdf

389.pdf

7,862.6 KB

скачать
picture_as_pdf

390.pdf

5,084.1 KB

скачать
picture_as_pdf

391.pdf

5,329.9 KB

скачать
picture_as_pdf

392.pdf

7,221.3 KB

скачать
picture_as_pdf

393.pdf

7,067.9 KB

скачать
picture_as_pdf

394.pdf

11,302.3 KB

скачать
picture_as_pdf

395.pdf

3,525.6 KB

скачать
picture_as_pdf

396.pdf

2,943.9 KB

скачать
picture_as_pdf

397.pdf

11,937.3 KB

скачать
picture_as_pdf

374.pdf

9,959.5 KB

скачать
picture_as_pdf

375.pdf

2,820.0 KB

скачать
picture_as_pdf

377.pdf

6,085.3 KB

скачать
picture_as_pdf

4585.pdf

4,585.6 KB

скачать
picture_as_pdf

372.pdf

4,005.0 KB

скачать
picture_as_pdf

376.pdf

2,871.0 KB

скачать
picture_as_pdf

380.pdf

2,068.6 KB

скачать
picture_as_pdf

4586.pdf

6,148.5 KB

скачать
picture_as_pdf

4587.pdf

2,398.6 KB

скачать
picture_as_pdf

383.pdf

8,594.2 KB

скачать
picture_as_pdf

371.pdf

2,652.3 KB

скачать
picture_as_pdf

385.pdf

5,917.9 KB

скачать
picture_as_pdf

386.pdf

3,188.9 KB

скачать
picture_as_pdf

387.pdf

2,890.8 KB

скачать
Товары Серия ИИ 03-02 (60)
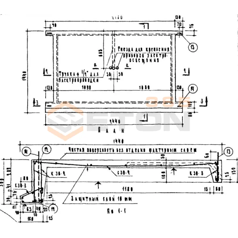
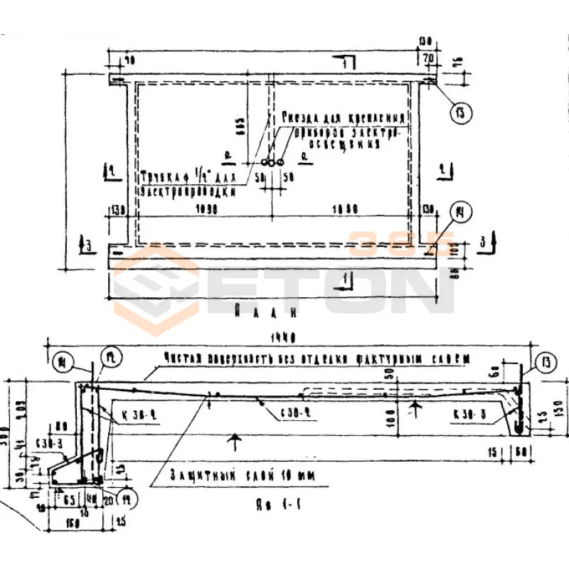
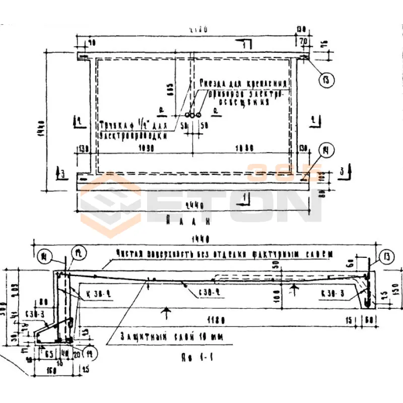
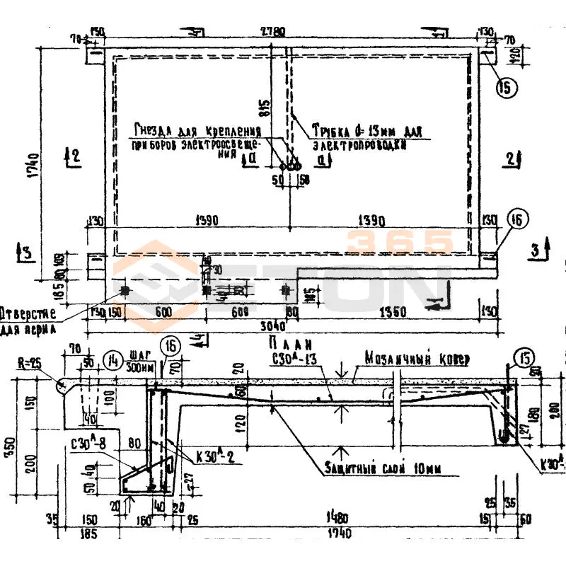
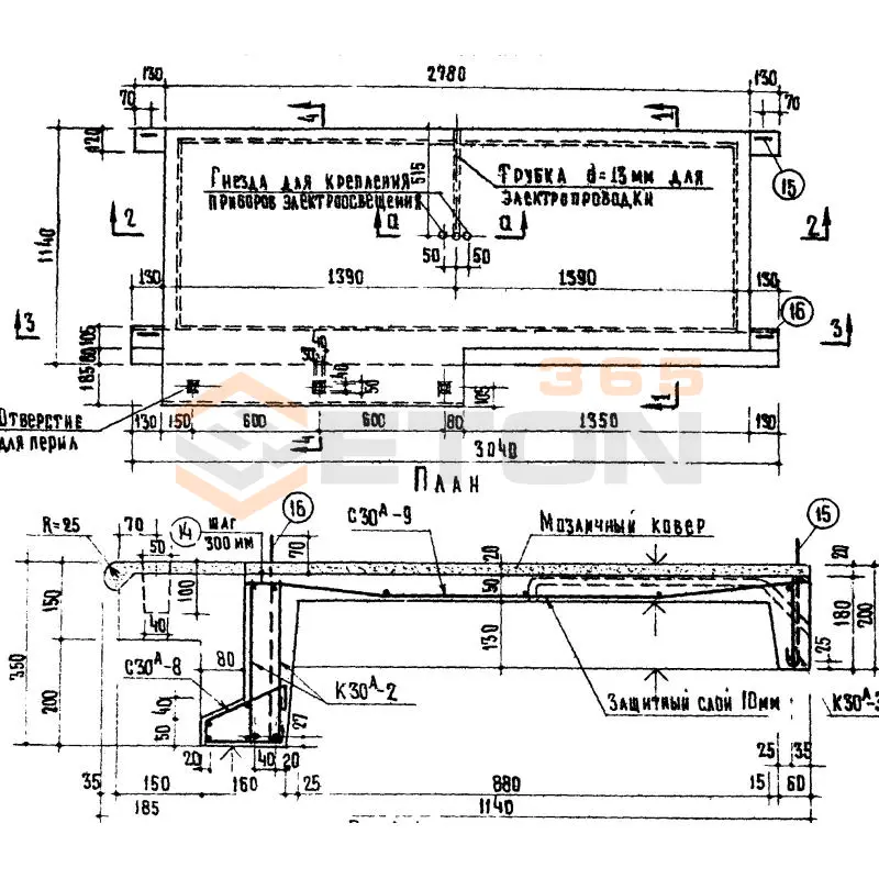
ЛП 22-16
Лестничные площадки Серия ИИ 03-02 Альбом 30-64, Альбом 30А, Альбом 65
  • Длина 2440 мм.
  • Ширина 1440 мм.
  • Высота 300 мм.
  • Вес 632,5 кг.
  • Объем бетона 0,253 м3
  • Геометрический объем 1,0541 м3
Цена: 5644 руб.
Подробнее
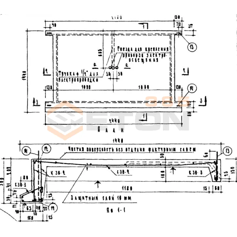
ЛП 17-6
Лестничные площадки Серия ИИ 03-02 Альбом 30-64, Альбом 30А, Альбом 65
  • Длина 1720 мм.
  • Ширина 610 мм.
  • Высота 242 мм.
  • Вес 280 кг.
  • Объем бетона 0,097 м3
  • Геометрический объем 0,2539 м3
Цена: 2164 руб.
Подробнее
ЛП 22-16-1
Лестничные площадки Серия ИИ 03-02 Альбом 30-64, Альбом 30А, Альбом 65
  • Длина 2440 мм.
  • Ширина 905 мм.
  • Высота 300 мм.
  • Вес 397,5 кг.
  • Объем бетона 0,159 м3
  • Геометрический объем 0,6625 м3
Цена: 3547 руб.
Подробнее
ЛП 22-16в
Лестничные площадки Серия ИИ 03-02 Альбом 30-64, Альбом 30А, Альбом 65
  • Длина 2440 мм.
  • Ширина 1440 мм.
  • Высота 300 мм.
  • Вес 760 кг.
  • Объем бетона 0,303 м3
  • Геометрический объем 1,0541 м3
Цена: 6760 руб.
Подробнее
ЛП 22-16 м
Лестничные площадки Серия ИИ 03-02 Альбом 30-64, Альбом 30А, Альбом 65
  • Длина 2440 мм.
  • Ширина 1440 мм.
  • Высота 300 мм.
  • Вес 615 кг.
  • Объем бетона 0,244 м3
  • Геометрический объем 1,0541 м3
Цена: 5444 руб.
Подробнее
ЛП 22-6 м
Лестничные площадки Серия ИИ 03-02 Альбом 30-64, Альбом 30А, Альбом 65
  • Длина 2440 мм.
  • Ширина 590 мм.
  • Высота 150 мм.
  • Вес 240 кг.
  • Объем бетона 0,096 м3
  • Геометрический объем 0,2159 м3
Цена: 2142 руб.
Подробнее
ЛП 24-14
Лестничные площадки Серия ИИ 03-02 Альбом 30-64, Альбом 30А, Альбом 65
  • Длина 2440 мм.
  • Ширина 1440 мм.
  • Высота 300 мм.
  • Вес 775 кг.
  • Объем бетона 0,31 м3
  • Геометрический объем 1,0541 м3
Цена: 6916 руб.
Подробнее
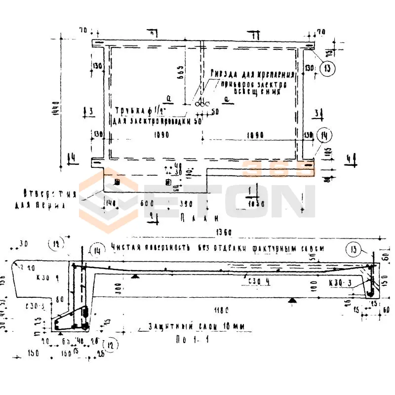
ЛП 28-13
Лестничные площадки Серия ИИ 03-02 Альбом 30-64, Альбом 30А, Альбом 65
  • Длина 3040 мм.
  • Ширина 1140 мм.
  • Высота 350 мм.
  • Вес 860 кг.
  • Объем бетона 0,344 м3
  • Геометрический объем 1,213 м3
Цена: 7675 руб.
Подробнее
ЛП 28-13
Лестничные площадки Серия ИИ 03-02 Альбом 30-64, Альбом 30А, Альбом 65
  • Длина 3040 мм.
  • Ширина 1140 мм.
  • Высота 200 мм.
  • Вес 725 кг.
  • Объем бетона 0,29 м3
  • Геометрический объем 0,6931 м3
Цена: 6470 руб.
Подробнее
ЛП 28-13в
Лестничные площадки Серия ИИ 03-02 Альбом 30-64, Альбом 30А, Альбом 65
  • Длина 3040 мм.
  • Ширина 1140 мм.
  • Высота 350 мм.
  • Вес 1011 кг.
  • Объем бетона 0,865 м3
  • Геометрический объем 1,213 м3
Цена: 19298 руб.
Подробнее
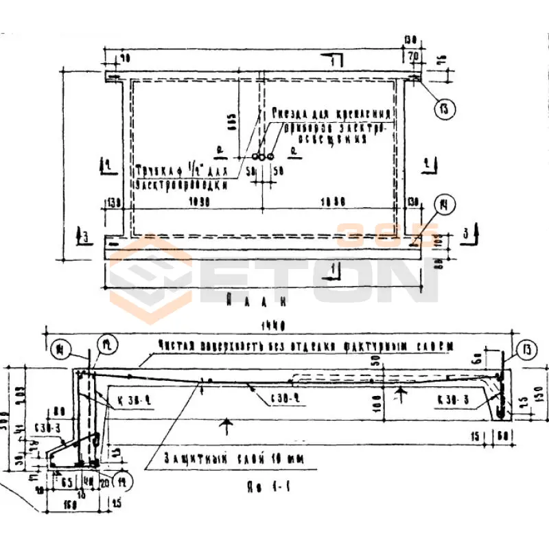
ЛП 28-15
Лестничные площадки Серия ИИ 03-02 Альбом 30-64, Альбом 30А, Альбом 65
  • Длина 3040 мм.
  • Ширина 1340 мм.
  • Высота 350 мм.
  • Вес 959 кг.
  • Объем бетона 0,322 м3
  • Геометрический объем 1,4258 м3
Цена: 7184 руб.
Подробнее
ЛП 28-15в
Лестничные площадки Серия ИИ 03-02 Альбом 30-64, Альбом 30А, Альбом 65
  • Длина 3040 мм.
  • Ширина 1340 мм.
  • Высота 350 мм.
  • Вес 1116 кг.
  • Объем бетона 0,379 м3
  • Геометрический объем 1,4258 м3
Цена: 8455 руб.
Подробнее
ЛП 28-19
Лестничные площадки Серия ИИ 03-02 Альбом 30-64, Альбом 30А, Альбом 65
  • Длина 3040 мм.
  • Ширина 1740 мм.
  • Высота 350 мм.
  • Вес 1262 кг.
  • Объем бетона 0,424 м3
  • Геометрический объем 1,8514 м3
Цена: 9459 руб.
Подробнее
ЛП 28-19в
Лестничные площадки Серия ИИ 03-02 Альбом 30-64, Альбом 30А, Альбом 65
  • Длина 3040 мм.
  • Ширина 1740 мм.
  • Высота 350 мм.
  • Вес 1418 кг.
  • Объем бетона 0,481 м3
  • Геометрический объем 1,8514 м3
Цена: 10731 руб.
Подробнее
ЛП 40-16
Лестничные площадки Серия ИИ 03-02 Альбом 30-64, Альбом 30А, Альбом 65
  • Длина 4400 мм.
  • Ширина 1440 мм.
  • Высота 380 мм.
  • Вес 1940 кг.
  • Объем бетона 0,682 м3
  • Геометрический объем 2,4077 м3
Цена: 15215 руб.
Подробнее
ЛП 40-16-1
Лестничные площадки Серия ИИ 03-02 Альбом 30-64, Альбом 30А, Альбом 65
  • Длина 4400 мм.
  • Ширина 1440 мм.
  • Высота 380 мм.
  • Вес 2120 кг.
  • Объем бетона 0,746 м3
  • Геометрический объем 2,4077 м3
Цена: 16643 руб.
Подробнее
ЛП 40-16-2
Лестничные площадки Серия ИИ 03-02 Альбом 30-64, Альбом 30А, Альбом 65
  • Длина 4400 мм.
  • Ширина 1440 мм.
  • Высота 380 мм.
  • Вес 2130 кг.
  • Объем бетона 0,751 м3
  • Геометрический объем 2,4077 м3
Цена: 16755 руб.
Подробнее
ЛП 40-16-3
Лестничные площадки Серия ИИ 03-02 Альбом 30-64, Альбом 30А, Альбом 65
  • Длина 4400 мм.
  • Ширина 1440 мм.
  • Высота 380 мм.
  • Вес 1990 кг.
  • Объем бетона 0,701 м3
  • Геометрический объем 2,4077 м3
Цена: 15639 руб.
Подробнее
1БГ 15-1
Балки двускатные Серия ИИ 03-02
  • Длина 15000 мм.
  • Ширина 320 мм.
  • Высота 1840 мм.
  • Вес 7900 кг.
  • Объем бетона 3,14 м3
  • Геометрический объем 8,832 м3
Цена: 121832 руб.
Подробнее
1БГ 15-2
Балки двускатные Серия ИИ 03-02
  • Длина 15000 мм.
  • Ширина 320 мм.
  • Высота 1840 мм.
  • Вес 7900 кг.
  • Объем бетона 3,14 м3
  • Геометрический объем 8,832 м3
Цена: 121832 руб.
Подробнее
1БГП 15-1
Балки двускатные Серия ИИ 03-02
  • Длина 15000 мм.
  • Ширина 320 мм.
  • Высота 1840 мм.
  • Вес 7900 кг.
  • Объем бетона 3,14 м3
  • Геометрический объем 8,832 м3
Цена: 121832 руб.
Подробнее
1БГП 15-2
Балки двускатные Серия ИИ 03-02
  • Длина 15000 мм.
  • Ширина 320 мм.
  • Высота 1840 мм.
  • Вес 7900 кг.
  • Объем бетона 3,14 м3
  • Геометрический объем 8,832 м3
Цена: 121832 руб.
Подробнее
2БГ 15-2
Балки двускатные Серия ИИ 03-02
  • Длина 15000 мм.
  • Ширина 320 мм.
  • Высота 1840 мм.
  • Вес 7900 кг.
  • Объем бетона 3,14 м3
  • Геометрический объем 8,832 м3
Цена: 121832 руб.
Подробнее
2БГ 15-1
Балки двускатные Серия ИИ 03-02
  • Длина 15000 мм.
  • Ширина 320 мм.
  • Высота 1840 мм.
  • Вес 7900 кг.
  • Объем бетона 3,14 м3
  • Геометрический объем 8,832 м3
Цена: 121832 руб.
Подробнее
2БГП 15-1
Балки двускатные Серия ИИ 03-02
  • Длина 15000 мм.
  • Ширина 320 мм.
  • Высота 1840 мм.
  • Вес 7900 кг.
  • Объем бетона 3,14 м3
  • Геометрический объем 8,832 м3
Цена: 121832 руб.
Подробнее
2БГП 15-2
Балки двускатные Серия ИИ 03-02
  • Длина 15000 мм.
  • Ширина 320 мм.
  • Высота 1840 мм.
  • Вес 7900 кг.
  • Объем бетона 3,14 м3
  • Геометрический объем 8,832 м3
Цена: 121832 руб.
Подробнее
3БГ 15-1
Балки двускатные Серия ИИ 03-02
  • Длина 15000 мм.
  • Ширина 320 мм.
  • Высота 1840 мм.
  • Вес 7900 кг.
  • Объем бетона 3,14 м3
  • Геометрический объем 8,832 м3
Цена: 121832 руб.
Подробнее
3БГ 15-2
Балки двускатные Серия ИИ 03-02
  • Длина 15000 мм.
  • Ширина 320 мм.
  • Высота 1840 мм.
  • Вес 7900 кг.
  • Объем бетона 3,14 м3
  • Геометрический объем 8,832 м3
Цена: 121832 руб.
Подробнее
3БГП 15-1
Балки двускатные Серия ИИ 03-02
  • Длина 15000 мм.
  • Ширина 320 мм.
  • Высота 1840 мм.
  • Вес 7900 кг.
  • Объем бетона 3,14 м3
  • Геометрический объем 8,832 м3
Цена: 121832 руб.
Подробнее
3БГП 15-2
Балки двускатные Серия ИИ 03-02
  • Длина 15000 мм.
  • Ширина 320 мм.
  • Высота 1840 мм.
  • Вес 7900 кг.
  • Объем бетона 3,14 м3
  • Геометрический объем 8,832 м3
Цена: 121832 руб.
Подробнее
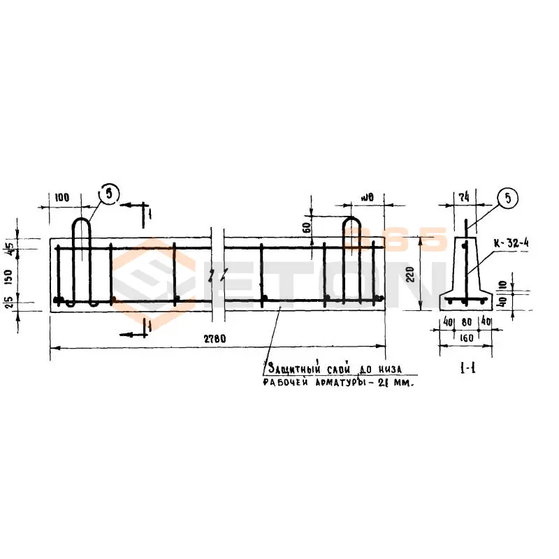
КБ 32
Балки подкосоурные Серия ИИ 03-02
  • Длина 3200 мм.
  • Ширина 180 мм.
  • Высота 340 мм.
  • Вес 460 кг.
  • Объем бетона 0,184 м3
  • Геометрический объем 0,1958 м3
Цена: 7853 руб.
Подробнее
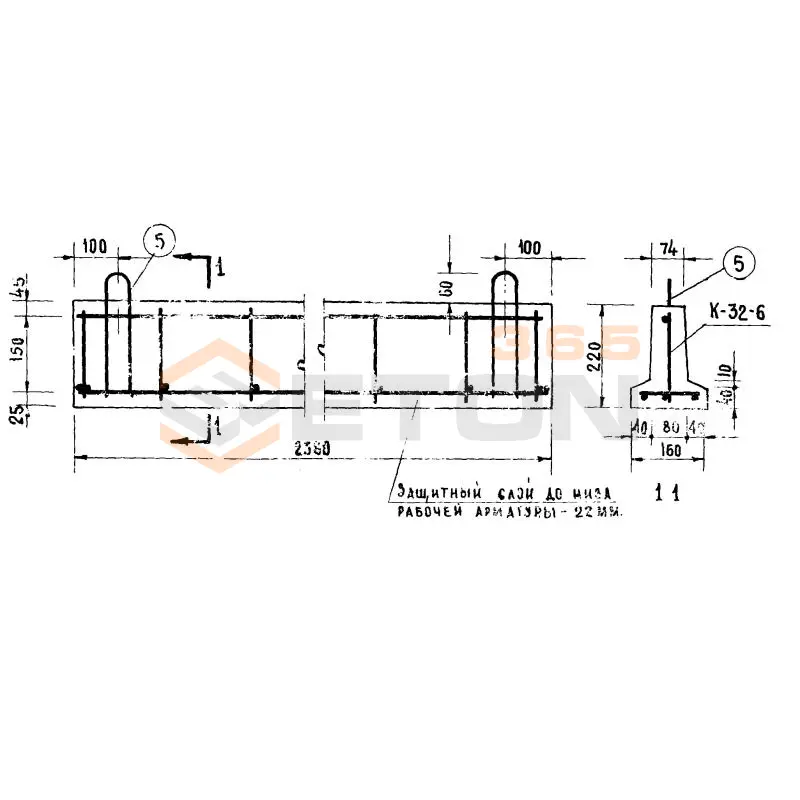
БТ 24
Балки тавровые Серия ИИ 03-02 Альбом 16
  • Длина 2380 мм.
  • Ширина 160 мм.
  • Высота 220 мм.
  • Вес 123 кг.
  • Объем бетона 0,049 м3
  • Геометрический объем 0,0838 м3
Цена: 3584 руб.
Подробнее
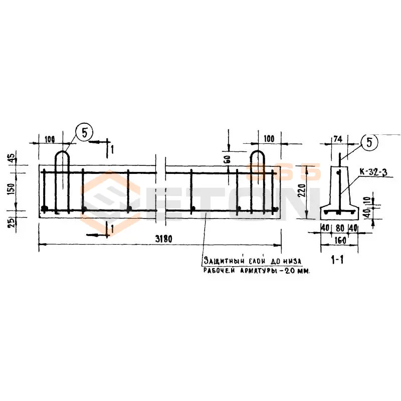
БТ 32
Балки тавровые Серия ИИ 03-02 Альбом 16
  • Длина 3180 мм.
  • Ширина 160 мм.
  • Высота 220 мм.
  • Вес 175 кг.
  • Объем бетона 0,07 м3
  • Геометрический объем 0,1119 м3
Цена: 5120 руб.
Подробнее
БТ 26
Балки тавровые Серия ИИ 03-02 Альбом 16
  • Длина 2580 мм.
  • Ширина 160 мм.
  • Высота 220 мм.
  • Вес 135 кг.
  • Объем бетона 0,054 м3
  • Геометрический объем 0,0908 м3
Цена: 3949 руб.
Подробнее
БТ 28
Балки тавровые Серия ИИ 03-02 Альбом 16
  • Длина 2780 мм.
  • Ширина 160 мм.
  • Высота 220 мм.
  • Вес 143 кг.
  • Объем бетона 0,057 м3
  • Геометрический объем 0,0979 м3
Цена: 4169 руб.
Подробнее
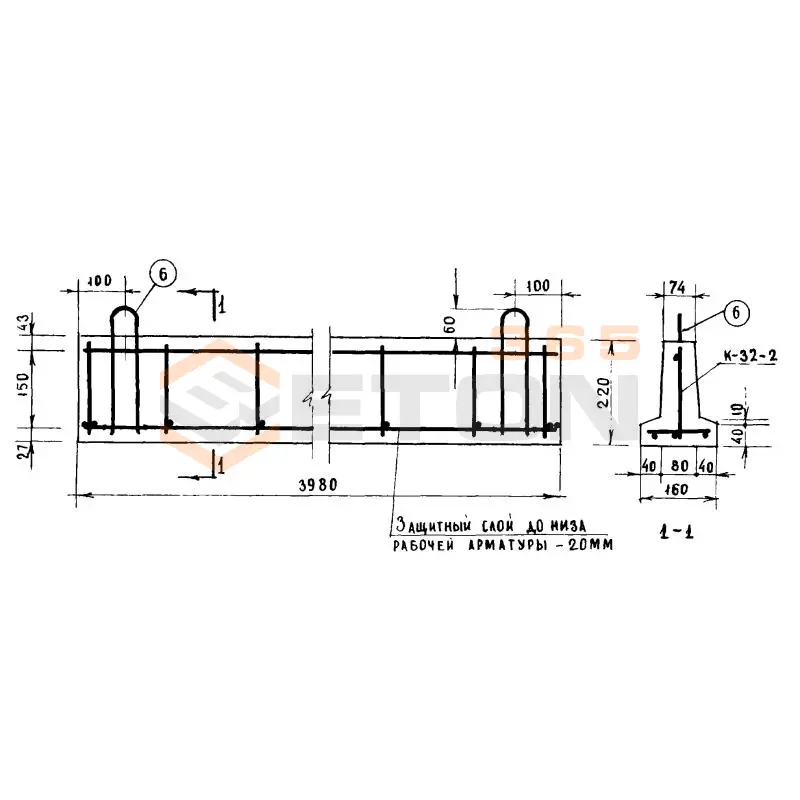
БТ 40
Балки тавровые Серия ИИ 03-02 Альбом 16
  • Длина 3980 мм.
  • Ширина 160 мм.
  • Высота 220 мм.
  • Вес 205 кг.
  • Объем бетона 0,081 м3
  • Геометрический объем 0,1401 м3
Цена: 5924 руб.
Подробнее
БТ 48
Балки тавровые Серия ИИ 03-02 Альбом 16
  • Длина 4780 мм.
  • Ширина 160 мм.
  • Высота 260 мм.
  • Вес 2820 кг.
  • Объем бетона 0,113 м3
  • Геометрический объем 0,1988 м3
Цена: 8265 руб.
Подробнее
БТ 60
Балки тавровые Серия ИИ 03-02 Альбом 16
  • Длина 5980 мм.
  • Ширина 160 мм.
  • Высота 260 мм.
  • Вес 353 кг.
  • Объем бетона 0,141 м3
  • Геометрический объем 0,2488 м3
Цена: 10312 руб.
Подробнее
СПМ 6
Блоки подколонные стеновые Серия ИИ 03-02
  • Длина 2380 мм.
  • Ширина 600 мм.
  • Высота 580 мм.
  • Вес 2043 кг.
  • Объем бетона 0,817 м3
  • Геометрический объем 0,8282 м3
Цена: 7925 руб.
Подробнее
Ф 10/2
Блоки фундаментные Серия ИИ 03-02 Альбом 1-64
  • Длина 1000 мм.
  • Ширина 1180 мм.
  • Высота 300 мм.
  • Вес 750 кг.
  • Объем бетона 0,3 м3
  • Геометрический объем 0,354 м3
Цена: 4947 руб.
Подробнее
Ф 10
Блоки фундаментные Серия ИИ 03-02 Альбом 1-64
  • Длина 1000 мм.
  • Ширина 2380 мм.
  • Высота 300 мм.
  • Вес 1525 кг.
  • Объем бетона 0,61 м3
  • Геометрический объем 0,714 м3
Цена: 10059 руб.
Подробнее
Ф 12
Блоки фундаментные Серия ИИ 03-02 Альбом 1-64
  • Длина 1200 мм.
  • Ширина 2380 мм.
  • Высота 300 мм.
  • Вес 1750 кг.
  • Объем бетона 0,7 м3
  • Геометрический объем 0,8568 м3
Цена: 11543 руб.
Подробнее
Ф 12/2
Блоки фундаментные Серия ИИ 03-02 Альбом 1-64
  • Длина 1200 мм.
  • Ширина 1180 мм.
  • Высота 300 мм.
  • Вес 866 кг.
  • Объем бетона 0,347 м3
  • Геометрический объем 0,4248 м3
Цена: 5722 руб.
Подробнее
Ф 14
Блоки фундаментные Серия ИИ 03-02 Альбом 1-64
  • Длина 1400 мм.
  • Ширина 2380 мм.
  • Высота 300 мм.
  • Вес 2180 кг.
  • Объем бетона 0,84 м3
  • Геометрический объем 0,9996 м3
Цена: 13852 руб.
Подробнее
Ф 14/2
Блоки фундаментные Серия ИИ 03-02 Альбом 1-64
  • Длина 1400 мм.
  • Ширина 1180 мм.
  • Высота 300 мм.
  • Вес 1040 кг.
  • Объем бетона 0,416 м3
  • Геометрический объем 0,4956 м3
Цена: 6860 руб.
Подробнее
Ф 16/2
Блоки фундаментные Серия ИИ 03-02 Альбом 1-64
  • Длина 1600 мм.
  • Ширина 1180 мм.
  • Высота 300 мм.
  • Вес 1200 кг.
  • Объем бетона 0,48 м3
  • Геометрический объем 0,5664 м3
Цена: 7915 руб.
Подробнее
Ф 20
Блоки фундаментные Серия ИИ 03-02 Альбом 1-64
  • Длина 2000 мм.
  • Ширина 1180 мм.
  • Высота 400 мм.
  • Вес 1900 кг.
  • Объем бетона 0,76 м3
  • Геометрический объем 0,944 м3
Цена: 12532 руб.
Подробнее
Ф 16
Блоки фундаментные Серия ИИ 03-02 Альбом 1-64
  • Длина 1600 мм.
  • Ширина 2380 мм.
  • Высота 300 мм.
  • Вес 2430 кг.
  • Объем бетона 0,97 м3
  • Геометрический объем 1,1424 м3
Цена: 15995 руб.
Подробнее
Ф 24
Блоки фундаментные Серия ИИ 03-02 Альбом 1-64
  • Длина 2400 мм.
  • Ширина 1180 мм.
  • Высота 400 мм.
  • Вес 2230 кг.
  • Объем бетона 0,89 м3
  • Геометрический объем 1,1328 м3
Цена: 14676 руб.
Подробнее
ФП 8
Блоки фундаментные Серия ИИ 03-02 Альбом 1-64
  • Длина 1180 мм.
  • Ширина 800 мм.
  • Высота 300 мм.
  • Вес 648 кг.
  • Объем бетона 0,27 м3
  • Геометрический объем 0,2832 м3
Цена: 4452 руб.
Подробнее
СП 5 с
Блоки фундаментные сплошные ФБС Серия ИИ 03-02
  • Длина 2380 мм.
  • Ширина 500 мм.
  • Высота 580 мм.
  • Вес 1630 кг.
  • Объем бетона 0,679 м3
  • Геометрический объем 0,6902 м3
Цена: 6257 руб.
Подробнее
СП 3 с
Блоки фундаментные сплошные ФБС Серия ИИ 03-02
  • Длина 2380 мм.
  • Ширина 300 мм.
  • Высота 580 мм.
  • Вес 975 кг.
  • Объем бетона 0,407 м3
  • Геометрический объем 0,4141 м3
Цена: 3751 руб.
Подробнее
СП 4 с
Блоки фундаментные сплошные ФБС Серия ИИ 03-02
  • Длина 2380 мм.
  • Ширина 400 мм.
  • Высота 580 мм.
  • Вес 1300 кг.
  • Объем бетона 0,542 м3
  • Геометрический объем 0,5522 м3
Цена: 4995 руб.
Подробнее
СП 6 с
Блоки фундаментные сплошные ФБС Серия ИИ 03-02
  • Длина 2380 мм.
  • Ширина 600 мм.
  • Высота 580 мм.
  • Вес 1960 кг.
  • Объем бетона 0,817 м3
  • Геометрический объем 0,8282 м3
Цена: 7529 руб.
Подробнее
СПД 3 с
Блоки фундаментные сплошные ФБС Серия ИИ 03-02
  • Длина 780 мм.
  • Ширина 300 мм.
  • Высота 580 мм.
  • Вес 305 кг.
  • Объем бетона 0,128 м3
  • Геометрический объем 0,1357 м3
Цена: 1180 руб.
Подробнее
СПД 4 с
Блоки фундаментные сплошные ФБС Серия ИИ 03-02
  • Длина 780 мм.
  • Ширина 400 мм.
  • Высота 580 мм.
  • Вес 413 кг.
  • Объем бетона 0,172 м3
  • Геометрический объем 0,181 м3
Цена: 1585 руб.
Подробнее
СПД 5 с
Блоки фундаментные сплошные ФБС Серия ИИ 03-02
  • Длина 780 мм.
  • Ширина 500 мм.
  • Высота 580 мм.
  • Вес 520 кг.
  • Объем бетона 0,216 м3
  • Геометрический объем 0,2262 м3
Цена: 1990 руб.
Подробнее
СПД 6 с
Блоки фундаментные сплошные ФБС Серия ИИ 03-02
  • Длина 780 мм.
  • Ширина 600 мм.
  • Высота 580 мм.
  • Вес 618 кг.
  • Объем бетона 0,257 м3
  • Геометрический объем 0,2714 м3
Цена: 2368 руб.
Подробнее
СПД 4-1
Блоки фундаментные сплошные ФБС Серия ИИ 03-02
  • Длина 1180 мм.
  • Ширина 400 мм.
  • Высота 290 мм.
  • Вес 317 кг.
  • Объем бетона 0,132 м3
  • Геометрический объем 0,1369 м3
Цена: 1216 руб.
Подробнее
СПД 5-1
Блоки фундаментные сплошные ФБС Серия ИИ 03-02
  • Длина 1180 мм.
  • Ширина 500 мм.
  • Высота 290 мм.
  • Вес 396 кг.
  • Объем бетона 0,165 м3
  • Геометрический объем 0,1711 м3
Цена: 1520 руб.
Подробнее

Уведомление о файлах cookie

Мы используем файлы cookie для улучшения вашего опыта просмотра и анализа трафика. Нажимая "Принять все", вы соглашаетесь с нашей политикой конфиденциальности и политикой обработки файлов cookie.

MAX Дзен Телеграм Вконтакте vk