mobile_sound +7 (930) 655-55-90

Типовые конструкции и железобетонные изделия. Рабочие чертежи (Серия ИИ 03-02)

Поделиться:
Поделиться:

Документ Серия ИИ 03-02 описывает область применения, номенклатуру и ключевые требования, опираясь на действующие нормы и практику проектирования. Серия ИИ 03-02 является крупным нормативным документом, охватывающим большое количество индустриальных изделия и конструкции, используемых в сфере гражданского строительства. В составе регламента масса выпусков, каждый из которых предназначен для отражения определенного информационного блока, направленного на максимально эффективное производство различных изделия и конструкции. Для этих целей приведены опалубочные и арматурные чертежи, технические условия, инструкции по проектированию, расчеты величин несущих способностей, правила контроля, приемки и паспортизации.

Файлы для скачивания:
picture_as_pdf

370.pdf

3,189.6 KB

скачать
picture_as_pdf

398.pdf

4,391.5 KB

скачать
picture_as_pdf

399.pdf

4,548.0 KB

скачать
picture_as_pdf

400.pdf

15,288.0 KB

скачать
picture_as_pdf

401.pdf

13,645.2 KB

скачать
picture_as_pdf

402.pdf

11,172.3 KB

скачать
picture_as_pdf

403.pdf

17,088.9 KB

скачать
picture_as_pdf

404.pdf

7,281.0 KB

скачать
picture_as_pdf

405.pdf

9,400.8 KB

скачать
picture_as_pdf

4588.pdf

1,148.3 KB

скачать
picture_as_pdf

406.pdf

8,049.9 KB

скачать
picture_as_pdf

407.pdf

5,302.9 KB

скачать
picture_as_pdf

373.pdf

6,358.7 KB

скачать
picture_as_pdf

378.pdf

3,479.2 KB

скачать
picture_as_pdf

379.pdf

4,579.9 KB

скачать
picture_as_pdf

381.pdf

12,613.5 KB

скачать
picture_as_pdf

382.pdf

16,141.5 KB

скачать
picture_as_pdf

384.pdf

3,362.0 KB

скачать
picture_as_pdf

388.pdf

8,107.5 KB

скачать
picture_as_pdf

389.pdf

7,862.6 KB

скачать
picture_as_pdf

390.pdf

5,084.1 KB

скачать
picture_as_pdf

391.pdf

5,329.9 KB

скачать
picture_as_pdf

392.pdf

7,221.3 KB

скачать
picture_as_pdf

393.pdf

7,067.9 KB

скачать
picture_as_pdf

394.pdf

11,302.3 KB

скачать
picture_as_pdf

395.pdf

3,525.6 KB

скачать
picture_as_pdf

396.pdf

2,943.9 KB

скачать
picture_as_pdf

397.pdf

11,937.3 KB

скачать
picture_as_pdf

374.pdf

9,959.5 KB

скачать
picture_as_pdf

375.pdf

2,820.0 KB

скачать
picture_as_pdf

377.pdf

6,085.3 KB

скачать
picture_as_pdf

4585.pdf

4,585.6 KB

скачать
picture_as_pdf

372.pdf

4,005.0 KB

скачать
picture_as_pdf

376.pdf

2,871.0 KB

скачать
picture_as_pdf

380.pdf

2,068.6 KB

скачать
picture_as_pdf

4586.pdf

6,148.5 KB

скачать
picture_as_pdf

4587.pdf

2,398.6 KB

скачать
picture_as_pdf

383.pdf

8,594.2 KB

скачать
picture_as_pdf

371.pdf

2,652.3 KB

скачать
picture_as_pdf

385.pdf

5,917.9 KB

скачать
picture_as_pdf

386.pdf

3,188.9 KB

скачать
picture_as_pdf

387.pdf

2,890.8 KB

скачать
Товары Серия ИИ 03-02 (60)
ПОУ 59-10 АIV
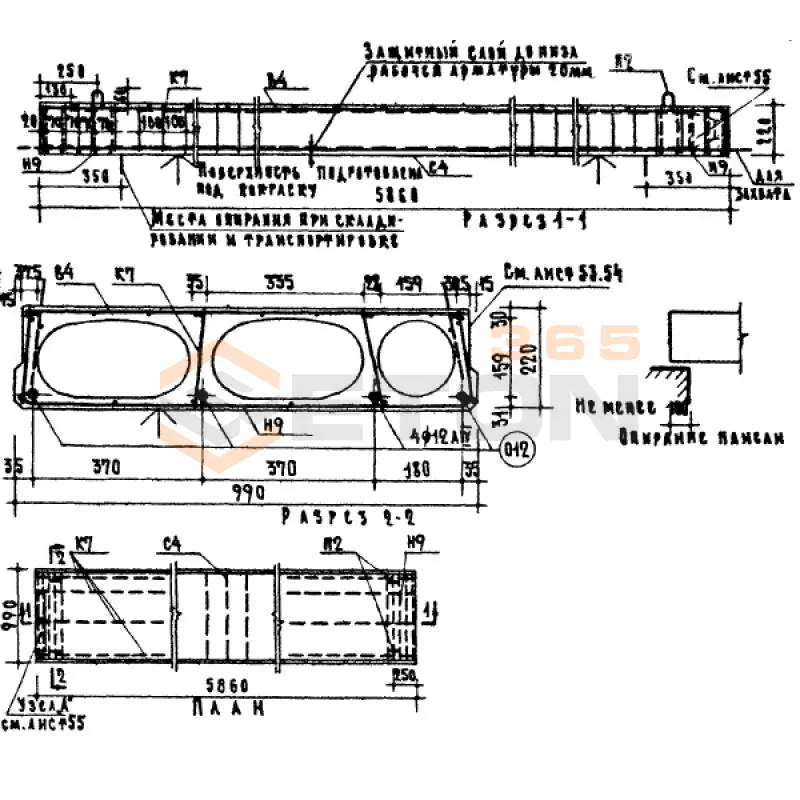
Плиты (панели) перекрытия с овальными пустотами Серия ИИ 03-02 Альбом 102
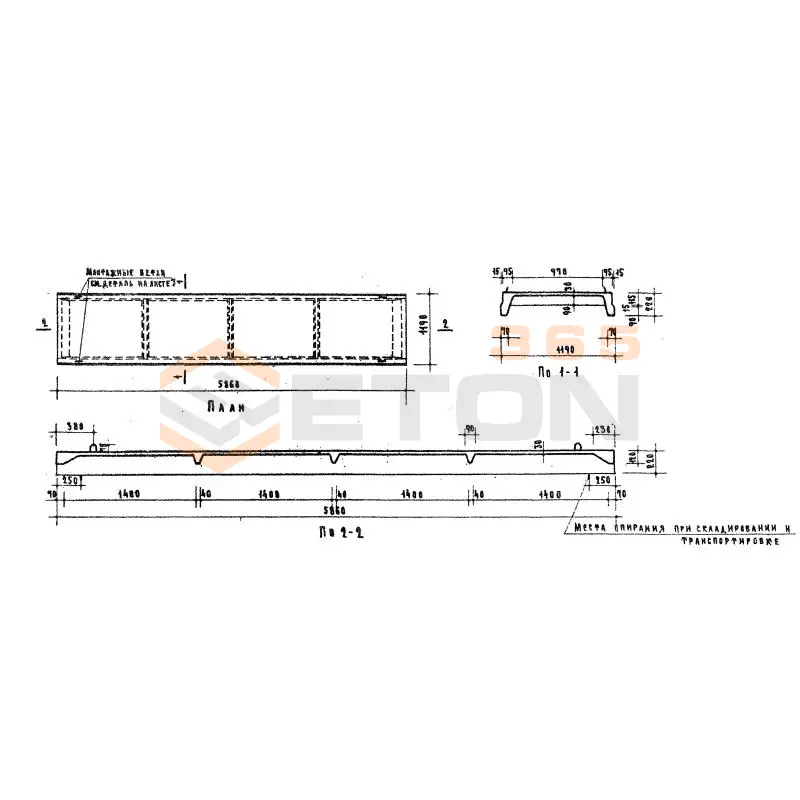
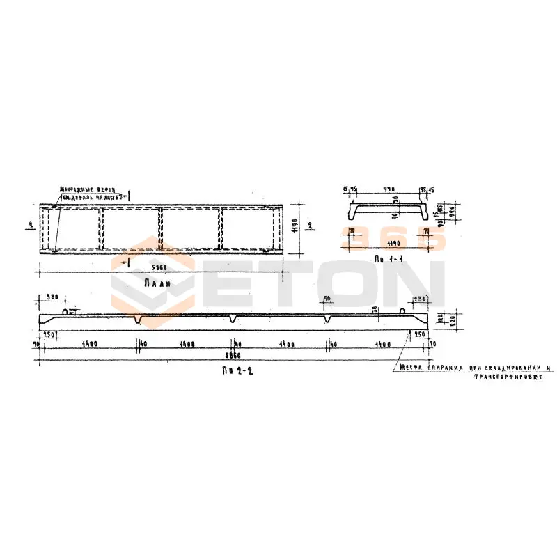
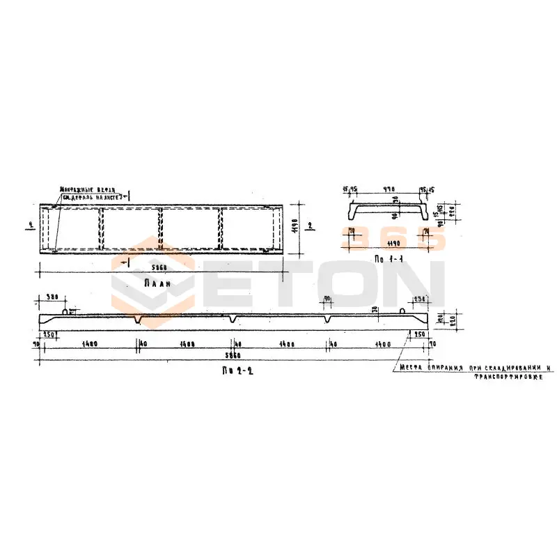
  • Длина 5860 мм.
  • Ширина 990 мм.
  • Высота 220 мм.
  • Вес 1505 кг.
  • Объем бетона 0,602 м3
  • Геометрический объем 1,2763 м3
Цена: 12847 руб.
Подробнее
ПО 8-63-16 АIV
Плиты (панели) перекрытия с овальными пустотами Серия ИИ 03-02 Альбом 102
  • Длина 6260 мм.
  • Ширина 1590 мм.
  • Высота 220 мм.
  • Вес 2410 кг.
  • Объем бетона 0,966 м3
  • Геометрический объем 2,1897 м3
Цена: 20614 руб.
Подробнее
ПО 8-63-16 АIV
Плиты (панели) перекрытия с овальными пустотами Серия ИИ 03-02 Альбом 102
  • Длина 6260 мм.
  • Ширина 1590 мм.
  • Высота 220 мм.
  • Вес 2410 кг.
  • Объем бетона 0,966 м3
  • Геометрический объем 2,1897 м3
Цена: 20614 руб.
Подробнее
ПОУ 59-12 АIIIв
Плиты (панели) перекрытия с овальными пустотами Серия ИИ 03-02 Альбом 102
  • Длина 5860 мм.
  • Ширина 1190 мм.
  • Высота 220 мм.
  • Вес 1820 кг.
  • Объем бетона 0,728 м3
  • Геометрический объем 1,5341 м3
Цена: 15536 руб.
Подробнее
ПОУ 59-12 АIV
Плиты (панели) перекрытия с овальными пустотами Серия ИИ 03-02 Альбом 102
  • Длина 5860 мм.
  • Ширина 1190 мм.
  • Высота 220 мм.
  • Вес 1820 кг.
  • Объем бетона 0,728 м3
  • Геометрический объем 1,5341 м3
Цена: 15536 руб.
Подробнее
ПТО 30-16
Плиты (панели) перекрытия с овальными пустотами Серия ИИ 03-02 Альбом 102
  • Длина 2980 мм.
  • Ширина 1590 мм.
  • Высота 220 мм.
  • Вес 1120 кг.
  • Объем бетона 0,447 м3
  • Геометрический объем 1,0424 м3
Цена: 9539 руб.
Подробнее
ПТО 30-12
Плиты (панели) перекрытия с овальными пустотами Серия ИИ 03-02 Альбом 102
  • Длина 2980 мм.
  • Ширина 1190 мм.
  • Высота 220 мм.
  • Вес 830 кг.
  • Объем бетона 0,332 м3
  • Геометрический объем 0,7802 м3
Цена: 7085 руб.
Подробнее
ПТО 59-10 АIV
Плиты (панели) перекрытия с овальными пустотами Серия ИИ 03-02 Альбом 102
  • Длина 5860 мм.
  • Ширина 990 мм.
  • Высота 220 мм.
  • Вес 1505 кг.
  • Объем бетона 0,602 м3
  • Геометрический объем 1,2763 м3
Цена: 12847 руб.
Подробнее
ПТО 59-10 АIIIв
Плиты (панели) перекрытия с овальными пустотами Серия ИИ 03-02 Альбом 102
  • Длина 5860 мм.
  • Ширина 990 мм.
  • Высота 220 мм.
  • Вес 1505 кг.
  • Объем бетона 0,602 м3
  • Геометрический объем 1,2763 м3
Цена: 12847 руб.
Подробнее
ПТО 59-12 АIIIв
Плиты (панели) перекрытия с овальными пустотами Серия ИИ 03-02 Альбом 102
  • Длина 5860 мм.
  • Ширина 1190 мм.
  • Высота 220 мм.
  • Вес 1820 кг.
  • Объем бетона 0,728 м3
  • Геометрический объем 1,5341 м3
Цена: 15536 руб.
Подробнее
ПТО 59-12 АIV
Плиты (панели) перекрытия с овальными пустотами Серия ИИ 03-02 Альбом 102
  • Длина 5860 мм.
  • Ширина 1190 мм.
  • Высота 220 мм.
  • Вес 1820 кг.
  • Объем бетона 0,728 м3
  • Геометрический объем 1,5341 м3
Цена: 15536 руб.
Подробнее
ПТО 59-16 АIIIв
Плиты (панели) перекрытия с овальными пустотами Серия ИИ 03-02 Альбом 102
  • Длина 5860 мм.
  • Ширина 1590 мм.
  • Высота 220 мм.
  • Вес 2473 кг.
  • Объем бетона 0,989 м3
  • Геометрический объем 2,0498 м3
Цена: 21105 руб.
Подробнее
ПТО 59-16 АIV
Плиты (панели) перекрытия с овальными пустотами Серия ИИ 03-02 Альбом 102
  • Длина 5860 мм.
  • Ширина 1590 мм.
  • Высота 220 мм.
  • Вес 2475 кг.
  • Объем бетона 0,989 м3
  • Геометрический объем 2,0498 м3
Цена: 21105 руб.
Подробнее
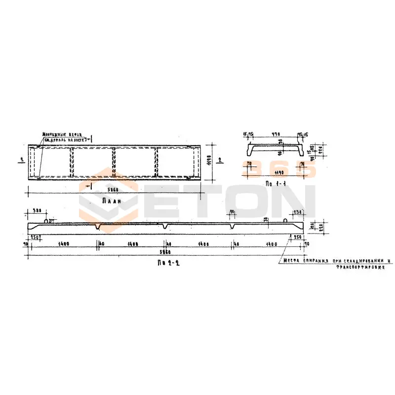
ПТР 59-12 л
Панели ребристые Серия ИИ 03-02 Альбом 15-64
  • Длина 5860 мм.
  • Ширина 1190 мм.
  • Высота 300 мм.
  • Вес 1720 кг.
  • Объем бетона 0,688 м3
  • Геометрический объем 2,092 м3
Цена: 23358 руб.
Подробнее
ПРК 41-10
Плиты ребристые Серия ИИ 03-02
  • Длина 4090 мм.
  • Ширина 990 мм.
  • Высота 220 мм.
  • Вес 678 кг.
  • Объем бетона 0,268 м3
  • Геометрический объем 0,8908 м3
Цена: 9099 руб.
Подробнее
ПРК 41-12
Плиты ребристые Серия ИИ 03-02
  • Длина 4090 мм.
  • Ширина 1190 мм.
  • Высота 220 мм.
  • Вес 740 кг.
  • Объем бетона 0,296 м3
  • Геометрический объем 1,0708 м3
Цена: 10049 руб.
Подробнее
ПРК 59-10 АIIIв
Плиты ребристые Серия ИИ 03-02
  • Длина 5860 мм.
  • Ширина 990 мм.
  • Высота 220 мм.
  • Вес 960 кг.
  • Объем бетона 0,385 м3
  • Геометрический объем 1,2763 м3
Цена: 13071 руб.
Подробнее
ПРК 59-10 АIV
Плиты ребристые Серия ИИ 03-02
  • Длина 5860 мм.
  • Ширина 990 мм.
  • Высота 220 мм.
  • Вес 960 кг.
  • Объем бетона 0,385 м3
  • Геометрический объем 1,2763 м3
Цена: 13071 руб.
Подробнее
ПРК 59-10 ВрII
Плиты ребристые Серия ИИ 03-02
  • Длина 5860 мм.
  • Ширина 990 мм.
  • Высота 220 мм.
  • Вес 960 кг.
  • Объем бетона 0,385 м3
  • Геометрический объем 1,2763 м3
Цена: 13071 руб.
Подробнее
ПРК 59-12 АIIIв
Плиты ребристые Серия ИИ 03-02
  • Длина 5860 мм.
  • Ширина 1190 мм.
  • Высота 220 мм.
  • Вес 1070 кг.
  • Объем бетона 0,428 м3
  • Геометрический объем 1,5341 м3
Цена: 14531 руб.
Подробнее
ПРК 59-10 п7
Плиты ребристые Серия ИИ 03-02
  • Длина 5860 мм.
  • Ширина 990 мм.
  • Высота 220 мм.
  • Вес 960 кг.
  • Объем бетона 0,385 м3
  • Геометрический объем 1,2763 м3
Цена: 13071 руб.
Подробнее
ПРК 59-12 АIV
Плиты ребристые Серия ИИ 03-02
  • Длина 5860 мм.
  • Ширина 1190 мм.
  • Высота 220 мм.
  • Вес 1070 кг.
  • Объем бетона 0,428 м3
  • Геометрический объем 1,5341 м3
Цена: 14531 руб.
Подробнее
ПРК 59-12 ВрII
Плиты ребристые Серия ИИ 03-02
  • Длина 5860 мм.
  • Ширина 1190 мм.
  • Высота 220 мм.
  • Вес 1070 кг.
  • Объем бетона 0,428 м3
  • Геометрический объем 1,5341 м3
Цена: 14531 руб.
Подробнее
ПРК 59-12 п7
Плиты ребристые Серия ИИ 03-02
  • Длина 5860 мм.
  • Ширина 1190 мм.
  • Высота 220 мм.
  • Вес 1070 кг.
  • Объем бетона 0,428 м3
  • Геометрический объем 1,5341 м3
Цена: 14531 руб.
Подробнее
БМ 60
Прогоны Серия ИИ 03-02 Альбом 16
  • Длина 5980 мм.
  • Ширина 400 мм.
  • Высота 500 мм.
  • Вес 3000 кг.
  • Объем бетона 1,195 м3
  • Геометрический объем 1,196 м3
Цена: 38252 руб.
Подробнее
П 28 АII
Прогоны Серия ИИ 03-02 Альбом 16
  • Длина 2780 мм.
  • Ширина 120 мм.
  • Высота 300 мм.
  • Вес 250 кг.
  • Объем бетона 0,1 м3
  • Геометрический объем 0,1001 м3
Цена: 3201 руб.
Подробнее
П 28 АIII
Прогоны Серия ИИ 03-02 Альбом 16
  • Длина 2780 мм.
  • Ширина 120 мм.
  • Высота 300 мм.
  • Вес 250 кг.
  • Объем бетона 0,1 м3
  • Геометрический объем 0,1001 м3
Цена: 3201 руб.
Подробнее
П 32 АIII
Прогоны Серия ИИ 03-02 Альбом 16
  • Длина 3180 мм.
  • Ширина 120 мм.
  • Высота 400 мм.
  • Вес 380 кг.
  • Объем бетона 0,152 м3
  • Геометрический объем 0,1526 м3
Цена: 4866 руб.
Подробнее
П 36 АII
Прогоны Серия ИИ 03-02 Альбом 16
  • Длина 3580 мм.
  • Ширина 120 мм.
  • Высота 400 мм.
  • Вес 430 кг.
  • Объем бетона 172 м3
  • Геометрический объем 0,1718 м3
Цена: 5506 руб.
Подробнее
П 32 АII
Прогоны Серия ИИ 03-02 Альбом 16
  • Длина 3180 мм.
  • Ширина 120 мм.
  • Высота 400 мм.
  • Вес 380 кг.
  • Объем бетона 0,152 м3
  • Геометрический объем 0,1526 м3
Цена: 4866 руб.
Подробнее
П 60
Прогоны Серия ИИ 03-02 Альбом 16
  • Длина 5980 мм.
  • Ширина 160 мм.
  • Высота 500 мм.
  • Вес 1200 кг.
  • Объем бетона 0,478 м3
  • Геометрический объем 0,4784 м3
Цена: 15301 руб.
Подробнее
П 60 АII
Прогоны Серия ИИ 03-02 Альбом 16
  • Длина 5980 мм.
  • Ширина 200 мм.
  • Высота 500 мм.
  • Вес 1500 кг.
  • Объем бетона 0,6 м3
  • Геометрический объем 0,598 м3
Цена: 19206 руб.
Подробнее
П 36 АIII
Прогоны Серия ИИ 03-02 Альбом 16
  • Длина 3580 мм.
  • Ширина 120 мм.
  • Высота 400 мм.
  • Вес 430 кг.
  • Объем бетона 0,172 м3
  • Геометрический объем 0,1718 м3
Цена: 5506 руб.
Подробнее
П 60 АIII
Прогоны Серия ИИ 03-02 Альбом 16
  • Длина 5980 мм.
  • Ширина 200 мм.
  • Высота 500 мм.
  • Вес 1500 кг.
  • Объем бетона 0,6 м3
  • Геометрический объем 0,598 м3
Цена: 19206 руб.
Подробнее
П 60 АIIIв
Прогоны Серия ИИ 03-02 Альбом 16
  • Длина 5980 мм.
  • Ширина 200 мм.
  • Высота 500 мм.
  • Вес 1500 кг.
  • Объем бетона 0,6 м3
  • Геометрический объем 0,598 м3
Цена: 19206 руб.
Подробнее
П 60 АIV
Прогоны Серия ИИ 03-02 Альбом 16
  • Длина 5980 мм.
  • Ширина 200 мм.
  • Высота 500 мм.
  • Вес 1500 кг.
  • Объем бетона 0,6 м3
  • Геометрический объем 0,598 м3
Цена: 19206 руб.
Подробнее
ПТ 28
Прогоны Серия ИИ 03-02 Альбом 16
  • Длина 2780 мм.
  • Ширина 120 мм.
  • Высота 300 мм.
  • Вес 250 кг.
  • Объем бетона 0,1 м3
  • Геометрический объем 0,1001 м3
Цена: 3201 руб.
Подробнее
ПТ 36
Прогоны Серия ИИ 03-02 Альбом 16
  • Длина 3580 мм.
  • Ширина 120 мм.
  • Высота 400 мм.
  • Вес 427 кг.
  • Объем бетона 0,171 м3
  • Геометрический объем 0,1718 м3
Цена: 5474 руб.
Подробнее
ПТ 32
Прогоны Серия ИИ 03-02 Альбом 16
  • Длина 3180 мм.
  • Ширина 120 мм.
  • Высота 400 мм.
  • Вес 380 кг.
  • Объем бетона 0,152 м3
  • Геометрический объем 0,1526 м3
Цена: 4866 руб.
Подробнее
ПТ 60
Прогоны Серия ИИ 03-02 Альбом 16
  • Длина 5980 мм.
  • Ширина 160 мм.
  • Высота 500 мм.
  • Вес 1200 кг.
  • Объем бетона 0,478 м3
  • Геометрический объем 0,4784 м3
Цена: 15301 руб.
Подробнее
РМ 55
Ригели Серия ИИ 03-02
  • Длина 5480 мм.
  • Ширина 300 мм.
  • Высота 700 мм.
  • Вес 2870 кг.
  • Объем бетона 1,146 м3
  • Геометрический объем 1,1508 м3
Цена: 50023 руб.
Подробнее
РМ 60
Ригели Серия ИИ 03-02
  • Длина 5980 мм.
  • Ширина 300 мм.
  • Высота 700 мм.
  • Вес 3130 кг.
  • Объем бетона 1,25 м3
  • Геометрический объем 1,2558 м3
Цена: 54563 руб.
Подробнее
СКВ
Стойки козырьков входа Серия ИИ 03-02 Альбом 15-64
  • Длина 2230 мм.
  • Ширина 160 мм.
  • Высота 160 мм.
  • Вес 112,5 кг.
  • Объем бетона 0,045 м3
  • Геометрический объем 0,0571 м3
Цена: 1528 руб.
Подробнее
СП 5
Фундаментные блоки пустотные Серия ИИ 03-02
  • Длина 2380 мм.
  • Ширина 500 мм.
  • Высота 580 мм.
  • Вес 1205 кг.
  • Объем бетона 0,502 м3
  • Геометрический объем 0,6902 м3
Цена: 4626 руб.
Подробнее
СПД 4
Фундаментные блоки пустотные Серия ИИ 03-02
  • Длина 780 мм.
  • Ширина 400 мм.
  • Высота 580 мм.
  • Вес 336 кг.
  • Объем бетона 0,14 м3
  • Геометрический объем 0,181 м3
Цена: 1290 руб.
Подробнее
СП 4
Фундаментные блоки пустотные Серия ИИ 03-02
  • Длина 2380 мм.
  • Ширина 400 мм.
  • Высота 580 мм.
  • Вес 1010 кг.
  • Объем бетона 0,418 м3
  • Геометрический объем 0,5522 м3
Цена: 3852 руб.
Подробнее
СП 6
Фундаментные блоки пустотные Серия ИИ 03-02
  • Длина 2380 мм.
  • Ширина 600 мм.
  • Высота 580 мм.
  • Вес 1330 кг.
  • Объем бетона 0,555 м3
  • Геометрический объем 0,8282 м3
Цена: 5114 руб.
Подробнее
СПД 5
Фундаментные блоки пустотные Серия ИИ 03-02
  • Длина 780 мм.
  • Ширина 500 мм.
  • Высота 580 мм.
  • Вес 410 кг.
  • Объем бетона 0,171 м3
  • Геометрический объем 0,2262 м3
Цена: 1576 руб.
Подробнее
СПД 6
Фундаментные блоки пустотные Серия ИИ 03-02
  • Длина 780 мм.
  • Ширина 600 мм.
  • Высота 580 мм.
  • Вес 460 кг.
  • Объем бетона 0,173 м3
  • Геометрический объем 0,2714 м3
Цена: 1594 руб.
Подробнее
ПЛ 1
Плиты перекрытия над шахтой лифта Серия ИИ 03-02
  • Длина 2980 мм.
  • Ширина 1790 мм.
  • Высота 140 мм.
  • Вес 1825 кг.
  • Объем бетона 0,75 м3
  • Геометрический объем 0,7468 м3
Цена: 29100 руб.
Подробнее
ПЛ 2
Плиты перекрытия над шахтой лифта Серия ИИ 03-02
  • Длина 2480 мм.
  • Ширина 1790 мм.
  • Высота 160 мм.
  • Вес 1730 кг.
  • Объем бетона 0,692 м3
  • Геометрический объем 0,7103 м3
Цена: 26850 руб.
Подробнее
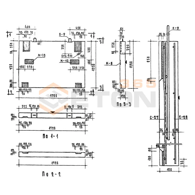
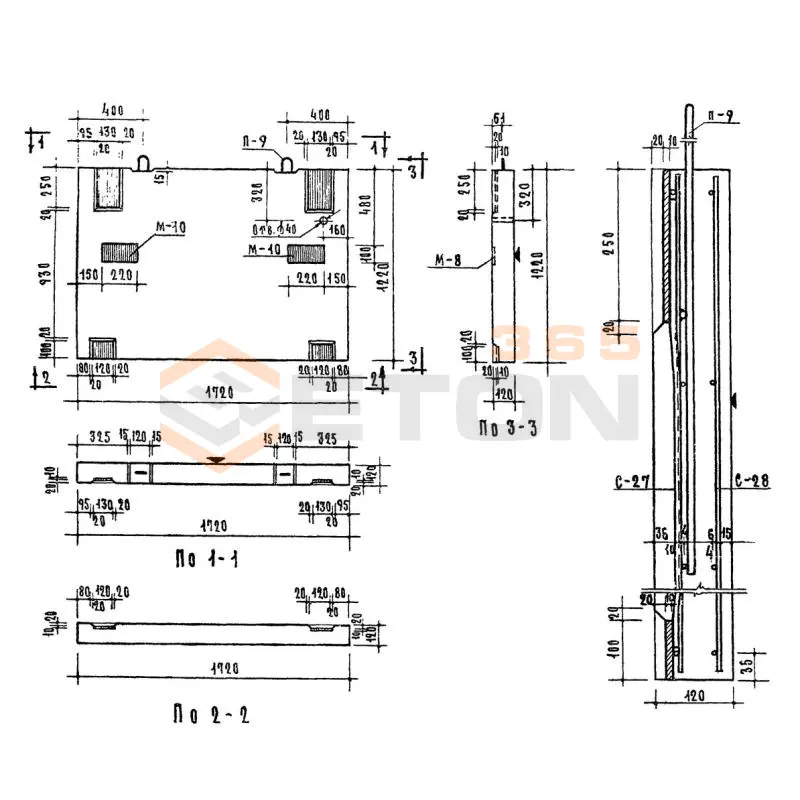
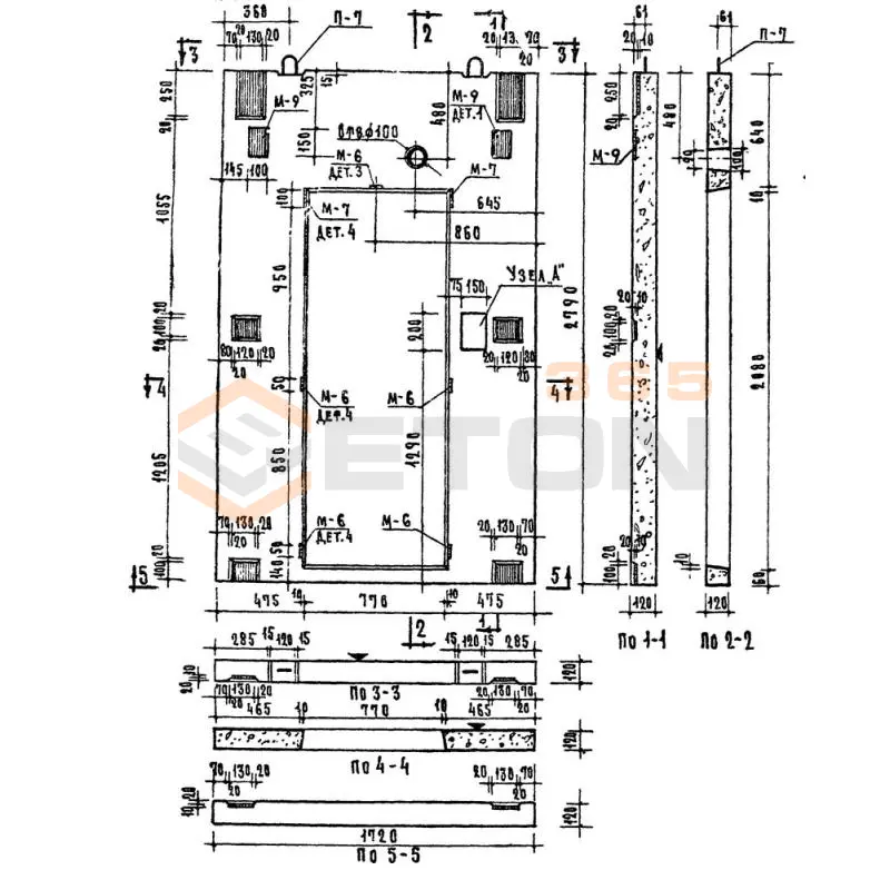
СЛ 1
Стенки шахт лифтов Серия 03-02 Альбом 65
  • Длина 1720 мм.
  • Ширина 120 мм.
  • Высота 2790 мм.
  • Вес 935 кг.
  • Объем бетона 0,374 м3
  • Геометрический объем 0,5759 м3
Цена: 16325 руб.
Подробнее
СЛ 2
Стенки шахт лифтов Серия 03-02 Альбом 65
  • Длина 1720 мм.
  • Ширина 120 мм.
  • Высота 2790 мм.
  • Вес 1420 кг.
  • Объем бетона 0,569 м3
  • Геометрический объем 0,5759 м3
Цена: 24837 руб.
Подробнее
СЛ 2 а
Стенки шахт лифтов Серия 03-02 Альбом 65
  • Длина 1720 мм.
  • Ширина 120 мм.
  • Высота 2790 мм.
  • Вес 1420 кг.
  • Объем бетона 0,569 м3
  • Геометрический объем 0,5759 м3
Цена: 24837 руб.
Подробнее
СЛ 4
Стенки шахт лифтов Серия 03-02 Альбом 65
  • Длина 1720 мм.
  • Ширина 120 мм.
  • Высота 1220 мм.
  • Вес 623 кг.
  • Объем бетона 0,249 м3
  • Геометрический объем 0,2518 м3
Цена: 10869 руб.
Подробнее
СЛ 3
Стенки шахт лифтов Серия 03-02 Альбом 65
  • Длина 1720 мм.
  • Ширина 120 мм.
  • Высота 2790 мм.
  • Вес 1430 кг.
  • Объем бетона 0,573 м3
  • Геометрический объем 0,5759 м3
Цена: 25011 руб.
Подробнее
СЛ 4 а
Стенки шахт лифтов Серия 03-02 Альбом 65
  • Длина 1720 мм.
  • Ширина 120 мм.
  • Высота 1220 мм.
  • Вес 625 кг.
  • Объем бетона 0,25 м3
  • Геометрический объем 0,2518 м3
Цена: 10913 руб.
Подробнее
СЛ 5 а
Стенки шахт лифтов Серия 03-02 Альбом 65
  • Длина 1720 мм.
  • Ширина 100 мм.
  • Высота 780 мм.
  • Вес 333 кг.
  • Объем бетона 0,133 м3
  • Геометрический объем 0,1342 м3
Цена: 5805 руб.
Подробнее
СЛ 5
Стенки шахт лифтов Серия 03-02 Альбом 65
  • Длина 1720 мм.
  • Ширина 120 мм.
  • Высота 780 мм.
  • Вес 398 кг.
  • Объем бетона 0,159 м3
  • Геометрический объем 0,161 м3
Цена: 6940 руб.
Подробнее
ЦВ 1
Цветочницы Серия ИИ 03-02 Альбом 15-64
  • Длина 1980 мм.
  • Ширина 440 мм.
  • Высота 185 мм.
  • Вес 145 кг.
  • Объем бетона 0,058 м3
  • Геометрический объем 0,1612 м3
Цена: 1407 руб.
Подробнее

Уведомление о файлах cookie

Мы используем файлы cookie для улучшения вашего опыта просмотра и анализа трафика. Нажимая "Принять все", вы соглашаетесь с нашей политикой конфиденциальности и политикой обработки файлов cookie.

MAX Дзен Телеграм Вконтакте vk