mobile_sound +7 (930) 655-55-90

Блоки фундаментов серия 3.501.1-177.93 (3.501.1-126)

Поделиться:
Фильтр по характеристикам
Длина (мм.)
keyboard_arrow_down
мм.
мм.
Ширина (мм.)
keyboard_arrow_down
мм.
мм.
Высота (мм.)
keyboard_arrow_down
мм.
мм.
Вес (кг.)
keyboard_arrow_down
кг.
кг.
Объем бетона (м3)
keyboard_arrow_down
м3
м3
Поделиться:

Завод "Бетон365" производит блоки фундаментов серии 3.501.1-177.93 (3.501.1-126) — универсальные железобетонные изделия для возведения надежных оснований промышленных и гражданских объектов. Эти конструкции обеспечивают равномерное распределение нагрузок от несущих стен, создавая жесткую пространственную систему, соответствующую требованиям ГОСТ. Применение готовых блоков сокращает сроки монтажа фундамента, минимизируя риски деформаций и повышая долговечность сооружения.

Реализуем блоки фундаментов серии 3.501.1-177.93 в Москве и МО с доставкой на объект. Цена от производителя гарантирует отсутствие посреднических наценок, а контроль качества на всех этапах производства обеспечивает соответствие заявленным характеристикам. Для расчета стоимости и оформления заказа обратитесь к нашим специалистам — поможем подобрать оптимальное решение для вашего проекта.

Ф 1-200 м
Блоки фундаментов серия 3.501.1-177.93 (3.501.1-126)
  • Длина 3020 мм.
  • Ширина 1200 мм.
  • Высота 2000 мм.
  • Вес 6900 кг.
  • Объем бетона 2,76 м3
  • Геометрический объем 7,248 м3
Цена: 45512 руб.
Подробнее
Ф 1-300 м
Блоки фундаментов серия 3.501.1-177.93 (3.501.1-126)
  • Длина 3020 мм.
  • Ширина 1200 мм.
  • Высота 3000 мм.
  • Вес 9200 кг.
  • Объем бетона 3,67 м3
  • Геометрический объем 10,872 м3
Цена: 60518 руб.
Подробнее
Ф 10-201
Блоки фундаментов серия 3.501.1-177.93 (3.501.1-126)
  • Длина 2010 мм.
  • Ширина 300 мм.
  • Высота 700 мм.
  • Вес 10100 кг.
  • Объем бетона 4,22 м3
  • Геометрический объем 0,4221 м3
Цена: 69588 руб.
Подробнее
Ф 10-302
Блоки фундаментов серия 3.501.1-177.93 (3.501.1-126)
  • Длина 3020 мм.
  • Ширина 3000 мм.
  • Высота 700 мм.
  • Вес 15200 кг.
  • Объем бетона 6,34 м3
  • Геометрический объем 6,342 м3
Цена: 104547 руб.
Подробнее
Ф 10-201 м
Блоки фундаментов серия 3.501.1-177.93 (3.501.1-126)
  • Длина 2010 мм.
  • Ширина 300 мм.
  • Высота 700 мм.
  • Вес 10100 кг.
  • Объем бетона 4,22 м3
  • Геометрический объем 0,4221 м3
Цена: 69588 руб.
Подробнее
Ф 2-120 м
Блоки фундаментов серия 3.501.1-177.93 (3.501.1-126)
  • Длина 3020 мм.
  • Ширина 700 мм.
  • Высота 1200 мм.
  • Вес 3800 кг.
  • Объем бетона 1,51 м3
  • Геометрический объем 2,5368 м3
Цена: 24900 руб.
Подробнее
Ф 261 м
Блоки фундаментов серия 3.501.1-177.93 (3.501.1-126)
  • Длина 3020 мм.
  • Ширина 1200 мм.
  • Высота 2000 мм.
  • Вес 6900 кг.
  • Объем бетона 2,76 м3
  • Геометрический объем 7,248 м3
Цена: 45512 руб.
Подробнее
Ф 2-200 м
Блоки фундаментов серия 3.501.1-177.93 (3.501.1-126)
  • Длина 3020 мм.
  • Ширина 700 мм.
  • Высота 2000 мм.
  • Вес 5600 кг.
  • Объем бетона 2,24 м3
  • Геометрический объем 4,228 м3
Цена: 36938 руб.
Подробнее
Ф 2-85 м
Блоки фундаментов серия 3.501.1-177.93 (3.501.1-126)
  • Длина 3020 мм.
  • Ширина 700 мм.
  • Высота 850 мм.
  • Вес 3000 кг.
  • Объем бетона 1,19 м3
  • Геометрический объем 1,7969 м3
Цена: 19623 руб.
Подробнее
Ф 262 м
Блоки фундаментов серия 3.501.1-177.93 (3.501.1-126)
  • Длина 3020 мм.
  • Ширина 1200 мм.
  • Высота 3000 мм.
  • Вес 9200 кг.
  • Объем бетона 3,67 м3
  • Геометрический объем 10,872 м3
Цена: 60518 руб.
Подробнее
Ф 263 м
Блоки фундаментов серия 3.501.1-177.93 (3.501.1-126)
  • Длина 3020 мм.
  • Ширина 700 мм.
  • Высота 850 мм.
  • Вес 3000 кг.
  • Объем бетона 1,19 м3
  • Геометрический объем 1,7969 м3
Цена: 19623 руб.
Подробнее
Ф 264
Блоки фундаментов серия 3.501.1-177.93 (3.501.1-126)
  • Длина 700 мм.
  • Ширина 1200 мм.
  • Высота 3020 мм.
  • Вес 3800 кг.
  • Объем бетона 1,51 м3
  • Геометрический объем 2,5368 м3
Цена: 24900 руб.
Подробнее
Ф 265 м
Блоки фундаментов серия 3.501.1-177.93 (3.501.1-126)
  • Длина 3020 мм.
  • Ширина 700 мм.
  • Высота 2000 мм.
  • Вес 5600 кг.
  • Объем бетона 2,24 м3
  • Геометрический объем 4,228 м3
Цена: 36938 руб.
Подробнее
Ф 264 м
Блоки фундаментов серия 3.501.1-177.93 (3.501.1-126)
  • Длина 700 мм.
  • Ширина 1200 мм.
  • Высота 3020 мм.
  • Вес 3800 кг.
  • Объем бетона 1,51 м3
  • Геометрический объем 2,5368 м3
Цена: 24900 руб.
Подробнее
Ф 264 м
Блоки фундаментов серия 3.501.1-177.93 (3.501.1-126)
  • Длина 3020 мм.
  • Ширина 700 мм.
  • Высота 1200 мм.
  • Вес 3800 кг.
  • Объем бетона 1,51 м3
  • Геометрический объем 2,5368 м3
Цена: 24900 руб.
Подробнее
Ф 266 м
Блоки фундаментов серия 3.501.1-177.93 (3.501.1-126)
  • Длина 4030 мм.
  • Ширина 700 мм.
  • Высота 850 мм.
  • Вес 4000 кг.
  • Объем бетона 1,59 м3
  • Геометрический объем 2,3979 м3
Цена: 26219 руб.
Подробнее
Ф 267 м
Блоки фундаментов серия 3.501.1-177.93 (3.501.1-126)
  • Длина 4030 мм.
  • Ширина 700 мм.
  • Высота 1200 мм.
  • Вес 5000 кг.
  • Объем бетона 2,02 м3
  • Геометрический объем 3,3852 м3
Цена: 33310 руб.
Подробнее
Ф 268 м
Блоки фундаментов серия 3.501.1-177.93 (3.501.1-126)
  • Длина 4030 мм.
  • Ширина 700 мм.
  • Высота 2000 мм.
  • Вес 7500 кг.
  • Объем бетона 2,98 м3
  • Геометрический объем 5,642 м3
Цена: 49140 руб.
Подробнее
Ф 3-120 м
Блоки фундаментов серия 3.501.1-177.93 (3.501.1-126)
  • Длина 4030 мм.
  • Ширина 700 мм.
  • Высота 1200 мм.
  • Вес 5000 кг.
  • Объем бетона 2 м3
  • Геометрический объем 3,3852 м3
Цена: 32980 руб.
Подробнее
Ф 3-85 м
Блоки фундаментов серия 3.501.1-177.93 (3.501.1-126)
  • Длина 4030 мм.
  • Ширина 700 мм.
  • Высота 850 мм.
  • Вес 4000 кг.
  • Объем бетона 1,59 м3
  • Геометрический объем 2,3979 м3
Цена: 26219 руб.
Подробнее
Ф 3-200 м
Блоки фундаментов серия 3.501.1-177.93 (3.501.1-126)
  • Длина 4030 мм.
  • Ширина 700 мм.
  • Высота 2000 мм.
  • Вес 7500 кг.
  • Объем бетона 2,98 м3
  • Геометрический объем 5,642 м3
Цена: 49140 руб.
Подробнее
Ф 6-201
Блоки фундаментов серия 3.501.1-177.93 (3.501.1-126)
  • Длина 2010 мм.
  • Ширина 1320 мм.
  • Высота 700 мм.
  • Вес 4460 кг.
  • Объем бетона 1,784 м3
  • Геометрический объем 1,8572 м3
Цена: 29418 руб.
Подробнее
Ф 6-302
Блоки фундаментов серия 3.501.1-177.93 (3.501.1-126)
  • Длина 3020 мм.
  • Ширина 1320 мм.
  • Высота 700 мм.
  • Вес 6700 кг.
  • Объем бетона 2,79 м3
  • Геометрический объем 2,7905 м3
Цена: 46007 руб.
Подробнее
Ф 6-403
Блоки фундаментов серия 3.501.1-177.93 (3.501.1-126)
  • Длина 4030 мм.
  • Ширина 1320 мм.
  • Высота 700 мм.
  • Вес 8900 кг.
  • Объем бетона 3,72 м3
  • Геометрический объем 3,7237 м3
Цена: 61343 руб.
Подробнее
Ф 7-201
Блоки фундаментов серия 3.501.1-177.93 (3.501.1-126)
  • Длина 2010 мм.
  • Ширина 1590 мм.
  • Высота 700 мм.
  • Вес 5600 кг.
  • Объем бетона 2,24 м3
  • Геометрический объем 2,2371 м3
Цена: 36938 руб.
Подробнее
Ф 7-403
Блоки фундаментов серия 3.501.1-177.93 (3.501.1-126)
  • Длина 4030 мм.
  • Ширина 1590 мм.
  • Высота 700 мм.
  • Вес 10800 кг.
  • Объем бетона 4,49 м3
  • Геометрический объем 4,4854 м3
Цена: 74040 руб.
Подробнее
Ф 7-302
Блоки фундаментов серия 3.501.1-177.93 (3.501.1-126)
  • Длина 3020 мм.
  • Ширина 1590 мм.
  • Высота 700 мм.
  • Вес 8060 кг.
  • Объем бетона 3,36 м3
  • Геометрический объем 3,3613 м3
Цена: 55406 руб.
Подробнее
Ф 8-302
Блоки фундаментов серия 3.501.1-177.93 (3.501.1-126)
  • Длина 3020 мм.
  • Ширина 1900 мм.
  • Высота 700 мм.
  • Вес 9600 кг.
  • Объем бетона 4,02 м3
  • Геометрический объем 4,0166 м3
Цена: 66290 руб.
Подробнее
Ф 8-201
Блоки фундаментов серия 3.501.1-177.93 (3.501.1-126)
  • Длина 2010 мм.
  • Ширина 1900 мм.
  • Высота 700 мм.
  • Вес 6400 кг.
  • Объем бетона 2,67 м3
  • Геометрический объем 2,6733 м3
Цена: 44028 руб.
Подробнее
Ф 8-403
Блоки фундаментов серия 3.501.1-177.93 (3.501.1-126)
  • Длина 4030 мм.
  • Ширина 1900 мм.
  • Высота 700 мм.
  • Вес 12900 кг.
  • Объем бетона 5,36 м3
  • Геометрический объем 5,3599 м3
Цена: 88386 руб.
Подробнее
Ф 9-201
Блоки фундаментов серия 3.501.1-177.93 (3.501.1-126)
  • Длина 2010 мм.
  • Ширина 2420 мм.
  • Высота 700 мм.
  • Вес 8200 кг.
  • Объем бетона 3,4 м3
  • Геометрический объем 3,4049 м3
Цена: 56066 руб.
Подробнее
Ф 9-302
Блоки фундаментов серия 3.501.1-177.93 (3.501.1-126)
  • Длина 3020 мм.
  • Ширина 2420 мм.
  • Высота 700 мм.
  • Вес 12300 кг.
  • Объем бетона 5,12 м3
  • Геометрический объем 5,1159 м3
Цена: 84429 руб.
Подробнее
Ф 9-403
Блоки фундаментов серия 3.501.1-177.93 (3.501.1-126)
  • Длина 4030 мм.
  • Ширина 2420 мм.
  • Высота 700 мм.
  • Вес 16400 кг.
  • Объем бетона 6,83 м3
  • Геометрический объем 6,8268 м3
Цена: 112627 руб.
Подробнее

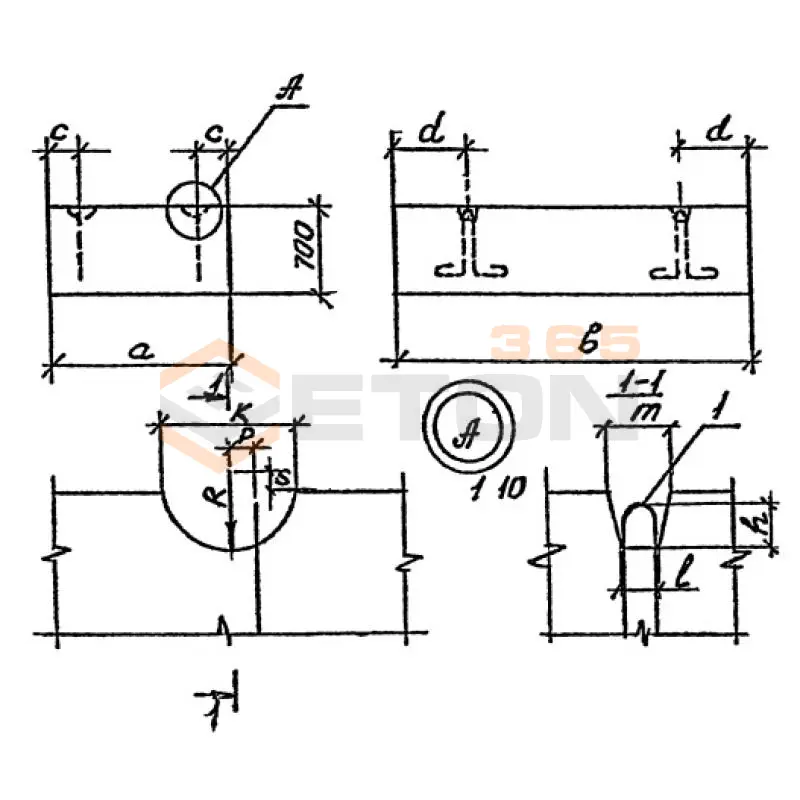
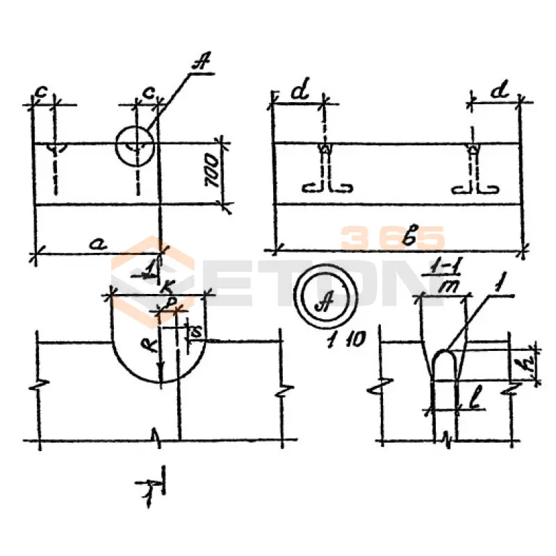
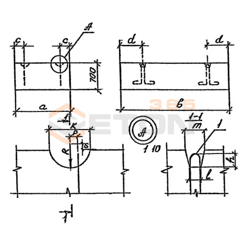
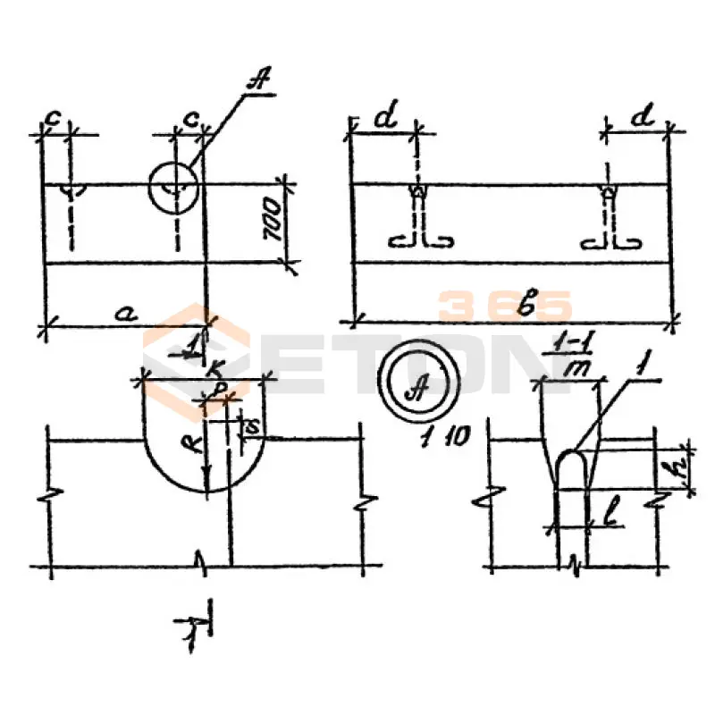
Как правильно выбрать - Блоки фундаментов серия 3.501.1-177.93 (3.501.1-126)

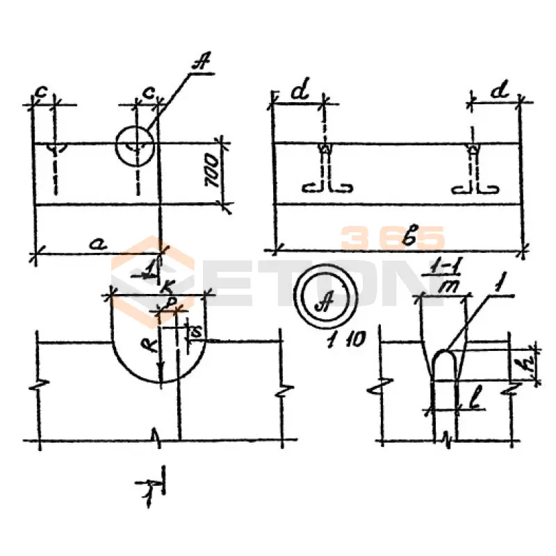
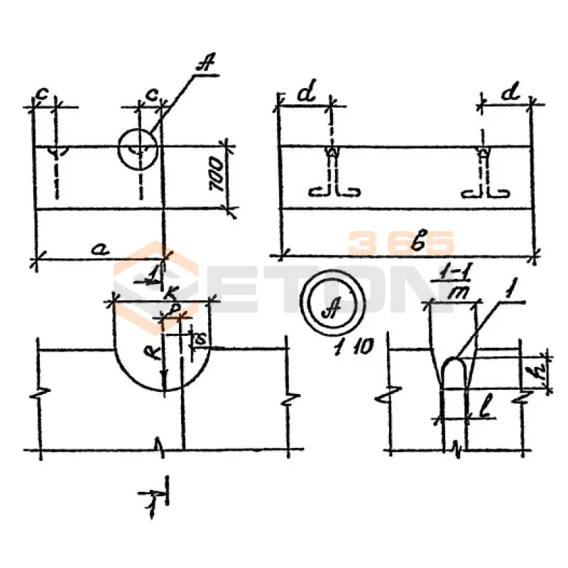
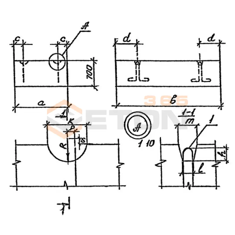
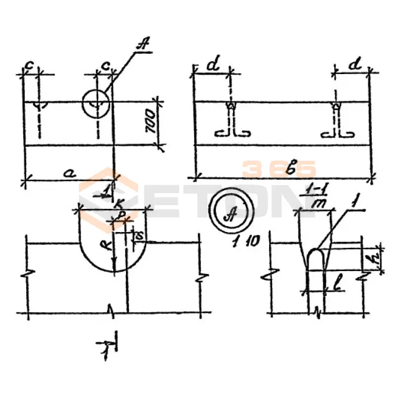
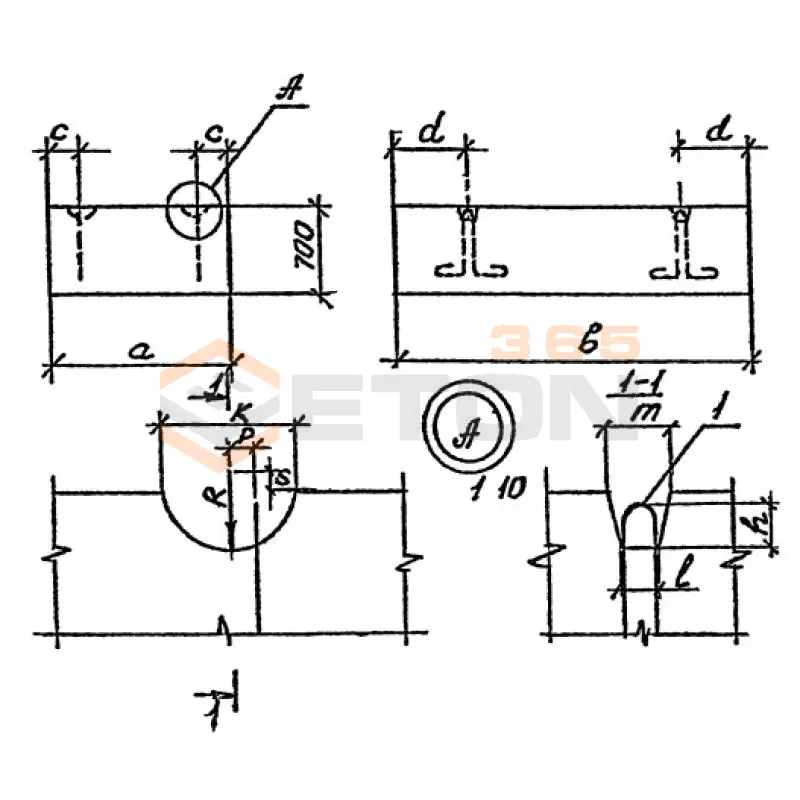
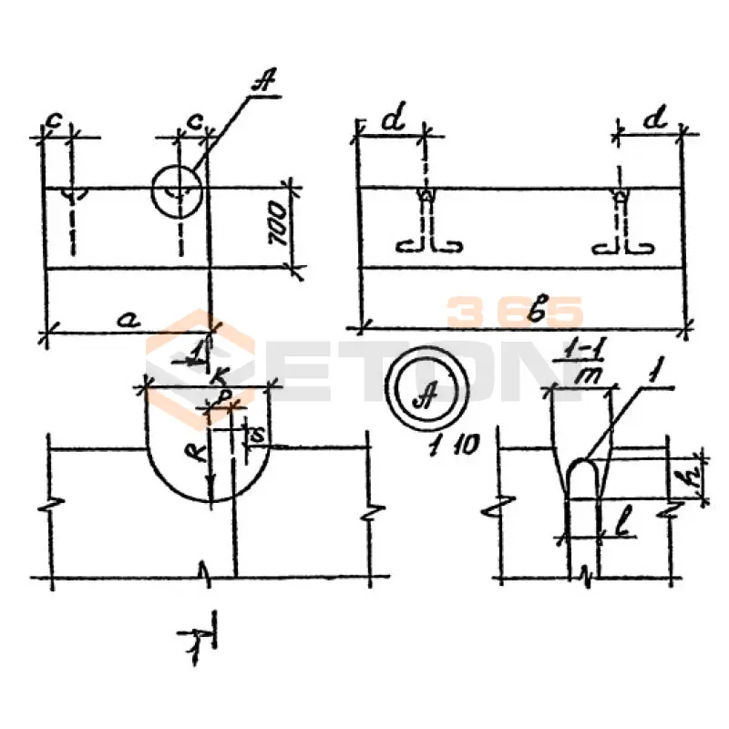
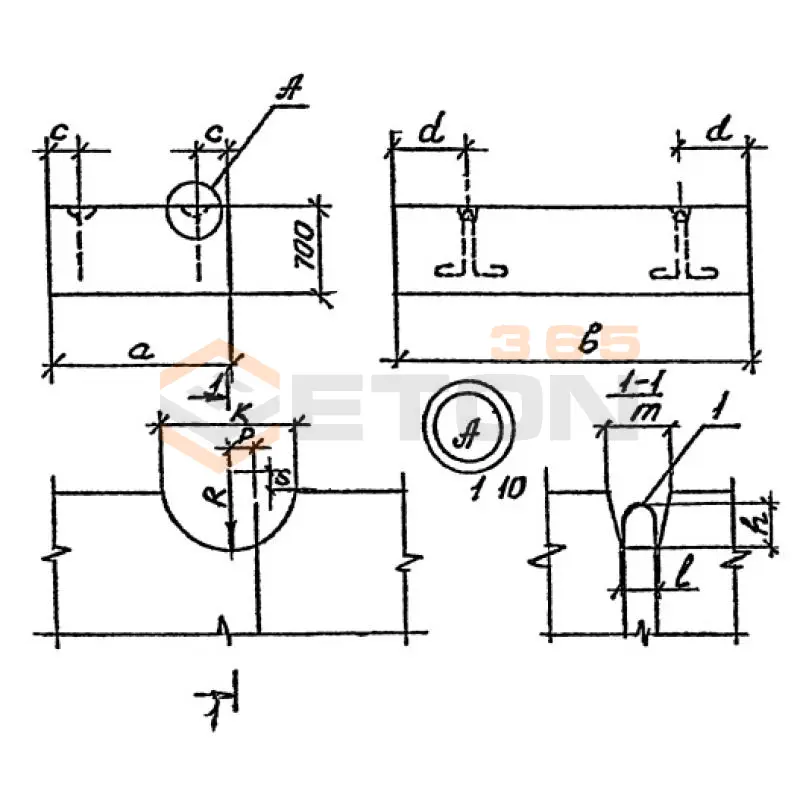
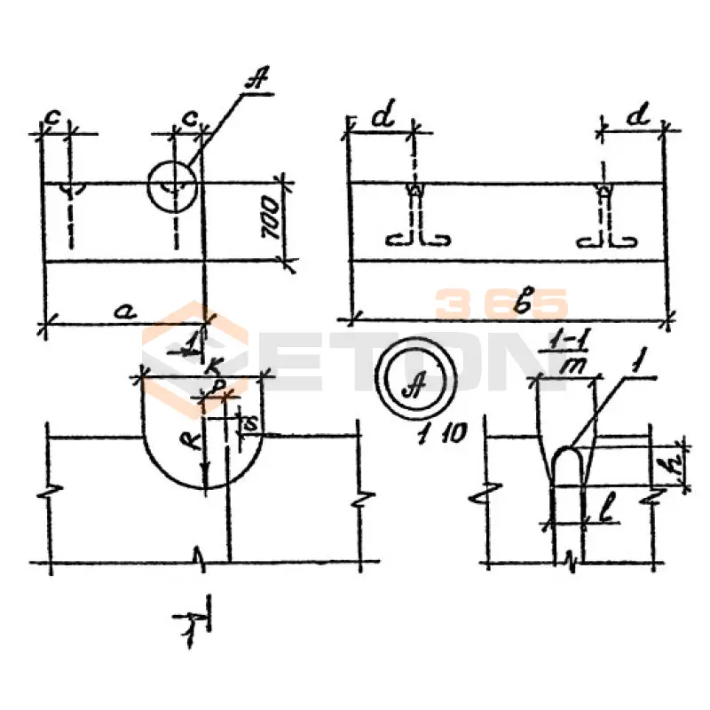
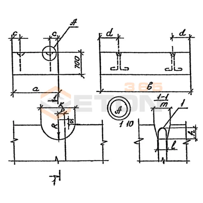
Блоки фундаментов серия 3.501.1-177.93 (3.501.1-126) предназначены для возведения сборных ленточных фундаментов под стены зданий и сооружений. Они применяются в условиях, требующих высокой несущей способности и устойчивости к агрессивным грунтовым водам. Ключевая функция этих блоков — равномерное распределение нагрузки от вышележащих конструкций на основание. Долговечность и надежность всего здания определяются точным соответствием характеристик блоков фундаментов проектным расчетам и реальным условиям строительной площадки.

Критерии выбора

  • Марка и класс бетона: Блоки изготавливаются из тяжелого бетона класса не ниже В12.5 (марка М150) или В15 (М200), что обеспечивает необходимую прочность на сжатие.
  • Морозостойкость и водонепроницаемость: Для большинства регионов критически важна морозостойкость F100-F150. Водонепроницаемость (W4-W6) — ключевой параметр для фундаментов, контактирующих с грунтовыми водами.
  • Типоразмер и конфигурация: Серия включает блоки фундаментные стеновые (ФБС) основных типоразмеров (например, 2380x400x580 мм). Необходимо сверять габариты и наличие монтажных петель с проектной документацией.
  • Класс арматуры: Для изготовления монтажных петель используется горячекатаная арматурная сталь класса А-I (А240).
  • Соответствие нормативам: Изделия должны строго соответствовать требованиям ГОСТ 13579-78 и указанной серии чертежей.
  • Наличие паспорта качества: Обязательно требование паспорта на партию блоков фундаментов, где указаны фактические прочностные характеристики, марка бетона и дата изготовления.

Рекомендации по подбору и монтажу

При закупке блоков фундаментов серии 3.501.1-126 убедитесь в комплектности поставки всех необходимых типоразмеров, включая доборные элементы. Особое внимание уделите визуальному контролю: на поверхностях не должно быть трещин шириной раскрытия более 0.3 мм, а также раковин и сколов бетона в местах опирания.

Монтаж ведут на тщательно выровненное и уплотненное песчано-щебеночное основание. Первый ряд блоков фундаментов укладывают на цементно-песчаный раствор с обязательной проверкой горизонтальности. Вертикальные швы между блоками также заполняют раствором. Для обеспечения проектной пространственной жесткости кладку ведут с перевязкой швов, аналогично кирпичной. Анкеровка с вышележащими конструкциями выполняется в соответствии с рабочими чертежами.

Ответы экспертов на ваши вопросы

Блоки фундаментов серия 3.501.1-177.93 (3.501.1-126) изготавливаются из тяжелого бетона класса не ниже В15 (марка М200) и имеют стандартные типоразмеры. Основные характеристики: длина блоков составляет 2380 мм, ширина варьируется от 400 до 600 мм, высота - 580 мм. Блоки армируются пространственными каркасами из стальной арматуры класса А-I и А-III. Масса блоков в зависимости от ширины составляет от 0,96 до 1,44 тонн. На боковых гранях предусмотрены пазы для заполнения бетоном при монтаже, обеспечивающие монолитность конструкции.

Монтаж блоков фундаментов серия 3.501.1-177.93 (3.501.1-126) осуществляется на подготовленное основание - уплотненный грунт или бетонную подготовку. Блоки укладываются на цементно-песчаный раствор толщиной не менее 20 мм. Вертикальные швы между блоками заполняются бетоном класса не ниже В15. При монтаже необходимо обеспечить точное позиционирование блоков по осям и отметкам, контроль вертикальности стенок. Стыковка арматурных выпусков соседних блоков выполняется в соответствии с проектом. Монтаж производится грузоподъемными механизмами соответствующей грузоподъемности.

Блоки фундаментов серия 3.501.1-177.93 (3.501.1-126) предназначены для устройства сборных ленточных фундаментов жилых, гражданских и промышленных зданий с несущими стенами. Они применяются в нормальных грунтовых условиях при отсутствии агрессивного воздействия грунтовых вод. Допускается использование при уровне грунтовых вод ниже подошвы фундамента. Блоки не рекомендуется применять в сейсмических районах с сейсмичностью выше 6 баллов, на просадочных грунтах II типа, а также в условиях вечной мерзлоты без специальных мероприятий.

Для блоков фундаментов серия 3.501.1-177.93 (3.501.1-126) установлено применение тяжелого бетона классов по прочности на сжатие В15 (М200) и выше. Марка бетона по морозостойкости должна быть не ниже F50 для наружных фундаментов и F35 для внутренних стен подвалов. Марка по водонепроницаемости - не ниже W4. Бетонная смесь должна соответствовать требованиям ГОСТ 26633, а качество бетона контролируется по прочности, морозостойкости и водонепроницаемости в соответствии с установленными нормами.

Маркировка блоков фундаментов серия 3.501.1-177.93 (3.501.1-126) состоит из буквенно-цифрового обозначения, где: ФБС - фундаментный блок стеновой, далее цифры указывают длину, ширину и высоту в дециметрах. Например, ФБС 24.4.6 означает блок длиной 2380 мм, шириной 400 мм и высотой 580 мм. На каждом блоке наносится клеймо с указанием даты изготовления, марки бетона, массы и номера партии. Маркировка должна быть четкой и сохраняться в течение всего срока эксплуатации.

Ранее смотрели
1Вн 41-15-1
1Вн 41-15-1
Изделия для стеновых панелей верхние и нижние Серия 1.131-17
Плиты тротуарные ТП 501-259 ТП 4 (ТП 501-259)
ТП 4 (ТП 501-259)
Плиты тротуарные ТП 501-259
Вкладыши Серия ИИ 01-02 В 41 (ИИ 01-02)
В 41 (ИИ 01-02)
Вкладыши Серия ИИ 01-02
Плиты тротуарные ТП 501-259 ТП 5 (ТП 501-259)
ТП 5 (ТП 501-259)
Плиты тротуарные ТП 501-259
Блоки шахт лифтов Серия 1.089.1-1 БШЛ 100-33 п-2 б
БШЛ 100-33 п-2 б
Блоки шахт лифтов Серия 1.089.1-1
Блоки шахт лифтов Серия 1.089.1-1 БШЛ 100-36 п-2 б
БШЛ 100-36 п-2 б
Блоки шахт лифтов Серия 1.089.1-1
Блоки бетонные Серия 3.503.1-66 Б 2-20-40 а
Б 2-20-40 а
Блоки бетонные Серия 3.503.1-66
Лестничные площадки Альбом НК 33-07 ЛП 42-14 (Альбом НК 33-07)
ЛП 42-14 (Альбом НК 33-07)
Лестничные площадки Альбом НК 33-07

Уведомление о файлах cookie

Мы используем файлы cookie для улучшения вашего опыта просмотра и анализа трафика. Нажимая "Принять все", вы соглашаетесь с нашей политикой конфиденциальности и политикой обработки файлов cookie.

Дзен Телеграм Вконтакте vk