mobile_sound +7 (930) 655-55-90

Типовые конструкции и железобетонные изделия. Рабочие чертежи (Серия 1.090.1-3пв)

Поделиться:
Поделиться:

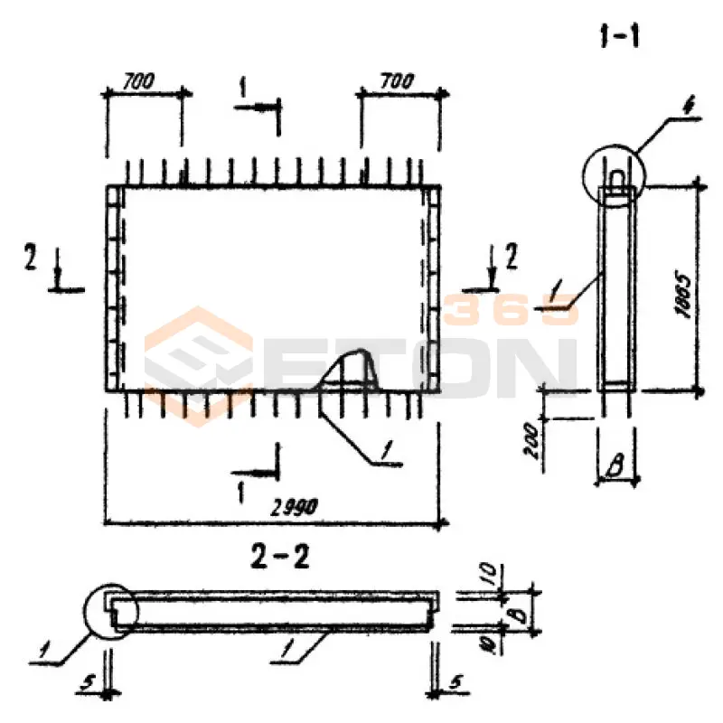
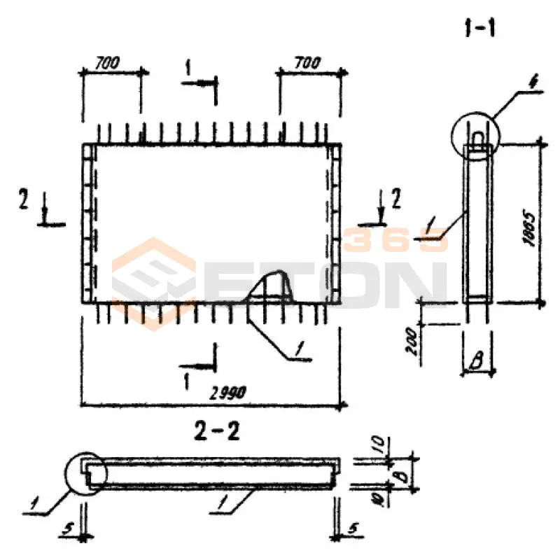
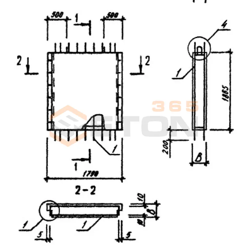
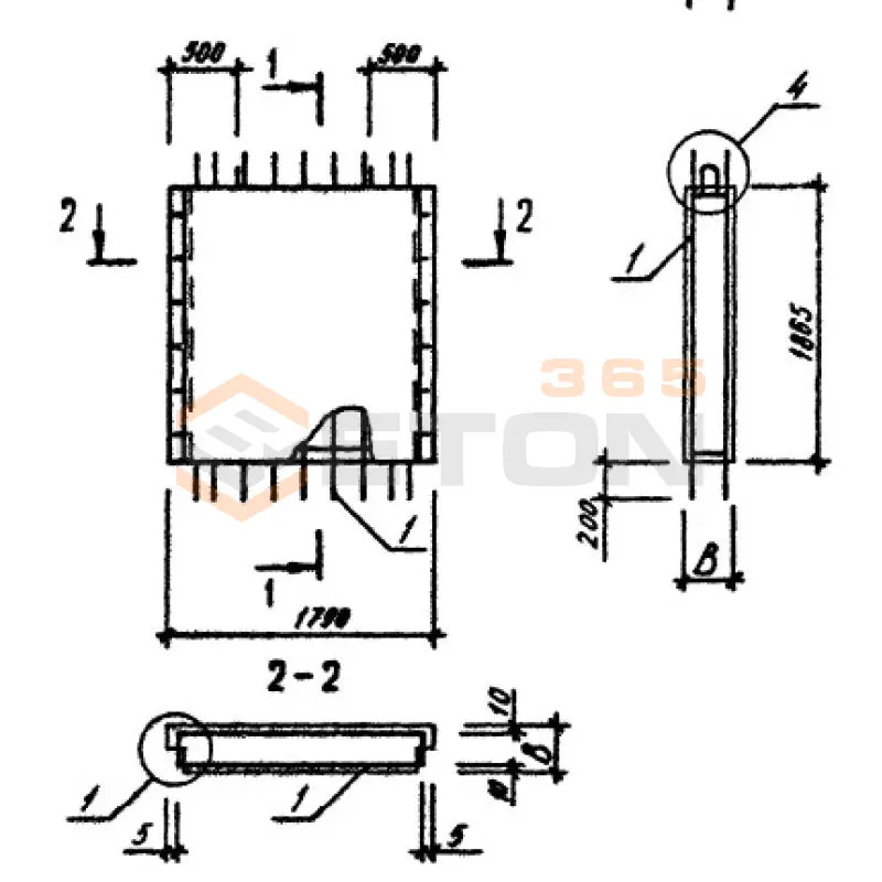
Документ Серия 1.090.1-3пв описывает область применения, номенклатуру и ключевые требования, опираясь на действующие нормы и практику проектирования. Регламент, Серия 1.090.1-3пв, разработанный КИЕВЗНИИЭП и введенный в действие в 1985 году, определяет и регламентирует подробные инструкции по производству сборных железобетонных конструкций межвидового применения, которые нашли широкое распространение при строительстве крупнопанельных общественных сооружений и промышленных зданий. изделия и конструкции рассчитаны на эксплуатацию в предприятиях с высотой этажа 3 и 3,3 метра, возводимых на территориях с просадочными грунтами и в подрабатываемых зонах. В номенклатурный перечень вошли изделия и конструкции: панели наружных и внутренних стен; а также элементы нулевого цикла.

Файлы для скачивания:
picture_as_pdf

4110.pdf

13,457.2 KB

скачать
picture_as_pdf

4111.pdf

19,945.9 KB

скачать
picture_as_pdf

4112.pdf

31,201.6 KB

скачать
picture_as_pdf

4113.pdf

18,978.3 KB

скачать
picture_as_pdf

4114.pdf

15,284.5 KB

скачать
picture_as_pdf

4115.pdf

26,074.4 KB

скачать
picture_as_pdf

4116.pdf

30,674.6 KB

скачать
picture_as_pdf

4117.pdf

11,182.3 KB

скачать
picture_as_pdf

4118.pdf

9,353.1 KB

скачать
picture_as_pdf

4119.pdf

5,761.1 KB

скачать
picture_as_pdf

4120.pdf

11,372.9 KB

скачать
picture_as_pdf

4121.pdf

13,319.7 KB

скачать
picture_as_pdf

4122.pdf

10,983.5 KB

скачать
picture_as_pdf

4123.pdf

25,330.0 KB

скачать
picture_as_pdf

4124.pdf

2,238.9 KB

скачать
Товары Серия 1.090.1-3пв (58)
1ПСЦ 30-21-3,0 п пв (1.090.1-3пв)
Панели стеновые нулевого цикла (цокольные) Серия 1.090.1-3пв
  • Длина 2990 мм.
  • Ширина 300 мм.
  • Высота 2100 мм.
  • Вес 2280 кг.
  • Объем бетона 1,619 м3
  • Геометрический объем 1,8837 м3
Цена: 67528 руб.
Подробнее
1ПСЦ 30-19-3,5 п пв (1.090.1-3пв)
Панели стеновые нулевого цикла (цокольные) Серия 1.090.1-3пв
  • Длина 2990 мм.
  • Ширина 350 мм.
  • Высота 1865 мм.
  • Вес 2470 кг.
  • Объем бетона 1,71 м3
  • Геометрический объем 1,9517 м3
Цена: 71324 руб.
Подробнее
1ПСЦ 30-19-3,0 п пв (1.090.1-3пв)
Панели стеновые нулевого цикла (цокольные) Серия 1.090.1-3пв
  • Длина 2990 мм.
  • Ширина 300 мм.
  • Высота 1865 мм.
  • Вес 2120 кг.
  • Объем бетона 1,43 м3
  • Геометрический объем 1,6729 м3
Цена: 59645 руб.
Подробнее
1ПСЦ 33-19-3,0 п пв (1.090.1-3пв)
Панели стеновые нулевого цикла (цокольные) Серия 1.090.1-3пв
  • Длина 3215 мм.
  • Ширина 300 мм.
  • Высота 1865 мм.
  • Вес 2220 кг.
  • Объем бетона 1,46 м3
  • Геометрический объем 1,7988 м3
Цена: 60897 руб.
Подробнее
1ПСЦ 33-19-3,5 п пв (1.090.1-3пв)
Панели стеновые нулевого цикла (цокольные) Серия 1.090.1-3пв
  • Длина 3265 мм.
  • Ширина 350 мм.
  • Высота 1865 мм.
  • Вес 2580 кг.
  • Объем бетона 1,73 м3
  • Геометрический объем 2,1312 м3
Цена: 72158 руб.
Подробнее
1ПСЦ 33-21-3,0 п пв (1.090.1-3пв)
Панели стеновые нулевого цикла (цокольные) Серия 1.090.1-3пв
  • Длина 3215 мм.
  • Ширина 300 мм.
  • Высота 2100 мм.
  • Вес 2410 кг.
  • Объем бетона 1,57 м3
  • Геометрический объем 2,0255 м3
Цена: 65485 руб.
Подробнее
1ПСЦ 30-21-3,5 п пв (1.090.1-3пв)
Панели стеновые нулевого цикла (цокольные) Серия 1.090.1-3пв
  • Длина 2990 мм.
  • Ширина 350 мм.
  • Высота 2100 мм.
  • Вес 2680 кг.
  • Объем бетона 1,905 м3
  • Геометрический объем 2,1976 м3
Цена: 79458 руб.
Подробнее
1ПСЦ 60-19-3,5 п пв (1.090.1-3пв)
Панели стеновые нулевого цикла (цокольные) Серия 1.090.1-3пв
  • Длина 5990 мм.
  • Ширина 350 мм.
  • Высота 1865 мм.
  • Вес 5050 кг.
  • Объем бетона 3,5 м3
  • Геометрический объем 3,91 м3
Цена: 145985 руб.
Подробнее
1ПСЦ 60-19-3,0 п пв (1.090.1-3пв)
Панели стеновые нулевого цикла (цокольные) Серия 1.090.1-3пв
  • Длина 5990 мм.
  • Ширина 300 мм.
  • Высота 1865 мм.
  • Вес 4340 кг.
  • Объем бетона 2,94 м3
  • Геометрический объем 3,3514 м3
Цена: 122627 руб.
Подробнее
1ПСЦ 60-21-3,0 п пв (1.090.1-3пв)
Панели стеновые нулевого цикла (цокольные) Серия 1.090.1-3пв
  • Длина 5990 мм.
  • Ширина 300 мм.
  • Высота 2100 мм.
  • Вес 4700 кг.
  • Объем бетона 3,289 м3
  • Геометрический объем 3,7737 м3
Цена: 137184 руб.
Подробнее
1ПСЦ 60-21-3,5 п пв (1.090.1-3пв)
Панели стеновые нулевого цикла (цокольные) Серия 1.090.1-3пв
  • Длина 5990 мм.
  • Ширина 350 мм.
  • Высота 2100 мм.
  • Вес 5490 кг.
  • Объем бетона 3,884 м3
  • Геометрический объем 4,4027 м3
Цена: 162002 руб.
Подробнее
1ПСЦ 33-21-3,5 п пв (1.090.1-3пв)
Панели стеновые нулевого цикла (цокольные) Серия 1.090.1-3пв
  • Длина 3265 мм.
  • Ширина 350 мм.
  • Высота 2100 мм.
  • Вес 2880 кг.
  • Объем бетона 1,93 м3
  • Геометрический объем 2,3998 м3
Цена: 80500 руб.
Подробнее
2ПСЦ 11-19-3,0 п пв (1.090.1-3пв)
Панели стеновые нулевого цикла (цокольные) Серия 1.090.1-3пв
  • Длина 1080 мм.
  • Ширина 300 мм.
  • Высота 1865 мм.
  • Вес 710 кг.
  • Объем бетона 0,52 м3
  • Геометрический объем 0,6043 м3
Цена: 21689 руб.
Подробнее
2ПСЦ 11-19-3,5 п пв (1.090.1-3пв)
Панели стеновые нулевого цикла (цокольные) Серия 1.090.1-3пв
  • Длина 1080 мм.
  • Ширина 350 мм.
  • Высота 1865 мм.
  • Вес 810 кг.
  • Объем бетона 0,63 м3
  • Геометрический объем 0,705 м3
Цена: 26277 руб.
Подробнее
2ПСЦ 11-21-3,0 п пв (1.090.1-3пв)
Панели стеновые нулевого цикла (цокольные) Серия 1.090.1-3пв
  • Длина 1100 мм.
  • Ширина 300 мм.
  • Высота 2100 мм.
  • Вес 650 кг.
  • Объем бетона 0,41 м3
  • Геометрический объем 0,693 м3
Цена: 17101 руб.
Подробнее
2ПСЦ 15-19-3,0 п пв (1.090.1-3пв)
Панели стеновые нулевого цикла (цокольные) Серия 1.090.1-3пв
  • Длина 1415 мм.
  • Ширина 300 мм.
  • Высота 1865 мм.
  • Вес 860 кг.
  • Объем бетона 0,85 м3
  • Геометрический объем 0,7917 м3
Цена: 35454 руб.
Подробнее
2ПСЦ 15-21-3,0 п пв (1.090.1-3пв)
Панели стеновые нулевого цикла (цокольные) Серия 1.090.1-3пв
  • Длина 1415 мм.
  • Ширина 300 мм.
  • Высота 2100 мм.
  • Вес 940 кг.
  • Объем бетона 0,653 м3
  • Геометрический объем 0,8914 м3
Цена: 27237 руб.
Подробнее
2ПСЦ 11-21-3,5 п пв (1.090.1-3пв)
Панели стеновые нулевого цикла (цокольные) Серия 1.090.1-3пв
  • Длина 1100 мм.
  • Ширина 350 мм.
  • Высота 2100 мм.
  • Вес 770 кг.
  • Объем бетона 0,51 м3
  • Геометрический объем 0,8085 м3
Цена: 21272 руб.
Подробнее
2ПСЦ 17-19-3,0 п пв (1.090.1-3пв)
Панели стеновые нулевого цикла (цокольные) Серия 1.090.1-3пв
  • Длина 1680 мм.
  • Ширина 300 мм.
  • Высота 1865 мм.
  • Вес 1170 кг.
  • Объем бетона 0,79 м3
  • Геометрический объем 0,94 м3
Цена: 32951 руб.
Подробнее
2ПСЦ 15-19-3,5 п пв (1.090.1-3пв)
Панели стеновые нулевого цикла (цокольные) Серия 1.090.1-3пв
  • Длина 1465 мм.
  • Ширина 350 мм.
  • Высота 1865 мм.
  • Вес 1000 кг.
  • Объем бетона 1,01 м3
  • Геометрический объем 0,9563 м3
Цена: 42127 руб.
Подробнее
2ПСЦ 15-21-3,5 п пв (1.090.1-3пв)
Панели стеновые нулевого цикла (цокольные) Серия 1.090.1-3пв
  • Длина 1465 мм.
  • Ширина 350 мм.
  • Высота 2100 мм.
  • Вес 1170 кг.
  • Объем бетона 0,776 м3
  • Геометрический объем 1,0768 м3
Цена: 32367 руб.
Подробнее
2ПСЦ 17-19-3,5 п пв (1.090.1-3пв)
Панели стеновые нулевого цикла (цокольные) Серия 1.090.1-3пв
  • Длина 1680 мм.
  • Ширина 350 мм.
  • Высота 1865 мм.
  • Вес 1350 кг.
  • Объем бетона 0,92 м3
  • Геометрический объем 1,0966 м3
Цена: 38373 руб.
Подробнее
2ПСЦ 17-21-3,0 п пв (1.090.1-3пв)
Панели стеновые нулевого цикла (цокольные) Серия 1.090.1-3пв
  • Длина 1700 мм.
  • Ширина 300 мм.
  • Высота 2100 мм.
  • Вес 1270 кг.
  • Объем бетона 0,83 м3
  • Геометрический объем 1,071 м3
Цена: 34619 руб.
Подробнее
2ПСЦ 17-21-3,5 п пв (1.090.1-3пв)
Панели стеновые нулевого цикла (цокольные) Серия 1.090.1-3пв
  • Длина 1700 мм.
  • Ширина 350 мм.
  • Высота 2100 мм.
  • Вес 1470 кг.
  • Объем бетона 0,988 м3
  • Геометрический объем 1,2495 м3
Цена: 41209 руб.
Подробнее
2ПСЦ 21-21-3,5 п пв (1.090.1-3пв)
Панели стеновые нулевого цикла (цокольные) Серия 1.090.1-3пв
  • Длина 2065 мм.
  • Ширина 350 мм.
  • Высота 2100 мм.
  • Вес 1740 кг.
  • Объем бетона 1,165 м3
  • Геометрический объем 1,5178 м3
Цена: 48592 руб.
Подробнее
2ПСЦ 29-19-3,0 п пв (1.090.1-3пв)
Панели стеновые нулевого цикла (цокольные) Серия 1.090.1-3пв
  • Длина 2880 мм.
  • Ширина 300 мм.
  • Высота 1865 мм.
  • Вес 2070 кг.
  • Объем бетона 1,38 м3
  • Геометрический объем 1,6114 м3
Цена: 57560 руб.
Подробнее
2ПСЦ 21-21-3,0 п пв (1.090.1-3пв)
Панели стеновые нулевого цикла (цокольные) Серия 1.090.1-3пв
  • Длина 2015 мм.
  • Ширина 300 мм.
  • Высота 2100 мм.
  • Вес 1430 кг.
  • Объем бетона 0,993 м3
  • Геометрический объем 1,2694 м3
Цена: 41418 руб.
Подробнее
2ПСЦ 29-19-3,5 п пв (1.090.1-3пв)
Панели стеновые нулевого цикла (цокольные) Серия 1.090.1-3пв
  • Длина 2880 мм.
  • Ширина 350 мм.
  • Высота 1865 мм.
  • Вес 2400 кг.
  • Объем бетона 1,64 м3
  • Геометрический объем 1,8799 м3
Цена: 68404 руб.
Подробнее
2ПСЦ 29-21-3,0 п пв (1.090.1-3пв)
Панели стеновые нулевого цикла (цокольные) Серия 1.090.1-3пв
  • Длина 2900 мм.
  • Ширина 300 мм.
  • Высота 2100 мм.
  • Вес 2250 кг.
  • Объем бетона 1,606 м3
  • Геометрический объем 1,827 м3
Цена: 66986 руб.
Подробнее
2ПСЦ 30-19-3,0 п пв (1.090.1-3пв)
Панели стеновые нулевого цикла (цокольные) Серия 1.090.1-3пв
  • Длина 2990 мм.
  • Ширина 300 мм.
  • Высота 1865 мм.
  • Вес 1560 кг.
  • Объем бетона 1,02 м3
  • Геометрический объем 1,6729 м3
Цена: 42544 руб.
Подробнее
2ПСЦ 29-21-3,5 п пв (1.090.1-3пв)
Панели стеновые нулевого цикла (цокольные) Серия 1.090.1-3пв
  • Длина 2900 мм.
  • Ширина 350 мм.
  • Высота 2100 мм.
  • Вес 2630 кг.
  • Объем бетона 1,887 м3
  • Геометрический объем 2,1315 м3
Цена: 78707 руб.
Подробнее
2ПСЦ 30-19-3,5 п пв (1.090.1-3пв)
Панели стеновые нулевого цикла (цокольные) Серия 1.090.1-3пв
  • Длина 2990 мм.
  • Ширина 350 мм.
  • Высота 1865 мм.
  • Вес 1810 кг.
  • Объем бетона 1,22 м3
  • Геометрический объем 1,9517 м3
Цена: 50886 руб.
Подробнее
2ПСЦ 33-19-3,0 п пв (1.090.1-3пв)
Панели стеновые нулевого цикла (цокольные) Серия 1.090.1-3пв
  • Длина 3215 мм.
  • Ширина 300 мм.
  • Высота 1865 мм.
  • Вес 2220 кг.
  • Объем бетона 1,46 м3
  • Геометрический объем 1,7988 м3
Цена: 60897 руб.
Подробнее
2ПСЦ 30-21-3,5 п пв (1.090.1-3пв)
Панели стеновые нулевого цикла (цокольные) Серия 1.090.1-3пв
  • Длина 2990 мм.
  • Ширина 350 мм.
  • Высота 2100 мм.
  • Вес 2000 кг.
  • Объем бетона 1,33 м3
  • Геометрический объем 2,1976 м3
Цена: 55474 руб.
Подробнее
2ПСЦ 30-21-3,0 п пв (1.090.1-3пв)
Панели стеновые нулевого цикла (цокольные) Серия 1.090.1-3пв
  • Длина 2990 мм.
  • Ширина 300 мм.
  • Высота 2100 мм.
  • Вес 1710 кг.
  • Объем бетона 1,1 м3
  • Геометрический объем 1,8837 м3
Цена: 45881 руб.
Подробнее
2ПСЦ 33-19-3,5 п пв (1.090.1-3пв)
Панели стеновые нулевого цикла (цокольные) Серия 1.090.1-3пв
  • Длина 3265 мм.
  • Ширина 350 мм.
  • Высота 1865 мм.
  • Вес 2580 кг.
  • Объем бетона 1,73 м3
  • Геометрический объем 2,1312 м3
Цена: 72158 руб.
Подробнее
2ПСЦ 33-21-3,5 п пв (1.090.1-3пв)
Панели стеновые нулевого цикла (цокольные) Серия 1.090.1-3пв
  • Длина 3265 мм.
  • Ширина 350 мм.
  • Высота 2100 мм.
  • Вес 2880 кг.
  • Объем бетона 1,93 м3
  • Геометрический объем 2,3998 м3
Цена: 80500 руб.
Подробнее
ПСЦ 12-19-3,0 п пв (1.090.1-3пв)
Панели стеновые нулевого цикла (цокольные) Серия 1.090.1-3пв
  • Длина 1190 мм.
  • Ширина 300 мм.
  • Высота 1865 мм.
  • Вес 800 кг.
  • Объем бетона 0,52 м3
  • Геометрический объем 0,6658 м3
Цена: 21689 руб.
Подробнее
2ПСЦ 33-21-3,0 п пв (1.090.1-3пв)
Панели стеновые нулевого цикла (цокольные) Серия 1.090.1-3пв
  • Длина 3215 мм.
  • Ширина 300 мм.
  • Высота 2100 мм.
  • Вес 2410 кг.
  • Объем бетона 1,57 м3
  • Геометрический объем 2,0255 м3
Цена: 65485 руб.
Подробнее
ПСЦ 12-19-3,5 п пв (1.090.1-3пв)
Панели стеновые нулевого цикла (цокольные) Серия 1.090.1-3пв
  • Длина 1190 мм.
  • Ширина 350 мм.
  • Высота 1865 мм.
  • Вес 950 кг.
  • Объем бетона 0,63 м3
  • Геометрический объем 0,7768 м3
Цена: 26277 руб.
Подробнее
ПСЦ 12-21-3,5 п пв (1.090.1-3пв)
Панели стеновые нулевого цикла (цокольные) Серия 1.090.1-3пв
  • Длина 1190 мм.
  • Ширина 350 мм.
  • Высота 2100 мм.
  • Вес 1100 кг.
  • Объем бетона 0,679 м3
  • Геометрический объем 0,8747 м3
Цена: 28321 руб.
Подробнее
ПСЦ 12-21-3,0 п пв (1.090.1-3пв)
Панели стеновые нулевого цикла (цокольные) Серия 1.090.1-3пв
  • Длина 1190 мм.
  • Ширина 300 мм.
  • Высота 2100 мм.
  • Вес 850 кг.
  • Объем бетона 0,587 м3
  • Геометрический объем 0,7497 м3
Цена: 24484 руб.
Подробнее
ПСЦ 18-19-3,0 п пв (1.090.1-3пв)
Панели стеновые нулевого цикла (цокольные) Серия 1.090.1-3пв
  • Длина 1790 мм.
  • Ширина 300 мм.
  • Высота 1865 мм.
  • Вес 1260 кг.
  • Объем бетона 0,83 м3
  • Геометрический объем 1,0015 м3
Цена: 34619 руб.
Подробнее
ПСЦ 18-19-3,5 п пв (1.090.1-3пв)
Панели стеновые нулевого цикла (цокольные) Серия 1.090.1-3пв
  • Длина 1790 мм.
  • Ширина 350 мм.
  • Высота 1865 мм.
  • Вес 1470 кг.
  • Объем бетона 0,99 м3
  • Геометрический объем 1,1684 м3
Цена: 41293 руб.
Подробнее
ПСЦ 18-21-3,0 п пв (1.090.1-3пв)
Панели стеновые нулевого цикла (цокольные) Серия 1.090.1-3пв
  • Длина 1790 мм.
  • Ширина 300 мм.
  • Высота 2100 мм.
  • Вес 1340 кг.
  • Объем бетона 0,87 м3
  • Геометрический объем 1,1277 м3
Цена: 36288 руб.
Подробнее
ПСЦ 18-21-3,5 п пв (1.090.1-3пв)
Панели стеновые нулевого цикла (цокольные) Серия 1.090.1-3пв
  • Длина 1790 мм.
  • Ширина 350 мм.
  • Высота 2100 мм.
  • Вес 1580 кг.
  • Объем бетона 0,988 м3
  • Геометрический объем 1,3156 м3
Цена: 41209 руб.
Подробнее
ПСЦ 28-19-3,5 п пв (1.090.1-3пв)
Панели стеновые нулевого цикла (цокольные) Серия 1.090.1-3пв
  • Длина 2770 мм.
  • Ширина 350 мм.
  • Высота 1865 мм.
  • Вес 2280 кг.
  • Объем бетона 1,57 м3
  • Геометрический объем 1,8081 м3
Цена: 65485 руб.
Подробнее
ПСЦ 28-19-3,0 п пв (1.090.1-3пв)
Панели стеновые нулевого цикла (цокольные) Серия 1.090.1-3пв
  • Длина 2770 мм.
  • Ширина 300 мм.
  • Высота 1865 мм.
  • Вес 1990 кг.
  • Объем бетона 1,34 м3
  • Геометрический объем 1,5498 м3
Цена: 55891 руб.
Подробнее
ПСЦ 28-21-3,0 п пв (1.090.1-3пв)
Панели стеновые нулевого цикла (цокольные) Серия 1.090.1-3пв
  • Длина 2810 мм.
  • Ширина 300 мм.
  • Высота 2100 мм.
  • Вес 2180 кг.
  • Объем бетона 1,46 м3
  • Геометрический объем 1,7703 м3
Цена: 60897 руб.
Подробнее
ПСЦ 28-21-3,5 п пв (1.090.1-3пв)
Панели стеновые нулевого цикла (цокольные) Серия 1.090.1-3пв
  • Длина 2810 мм.
  • Ширина 350 мм.
  • Высота 2100 мм.
  • Вес 2510 кг.
  • Объем бетона 1,72 м3
  • Геометрический объем 2,0654 м3
Цена: 71741 руб.
Подробнее
ПСЦ 30-19-3,0 п пв (1.090.1-3пв)
Панели стеновые нулевого цикла (цокольные) Серия 1.090.1-3пв
  • Длина 2990 мм.
  • Ширина 300 мм.
  • Высота 1865 мм.
  • Вес 2160 кг.
  • Объем бетона 1,43 м3
  • Геометрический объем 1,6729 м3
Цена: 59645 руб.
Подробнее
ПСЦ 30-19-3,5 п пв (1.090.1-3пв)
Панели стеновые нулевого цикла (цокольные) Серия 1.090.1-3пв
  • Длина 2990 мм.
  • Ширина 350 мм.
  • Высота 1865 мм.
  • Вес 2520 кг.
  • Объем бетона 1,71 м3
  • Геометрический объем 1,9517 м3
Цена: 71324 руб.
Подробнее
ПСЦ 30-21-3,0 п пв (1.090.1-3пв)
Панели стеновые нулевого цикла (цокольные) Серия 1.090.1-3пв
  • Длина 2990 мм.
  • Ширина 300 мм.
  • Высота 2100 мм.
  • Вес 2320 кг.
  • Объем бетона 1,619 м3
  • Геометрический объем 1,8837 м3
Цена: 67528 руб.
Подробнее
ПСЦ 60-19-3,0 п пв (1.090.1-3пв)
Панели стеновые нулевого цикла (цокольные) Серия 1.090.1-3пв
  • Длина 5990 мм.
  • Ширина 300 мм.
  • Высота 1865 мм.
  • Вес 4430 кг.
  • Объем бетона 2,94 м3
  • Геометрический объем 3,3514 м3
Цена: 122627 руб.
Подробнее
ПСЦ 30-21-3,5 п пв (1.090.1-3пв)
Панели стеновые нулевого цикла (цокольные) Серия 1.090.1-3пв
  • Длина 2990 мм.
  • Ширина 350 мм.
  • Высота 2100 мм.
  • Вес 2730 кг.
  • Объем бетона 1,905 м3
  • Геометрический объем 2,1976 м3
Цена: 79458 руб.
Подробнее
ПСЦ 60-19-3,5 п пв (1.090.1-3пв)
Панели стеновые нулевого цикла (цокольные) Серия 1.090.1-3пв
  • Длина 5990 мм.
  • Ширина 350 мм.
  • Высота 1865 мм.
  • Вес 5150 кг.
  • Объем бетона 3,5 м3
  • Геометрический объем 3,91 м3
Цена: 145985 руб.
Подробнее
ПСЦ 60-21-3,0 п пв (1.090.1-3пв)
Панели стеновые нулевого цикла (цокольные) Серия 1.090.1-3пв
  • Длина 5990 мм.
  • Ширина 300 мм.
  • Высота 2100 мм.
  • Вес 4780 кг.
  • Объем бетона 3,289 м3
  • Геометрический объем 3,7737 м3
Цена: 137184 руб.
Подробнее
ПСЦ 60-21-3,5 п пв (1.090.1-3пв)
Панели стеновые нулевого цикла (цокольные) Серия 1.090.1-3пв
  • Длина 5990 мм.
  • Ширина 350 мм.
  • Высота 2100 мм.
  • Вес 5550 кг.
  • Объем бетона 3,884 м3
  • Геометрический объем 4,4027 м3
Цена: 162002 руб.
Подробнее

Уведомление о файлах cookie

Мы используем файлы cookie для улучшения вашего опыта просмотра и анализа трафика. Нажимая "Принять все", вы соглашаетесь с нашей политикой конфиденциальности и политикой обработки файлов cookie.

Дзен Телеграм Вконтакте vk