mobile_sound +7 (930) 655-55-90

Типовые конструкции и железобетонные изделия. Рабочие чертежи (Серия 1.090.1-3пв)

Поделиться:
Поделиться:

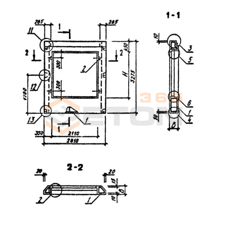
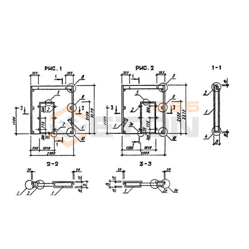
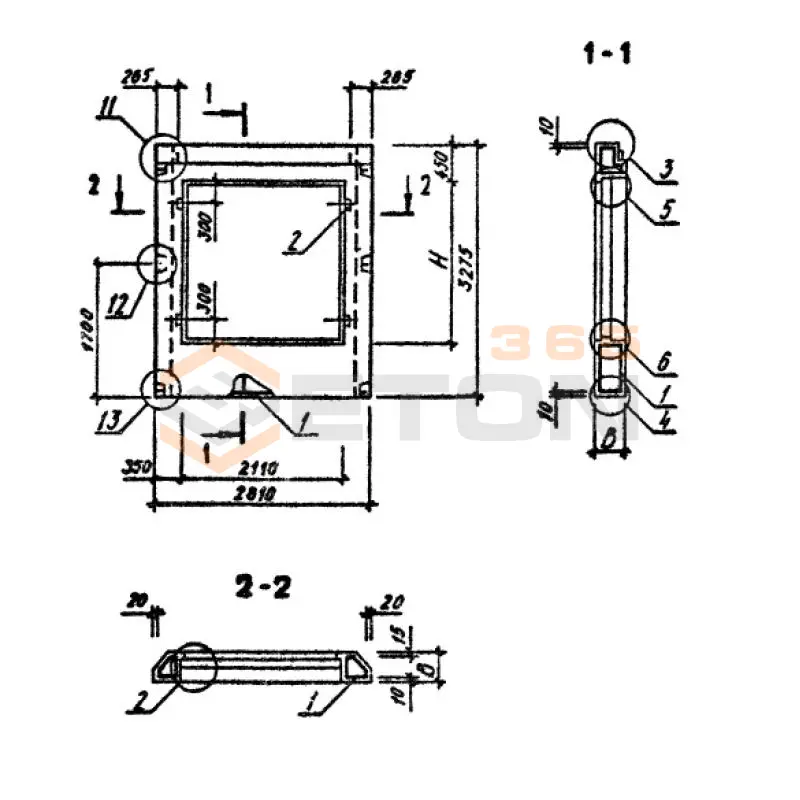
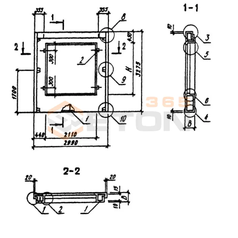
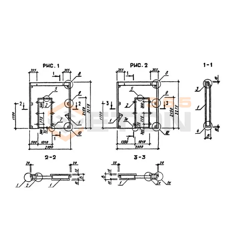
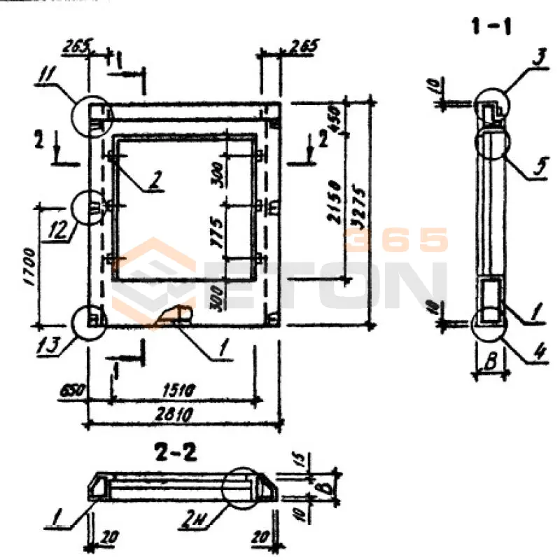
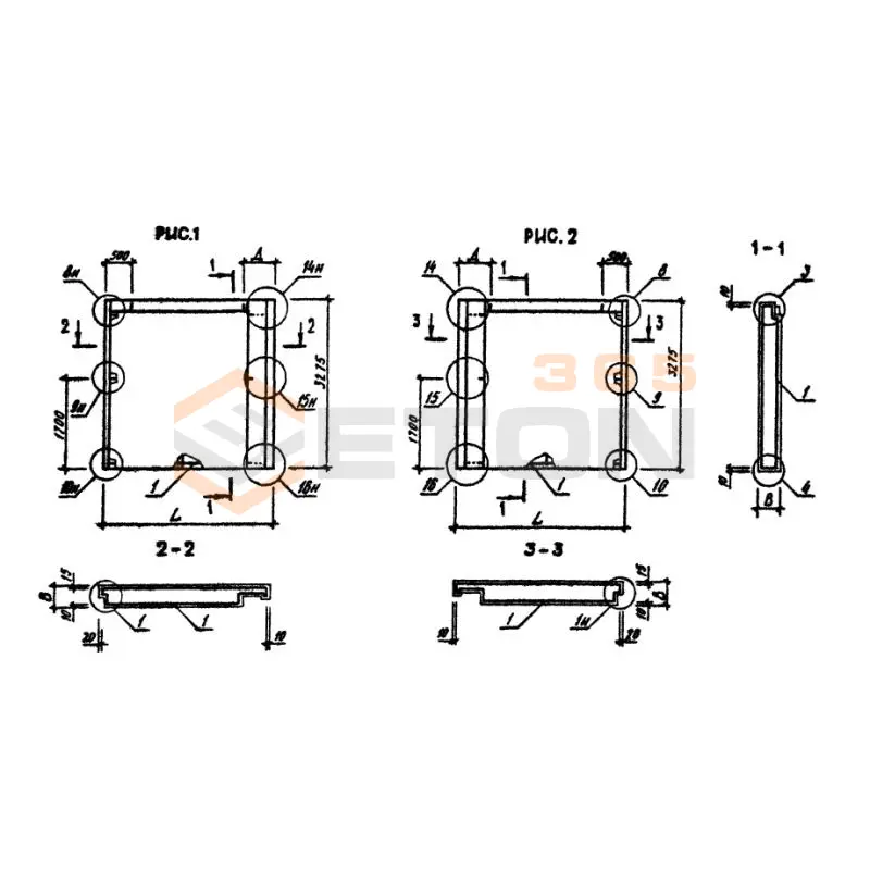
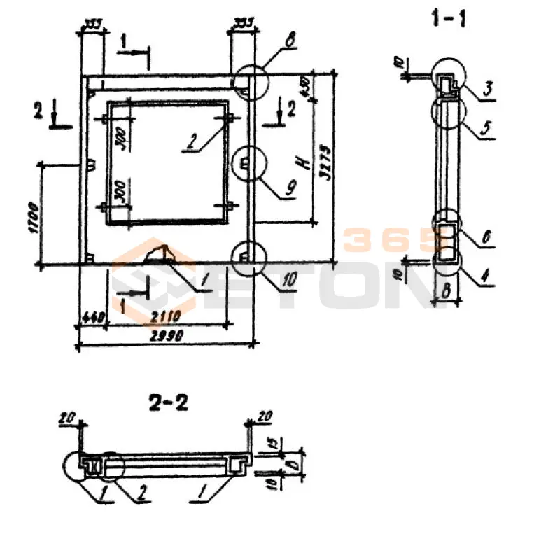
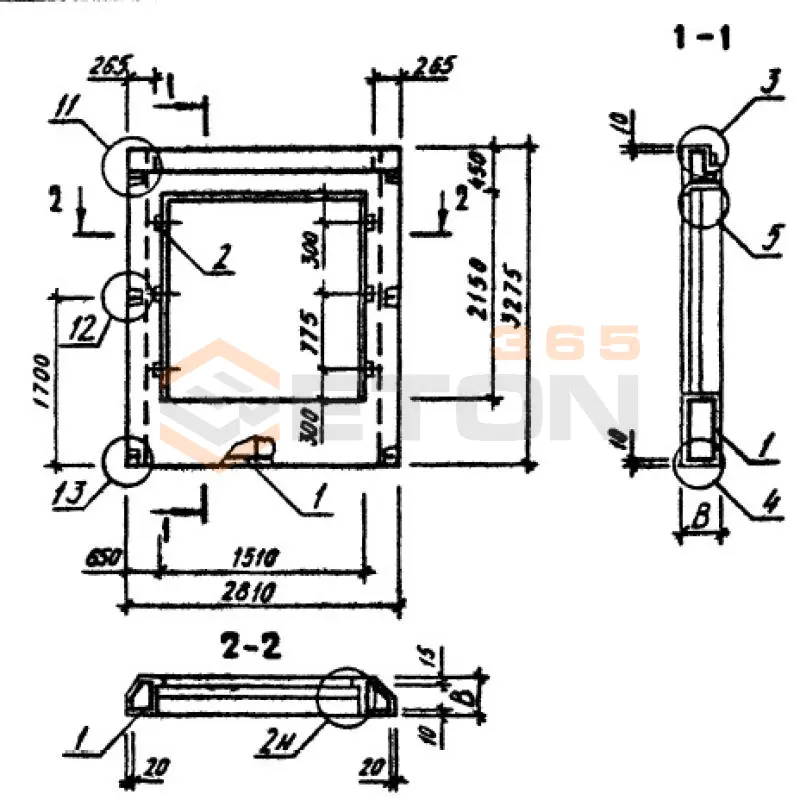
Документ Серия 1.090.1-3пв описывает область применения, номенклатуру и ключевые требования, опираясь на действующие нормы и практику проектирования. Регламент, Серия 1.090.1-3пв, разработанный КИЕВЗНИИЭП и введенный в действие в 1985 году, определяет и регламентирует подробные инструкции по производству сборных железобетонных конструкций межвидового применения, которые нашли широкое распространение при строительстве крупнопанельных общественных сооружений и промышленных зданий. изделия и конструкции рассчитаны на эксплуатацию в предприятиях с высотой этажа 3 и 3,3 метра, возводимых на территориях с просадочными грунтами и в подрабатываемых зонах. В номенклатурный перечень вошли изделия и конструкции: панели наружных и внутренних стен; а также элементы нулевого цикла.

Файлы для скачивания:
picture_as_pdf

4110.pdf

13,457.2 KB

скачать
picture_as_pdf

4111.pdf

19,945.9 KB

скачать
picture_as_pdf

4112.pdf

31,201.6 KB

скачать
picture_as_pdf

4113.pdf

18,978.3 KB

скачать
picture_as_pdf

4114.pdf

15,284.5 KB

скачать
picture_as_pdf

4115.pdf

26,074.4 KB

скачать
picture_as_pdf

4116.pdf

30,674.6 KB

скачать
picture_as_pdf

4117.pdf

11,182.3 KB

скачать
picture_as_pdf

4118.pdf

9,353.1 KB

скачать
picture_as_pdf

4119.pdf

5,761.1 KB

скачать
picture_as_pdf

4120.pdf

11,372.9 KB

скачать
picture_as_pdf

4121.pdf

13,319.7 KB

скачать
picture_as_pdf

4122.pdf

10,983.5 KB

скачать
picture_as_pdf

4123.pdf

25,330.0 KB

скачать
picture_as_pdf

4124.pdf

2,238.9 KB

скачать
Товары Серия 1.090.1-3пв (60)
1ПСО 60-33-3,5-1 п пв (1.090.1-3пв)
Панели наружных стен однослойные Серия 1.090.1-3пв
  • Длина 5990 мм.
  • Ширина 350 мм.
  • Высота 3275 мм.
  • Вес 3980 кг.
  • Объем бетона 3,23 м3
  • Геометрический объем 6,866 м3
Цена: 109659 руб.
Подробнее
1ПСО 60-33-3,5-2 п пв (1.090.1-3пв)
Панели наружных стен однослойные Серия 1.090.1-3пв
  • Длина 5990 мм.
  • Ширина 350 мм.
  • Высота 3275 мм.
  • Вес 3980 кг.
  • Объем бетона 3,23 м3
  • Геометрический объем 6,866 м3
Цена: 109659 руб.
Подробнее
1ПСП 11-10-2,6 п пв (1.090.1-3пв)
Панели наружных стен однослойные Серия 1.090.1-3пв
  • Длина 1100 мм.
  • Ширина 260 мм.
  • Высота 1000 мм.
  • Вес 300 кг.
  • Объем бетона 0,24 м3
  • Геометрический объем 0,286 м3
Цена: 8148 руб.
Подробнее
1ПСП 11-10-3,1 п пв (1.090.1-3пв)
Панели наружных стен однослойные Серия 1.090.1-3пв
  • Длина 1100 мм.
  • Ширина 310 мм.
  • Высота 1000 мм.
  • Вес 350 кг.
  • Объем бетона 0,28 м3
  • Геометрический объем 0,341 м3
Цена: 9506 руб.
Подробнее
1ПСП 17-10-2,6 п пв (1.090.1-3пв)
Панели наружных стен однослойные Серия 1.090.1-3пв
  • Длина 1700 мм.
  • Ширина 260 мм.
  • Высота 1000 мм.
  • Вес 470 кг.
  • Объем бетона 0,38 м3
  • Геометрический объем 0,442 м3
Цена: 12901 руб.
Подробнее
1ПСП 15-10-3,1 п пв (1.090.1-3пв)
Панели наружных стен однослойные Серия 1.090.1-3пв
  • Длина 1515 мм.
  • Ширина 310 мм.
  • Высота 1000 мм.
  • Вес 530 кг.
  • Объем бетона 0,43 м3
  • Геометрический объем 0,4697 м3
Цена: 14599 руб.
Подробнее
1ПСП 21-10-2,6 п пв (1.090.1-3пв)
Панели наружных стен однослойные Серия 1.090.1-3пв
  • Длина 2065 мм.
  • Ширина 260 мм.
  • Высота 1000 мм.
  • Вес 620 кг.
  • Объем бетона 0,409 м3
  • Геометрический объем 0,5369 м3
Цена: 13886 руб.
Подробнее
1ПСП 15-10-2,6 п пв (1.090.1-3пв)
Панели наружных стен однослойные Серия 1.090.1-3пв
  • Длина 1495 мм.
  • Ширина 260 мм.
  • Высота 1000 мм.
  • Вес 440 кг.
  • Объем бетона 0,287 м3
  • Геометрический объем 0,3887 м3
Цена: 9744 руб.
Подробнее
1ПСП 17-10-3,1 п пв (1.090.1-3пв)
Панели наружных стен однослойные Серия 1.090.1-3пв
  • Длина 1700 мм.
  • Ширина 310 мм.
  • Высота 1000 мм.
  • Вес 560 кг.
  • Объем бетона 0,45 м3
  • Геометрический объем 0,527 м3
Цена: 15278 руб.
Подробнее
1ПСП 21-10-3,1 п пв (1.090.1-3пв)
Панели наружных стен однослойные Серия 1.090.1-3пв
  • Длина 2115 мм.
  • Ширина 310 мм.
  • Высота 1000 мм.
  • Вес 740 кг.
  • Объем бетона 0,6 м3
  • Геометрический объем 0,6556 м3
Цена: 20370 руб.
Подробнее
1ПСП 33-10-3,1 п пв (1.090.1-3пв)
Панели наружных стен однослойные Серия 1.090.1-3пв
  • Длина 3315 мм.
  • Ширина 310 мм.
  • Высота 1000 мм.
  • Вес 1160 кг.
  • Объем бетона 0,94 м3
  • Геометрический объем 1,0276 м3
Цена: 31913 руб.
Подробнее
2ПС 11-33-4,0 п пв (1.090.1-3пв)
Панели наружных стен однослойные Серия 1.090.1-3пв
  • Длина 1100 мм.
  • Ширина 400 мм.
  • Высота 3275 мм.
  • Вес 1410 кг.
  • Объем бетона 0,888 м3
  • Геометрический объем 1,441 м3
Цена: 30148 руб.
Подробнее
2ПС 15-33-3,5 п пв (1.090.1-3пв)
Панели наружных стен однослойные Серия 1.090.1-3пв
  • Длина 1495 мм.
  • Ширина 350 мм.
  • Высота 3275 мм.
  • Вес 1560 кг.
  • Объем бетона 1,197 м3
  • Геометрический объем 1,7136 м3
Цена: 40638 руб.
Подробнее
1ПСП 33-10-2,6 п пв (1.090.1-3пв)
Панели наружных стен однослойные Серия 1.090.1-3пв
  • Длина 3265 мм.
  • Ширина 260 мм.
  • Высота 1000 мм.
  • Вес 970 кг.
  • Объем бетона 0,78 м3
  • Геометрический объем 0,8489 м3
Цена: 26481 руб.
Подробнее
2ПС 11-33-3,5 п пв (1.090.1-3пв)
Панели наружных стен однослойные Серия 1.090.1-3пв
  • Длина 1100 мм.
  • Ширина 350 мм.
  • Высота 3275 мм.
  • Вес 1250 кг.
  • Объем бетона 1,01 м3
  • Геометрический объем 1,2609 м3
Цена: 34290 руб.
Подробнее
2ПС 15-33-4,0 п пв (1.090.1-3пв)
Панели наружных стен однослойные Серия 1.090.1-3пв
  • Длина 1495 мм.
  • Ширина 400 мм.
  • Высота 3275 мм.
  • Вес 1880 кг.
  • Объем бетона 1,378 м3
  • Геометрический объем 1,9585 м3
Цена: 46783 руб.
Подробнее
2ПС 17-33-3,5 п пв (1.090.1-3пв)
Панели наружных стен однослойные Серия 1.090.1-3пв
  • Длина 1700 мм.
  • Ширина 350 мм.
  • Высота 3275 мм.
  • Вес 200 кг.
  • Объем бетона 1,63 м3
  • Геометрический объем 1,9486 м3
Цена: 55339 руб.
Подробнее
2ПС 21-33-3,5 п пв (1.090.1-3пв)
Панели наружных стен однослойные Серия 1.090.1-3пв
  • Длина 2095 мм.
  • Ширина 350 мм.
  • Высота 3275 мм.
  • Вес 2330 кг.
  • Объем бетона 1,803 м3
  • Геометрический объем 2,4014 м3
Цена: 61212 руб.
Подробнее
2ПС 17-33-4,0 п пв (1.090.1-3пв)
Панели наружных стен однослойные Серия 1.090.1-3пв
  • Длина 1700 мм.
  • Ширина 400 мм.
  • Высота 3275 мм.
  • Вес 2280 кг.
  • Объем бетона 1,868 м3
  • Геометрический объем 2,227 м3
Цена: 63419 руб.
Подробнее
2ПС 21-33-4,0 п пв (1.090.1-3пв)
Панели наружных стен однослойные Серия 1.090.1-3пв
  • Длина 2095 мм.
  • Ширина 400 мм.
  • Высота 3275 мм.
  • Вес 2750 кг.
  • Объем бетона 2,082 м3
  • Геометрический объем 2,7445 м3
Цена: 70684 руб.
Подробнее
2ПС 29-16-3,5 п пв (1.090.1-3пв)
Панели наружных стен однослойные Серия 1.090.1-3пв
  • Длина 2900 мм.
  • Ширина 350 мм.
  • Высота 1625 мм.
  • Вес 1720 кг.
  • Объем бетона 1,379 м3
  • Геометрический объем 1,6494 м3
Цена: 46817 руб.
Подробнее
2ПС 29-33-4,0 п пв (1.090.1-3пв)
Панели наружных стен однослойные Серия 1.090.1-3пв
  • Длина 2900 мм.
  • Ширина 400 мм.
  • Высота 3275 мм.
  • Вес 4030 кг.
  • Объем бетона 3,27 м3
  • Геометрический объем 3,799 м3
Цена: 111017 руб.
Подробнее
2ПС 29-16-4,0 п пв (1.090.1-3пв)
Панели наружных стен однослойные Серия 1.090.1-3пв
  • Длина 2900 мм.
  • Ширина 400 мм.
  • Высота 1625 мм.
  • Вес 1720 кг.
  • Объем бетона 1,594 м3
  • Геометрический объем 1,885 м3
Цена: 54116 руб.
Подробнее
2ПС 33-16-3,5 п пв (1.090.1-3пв)
Панели наружных стен однослойные Серия 1.090.1-3пв
  • Длина 3265 мм.
  • Ширина 350 мм.
  • Высота 1625 мм.
  • Вес 1880 кг.
  • Объем бетона 1,52 м3
  • Геометрический объем 1,857 м3
Цена: 51604 руб.
Подробнее
2ПС 33-16-4,0 п пв (1.090.1-3пв)
Панели наружных стен однослойные Серия 1.090.1-3пв
  • Длина 3315 мм.
  • Ширина 400 мм.
  • Высота 1625 мм.
  • Вес 2200 кг.
  • Объем бетона 1,78 м3
  • Геометрический объем 2,1547 м3
Цена: 60431 руб.
Подробнее
2ПС 29-33-3,5 п пв (1.090.1-3пв)
Панели наружных стен однослойные Серия 1.090.1-3пв
  • Длина 2900 мм.
  • Ширина 350 мм.
  • Высота 3275 мм.
  • Вес 3550 кг.
  • Объем бетона 2,88 м3
  • Геометрический объем 3,3241 м3
Цена: 97776 руб.
Подробнее
2ПС 33-33-3,5 п пв (1.090.1-3пв)
Панели наружных стен однослойные Серия 1.090.1-3пв
  • Длина 3295 мм.
  • Ширина 350 мм.
  • Высота 3275 мм.
  • Вес 3860 кг.
  • Объем бетона 3,13 м3
  • Геометрический объем 3,7769 м3
Цена: 106264 руб.
Подробнее
2ПСД 28-33-3,5-2 п пв (1.090.1-3пв)
Панели наружных стен однослойные Серия 1.090.1-3пв
  • Длина 2810 мм.
  • Ширина 350 мм.
  • Высота 3275 мм.
  • Вес 2120 кг.
  • Объем бетона 1,72 м3
  • Геометрический объем 3,221 м3
Цена: 58394 руб.
Подробнее
2ПСД 28-33-4,0-2 п пв (1.090.1-3пв)
Панели наружных стен однослойные Серия 1.090.1-3пв
  • Длина 2810 мм.
  • Ширина 400 мм.
  • Высота 3275 мм.
  • Вес 2370 кг.
  • Объем бетона 1,92 м3
  • Геометрический объем 3,6811 м3
Цена: 65184 руб.
Подробнее
2ПСД 29-33-4,0-1 п пв (1.090.1-3пв)
Панели наружных стен однослойные Серия 1.090.1-3пв
  • Длина 2900 мм.
  • Ширина 400 мм.
  • Высота 3275 мм.
  • Вес 1320 кг.
  • Объем бетона 1,07 м3
  • Геометрический объем 3,799 м3
Цена: 36327 руб.
Подробнее
2ПС 33-33-4,0 п пв (1.090.1-3пв)
Панели наружных стен однослойные Серия 1.090.1-3пв
  • Длина 3295 мм.
  • Ширина 400 мм.
  • Высота 3275 мм.
  • Вес 4510 кг.
  • Объем бетона 3,66 м3
  • Геометрический объем 4,3164 м3
Цена: 124257 руб.
Подробнее
2ПСД 29-33-3,5-1 п пв (1.090.1-3пв)
Панели наружных стен однослойные Серия 1.090.1-3пв
  • Длина 2900 мм.
  • Ширина 350 мм.
  • Высота 3275 мм.
  • Вес 1170 кг.
  • Объем бетона 0,95 м3
  • Геометрический объем 3,3241 м3
Цена: 32253 руб.
Подробнее
2ПСД 29-33-3,5-2 п пв (1.090.1-3пв)
Панели наружных стен однослойные Серия 1.090.1-3пв
  • Длина 2900 мм.
  • Ширина 350 мм.
  • Высота 3275 мм.
  • Вес 1170 кг.
  • Объем бетона 0,95 м3
  • Геометрический объем 3,3241 м3
Цена: 32253 руб.
Подробнее
2ПСД 29-33-4,0-2 п пв (1.090.1-3пв)
Панели наружных стен однослойные Серия 1.090.1-3пв
  • Длина 2900 мм.
  • Ширина 400 мм.
  • Высота 3275 мм.
  • Вес 1320 кг.
  • Объем бетона 1,07 м3
  • Геометрический объем 3,799 м3
Цена: 36327 руб.
Подробнее
2ПСД 30-33-3,5-2 п пв (1.090.1-3пв)
Панели наружных стен однослойные Серия 1.090.1-3пв
  • Длина 2990 мм.
  • Ширина 350 мм.
  • Высота 3275 мм.
  • Вес 2780 кг.
  • Объем бетона 2,26 м3
  • Геометрический объем 3,4273 м3
Цена: 76727 руб.
Подробнее
2ПСЛ 29-33-4,0-2 п пв (1.090.1-3пв)
Панели наружных стен однослойные Серия 1.090.1-3пв
  • Длина 2900 мм.
  • Ширина 400 мм.
  • Высота 3275 мм.
  • Вес 2920 кг.
  • Объем бетона 2,37 м3
  • Геометрический объем 3,799 м3
Цена: 80462 руб.
Подробнее
2ПСЛ 29-33-3,5-2 п пв (1.090.1-3пв)
Панели наружных стен однослойные Серия 1.090.1-3пв
  • Длина 2900 мм.
  • Ширина 350 мм.
  • Высота 3275 мм.
  • Вес 2250 кг.
  • Объем бетона 1,82 м3
  • Геометрический объем 3,3241 м3
Цена: 61789 руб.
Подробнее
2ПСЛ 30-33-3,5-2 п пв (1.090.1-3пв)
Панели наружных стен однослойные Серия 1.090.1-3пв
  • Длина 2990 мм.
  • Ширина 350 мм.
  • Высота 3275 мм.
  • Вес 3340 кг.
  • Объем бетона 2,71 м3
  • Геометрический объем 3,4273 м3
Цена: 92005 руб.
Подробнее
2ПСД 30-33-4,0-2 п пв (1.090.1-3пв)
Панели наружных стен однослойные Серия 1.090.1-3пв
  • Длина 2990 мм.
  • Ширина 400 мм.
  • Высота 3275 мм.
  • Вес 3190 кг.
  • Объем бетона 2,59 м3
  • Геометрический объем 3,9169 м3
Цена: 87931 руб.
Подробнее
2ПСО 28-33-3,5-1 п пв (1.090.1-3пв)
Панели наружных стен однослойные Серия 1.090.1-3пв
  • Длина 2810 мм.
  • Ширина 350 мм.
  • Высота 3275 мм.
  • Вес 1910 кг.
  • Объем бетона 1,55 м3
  • Геометрический объем 3,221 м3
Цена: 52623 руб.
Подробнее
2ПСО 28-33-4,0-1 п пв (1.090.1-3пв)
Панели наружных стен однослойные Серия 1.090.1-3пв
  • Длина 2810 мм.
  • Ширина 400 мм.
  • Высота 3275 мм.
  • Вес 2120 кг.
  • Объем бетона 1,72 м3
  • Геометрический объем 3,6811 м3
Цена: 58394 руб.
Подробнее
2ПСЛ 30-33-4,0-2 п пв (1.090.1-3пв)
Панели наружных стен однослойные Серия 1.090.1-3пв
  • Длина 2990 мм.
  • Ширина 400 мм.
  • Высота 3275 мм.
  • Вес 3830 кг.
  • Объем бетона 3,11 м3
  • Геометрический объем 3,9169 м3
Цена: 105585 руб.
Подробнее
2ПСО 28-33-3,5-2 п пв (1.090.1-3пв)
Панели наружных стен однослойные Серия 1.090.1-3пв
  • Длина 2810 мм.
  • Ширина 350 мм.
  • Высота 3275 мм.
  • Вес 1910 кг.
  • Объем бетона 1,55 м3
  • Геометрический объем 3,221 м3
Цена: 52623 руб.
Подробнее
2ПСО 29-33-3,5-1 п пв (1.090.1-3пв)
Панели наружных стен однослойные Серия 1.090.1-3пв
  • Длина 2900 мм.
  • Ширина 350 мм.
  • Высота 3275 мм.
  • Вес 1790 кг.
  • Объем бетона 0,716 м3
  • Геометрический объем 3,3241 м3
Цена: 24308 руб.
Подробнее
2ПСО 28-33-4,0-2 п пв (1.090.1-3пв)
Панели наружных стен однослойные Серия 1.090.1-3пв
  • Длина 2810 мм.
  • Ширина 400 мм.
  • Высота 3275 мм.
  • Вес 2120 кг.
  • Объем бетона 1,72 м3
  • Геометрический объем 3,6811 м3
Цена: 58394 руб.
Подробнее
2ПСО 29-33-3,5-2 п пв (1.090.1-3пв)
Панели наружных стен однослойные Серия 1.090.1-3пв
  • Длина 2900 мм.
  • Ширина 350 мм.
  • Высота 3275 мм.
  • Вес 1790 кг.
  • Объем бетона 0,716 м3
  • Геометрический объем 3,3241 м3
Цена: 24308 руб.
Подробнее
2ПСО 29-33-4,0-2 п пв (1.090.1-3пв)
Панели наружных стен однослойные Серия 1.090.1-3пв
  • Длина 2900 мм.
  • Ширина 400 мм.
  • Высота 3275 мм.
  • Вес 2020 кг.
  • Объем бетона 1,64 м3
  • Геометрический объем 3,799 м3
Цена: 55678 руб.
Подробнее
2ПСО 30-33-3,5-2 п пв (1.090.1-3пв)
Панели наружных стен однослойные Серия 1.090.1-3пв
  • Длина 2990 мм.
  • Ширина 350 мм.
  • Высота 3275 мм.
  • Вес 2170 кг.
  • Объем бетона 1,76 м3
  • Геометрический объем 3,4273 м3
Цена: 59752 руб.
Подробнее
2ПСО 30-33-3,5-1 п пв (1.090.1-3пв)
Панели наружных стен однослойные Серия 1.090.1-3пв
  • Длина 2990 мм.
  • Ширина 350 мм.
  • Высота 3275 мм.
  • Вес 2170 кг.
  • Объем бетона 1,76 м3
  • Геометрический объем 3,4273 м3
Цена: 59752 руб.
Подробнее
2ПСО 29-33-4,0-1 п пв (1.090.1-3пв)
Панели наружных стен однослойные Серия 1.090.1-3пв
  • Длина 2900 мм.
  • Ширина 400 мм.
  • Высота 3275 мм.
  • Вес 2020 кг.
  • Объем бетона 1,64 м3
  • Геометрический объем 3,799 м3
Цена: 55678 руб.
Подробнее
2ПСО 30-33-4,0-1 п пв (1.090.1-3пв)
Панели наружных стен однослойные Серия 1.090.1-3пв
  • Длина 2990 мм.
  • Ширина 400 мм.
  • Высота 3275 мм.
  • Вес 2480 кг.
  • Объем бетона 2,01 м3
  • Геометрический объем 3,9169 м3
Цена: 68240 руб.
Подробнее
2ПСО 30-33-4,0-2 п пв (1.090.1-3пв)
Панели наружных стен однослойные Серия 1.090.1-3пв
  • Длина 2990 мм.
  • Ширина 400 мм.
  • Высота 3275 мм.
  • Вес 2480 кг.
  • Объем бетона 2,01 м3
  • Геометрический объем 3,9169 м3
Цена: 68240 руб.
Подробнее
2ПСО 33-33-3,5-1 п пв (1.090.1-3пв)
Панели наружных стен однослойные Серия 1.090.1-3пв
  • Длина 3265 мм.
  • Ширина 350 мм.
  • Высота 3275 мм.
  • Вес 2550 кг.
  • Объем бетона 2,06 м3
  • Геометрический объем 3,7425 м3
Цена: 69937 руб.
Подробнее
2ПСО 33-33-3,5-2 п пв (1.090.1-3пв)
Панели наружных стен однослойные Серия 1.090.1-3пв
  • Длина 3265 мм.
  • Ширина 350 мм.
  • Высота 3275 мм.
  • Вес 2550 кг.
  • Объем бетона 2,06 м3
  • Геометрический объем 3,7425 м3
Цена: 69937 руб.
Подробнее
2ПСО 33-33-4,5-1 п пв (1.090.1-3пв)
Панели наружных стен однослойные Серия 1.090.1-3пв
  • Длина 3315 мм.
  • Ширина 400 мм.
  • Высота 3275 мм.
  • Вес 3030 кг.
  • Объем бетона 2,4 м3
  • Геометрический объем 4,3426 м3
Цена: 81480 руб.
Подробнее
2ПСО 33-33-4,5-2 п пв (1.090.1-3пв)
Панели наружных стен однослойные Серия 1.090.1-3пв
  • Длина 3315 мм.
  • Ширина 400 мм.
  • Высота 3275 мм.
  • Вес 3030 кг.
  • Объем бетона 2,4 м3
  • Геометрический объем 4,3426 м3
Цена: 81480 руб.
Подробнее
2ПСО 60-33-3,5-1 п пв (1.090.1-3пв)
Панели наружных стен однослойные Серия 1.090.1-3пв
  • Длина 5990 мм.
  • Ширина 350 мм.
  • Высота 3275 мм.
  • Вес 4480 кг.
  • Объем бетона 3,64 м3
  • Геометрический объем 6,866 м3
Цена: 123578 руб.
Подробнее
2ПСО 60-33-3,5-2 п пв (1.090.1-3пв)
Панели наружных стен однослойные Серия 1.090.1-3пв
  • Длина 5990 мм.
  • Ширина 350 мм.
  • Высота 3275 мм.
  • Вес 4480 кг.
  • Объем бетона 3,64 м3
  • Геометрический объем 6,866 м3
Цена: 123578 руб.
Подробнее
2ПСО 60-33-4,0-2 п пв (1.090.1-3пв)
Панели наружных стен однослойные Серия 1.090.1-3пв
  • Длина 5990 мм.
  • Ширина 400 мм.
  • Высота 3275 мм.
  • Вес 5130 кг.
  • Объем бетона 4,17 м3
  • Геометрический объем 7,8469 м3
Цена: 141572 руб.
Подробнее
2ПСО 60-33-4,0-1 п пв (1.090.1-3пв)
Панели наружных стен однослойные Серия 1.090.1-3пв
  • Длина 5990 мм.
  • Ширина 400 мм.
  • Высота 3275 мм.
  • Вес 5130 кг.
  • Объем бетона 4,17 м3
  • Геометрический объем 7,8469 м3
Цена: 141572 руб.
Подробнее

Уведомление о файлах cookie

Мы используем файлы cookie для улучшения вашего опыта просмотра и анализа трафика. Нажимая "Принять все", вы соглашаетесь с нашей политикой конфиденциальности и политикой обработки файлов cookie.

Дзен Телеграм Вконтакте vk