mobile_sound +7 (930) 655-55-90

Типовые конструкции и железобетонные изделия. Рабочие чертежи (Серия 1.090.1-3пв)

Поделиться:
Поделиться:

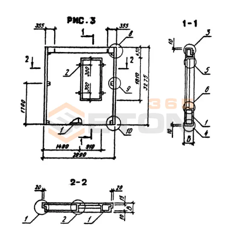
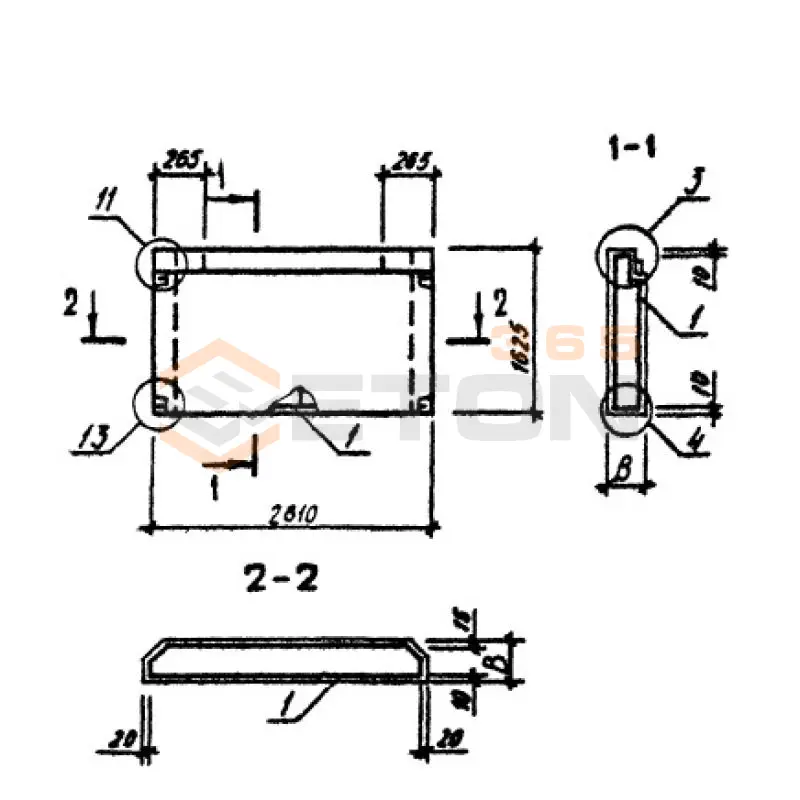
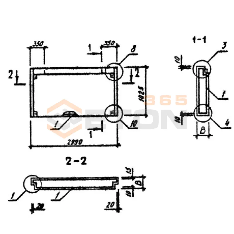
Документ Серия 1.090.1-3пв описывает область применения, номенклатуру и ключевые требования, опираясь на действующие нормы и практику проектирования. Регламент, Серия 1.090.1-3пв, разработанный КИЕВЗНИИЭП и введенный в действие в 1985 году, определяет и регламентирует подробные инструкции по производству сборных железобетонных конструкций межвидового применения, которые нашли широкое распространение при строительстве крупнопанельных общественных сооружений и промышленных зданий. изделия и конструкции рассчитаны на эксплуатацию в предприятиях с высотой этажа 3 и 3,3 метра, возводимых на территориях с просадочными грунтами и в подрабатываемых зонах. В номенклатурный перечень вошли изделия и конструкции: панели наружных и внутренних стен; а также элементы нулевого цикла.

Файлы для скачивания:
picture_as_pdf

4110.pdf

13,457.2 KB

скачать
picture_as_pdf

4111.pdf

19,945.9 KB

скачать
picture_as_pdf

4112.pdf

31,201.6 KB

скачать
picture_as_pdf

4113.pdf

18,978.3 KB

скачать
picture_as_pdf

4114.pdf

15,284.5 KB

скачать
picture_as_pdf

4115.pdf

26,074.4 KB

скачать
picture_as_pdf

4116.pdf

30,674.6 KB

скачать
picture_as_pdf

4117.pdf

11,182.3 KB

скачать
picture_as_pdf

4118.pdf

9,353.1 KB

скачать
picture_as_pdf

4119.pdf

5,761.1 KB

скачать
picture_as_pdf

4120.pdf

11,372.9 KB

скачать
picture_as_pdf

4121.pdf

13,319.7 KB

скачать
picture_as_pdf

4122.pdf

10,983.5 KB

скачать
picture_as_pdf

4123.pdf

25,330.0 KB

скачать
picture_as_pdf

4124.pdf

2,238.9 KB

скачать
Товары Серия 1.090.1-3пв (60)
7ПСЛ 30-33-4,0-2 п пв (1.090.1-3пв)
Панели наружных стен однослойные Серия 1.090.1-3пв
  • Длина 2990 мм.
  • Ширина 400 мм.
  • Высота 3275 мм.
  • Вес 3830 кг.
  • Объем бетона 3,11 м3
  • Геометрический объем 3,9169 м3
Цена: 105585 руб.
Подробнее
6ПСО 30-33-3,5-2 п пв (1.090.1-3пв)
Панели наружных стен однослойные Серия 1.090.1-3пв
  • Длина 2990 мм.
  • Ширина 350 мм.
  • Высота 3275 мм.
  • Вес 2810 кг.
  • Объем бетона 2,28 м3
  • Геометрический объем 3,4273 м3
Цена: 77406 руб.
Подробнее
7ПСО 30-33-3,5-2 п пв (1.090.1-3пв)
Панели наружных стен однослойные Серия 1.090.1-3пв
  • Длина 2990 мм.
  • Ширина 350 мм.
  • Высота 3275 мм.
  • Вес 2590 кг.
  • Объем бетона 1,352 м3
  • Геометрический объем 3,4273 м3
Цена: 45900 руб.
Подробнее
7ПСО 30-33-4,0-2 п пв (1.090.1-3пв)
Панели наружных стен однослойные Серия 1.090.1-3пв
  • Длина 2990 мм.
  • Ширина 400 мм.
  • Высота 3275 мм.
  • Вес 2990 кг.
  • Объем бетона 1,505 м3
  • Геометрический объем 3,9169 м3
Цена: 51095 руб.
Подробнее
8ПСЛ 30-33-3,5-2 п пв (1.090.1-3пв)
Панели наружных стен однослойные Серия 1.090.1-3пв
  • Длина 2990 мм.
  • Ширина 350 мм.
  • Высота 3275 мм.
  • Вес 3340 кг.
  • Объем бетона 2,71 м3
  • Геометрический объем 3,4273 м3
Цена: 92005 руб.
Подробнее
8ПСЛ 30-33-4,0-2 п пв (1.090.1-3пв)
Панели наружных стен однослойные Серия 1.090.1-3пв
  • Длина 2990 мм.
  • Ширина 400 мм.
  • Высота 3275 мм.
  • Вес 3830 кг.
  • Объем бетона 3,11 м3
  • Геометрический объем 3,9169 м3
Цена: 105585 руб.
Подробнее
8ПСО 30-33-3,5-2 п пв (1.090.1-3пв)
Панели наружных стен однослойные Серия 1.090.1-3пв
  • Длина 2990 мм.
  • Ширина 350 мм.
  • Высота 3275 мм.
  • Вес 3030 кг.
  • Объем бетона 2,46 м3
  • Геометрический объем 3,4273 м3
Цена: 83517 руб.
Подробнее
8ПСО 30-33-4,0-2 п пв (1.090.1-3пв)
Панели наружных стен однослойные Серия 1.090.1-3пв
  • Длина 2990 мм.
  • Ширина 400 мм.
  • Высота 3275 мм.
  • Вес 3470 кг.
  • Объем бетона 2,82 м3
  • Геометрический объем 3,9169 м3
Цена: 95739 руб.
Подробнее
9ПСО 30-33-3,5-2 п пв (1.090.1-3пв)
Панели наружных стен однослойные Серия 1.090.1-3пв
  • Длина 2990 мм.
  • Ширина 350 мм.
  • Высота 3275 мм.
  • Вес 3030 кг.
  • Объем бетона 2,46 м3
  • Геометрический объем 3,4273 м3
Цена: 83517 руб.
Подробнее
ПС 12-33-3,5 п пв (1.090.1-3пв)
Панели наружных стен однослойные Серия 1.090.1-3пв
  • Длина 1190 мм.
  • Ширина 350 мм.
  • Высота 3275 мм.
  • Вес 1370 кг.
  • Объем бетона 1,11 м3
  • Геометрический объем 1,364 м3
Цена: 37685 руб.
Подробнее
ПС 12-33-4,0 п пв (1.090.1-3пв)
Панели наружных стен однослойные Серия 1.090.1-3пв
  • Длина 1190 мм.
  • Ширина 400 мм.
  • Высота 3275 мм.
  • Вес 1580 кг.
  • Объем бетона 1,28 м3
  • Геометрический объем 1,5589 м3
Цена: 43456 руб.
Подробнее
9ПСО 30-33-4,0-2 п пв (1.090.1-3пв)
Панели наружных стен однослойные Серия 1.090.1-3пв
  • Длина 2990 мм.
  • Ширина 400 мм.
  • Высота 3275 мм.
  • Вес 3470 кг.
  • Объем бетона 2,82 м3
  • Геометрический объем 3,9169 м3
Цена: 95739 руб.
Подробнее
ПС 18-33-3,5 п пв (1.090.1-3пв)
Панели наружных стен однослойные Серия 1.090.1-3пв
  • Длина 1790 мм.
  • Ширина 350 мм.
  • Высота 3275 мм.
  • Вес 2140 кг.
  • Объем бетона 1,73 м3
  • Геометрический объем 2,0518 м3
Цена: 58734 руб.
Подробнее
ПС 18-33-4,0 п пв (1.090.1-3пв)
Панели наружных стен однослойные Серия 1.090.1-3пв
  • Длина 1790 мм.
  • Ширина 400 мм.
  • Высота 3275 мм.
  • Вес 2460 кг.
  • Объем бетона 2 м3
  • Геометрический объем 2,3449 м3
Цена: 67900 руб.
Подробнее
ПС 24-33-3,5 п пв (1.090.1-3пв)
Панели наружных стен однослойные Серия 1.090.1-3пв
  • Длина 2390 мм.
  • Ширина 350 мм.
  • Высота 3275 мм.
  • Вес 2900 кг.
  • Объем бетона 2,35 м3
  • Геометрический объем 2,7395 м3
Цена: 79783 руб.
Подробнее
ПС 24-33-4,0 п пв (1.090.1-3пв)
Панели наружных стен однослойные Серия 1.090.1-3пв
  • Длина 2390 мм.
  • Ширина 400 мм.
  • Высота 3275 мм.
  • Вес 3330 кг.
  • Объем бетона 2,7 м3
  • Геометрический объем 3,1309 м3
Цена: 91665 руб.
Подробнее
ПС 28-16-3,5 п пв (1.090.1-3пв)
Панели наружных стен однослойные Серия 1.090.1-3пв
  • Длина 2810 мм.
  • Ширина 350 мм.
  • Высота 1625 мм.
  • Вес 1660 кг.
  • Объем бетона 1,346 м3
  • Геометрический объем 1,5982 м3
Цена: 45697 руб.
Подробнее
ПС 28-16-4,0 п пв (1.090.1-3пв)
Панели наружных стен однослойные Серия 1.090.1-3пв
  • Длина 2810 мм.
  • Ширина 400 мм.
  • Высота 1625 мм.
  • Вес 1870 кг.
  • Объем бетона 1,549 м3
  • Геометрический объем 1,8265 м3
Цена: 52589 руб.
Подробнее
ПС 28-33-4,0 п пв (1.090.1-3пв)
Панели наружных стен однослойные Серия 1.090.1-3пв
  • Длина 2810 мм.
  • Ширина 400 мм.
  • Высота 3275 мм.
  • Вес 3850 кг.
  • Объем бетона 3,25 м3
  • Геометрический объем 3,6811 м3
Цена: 110338 руб.
Подробнее
ПС 28-33-3,5 п пв (1.090.1-3пв)
Панели наружных стен однослойные Серия 1.090.1-3пв
  • Длина 2810 мм.
  • Ширина 350 мм.
  • Высота 3275 мм.
  • Вес 3420 кг.
  • Объем бетона 2,78 м3
  • Геометрический объем 3,221 м3
Цена: 94381 руб.
Подробнее
ПС 30-16-3,5 п пв (1.090.1-3пв)
Панели наружных стен однослойные Серия 1.090.1-3пв
  • Длина 2990 мм.
  • Ширина 350 мм.
  • Высота 1625 мм.
  • Вес 1770 кг.
  • Объем бетона 1,412 м3
  • Геометрический объем 1,7006 м3
Цена: 47937 руб.
Подробнее
ПС 30-16-4,0 п пв (1.090.1-3пв)
Панели наружных стен однослойные Серия 1.090.1-3пв
  • Длина 2990 мм.
  • Ширина 400 мм.
  • Высота 1625 мм.
  • Вес 2040 кг.
  • Объем бетона 1,639 м3
  • Геометрический объем 1,9435 м3
Цена: 55644 руб.
Подробнее
ПС 30-33-3,5 п пв (1.090.1-3пв)
Панели наружных стен однослойные Серия 1.090.1-3пв
  • Длина 2990 мм.
  • Ширина 350 мм.
  • Высота 3275 мм.
  • Вес 3670 кг.
  • Объем бетона 2,98 м3
  • Геометрический объем 3,4273 м3
Цена: 101171 руб.
Подробнее
ПС 30-33-4,0 п пв (1.090.1-3пв)
Панели наружных стен однослойные Серия 1.090.1-3пв
  • Длина 2990 мм.
  • Ширина 400 мм.
  • Высота 3275 мм.
  • Вес 4240 кг.
  • Объем бетона 3,44 м3
  • Геометрический объем 3,9169 м3
Цена: 116788 руб.
Подробнее
ПСД 30-33-3,5-2 п пв (1.090.1-3пв)
Панели наружных стен однослойные Серия 1.090.1-3пв
  • Длина 2990 мм.
  • Ширина 350 мм.
  • Высота 3275 мм.
  • Вес 2370 кг.
  • Объем бетона 1,93 м3
  • Геометрический объем 3,4273 м3
Цена: 65524 руб.
Подробнее
ПСД 30-33-4,0-2 п пв (1.090.1-3пв)
Панели наружных стен однослойные Серия 1.090.1-3пв
  • Длина 2990 мм.
  • Ширина 400 мм.
  • Высота 3275 мм.
  • Вес 2730 кг.
  • Объем бетона 2,26 м3
  • Геометрический объем 3,9169 м3
Цена: 76727 руб.
Подробнее
ПСЛ 28-33-3,5-2 п пв (1.090.1-3пв)
Панели наружных стен однослойные Серия 1.090.1-3пв
  • Длина 2810 мм.
  • Ширина 350 мм.
  • Высота 3275 мм.
  • Вес 2120 кг.
  • Объем бетона 1,72 м3
  • Геометрический объем 3,221 м3
Цена: 58394 руб.
Подробнее
ПСЛ 28-33-4,0-2 п пв (1.090.1-3пв)
Панели наружных стен однослойные Серия 1.090.1-3пв
  • Длина 2810 мм.
  • Ширина 400 мм.
  • Высота 3275 мм.
  • Вес 2360 кг.
  • Объем бетона 1,99 м3
  • Геометрический объем 3,6811 м3
Цена: 67561 руб.
Подробнее
ПСЛ 30-33-3,5-2 п пв (1.090.1-3пв)
Панели наружных стен однослойные Серия 1.090.1-3пв
  • Длина 2990 мм.
  • Ширина 350 мм.
  • Высота 3275 мм.
  • Вес 2370 кг.
  • Объем бетона 1,93 м3
  • Геометрический объем 3,4273 м3
Цена: 65524 руб.
Подробнее
ПСЛ 30-33-4,0-2 п пв (1.090.1-3пв)
Панели наружных стен однослойные Серия 1.090.1-3пв
  • Длина 2990 мм.
  • Ширина 400 мм.
  • Высота 3275 мм.
  • Вес 2730 кг.
  • Объем бетона 2,21 м3
  • Геометрический объем 3,9169 м3
Цена: 75030 руб.
Подробнее
ПСП 12-10-2,6 п пв (1.090.1-3пв)
Панели наружных стен однослойные Серия 1.090.1-3пв
  • Длина 1190 мм.
  • Ширина 260 мм.
  • Высота 1000 мм.
  • Вес 340 кг.
  • Объем бетона 0,27 м3
  • Геометрический объем 0,3094 м3
Цена: 9167 руб.
Подробнее
ПСП 12-10-3,1 п пв (1.090.1-3пв)
Панели наружных стен однослойные Серия 1.090.1-3пв
  • Длина 1190 мм.
  • Ширина 310 мм.
  • Высота 1000 мм.
  • Вес 410 кг.
  • Объем бетона 0,33 м3
  • Геометрический объем 0,3689 м3
Цена: 11204 руб.
Подробнее
ПСП 18-10-2,6 п пв (1.090.1-3пв)
Панели наружных стен однослойные Серия 1.090.1-3пв
  • Длина 1790 мм.
  • Ширина 260 мм.
  • Высота 1000 мм.
  • Вес 520 кг.
  • Объем бетона 0,41 м3
  • Геометрический объем 0,4654 м3
Цена: 13920 руб.
Подробнее
ПСП 18-10-3,1 п пв (1.090.1-3пв)
Панели наружных стен однослойные Серия 1.090.1-3пв
  • Длина 1790 мм.
  • Ширина 310 мм.
  • Высота 1000 мм.
  • Вес 620 кг.
  • Объем бетона 0,5 м3
  • Геометрический объем 0,5549 м3
Цена: 16975 руб.
Подробнее
ПСП 28-10-2,6 п пв (1.090.1-3пв)
Панели наружных стен однослойные Серия 1.090.1-3пв
  • Длина 2600 мм.
  • Ширина 260 мм.
  • Высота 1000 мм.
  • Вес 780 кг.
  • Объем бетона 0,62 м3
  • Геометрический объем 0,676 м3
Цена: 21049 руб.
Подробнее
ПСП 28-10-3,1 п пв (1.090.1-3пв)
Панели наружных стен однослойные Серия 1.090.1-3пв
  • Длина 2700 мм.
  • Ширина 310 мм.
  • Высота 1000 мм.
  • Вес 910 кг.
  • Объем бетона 0,74 м3
  • Геометрический объем 0,837 м3
Цена: 25123 руб.
Подробнее
ПСП 29-10-2,6 п пв (1.090.1-3пв)
Панели наружных стен однослойные Серия 1.090.1-3пв
  • Длина 2900 мм.
  • Ширина 260 мм.
  • Высота 1000 мм.
  • Вес 830 кг.
  • Объем бетона 0,67 м3
  • Геометрический объем 0,754 м3
Цена: 22747 руб.
Подробнее
ПСП 29-10-3,1 п пв (1.090.1-3пв)
Панели наружных стен однослойные Серия 1.090.1-3пв
  • Длина 2900 мм.
  • Ширина 310 мм.
  • Высота 1000 мм.
  • Вес 970 кг.
  • Объем бетона 0,78 м3
  • Геометрический объем 0,899 м3
Цена: 26481 руб.
Подробнее
ПСП 60-10-2,6 п пв (1.090.1-3пв)
Панели наружных стен однослойные Серия 1.090.1-3пв
  • Длина 5990 мм.
  • Ширина 260 мм.
  • Высота 1000 мм.
  • Вес 1740 кг.
  • Объем бетона 1,38 м3
  • Геометрический объем 1,5574 м3
Цена: 46851 руб.
Подробнее
ПСП 30-10-3,1 п пв (1.090.1-3пв)
Панели наружных стен однослойные Серия 1.090.1-3пв
  • Длина 2990 мм.
  • Ширина 290 мм.
  • Высота 1000 мм.
  • Вес 1030 кг.
  • Объем бетона 0,84 м3
  • Геометрический объем 0,8671 м3
Цена: 28518 руб.
Подробнее
ПСП 30-10-2,6 п пв (1.090.1-3пв)
Панели наружных стен однослойные Серия 1.090.1-3пв
  • Длина 2990 мм.
  • Ширина 260 мм.
  • Высота 1000 мм.
  • Вес 870 кг.
  • Объем бетона 0,69 м3
  • Геометрический объем 0,7774 м3
Цена: 23426 руб.
Подробнее
ПСП 60-10-3,1 п пв (1.090.1-3пв)
Панели наружных стен однослойные Серия 1.090.1-3пв
  • Длина 5990 мм.
  • Ширина 310 мм.
  • Высота 1000 мм.
  • Вес 2060 кг.
  • Объем бетона 1,68 м3
  • Геометрический объем 1,8569 м3
Цена: 57036 руб.
Подробнее
1ПСЦ 11-21-3,0 п пв (1.090.1-3пв)
Панели стеновые нулевого цикла (цокольные) Серия 1.090.1-3пв
  • Длина 1100 мм.
  • Ширина 300 мм.
  • Высота 2100 мм.
  • Вес 650 кг.
  • Объем бетона 0,41 м3
  • Геометрический объем 0,693 м3
Цена: 17101 руб.
Подробнее
1ПСЦ 11-19-3,0 п пв (1.090.1-3пв)
Панели стеновые нулевого цикла (цокольные) Серия 1.090.1-3пв
  • Длина 1080 мм.
  • Ширина 300 мм.
  • Высота 1865 мм.
  • Вес 710 кг.
  • Объем бетона 0,52 м3
  • Геометрический объем 0,6043 м3
Цена: 21689 руб.
Подробнее
1ПСЦ 11-19-3,5 п пв (1.090.1-3пв)
Панели стеновые нулевого цикла (цокольные) Серия 1.090.1-3пв
  • Длина 1080 мм.
  • Ширина 350 мм.
  • Высота 1865 мм.
  • Вес 810 кг.
  • Объем бетона 0,63 м3
  • Геометрический объем 0,705 м3
Цена: 26277 руб.
Подробнее
1ПСЦ 11-21-3,5 п пв (1.090.1-3пв)
Панели стеновые нулевого цикла (цокольные) Серия 1.090.1-3пв
  • Длина 1100 мм.
  • Ширина 350 мм.
  • Высота 2100 мм.
  • Вес 770 кг.
  • Объем бетона 0,51 м3
  • Геометрический объем 0,8085 м3
Цена: 21272 руб.
Подробнее
1ПСЦ 15-19-3,0 п пв (1.090.1-3пв)
Панели стеновые нулевого цикла (цокольные) Серия 1.090.1-3пв
  • Длина 1415 мм.
  • Ширина 300 мм.
  • Высота 1865 мм.
  • Вес 860 кг.
  • Объем бетона 0,85 м3
  • Геометрический объем 0,7917 м3
Цена: 35454 руб.
Подробнее
1ПСЦ 15-19-3,5 п пв (1.090.1-3пв)
Панели стеновые нулевого цикла (цокольные) Серия 1.090.1-3пв
  • Длина 1465 мм.
  • Ширина 350 мм.
  • Высота 1865 мм.
  • Вес 1000 кг.
  • Объем бетона 1,01 м3
  • Геометрический объем 0,9563 м3
Цена: 42127 руб.
Подробнее
1ПСЦ 15-21-3,5 п пв (1.090.1-3пв)
Панели стеновые нулевого цикла (цокольные) Серия 1.090.1-3пв
  • Длина 1465 мм.
  • Ширина 350 мм.
  • Высота 2100 мм.
  • Вес 1170 кг.
  • Объем бетона 0,776 м3
  • Геометрический объем 1,0768 м3
Цена: 32367 руб.
Подробнее
1ПСЦ 15-21-3,0 п пв (1.090.1-3пв)
Панели стеновые нулевого цикла (цокольные) Серия 1.090.1-3пв
  • Длина 1415 мм.
  • Ширина 300 мм.
  • Высота 2100 мм.
  • Вес 940 кг.
  • Объем бетона 0,653 м3
  • Геометрический объем 0,8914 м3
Цена: 27237 руб.
Подробнее
1ПСЦ 17-19-3,0 п пв (1.090.1-3пв)
Панели стеновые нулевого цикла (цокольные) Серия 1.090.1-3пв
  • Длина 1680 мм.
  • Ширина 300 мм.
  • Высота 1865 мм.
  • Вес 1170 кг.
  • Объем бетона 0,79 м3
  • Геометрический объем 0,94 м3
Цена: 32951 руб.
Подробнее
1ПСЦ 17-21-3,0 п пв (1.090.1-3пв)
Панели стеновые нулевого цикла (цокольные) Серия 1.090.1-3пв
  • Длина 1700 мм.
  • Ширина 300 мм.
  • Высота 2100 мм.
  • Вес 1270 кг.
  • Объем бетона 0,83 м3
  • Геометрический объем 1,071 м3
Цена: 34619 руб.
Подробнее
1ПСЦ 17-19-3,5 п пв (1.090.1-3пв)
Панели стеновые нулевого цикла (цокольные) Серия 1.090.1-3пв
  • Длина 1680 мм.
  • Ширина 350 мм.
  • Высота 1865 мм.
  • Вес 1350 кг.
  • Объем бетона 0,92 м3
  • Геометрический объем 1,0966 м3
Цена: 38373 руб.
Подробнее
1ПСЦ 21-21-3,0 п пв (1.090.1-3пв)
Панели стеновые нулевого цикла (цокольные) Серия 1.090.1-3пв
  • Длина 2015 мм.
  • Ширина 300 мм.
  • Высота 2100 мм.
  • Вес 1430 кг.
  • Объем бетона 0,993 м3
  • Геометрический объем 1,2694 м3
Цена: 41418 руб.
Подробнее
1ПСЦ 17-21-3,5 п пв (1.090.1-3пв)
Панели стеновые нулевого цикла (цокольные) Серия 1.090.1-3пв
  • Длина 1700 мм.
  • Ширина 350 мм.
  • Высота 2100 мм.
  • Вес 1470 кг.
  • Объем бетона 0,988 м3
  • Геометрический объем 1,2495 м3
Цена: 41209 руб.
Подробнее
1ПСЦ 21-21-3,5 п пв (1.090.1-3пв)
Панели стеновые нулевого цикла (цокольные) Серия 1.090.1-3пв
  • Длина 2065 мм.
  • Ширина 350 мм.
  • Высота 2100 мм.
  • Вес 1740 кг.
  • Объем бетона 1,165 м3
  • Геометрический объем 1,5178 м3
Цена: 48592 руб.
Подробнее
1ПСЦ 29-21-3,0 п пв (1.090.1-3пв)
Панели стеновые нулевого цикла (цокольные) Серия 1.090.1-3пв
  • Длина 2900 мм.
  • Ширина 300 мм.
  • Высота 2100 мм.
  • Вес 2250 кг.
  • Объем бетона 1,606 м3
  • Геометрический объем 1,827 м3
Цена: 66986 руб.
Подробнее
1ПСЦ 29-19-3,5 п пв (1.090.1-3пв)
Панели стеновые нулевого цикла (цокольные) Серия 1.090.1-3пв
  • Длина 2880 мм.
  • Ширина 350 мм.
  • Высота 1865 мм.
  • Вес 2400 кг.
  • Объем бетона 1,64 м3
  • Геометрический объем 1,8799 м3
Цена: 68404 руб.
Подробнее
1ПСЦ 29-19-3,0 п пв (1.090.1-3пв)
Панели стеновые нулевого цикла (цокольные) Серия 1.090.1-3пв
  • Длина 2880 мм.
  • Ширина 300 мм.
  • Высота 1865 мм.
  • Вес 2070 кг.
  • Объем бетона 1,38 м3
  • Геометрический объем 1,6114 м3
Цена: 57560 руб.
Подробнее
1ПСЦ 29-21-3,5 п пв (1.090.1-3пв)
Панели стеновые нулевого цикла (цокольные) Серия 1.090.1-3пв
  • Длина 2900 мм.
  • Ширина 350 мм.
  • Высота 2100 мм.
  • Вес 2630 кг.
  • Объем бетона 1,887 м3
  • Геометрический объем 2,1315 м3
Цена: 78707 руб.
Подробнее

Уведомление о файлах cookie

Мы используем файлы cookie для улучшения вашего опыта просмотра и анализа трафика. Нажимая "Принять все", вы соглашаетесь с нашей политикой конфиденциальности и политикой обработки файлов cookie.

Дзен Телеграм Вконтакте vk