mobile_sound +7 (930) 655-55-90

Типовые конструкции и железобетонные изделия. Рабочие чертежи (Серия 1.090.1-3пв)

Поделиться:
Поделиться:

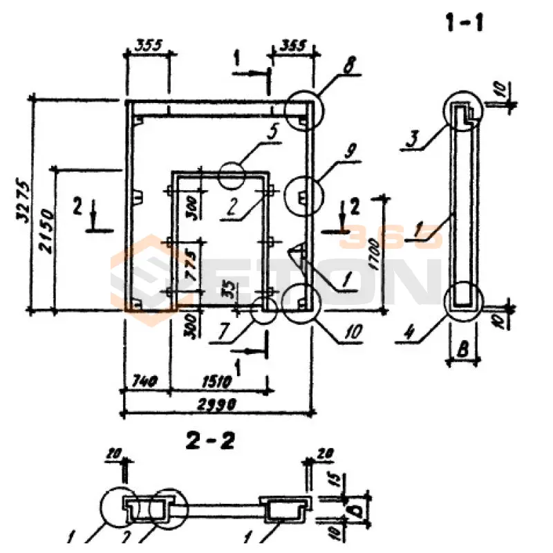
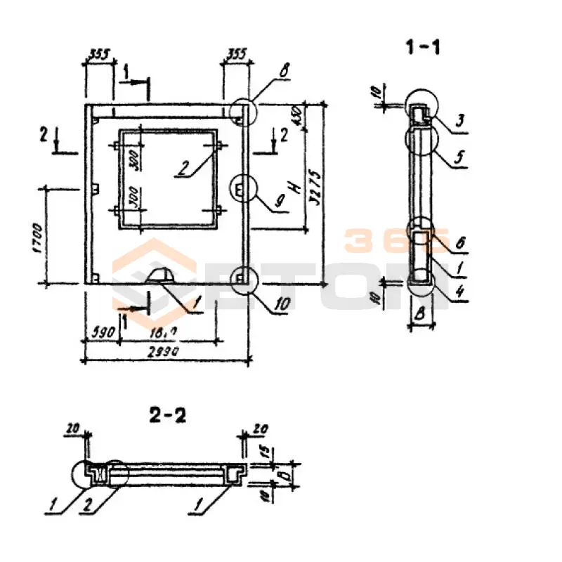
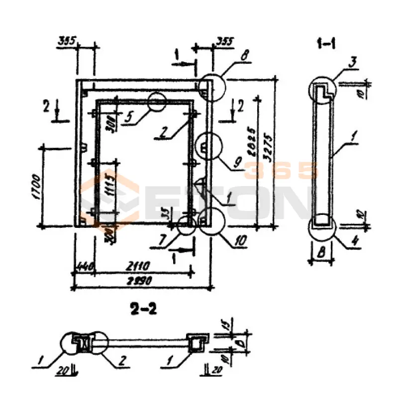
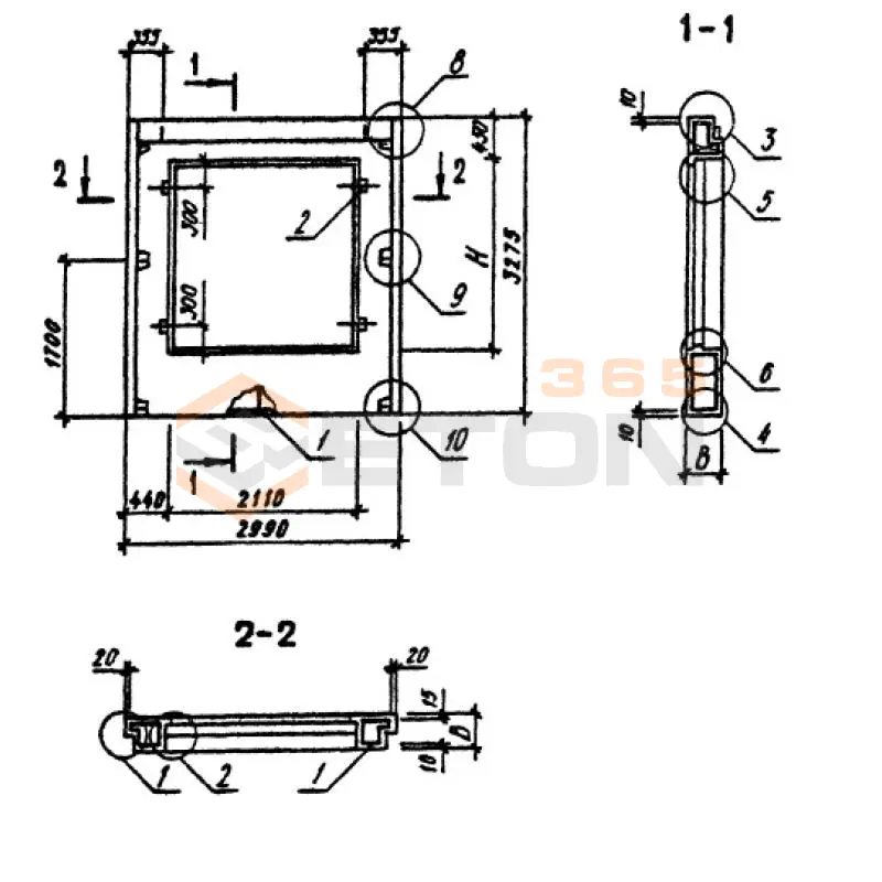
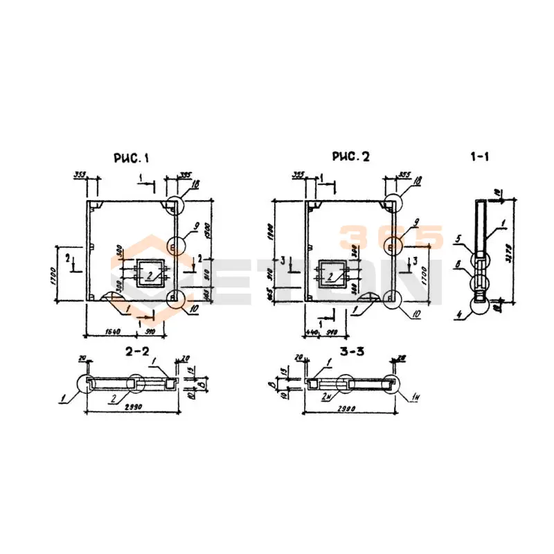
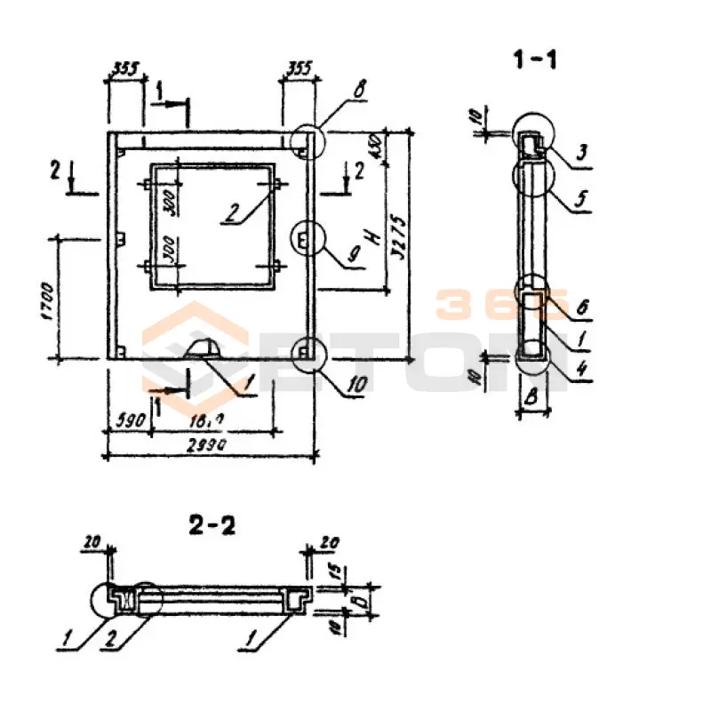
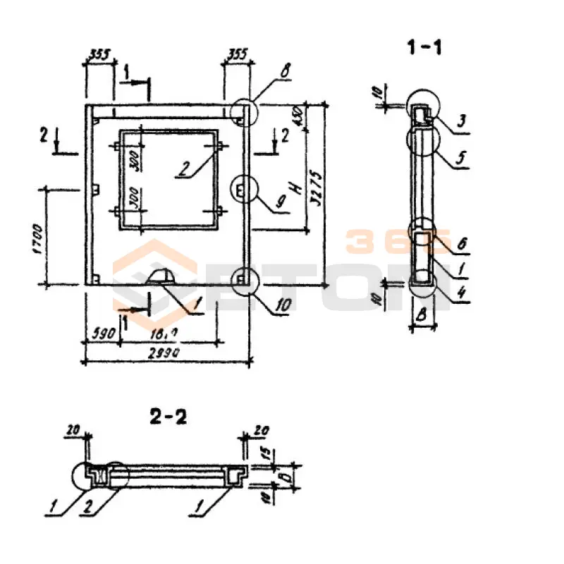
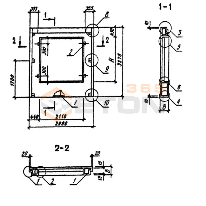
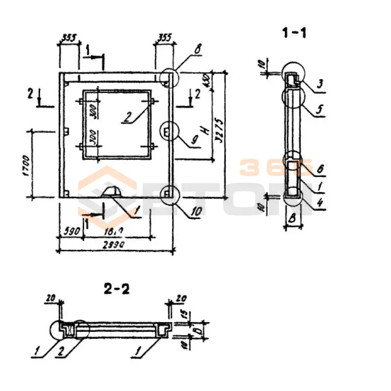
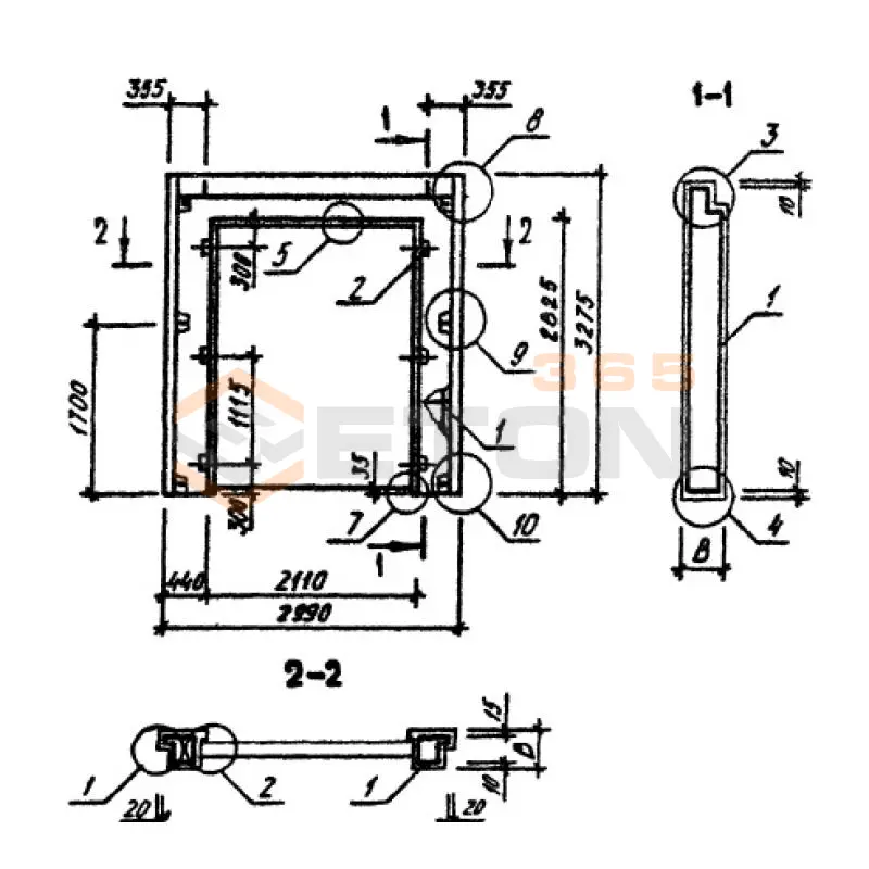
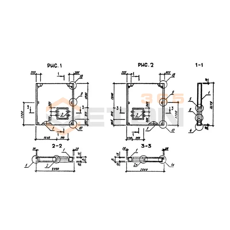
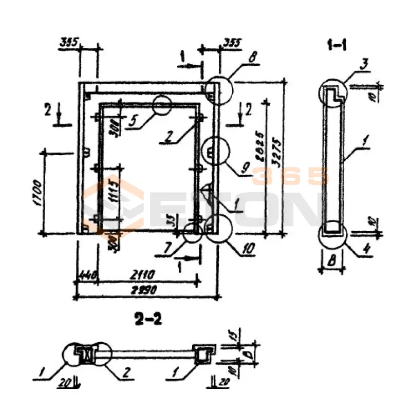
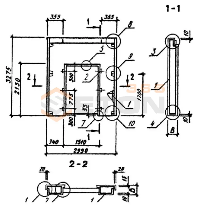
Документ Серия 1.090.1-3пв описывает область применения, номенклатуру и ключевые требования, опираясь на действующие нормы и практику проектирования. Регламент, Серия 1.090.1-3пв, разработанный КИЕВЗНИИЭП и введенный в действие в 1985 году, определяет и регламентирует подробные инструкции по производству сборных железобетонных конструкций межвидового применения, которые нашли широкое распространение при строительстве крупнопанельных общественных сооружений и промышленных зданий. изделия и конструкции рассчитаны на эксплуатацию в предприятиях с высотой этажа 3 и 3,3 метра, возводимых на территориях с просадочными грунтами и в подрабатываемых зонах. В номенклатурный перечень вошли изделия и конструкции: панели наружных и внутренних стен; а также элементы нулевого цикла.

Файлы для скачивания:
picture_as_pdf

4110.pdf

13,457.2 KB

скачать
picture_as_pdf

4111.pdf

19,945.9 KB

скачать
picture_as_pdf

4112.pdf

31,201.6 KB

скачать
picture_as_pdf

4113.pdf

18,978.3 KB

скачать
picture_as_pdf

4114.pdf

15,284.5 KB

скачать
picture_as_pdf

4115.pdf

26,074.4 KB

скачать
picture_as_pdf

4116.pdf

30,674.6 KB

скачать
picture_as_pdf

4117.pdf

11,182.3 KB

скачать
picture_as_pdf

4118.pdf

9,353.1 KB

скачать
picture_as_pdf

4119.pdf

5,761.1 KB

скачать
picture_as_pdf

4120.pdf

11,372.9 KB

скачать
picture_as_pdf

4121.pdf

13,319.7 KB

скачать
picture_as_pdf

4122.pdf

10,983.5 KB

скачать
picture_as_pdf

4123.pdf

25,330.0 KB

скачать
picture_as_pdf

4124.pdf

2,238.9 KB

скачать
Товары Серия 1.090.1-3пв (60)
2ПСП 11-10-2,6 п пв (1.090.1-3пв)
Панели наружных стен однослойные Серия 1.090.1-3пв
  • Длина 1100 мм.
  • Ширина 260 мм.
  • Высота 1000 мм.
  • Вес 300 кг.
  • Объем бетона 0,24 м3
  • Геометрический объем 0,286 м3
Цена: 8148 руб.
Подробнее
2ПСП 11-10-3,1 п пв (1.090.1-3пв)
Панели наружных стен однослойные Серия 1.090.1-3пв
  • Длина 1100 мм.
  • Ширина 310 мм.
  • Высота 1000 мм.
  • Вес 350 кг.
  • Объем бетона 0,28 м3
  • Геометрический объем 0,341 м3
Цена: 9506 руб.
Подробнее
2ПСП 15-10-2,6 п пв (1.090.1-3пв)
Панели наружных стен однослойные Серия 1.090.1-3пв
  • Длина 1495 мм.
  • Ширина 260 мм.
  • Высота 1000 мм.
  • Вес 440 кг.
  • Объем бетона 0,287 м3
  • Геометрический объем 0,3887 м3
Цена: 9744 руб.
Подробнее
2ПСП 15-10-3,1 п пв (1.090.1-3пв)
Панели наружных стен однослойные Серия 1.090.1-3пв
  • Длина 1515 мм.
  • Ширина 310 мм.
  • Высота 1000 мм.
  • Вес 530 кг.
  • Объем бетона 0,43 м3
  • Геометрический объем 0,4697 м3
Цена: 14599 руб.
Подробнее
2ПСП 21-10-2,6 п пв (1.090.1-3пв)
Панели наружных стен однослойные Серия 1.090.1-3пв
  • Длина 2065 мм.
  • Ширина 260 мм.
  • Высота 1000 мм.
  • Вес 620 кг.
  • Объем бетона 0,409 м3
  • Геометрический объем 0,5369 м3
Цена: 13886 руб.
Подробнее
2ПСП 21-10-3,1 п пв (1.090.1-3пв)
Панели наружных стен однослойные Серия 1.090.1-3пв
  • Длина 2115 мм.
  • Ширина 310 мм.
  • Высота 1000 мм.
  • Вес 740 кг.
  • Объем бетона 0,6 м3
  • Геометрический объем 0,6556 м3
Цена: 20370 руб.
Подробнее
2ПСП 17-10-3,1 п пв (1.090.1-3пв)
Панели наружных стен однослойные Серия 1.090.1-3пв
  • Длина 1700 мм.
  • Ширина 310 мм.
  • Высота 1000 мм.
  • Вес 560 кг.
  • Объем бетона 0,45 м3
  • Геометрический объем 0,527 м3
Цена: 15278 руб.
Подробнее
2ПСП 33-10-2,6 п пв (1.090.1-3пв)
Панели наружных стен однослойные Серия 1.090.1-3пв
  • Длина 3265 мм.
  • Ширина 260 мм.
  • Высота 1000 мм.
  • Вес 970 кг.
  • Объем бетона 0,78 м3
  • Геометрический объем 0,8489 м3
Цена: 26481 руб.
Подробнее
2ПСП 17-10-2,6 п пв (1.090.1-3пв)
Панели наружных стен однослойные Серия 1.090.1-3пв
  • Длина 1700 мм.
  • Ширина 260 мм.
  • Высота 1000 мм.
  • Вес 470 кг.
  • Объем бетона 0,38 м3
  • Геометрический объем 0,442 м3
Цена: 12901 руб.
Подробнее
2ПСП 33-10-3,1 п пв (1.090.1-3пв)
Панели наружных стен однослойные Серия 1.090.1-3пв
  • Длина 3315 мм.
  • Ширина 310 мм.
  • Высота 1000 мм.
  • Вес 1160 кг.
  • Объем бетона 0,94 м3
  • Геометрический объем 1,0276 м3
Цена: 31913 руб.
Подробнее
3ПСД 29-33-3,5-2 п пв (1.090.1-3пв)
Панели наружных стен однослойные Серия 1.090.1-3пв
  • Длина 2900 мм.
  • Ширина 350 мм.
  • Высота 3275 мм.
  • Вес 2260 кг.
  • Объем бетона 1,83 м3
  • Геометрический объем 3,3241 м3
Цена: 62129 руб.
Подробнее
3ПСЛ 30-33-3,5-2 п пв (1.090.1-3 пв)
Панели наружных стен однослойные Серия 1.090.1-3пв
  • Длина 2990 мм.
  • Ширина 350 мм.
  • Высота 3275 мм.
  • Вес 3340 кг.
  • Объем бетона 2,71 м3
  • Геометрический объем 3,4273 м3
Цена: 92005 руб.
Подробнее
3ПСД 29-33-4,0-2 п пв (1.090.1-3пв)
Панели наружных стен однослойные Серия 1.090.1-3пв
  • Длина 2900 мм.
  • Ширина 400 мм.
  • Высота 3275 мм.
  • Вес 2560 кг.
  • Объем бетона 2,08 м3
  • Геометрический объем 3,799 м3
Цена: 70616 руб.
Подробнее
3ПСД 30-33-3,5-2 п пв (1.090.1-3пв)
Панели наружных стен однослойные Серия 1.090.1-3пв
  • Длина 2990 мм.
  • Ширина 350 мм.
  • Высота 3275 мм.
  • Вес 2370 кг.
  • Объем бетона 1,93 м3
  • Геометрический объем 3,4273 м3
Цена: 65524 руб.
Подробнее
3ПСД 30-33-4,0-2 п пв (1.090.1-3пв)
Панели наружных стен однослойные Серия 1.090.1-3пв
  • Длина 2990 мм.
  • Ширина 400 мм.
  • Высота 3275 мм.
  • Вес 2730 кг.
  • Объем бетона 2,21 м3
  • Геометрический объем 3,9169 м3
Цена: 75030 руб.
Подробнее
3ПСЛ 30-33-4,0-2 п пв (1.090.1-3 пв)
Панели наружных стен однослойные Серия 1.090.1-3пв
  • Длина 2990 мм.
  • Ширина 400 мм.
  • Высота 3275 мм.
  • Вес 3830 кг.
  • Объем бетона 3,11 м3
  • Геометрический объем 3,9169 м3
Цена: 105585 руб.
Подробнее
3ПСО 29-33-3,5-1 п пв (1.090.1-3пв)
Панели наружных стен однослойные Серия 1.090.1-3пв
  • Длина 2900 мм.
  • Ширина 350 мм.
  • Высота 3275 мм.
  • Вес 2040 кг.
  • Объем бетона 1,65 м3
  • Геометрический объем 3,3241 м3
Цена: 56018 руб.
Подробнее
3ПСО 29-33-4,0-1 п пв (1.090.1-3пв)
Панели наружных стен однослойные Серия 1.090.1-3пв
  • Длина 2900 мм.
  • Ширина 400 мм.
  • Высота 3275 мм.
  • Вес 2300 кг.
  • Объем бетона 1,86 м3
  • Геометрический объем 3,799 м3
Цена: 63147 руб.
Подробнее
3ПСО 29-33-4,0-2 п пв (1.090.1-3пв)
Панели наружных стен однослойные Серия 1.090.1-3пв
  • Длина 2900 мм.
  • Ширина 400 мм.
  • Высота 3275 мм.
  • Вес 2300 кг.
  • Объем бетона 1,86 м3
  • Геометрический объем 3,799 м3
Цена: 63147 руб.
Подробнее
3ПСО 30-33-3,5-1 п пв (1.090.1-3пв)
Панели наружных стен однослойные Серия 1.090.1-3пв
  • Длина 2990 мм.
  • Ширина 350 мм.
  • Высота 3275 мм.
  • Вес 2660 кг.
  • Объем бетона 2,16 м3
  • Геометрический объем 3,4273 м3
Цена: 73332 руб.
Подробнее
3ПСО 29-33-3,5-2 п пв (1.090.1-3пв)
Панели наружных стен однослойные Серия 1.090.1-3пв
  • Длина 2900 мм.
  • Ширина 350 мм.
  • Высота 3275 мм.
  • Вес 2040 кг.
  • Объем бетона 1,65 м3
  • Геометрический объем 3,3241 м3
Цена: 56018 руб.
Подробнее
3ПСО 30-33-4,0-1 п пв (1.090.1-3пв)
Панели наружных стен однослойные Серия 1.090.1-3пв
  • Длина 2990 мм.
  • Ширина 400 мм.
  • Высота 3275 мм.
  • Вес 3050 кг.
  • Объем бетона 1,22 м3
  • Геометрический объем 3,9169 м3
Цена: 41419 руб.
Подробнее
3ПСО 30-33-3,5-2 п пв (1.090.1-3пв)
Панели наружных стен однослойные Серия 1.090.1-3пв
  • Длина 2990 мм.
  • Ширина 350 мм.
  • Высота 3275 мм.
  • Вес 2660 кг.
  • Объем бетона 2,16 м3
  • Геометрический объем 3,4273 м3
Цена: 73332 руб.
Подробнее
3ПСО 30-33-4,0-2 п пв (1.090.1-3пв)
Панели наружных стен однослойные Серия 1.090.1-3пв
  • Длина 2990 мм.
  • Ширина 400 мм.
  • Высота 3275 мм.
  • Вес 3050 кг.
  • Объем бетона 1,22 м3
  • Геометрический объем 3,9169 м3
Цена: 41419 руб.
Подробнее
3ПСО 60-33-3,5-1 п пв (1.090.1-3пв)
Панели наружных стен однослойные Серия 1.090.1-3пв
  • Длина 5990 мм.
  • Ширина 350 мм.
  • Высота 3275 мм.
  • Вес 4910 кг.
  • Объем бетона 3,99 м3
  • Геометрический объем 6,866 м3
Цена: 135461 руб.
Подробнее
3ПСО 60-33-3,5-2 п пв (1.090.1-3пв)
Панели наружных стен однослойные Серия 1.090.1-3пв
  • Длина 5990 мм.
  • Ширина 350 мм.
  • Высота 3275 мм.
  • Вес 4910 кг.
  • Объем бетона 3,99 м3
  • Геометрический объем 6,866 м3
Цена: 135461 руб.
Подробнее
3ПСО 60-33-4,0-1 п пв (1.090.1-3пв)
Панели наружных стен однослойные Серия 1.090.1-3пв
  • Длина 5990 мм.
  • Ширина 400 мм.
  • Высота 3275 мм.
  • Вес 5620 кг.
  • Объем бетона 4,56 м3
  • Геометрический объем 7,8469 м3
Цена: 154812 руб.
Подробнее
4ПСД 29-33-3,5-2 п пв (1.090.1-3пв)
Панели наружных стен однослойные Серия 1.090.1-3пв
  • Длина 2900 мм.
  • Ширина 350 мм.
  • Высота 3275 мм.
  • Вес 2260 кг.
  • Объем бетона 1,83 м3
  • Геометрический объем 3,3241 м3
Цена: 62129 руб.
Подробнее
3ПСО 60-33-4,0-2 п пв (1.090.1-3пв)
Панели наружных стен однослойные Серия 1.090.1-3пв
  • Длина 5990 мм.
  • Ширина 400 мм.
  • Высота 3275 мм.
  • Вес 5620 кг.
  • Объем бетона 4,56 м3
  • Геометрический объем 7,8469 м3
Цена: 154812 руб.
Подробнее
4ПСД 29-33-4,0-2 п пв (1.090.1-3пв)
Панели наружных стен однослойные Серия 1.090.1-3пв
  • Длина 2900 мм.
  • Ширина 400 мм.
  • Высота 3275 мм.
  • Вес 2560 кг.
  • Объем бетона 2,08 м3
  • Геометрический объем 3,799 м3
Цена: 70616 руб.
Подробнее
4ПСД 30-33-3,5-2 п пв (1.090.1-3пв)
Панели наружных стен однослойные Серия 1.090.1-3пв
  • Длина 2990 мм.
  • Ширина 350 мм.
  • Высота 3275 мм.
  • Вес 1290 кг.
  • Объем бетона 1,04 м3
  • Геометрический объем 3,4273 м3
Цена: 35308 руб.
Подробнее
4ПСД 30-33-3,5-1 п пв (1.090.1-3пв)
Панели наружных стен однослойные Серия 1.090.1-3пв
  • Длина 2990 мм.
  • Ширина 350 мм.
  • Высота 3275 мм.
  • Вес 1290 кг.
  • Объем бетона 1,04 м3
  • Геометрический объем 3,4273 м3
Цена: 35308 руб.
Подробнее
4ПСД 30-33-4,0-1 п пв (1.090.1-3пв)
Панели наружных стен однослойные Серия 1.090.1-3пв
  • Длина 2990 мм.
  • Ширина 400 мм.
  • Высота 3275 мм.
  • Вес 1500 кг.
  • Объем бетона 1,21 м3
  • Геометрический объем 3,9169 м3
Цена: 41080 руб.
Подробнее
4ПСД 30-33-4,0-2 п пв (1.090.1-3пв)
Панели наружных стен однослойные Серия 1.090.1-3пв
  • Длина 2990 мм.
  • Ширина 400 мм.
  • Высота 3275 мм.
  • Вес 1500 кг.
  • Объем бетона 1,21 м3
  • Геометрический объем 3,9169 м3
Цена: 41080 руб.
Подробнее
4ПСЛ 30-33-3,5-2 п пв (1.090.1-3 пв)
Панели наружных стен однослойные Серия 1.090.1-3пв
  • Длина 2990 мм.
  • Ширина 350 мм.
  • Высота 3275 мм.
  • Вес 3340 кг.
  • Объем бетона 2,71 м3
  • Геометрический объем 3,4273 м3
Цена: 92005 руб.
Подробнее
4ПСЛ 30-33-4,0-2 п пв (1.090.1-3 пв)
Панели наружных стен однослойные Серия 1.090.1-3пв
  • Длина 2990 мм.
  • Ширина 400 мм.
  • Высота 3275 мм.
  • Вес 3830 кг.
  • Объем бетона 3,11 м3
  • Геометрический объем 3,9169 м3
Цена: 105585 руб.
Подробнее
4ПСО 29-33-3,5-2 п пв (1.090.1-3пв)
Панели наружных стен однослойные Серия 1.090.1-3пв
  • Длина 2900 мм.
  • Ширина 350 мм.
  • Высота 3275 мм.
  • Вес 2040 кг.
  • Объем бетона 1,65 м3
  • Геометрический объем 3,3241 м3
Цена: 56018 руб.
Подробнее
4ПСО 29-33-3,5-1 п пв (1.090.1-3пв)
Панели наружных стен однослойные Серия 1.090.1-3пв
  • Длина 2900 мм.
  • Ширина 350 мм.
  • Высота 3275 мм.
  • Вес 2040 кг.
  • Объем бетона 1,65 м3
  • Геометрический объем 3,3241 м3
Цена: 56018 руб.
Подробнее
4ПСО 29-33-4,0-1 п пв (1.090.1-3пв)
Панели наружных стен однослойные Серия 1.090.1-3пв
  • Длина 2900 мм.
  • Ширина 400 мм.
  • Высота 3275 мм.
  • Вес 2300 кг.
  • Объем бетона 1,86 м3
  • Геометрический объем 3,799 м3
Цена: 63147 руб.
Подробнее
4ПСО 30-33-3,5-1 п пв (1.090.1-3пв)
Панели наружных стен однослойные Серия 1.090.1-3пв
  • Длина 2990 мм.
  • Ширина 350 мм.
  • Высота 3275 мм.
  • Вес 2380 кг.
  • Объем бетона 1,93 м3
  • Геометрический объем 3,4273 м3
Цена: 65524 руб.
Подробнее
4ПСО 29-33-4,0-2 п пв (1.090.1-3пв)
Панели наружных стен однослойные Серия 1.090.1-3пв
  • Длина 2900 мм.
  • Ширина 400 мм.
  • Высота 3275 мм.
  • Вес 2300 кг.
  • Объем бетона 1,86 м3
  • Геометрический объем 3,799 м3
Цена: 63147 руб.
Подробнее
4ПСО 30-33-3,5-2 п пв (1.090.1-3пв)
Панели наружных стен однослойные Серия 1.090.1-3пв
  • Длина 2990 мм.
  • Ширина 350 мм.
  • Высота 3275 мм.
  • Вес 2380 кг.
  • Объем бетона 1,93 м3
  • Геометрический объем 3,4273 м3
Цена: 65524 руб.
Подробнее
4ПСО 30-33-4,0-1 п пв (1.090.1-3пв)
Панели наружных стен однослойные Серия 1.090.1-3пв
  • Длина 2990 мм.
  • Ширина 400 мм.
  • Высота 3275 мм.
  • Вес 2730 кг.
  • Объем бетона 2,2 м3
  • Геометрический объем 3,9169 м3
Цена: 74690 руб.
Подробнее
4ПСО 30-33-4,0-2 п пв (1.090.1-3пв)
Панели наружных стен однослойные Серия 1.090.1-3пв
  • Длина 2990 мм.
  • Ширина 400 мм.
  • Высота 3275 мм.
  • Вес 2730 кг.
  • Объем бетона 2,2 м3
  • Геометрический объем 3,9169 м3
Цена: 74690 руб.
Подробнее
4ПСО 60-33-3,5-1 п пв (1.090.1-3пв)
Панели наружных стен однослойные Серия 1.090.1-3пв
  • Длина 5990 мм.
  • Ширина 350 мм.
  • Высота 3275 мм.
  • Вес 5780 кг.
  • Объем бетона 4,69 м3
  • Геометрический объем 6,866 м3
Цена: 159226 руб.
Подробнее
4ПСО 60-33-4,0-2 п пв (1.090.1-3пв)
Панели наружных стен однослойные Серия 1.090.1-3пв
  • Длина 5990 мм.
  • Ширина 400 мм.
  • Высота 3275 мм.
  • Вес 6600 кг.
  • Объем бетона 5,36 м3
  • Геометрический объем 7,8469 м3
Цена: 181972 руб.
Подробнее
4ПСО 60-33-3,5-2 п пв (1.090.1-3пв)
Панели наружных стен однослойные Серия 1.090.1-3пв
  • Длина 5990 мм.
  • Ширина 350 мм.
  • Высота 3275 мм.
  • Вес 5780 кг.
  • Объем бетона 4,69 м3
  • Геометрический объем 6,866 м3
Цена: 159226 руб.
Подробнее
5ПСЛ 30-33-4,0-2 п пв (1.090.1-3 пв)
Панели наружных стен однослойные Серия 1.090.1-3пв
  • Длина 2990 мм.
  • Ширина 400 мм.
  • Высота 3275 мм.
  • Вес 3830 кг.
  • Объем бетона 3,11 м3
  • Геометрический объем 3,9169 м3
Цена: 105585 руб.
Подробнее
5ПСЛ 30-33-3,5-2 п пв (1.090.1-3пв)
Панели наружных стен однослойные Серия 1.090.1-3пв
  • Длина 2990 мм.
  • Ширина 350 мм.
  • Высота 3275 мм.
  • Вес 3340 кг.
  • Объем бетона 2,71 м3
  • Геометрический объем 3,4273 м3
Цена: 92005 руб.
Подробнее
5ПСО 30-33-3,5-1 п пв (1.090.1-3пв)
Панели наружных стен однослойные Серия 1.090.1-3пв
  • Длина 2990 мм.
  • Ширина 350 мм.
  • Высота 3275 мм.
  • Вес 2590 кг.
  • Объем бетона 2,1 м3
  • Геометрический объем 3,4273 м3
Цена: 71295 руб.
Подробнее
4ПСО 60-33-4,0-1 п пв (1.090.1-3пв)
Панели наружных стен однослойные Серия 1.090.1-3пв
  • Длина 5990 мм.
  • Ширина 400 мм.
  • Высота 3275 мм.
  • Вес 6600 кг.
  • Объем бетона 5,36 м3
  • Геометрический объем 7,8469 м3
Цена: 181972 руб.
Подробнее
5ПСО 30-33-4,0-2 п пв (1.090.1-3пв)
Панели наружных стен однослойные Серия 1.090.1-3пв
  • Длина 2990 мм.
  • Ширина 400 мм.
  • Высота 3275 мм.
  • Вес 2970 кг.
  • Объем бетона 2,41 м3
  • Геометрический объем 3,9169 м3
Цена: 81820 руб.
Подробнее
6ПСЛ 30-33-3,5-2 п пв (1.090.1-3пв)
Панели наружных стен однослойные Серия 1.090.1-3пв
  • Длина 2990 мм.
  • Ширина 350 мм.
  • Высота 3275 мм.
  • Вес 3340 кг.
  • Объем бетона 2,71 м3
  • Геометрический объем 3,4273 м3
Цена: 92005 руб.
Подробнее
5ПСО 30-33-3,5-2 п пв (1.090.1-3пв)
Панели наружных стен однослойные Серия 1.090.1-3пв
  • Длина 2990 мм.
  • Ширина 350 мм.
  • Высота 3275 мм.
  • Вес 2590 кг.
  • Объем бетона 2,1 м3
  • Геометрический объем 3,4273 м3
Цена: 71295 руб.
Подробнее
5ПСО 30-33-4,0-1 п пв (1.090.1-3пв)
Панели наружных стен однослойные Серия 1.090.1-3пв
  • Длина 2990 мм.
  • Ширина 400 мм.
  • Высота 3275 мм.
  • Вес 2970 кг.
  • Объем бетона 2,41 м3
  • Геометрический объем 3,9169 м3
Цена: 81820 руб.
Подробнее
6ПСЛ 30-33-4,0-2 п пв (1.090.1-3 пв)
Панели наружных стен однослойные Серия 1.090.1-3пв
  • Длина 2990 мм.
  • Ширина 400 мм.
  • Высота 3275 мм.
  • Вес 3830 кг.
  • Объем бетона 3,11 м3
  • Геометрический объем 3,9169 м3
Цена: 105585 руб.
Подробнее
6ПСО 30-33-3,5-1 п пв (1.090.1-3пв)
Панели наружных стен однослойные Серия 1.090.1-3пв
  • Длина 2990 мм.
  • Ширина 350 мм.
  • Высота 3275 мм.
  • Вес 2810 кг.
  • Объем бетона 2,28 м3
  • Геометрический объем 3,4273 м3
Цена: 77406 руб.
Подробнее
6ПСО 30-33-4,0-2 п пв (1.090.1-3пв)
Панели наружных стен однослойные Серия 1.090.1-3пв
  • Длина 2990 мм.
  • Ширина 400 мм.
  • Высота 3275 мм.
  • Вес 3200 кг.
  • Объем бетона 2,6 м3
  • Геометрический объем 3,9169 м3
Цена: 88270 руб.
Подробнее
6ПСО 30-33-4,0-1 п пв (1.090.1-3пв)
Панели наружных стен однослойные Серия 1.090.1-3пв
  • Длина 2990 мм.
  • Ширина 400 мм.
  • Высота 3275 мм.
  • Вес 3200 кг.
  • Объем бетона 2,6 м3
  • Геометрический объем 3,9169 м3
Цена: 88270 руб.
Подробнее
7ПСЛ 30-33-3,5-2 п пв (1.090.1-3пв)
Панели наружных стен однослойные Серия 1.090.1-3пв
  • Длина 2990 мм.
  • Ширина 350 мм.
  • Высота 3275 мм.
  • Вес 3340 кг.
  • Объем бетона 2,71 м3
  • Геометрический объем 3,4273 м3
Цена: 92005 руб.
Подробнее

Уведомление о файлах cookie

Мы используем файлы cookie для улучшения вашего опыта просмотра и анализа трафика. Нажимая "Принять все", вы соглашаетесь с нашей политикой конфиденциальности и политикой обработки файлов cookie.

Дзен Телеграм Вконтакте vk