mobile_sound +7 (930) 655-55-90

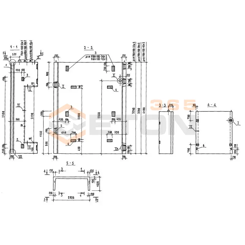
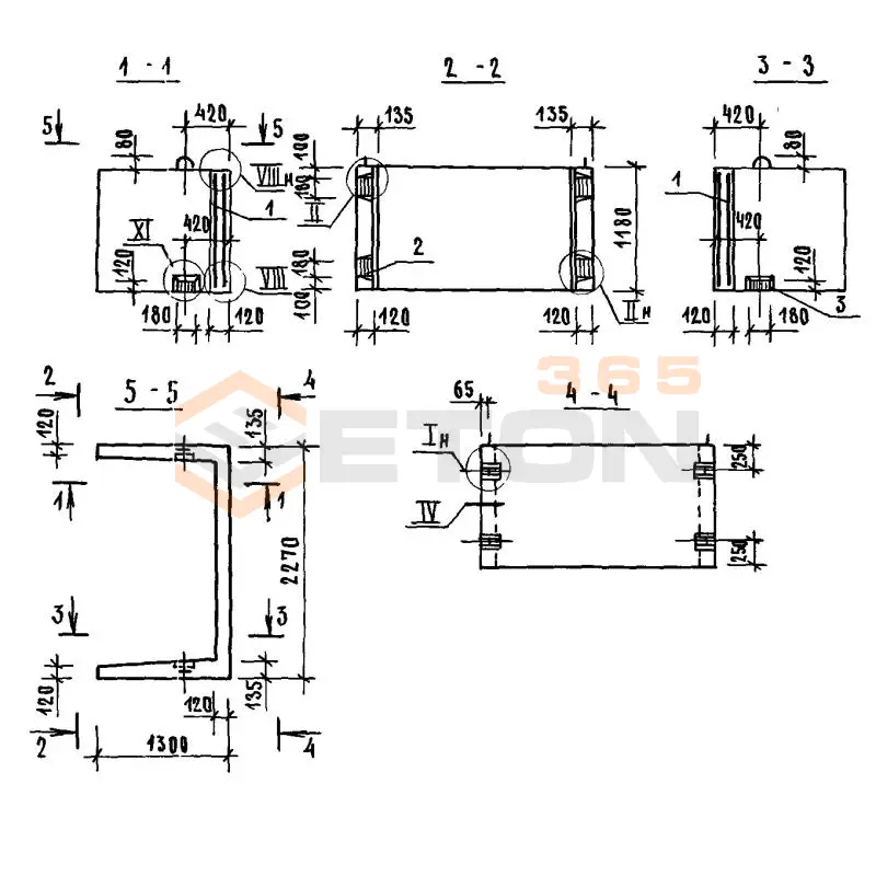
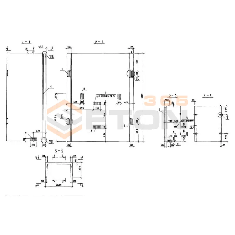
Блоки шахт лифтов Серия 1.089.1-1

Поделиться:
Фильтр по характеристикам
Длина (мм.)
keyboard_arrow_down
мм.
мм.
Ширина (мм.)
keyboard_arrow_down
мм.
мм.
Высота (мм.)
keyboard_arrow_down
мм.
мм.
Вес (кг.)
keyboard_arrow_down
кг.
кг.
Поделиться:

Завод "Бетон365" производит блоки шахт лифтов серии 1.089.1-1 — ключевые элементы для монтажа лифтовых конструкций в жилых и коммерческих зданиях. Эти железобетонные изделия изготавливаются в строгом соответствии с ГОСТ, обеспечивая высокую прочность, точность геометрических параметров и устойчивость к эксплуатационным нагрузкам. Применение готовых блоков позволяет оптимизировать строительный процесс, создавая надежную основу для лифтового оборудования и гарантируя безопасность на весь срок службы объекта.

Мы реализуем блоки шахт лифтов серии 1.089.1-1 в Москве и МО по конкурентной цене от производителя, с возможностью доставки на объект. Все изделия сопровождаются сертификатами качества и подходят для проектов любой сложности. Чтобы купить надежные ЖБИ для вашего строительства и получить консультацию по монтажу, обратитесь к нашим специалистам для оформления заказа!

БШЛ 100-12 п-1
Блоки шахт лифтов Серия 1.089.1-1
  • Длина 2820 мм.
  • Ширина 1050 мм.
  • Высота 1180 мм.
  • Вес 1700 кг.
  • Объем бетона 0,68 м3
  • Геометрический объем 3,494 м3
Цена: 23086 руб.
Подробнее
БШЛ 100-12 п-3
Блоки шахт лифтов Серия 1.089.1-1
  • Длина 2820 мм.
  • Ширина 1050 мм.
  • Высота 1180 мм.
  • Вес 1700 кг.
  • Объем бетона 0,68 м3
  • Геометрический объем 3,494 м3
Цена: 23086 руб.
Подробнее
БШЛ 100-12 п-2
Блоки шахт лифтов Серия 1.089.1-1
  • Длина 2820 мм.
  • Ширина 1050 мм.
  • Высота 1180 мм.
  • Вес 1700 кг.
  • Объем бетона 0,68 м3
  • Геометрический объем 3,494 м3
Цена: 23086 руб.
Подробнее
БШЛ 100-12 п-2 б
Блоки шахт лифтов Серия 1.089.1-1
  • Длина 2820 мм.
  • Ширина 1050 мм.
  • Высота 1180 мм.
  • Вес 1700 кг.
  • Объем бетона 0,68 м3
  • Геометрический объем 3,494 м3
Цена: 23086 руб.
Подробнее
БШЛ 100-12 п-3 б
Блоки шахт лифтов Серия 1.089.1-1
  • Длина 2820 мм.
  • Ширина 1050 мм.
  • Высота 1180 мм.
  • Вес 1700 кг.
  • Объем бетона 0,68 м3
  • Геометрический объем 3,494 м3
Цена: 23086 руб.
Подробнее
БШЛ 100-12 п-4
Блоки шахт лифтов Серия 1.089.1-1
  • Длина 2820 мм.
  • Ширина 1050 мм.
  • Высота 1180 мм.
  • Вес 1700 кг.
  • Объем бетона 0,68 м3
  • Геометрический объем 3,494 м3
Цена: 23086 руб.
Подробнее
БШЛ 100-12 п-4 б
Блоки шахт лифтов Серия 1.089.1-1
  • Длина 2820 мм.
  • Ширина 1050 мм.
  • Высота 1180 мм.
  • Вес 1700 кг.
  • Объем бетона 0,68 м3
  • Геометрический объем 3,494 м3
Цена: 23086 руб.
Подробнее
БШЛ 100-12 п-5
Блоки шахт лифтов Серия 1.089.1-1
  • Длина 2820 мм.
  • Ширина 1050 мм.
  • Высота 1180 мм.
  • Вес 1700 кг.
  • Объем бетона 0,68 м3
  • Геометрический объем 3,494 м3
Цена: 23086 руб.
Подробнее
БШЛ 100-12 п-5 б
Блоки шахт лифтов Серия 1.089.1-1
  • Длина 2820 мм.
  • Ширина 1050 мм.
  • Высота 1180 мм.
  • Вес 1700 кг.
  • Объем бетона 0,68 м3
  • Геометрический объем 3,494 м3
Цена: 23086 руб.
Подробнее
БШЛ 100-12-1
Блоки шахт лифтов Серия 1.089.1-1
  • Длина 2420 мм.
  • Ширина 1250 мм.
  • Высота 1180 мм.
  • Вес 1700 кг.
  • Объем бетона 0,68 м3
  • Геометрический объем 3,5695 м3
Цена: 23086 руб.
Подробнее
БШЛ 100-12-1
Блоки шахт лифтов Серия 1.089.1-1
  • Длина 2270 мм.
  • Ширина 1300 мм.
  • Высота 1180 мм.
  • Вес 1700 кг.
  • Объем бетона 0,68 м3
  • Геометрический объем 3,4822 м3
Цена: 23086 руб.
Подробнее
БШЛ 100-12-2
Блоки шахт лифтов Серия 1.089.1-1
  • Длина 2420 мм.
  • Ширина 1250 мм.
  • Высота 1180 мм.
  • Вес 1700 кг.
  • Объем бетона 0,68 м3
  • Геометрический объем 3,5695 м3
Цена: 23086 руб.
Подробнее
БШЛ 100-12-2
Блоки шахт лифтов Серия 1.089.1-1
  • Длина 2270 мм.
  • Ширина 1300 мм.
  • Высота 1180 мм.
  • Вес 1700 кг.
  • Объем бетона 0,68 м3
  • Геометрический объем 3,4822 м3
Цена: 23086 руб.
Подробнее
БШЛ 100-12-2 б
Блоки шахт лифтов Серия 1.089.1-1
  • Длина 2270 мм.
  • Ширина 1300 мм.
  • Высота 1180 мм.
  • Вес 1700 кг.
  • Объем бетона 0,68 м3
  • Геометрический объем 3,4822 м3
Цена: 23086 руб.
Подробнее
БШЛ 100-12-3
Блоки шахт лифтов Серия 1.089.1-1
  • Длина 2420 мм.
  • Ширина 1250 мм.
  • Высота 1180 мм.
  • Вес 1700 кг.
  • Объем бетона 0,68 м3
  • Геометрический объем 3,5695 м3
Цена: 23086 руб.
Подробнее
БШЛ 100-12-3 б
Блоки шахт лифтов Серия 1.089.1-1
  • Длина 2270 мм.
  • Ширина 1300 мм.
  • Высота 1180 мм.
  • Вес 1700 кг.
  • Объем бетона 0,68 м3
  • Геометрический объем 3,4822 м3
Цена: 23086 руб.
Подробнее
БШЛ 100-30 п-1
Блоки шахт лифтов Серия 1.089.1-1
  • Длина 2820 мм.
  • Ширина 1050 мм.
  • Высота 2980 мм.
  • Вес 3880 кг.
  • Объем бетона 1,55 м3
  • Геометрический объем 8,8238 м3
Цена: 52623 руб.
Подробнее
БШЛ 100-12-3
Блоки шахт лифтов Серия 1.089.1-1
  • Длина 2270 мм.
  • Ширина 1300 мм.
  • Высота 1180 мм.
  • Вес 1700 кг.
  • Объем бетона 0,68 м3
  • Геометрический объем 3,4822 м3
Цена: 23086 руб.
Подробнее
БШЛ 100-30 п-1 б
Блоки шахт лифтов Серия 1.089.1-1
  • Длина 2820 мм.
  • Ширина 1050 мм.
  • Высота 2980 мм.
  • Вес 3880 кг.
  • Объем бетона 1,55 м3
  • Геометрический объем 8,8238 м3
Цена: 52623 руб.
Подробнее
БШЛ 100-30 п-2
Блоки шахт лифтов Серия 1.089.1-1
  • Длина 2820 мм.
  • Ширина 1050 мм.
  • Высота 2980 мм.
  • Вес 3880 кг.
  • Объем бетона 1,55 м3
  • Геометрический объем 8,8238 м3
Цена: 52623 руб.
Подробнее
БШЛ 100-30 п-2 б
Блоки шахт лифтов Серия 1.089.1-1
  • Длина 2820 мм.
  • Ширина 1050 мм.
  • Высота 2980 мм.
  • Вес 3880 кг.
  • Объем бетона 1,55 м3
  • Геометрический объем 8,8238 м3
Цена: 52623 руб.
Подробнее
БШЛ 100-30 п-4
Блоки шахт лифтов Серия 1.089.1-1
  • Длина 2820 мм.
  • Ширина 1050 мм.
  • Высота 2980 мм.
  • Вес 4300 кг.
  • Объем бетона 1,72 м3
  • Геометрический объем 8,8238 м3
Цена: 58394 руб.
Подробнее
БШЛ 100-30 п-3
Блоки шахт лифтов Серия 1.089.1-1
  • Длина 2820 мм.
  • Ширина 1050 мм.
  • Высота 2980 мм.
  • Вес 4300 кг.
  • Объем бетона 1,72 м3
  • Геометрический объем 8,8238 м3
Цена: 58394 руб.
Подробнее
БШЛ 100-30 п-3 б
Блоки шахт лифтов Серия 1.089.1-1
  • Длина 2820 мм.
  • Ширина 1050 мм.
  • Высота 2980 мм.
  • Вес 4300 кг.
  • Объем бетона 1,72 м3
  • Геометрический объем 8,8238 м3
Цена: 58394 руб.
Подробнее
БШЛ 100-30 п-4 б
Блоки шахт лифтов Серия 1.089.1-1
  • Длина 2820 мм.
  • Ширина 1050 мм.
  • Высота 2980 мм.
  • Вес 4300 кг.
  • Объем бетона 1,72 м3
  • Геометрический объем 8,8238 м3
Цена: 58394 руб.
Подробнее
БШЛ 100-30-1
Блоки шахт лифтов Серия 1.089.1-1
  • Длина 2270 мм.
  • Ширина 1300 мм.
  • Высота 2980 мм.
  • Вес 3800 кг.
  • Объем бетона 1,52 м3
  • Геометрический объем 8,794 м3
Цена: 51604 руб.
Подробнее
БШЛ 100-30-2
Блоки шахт лифтов Серия 1.089.1-1
  • Длина 2420 мм.
  • Ширина 1250 мм.
  • Высота 2980 мм.
  • Вес 3930 кг.
  • Объем бетона 1,57 м3
  • Геометрический объем 9,0145 м3
Цена: 53302 руб.
Подробнее
БШЛ 100-30-1
Блоки шахт лифтов Серия 1.089.1-1
  • Длина 2420 мм.
  • Ширина 1250 мм.
  • Высота 2980 мм.
  • Вес 3920 кг.
  • Объем бетона 1,57 м3
  • Геометрический объем 9,0145 м3
Цена: 53302 руб.
Подробнее
БШЛ 100-30-2 б
Блоки шахт лифтов Серия 1.089.1-1
  • Длина 2270 мм.
  • Ширина 1300 мм.
  • Высота 2980 мм.
  • Вес 3800 кг.
  • Объем бетона 1,52 м3
  • Геометрический объем 8,794 м3
Цена: 51604 руб.
Подробнее
БШЛ 100-30-1 б
Блоки шахт лифтов Серия 1.089.1-1
  • Длина 2270 мм.
  • Ширина 1300 мм.
  • Высота 2980 мм.
  • Вес 3800 кг.
  • Объем бетона 1,52 м3
  • Геометрический объем 8,794 м3
Цена: 51604 руб.
Подробнее
БШЛ 100-30-2
Блоки шахт лифтов Серия 1.089.1-1
  • Длина 2270 мм.
  • Ширина 1300 мм.
  • Высота 2980 мм.
  • Вес 3800 кг.
  • Объем бетона 1,52 м3
  • Геометрический объем 8,794 м3
Цена: 51604 руб.
Подробнее
БШЛ 100-30-3
Блоки шахт лифтов Серия 1.089.1-1
  • Длина 2270 мм.
  • Ширина 1300 мм.
  • Высота 2980 мм.
  • Вес 4280 кг.
  • Объем бетона 1,71 м3
  • Геометрический объем 8,794 м3
Цена: 58055 руб.
Подробнее
БШЛ 100-30-3
Блоки шахт лифтов Серия 1.089.1-1
  • Длина 2420 мм.
  • Ширина 1250 мм.
  • Высота 2980 мм.
  • Вес 4300 кг.
  • Объем бетона 1,72 м3
  • Геометрический объем 9,0145 м3
Цена: 58394 руб.
Подробнее
БШЛ 100-30-4
Блоки шахт лифтов Серия 1.089.1-1
  • Длина 2420 мм.
  • Ширина 1250 мм.
  • Высота 2980 мм.
  • Вес 4300 кг.
  • Объем бетона 1,72 м3
  • Геометрический объем 9,0145 м3
Цена: 58394 руб.
Подробнее
БШЛ 100-30-4 б
Блоки шахт лифтов Серия 1.089.1-1
  • Длина 2270 мм.
  • Ширина 1300 мм.
  • Высота 2980 мм.
  • Вес 3800 кг.
  • Объем бетона 1,52 м3
  • Геометрический объем 8,794 м3
Цена: 51604 руб.
Подробнее
БШЛ 100-30-4
Блоки шахт лифтов Серия 1.089.1-1
  • Длина 2270 мм.
  • Ширина 1300 мм.
  • Высота 2980 мм.
  • Вес 4280 кг.
  • Объем бетона 1,71 м3
  • Геометрический объем 8,794 м3
Цена: 58055 руб.
Подробнее
БШЛ 100-30-5
Блоки шахт лифтов Серия 1.089.1-1
  • Длина 2270 мм.
  • Ширина 1300 мм.
  • Высота 2980 мм.
  • Вес 4280 кг.
  • Объем бетона 1,71 м3
  • Геометрический объем 8,794 м3
Цена: 58055 руб.
Подробнее
БШЛ 100-30-5 б
Блоки шахт лифтов Серия 1.089.1-1
  • Длина 2270 мм.
  • Ширина 1300 мм.
  • Высота 2980 мм.
  • Вес 3800 кг.
  • Объем бетона 1,52 м3
  • Геометрический объем 8,794 м3
Цена: 51604 руб.
Подробнее
БШЛ 100-30-3 б
Блоки шахт лифтов Серия 1.089.1-1
  • Длина 2270 мм.
  • Ширина 1300 мм.
  • Высота 2980 мм.
  • Вес 3800 кг.
  • Объем бетона 1,52 м3
  • Геометрический объем 8,794 м3
Цена: 51604 руб.
Подробнее
БШЛ 100-30-6
Блоки шахт лифтов Серия 1.089.1-1
  • Длина 2270 мм.
  • Ширина 1300 мм.
  • Высота 2980 мм.
  • Вес 4280 кг.
  • Объем бетона 1,71 м3
  • Геометрический объем 8,794 м3
Цена: 58055 руб.
Подробнее
БШЛ 100-33 п-1
Блоки шахт лифтов Серия 1.089.1-1
  • Длина 2820 мм.
  • Ширина 1050 мм.
  • Высота 3280 мм.
  • Вес 4310 кг.
  • Объем бетона 1,73 м3
  • Геометрический объем 9,7121 м3
Цена: 58734 руб.
Подробнее
БШЛ 100-33 п-2 б
Блоки шахт лифтов Серия 1.089.1-1
  • Длина 2820 мм.
  • Ширина 1050 мм.
  • Высота 3280 мм.
  • Вес 4310 кг.
  • Объем бетона 1,73 м3
  • Геометрический объем 9,7121 м3
Цена: 58734 руб.
Подробнее
БШЛ 100-33 п-2
Блоки шахт лифтов Серия 1.089.1-1
  • Длина 2820 мм.
  • Ширина 1050 мм.
  • Высота 3280 мм.
  • Вес 4310 кг.
  • Объем бетона 1,73 м3
  • Геометрический объем 9,7121 м3
Цена: 58734 руб.
Подробнее
БШЛ 100-33 п-1 б
Блоки шахт лифтов Серия 1.089.1-1
  • Длина 2820 мм.
  • Ширина 1050 мм.
  • Высота 3280 мм.
  • Вес 4310 кг.
  • Объем бетона 1,73 м3
  • Геометрический объем 9,7121 м3
Цена: 58734 руб.
Подробнее
БШЛ 100-33-1
Блоки шахт лифтов Серия 1.089.1-1
  • Длина 2270 мм.
  • Ширина 1300 мм.
  • Высота 3280 мм.
  • Вес 4220 кг.
  • Объем бетона 1,69 м3
  • Геометрический объем 9,6793 м3
Цена: 57376 руб.
Подробнее
БШЛ 100-30-6 б
Блоки шахт лифтов Серия 1.089.1-1
  • Длина 2270 мм.
  • Ширина 1300 мм.
  • Высота 2980 мм.
  • Вес 3800 кг.
  • Объем бетона 1,52 м3
  • Геометрический объем 8,794 м3
Цена: 51604 руб.
Подробнее
БШЛ 100-33-1
Блоки шахт лифтов Серия 1.089.1-1
  • Длина 2420 мм.
  • Ширина 1250 мм.
  • Высота 3280 мм.
  • Вес 4350 кг.
  • Объем бетона 1,74 м3
  • Геометрический объем 9,922 м3
Цена: 59073 руб.
Подробнее
БШЛ 100-33-1 б
Блоки шахт лифтов Серия 1.089.1-1
  • Длина 2270 мм.
  • Ширина 1300 мм.
  • Высота 3280 мм.
  • Вес 4220 кг.
  • Объем бетона 1,69 м3
  • Геометрический объем 9,6793 м3
Цена: 57376 руб.
Подробнее
БШЛ 100-33-2
Блоки шахт лифтов Серия 1.089.1-1
  • Длина 2420 мм.
  • Ширина 1250 мм.
  • Высота 3280 мм.
  • Вес 4370 кг.
  • Объем бетона 1,75 м3
  • Геометрический объем 9,922 м3
Цена: 59413 руб.
Подробнее
БШЛ 100-33-2
Блоки шахт лифтов Серия 1.089.1-1
  • Длина 2270 мм.
  • Ширина 1300 мм.
  • Высота 3280 мм.
  • Вес 4220 кг.
  • Объем бетона 1,69 м3
  • Геометрический объем 9,6793 м3
Цена: 57376 руб.
Подробнее
БШЛ 100-33-2 б
Блоки шахт лифтов Серия 1.089.1-1
  • Длина 2270 мм.
  • Ширина 1300 мм.
  • Высота 3280 мм.
  • Вес 4220 кг.
  • Объем бетона 1,69 м3
  • Геометрический объем 9,6793 м3
Цена: 57376 руб.
Подробнее
БШЛ 100-36 п-1
Блоки шахт лифтов Серия 1.089.1-1
  • Длина 2820 мм.
  • Ширина 1050 мм.
  • Высота 3580 мм.
  • Вес 4750 кг.
  • Объем бетона 1,9 м3
  • Геометрический объем 10,6004 м3
Цена: 64505 руб.
Подробнее
БШЛ 100-36 п-1 б
Блоки шахт лифтов Серия 1.089.1-1
  • Длина 2820 мм.
  • Ширина 1050 мм.
  • Высота 3580 мм.
  • Вес 4750 кг.
  • Объем бетона 1,9 м3
  • Геометрический объем 10,6004 м3
Цена: 64505 руб.
Подробнее
БШЛ 100-36 п-2
Блоки шахт лифтов Серия 1.089.1-1
  • Длина 2820 мм.
  • Ширина 1050 мм.
  • Высота 3580 мм.
  • Вес 4750 кг.
  • Объем бетона 1,9 м3
  • Геометрический объем 10,6004 м3
Цена: 64505 руб.
Подробнее
БШЛ 100-36 п-2 б
Блоки шахт лифтов Серия 1.089.1-1
  • Длина 2820 мм.
  • Ширина 1050 мм.
  • Высота 3580 мм.
  • Вес 4750 кг.
  • Объем бетона 1,9 м3
  • Геометрический объем 10,6004 м3
Цена: 64505 руб.
Подробнее
БШЛ 100-36-2
Блоки шахт лифтов Серия 1.089.1-1
  • Длина 2270 мм.
  • Ширина 1300 мм.
  • Высота 3580 мм.
  • Вес 4650 кг.
  • Объем бетона 1,86 м3
  • Геометрический объем 10,5646 м3
Цена: 63147 руб.
Подробнее
БШЛ 100-36-1
Блоки шахт лифтов Серия 1.089.1-1
  • Длина 2270 мм.
  • Ширина 1300 мм.
  • Высота 3580 мм.
  • Вес 4650 кг.
  • Объем бетона 1,86 м3
  • Геометрический объем 10,5646 м3
Цена: 63147 руб.
Подробнее
БШЛ 100-36-1 б
Блоки шахт лифтов Серия 1.089.1-1
  • Длина 2270 мм.
  • Ширина 1300 мм.
  • Высота 3580 мм.
  • Вес 4650 кг.
  • Объем бетона 1,86 м3
  • Геометрический объем 10,5646 м3
Цена: 63147 руб.
Подробнее
БШЛ 100-36-2
Блоки шахт лифтов Серия 1.089.1-1
  • Длина 2420 мм.
  • Ширина 1250 мм.
  • Высота 3580 мм.
  • Вес 4800 кг.
  • Объем бетона 1,92 м3
  • Геометрический объем 10,8295 м3
Цена: 65184 руб.
Подробнее
БШЛ 100-36-1
Блоки шахт лифтов Серия 1.089.1-1
  • Длина 2420 мм.
  • Ширина 1250 мм.
  • Высота 3580 мм.
  • Вес 4780 кг.
  • Объем бетона 1,91 м3
  • Геометрический объем 10,8295 м3
Цена: 64845 руб.
Подробнее

Как правильно выбрать - Блоки шахт лифтов Серия 1.089.1-1

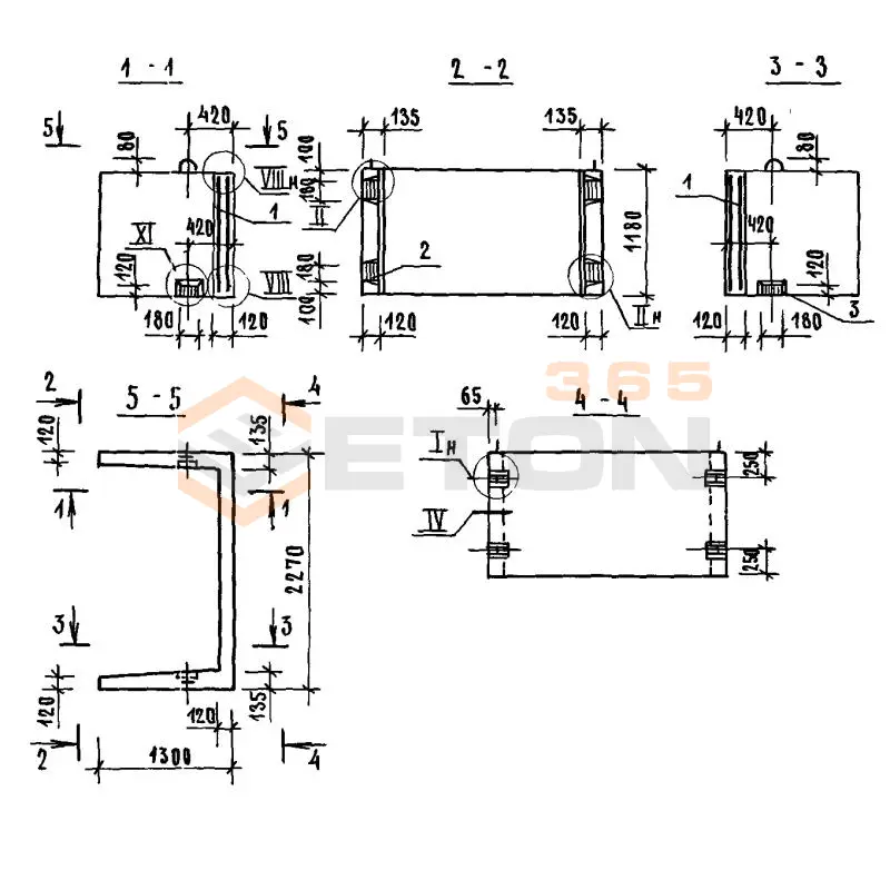
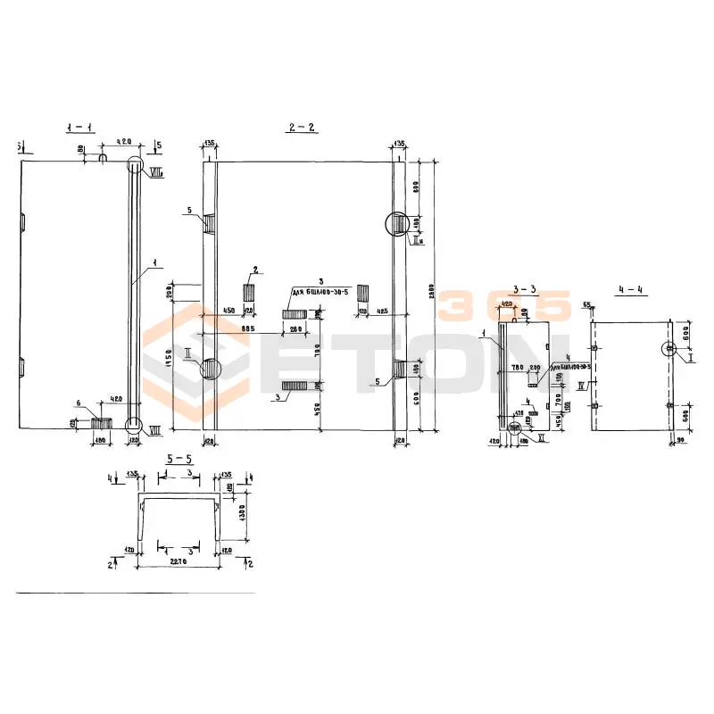
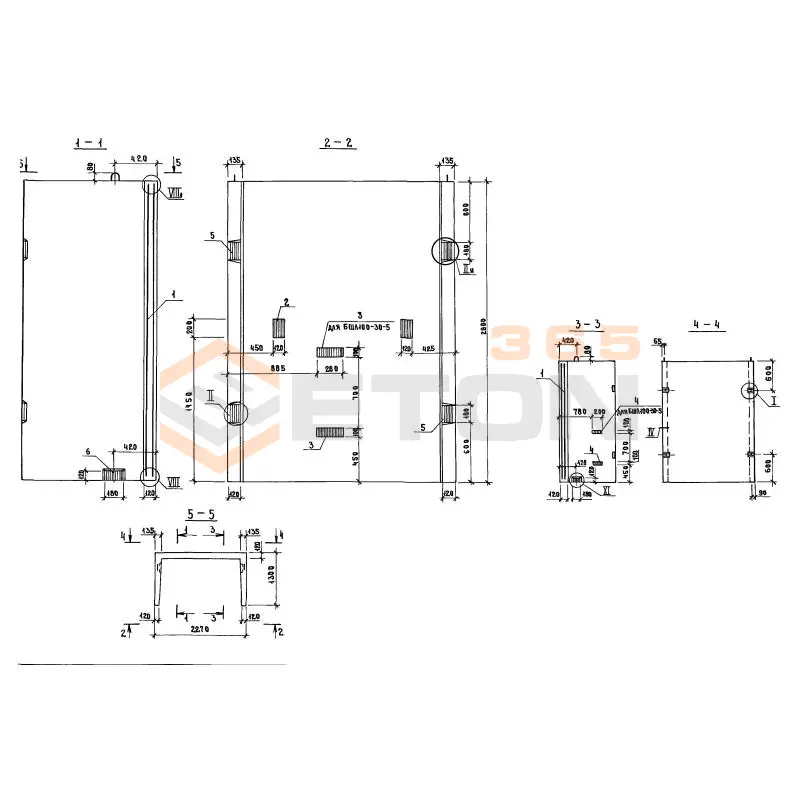
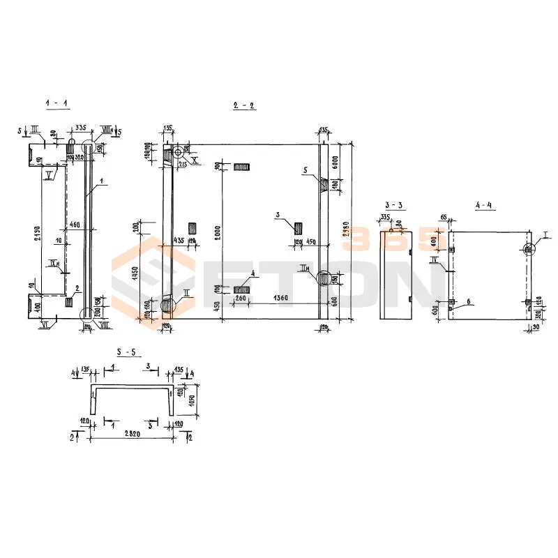
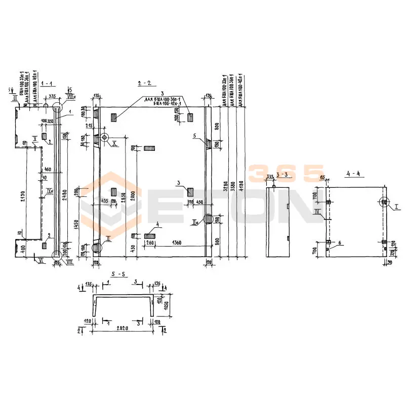
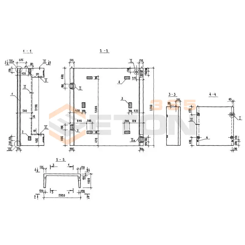
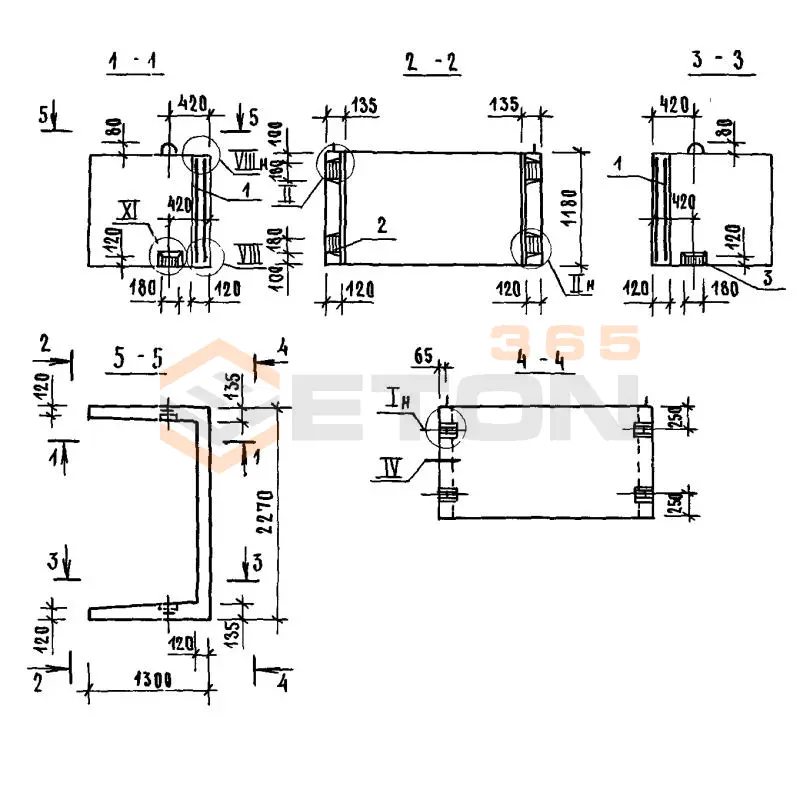
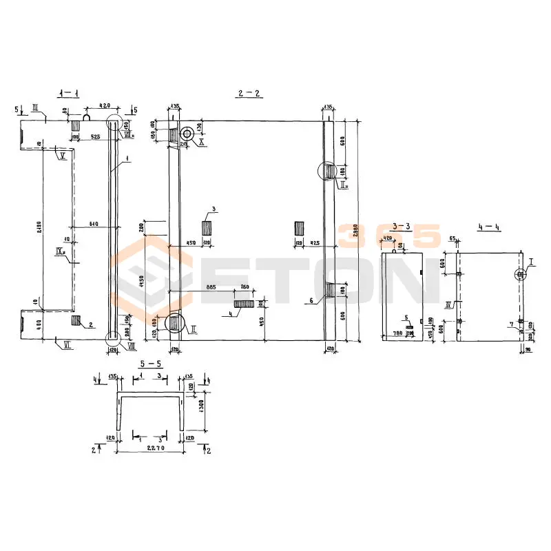
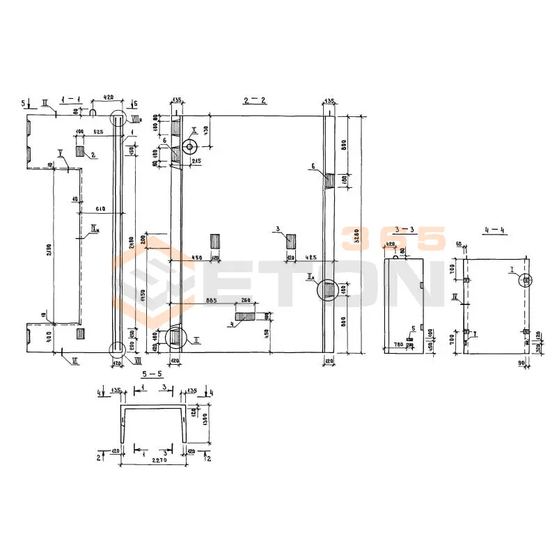
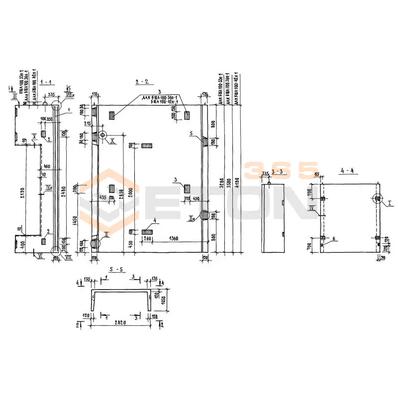
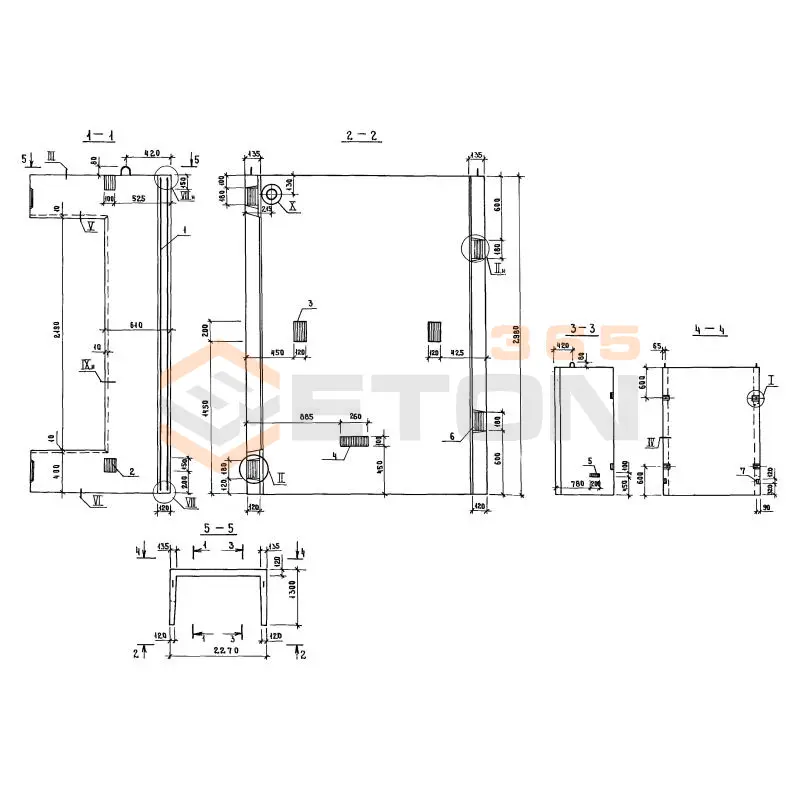
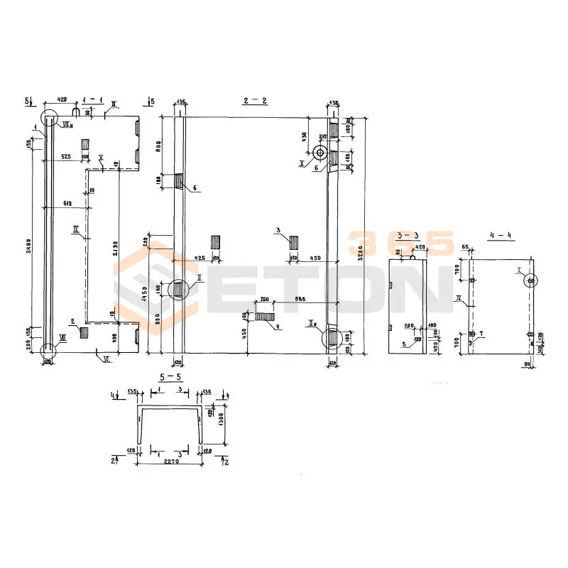
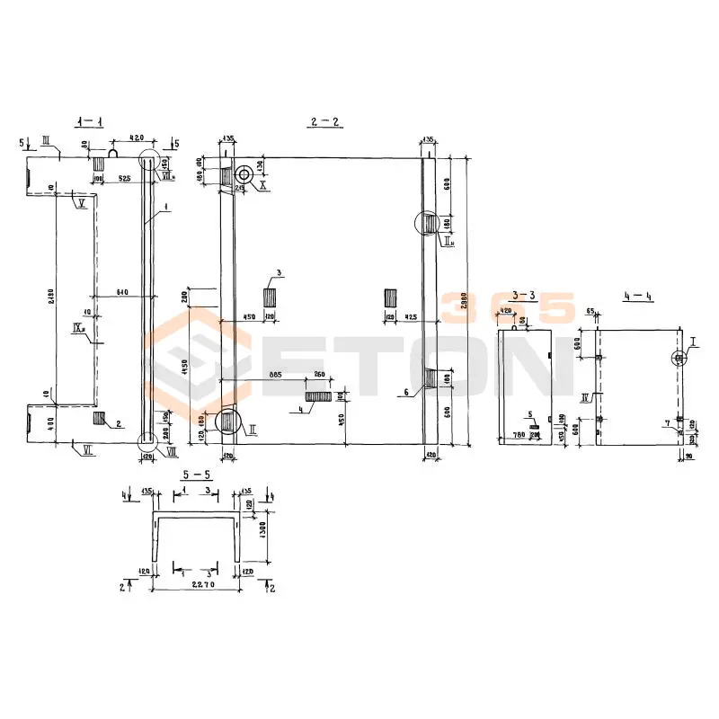
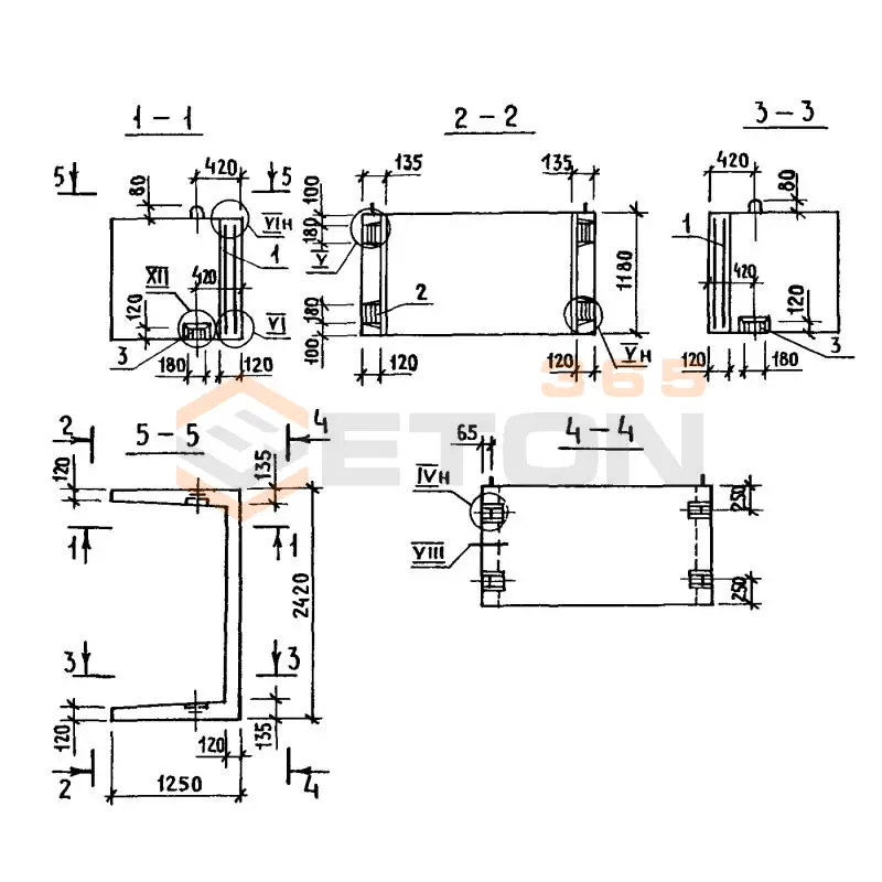
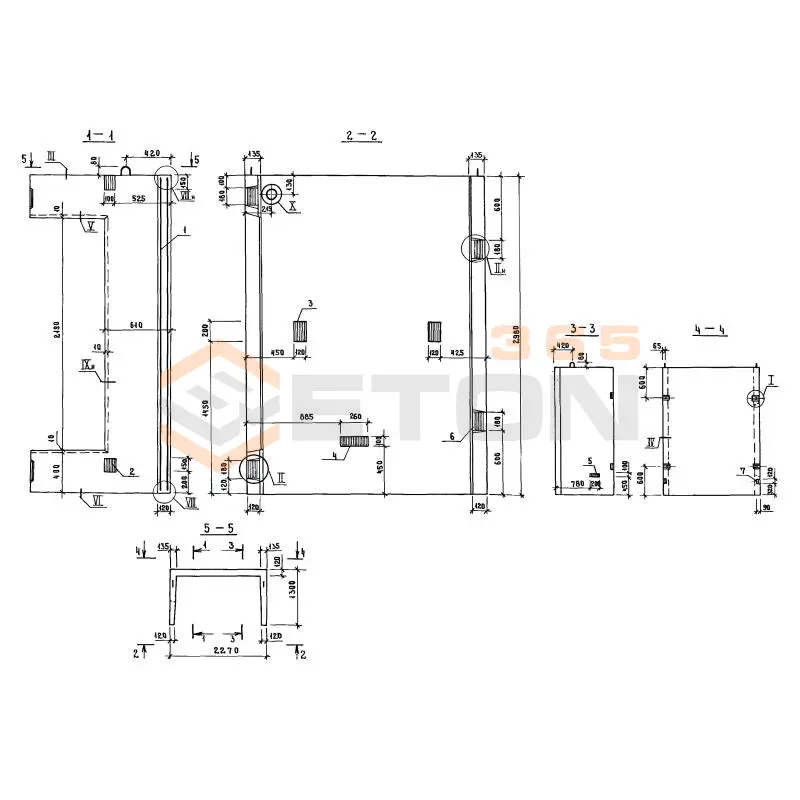
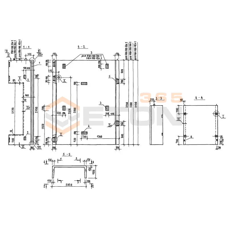
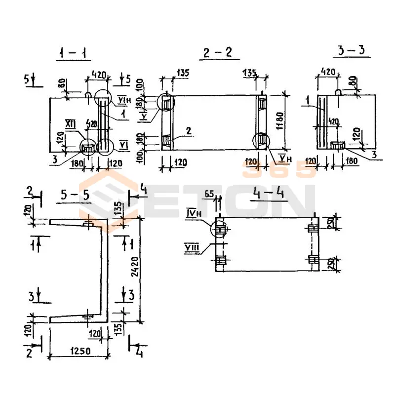
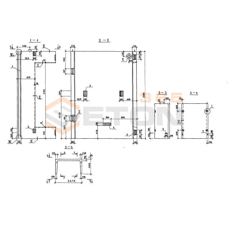
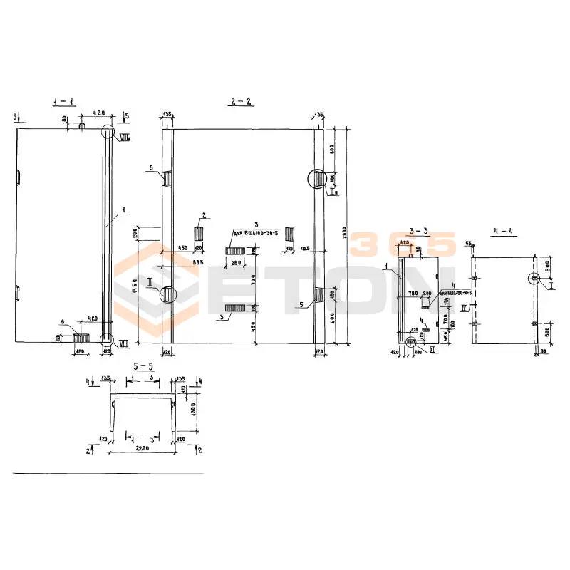
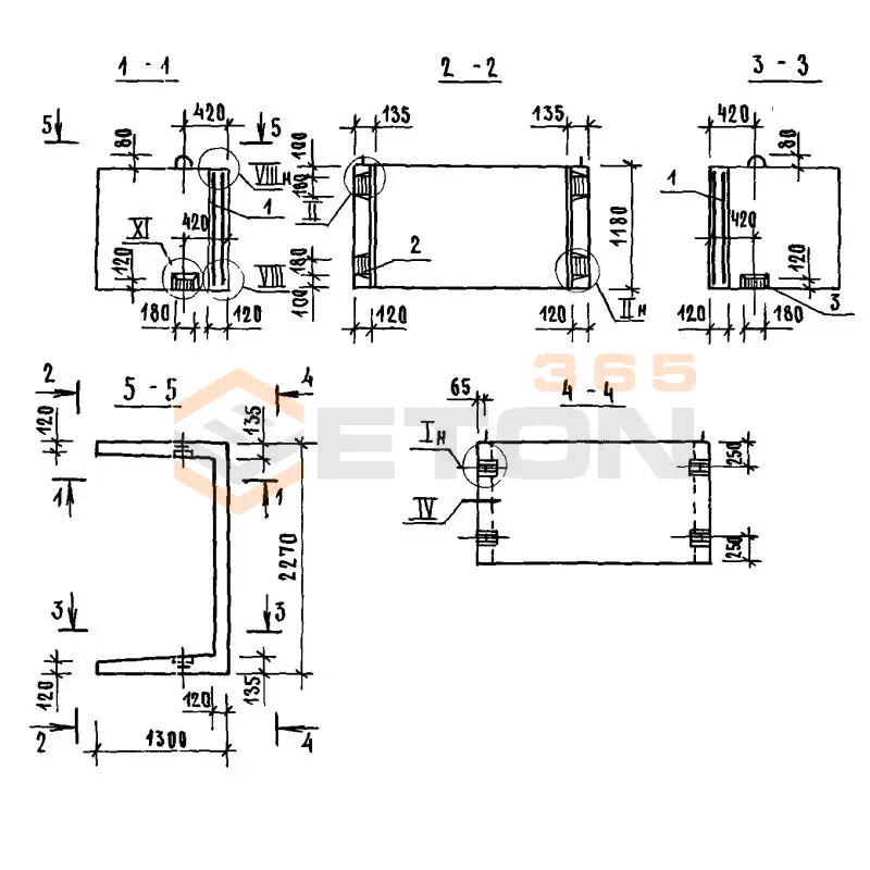
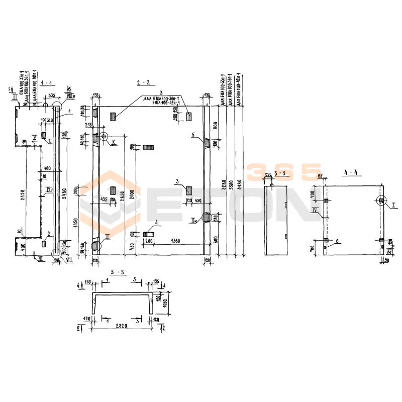
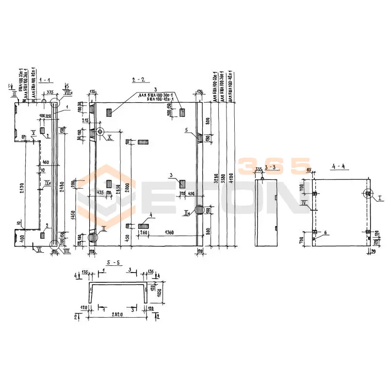
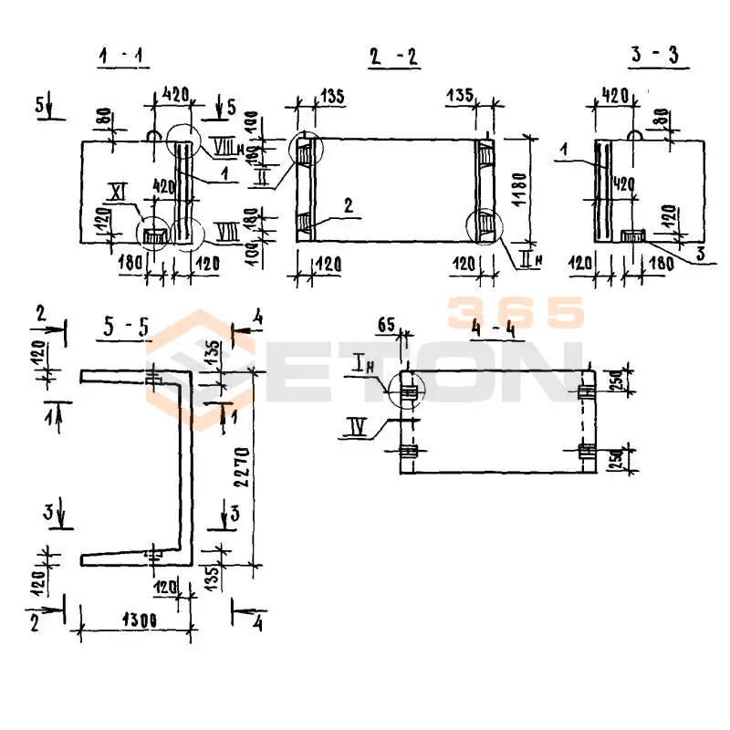
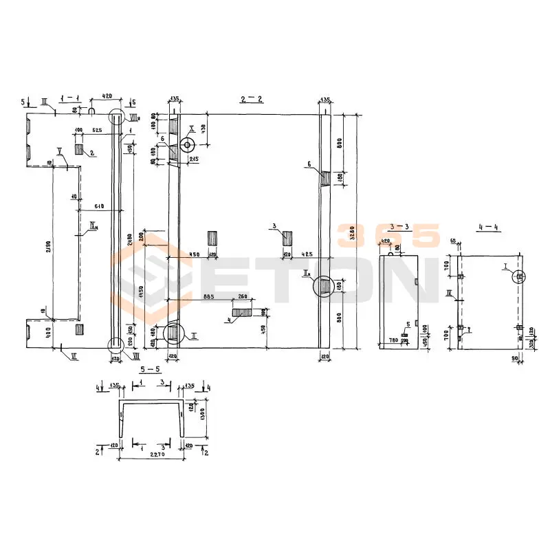
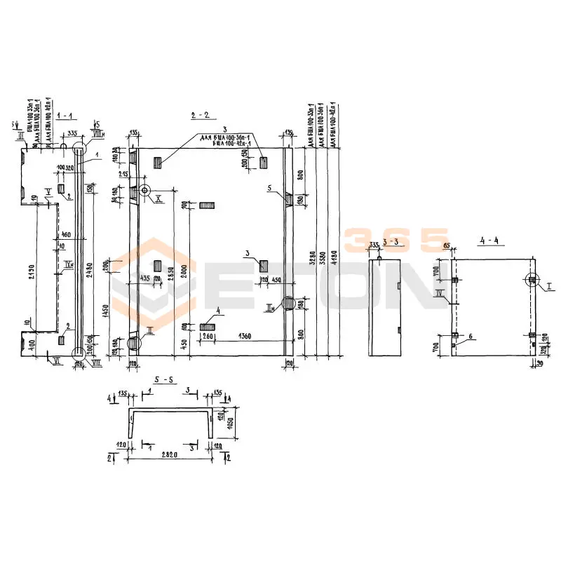
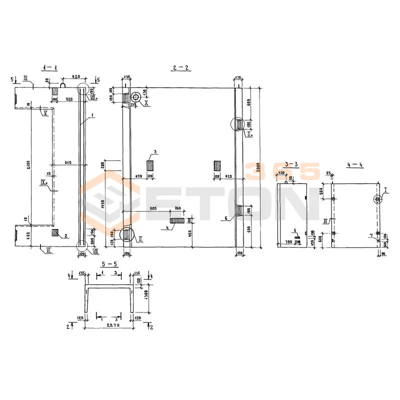
Блоки шахт лифтов Серия 1.089.1-1 представляют собой сборные железобетонные элементы, предназначенные для возведения стволов лифтовых шахт в жилых, общественных и промышленных зданиях. Они формируют несущий контур шахты, обеспечивая безопасное перемещение кабины и противовеса. Долговечность и устойчивость всей лифтовой системы в значительной степени определяются грамотным подбором этих блоков в соответствии с проектными решениями и спецификой монтажа.

Критерии выбора

  • Соответствие нормативной документации: Все блоки должны изготавливаться строго в соответствии с рабочими чертежами Серии 1.089.1-1 и ГОСТ 13015.0.
  • Ключевые технические параметры бетона: Обязательно проверяйте паспорт качества, где указаны: марка бетона по прочности на сжатие не ниже В25 (М350), марка по морозостойкости F200 (для наружных шахт) и по водонепроницаемости W4.
  • Типоразмер и конфигурация: Внимательно сверяйте габаритные размеры и маркировку блока (например, БЛШ-1, БЛШ-2) с проектной спецификацией. Убедитесь в наличии и корректном расположении монтажных петель или иных закладных деталей для строповки.
  • Качество изготовления и геометрия: Визуально и инструментально проконтролируйте отсутствие трещин, раковин, отклонений от прямолинейности ребер. От точности геометрии блоков шахт лифтов зависит скорость и качество монтажа.
  • Армирование: Каркасы должны быть выполнены из арматурной стали класса А-III (А400). Отсутствие оголенной арматуры и надежная анкеровка стержней – обязательные условия.

Рекомендации по подбору и монтажу

При закупке блоков шахт лифтов Серия 1.089.1-1 требуйте полный комплект технической документации, включая паспорта на каждую партию. Особое внимание уделите комплектности поставки всех типоразмеров, предусмотренных проектом, чтобы избежать простоев на объекте. Перед монтажом необходимо тщательно подготовить фундамент или опорную плиту, обеспечив ее горизонтальность и проектную отметку.

Монтаж ведется на цементно-песчаный раствор. Критически важным является контроль вертикальности шахты после установки каждого блока с помощью отвеса или теодолита. Стыки между элементами должны быть плотными, без сквозных щелей. Для пропуска коммуникаций и установки оборудования используйте только предусмотренные проектом отверстия, не допуская несанкционированного нарушения целостности блока.

Ответы экспертов на ваши вопросы

Блоки шахт лифтов серии 1.089.1-1 обладают рядом преимуществ: высокая степень заводской готовности, что ускоряет монтаж; унифицированные размеры и стандартизированные технологические отверстия; повышенная трещиностойкость за счет применения напряженной арматуры; возможность использования в сейсмических районах до 9 баллов; наличие монтажных петель и строповочных отверстий для удобства установки.

Производство и применение блоков регламентируется: ГОСТ 13015-2012 "Изделия бетонные и железобетонные для строительства"; серией 1.089.1-1 "Блоки шахт лифтов из тяжелого бетона"; СТО 36554501-001-2006 "Блоки лифтовых шахт"; а также проектной документацией на конкретное здание с учетом требований СП 43.13330.2012 "Лифты".

Серия предусматривает блоки высотой 2700 мм, 2550 мм и 2100 мм. Ширина варьируется от 1200 до 2400 мм с шагом 300 мм. Подбор осуществляется по рабочей документации с учетом: габаритов шахты лифта; марки лифта; этажности здания; наличия приямка и машинного помещения. Для точного подбора необходимо использовать спецификации серии и консультироваться с проектировщиком.

Монтаж осуществляется краном с обязательным соблюдением техники безопасности. Особенности: установка ведется снизу вверх; обязательная проверка вертикальности каждого блока; соединение блоков осуществляется на цементно-песчаном растворе М100; монтажные петли после установки загибаются внутрь; требуется устройство температурно-осадочных швов в соответствии с проектом; особое внимание уделяется герметизации стыков.

Транспортировка: допускается только в вертикальном положении на специальных подставках; крепление в транспортном средстве должно исключать смещение; погрузка/разгрузка краном с использованием строповочных петель. Хранение: на ровной площадке с твердым покрытием; в вертикальном положении с подкладками под нижний ряд; штабелирование не более 2-3 рядов по высоте; защита от прямого воздействия атмосферных осадков.

Уведомление о файлах cookie

Мы используем файлы cookie для улучшения вашего опыта просмотра и анализа трафика. Нажимая "Принять все", вы соглашаетесь с нашей политикой конфиденциальности и политикой обработки файлов cookie.

MAX Дзен Телеграм Вконтакте vk