mobile_sound +7 (930) 655-55-90

Железобетонные опоры линий электропередачи. Рабочие чертежи (Серия ИИ 04-5)

Поделиться:
Поделиться:

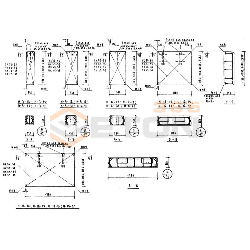
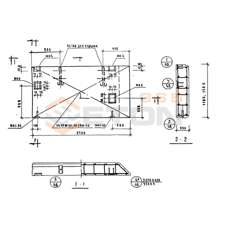
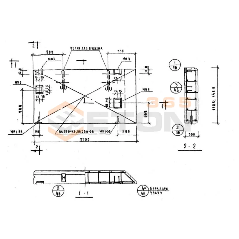
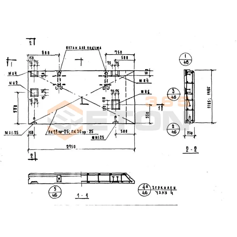
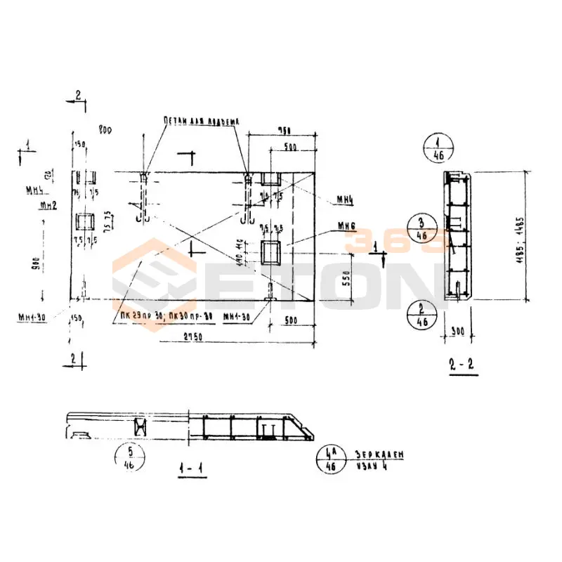
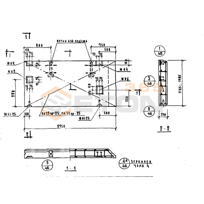
Документ Серия ИИ 04-5 описывает область применения, номенклатуру и ключевые требования, опираясь на действующие нормы и практику проектирования. Среди большого числа выпусков Серии ИИ 04-5 содержится масса полезной информации, необходимой для производства стеновых панелей, применяемых при возведении промышленных сооружений, административно-бытовых зданий и других объектов гражданского строительства. Расширить область применения конструкций позволяет использование в процессе изготовления не только тяжелого, но и легкого бетона (ячеистый, керамзитобетон) для снижения общей массы готовых изделия и конструкции. Также все элементы приведены в колоссальном количестве вариаций геометрических пропорций с толщиной от 200 до 350 мм.

Файлы для скачивания:
picture_as_pdf

2840.pdf

34,048.9 KB

скачать
picture_as_pdf

2850.pdf

20,527.8 KB

скачать
picture_as_pdf

2851.pdf

5,635.9 KB

скачать
picture_as_pdf

2852.pdf

5,645.4 KB

скачать
picture_as_pdf

2853.pdf

5,568.2 KB

скачать
picture_as_pdf

2854.pdf

17,389.2 KB

скачать
picture_as_pdf

2855.pdf

2,789.4 KB

скачать
picture_as_pdf

2856.pdf

5,080.0 KB

скачать
picture_as_pdf

2857.pdf

4,661.1 KB

скачать
picture_as_pdf

2858.pdf

4,838.0 KB

скачать
picture_as_pdf

2841.pdf

43,872.2 KB

скачать
picture_as_pdf

2859.pdf

12,630.7 KB

скачать
picture_as_pdf

2860.pdf

11,570.3 KB

скачать
picture_as_pdf

2861.pdf

9,141.8 KB

скачать
picture_as_pdf

2862.pdf

4,233.7 KB

скачать
picture_as_pdf

2842.pdf

8,665.9 KB

скачать
picture_as_pdf

2863.pdf

13,015.9 KB

скачать
picture_as_pdf

2864.pdf

8,317.5 KB

скачать
picture_as_pdf

2843.pdf

19,350.3 KB

скачать
picture_as_pdf

2845.pdf

14,753.8 KB

скачать
picture_as_pdf

2846.pdf

13,982.6 KB

скачать
picture_as_pdf

2847.pdf

13,311.4 KB

скачать
picture_as_pdf

2848.pdf

13,577.8 KB

скачать
picture_as_pdf

2849.pdf

13,683.6 KB

скачать
picture_as_pdf

2844.pdf

4,518.6 KB

скачать
Товары Серия ИИ 04-5 (60)
Н 27-15 пр
Панели стеновые легкобетонные толщиной 20,25,30 и 35 см Серия ИИ 04-5
  • Длина 2700 мм.
  • Ширина 350 мм.
  • Высота 1485 мм.
  • Вес 1500 кг.
  • Объем бетона 1,21 м3
  • Геометрический объем 1,4033 м3
Цена: 41080 руб.
Подробнее
Н 27-15 пр
Панели стеновые легкобетонные толщиной 20,25,30 и 35 см Серия ИИ 04-5
  • Длина 2700 мм.
  • Ширина 300 мм.
  • Высота 1485 мм.
  • Вес 1290 кг.
  • Объем бетона 1,02 м3
  • Геометрический объем 1,2028 м3
Цена: 34629 руб.
Подробнее
Н 27-6 л
Панели стеновые легкобетонные толщиной 20,25,30 и 35 см Серия ИИ 04-5
  • Длина 2700 мм.
  • Ширина 250 мм.
  • Высота 585 мм.
  • Вес 460 кг.
  • Объем бетона 0,34 м3
  • Геометрический объем 0,3949 м3
Цена: 11543 руб.
Подробнее
Н 27-6 л
Панели стеновые легкобетонные толщиной 20,25,30 и 35 см Серия ИИ 04-5
  • Длина 2700 мм.
  • Ширина 300 мм.
  • Высота 585 мм.
  • Вес 530 кг.
  • Объем бетона 0,41 м3
  • Геометрический объем 0,4738 м3
Цена: 13920 руб.
Подробнее
Н 27-6 пр
Панели стеновые легкобетонные толщиной 20,25,30 и 35 см Серия ИИ 04-5
  • Длина 2700 мм.
  • Ширина 250 мм.
  • Высота 585 мм.
  • Вес 460 кг.
  • Объем бетона 0,34 м3
  • Геометрический объем 0,3949 м3
Цена: 11543 руб.
Подробнее
Н 27-6 пр
Панели стеновые легкобетонные толщиной 20,25,30 и 35 см Серия ИИ 04-5
  • Длина 2700 мм.
  • Ширина 300 мм.
  • Высота 585 мм.
  • Вес 530 кг.
  • Объем бетона 0,41 м3
  • Геометрический объем 0,4738 м3
Цена: 13920 руб.
Подробнее
Н 27-6 пр
Панели стеновые легкобетонные толщиной 20,25,30 и 35 см Серия ИИ 04-5
  • Длина 2700 мм.
  • Ширина 350 мм.
  • Высота 585 мм.
  • Вес 600 кг.
  • Объем бетона 0,48 м3
  • Геометрический объем 0,5528 м3
Цена: 16296 руб.
Подробнее
Н 27-9 л
Панели стеновые легкобетонные толщиной 20,25,30 и 35 см Серия ИИ 04-5
  • Длина 2700 мм.
  • Ширина 250 мм.
  • Высота 885 мм.
  • Вес 680 кг.
  • Объем бетона 0,5 м3
  • Геометрический объем 0,5974 м3
Цена: 16975 руб.
Подробнее
Н 27-9 л
Панели стеновые легкобетонные толщиной 20,25,30 и 35 см Серия ИИ 04-5
  • Длина 2700 мм.
  • Ширина 350 мм.
  • Высота 885 мм.
  • Вес 910 кг.
  • Объем бетона 0,72 м3
  • Геометрический объем 0,8363 м3
Цена: 24444 руб.
Подробнее
Н 27-9 л
Панели стеновые легкобетонные толщиной 20,25,30 и 35 см Серия ИИ 04-5
  • Длина 2700 мм.
  • Ширина 300 мм.
  • Высота 885 мм.
  • Вес 690 кг.
  • Объем бетона 0,61 м3
  • Геометрический объем 0,7168 м3
Цена: 20710 руб.
Подробнее
Н 27-9 пр
Панели стеновые легкобетонные толщиной 20,25,30 и 35 см Серия ИИ 04-5
  • Длина 2700 мм.
  • Ширина 250 мм.
  • Высота 885 мм.
  • Вес 680 кг.
  • Объем бетона 0,5 м3
  • Геометрический объем 0,5974 м3
Цена: 16975 руб.
Подробнее
Н 27-9 пр
Панели стеновые легкобетонные толщиной 20,25,30 и 35 см Серия ИИ 04-5
  • Длина 2700 мм.
  • Ширина 300 мм.
  • Высота 885 мм.
  • Вес 690 кг.
  • Объем бетона 0,61 м3
  • Геометрический объем 0,7168 м3
Цена: 20710 руб.
Подробнее
Н 27-9 пр
Панели стеновые легкобетонные толщиной 20,25,30 и 35 см Серия ИИ 04-5
  • Длина 2700 мм.
  • Ширина 350 мм.
  • Высота 885 мм.
  • Вес 910 кг.
  • Объем бетона 0,72 м3
  • Геометрический объем 0,8363 м3
Цена: 24444 руб.
Подробнее
Н 28-12 л
Панели стеновые легкобетонные толщиной 20,25,30 и 35 см Серия ИИ 04-5
  • Длина 2750 мм.
  • Ширина 350 мм.
  • Высота 1185 мм.
  • Вес 1230 кг.
  • Объем бетона 0,98 м3
  • Геометрический объем 1,1406 м3
Цена: 33271 руб.
Подробнее
Н 28-12 л
Панели стеновые легкобетонные толщиной 20,25,30 и 35 см Серия ИИ 04-5
  • Длина 2750 мм.
  • Ширина 250 мм.
  • Высота 1185 мм.
  • Вес 930 кг.
  • Объем бетона 0,68 м3
  • Геометрический объем 0,8147 м3
Цена: 23086 руб.
Подробнее
Н 28-12 л
Панели стеновые легкобетонные толщиной 20,25,30 и 35 см Серия ИИ 04-5
  • Длина 2750 мм.
  • Ширина 300 мм.
  • Высота 1185 мм.
  • Вес 1080 кг.
  • Объем бетона 0,83 м3
  • Геометрический объем 0,9776 м3
Цена: 28179 руб.
Подробнее
Н 28-12 п
Панели стеновые легкобетонные толщиной 20,25,30 и 35 см Серия ИИ 04-5
  • Длина 2750 мм.
  • Ширина 350 мм.
  • Высота 1185 мм.
  • Вес 1230 кг.
  • Объем бетона 0,98 м3
  • Геометрический объем 1,1406 м3
Цена: 33271 руб.
Подробнее
Н 28-12 пр
Панели стеновые легкобетонные толщиной 20,25,30 и 35 см Серия ИИ 04-5
  • Длина 2750 мм.
  • Ширина 300 мм.
  • Высота 1185 мм.
  • Вес 1080 кг.
  • Объем бетона 0,83 м3
  • Геометрический объем 0,9776 м3
Цена: 28179 руб.
Подробнее
Н 28-12 пр
Панели стеновые легкобетонные толщиной 20,25,30 и 35 см Серия ИИ 04-5
  • Длина 2750 мм.
  • Ширина 250 мм.
  • Высота 1185 мм.
  • Вес 930 кг.
  • Объем бетона 0,68 м3
  • Геометрический объем 0,8147 м3
Цена: 23086 руб.
Подробнее
Н 28-15 л
Панели стеновые легкобетонные толщиной 20,25,30 и 35 см Серия ИИ 04-5
  • Длина 2750 мм.
  • Ширина 300 мм.
  • Высота 1485 мм.
  • Вес 1340 кг.
  • Объем бетона 1,05 м3
  • Геометрический объем 1,2251 м3
Цена: 35648 руб.
Подробнее
Н 28-15 л
Панели стеновые легкобетонные толщиной 20,25,30 и 35 см Серия ИИ 04-5
  • Длина 2750 мм.
  • Ширина 250 мм.
  • Высота 1485 мм.
  • Вес 1160 кг.
  • Объем бетона 0,87 м3
  • Геометрический объем 1,0209 м3
Цена: 29537 руб.
Подробнее
Н 28-15 л
Панели стеновые легкобетонные толщиной 20,25,30 и 35 см Серия ИИ 04-5
  • Длина 2750 мм.
  • Ширина 350 мм.
  • Высота 1485 мм.
  • Вес 1540 кг.
  • Объем бетона 1,24 м3
  • Геометрический объем 1,4293 м3
Цена: 42098 руб.
Подробнее
Н 28-15 п
Панели стеновые легкобетонные толщиной 20,25,30 и 35 см Серия ИИ 04-5
  • Длина 2750 мм.
  • Ширина 350 мм.
  • Высота 1485 мм.
  • Вес 1540 кг.
  • Объем бетона 1,24 м3
  • Геометрический объем 1,4293 м3
Цена: 42098 руб.
Подробнее
Н 28-15 пр
Панели стеновые легкобетонные толщиной 20,25,30 и 35 см Серия ИИ 04-5
  • Длина 2750 мм.
  • Ширина 250 мм.
  • Высота 1485 мм.
  • Вес 1160 кг.
  • Объем бетона 0,87 м3
  • Геометрический объем 1,0209 м3
Цена: 29537 руб.
Подробнее
Н 28-15 пр
Панели стеновые легкобетонные толщиной 20,25,30 и 35 см Серия ИИ 04-5
  • Длина 2750 мм.
  • Ширина 300 мм.
  • Высота 1485 мм.
  • Вес 1340 кг.
  • Объем бетона 1,05 м3
  • Геометрический объем 1,2251 м3
Цена: 35648 руб.
Подробнее
Н 28-6 л
Панели стеновые легкобетонные толщиной 20,25,30 и 35 см Серия ИИ 04-5
  • Длина 2750 мм.
  • Ширина 250 мм.
  • Высота 585 мм.
  • Вес 460 кг.
  • Объем бетона 0,34 м3
  • Геометрический объем 0,4022 м3
Цена: 11543 руб.
Подробнее
Н 28-6 л
Панели стеновые легкобетонные толщиной 20,25,30 и 35 см Серия ИИ 04-5
  • Длина 2750 мм.
  • Ширина 300 мм.
  • Высота 585 мм.
  • Вес 530 кг.
  • Объем бетона 0,42 м3
  • Геометрический объем 0,4826 м3
Цена: 14259 руб.
Подробнее
Н 28-6 л
Панели стеновые легкобетонные толщиной 20,25,30 и 35 см Серия ИИ 04-5
  • Длина 2750 мм.
  • Ширина 350 мм.
  • Высота 585 мм.
  • Вес 600 кг.
  • Объем бетона 0,48 м3
  • Геометрический объем 0,5631 м3
Цена: 16296 руб.
Подробнее
Н 28-6 п
Панели стеновые легкобетонные толщиной 20,25,30 и 35 см Серия ИИ 04-5
  • Длина 2750 мм.
  • Ширина 350 мм.
  • Высота 585 мм.
  • Вес 600 кг.
  • Объем бетона 0,48 м3
  • Геометрический объем 0,5631 м3
Цена: 16296 руб.
Подробнее
Н 28-6 пр
Панели стеновые легкобетонные толщиной 20,25,30 и 35 см Серия ИИ 04-5
  • Длина 2750 мм.
  • Ширина 250 мм.
  • Высота 585 мм.
  • Вес 460 кг.
  • Объем бетона 0,34 м3
  • Геометрический объем 0,4022 м3
Цена: 11543 руб.
Подробнее
Н 28-6 пр
Панели стеновые легкобетонные толщиной 20,25,30 и 35 см Серия ИИ 04-5
  • Длина 2750 мм.
  • Ширина 300 мм.
  • Высота 585 мм.
  • Вес 530 кг.
  • Объем бетона 0,42 м3
  • Геометрический объем 0,4826 м3
Цена: 14259 руб.
Подробнее
Н 28-9 л
Панели стеновые легкобетонные толщиной 20,25,30 и 35 см Серия ИИ 04-5
  • Длина 2750 мм.
  • Ширина 250 мм.
  • Высота 885 мм.
  • Вес 690 кг.
  • Объем бетона 0,51 м3
  • Геометрический объем 0,6084 м3
Цена: 17315 руб.
Подробнее
Н 28-9 л
Панели стеновые легкобетонные толщиной 20,25,30 и 35 см Серия ИИ 04-5
  • Длина 2750 мм.
  • Ширина 300 мм.
  • Высота 885 мм.
  • Вес 880 кг.
  • Объем бетона 0,62 м3
  • Геометрический объем 0,7301 м3
Цена: 21049 руб.
Подробнее
Н 28-9 л
Панели стеновые легкобетонные толщиной 20,25,30 и 35 см Серия ИИ 04-5
  • Длина 2750 мм.
  • Ширина 350 мм.
  • Высота 885 мм.
  • Вес 920 кг.
  • Объем бетона 0,74 м3
  • Геометрический объем 0,8518 м3
Цена: 25123 руб.
Подробнее
Н 28-9 л
Панели стеновые легкобетонные толщиной 20,25,30 и 35 см Серия ИИ 04-5
  • Длина 2750 мм.
  • Ширина 400 мм.
  • Высота 885 мм.
  • Вес 1280 кг.
  • Объем бетона 0,88 м3
  • Геометрический объем 0,9735 м3
Цена: 29876 руб.
Подробнее
Н 28-9 п
Панели стеновые легкобетонные толщиной 20,25,30 и 35 см Серия ИИ 04-5
  • Длина 2750 мм.
  • Ширина 350 мм.
  • Высота 885 мм.
  • Вес 920 кг.
  • Объем бетона 0,74 м3
  • Геометрический объем 0,8518 м3
Цена: 25123 руб.
Подробнее
Н 28-9 пр
Панели стеновые легкобетонные толщиной 20,25,30 и 35 см Серия ИИ 04-5
  • Длина 2750 мм.
  • Ширина 250 мм.
  • Высота 885 мм.
  • Вес 690 кг.
  • Объем бетона 0,51 м3
  • Геометрический объем 0,6084 м3
Цена: 17315 руб.
Подробнее
Н 28-9 пр
Панели стеновые легкобетонные толщиной 20,25,30 и 35 см Серия ИИ 04-5
  • Длина 2750 мм.
  • Ширина 300 мм.
  • Высота 885 мм.
  • Вес 880 кг.
  • Объем бетона 0,62 м3
  • Геометрический объем 0,7301 м3
Цена: 21049 руб.
Подробнее
Н 3-12
Панели стеновые легкобетонные толщиной 20,25,30 и 35 см Серия ИИ 04-5
  • Длина 280 мм.
  • Ширина 250 мм.
  • Высота 1185 мм.
  • Вес 100 кг.
  • Объем бетона 0,078 м3
  • Геометрический объем 0,0829 м3
Цена: 2648 руб.
Подробнее
Н 3-12
Панели стеновые легкобетонные толщиной 20,25,30 и 35 см Серия ИИ 04-5
  • Длина 280 мм.
  • Ширина 300 мм.
  • Высота 1185 мм.
  • Вес 110 кг.
  • Объем бетона 0,088 м3
  • Геометрический объем 0,0995 м3
Цена: 2988 руб.
Подробнее
Н 3-12
Панели стеновые легкобетонные толщиной 20,25,30 и 35 см Серия ИИ 04-5
  • Длина 280 мм.
  • Ширина 350 мм.
  • Высота 1185 мм.
  • Вес 130 кг.
  • Объем бетона 0,103 м3
  • Геометрический объем 0,1161 м3
Цена: 3497 руб.
Подробнее
Н 3-18
Панели стеновые легкобетонные толщиной 20,25,30 и 35 см Серия ИИ 04-5
  • Длина 280 мм.
  • Ширина 350 мм.
  • Высота 1785 мм.
  • Вес 190 кг.
  • Объем бетона 0,156 м3
  • Геометрический объем 0,1749 м3
Цена: 5296 руб.
Подробнее
Н 3-18
Панели стеновые легкобетонные толщиной 20,25,30 и 35 см Серия ИИ 04-5
  • Длина 280 мм.
  • Ширина 250 мм.
  • Высота 1780 мм.
  • Вес 140 кг.
  • Объем бетона 0,103 м3
  • Геометрический объем 0,1246 м3
Цена: 3497 руб.
Подробнее
Н 3-18
Панели стеновые легкобетонные толщиной 20,25,30 и 35 см Серия ИИ 04-5
  • Длина 280 мм.
  • Ширина 300 мм.
  • Высота 1785 мм.
  • Вес 170 кг.
  • Объем бетона 0,133 м3
  • Геометрический объем 0,1499 м3
Цена: 4515 руб.
Подробнее
Н 3-21
Панели стеновые легкобетонные толщиной 20,25,30 и 35 см Серия ИИ 04-5
  • Длина 280 мм.
  • Ширина 250 мм.
  • Высота 2085 мм.
  • Вес 160 кг.
  • Объем бетона 0,12 м3
  • Геометрический объем 0,1459 м3
Цена: 4074 руб.
Подробнее
Н 3-21
Панели стеновые легкобетонные толщиной 20,25,30 и 35 см Серия ИИ 04-5
  • Длина 280 мм.
  • Ширина 350 мм.
  • Высота 2085 мм.
  • Вес 220 кг.
  • Объем бетона 0,182 м3
  • Геометрический объем 0,2043 м3
Цена: 6179 руб.
Подробнее
Н 3-27
Панели стеновые легкобетонные толщиной 20,25,30 и 35 см Серия ИИ 04-5
  • Длина 280 мм.
  • Ширина 350 мм.
  • Высота 2685 мм.
  • Вес 290 кг.
  • Объем бетона 0,234 м3
  • Геометрический объем 0,2631 м3
Цена: 7944 руб.
Подробнее
Н 3-21
Панели стеновые легкобетонные толщиной 20,25,30 и 35 см Серия ИИ 04-5
  • Длина 280 мм.
  • Ширина 300 мм.
  • Высота 2085 мм.
  • Вес 190 кг.
  • Объем бетона 0,15 м3
  • Геометрический объем 0,1751 м3
Цена: 5093 руб.
Подробнее
Н 3-27
Панели стеновые легкобетонные толщиной 20,25,30 и 35 см Серия ИИ 04-5
  • Длина 280 мм.
  • Ширина 250 мм.
  • Высота 2685 мм.
  • Вес 220 кг.
  • Объем бетона 0,164 м3
  • Геометрический объем 0,188 м3
Цена: 5568 руб.
Подробнее
Н 3-27
Панели стеновые легкобетонные толщиной 20,25,30 и 35 см Серия ИИ 04-5
  • Длина 280 мм.
  • Ширина 300 мм.
  • Высота 2685 мм.
  • Вес 250 кг.
  • Объем бетона 0,194 м3
  • Геометрический объем 0,2255 м3
Цена: 6586 руб.
Подробнее
Н 30-12
Панели стеновые легкобетонные толщиной 20,25,30 и 35 см Серия ИИ 04-5
  • Длина 2980 мм.
  • Ширина 250 мм.
  • Высота 1185 мм.
  • Вес 1010 кг.
  • Объем бетона 0,76 м3
  • Геометрический объем 0,8828 м3
Цена: 25802 руб.
Подробнее
Н 30-12
Панели стеновые легкобетонные толщиной 20,25,30 и 35 см Серия ИИ 04-5
  • Длина 2980 мм.
  • Ширина 300 мм.
  • Высота 1185 мм.
  • Вес 1190 кг.
  • Объем бетона 0,94 м3
  • Геометрический объем 1,0594 м3
Цена: 31913 руб.
Подробнее
Н 30-12
Панели стеновые легкобетонные толщиной 20,25,30 и 35 см Серия ИИ 04-5
  • Длина 2980 мм.
  • Ширина 350 мм.
  • Высота 1185 мм.
  • Вес 1360 кг.
  • Объем бетона 1,11 м3
  • Геометрический объем 1,236 м3
Цена: 37685 руб.
Подробнее
Н 30-12
Панели стеновые легкобетонные толщиной 20,25,30 и 35 см Серия ИИ 04-5
  • Длина 2980 мм.
  • Ширина 200 мм.
  • Высота 1185 мм.
  • Вес 650 кг.
  • Объем бетона 0,65 м3
  • Геометрический объем 0,7063 м3
Цена: 22068 руб.
Подробнее
Н 30-12
Панели стеновые легкобетонные толщиной 20,25,30 и 35 см Серия ИИ 04-5
  • Длина 2950 мм.
  • Ширина 300 мм.
  • Высота 1185 мм.
  • Вес 1410 кг.
  • Объем бетона 0,93 м3
  • Геометрический объем 1,0487 м3
Цена: 31574 руб.
Подробнее
Н 30-15
Панели стеновые легкобетонные толщиной 20,25,30 и 35 см Серия ИИ 04-5
  • Длина 2980 мм.
  • Ширина 350 мм.
  • Высота 1485 мм.
  • Вес 1710 кг.
  • Объем бетона 1,39 м3
  • Геометрический объем 1,5489 м3
Цена: 47191 руб.
Подробнее
Н 30-15
Панели стеновые легкобетонные толщиной 20,25,30 и 35 см Серия ИИ 04-5
  • Длина 2980 мм.
  • Ширина 250 мм.
  • Высота 1485 мм.
  • Вес 1260 кг.
  • Объем бетона 0,95 м3
  • Геометрический объем 1,1063 м3
Цена: 32253 руб.
Подробнее
Н 30-15
Панели стеновые легкобетонные толщиной 20,25,30 и 35 см Серия ИИ 04-5
  • Длина 2980 мм.
  • Ширина 300 мм.
  • Высота 1485 мм.
  • Вес 1480 кг.
  • Объем бетона 1,17 м3
  • Геометрический объем 1,3276 м3
Цена: 39722 руб.
Подробнее
Н 30-18
Панели стеновые легкобетонные толщиной 20,25,30 и 35 см Серия ИИ 04-5
  • Длина 2980 мм.
  • Ширина 250 мм.
  • Высота 1785 мм.
  • Вес 1520 кг.
  • Объем бетона 1,14 м3
  • Геометрический объем 1,3298 м3
Цена: 38703 руб.
Подробнее
Н 30-18
Панели стеновые легкобетонные толщиной 20,25,30 и 35 см Серия ИИ 04-5
  • Длина 2980 мм.
  • Ширина 200 мм.
  • Высота 1785 мм.
  • Вес 960 кг.
  • Объем бетона 0,98 м3
  • Геометрический объем 1,0639 м3
Цена: 33271 руб.
Подробнее

Уведомление о файлах cookie

Мы используем файлы cookie для улучшения вашего опыта просмотра и анализа трафика. Нажимая "Принять все", вы соглашаетесь с нашей политикой конфиденциальности и политикой обработки файлов cookie.

Дзен Телеграм Вконтакте vk