mobile_sound +7 (930) 655-55-90

Железобетонные опоры линий электропередачи. Рабочие чертежи (Серия ИИ 04-5)

Поделиться:
Поделиться:

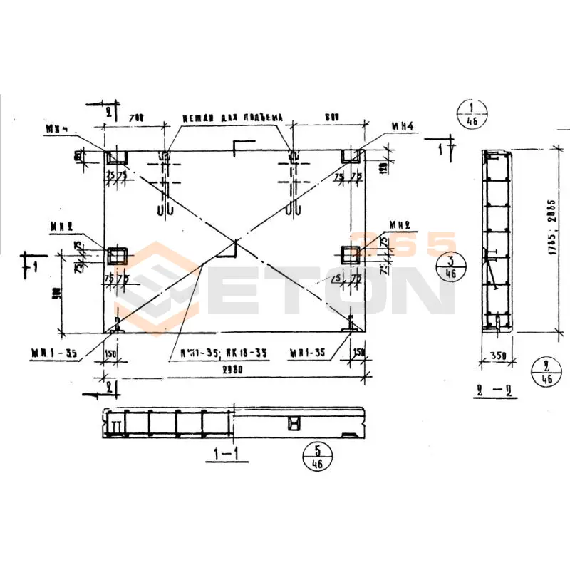
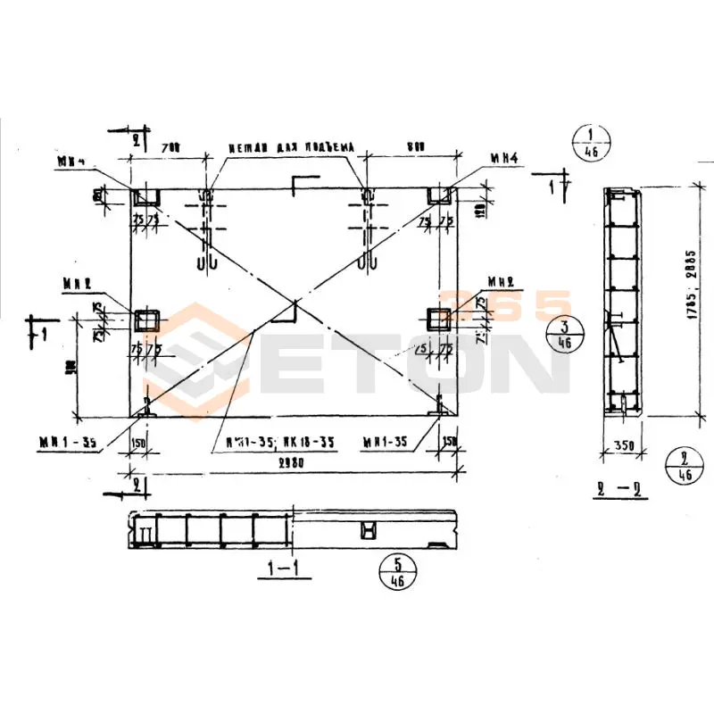
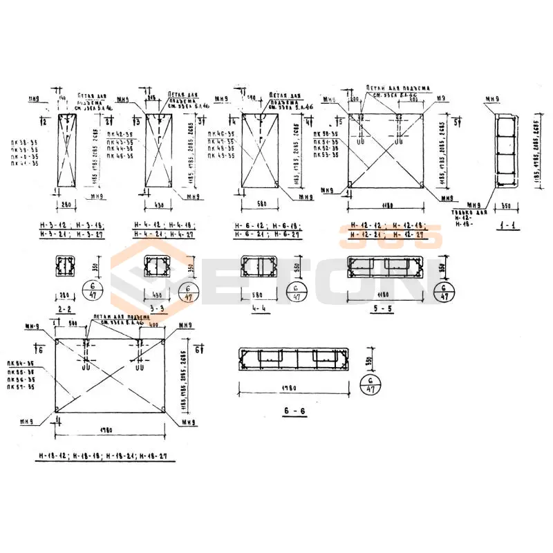
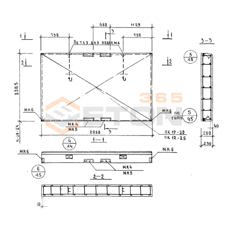
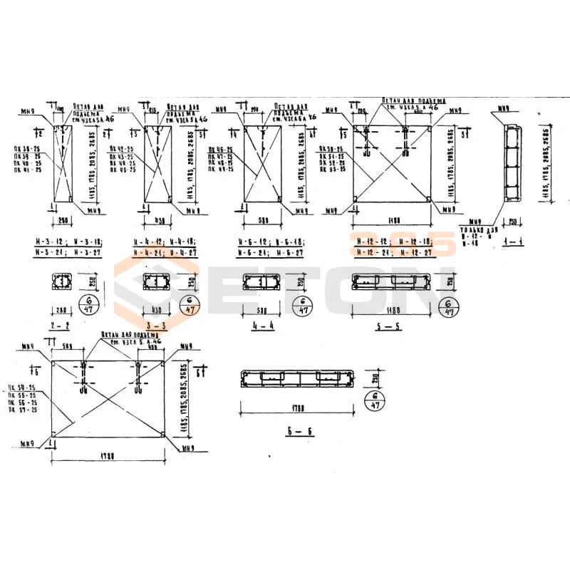
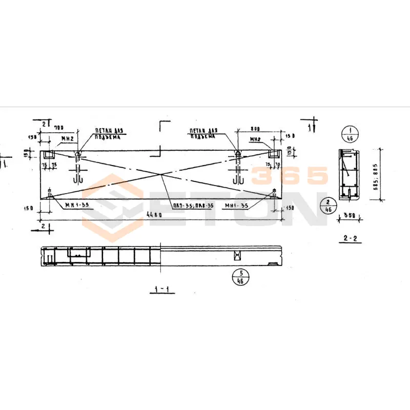
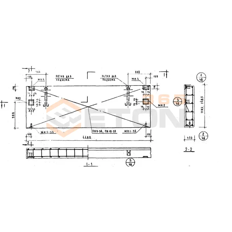
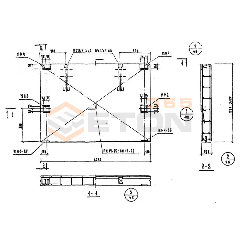
Документ Серия ИИ 04-5 описывает область применения, номенклатуру и ключевые требования, опираясь на действующие нормы и практику проектирования. Среди большого числа выпусков Серии ИИ 04-5 содержится масса полезной информации, необходимой для производства стеновых панелей, применяемых при возведении промышленных сооружений, административно-бытовых зданий и других объектов гражданского строительства. Расширить область применения конструкций позволяет использование в процессе изготовления не только тяжелого, но и легкого бетона (ячеистый, керамзитобетон) для снижения общей массы готовых изделия и конструкции. Также все элементы приведены в колоссальном количестве вариаций геометрических пропорций с толщиной от 200 до 350 мм.

Файлы для скачивания:
picture_as_pdf

2840.pdf

34,048.9 KB

скачать
picture_as_pdf

2850.pdf

20,527.8 KB

скачать
picture_as_pdf

2851.pdf

5,635.9 KB

скачать
picture_as_pdf

2852.pdf

5,645.4 KB

скачать
picture_as_pdf

2853.pdf

5,568.2 KB

скачать
picture_as_pdf

2854.pdf

17,389.2 KB

скачать
picture_as_pdf

2855.pdf

2,789.4 KB

скачать
picture_as_pdf

2856.pdf

5,080.0 KB

скачать
picture_as_pdf

2857.pdf

4,661.1 KB

скачать
picture_as_pdf

2858.pdf

4,838.0 KB

скачать
picture_as_pdf

2841.pdf

43,872.2 KB

скачать
picture_as_pdf

2859.pdf

12,630.7 KB

скачать
picture_as_pdf

2860.pdf

11,570.3 KB

скачать
picture_as_pdf

2861.pdf

9,141.8 KB

скачать
picture_as_pdf

2862.pdf

4,233.7 KB

скачать
picture_as_pdf

2842.pdf

8,665.9 KB

скачать
picture_as_pdf

2863.pdf

13,015.9 KB

скачать
picture_as_pdf

2864.pdf

8,317.5 KB

скачать
picture_as_pdf

2843.pdf

19,350.3 KB

скачать
picture_as_pdf

2845.pdf

14,753.8 KB

скачать
picture_as_pdf

2846.pdf

13,982.6 KB

скачать
picture_as_pdf

2847.pdf

13,311.4 KB

скачать
picture_as_pdf

2848.pdf

13,577.8 KB

скачать
picture_as_pdf

2849.pdf

13,683.6 KB

скачать
picture_as_pdf

2844.pdf

4,518.6 KB

скачать
Товары Серия ИИ 04-5 (60)
Н 30-18
Панели стеновые легкобетонные толщиной 20,25,30 и 35 см Серия ИИ 04-5
  • Длина 2980 мм.
  • Ширина 350 мм.
  • Высота 1785 мм.
  • Вес 2060 кг.
  • Объем бетона 1,67 м3
  • Геометрический объем 1,8618 м3
Цена: 56697 руб.
Подробнее
Н 30-18
Панели стеновые легкобетонные толщиной 20,25,30 и 35 см Серия ИИ 04-5
  • Длина 2980 мм.
  • Ширина 300 мм.
  • Высота 1785 мм.
  • Вес 1800 кг.
  • Объем бетона 1,41 м3
  • Геометрический объем 1,5958 м3
Цена: 47870 руб.
Подробнее
Н 30-18
Панели стеновые легкобетонные толщиной 20,25,30 и 35 см Серия ИИ 04-5
  • Длина 2950 мм.
  • Ширина 300 мм.
  • Высота 1785 мм.
  • Вес 2150 кг.
  • Объем бетона 1,6 м3
  • Геометрический объем 1,5797 м3
Цена: 54320 руб.
Подробнее
Н 30-21
Панели стеновые легкобетонные толщиной 20,25,30 и 35 см Серия ИИ 04-5
  • Длина 2980 мм.
  • Ширина 350 мм.
  • Высота 2085 мм.
  • Вес 2410 кг.
  • Объем бетона 1,96 м3
  • Геометрический объем 2,1747 м3
Цена: 66542 руб.
Подробнее
Н 30-21
Панели стеновые легкобетонные толщиной 20,25,30 и 35 см Серия ИИ 04-5
  • Длина 2980 мм.
  • Ширина 250 мм.
  • Высота 2080 мм.
  • Вес 1770 кг.
  • Объем бетона 1,33 м3
  • Геометрический объем 1,5496 м3
Цена: 45154 руб.
Подробнее
Н 30-24
Панели стеновые легкобетонные толщиной 20,25,30 и 35 см Серия ИИ 04-5
  • Длина 2950 мм.
  • Ширина 300 мм.
  • Высота 2385 мм.
  • Вес 2860 кг.
  • Объем бетона 1,91 м3
  • Геометрический объем 2,1107 м3
Цена: 64845 руб.
Подробнее
Н 30-21
Панели стеновые легкобетонные толщиной 20,25,30 и 35 см Серия ИИ 04-5
  • Длина 2980 мм.
  • Ширина 300 мм.
  • Высота 2085 мм.
  • Вес 2080 кг.
  • Объем бетона 1,64 м3
  • Геометрический объем 1,864 м3
Цена: 55678 руб.
Подробнее
Н 30-24
Панели стеновые легкобетонные толщиной 20,25,30 и 35 см Серия ИИ 04-5
  • Длина 2950 мм.
  • Ширина 200 мм.
  • Высота 2385 мм.
  • Вес 1980 кг.
  • Объем бетона 1,19 м3
  • Геометрический объем 1,4071 м3
Цена: 40401 руб.
Подробнее
Н 30-6
Панели стеновые легкобетонные толщиной 20,25,30 и 35 см Серия ИИ 04-5
  • Длина 2980 мм.
  • Ширина 300 мм.
  • Высота 585 мм.
  • Вес 590 кг.
  • Объем бетона 0,46 м3
  • Геометрический объем 0,523 м3
Цена: 15617 руб.
Подробнее
Н 30-6
Панели стеновые легкобетонные толщиной 20,25,30 и 35 см Серия ИИ 04-5
  • Длина 2980 мм.
  • Ширина 250 мм.
  • Высота 585 мм.
  • Вес 500 кг.
  • Объем бетона 0,37 м3
  • Геометрический объем 0,4358 м3
Цена: 12562 руб.
Подробнее
Н 30-6
Панели стеновые легкобетонные толщиной 20,25,30 и 35 см Серия ИИ 04-5
  • Длина 2980 мм.
  • Ширина 350 мм.
  • Высота 585 мм.
  • Вес 680 кг.
  • Объем бетона 0,55 м3
  • Геометрический объем 0,6102 м3
Цена: 18673 руб.
Подробнее
Н 30-9
Панели стеновые легкобетонные толщиной 20,25,30 и 35 см Серия ИИ 04-5
  • Длина 2980 мм.
  • Ширина 250 мм.
  • Высота 885 мм.
  • Вес 750 кг.
  • Объем бетона 0,56 м3
  • Геометрический объем 0,6593 м3
Цена: 19012 руб.
Подробнее
Н 30-9
Панели стеновые легкобетонные толщиной 20,25,30 и 35 см Серия ИИ 04-5
  • Длина 2980 мм.
  • Ширина 300 мм.
  • Высота 885 мм.
  • Вес 790 кг.
  • Объем бетона 0,7 м3
  • Геометрический объем 0,7912 м3
Цена: 23765 руб.
Подробнее
Н 30-9
Панели стеновые легкобетонные толщиной 20,25,30 и 35 см Серия ИИ 04-5
  • Длина 2980 мм.
  • Ширина 350 мм.
  • Высота 885 мм.
  • Вес 1020 кг.
  • Объем бетона 0,83 м3
  • Геометрический объем 0,9231 м3
Цена: 28179 руб.
Подробнее
Н 4-12
Панели стеновые легкобетонные толщиной 20,25,30 и 35 см Серия ИИ 04-5
  • Длина 430 мм.
  • Ширина 350 мм.
  • Высота 1185 мм.
  • Вес 200 кг.
  • Объем бетона 0,159 м3
  • Геометрический объем 0,1783 м3
Цена: 5398 руб.
Подробнее
Н 4-12
Панели стеновые легкобетонные толщиной 20,25,30 и 35 см Серия ИИ 04-5
  • Длина 430 мм.
  • Ширина 300 мм.
  • Высота 1185 мм.
  • Вес 170 кг.
  • Объем бетона 0,132 м3
  • Геометрический объем 0,1529 м3
Цена: 4481 руб.
Подробнее
Н 4-18
Панели стеновые легкобетонные толщиной 20,25,30 и 35 см Серия ИИ 04-5
  • Длина 430 мм.
  • Ширина 250 мм.
  • Высота 1785 мм.
  • Вес 230 кг.
  • Объем бетона 0,173 м3
  • Геометрический объем 0,1919 м3
Цена: 5873 руб.
Подробнее
Н 4-12
Панели стеновые легкобетонные толщиной 20,25,30 и 35 см Серия ИИ 04-5
  • Длина 430 мм.
  • Ширина 250 мм.
  • Высота 1185 мм.
  • Вес 150 кг.
  • Объем бетона 0,112 м3
  • Геометрический объем 0,1274 м3
Цена: 3802 руб.
Подробнее
Н 4-18
Панели стеновые легкобетонные толщиной 20,25,30 и 35 см Серия ИИ 04-5
  • Длина 430 мм.
  • Ширина 300 мм.
  • Высота 1785 мм.
  • Вес 260 кг.
  • Объем бетона 0,203 м3
  • Геометрический объем 0,2303 м3
Цена: 6892 руб.
Подробнее
Н 4-18
Панели стеновые легкобетонные толщиной 20,25,30 и 35 см Серия ИИ 04-5
  • Длина 430 мм.
  • Ширина 350 мм.
  • Высота 1785 мм.
  • Вес 290 кг.
  • Объем бетона 0,24 м3
  • Геометрический объем 0,2686 м3
Цена: 8148 руб.
Подробнее
Н 4-21
Панели стеновые легкобетонные толщиной 20,25,30 и 35 см Серия ИИ 04-5
  • Длина 430 мм.
  • Ширина 300 мм.
  • Высота 2085 мм.
  • Вес 300 кг.
  • Объем бетона 0,239 м3
  • Геометрический объем 0,269 м3
Цена: 8114 руб.
Подробнее
Н 4-27
Панели стеновые легкобетонные толщиной 20,25,30 и 35 см Серия ИИ 04-5
  • Длина 430 мм.
  • Ширина 300 мм.
  • Высота 2685 мм.
  • Вес 380 кг.
  • Объем бетона 0,3 м3
  • Геометрический объем 0,3464 м3
Цена: 10185 руб.
Подробнее
Н 4-21
Панели стеновые легкобетонные толщиной 20,25,30 и 35 см Серия ИИ 04-5
  • Длина 430 мм.
  • Ширина 250 мм.
  • Высота 2085 мм.
  • Вес 270 кг.
  • Объем бетона 0,199 м3
  • Геометрический объем 0,2241 м3
Цена: 6756 руб.
Подробнее
Н 4-21
Панели стеновые легкобетонные толщиной 20,25,30 и 35 см Серия ИИ 04-5
  • Длина 430 мм.
  • Ширина 350 мм.
  • Высота 2085 мм.
  • Вес 340 кг.
  • Объем бетона 0,28 м3
  • Геометрический объем 0,3138 м3
Цена: 9506 руб.
Подробнее
Н 4-27
Панели стеновые легкобетонные толщиной 20,25,30 и 35 см Серия ИИ 04-5
  • Длина 430 мм.
  • Ширина 350 мм.
  • Высота 2685 мм.
  • Вес 440 кг.
  • Объем бетона 0,361 м3
  • Геометрический объем 0,4041 м3
Цена: 12256 руб.
Подробнее
Н 4-27
Панели стеновые легкобетонные толщиной 20,25,30 и 35 см Серия ИИ 04-5
  • Длина 430 мм.
  • Ширина 250 мм.
  • Высота 2685 мм.
  • Вес 320 кг.
  • Объем бетона 0,24 м3
  • Геометрический объем 0,2886 м3
Цена: 8148 руб.
Подробнее
Н 45-12
Панели стеновые легкобетонные толщиной 20,25,30 и 35 см Серия ИИ 04-5
  • Длина 4480 мм.
  • Ширина 350 мм.
  • Высота 1185 мм.
  • Вес 2040 кг.
  • Объем бетона 1,67 м3
  • Геометрический объем 1,8581 м3
Цена: 56697 руб.
Подробнее
Н 45-12
Панели стеновые легкобетонные толщиной 20,25,30 и 35 см Серия ИИ 04-5
  • Длина 4480 мм.
  • Ширина 250 мм.
  • Высота 1185 мм.
  • Вес 1480 кг.
  • Объем бетона 1,14 м3
  • Геометрический объем 1,3272 м3
Цена: 38703 руб.
Подробнее
Н 45-12
Панели стеновые легкобетонные толщиной 20,25,30 и 35 см Серия ИИ 04-5
  • Длина 4480 мм.
  • Ширина 300 мм.
  • Высота 1185 мм.
  • Вес 1790 кг.
  • Объем бетона 1,42 м3
  • Геометрический объем 1,5926 м3
Цена: 48209 руб.
Подробнее
Н 45-15
Панели стеновые легкобетонные толщиной 20,25,30 и 35 см Серия ИИ 04-5
  • Длина 4480 мм.
  • Ширина 300 мм.
  • Высота 1485 мм.
  • Вес 1930 кг.
  • Объем бетона 1,76 м3
  • Геометрический объем 1,9958 м3
Цена: 59752 руб.
Подробнее
Н 45-15
Панели стеновые легкобетонные толщиной 20,25,30 и 35 см Серия ИИ 04-5
  • Длина 4480 мм.
  • Ширина 350 мм.
  • Высота 1485 мм.
  • Вес 2560 кг.
  • Объем бетона 2,09 м3
  • Геометрический объем 2,3285 м3
Цена: 70956 руб.
Подробнее
Н 45-18
Панели стеновые легкобетонные толщиной 20,25,30 и 35 см Серия ИИ 04-5
  • Длина 4480 мм.
  • Ширина 350 мм.
  • Высота 1785 мм.
  • Вес 3090 кг.
  • Объем бетона 2,52 м3
  • Геометрический объем 2,7989 м3
Цена: 85554 руб.
Подробнее
Н 45-15
Панели стеновые легкобетонные толщиной 20,25,30 и 35 см Серия ИИ 04-5
  • Длина 4480 мм.
  • Ширина 250 мм.
  • Высота 1485 мм.
  • Вес 1900 кг.
  • Объем бетона 1,43 м3
  • Геометрический объем 1,6632 м3
Цена: 48549 руб.
Подробнее
Н 45-18
Панели стеновые легкобетонные толщиной 20,25,30 и 35 см Серия ИИ 04-5
  • Длина 4480 мм.
  • Ширина 250 мм.
  • Высота 1785 мм.
  • Вес 2280 кг.
  • Объем бетона 1,72 м3
  • Геометрический объем 1,9992 м3
Цена: 58394 руб.
Подробнее
Н 45-18
Панели стеновые легкобетонные толщиной 20,25,30 и 35 см Серия ИИ 04-5
  • Длина 4480 мм.
  • Ширина 300 мм.
  • Высота 1785 мм.
  • Вес 2700 кг.
  • Объем бетона 2,12 м3
  • Геометрический объем 2,399 м3
Цена: 71974 руб.
Подробнее
Н 45-21
Панели стеновые легкобетонные толщиной 20,25,30 и 35 см Серия ИИ 04-5
  • Длина 4480 мм.
  • Ширина 250 мм.
  • Высота 2085 мм.
  • Вес 2680 кг.
  • Объем бетона 2,01 м3
  • Геометрический объем 2,3352 м3
Цена: 68240 руб.
Подробнее
Н 45-21
Панели стеновые легкобетонные толщиной 20,25,30 и 35 см Серия ИИ 04-5
  • Длина 4480 мм.
  • Ширина 350 мм.
  • Высота 2085 мм.
  • Вес 3610 кг.
  • Объем бетона 2,94 м3
  • Геометрический объем 3,2693 м3
Цена: 99813 руб.
Подробнее
Н 45-6
Панели стеновые легкобетонные толщиной 20,25,30 и 35 см Серия ИИ 04-5
  • Длина 4480 мм.
  • Ширина 250 мм.
  • Высота 585 мм.
  • Вес 750 кг.
  • Объем бетона 0,56 м3
  • Геометрический объем 0,6552 м3
Цена: 19012 руб.
Подробнее
Н 45-21
Панели стеновые легкобетонные толщиной 20,25,30 и 35 см Серия ИИ 04-5
  • Длина 4480 мм.
  • Ширина 300 мм.
  • Высота 2085 мм.
  • Вес 3140 кг.
  • Объем бетона 2,47 м3
  • Геометрический объем 2,8022 м3
Цена: 83857 руб.
Подробнее
Н 45-6
Панели стеновые легкобетонные толщиной 20,25,30 и 35 см Серия ИИ 04-5
  • Длина 4480 мм.
  • Ширина 350 мм.
  • Высота 585 мм.
  • Вес 1010 кг.
  • Объем бетона 0,82 м3
  • Геометрический объем 0,9173 м3
Цена: 27839 руб.
Подробнее
Н 45-9
Панели стеновые легкобетонные толщиной 20,25,30 и 35 см Серия ИИ 04-5
  • Длина 4480 мм.
  • Ширина 250 мм.
  • Высота 885 мм.
  • Вес 1130 кг.
  • Объем бетона 0,85 м3
  • Геометрический объем 0,9912 м3
Цена: 28858 руб.
Подробнее
Н 45-6
Панели стеновые легкобетонные толщиной 20,25,30 и 35 см Серия ИИ 04-5
  • Длина 4480 мм.
  • Ширина 300 мм.
  • Высота 585 мм.
  • Вес 880 кг.
  • Объем бетона 0,69 м3
  • Геометрический объем 0,7862 м3
Цена: 23426 руб.
Подробнее
Н 57-12 л
Панели стеновые легкобетонные толщиной 20,25,30 и 35 см Серия ИИ 04-5
  • Длина 5700 мм.
  • Ширина 350 мм.
  • Высота 1185 мм.
  • Вес 2570 кг.
  • Объем бетона 2,08 м3
  • Геометрический объем 2,3641 м3
Цена: 70616 руб.
Подробнее
Н 45-9
Панели стеновые легкобетонные толщиной 20,25,30 и 35 см Серия ИИ 04-5
  • Длина 4480 мм.
  • Ширина 350 мм.
  • Высота 885 мм.
  • Вес 1540 кг.
  • Объем бетона 1,25 м3
  • Геометрический объем 1,3877 м3
Цена: 42438 руб.
Подробнее
Н 45-9
Панели стеновые легкобетонные толщиной 20,25,30 и 35 см Серия ИИ 04-5
  • Длина 4480 мм.
  • Ширина 300 мм.
  • Высота 885 мм.
  • Вес 1340 кг.
  • Объем бетона 1,05 м3
  • Геометрический объем 1,1894 м3
Цена: 35648 руб.
Подробнее
Н 57-12 л
Панели стеновые легкобетонные толщиной 20,25,30 и 35 см Серия ИИ 04-5
  • Длина 5700 мм.
  • Ширина 250 мм.
  • Высота 1185 мм.
  • Вес 1920 кг.
  • Объем бетона 1,44 м3
  • Геометрический объем 1,6886 м3
Цена: 48888 руб.
Подробнее
Н 57-12 л
Панели стеновые легкобетонные толщиной 20,25,30 и 35 см Серия ИИ 04-5
  • Длина 5700 мм.
  • Ширина 300 мм.
  • Высота 1185 мм.
  • Вес 2240 кг.
  • Объем бетона 1,76 м3
  • Геометрический объем 2,0263 м3
Цена: 59752 руб.
Подробнее
Н 57-12 пр
Панели стеновые легкобетонные толщиной 20,25,30 и 35 см Серия ИИ 04-5
  • Длина 5700 мм.
  • Ширина 250 мм.
  • Высота 1185 мм.
  • Вес 1920 кг.
  • Объем бетона 1,44 м3
  • Геометрический объем 1,6886 м3
Цена: 48888 руб.
Подробнее
Н 57-12 пр
Панели стеновые легкобетонные толщиной 20,25,30 и 35 см Серия ИИ 04-5
  • Длина 5700 мм.
  • Ширина 300 мм.
  • Высота 1185 мм.
  • Вес 2240 кг.
  • Объем бетона 1,76 м3
  • Геометрический объем 2,0263 м3
Цена: 59752 руб.
Подробнее
Н 57-15 л
Панели стеновые легкобетонные толщиной 20,25,30 и 35 см Серия ИИ 04-5
  • Длина 5700 мм.
  • Ширина 350 мм.
  • Высота 1485 мм.
  • Вес 3220 кг.
  • Объем бетона 2,61 м3
  • Геометрический объем 2,9626 м3
Цена: 88610 руб.
Подробнее
Н 57-15 л
Панели стеновые легкобетонные толщиной 20,25,30 и 35 см Серия ИИ 04-5
  • Длина 5700 мм.
  • Ширина 300 мм.
  • Высота 1485 мм.
  • Вес 2800 кг.
  • Объем бетона 2,21 м3
  • Геометрический объем 2,5394 м3
Цена: 75030 руб.
Подробнее
Н 57-12 пр
Панели стеновые легкобетонные толщиной 20,25,30 и 35 см Серия ИИ 04-5
  • Длина 5700 мм.
  • Ширина 350 мм.
  • Высота 1185 мм.
  • Вес 2570 кг.
  • Объем бетона 2,08 м3
  • Геометрический объем 2,3641 м3
Цена: 70616 руб.
Подробнее
Н 57-15 л
Панели стеновые легкобетонные толщиной 20,25,30 и 35 см Серия ИИ 04-5
  • Длина 5700 мм.
  • Ширина 250 мм.
  • Высота 1485 мм.
  • Вес 2390 кг.
  • Объем бетона 1,8 м3
  • Геометрический объем 2,1161 м3
Цена: 61110 руб.
Подробнее
Н 57-15 пр
Панели стеновые легкобетонные толщиной 20,25,30 и 35 см Серия ИИ 04-5
  • Длина 5700 мм.
  • Ширина 250 мм.
  • Высота 1485 мм.
  • Вес 2390 кг.
  • Объем бетона 1,8 м3
  • Геометрический объем 2,1161 м3
Цена: 61110 руб.
Подробнее
Н 57-15 пр
Панели стеновые легкобетонные толщиной 20,25,30 и 35 см Серия ИИ 04-5
  • Длина 5700 мм.
  • Ширина 300 мм.
  • Высота 1485 мм.
  • Вес 2800 кг.
  • Объем бетона 2,21 м3
  • Геометрический объем 2,5394 м3
Цена: 75030 руб.
Подробнее
Н 57-15 пр
Панели стеновые легкобетонные толщиной 20,25,30 и 35 см Серия ИИ 04-5
  • Длина 5700 мм.
  • Ширина 350 мм.
  • Высота 1485 мм.
  • Вес 3220 кг.
  • Объем бетона 2,61 м3
  • Геометрический объем 2,9626 м3
Цена: 88610 руб.
Подробнее
Н 57-6 л
Панели стеновые легкобетонные толщиной 20,25,30 и 35 см Серия ИИ 04-5
  • Длина 5700 мм.
  • Ширина 350 мм.
  • Высота 585 мм.
  • Вес 1270 кг.
  • Объем бетона 1,03 м3
  • Геометрический объем 1,1671 м3
Цена: 34969 руб.
Подробнее
Н 57-6 пр
Панели стеновые легкобетонные толщиной 20,25,30 и 35 см Серия ИИ 04-5
  • Длина 5700 мм.
  • Ширина 250 мм.
  • Высота 585 мм.
  • Вес 940 кг.
  • Объем бетона 0,71 м3
  • Геометрический объем 0,8336 м3
Цена: 24105 руб.
Подробнее
Н 57-6 л
Панели стеновые легкобетонные толщиной 20,25,30 и 35 см Серия ИИ 04-5
  • Длина 5700 мм.
  • Ширина 250 мм.
  • Высота 585 мм.
  • Вес 940 кг.
  • Объем бетона 0,71 м3
  • Геометрический объем 0,8336 м3
Цена: 24105 руб.
Подробнее
Н 57-6 л
Панели стеновые легкобетонные толщиной 20,25,30 и 35 см Серия ИИ 04-5
  • Длина 5700 мм.
  • Ширина 300 мм.
  • Высота 585 мм.
  • Вес 1100 кг.
  • Объем бетона 0,87 м3
  • Геометрический объем 1,0004 м3
Цена: 29537 руб.
Подробнее

Уведомление о файлах cookie

Мы используем файлы cookie для улучшения вашего опыта просмотра и анализа трафика. Нажимая "Принять все", вы соглашаетесь с нашей политикой конфиденциальности и политикой обработки файлов cookie.

Дзен Телеграм Вконтакте vk