mobile_sound +7 (930) 655-55-90

Железобетонные опоры линий электропередачи. Рабочие чертежи (Серия Б1.020.1-7)

Поделиться:
Поделиться:

Документ Серия Б1.020.1-7 описывает область применения, номенклатуру и ключевые требования, опираясь на действующие нормы и практику проектирования. С апреля 1999 года была введён в действие в действие Серия Б1.020.1-7, разработанная проектным институтом НИЭП ГП БЕЛНИИС. В нормативном документе детально изложены принципы архитектурно-планировочных и конструктивно-технологических решений, с помощью которых в значительной степени упрощается строительство сборно-монолитных каркасных зданий и сооружений межвидового назначения. Номенклатурный перечень железобетонных элементов включает в себя большое количество изделия и конструкции с различными геометрическими пропорциями, позволяющими охватить большое количество типовых проектов.

Файлы для скачивания:
picture_as_pdf

5120.pdf

5,656.5 KB

скачать
picture_as_pdf

5121.pdf

1,780.4 KB

скачать
picture_as_pdf

5122.pdf

2,128.8 KB

скачать
picture_as_pdf

5123.pdf

8,620.8 KB

скачать
picture_as_pdf

5124.pdf

13,677.4 KB

скачать
picture_as_pdf

5125.pdf

6,559.4 KB

скачать
picture_as_pdf

5126.pdf

5,733.9 KB

скачать
picture_as_pdf

5127.pdf

4,064.8 KB

скачать
picture_as_pdf

5128.pdf

2,267.9 KB

скачать
picture_as_pdf

5129.pdf

1,329.2 KB

скачать
picture_as_pdf

5130.pdf

675.3 KB

скачать
Товары Серия Б1.020.1-7 (60)
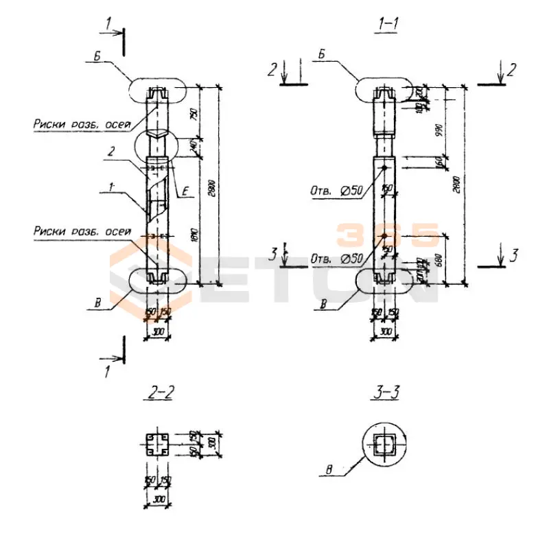
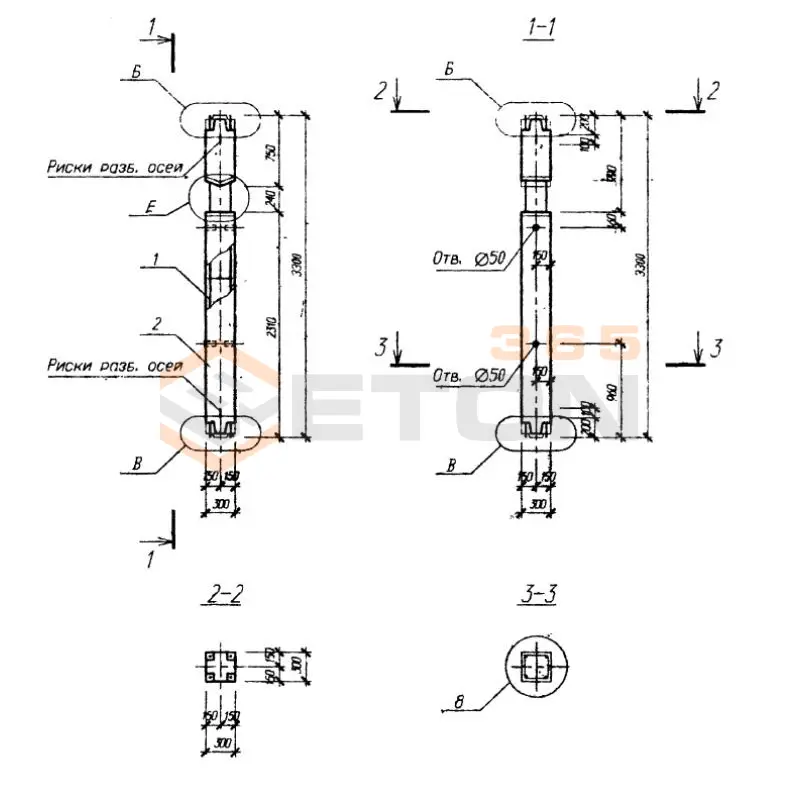
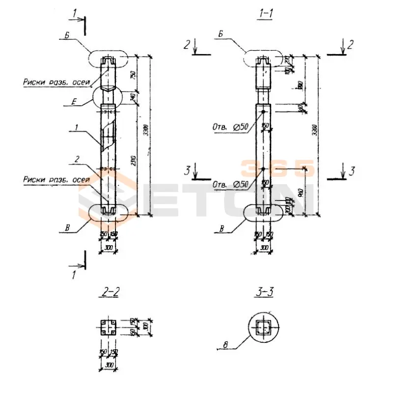
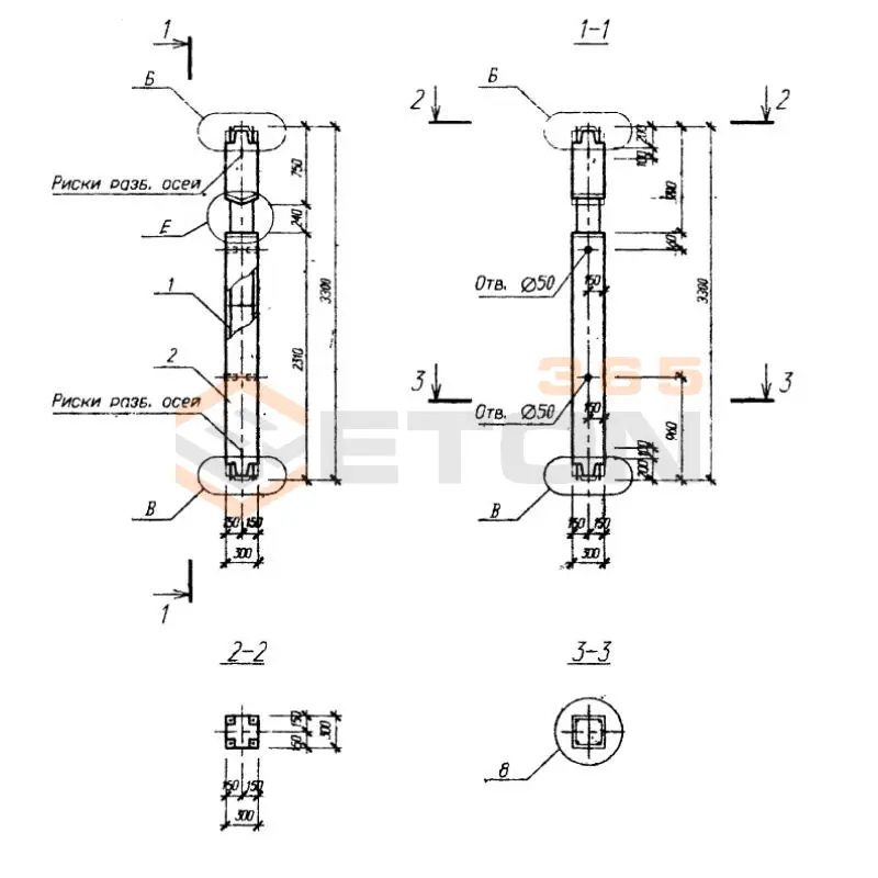
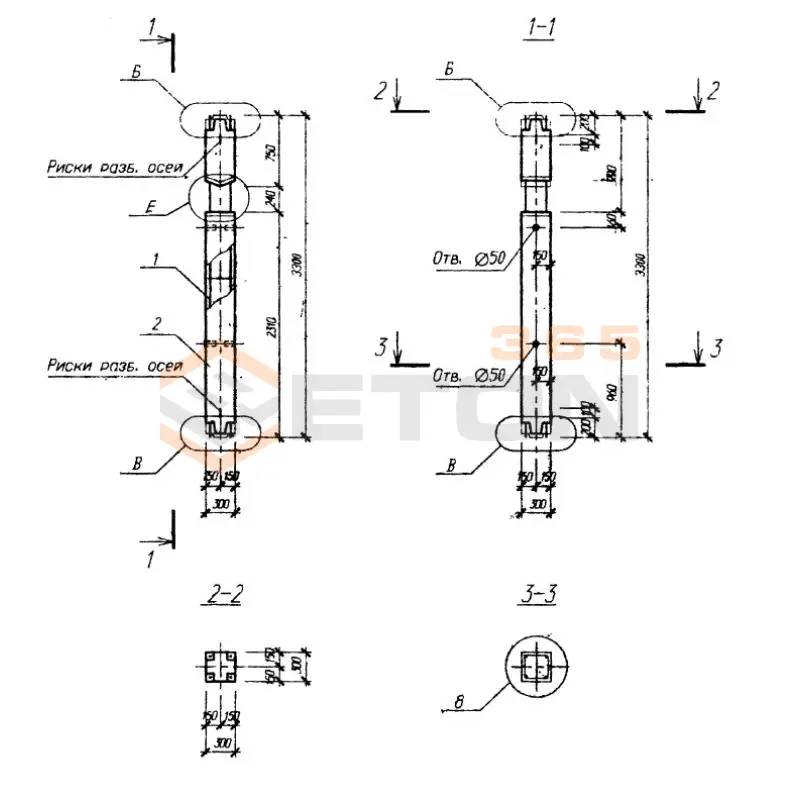
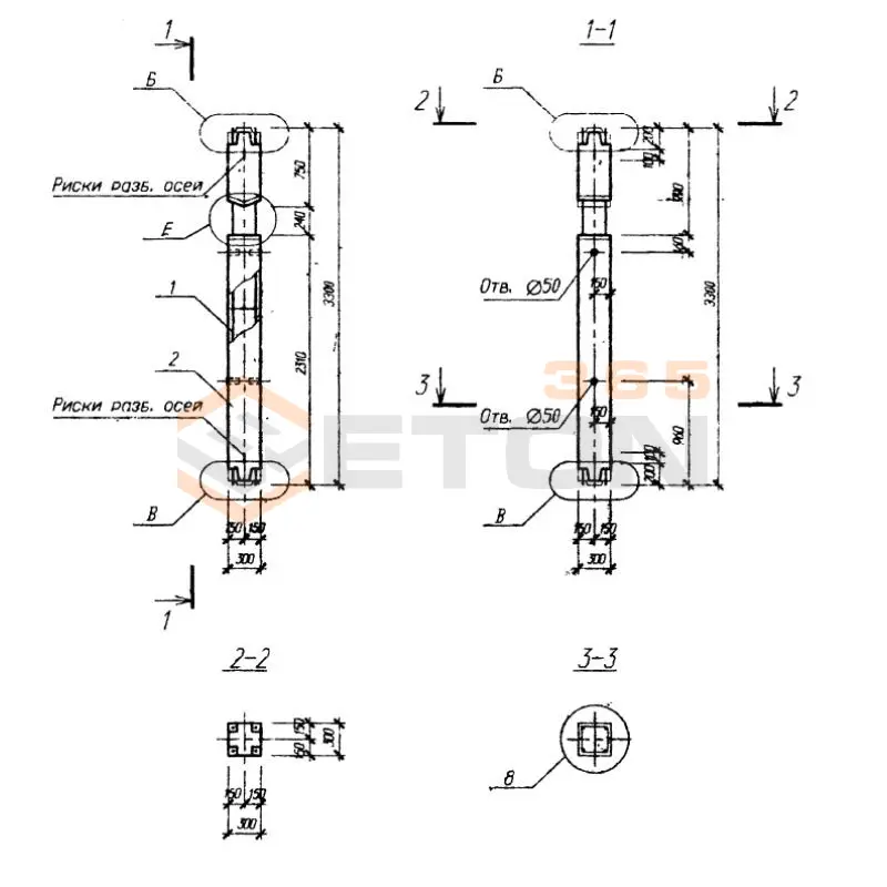
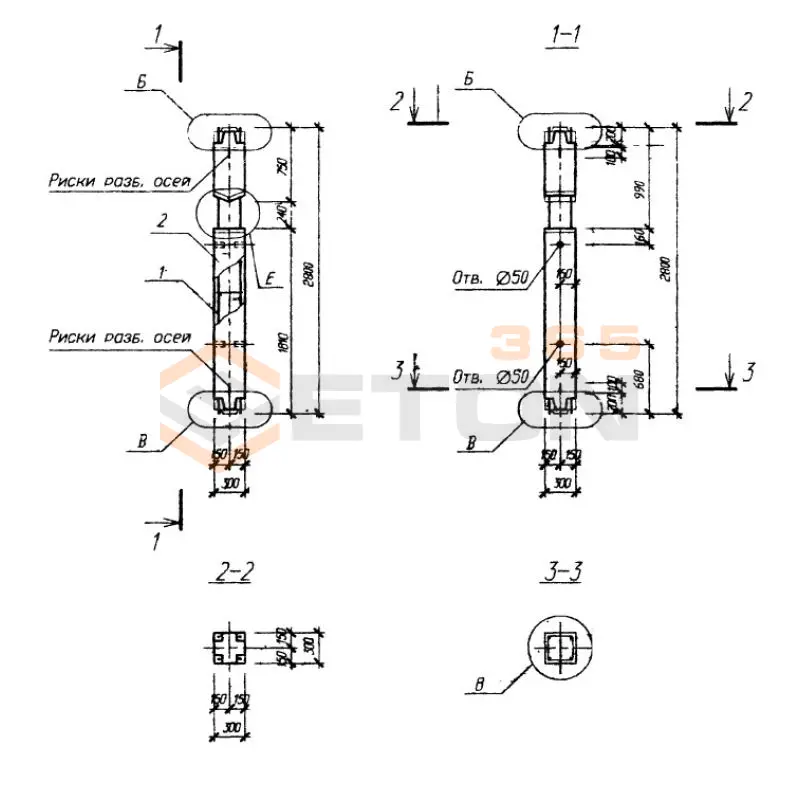
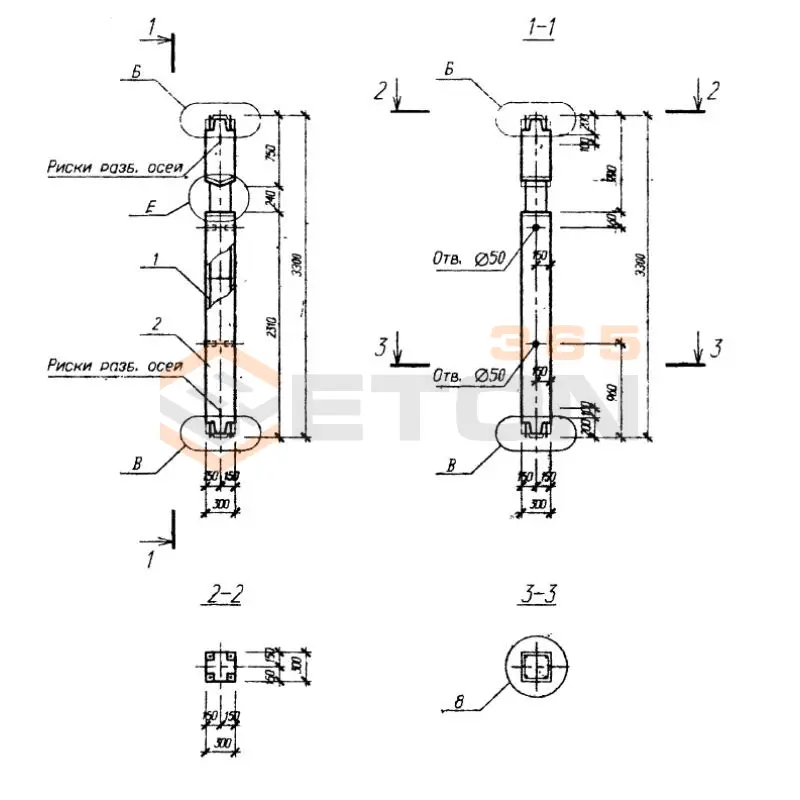
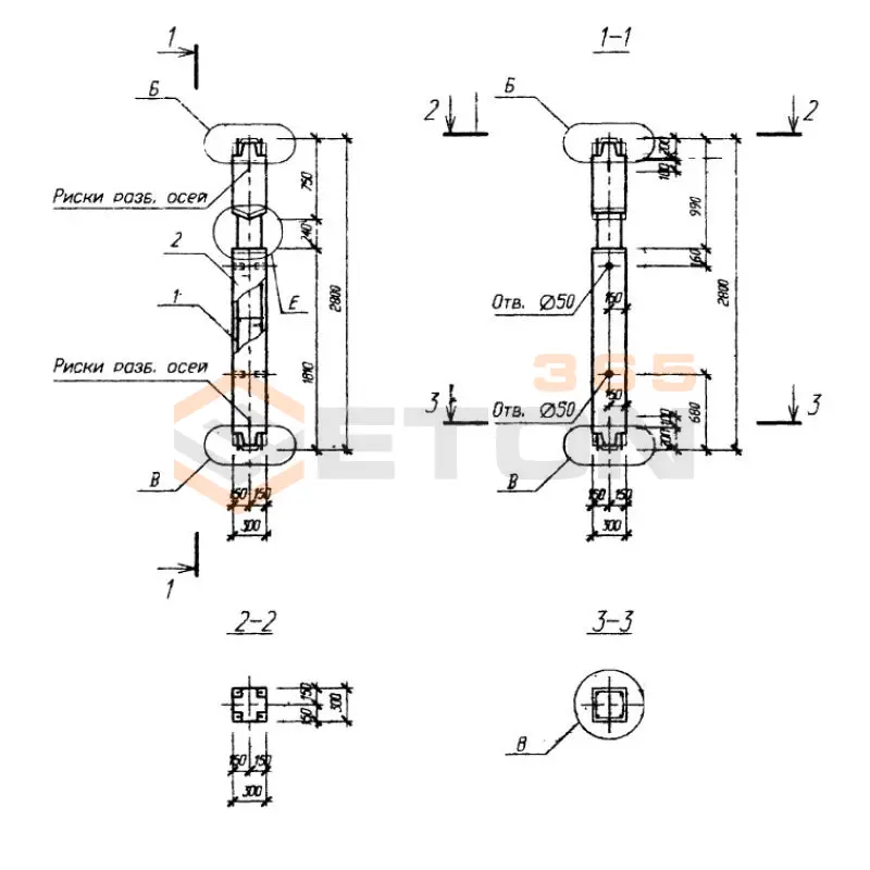
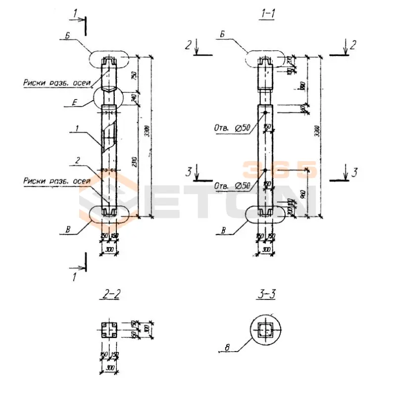
1КС1 4-33-15 (Б1.020.1-7)
Колонны Серия Б1.020.1-7
  • Длина 3300 мм.
  • Ширина 400 мм.
  • Высота 400 мм.
  • Вес 1175 кг.
  • Объем бетона 0,47 м3
  • Геометрический объем 0,528 м3
Цена: 10030 руб.
Подробнее
1КС1 4-33-23 (Б1.020.1-7)
Колонны Серия Б1.020.1-7
  • Длина 3300 мм.
  • Ширина 400 мм.
  • Высота 400 мм.
  • Вес 1175 кг.
  • Объем бетона 0,47 м3
  • Геометрический объем 0,528 м3
Цена: 10030 руб.
Подробнее
1КС1 4-33-24 (Б1.020.1-7)
Колонны Серия Б1.020.1-7
  • Длина 3300 мм.
  • Ширина 400 мм.
  • Высота 400 мм.
  • Вес 1175 кг.
  • Объем бетона 0,47 м3
  • Геометрический объем 0,528 м3
Цена: 10030 руб.
Подробнее
1КС1 4-33-25 (Б1.020.1-7)
Колонны Серия Б1.020.1-7
  • Длина 3300 мм.
  • Ширина 400 мм.
  • Высота 400 мм.
  • Вес 1175 кг.
  • Объем бетона 0,47 м3
  • Геометрический объем 0,528 м3
Цена: 10030 руб.
Подробнее
1КС1 4-33-32 (Б1.020.1-7)
Колонны Серия Б1.020.1-7
  • Длина 3300 мм.
  • Ширина 400 мм.
  • Высота 400 мм.
  • Вес 1175 кг.
  • Объем бетона 0,47 м3
  • Геометрический объем 0,528 м3
Цена: 10030 руб.
Подробнее
1КС1 4-33-31 (Б1.020.1-7)
Колонны Серия Б1.020.1-7
  • Длина 3300 мм.
  • Ширина 400 мм.
  • Высота 400 мм.
  • Вес 1175 кг.
  • Объем бетона 0,47 м3
  • Геометрический объем 0,528 м3
Цена: 10030 руб.
Подробнее
1КС1 4-33-33 (Б1.020.1-7)
Колонны Серия Б1.020.1-7
  • Длина 3300 мм.
  • Ширина 400 мм.
  • Высота 400 мм.
  • Вес 1175 кг.
  • Объем бетона 0,47 м3
  • Геометрический объем 0,528 м3
Цена: 10030 руб.
Подробнее
1КС1 4-33-34 (Б1.020.1-7)
Колонны Серия Б1.020.1-7
  • Длина 3300 мм.
  • Ширина 400 мм.
  • Высота 400 мм.
  • Вес 1175 кг.
  • Объем бетона 0,47 м3
  • Геометрический объем 0,528 м3
Цена: 10030 руб.
Подробнее
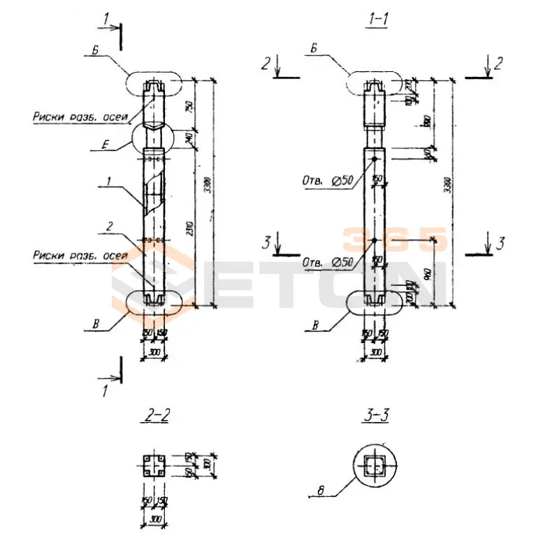
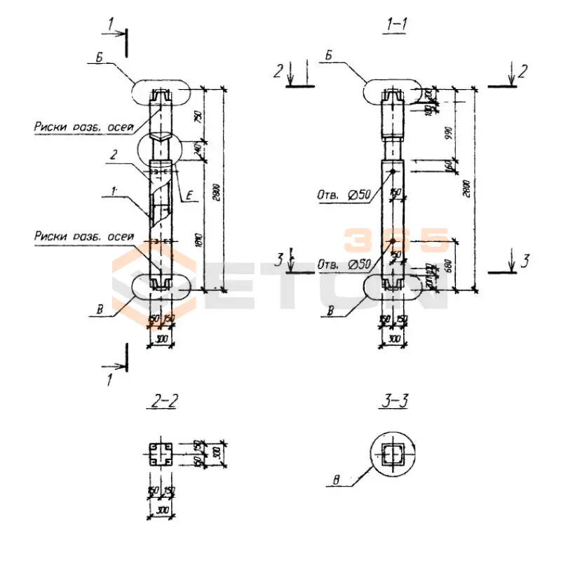
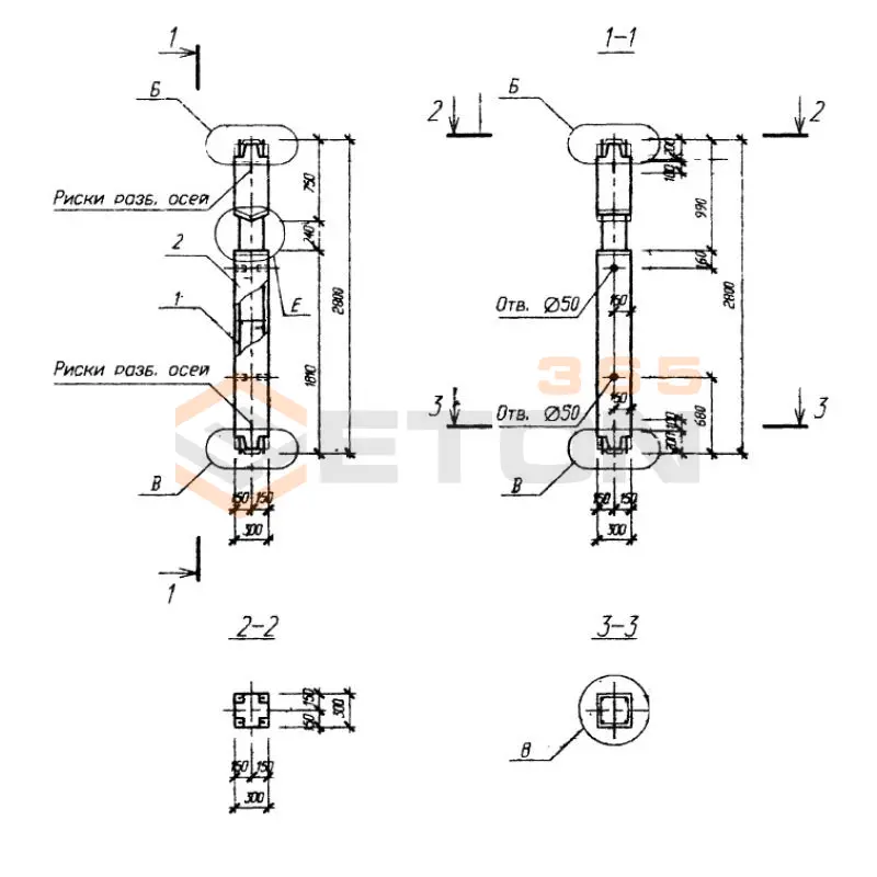
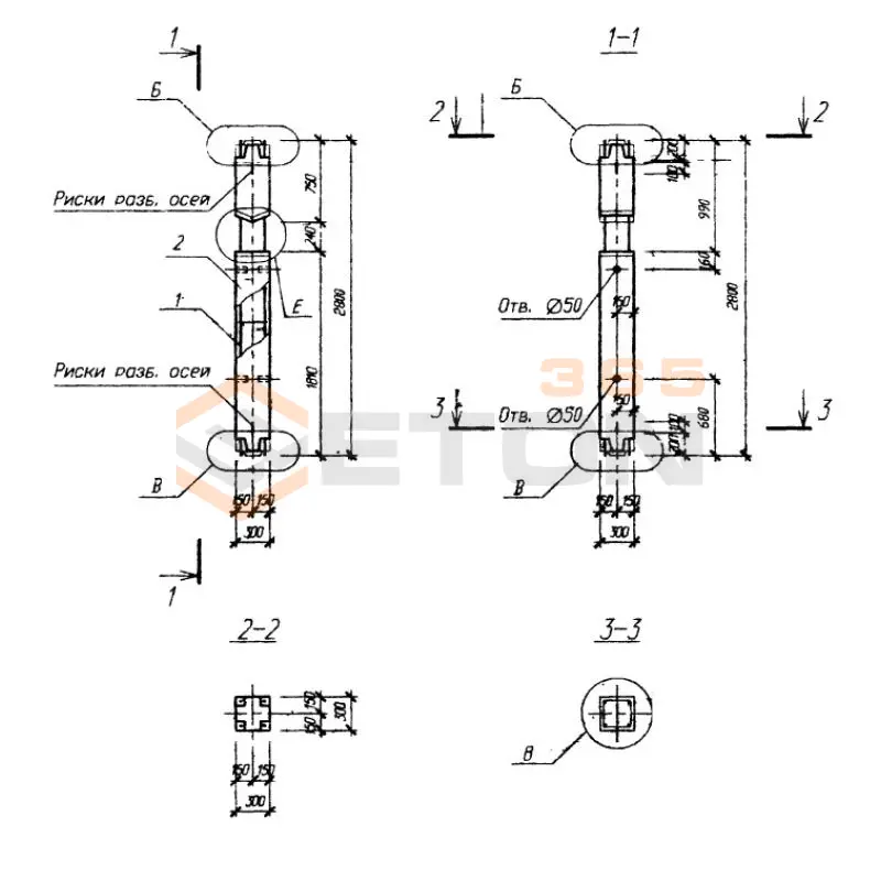
1КС2 3-28-11 (Б1.020.1-7)
Колонны Серия Б1.020.1-7
  • Длина 2800 мм.
  • Ширина 300 мм.
  • Высота 300 мм.
  • Вес 550 кг.
  • Объем бетона 0,22 м3
  • Геометрический объем 0,252 м3
Цена: 4695 руб.
Подробнее
1КС1 4-33-35 (Б1.020.1-7)
Колонны Серия Б1.020.1-7
  • Длина 3300 мм.
  • Ширина 400 мм.
  • Высота 400 мм.
  • Вес 1175 кг.
  • Объем бетона 0,47 м3
  • Геометрический объем 0,528 м3
Цена: 10030 руб.
Подробнее
1КС2 3-28-12 (Б1.020.1-7)
Колонны Серия Б1.020.1-7
  • Длина 2800 мм.
  • Ширина 300 мм.
  • Высота 300 мм.
  • Вес 550 кг.
  • Объем бетона 0,22 м3
  • Геометрический объем 0,252 м3
Цена: 4695 руб.
Подробнее
1КС2 3-28-13 (Б1.020.1-7)
Колонны Серия Б1.020.1-7
  • Длина 2800 мм.
  • Ширина 300 мм.
  • Высота 300 мм.
  • Вес 550 кг.
  • Объем бетона 0,22 м3
  • Геометрический объем 0,252 м3
Цена: 4695 руб.
Подробнее
1КС2 3-28-14 (Б1.020.1-7)
Колонны Серия Б1.020.1-7
  • Длина 2800 мм.
  • Ширина 300 мм.
  • Высота 300 мм.
  • Вес 550 кг.
  • Объем бетона 0,22 м3
  • Геометрический объем 0,252 м3
Цена: 4695 руб.
Подробнее
1КС2 3-28-15 (Б1.020.1-7)
Колонны Серия Б1.020.1-7
  • Длина 2800 мм.
  • Ширина 300 мм.
  • Высота 300 мм.
  • Вес 550 кг.
  • Объем бетона 0,22 м3
  • Геометрический объем 0,252 м3
Цена: 4695 руб.
Подробнее
1КС2 3-28-21 (Б1.020.1-7)
Колонны Серия Б1.020.1-7
  • Длина 2800 мм.
  • Ширина 300 мм.
  • Высота 300 мм.
  • Вес 550 кг.
  • Объем бетона 0,22 м3
  • Геометрический объем 0,252 м3
Цена: 4695 руб.
Подробнее
1КС2 3-28-23 (Б1.020.1-7)
Колонны Серия Б1.020.1-7
  • Длина 2800 мм.
  • Ширина 300 мм.
  • Высота 300 мм.
  • Вес 550 кг.
  • Объем бетона 0,22 м3
  • Геометрический объем 0,252 м3
Цена: 4695 руб.
Подробнее
1КС2 3-28-22 (Б1.020.1-7)
Колонны Серия Б1.020.1-7
  • Длина 2800 мм.
  • Ширина 300 мм.
  • Высота 300 мм.
  • Вес 550 кг.
  • Объем бетона 0,22 м3
  • Геометрический объем 0,252 м3
Цена: 4695 руб.
Подробнее
1КС2 3-28-24 (Б1.020.1-7)
Колонны Серия Б1.020.1-7
  • Длина 2800 мм.
  • Ширина 300 мм.
  • Высота 300 мм.
  • Вес 550 кг.
  • Объем бетона 0,22 м3
  • Геометрический объем 0,252 м3
Цена: 4695 руб.
Подробнее
1КС2 3-28-25 (Б1.020.1-7)
Колонны Серия Б1.020.1-7
  • Длина 2800 мм.
  • Ширина 300 мм.
  • Высота 300 мм.
  • Вес 550 кг.
  • Объем бетона 0,22 м3
  • Геометрический объем 0,252 м3
Цена: 4695 руб.
Подробнее
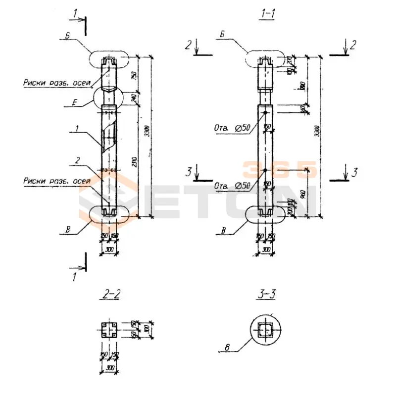
1КС2 3-33-11 (Б1.020.1-7)
Колонны Серия Б1.020.1-7
  • Длина 3300 мм.
  • Ширина 300 мм.
  • Высота 300 мм.
  • Вес 675 кг.
  • Объем бетона 0,27 м3
  • Геометрический объем 0,297 м3
Цена: 5762 руб.
Подробнее
1КС2 3-33-12 (Б1.020.1-7)
Колонны Серия Б1.020.1-7
  • Длина 3300 мм.
  • Ширина 300 мм.
  • Высота 300 мм.
  • Вес 675 кг.
  • Объем бетона 0,27 м3
  • Геометрический объем 0,297 м3
Цена: 5762 руб.
Подробнее
1КС2 3-33-13 (Б1.020.1-7)
Колонны Серия Б1.020.1-7
  • Длина 3300 мм.
  • Ширина 300 мм.
  • Высота 300 мм.
  • Вес 675 кг.
  • Объем бетона 0,27 м3
  • Геометрический объем 0,297 м3
Цена: 5762 руб.
Подробнее
1КС2 3-33-14 (Б1.020.1-7)
Колонны Серия Б1.020.1-7
  • Длина 3300 мм.
  • Ширина 300 мм.
  • Высота 300 мм.
  • Вес 675 кг.
  • Объем бетона 0,27 м3
  • Геометрический объем 0,297 м3
Цена: 5762 руб.
Подробнее
1КС2 3-33-15 (Б1.020.1-7)
Колонны Серия Б1.020.1-7
  • Длина 3300 мм.
  • Ширина 300 мм.
  • Высота 300 мм.
  • Вес 675 кг.
  • Объем бетона 0,27 м3
  • Геометрический объем 0,297 м3
Цена: 5762 руб.
Подробнее
1КС2 3-33-21 (Б1.020.1-7)
Колонны Серия Б1.020.1-7
  • Длина 3300 мм.
  • Ширина 300 мм.
  • Высота 300 мм.
  • Вес 675 кг.
  • Объем бетона 0,27 м3
  • Геометрический объем 0,297 м3
Цена: 5762 руб.
Подробнее
1КС2 3-33-22 (Б1.020.1-7)
Колонны Серия Б1.020.1-7
  • Длина 3300 мм.
  • Ширина 300 мм.
  • Высота 300 мм.
  • Вес 675 кг.
  • Объем бетона 0,27 м3
  • Геометрический объем 0,297 м3
Цена: 5762 руб.
Подробнее
1КС2 3-33-23 (Б1.020.1-7)
Колонны Серия Б1.020.1-7
  • Длина 3300 мм.
  • Ширина 300 мм.
  • Высота 300 мм.
  • Вес 675 кг.
  • Объем бетона 0,27 м3
  • Геометрический объем 0,297 м3
Цена: 5762 руб.
Подробнее
1КС2 3-33-24 (Б1.020.1-7)
Колонны Серия Б1.020.1-7
  • Длина 3300 мм.
  • Ширина 300 мм.
  • Высота 300 мм.
  • Вес 675 кг.
  • Объем бетона 0,27 м3
  • Геометрический объем 0,297 м3
Цена: 5762 руб.
Подробнее
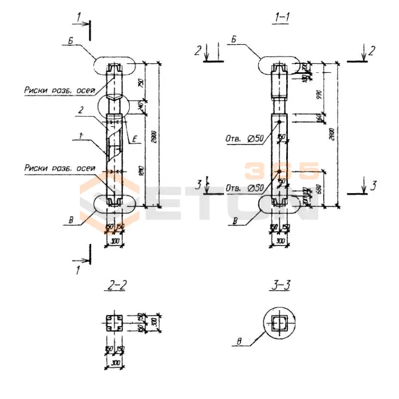
1КС2 4-28-11 (Б1.020.1-7)
Колонны Серия Б1.020.1-7
  • Длина 2800 мм.
  • Ширина 400 мм.
  • Высота 400 мм.
  • Вес 975 кг.
  • Объем бетона 0,39 м3
  • Геометрический объем 0,448 м3
Цена: 8323 руб.
Подробнее
1КС2 3-33-25 (Б1.020.1-7)
Колонны Серия Б1.020.1-7
  • Длина 3300 мм.
  • Ширина 300 мм.
  • Высота 300 мм.
  • Вес 675 кг.
  • Объем бетона 0,27 м3
  • Геометрический объем 0,297 м3
Цена: 5762 руб.
Подробнее
1КС2 4-28-12 (Б1.020.1-7)
Колонны Серия Б1.020.1-7
  • Длина 2800 мм.
  • Ширина 400 мм.
  • Высота 400 мм.
  • Вес 975 кг.
  • Объем бетона 0,39 м3
  • Геометрический объем 0,448 м3
Цена: 8323 руб.
Подробнее
1КС2 4-28-13 (Б1.020.1-7)
Колонны Серия Б1.020.1-7
  • Длина 2800 мм.
  • Ширина 400 мм.
  • Высота 400 мм.
  • Вес 975 кг.
  • Объем бетона 0,39 м3
  • Геометрический объем 0,448 м3
Цена: 8323 руб.
Подробнее
1КС2 4-28-14 (Б1.020.1-7)
Колонны Серия Б1.020.1-7
  • Длина 2800 мм.
  • Ширина 400 мм.
  • Высота 400 мм.
  • Вес 975 кг.
  • Объем бетона 0,39 м3
  • Геометрический объем 0,448 м3
Цена: 8323 руб.
Подробнее
1КС2 4-28-15 (Б1.020.1-7)
Колонны Серия Б1.020.1-7
  • Длина 2800 мм.
  • Ширина 400 мм.
  • Высота 400 мм.
  • Вес 975 кг.
  • Объем бетона 0,39 м3
  • Геометрический объем 0,448 м3
Цена: 8323 руб.
Подробнее
1КС2 4-28-22 (Б1.020.1-7)
Колонны Серия Б1.020.1-7
  • Длина 2800 мм.
  • Ширина 400 мм.
  • Высота 400 мм.
  • Вес 975 кг.
  • Объем бетона 0,39 м3
  • Геометрический объем 0,448 м3
Цена: 8323 руб.
Подробнее
1КС2 4-28-21 (Б1.020.1-7)
Колонны Серия Б1.020.1-7
  • Длина 2800 мм.
  • Ширина 400 мм.
  • Высота 400 мм.
  • Вес 975 кг.
  • Объем бетона 0,39 м3
  • Геометрический объем 0,448 м3
Цена: 8323 руб.
Подробнее
1КС2 4-28-23 (Б1.020.1-7)
Колонны Серия Б1.020.1-7
  • Длина 2800 мм.
  • Ширина 400 мм.
  • Высота 400 мм.
  • Вес 975 кг.
  • Объем бетона 0,39 м3
  • Геометрический объем 0,448 м3
Цена: 8323 руб.
Подробнее
1КС2 4-28-24 (Б1.020.1-7)
Колонны Серия Б1.020.1-7
  • Длина 2800 мм.
  • Ширина 400 мм.
  • Высота 400 мм.
  • Вес 975 кг.
  • Объем бетона 0,39 м3
  • Геометрический объем 0,448 м3
Цена: 8323 руб.
Подробнее
1КС2 4-28-25 (Б1.020.1-7)
Колонны Серия Б1.020.1-7
  • Длина 2800 мм.
  • Ширина 400 мм.
  • Высота 400 мм.
  • Вес 975 кг.
  • Объем бетона 0,39 м3
  • Геометрический объем 0,448 м3
Цена: 8323 руб.
Подробнее
1КС2 4-28-31 (Б1.020.1-7)
Колонны Серия Б1.020.1-7
  • Длина 2800 мм.
  • Ширина 400 мм.
  • Высота 400 мм.
  • Вес 975 кг.
  • Объем бетона 0,39 м3
  • Геометрический объем 0,448 м3
Цена: 8323 руб.
Подробнее
1КС2 4-28-33 (Б1.020.1-7)
Колонны Серия Б1.020.1-7
  • Длина 2800 мм.
  • Ширина 400 мм.
  • Высота 400 мм.
  • Вес 975 кг.
  • Объем бетона 0,39 м3
  • Геометрический объем 0,448 м3
Цена: 8323 руб.
Подробнее
1КС2 4-28-32 (Б1.020.1-7)
Колонны Серия Б1.020.1-7
  • Длина 2800 мм.
  • Ширина 400 мм.
  • Высота 400 мм.
  • Вес 975 кг.
  • Объем бетона 0,39 м3
  • Геометрический объем 0,448 м3
Цена: 8323 руб.
Подробнее
1КС2 4-28-34 (Б1.020.1-7)
Колонны Серия Б1.020.1-7
  • Длина 2800 мм.
  • Ширина 400 мм.
  • Высота 400 мм.
  • Вес 975 кг.
  • Объем бетона 0,39 м3
  • Геометрический объем 0,448 м3
Цена: 8323 руб.
Подробнее
1КС2 4-28-35 (Б1.020.1-7)
Колонны Серия Б1.020.1-7
  • Длина 2800 мм.
  • Ширина 400 мм.
  • Высота 400 мм.
  • Вес 975 кг.
  • Объем бетона 0,39 м3
  • Геометрический объем 0,448 м3
Цена: 8323 руб.
Подробнее
1КС2 4-33-11 (Б1.020.1-7)
Колонны Серия Б1.020.1-7
  • Длина 3300 мм.
  • Ширина 400 мм.
  • Высота 400 мм.
  • Вес 1175 кг.
  • Объем бетона 0,47 м3
  • Геометрический объем 0,528 м3
Цена: 10030 руб.
Подробнее
1КС2 4-33-12 (Б1.020.1-7)
Колонны Серия Б1.020.1-7
  • Длина 3300 мм.
  • Ширина 400 мм.
  • Высота 400 мм.
  • Вес 1175 кг.
  • Объем бетона 0,47 м3
  • Геометрический объем 0,528 м3
Цена: 10030 руб.
Подробнее
1КС2 4-33-13 (Б1.020.1-7)
Колонны Серия Б1.020.1-7
  • Длина 3300 мм.
  • Ширина 400 мм.
  • Высота 400 мм.
  • Вес 1175 кг.
  • Объем бетона 0,47 м3
  • Геометрический объем 0,528 м3
Цена: 10030 руб.
Подробнее
1КС2 4-33-14 (Б1.020.1-7)
Колонны Серия Б1.020.1-7
  • Длина 3300 мм.
  • Ширина 400 мм.
  • Высота 400 мм.
  • Вес 1175 кг.
  • Объем бетона 0,47 м3
  • Геометрический объем 0,528 м3
Цена: 10030 руб.
Подробнее
1КС2 4-33-21 (Б1.020.1-7)
Колонны Серия Б1.020.1-7
  • Длина 3300 мм.
  • Ширина 400 мм.
  • Высота 400 мм.
  • Вес 1175 кг.
  • Объем бетона 0,47 м3
  • Геометрический объем 0,528 м3
Цена: 10030 руб.
Подробнее
1КС2 4-33-15 (Б1.020.1-7)
Колонны Серия Б1.020.1-7
  • Длина 3300 мм.
  • Ширина 400 мм.
  • Высота 400 мм.
  • Вес 1175 кг.
  • Объем бетона 0,47 м3
  • Геометрический объем 0,528 м3
Цена: 10030 руб.
Подробнее
1КС2 4-33-23 (Б1.020.1-7)
Колонны Серия Б1.020.1-7
  • Длина 3300 мм.
  • Ширина 400 мм.
  • Высота 400 мм.
  • Вес 1175 кг.
  • Объем бетона 0,47 м3
  • Геометрический объем 0,528 м3
Цена: 10030 руб.
Подробнее
1КС2 4-33-22 (Б1.020.1-7)
Колонны Серия Б1.020.1-7
  • Длина 3300 мм.
  • Ширина 400 мм.
  • Высота 400 мм.
  • Вес 1175 кг.
  • Объем бетона 0,47 м3
  • Геометрический объем 0,528 м3
Цена: 10030 руб.
Подробнее
1КС2 4-33-24 (Б1.020.1-7)
Колонны Серия Б1.020.1-7
  • Длина 3300 мм.
  • Ширина 400 мм.
  • Высота 400 мм.
  • Вес 1175 кг.
  • Объем бетона 0,47 м3
  • Геометрический объем 0,528 м3
Цена: 10030 руб.
Подробнее
1КС2 4-33-25 (Б1.020.1-7)
Колонны Серия Б1.020.1-7
  • Длина 3300 мм.
  • Ширина 400 мм.
  • Высота 400 мм.
  • Вес 1175 кг.
  • Объем бетона 0,47 м3
  • Геометрический объем 0,528 м3
Цена: 10030 руб.
Подробнее
1КС2 4-33-32 (Б1.020.1-7)
Колонны Серия Б1.020.1-7
  • Длина 3300 мм.
  • Ширина 400 мм.
  • Высота 400 мм.
  • Вес 1175 кг.
  • Объем бетона 0,47 м3
  • Геометрический объем 0,528 м3
Цена: 10030 руб.
Подробнее
1КС2 4-33-31 (Б1.020.1-7)
Колонны Серия Б1.020.1-7
  • Длина 3300 мм.
  • Ширина 400 мм.
  • Высота 400 мм.
  • Вес 1175 кг.
  • Объем бетона 0,47 м3
  • Геометрический объем 0,528 м3
Цена: 10030 руб.
Подробнее
1КС2 4-33-33 (Б1.020.1-7)
Колонны Серия Б1.020.1-7
  • Длина 3300 мм.
  • Ширина 400 мм.
  • Высота 400 мм.
  • Вес 1175 кг.
  • Объем бетона 0,47 м3
  • Геометрический объем 0,528 м3
Цена: 10030 руб.
Подробнее
1КС2 4-33-34 (Б1.020.1-7)
Колонны Серия Б1.020.1-7
  • Длина 3300 мм.
  • Ширина 400 мм.
  • Высота 400 мм.
  • Вес 1175 кг.
  • Объем бетона 0,47 м3
  • Геометрический объем 0,528 м3
Цена: 10030 руб.
Подробнее
1КС2 4-33-35 (Б1.020.1-7)
Колонны Серия Б1.020.1-7
  • Длина 3300 мм.
  • Ширина 400 мм.
  • Высота 400 мм.
  • Вес 1175 кг.
  • Объем бетона 0,47 м3
  • Геометрический объем 0,528 м3
Цена: 10030 руб.
Подробнее
2КБ1 3-33(20)-22 (Б1.020.1-7)
Колонны Серия Б1.020.1-7
  • Длина 5970 мм.
  • Ширина 300 мм.
  • Высота 300 мм.
  • Вес 1225 кг.
  • Объем бетона 0,49 м3
  • Геометрический объем 0,5373 м3
Цена: 10457 руб.
Подробнее

Уведомление о файлах cookie

Мы используем файлы cookie для улучшения вашего опыта просмотра и анализа трафика. Нажимая "Принять все", вы соглашаетесь с нашей политикой конфиденциальности и политикой обработки файлов cookie.

MAX Дзен Телеграм Вконтакте vk