mobile_sound +7 (930) 655-55-90

Железобетонные опоры линий электропередачи. Рабочие чертежи (Серия Б1.020.1-7)

Поделиться:
Поделиться:

Документ Серия Б1.020.1-7 описывает область применения, номенклатуру и ключевые требования, опираясь на действующие нормы и практику проектирования. С апреля 1999 года была введён в действие в действие Серия Б1.020.1-7, разработанная проектным институтом НИЭП ГП БЕЛНИИС. В нормативном документе детально изложены принципы архитектурно-планировочных и конструктивно-технологических решений, с помощью которых в значительной степени упрощается строительство сборно-монолитных каркасных зданий и сооружений межвидового назначения. Номенклатурный перечень железобетонных элементов включает в себя большое количество изделия и конструкции с различными геометрическими пропорциями, позволяющими охватить большое количество типовых проектов.

Файлы для скачивания:
picture_as_pdf

5120.pdf

5,656.5 KB

скачать
picture_as_pdf

5121.pdf

1,780.4 KB

скачать
picture_as_pdf

5122.pdf

2,128.8 KB

скачать
picture_as_pdf

5123.pdf

8,620.8 KB

скачать
picture_as_pdf

5124.pdf

13,677.4 KB

скачать
picture_as_pdf

5125.pdf

6,559.4 KB

скачать
picture_as_pdf

5126.pdf

5,733.9 KB

скачать
picture_as_pdf

5127.pdf

4,064.8 KB

скачать
picture_as_pdf

5128.pdf

2,267.9 KB

скачать
picture_as_pdf

5129.pdf

1,329.2 KB

скачать
picture_as_pdf

5130.pdf

675.3 KB

скачать
Товары Серия Б1.020.1-7 (60)
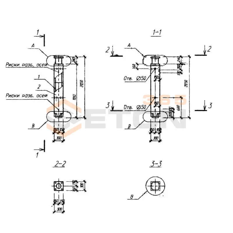
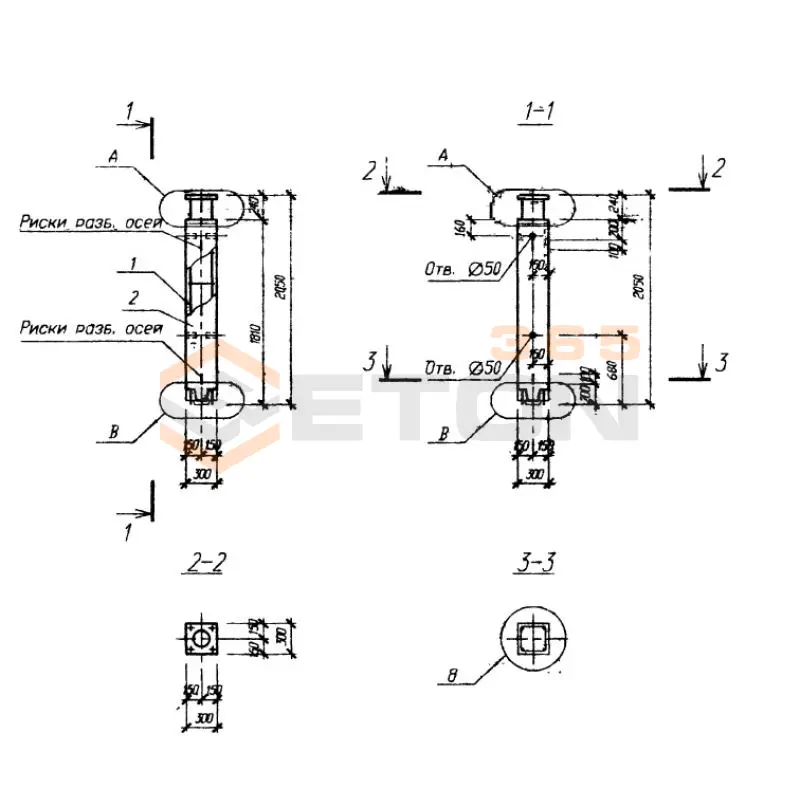
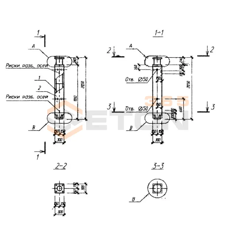
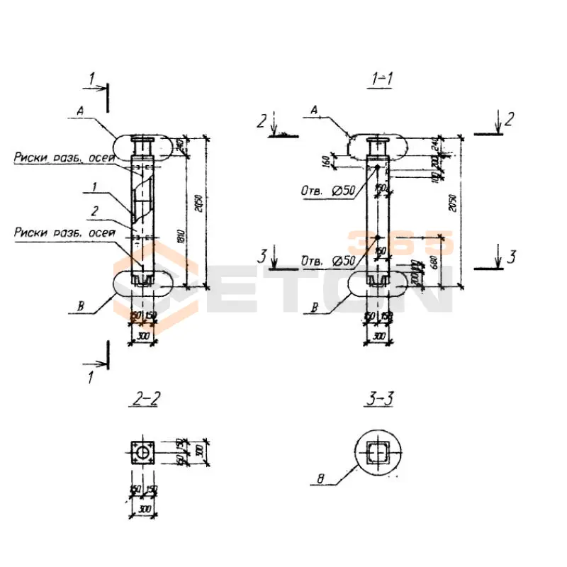
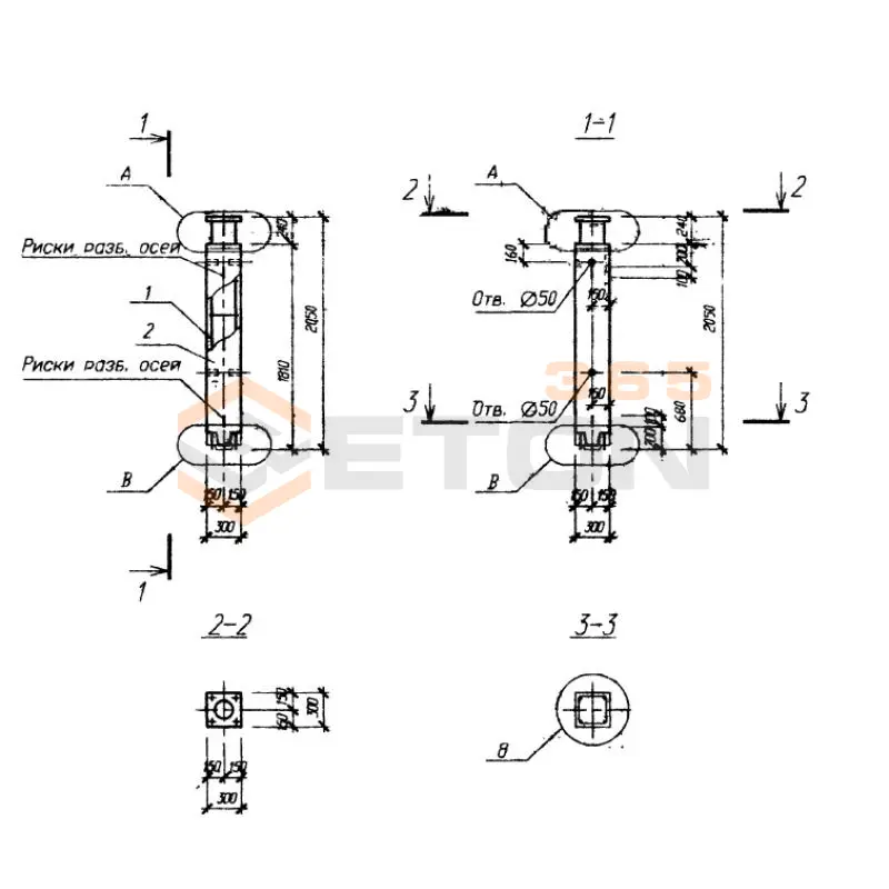
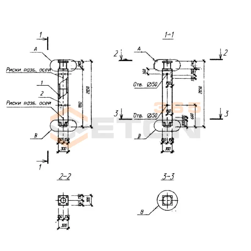
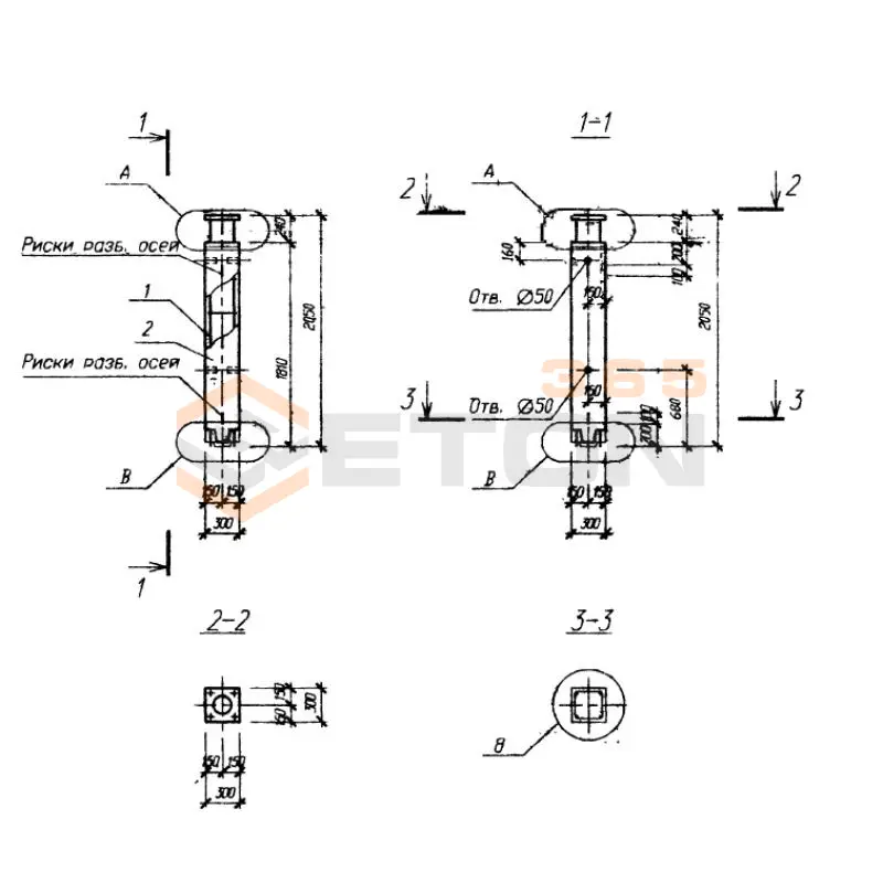
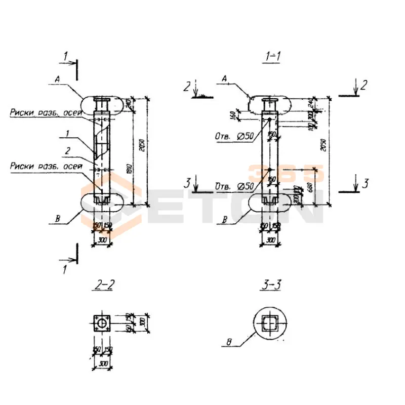
1КБ 4-28-22 (Б1.020.1-7)
Колонны Серия Б1.020.1-7
  • Длина 3820 мм.
  • Ширина 400 мм.
  • Высота 400 мм.
  • Вес 1425 кг.
  • Объем бетона 0,57 м3
  • Геометрический объем 0,6112 м3
Цена: 12164 руб.
Подробнее
1КБ 4-28-21 (Б1.020.1-7)
Колонны Серия Б1.020.1-7
  • Длина 3820 мм.
  • Ширина 400 мм.
  • Высота 400 мм.
  • Вес 1425 кг.
  • Объем бетона 0,57 м3
  • Геометрический объем 0,6112 м3
Цена: 12164 руб.
Подробнее
1КБ 4-28-13 (Б1.020.1-7)
Колонны Серия Б1.020.1-7
  • Длина 3820 мм.
  • Ширина 400 мм.
  • Высота 400 мм.
  • Вес 1425 кг.
  • Объем бетона 0,57 м3
  • Геометрический объем 0,6112 м3
Цена: 12164 руб.
Подробнее
1КБ 4-33-11 (Б1.020.1-7)
Колонны Серия Б1.020.1-7
  • Длина 4320 мм.
  • Ширина 400 мм.
  • Высота 400 мм.
  • Вес 1625 кг.
  • Объем бетона 0,65 м3
  • Геометрический объем 0,6912 м3
Цена: 13871 руб.
Подробнее
1КБ 4-28-31 (Б1.020.1-7)
Колонны Серия Б1.020.1-7
  • Длина 3820 мм.
  • Ширина 400 мм.
  • Высота 400 мм.
  • Вес 1425 кг.
  • Объем бетона 0,57 м3
  • Геометрический объем 0,6112 м3
Цена: 12164 руб.
Подробнее
1КБ 4-28-33 (Б1.020.1-7)
Колонны Серия Б1.020.1-7
  • Длина 3820 мм.
  • Ширина 400 мм.
  • Высота 400 мм.
  • Вес 1425 кг.
  • Объем бетона 0,57 м3
  • Геометрический объем 0,6112 м3
Цена: 12164 руб.
Подробнее
1КБ 4-33-13 (Б1.020.1-7)
Колонны Серия Б1.020.1-7
  • Длина 4320 мм.
  • Ширина 400 мм.
  • Высота 400 мм.
  • Вес 1625 кг.
  • Объем бетона 0,65 м3
  • Геометрический объем 0,6912 м3
Цена: 13871 руб.
Подробнее
1КБ 4-33-12 (Б1.020.1-7)
Колонны Серия Б1.020.1-7
  • Длина 4320 мм.
  • Ширина 400 мм.
  • Высота 400 мм.
  • Вес 1625 кг.
  • Объем бетона 0,65 м3
  • Геометрический объем 0,6912 м3
Цена: 13871 руб.
Подробнее
1КБ 4-28-32 (Б1.020.1-7)
Колонны Серия Б1.020.1-7
  • Длина 3820 мм.
  • Ширина 400 мм.
  • Высота 400 мм.
  • Вес 1425 кг.
  • Объем бетона 0,57 м3
  • Геометрический объем 0,6112 м3
Цена: 12164 руб.
Подробнее
1КБ 4-33-22 (Б1.020.1-7)
Колонны Серия Б1.020.1-7
  • Длина 4320 мм.
  • Ширина 400 мм.
  • Высота 400 мм.
  • Вес 1625 кг.
  • Объем бетона 0,65 м3
  • Геометрический объем 0,6912 м3
Цена: 13871 руб.
Подробнее
1КБ 4-33-21 (Б1.020.1-7)
Колонны Серия Б1.020.1-7
  • Длина 4320 мм.
  • Ширина 400 мм.
  • Высота 400 мм.
  • Вес 1625 кг.
  • Объем бетона 0,65 м3
  • Геометрический объем 0,6912 м3
Цена: 13871 руб.
Подробнее
1КБ 4-33-33 (Б1.020.1-7)
Колонны Серия Б1.020.1-7
  • Длина 4320 мм.
  • Ширина 400 мм.
  • Высота 400 мм.
  • Вес 1625 кг.
  • Объем бетона 0,65 м3
  • Геометрический объем 0,6912 м3
Цена: 13871 руб.
Подробнее
1КБ 4-33-31 (Б1.020.1-7)
Колонны Серия Б1.020.1-7
  • Длина 4320 мм.
  • Ширина 400 мм.
  • Высота 400 мм.
  • Вес 1625 кг.
  • Объем бетона 0,65 м3
  • Геометрический объем 0,6912 м3
Цена: 13871 руб.
Подробнее
1КБ 4-33-23 (Б1.020.1-7)
Колонны Серия Б1.020.1-7
  • Длина 4320 мм.
  • Ширина 400 мм.
  • Высота 400 мм.
  • Вес 1625 кг.
  • Объем бетона 0,65 м3
  • Геометрический объем 0,6912 м3
Цена: 13871 руб.
Подробнее
1КБ 4-33-32 (Б1.020.1-7)
Колонны Серия Б1.020.1-7
  • Длина 4320 мм.
  • Ширина 400 мм.
  • Высота 400 мм.
  • Вес 1625 кг.
  • Объем бетона 0,65 м3
  • Геометрический объем 0,6912 м3
Цена: 13871 руб.
Подробнее
1КБ 4-42-11 (Б1.020.1-7)
Колонны Серия Б1.020.1-7
  • Длина 5220 мм.
  • Ширина 400 мм.
  • Высота 400 мм.
  • Вес 2000 кг.
  • Объем бетона 0,8 м3
  • Геометрический объем 0,8352 м3
Цена: 17072 руб.
Подробнее
1КБ 4-42-13 (Б1.020.1-7)
Колонны Серия Б1.020.1-7
  • Длина 5220 мм.
  • Ширина 400 мм.
  • Высота 400 мм.
  • Вес 2000 кг.
  • Объем бетона 0,8 м3
  • Геометрический объем 0,8352 м3
Цена: 17072 руб.
Подробнее
1КБ 4-42-12 (Б1.020.1-7)
Колонны Серия Б1.020.1-7
  • Длина 5220 мм.
  • Ширина 400 мм.
  • Высота 400 мм.
  • Вес 2000 кг.
  • Объем бетона 0,8 м3
  • Геометрический объем 0,8352 м3
Цена: 17072 руб.
Подробнее
1КБ 4-42-22 (Б1.020.1-7)
Колонны Серия Б1.020.1-7
  • Длина 5220 мм.
  • Ширина 400 мм.
  • Высота 400 мм.
  • Вес 2000 кг.
  • Объем бетона 0,8 м3
  • Геометрический объем 0,8352 м3
Цена: 17072 руб.
Подробнее
1КБ 4-42-23 (Б1.020.1-7)
Колонны Серия Б1.020.1-7
  • Длина 5220 мм.
  • Ширина 400 мм.
  • Высота 400 мм.
  • Вес 2000 кг.
  • Объем бетона 0,8 м3
  • Геометрический объем 0,8352 м3
Цена: 17072 руб.
Подробнее
1КБ 4-42-21 (Б1.020.1-7)
Колонны Серия Б1.020.1-7
  • Длина 5220 мм.
  • Ширина 400 мм.
  • Высота 400 мм.
  • Вес 2000 кг.
  • Объем бетона 0,8 м3
  • Геометрический объем 0,8352 м3
Цена: 17072 руб.
Подробнее
1КБ 4-42-32 (Б1.020.1-7)
Колонны Серия Б1.020.1-7
  • Длина 5220 мм.
  • Ширина 400 мм.
  • Высота 400 мм.
  • Вес 2000 кг.
  • Объем бетона 0,8 м3
  • Геометрический объем 0,8352 м3
Цена: 17072 руб.
Подробнее
1КБ 4-42-31 (Б1.020.1-7)
Колонны Серия Б1.020.1-7
  • Длина 5220 мм.
  • Ширина 400 мм.
  • Высота 400 мм.
  • Вес 2000 кг.
  • Объем бетона 0,8 м3
  • Геометрический объем 0,8352 м3
Цена: 17072 руб.
Подробнее
1КБ 4-42-33 (Б1.020.1-7)
Колонны Серия Б1.020.1-7
  • Длина 5220 мм.
  • Ширина 400 мм.
  • Высота 400 мм.
  • Вес 2000 кг.
  • Объем бетона 0,8 м3
  • Геометрический объем 0,8352 м3
Цена: 17072 руб.
Подробнее
1КБ1 3-28(20)-12 (Б1.020.1-7)
Колонны Серия Б1.020.1-7
  • Длина 5470 мм.
  • Ширина 300 мм.
  • Высота 300 мм.
  • Вес 1125 кг.
  • Объем бетона 0,45 м3
  • Геометрический объем 0,4923 м3
Цена: 9603 руб.
Подробнее
1КБ1 3-28(20)-13 (Б1.020.1-7)
Колонны Серия Б1.020.1-7
  • Длина 5470 мм.
  • Ширина 300 мм.
  • Высота 300 мм.
  • Вес 1125 кг.
  • Объем бетона 0,45 м3
  • Геометрический объем 0,4923 м3
Цена: 9603 руб.
Подробнее
1КБ1 3-28(20)-11 (Б1.020.1-7)
Колонны Серия Б1.020.1-7
  • Длина 5470 мм.
  • Ширина 300 мм.
  • Высота 300 мм.
  • Вес 1125 кг.
  • Объем бетона 0,45 м3
  • Геометрический объем 0,4923 м3
Цена: 9603 руб.
Подробнее
1КБ1 3-28(20)-23 (Б1.020.1-7)
Колонны Серия Б1.020.1-7
  • Длина 5470 мм.
  • Ширина 300 мм.
  • Высота 300 мм.
  • Вес 1125 кг.
  • Объем бетона 0,45 м3
  • Геометрический объем 0,4923 м3
Цена: 9603 руб.
Подробнее
1КБ1 3-28(20)-31 (Б1.020.1-7)
Колонны Серия Б1.020.1-7
  • Длина 5470 мм.
  • Ширина 300 мм.
  • Высота 300 мм.
  • Вес 1125 кг.
  • Объем бетона 0,45 м3
  • Геометрический объем 0,4923 м3
Цена: 9603 руб.
Подробнее
1КБ1 3-28(20)-21 (Б1.020.1-7)
Колонны Серия Б1.020.1-7
  • Длина 5470 мм.
  • Ширина 300 мм.
  • Высота 300 мм.
  • Вес 1125 кг.
  • Объем бетона 0,45 м3
  • Геометрический объем 0,4923 м3
Цена: 9603 руб.
Подробнее
1КБ1 3-28(20)-22 (Б1.020.1-7)
Колонны Серия Б1.020.1-7
  • Длина 5470 мм.
  • Ширина 300 мм.
  • Высота 300 мм.
  • Вес 1125 кг.
  • Объем бетона 0,45 м3
  • Геометрический объем 0,4923 м3
Цена: 9603 руб.
Подробнее
1КБ1 3-28(20)-32 (Б1.020.1-7)
Колонны Серия Б1.020.1-7
  • Длина 5470 мм.
  • Ширина 300 мм.
  • Высота 300 мм.
  • Вес 1125 кг.
  • Объем бетона 0,45 м3
  • Геометрический объем 0,4923 м3
Цена: 9603 руб.
Подробнее
1КБ1 3-28(20)-33 (Б1.020.1-7)
Колонны Серия Б1.020.1-7
  • Длина 5470 мм.
  • Ширина 300 мм.
  • Высота 300 мм.
  • Вес 1125 кг.
  • Объем бетона 0,45 м3
  • Геометрический объем 0,4923 м3
Цена: 9603 руб.
Подробнее
1КВ 3-28-12 (Б1.020.1-7)
Колонны Серия Б1.020.1-7
  • Длина 2050 мм.
  • Ширина 300 мм.
  • Высота 300 мм.
  • Вес 400 кг.
  • Объем бетона 0,16 м3
  • Геометрический объем 0,1845 м3
Цена: 3414 руб.
Подробнее
1КВ 3-28-11 (Б1.020.1-7)
Колонны Серия Б1.020.1-7
  • Длина 2050 мм.
  • Ширина 300 мм.
  • Высота 300 мм.
  • Вес 400 кг.
  • Объем бетона 0,16 м3
  • Геометрический объем 0,1845 м3
Цена: 3414 руб.
Подробнее
1КВ 3-28-13 (Б1.020.1-7)
Колонны Серия Б1.020.1-7
  • Длина 2050 мм.
  • Ширина 300 мм.
  • Высота 300 мм.
  • Вес 400 кг.
  • Объем бетона 0,16 м3
  • Геометрический объем 0,1845 м3
Цена: 3414 руб.
Подробнее
1КВ 3-28-21 (Б1.020.1-7)
Колонны Серия Б1.020.1-7
  • Длина 2050 мм.
  • Ширина 300 мм.
  • Высота 300 мм.
  • Вес 400 кг.
  • Объем бетона 0,16 м3
  • Геометрический объем 0,1845 м3
Цена: 3414 руб.
Подробнее
1КВ 3-28-22 (Б1.020.1-7)
Колонны Серия Б1.020.1-7
  • Длина 2050 мм.
  • Ширина 300 мм.
  • Высота 300 мм.
  • Вес 400 кг.
  • Объем бетона 0,16 м3
  • Геометрический объем 0,1845 м3
Цена: 3414 руб.
Подробнее
1КВ 3-28-23 (Б1.020.1-7)
Колонны Серия Б1.020.1-7
  • Длина 2050 мм.
  • Ширина 300 мм.
  • Высота 300 мм.
  • Вес 400 кг.
  • Объем бетона 0,16 м3
  • Геометрический объем 0,1845 м3
Цена: 3414 руб.
Подробнее
1КВ 3-28-32 (Б1.020.1-7)
Колонны Серия Б1.020.1-7
  • Длина 2050 мм.
  • Ширина 300 мм.
  • Высота 300 мм.
  • Вес 400 кг.
  • Объем бетона 0,16 м3
  • Геометрический объем 0,1845 м3
Цена: 3414 руб.
Подробнее
1КВ 3-33-11 (Б1.020.1-7)
Колонны Серия Б1.020.1-7
  • Длина 2550 мм.
  • Ширина 300 мм.
  • Высота 300 мм.
  • Вес 525 кг.
  • Объем бетона 0,21 м3
  • Геометрический объем 0,2295 м3
Цена: 4481 руб.
Подробнее
1КВ 3-28-31 (Б1.020.1-7)
Колонны Серия Б1.020.1-7
  • Длина 2050 мм.
  • Ширина 300 мм.
  • Высота 300 мм.
  • Вес 400 кг.
  • Объем бетона 0,16 м3
  • Геометрический объем 0,1845 м3
Цена: 3414 руб.
Подробнее
1КВ 3-33-12 (Б1.020.1-7)
Колонны Серия Б1.020.1-7
  • Длина 2550 мм.
  • Ширина 300 мм.
  • Высота 300 мм.
  • Вес 525 кг.
  • Объем бетона 0,21 м3
  • Геометрический объем 0,2295 м3
Цена: 4481 руб.
Подробнее
1КВ 3-33-13 (Б1.020.1-7)
Колонны Серия Б1.020.1-7
  • Длина 2550 мм.
  • Ширина 300 мм.
  • Высота 300 мм.
  • Вес 525 кг.
  • Объем бетона 0,21 м3
  • Геометрический объем 0,2295 м3
Цена: 4481 руб.
Подробнее
1КВ 3-28-33 (Б1.020.1-7)
Колонны Серия Б1.020.1-7
  • Длина 2050 мм.
  • Ширина 300 мм.
  • Высота 300 мм.
  • Вес 400 кг.
  • Объем бетона 0,16 м3
  • Геометрический объем 0,1845 м3
Цена: 3414 руб.
Подробнее
1КВ 3-33-21 (Б1.020.1-7)
Колонны Серия Б1.020.1-7
  • Длина 2550 мм.
  • Ширина 300 мм.
  • Высота 300 мм.
  • Вес 525 кг.
  • Объем бетона 0,21 м3
  • Геометрический объем 0,2295 м3
Цена: 4481 руб.
Подробнее
1КВ 3-33-23 (Б1.020.1-7)
Колонны Серия Б1.020.1-7
  • Длина 2550 мм.
  • Ширина 300 мм.
  • Высота 300 мм.
  • Вес 525 кг.
  • Объем бетона 0,21 м3
  • Геометрический объем 0,2295 м3
Цена: 4481 руб.
Подробнее
1КВ 3-33-22 (Б1.020.1-7)
Колонны Серия Б1.020.1-7
  • Длина 2550 мм.
  • Ширина 300 мм.
  • Высота 300 мм.
  • Вес 525 кг.
  • Объем бетона 0,21 м3
  • Геометрический объем 0,2295 м3
Цена: 4481 руб.
Подробнее
1КВ 3-33-32 (Б1.020.1-7)
Колонны Серия Б1.020.1-7
  • Длина 2550 мм.
  • Ширина 300 мм.
  • Высота 300 мм.
  • Вес 525 кг.
  • Объем бетона 0,21 м3
  • Геометрический объем 0,2295 м3
Цена: 4481 руб.
Подробнее
1КВ 3-33-33 (Б1.020.1-7)
Колонны Серия Б1.020.1-7
  • Длина 2550 мм.
  • Ширина 300 мм.
  • Высота 300 мм.
  • Вес 525 кг.
  • Объем бетона 0,21 м3
  • Геометрический объем 0,2295 м3
Цена: 4481 руб.
Подробнее
1КВ 3-33-31 (Б1.020.1-7)
Колонны Серия Б1.020.1-7
  • Длина 2550 мм.
  • Ширина 300 мм.
  • Высота 300 мм.
  • Вес 525 кг.
  • Объем бетона 0,21 м3
  • Геометрический объем 0,2295 м3
Цена: 4481 руб.
Подробнее
1КВ 4-28-11 (Б1.020.1-7)
Колонны Серия Б1.020.1-7
  • Длина 2050 мм.
  • Ширина 400 мм.
  • Высота 400 мм.
  • Вес 700 кг.
  • Объем бетона 0,28 м3
  • Геометрический объем 0,328 м3
Цена: 5975 руб.
Подробнее
1КВ 4-28-22 (Б1.020.1-7)
Колонны Серия Б1.020.1-7
  • Длина 2050 мм.
  • Ширина 400 мм.
  • Высота 400 мм.
  • Вес 700 кг.
  • Объем бетона 0,28 м3
  • Геометрический объем 0,328 м3
Цена: 5975 руб.
Подробнее
1КВ 4-28-12 (Б1.020.1-7)
Колонны Серия Б1.020.1-7
  • Длина 2050 мм.
  • Ширина 400 мм.
  • Высота 400 мм.
  • Вес 700 кг.
  • Объем бетона 0,28 м3
  • Геометрический объем 0,328 м3
Цена: 5975 руб.
Подробнее
1КВ 4-28-21 (Б1.020.1-7)
Колонны Серия Б1.020.1-7
  • Длина 2050 мм.
  • Ширина 400 мм.
  • Высота 400 мм.
  • Вес 700 кг.
  • Объем бетона 0,28 м3
  • Геометрический объем 0,328 м3
Цена: 5975 руб.
Подробнее
1КВ 4-28-13 (Б1.020.1-7)
Колонны Серия Б1.020.1-7
  • Длина 2050 мм.
  • Ширина 400 мм.
  • Высота 400 мм.
  • Вес 700 кг.
  • Объем бетона 0,28 м3
  • Геометрический объем 0,328 м3
Цена: 5975 руб.
Подробнее
1КВ 4-28-23 (Б1.020.1-7)
Колонны Серия Б1.020.1-7
  • Длина 2050 мм.
  • Ширина 400 мм.
  • Высота 400 мм.
  • Вес 700 кг.
  • Объем бетона 0,28 м3
  • Геометрический объем 0,328 м3
Цена: 5975 руб.
Подробнее
1КВ 4-28-31 (Б1.020.1-7)
Колонны Серия Б1.020.1-7
  • Длина 2050 мм.
  • Ширина 400 мм.
  • Высота 400 мм.
  • Вес 700 кг.
  • Объем бетона 0,28 м3
  • Геометрический объем 0,328 м3
Цена: 5975 руб.
Подробнее
1КВ 4-28-32 (Б1.020.1-7)
Колонны Серия Б1.020.1-7
  • Длина 2050 мм.
  • Ширина 400 мм.
  • Высота 400 мм.
  • Вес 700 кг.
  • Объем бетона 0,28 м3
  • Геометрический объем 0,328 м3
Цена: 5975 руб.
Подробнее
1КВ 4-33-13 (Б1.020.1-7)
Колонны Серия Б1.020.1-7
  • Длина 2550 мм.
  • Ширина 400 мм.
  • Высота 400 мм.
  • Вес 900 кг.
  • Объем бетона 0,36 м3
  • Геометрический объем 0,408 м3
Цена: 7682 руб.
Подробнее

Уведомление о файлах cookie

Мы используем файлы cookie для улучшения вашего опыта просмотра и анализа трафика. Нажимая "Принять все", вы соглашаетесь с нашей политикой конфиденциальности и политикой обработки файлов cookie.

MAX Дзен Телеграм Вконтакте vk