mobile_sound +7 (930) 655-55-90

Железобетонные опоры линий электропередачи. Рабочие чертежи (Серия 3.006.1-2/87)

Поделиться:
Поделиться:

Документ Серия 3.006.1-2/87 описывает область применения, номенклатуру и ключевые требования, опираясь на действующие нормы и практику проектирования. Для возведения каналов и тоннелей могут использоваться различные конструкции, в том числе и лотковые элементы. Узнать максимально детально о специфике их производства можно, используя материалы Серии 3.006.1-2/87. В составе документа представлено девять выпусков, описывающих определенные блоки информации для удобства поиска необходимых сведений в процессе проектирования.

Файлы для скачивания:
picture_as_pdf

1391.pdf

21,963.0 KB

скачать
picture_as_pdf

1392.pdf

19,200.4 KB

скачать
picture_as_pdf

1393.pdf

36,057.5 KB

скачать
picture_as_pdf

1394.pdf

17,955.3 KB

скачать
picture_as_pdf

1395.pdf

20,695.4 KB

скачать
picture_as_pdf

1396.pdf

6,595.3 KB

скачать
picture_as_pdf

1397.pdf

33,528.0 KB

скачать
picture_as_pdf

1398.pdf

11,145.9 KB

скачать
picture_as_pdf

1399.pdf

3,629.5 KB

скачать
Товары Серия 3.006.1-2/87 (60)
П 10-8/2
Плиты перекрытия лотков П серия 3.006.1-2/87
  • Длина 1495 мм.
  • Ширина 1480 мм.
  • Высота 70 мм.
  • Вес 385 кг.
  • Объем бетона 0,155 м3
  • Геометрический объем 0,1549 м3
Цена: 3007 руб.
Подробнее
П 10д-3
Плиты перекрытия лотков П серия 3.006.1-2/87
  • Длина 740 мм.
  • Ширина 1480 мм.
  • Высота 70 мм.
  • Вес 190 кг.
  • Объем бетона 0,08 м3
  • Геометрический объем 0,0767 м3
Цена: 1552 руб.
Подробнее
П 10д-3 а
Плиты перекрытия лотков П серия 3.006.1-2/87
  • Длина 740 мм.
  • Ширина 1480 мм.
  • Высота 70 мм.
  • Вес 190 кг.
  • Объем бетона 0,08 м3
  • Геометрический объем 0,0767 м3
Цена: 1552 руб.
Подробнее
П 10д-5
Плиты перекрытия лотков П серия 3.006.1-2/87
  • Длина 740 мм.
  • Ширина 1480 мм.
  • Высота 70 мм.
  • Вес 190 кг.
  • Объем бетона 0,08 м3
  • Геометрический объем 0,0767 м3
Цена: 1552 руб.
Подробнее
П 10д-5 а
Плиты перекрытия лотков П серия 3.006.1-2/87
  • Длина 740 мм.
  • Ширина 1480 мм.
  • Высота 70 мм.
  • Вес 190 кг.
  • Объем бетона 0,08 м3
  • Геометрический объем 0,0767 м3
Цена: 1552 руб.
Подробнее
П 10д-5 б
Плиты перекрытия лотков П серия 3.006.1-2/87
  • Длина 740 мм.
  • Ширина 1480 мм.
  • Высота 70 мм.
  • Вес 190 кг.
  • Объем бетона 0,08 м3
  • Геометрический объем 0,0767 м3
Цена: 1552 руб.
Подробнее
П 11-8
Плиты перекрытия лотков П серия 3.006.1-2/87
  • Длина 2990 мм.
  • Ширина 1480 мм.
  • Высота 100 мм.
  • Вес 1100 кг.
  • Объем бетона 0,44 м3
  • Геометрический объем 0,4425 м3
Цена: 8536 руб.
Подробнее
П 11-8 а
Плиты перекрытия лотков П серия 3.006.1-2/87
  • Длина 2990 мм.
  • Ширина 1480 мм.
  • Высота 100 мм.
  • Вес 1100 кг.
  • Объем бетона 0,44 м3
  • Геометрический объем 0,4425 м3
Цена: 8536 руб.
Подробнее
П 11-8/2
Плиты перекрытия лотков П серия 3.006.1-2/87
  • Длина 1495 мм.
  • Ширина 1480 мм.
  • Высота 100 мм.
  • Вес 552,5 кг.
  • Объем бетона 0,221 м3
  • Геометрический объем 0,2213 м3
Цена: 4287 руб.
Подробнее
П 11д-11
Плиты перекрытия лотков П серия 3.006.1-2/87
  • Длина 740 мм.
  • Ширина 1480 мм.
  • Высота 100 мм.
  • Вес 270 кг.
  • Объем бетона 0,11 м3
  • Геометрический объем 0,1095 м3
Цена: 2134 руб.
Подробнее
П 11д-8
Плиты перекрытия лотков П серия 3.006.1-2/87
  • Длина 740 мм.
  • Ширина 1480 мм.
  • Высота 100 мм.
  • Вес 270 кг.
  • Объем бетона 0,11 м3
  • Геометрический объем 0,1095 м3
Цена: 2134 руб.
Подробнее
П 11д-8
Плиты перекрытия лотков П серия 3.006.1-2/87
  • Длина 740 мм.
  • Ширина 1480 мм.
  • Высота 100 мм.
  • Вес 270 кг.
  • Объем бетона 0,11 м3
  • Геометрический объем 0,1095 м3
Цена: 2134 руб.
Подробнее
П 11д-8 а
Плиты перекрытия лотков П серия 3.006.1-2/87
  • Длина 740 мм.
  • Ширина 1480 мм.
  • Высота 100 мм.
  • Вес 270 кг.
  • Объем бетона 0,11 м3
  • Геометрический объем 0,1095 м3
Цена: 2134 руб.
Подробнее
П 12-12
Плиты перекрытия лотков П серия 3.006.1-2/87
  • Длина 2990 мм.
  • Ширина 1480 мм.
  • Высота 160 мм.
  • Вес 1770 кг.
  • Объем бетона 0,71 м3
  • Геометрический объем 0,708 м3
Цена: 13774 руб.
Подробнее
П 12-12 а
Плиты перекрытия лотков П серия 3.006.1-2/87
  • Длина 2990 мм.
  • Ширина 1480 мм.
  • Высота 160 мм.
  • Вес 1770 кг.
  • Объем бетона 0,71 м3
  • Геометрический объем 0,708 м3
Цена: 13774 руб.
Подробнее
П 12-15
Плиты перекрытия лотков П серия 3.006.1-2/87
  • Длина 2990 мм.
  • Ширина 1480 мм.
  • Высота 160 мм.
  • Вес 1770 кг.
  • Объем бетона 0,71 м3
  • Геометрический объем 0,708 м3
Цена: 13774 руб.
Подробнее
П 12-15 а
Плиты перекрытия лотков П серия 3.006.1-2/87
  • Длина 2990 мм.
  • Ширина 1480 мм.
  • Высота 160 мм.
  • Вес 1770 кг.
  • Объем бетона 0,71 м3
  • Геометрический объем 0,708 м3
Цена: 13774 руб.
Подробнее
П 12д-12
Плиты перекрытия лотков П серия 3.006.1-2/87
  • Длина 740 мм.
  • Ширина 1480 мм.
  • Высота 160 мм.
  • Вес 440 кг.
  • Объем бетона 0,18 м3
  • Геометрический объем 0,1752 м3
Цена: 3492 руб.
Подробнее
П 12д-12 а
Плиты перекрытия лотков П серия 3.006.1-2/87
  • Длина 740 мм.
  • Ширина 1480 мм.
  • Высота 160 мм.
  • Вес 440 кг.
  • Объем бетона 0,18 м3
  • Геометрический объем 0,1752 м3
Цена: 3492 руб.
Подробнее
П 12д-15
Плиты перекрытия лотков П серия 3.006.1-2/87
  • Длина 740 мм.
  • Ширина 1480 мм.
  • Высота 160 мм.
  • Вес 440 кг.
  • Объем бетона 0,18 м3
  • Геометрический объем 0,1752 м3
Цена: 3492 руб.
Подробнее
П 12д-15 а
Плиты перекрытия лотков П серия 3.006.1-2/87
  • Длина 740 мм.
  • Ширина 1480 мм.
  • Высота 160 мм.
  • Вес 440 кг.
  • Объем бетона 0,18 м3
  • Геометрический объем 0,1752 м3
Цена: 3492 руб.
Подробнее
П 13-11 б
Плиты перекрытия лотков П серия 3.006.1-2/87
  • Длина 2990 мм.
  • Ширина 1480 мм.
  • Высота 120 мм.
  • Вес 1330 кг.
  • Объем бетона 0,53 м3
  • Геометрический объем 0,531 м3
Цена: 10282 руб.
Подробнее
П 13-8/2
Плиты перекрытия лотков П серия 3.006.1-2/87
  • Длина 1485 мм.
  • Ширина 1480 мм.
  • Высота 120 мм.
  • Вес 1330 кг.
  • Объем бетона 0,27 м3
  • Геометрический объем 0,2637 м3
Цена: 5238 руб.
Подробнее
П 13д-11 б
Плиты перекрытия лотков П серия 3.006.1-2/87
  • Длина 740 мм.
  • Ширина 1480 мм.
  • Высота 120 мм.
  • Вес 330 кг.
  • Объем бетона 0,13 м3
  • Геометрический объем 0,1314 м3
Цена: 2522 руб.
Подробнее
П 13д-8
Плиты перекрытия лотков П серия 3.006.1-2/87
  • Длина 740 мм.
  • Ширина 1480 мм.
  • Высота 120 мм.
  • Вес 330 кг.
  • Объем бетона 0,13 м3
  • Геометрический объем 0,1314 м3
Цена: 2522 руб.
Подробнее
П 14-3
Плиты перекрытия лотков П серия 3.006.1-2/87
  • Длина 2990 мм.
  • Ширина 1840 мм.
  • Высота 90 мм.
  • Вес 1240 кг.
  • Объем бетона 0,5 м3
  • Геометрический объем 0,4951 м3
Цена: 9700 руб.
Подробнее
П 14-3 а
Плиты перекрытия лотков П серия 3.006.1-2/87
  • Длина 2990 мм.
  • Ширина 1840 мм.
  • Высота 90 мм.
  • Вес 1240 кг.
  • Объем бетона 0,5 м3
  • Геометрический объем 0,4951 м3
Цена: 9700 руб.
Подробнее
П 14-3 б
Плиты перекрытия лотков П серия 3.006.1-2/87
  • Длина 2990 мм.
  • Ширина 1840 мм.
  • Высота 90 мм.
  • Вес 1240 кг.
  • Объем бетона 0,5 м3
  • Геометрический объем 0,4951 м3
Цена: 9700 руб.
Подробнее
П 14д-3
Плиты перекрытия лотков П серия 3.006.1-2/87
  • Длина 740 мм.
  • Ширина 1840 мм.
  • Высота 90 мм.
  • Вес 310 кг.
  • Объем бетона 0,12 м3
  • Геометрический объем 0,1225 м3
Цена: 2328 руб.
Подробнее
П 14д-3 а
Плиты перекрытия лотков П серия 3.006.1-2/87
  • Длина 740 мм.
  • Ширина 1840 мм.
  • Высота 90 мм.
  • Вес 310 кг.
  • Объем бетона 0,12 м3
  • Геометрический объем 0,1225 м3
Цена: 2328 руб.
Подробнее
П 14д-3 б
Плиты перекрытия лотков П серия 3.006.1-2/87
  • Длина 740 мм.
  • Ширина 1840 мм.
  • Высота 90 мм.
  • Вес 310 кг.
  • Объем бетона 0,12 м3
  • Геометрический объем 0,1225 м3
Цена: 2328 руб.
Подробнее
П 15-5
Плиты перекрытия лотков П серия 3.006.1-2/87
  • Длина 2990 мм.
  • Ширина 1840 мм.
  • Высота 120 мм.
  • Вес 1650 кг.
  • Объем бетона 0,66 м3
  • Геометрический объем 0,6602 м3
Цена: 12804 руб.
Подробнее
П 15-5 а
Плиты перекрытия лотков П серия 3.006.1-2/87
  • Длина 2990 мм.
  • Ширина 1840 мм.
  • Высота 120 мм.
  • Вес 1650 кг.
  • Объем бетона 0,66 м3
  • Геометрический объем 0,6602 м3
Цена: 12804 руб.
Подробнее
П 15-8
Плиты перекрытия лотков П серия 3.006.1-2/87
  • Длина 2990 мм.
  • Ширина 1840 мм.
  • Высота 120 мм.
  • Вес 1650 кг.
  • Объем бетона 0,66 м3
  • Геометрический объем 0,6602 м3
Цена: 12804 руб.
Подробнее
П 15-8 а
Плиты перекрытия лотков П серия 3.006.1-2/87
  • Длина 2990 мм.
  • Ширина 1840 мм.
  • Высота 120 мм.
  • Вес 1650 кг.
  • Объем бетона 0,66 м3
  • Геометрический объем 0,6602 м3
Цена: 12804 руб.
Подробнее
П 15-8 б
Плиты перекрытия лотков П серия 3.006.1-2/87
  • Длина 2990 мм.
  • Ширина 1840 мм.
  • Высота 120 мм.
  • Вес 1650 кг.
  • Объем бетона 0,66 м3
  • Геометрический объем 0,6602 м3
Цена: 12804 руб.
Подробнее
П 15д-5
Плиты перекрытия лотков П серия 3.006.1-2/87
  • Длина 740 мм.
  • Ширина 1840 мм.
  • Высота 120 мм.
  • Вес 410 кг.
  • Объем бетона 0,16 м3
  • Геометрический объем 0,1634 м3
Цена: 3104 руб.
Подробнее
П 15д-5 а
Плиты перекрытия лотков П серия 3.006.1-2/87
  • Длина 740 мм.
  • Ширина 1840 мм.
  • Высота 120 мм.
  • Вес 410 кг.
  • Объем бетона 0,16 м3
  • Геометрический объем 0,1634 м3
Цена: 3104 руб.
Подробнее
П 15д-8
Плиты перекрытия лотков П серия 3.006.1-2/87
  • Длина 740 мм.
  • Ширина 1840 мм.
  • Высота 120 мм.
  • Вес 410 кг.
  • Объем бетона 0,16 м3
  • Геометрический объем 0,1634 м3
Цена: 3104 руб.
Подробнее
П 15д-8 а
Плиты перекрытия лотков П серия 3.006.1-2/87
  • Длина 740 мм.
  • Ширина 1840 мм.
  • Высота 120 мм.
  • Вес 410 кг.
  • Объем бетона 0,16 м3
  • Геометрический объем 0,1634 м3
Цена: 3104 руб.
Подробнее
П 15д-8 б
Плиты перекрытия лотков П серия 3.006.1-2/87
  • Длина 740 мм.
  • Ширина 1840 мм.
  • Высота 120 мм.
  • Вес 410 кг.
  • Объем бетона 0,16 м3
  • Геометрический объем 0,1634 м3
Цена: 3104 руб.
Подробнее
П 16-15
Плиты перекрытия лотков П серия 3.006.1-2/87
  • Длина 2990 мм.
  • Ширина 1840 мм.
  • Высота 180 мм.
  • Вес 2480 кг.
  • Объем бетона 0,99 м3
  • Геометрический объем 0,9903 м3
Цена: 19206 руб.
Подробнее
П 16-15 а
Плиты перекрытия лотков П серия 3.006.1-2/87
  • Длина 2990 мм.
  • Ширина 1840 мм.
  • Высота 180 мм.
  • Вес 2480 кг.
  • Объем бетона 0,99 м3
  • Геометрический объем 0,9903 м3
Цена: 19206 руб.
Подробнее
П 16-8
Плиты перекрытия лотков П серия 3.006.1-2/87
  • Длина 2990 мм.
  • Ширина 1840 мм.
  • Высота 180 мм.
  • Вес 2480 кг.
  • Объем бетона 0,99 м3
  • Геометрический объем 0,9903 м3
Цена: 19206 руб.
Подробнее
П 16д-15
Плиты перекрытия лотков П серия 3.006.1-2/87
  • Длина 740 мм.
  • Ширина 1840 мм.
  • Высота 180 мм.
  • Вес 610 кг.
  • Объем бетона 0,25 м3
  • Геометрический объем 0,2451 м3
Цена: 4850 руб.
Подробнее
П 16д-15 а
Плиты перекрытия лотков П серия 3.006.1-2/87
  • Длина 740 мм.
  • Ширина 1840 мм.
  • Высота 180 мм.
  • Вес 610 кг.
  • Объем бетона 0,25 м3
  • Геометрический объем 0,2451 м3
Цена: 4850 руб.
Подробнее
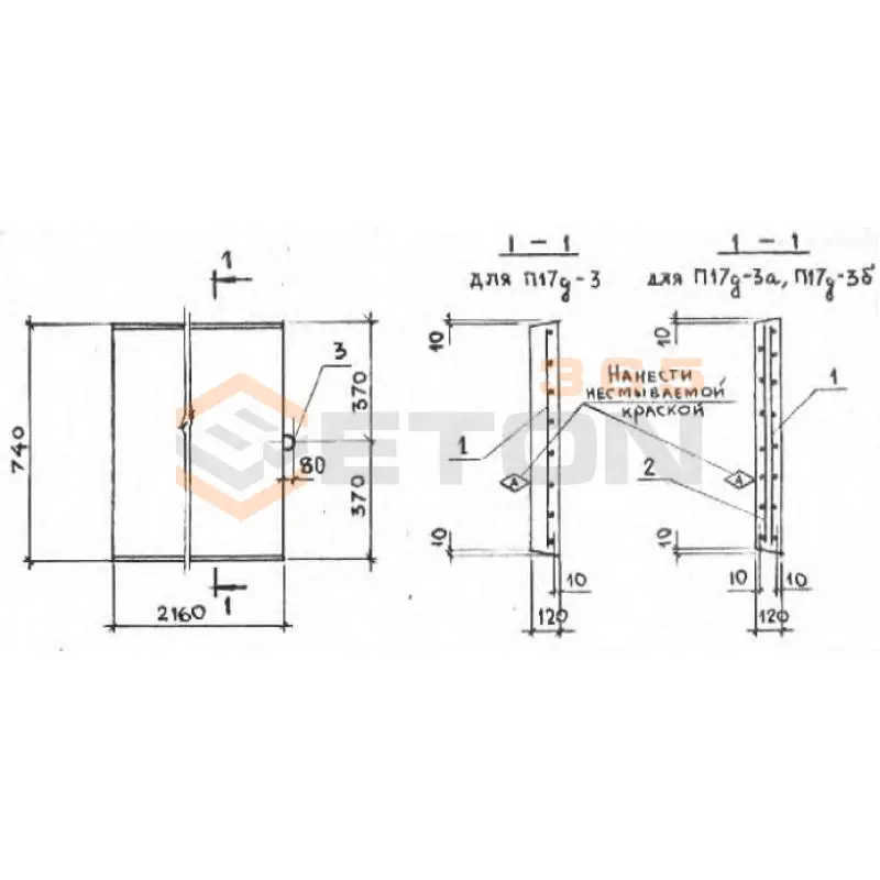
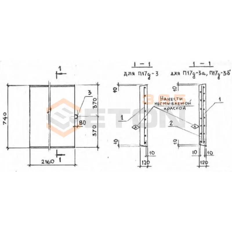
П 17-3
Плиты перекрытия лотков П серия 3.006.1-2/87
  • Длина 2990 мм.
  • Ширина 2160 мм.
  • Высота 120 мм.
  • Вес 1940 кг.
  • Объем бетона 0,78 м3
  • Геометрический объем 0,775 м3
Цена: 15132 руб.
Подробнее
П 17-3 б
Плиты перекрытия лотков П серия 3.006.1-2/87
  • Длина 2990 мм.
  • Ширина 2160 мм.
  • Высота 120 мм.
  • Вес 1940 кг.
  • Объем бетона 0,78 м3
  • Геометрический объем 0,775 м3
Цена: 15132 руб.
Подробнее
П 17-3 а
Плиты перекрытия лотков П серия 3.006.1-2/87
  • Длина 2990 мм.
  • Ширина 2160 мм.
  • Высота 120 мм.
  • Вес 1940 кг.
  • Объем бетона 0,78 м3
  • Геометрический объем 0,775 м3
Цена: 15132 руб.
Подробнее
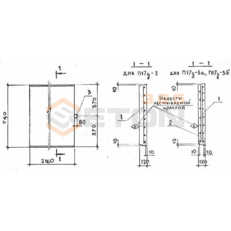
П 17д-3 а
Плиты перекрытия лотков П серия 3.006.1-2/87
  • Длина 740 мм.
  • Ширина 2160 мм.
  • Высота 120 мм.
  • Вес 480 кг.
  • Объем бетона 0,19 м3
  • Геометрический объем 0,1918 м3
Цена: 3686 руб.
Подробнее
П 17д-3
Плиты перекрытия лотков П серия 3.006.1-2/87
  • Длина 740 мм.
  • Ширина 2160 мм.
  • Высота 120 мм.
  • Вес 480 кг.
  • Объем бетона 0,19 м3
  • Геометрический объем 0,1918 м3
Цена: 3686 руб.
Подробнее
П 17д-3 б
Плиты перекрытия лотков П серия 3.006.1-2/87
  • Длина 740 мм.
  • Ширина 2160 мм.
  • Высота 120 мм.
  • Вес 480 кг.
  • Объем бетона 0,19 м3
  • Геометрический объем 0,1918 м3
Цена: 3686 руб.
Подробнее
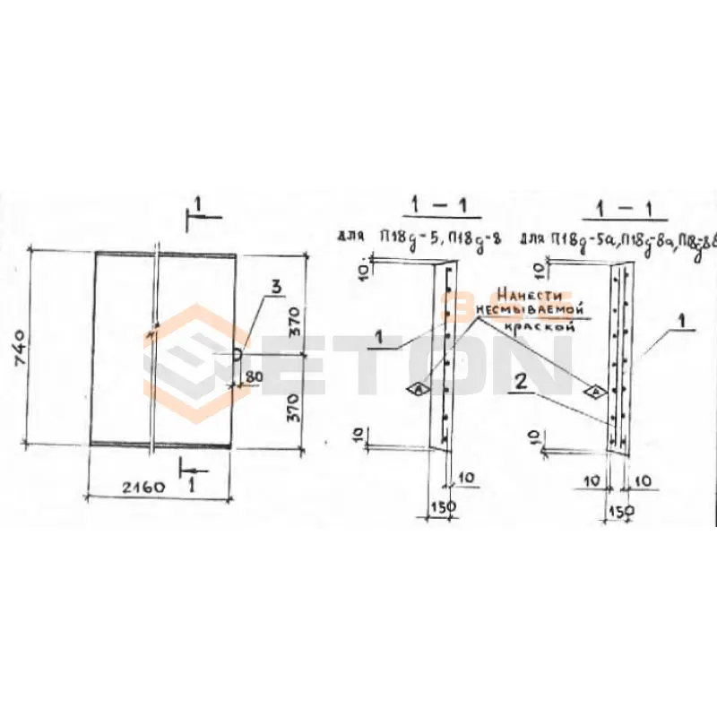
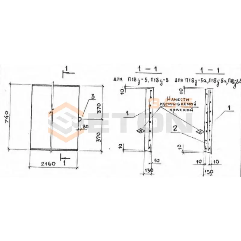
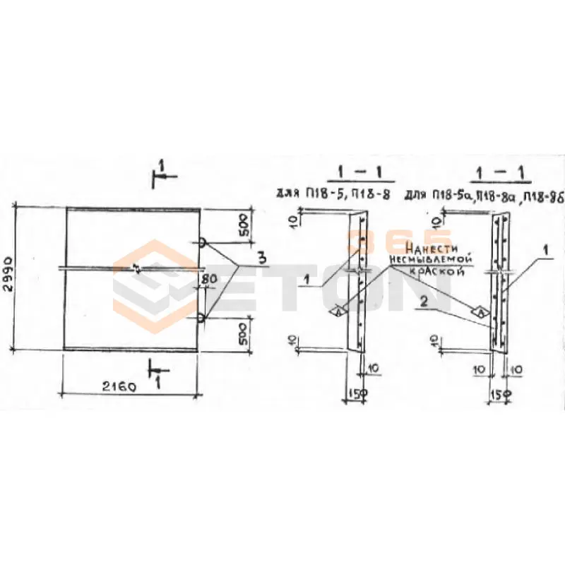
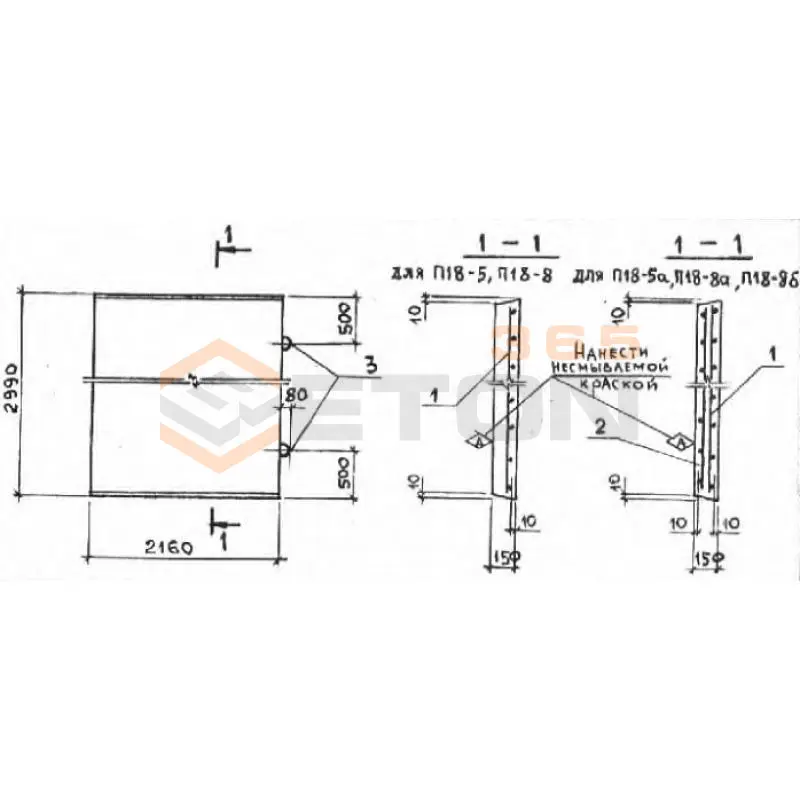
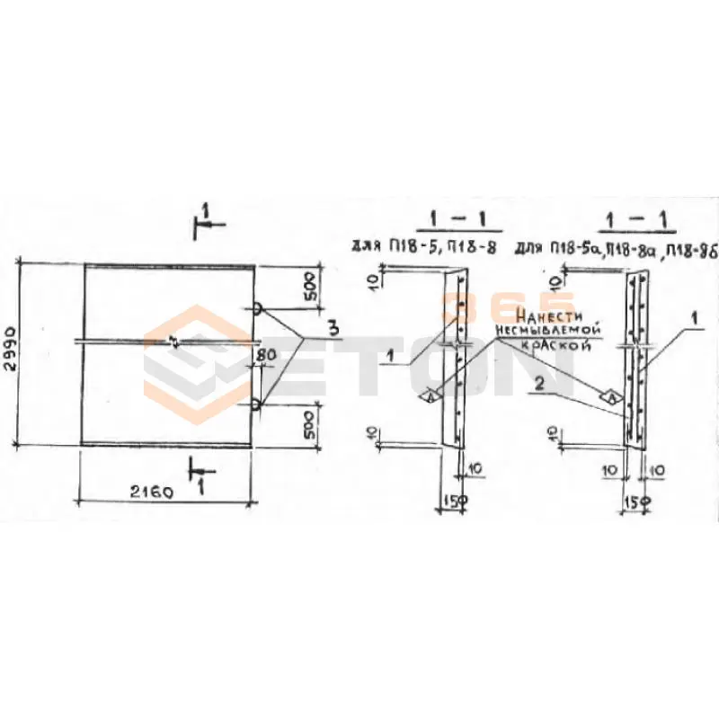
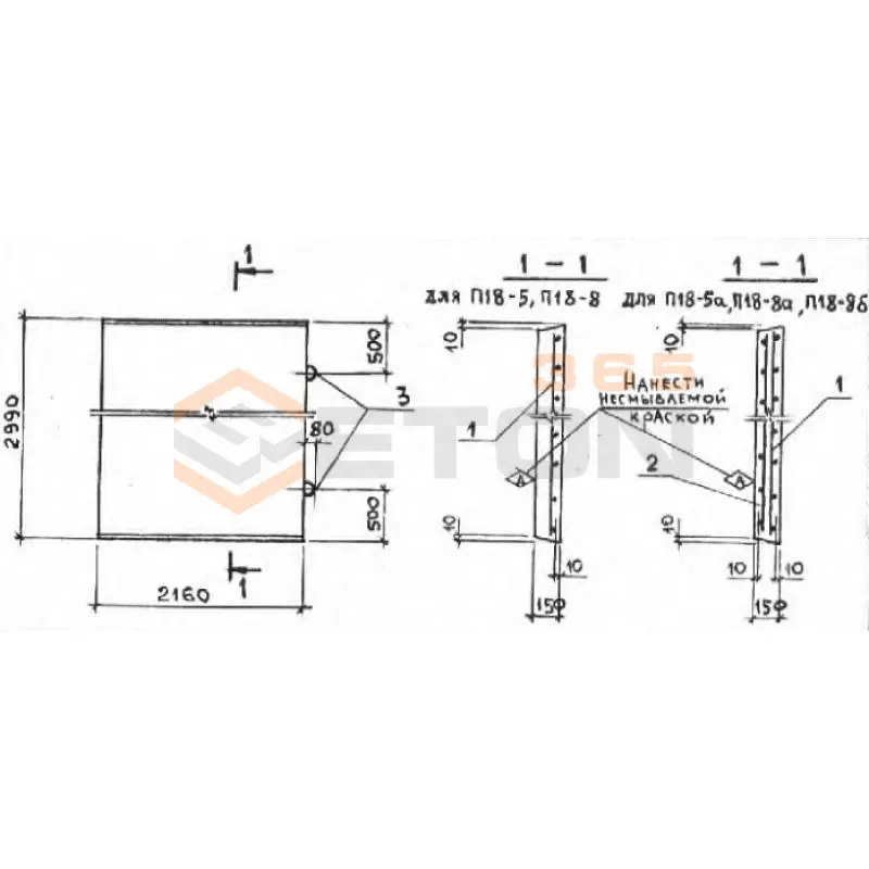
П 18-5
Плиты перекрытия лотков П серия 3.006.1-2/87
  • Длина 2990 мм.
  • Ширина 2160 мм.
  • Высота 150 мм.
  • Вес 2420 кг.
  • Объем бетона 0,97 м3
  • Геометрический объем 0,9688 м3
Цена: 18818 руб.
Подробнее
П 18-5 а
Плиты перекрытия лотков П серия 3.006.1-2/87
  • Длина 2990 мм.
  • Ширина 2160 мм.
  • Высота 150 мм.
  • Вес 2420 кг.
  • Объем бетона 0,97 м3
  • Геометрический объем 0,9688 м3
Цена: 18818 руб.
Подробнее
П 18-5 б
Плиты перекрытия лотков П серия 3.006.1-2/87
  • Длина 2990 мм.
  • Ширина 2160 мм.
  • Высота 150 мм.
  • Вес 2420 кг.
  • Объем бетона 0,97 м3
  • Геометрический объем 0,9688 м3
Цена: 18818 руб.
Подробнее
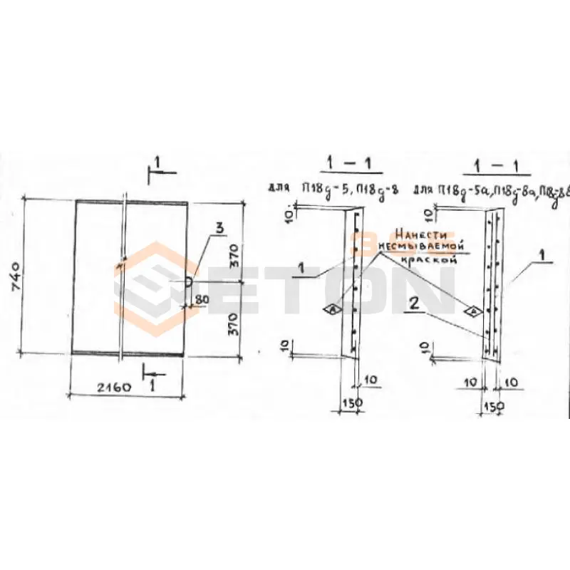
П 18д-5
Плиты перекрытия лотков П серия 3.006.1-2/87
  • Длина 740 мм.
  • Ширина 2160 мм.
  • Высота 150 мм.
  • Вес 600 кг.
  • Объем бетона 0,24 м3
  • Геометрический объем 0,2398 м3
Цена: 4656 руб.
Подробнее
П 18-8 а
Плиты перекрытия лотков П серия 3.006.1-2/87
  • Длина 2990 мм.
  • Ширина 2160 мм.
  • Высота 150 мм.
  • Вес 2420 кг.
  • Объем бетона 0,97 м3
  • Геометрический объем 0,9688 м3
Цена: 18818 руб.
Подробнее
П 18-8
Плиты перекрытия лотков П серия 3.006.1-2/87
  • Длина 2990 мм.
  • Ширина 2160 мм.
  • Высота 150 мм.
  • Вес 2420 кг.
  • Объем бетона 0,97 м3
  • Геометрический объем 0,9688 м3
Цена: 18818 руб.
Подробнее
П 18д-8 а
Плиты перекрытия лотков П серия 3.006.1-2/87
  • Длина 740 мм.
  • Ширина 2160 мм.
  • Высота 150 мм.
  • Вес 600 кг.
  • Объем бетона 0,24 м3
  • Геометрический объем 0,2398 м3
Цена: 4656 руб.
Подробнее
П 18д-5 а
Плиты перекрытия лотков П серия 3.006.1-2/87
  • Длина 740 мм.
  • Ширина 2160 мм.
  • Высота 150 мм.
  • Вес 600 кг.
  • Объем бетона 0,24 м3
  • Геометрический объем 0,2398 м3
Цена: 4656 руб.
Подробнее

Уведомление о файлах cookie

Мы используем файлы cookie для улучшения вашего опыта просмотра и анализа трафика. Нажимая "Принять все", вы соглашаетесь с нашей политикой конфиденциальности и политикой обработки файлов cookie.

MAX Дзен Телеграм Вконтакте vk