mobile_sound +7 (930) 655-55-90

Железобетонные опоры линий электропередачи. Рабочие чертежи (Серия 3.006.1-2/87)

Поделиться:
Поделиться:

Документ Серия 3.006.1-2/87 описывает область применения, номенклатуру и ключевые требования, опираясь на действующие нормы и практику проектирования. Для возведения каналов и тоннелей могут использоваться различные конструкции, в том числе и лотковые элементы. Узнать максимально детально о специфике их производства можно, используя материалы Серии 3.006.1-2/87. В составе документа представлено девять выпусков, описывающих определенные блоки информации для удобства поиска необходимых сведений в процессе проектирования.

Файлы для скачивания:
picture_as_pdf

1391.pdf

21,963.0 KB

скачать
picture_as_pdf

1392.pdf

19,200.4 KB

скачать
picture_as_pdf

1393.pdf

36,057.5 KB

скачать
picture_as_pdf

1394.pdf

17,955.3 KB

скачать
picture_as_pdf

1395.pdf

20,695.4 KB

скачать
picture_as_pdf

1396.pdf

6,595.3 KB

скачать
picture_as_pdf

1397.pdf

33,528.0 KB

скачать
picture_as_pdf

1398.pdf

11,145.9 KB

скачать
picture_as_pdf

1399.pdf

3,629.5 KB

скачать
Товары Серия 3.006.1-2/87 (60)
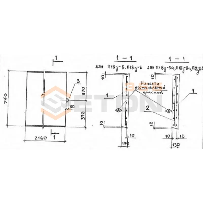
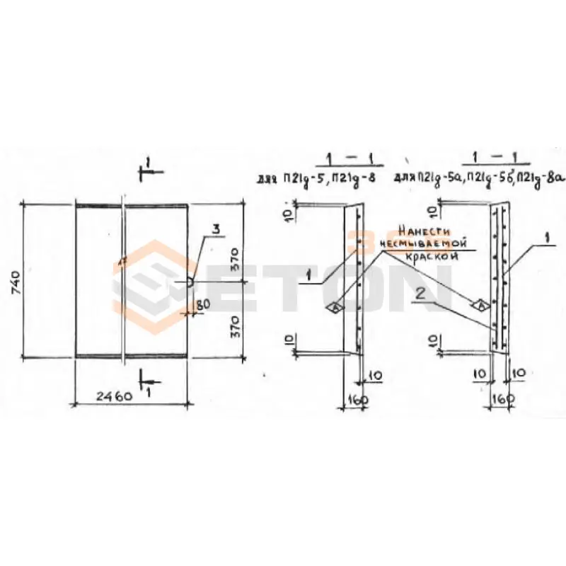
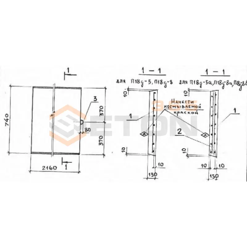
П 18д-8
Плиты перекрытия лотков П серия 3.006.1-2/87
  • Длина 740 мм.
  • Ширина 2160 мм.
  • Высота 150 мм.
  • Вес 600 кг.
  • Объем бетона 0,24 м3
  • Геометрический объем 0,2398 м3
Цена: 4656 руб.
Подробнее
П 18д-8 б
Плиты перекрытия лотков П серия 3.006.1-2/87
  • Длина 740 мм.
  • Ширина 2160 мм.
  • Высота 150 мм.
  • Вес 600 кг.
  • Объем бетона 0,24 м3
  • Геометрический объем 0,2398 м3
Цена: 4656 руб.
Подробнее
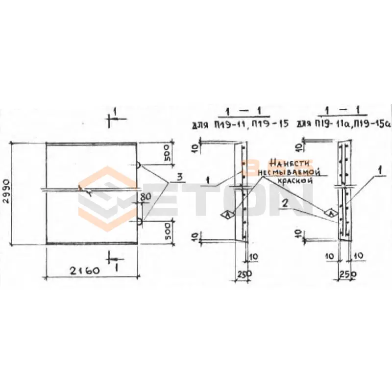
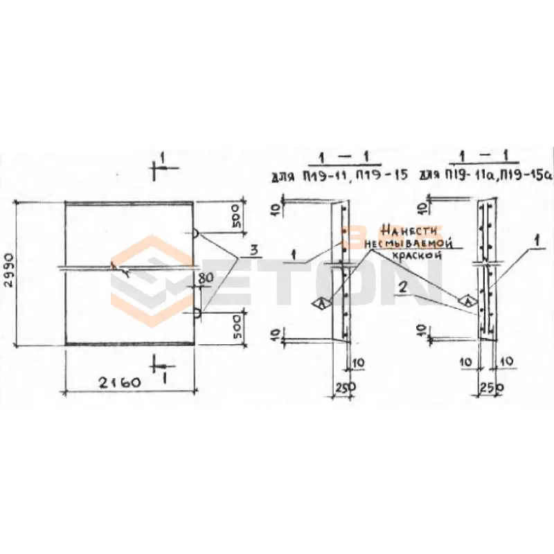
П 19-11 а
Плиты перекрытия лотков П серия 3.006.1-2/87
  • Длина 2990 мм.
  • Ширина 2160 мм.
  • Высота 250 мм.
  • Вес 4040 кг.
  • Объем бетона 1,61 м3
  • Геометрический объем 1,6146 м3
Цена: 31234 руб.
Подробнее
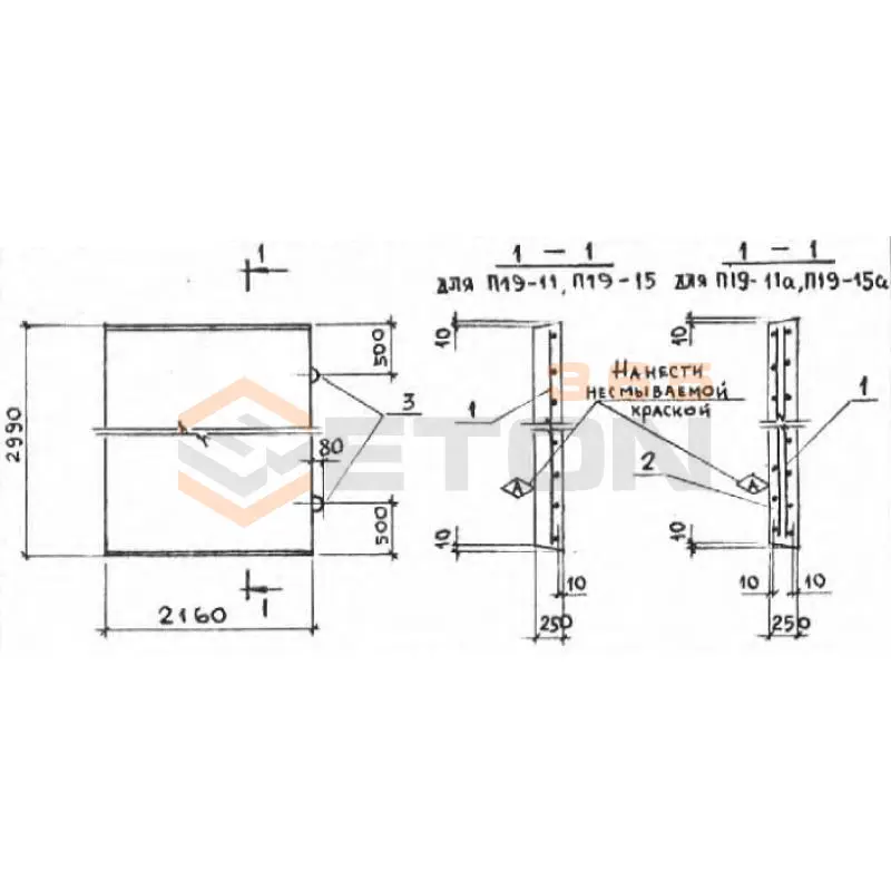
П 19-11
Плиты перекрытия лотков П серия 3.006.1-2/87
  • Длина 2990 мм.
  • Ширина 2160 мм.
  • Высота 250 мм.
  • Вес 4040 кг.
  • Объем бетона 1,61 м3
  • Геометрический объем 1,6146 м3
Цена: 31234 руб.
Подробнее
П 19-15
Плиты перекрытия лотков П серия 3.006.1-2/87
  • Длина 2990 мм.
  • Ширина 2160 мм.
  • Высота 250 мм.
  • Вес 4040 кг.
  • Объем бетона 1,61 м3
  • Геометрический объем 1,6146 м3
Цена: 31234 руб.
Подробнее
П 19-15 а
Плиты перекрытия лотков П серия 3.006.1-2/87
  • Длина 2990 мм.
  • Ширина 2160 мм.
  • Высота 250 мм.
  • Вес 4040 кг.
  • Объем бетона 1,61 м3
  • Геометрический объем 1,6146 м3
Цена: 31234 руб.
Подробнее
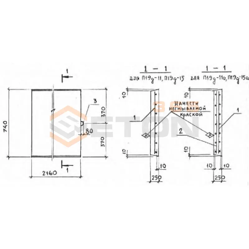
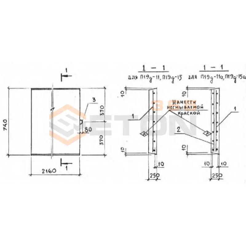
П 19д-11
Плиты перекрытия лотков П серия 3.006.1-2/87
  • Длина 740 мм.
  • Ширина 2160 мм.
  • Высота 250 мм.
  • Вес 1000 кг.
  • Объем бетона 0,4 м3
  • Геометрический объем 0,3996 м3
Цена: 7760 руб.
Подробнее
П 19д-11 а
Плиты перекрытия лотков П серия 3.006.1-2/87
  • Длина 740 мм.
  • Ширина 2160 мм.
  • Высота 250 мм.
  • Вес 1000 кг.
  • Объем бетона 0,4 м3
  • Геометрический объем 0,3996 м3
Цена: 7760 руб.
Подробнее
П 19д-15
Плиты перекрытия лотков П серия 3.006.1-2/87
  • Длина 740 мм.
  • Ширина 2160 мм.
  • Высота 250 мм.
  • Вес 1000 кг.
  • Объем бетона 0,4 м3
  • Геометрический объем 0,3996 м3
Цена: 7760 руб.
Подробнее
П 19д-15 а
Плиты перекрытия лотков П серия 3.006.1-2/87
  • Длина 740 мм.
  • Ширина 2160 мм.
  • Высота 250 мм.
  • Вес 1000 кг.
  • Объем бетона 0,4 м3
  • Геометрический объем 0,3996 м3
Цена: 7760 руб.
Подробнее
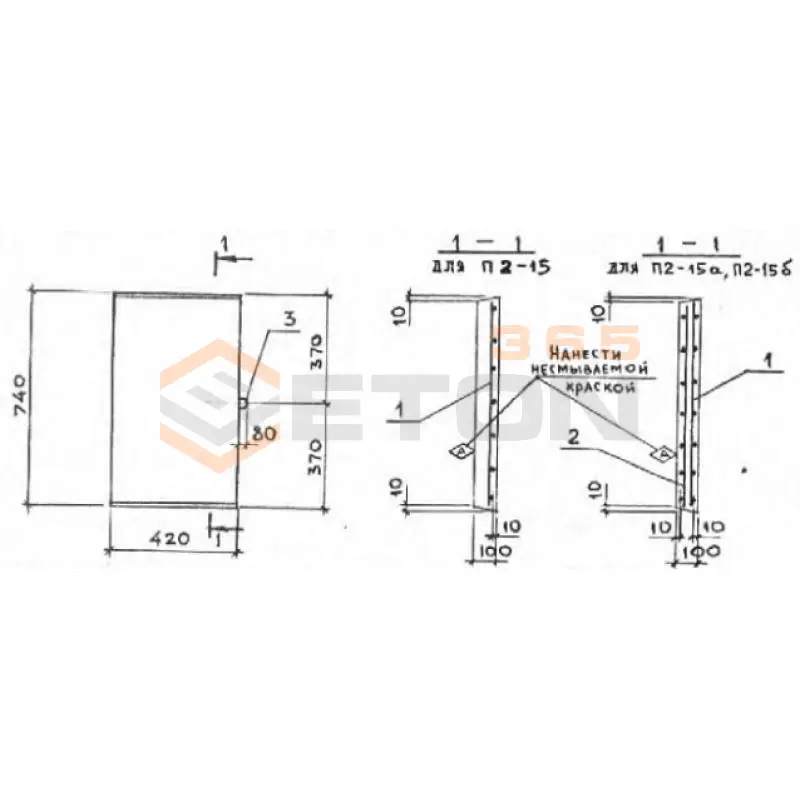
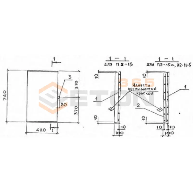
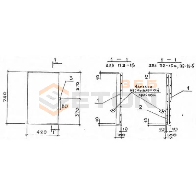
П 2-15 а
Плиты перекрытия лотков П серия 3.006.1-2/87
  • Длина 740 мм.
  • Ширина 420 мм.
  • Высота 100 мм.
  • Вес 80 кг.
  • Объем бетона 0,03 м3
  • Геометрический объем 0,0311 м3
Цена: 582 руб.
Подробнее
П 2-15
Плиты перекрытия лотков П серия 3.006.1-2/87
  • Длина 740 мм.
  • Ширина 420 мм.
  • Высота 100 мм.
  • Вес 80 кг.
  • Объем бетона 0,03 м3
  • Геометрический объем 0,0311 м3
Цена: 582 руб.
Подробнее
П 2-15 б
Плиты перекрытия лотков П серия 3.006.1-2/87
  • Длина 740 мм.
  • Ширина 420 мм.
  • Высота 100 мм.
  • Вес 80 кг.
  • Объем бетона 0,03 м3
  • Геометрический объем 0,0311 м3
Цена: 582 руб.
Подробнее
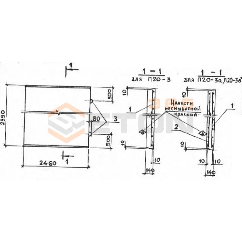
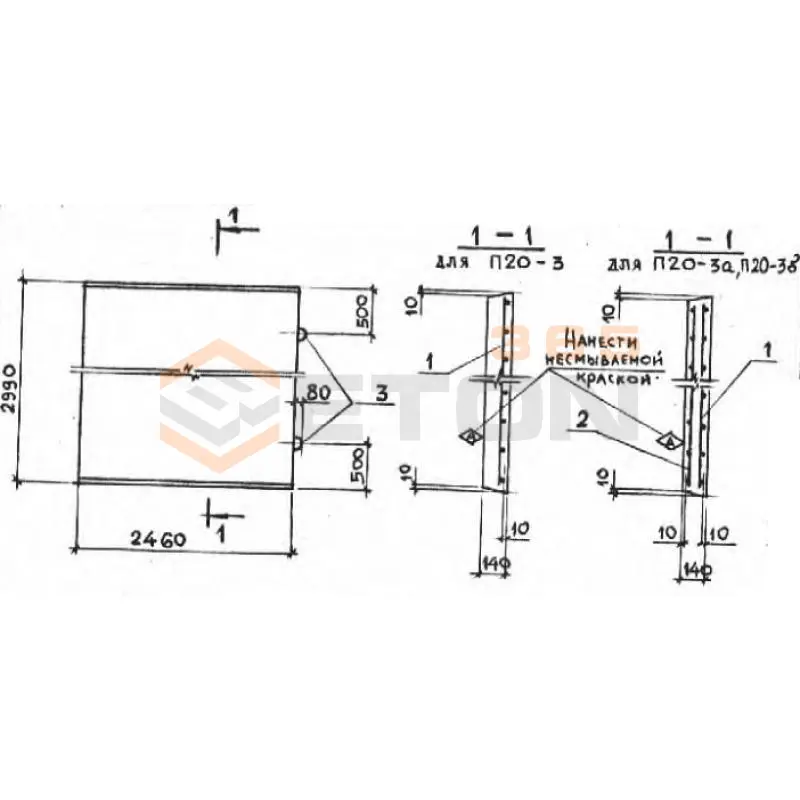
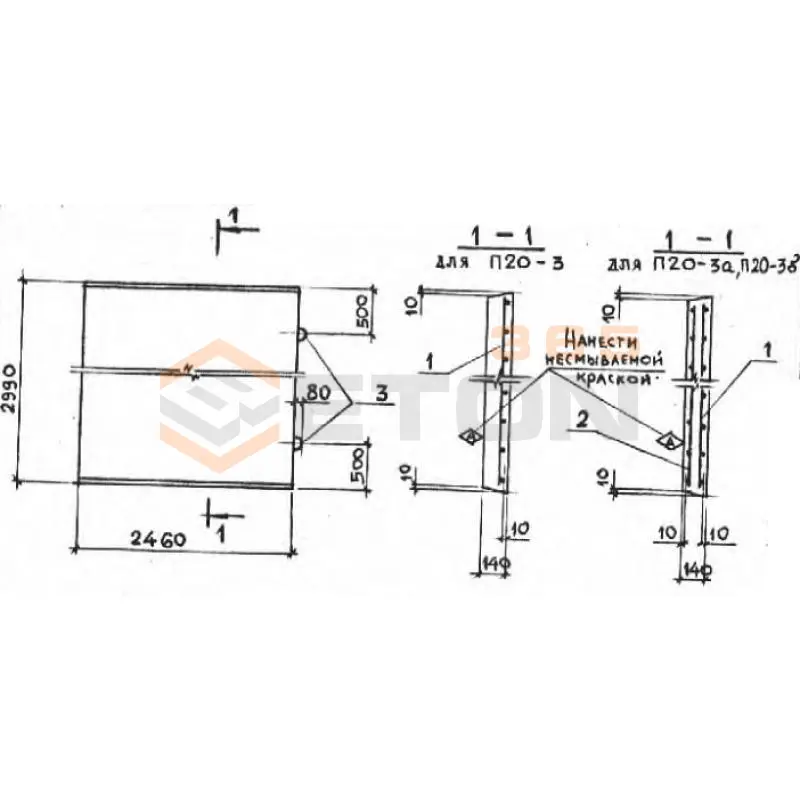
П 20-3
Плиты перекрытия лотков П серия 3.006.1-2/87
  • Длина 2990 мм.
  • Ширина 2460 мм.
  • Высота 140 мм.
  • Вес 2570 кг.
  • Объем бетона 1,03 м3
  • Геометрический объем 1,0298 м3
Цена: 19982 руб.
Подробнее
П 20-3 а
Плиты перекрытия лотков П серия 3.006.1-2/87
  • Длина 2990 мм.
  • Ширина 2460 мм.
  • Высота 140 мм.
  • Вес 2570 кг.
  • Объем бетона 1,03 м3
  • Геометрический объем 1,0298 м3
Цена: 19982 руб.
Подробнее
П 20-3 б
Плиты перекрытия лотков П серия 3.006.1-2/87
  • Длина 2990 мм.
  • Ширина 2460 мм.
  • Высота 140 мм.
  • Вес 2570 кг.
  • Объем бетона 1,03 м3
  • Геометрический объем 1,0298 м3
Цена: 19982 руб.
Подробнее
П 20д-3
Плиты перекрытия лотков П серия 3.006.1-2/87
  • Длина 740 мм.
  • Ширина 2460 мм.
  • Высота 140 мм.
  • Вес 640 кг.
  • Объем бетона 0,25 м3
  • Геометрический объем 0,2549 м3
Цена: 4850 руб.
Подробнее
П 20д-3 а
Плиты перекрытия лотков П серия 3.006.1-2/87
  • Длина 740 мм.
  • Ширина 2460 мм.
  • Высота 140 мм.
  • Вес 640 кг.
  • Объем бетона 0,25 м3
  • Геометрический объем 0,2549 м3
Цена: 4850 руб.
Подробнее
П 20д-3 б
Плиты перекрытия лотков П серия 3.006.1-2/87
  • Длина 740 мм.
  • Ширина 2460 мм.
  • Высота 140 мм.
  • Вес 640 кг.
  • Объем бетона 0,25 м3
  • Геометрический объем 0,2549 м3
Цена: 4850 руб.
Подробнее
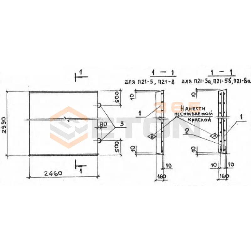
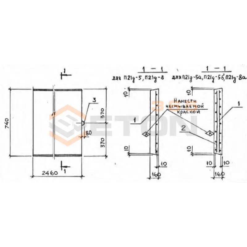
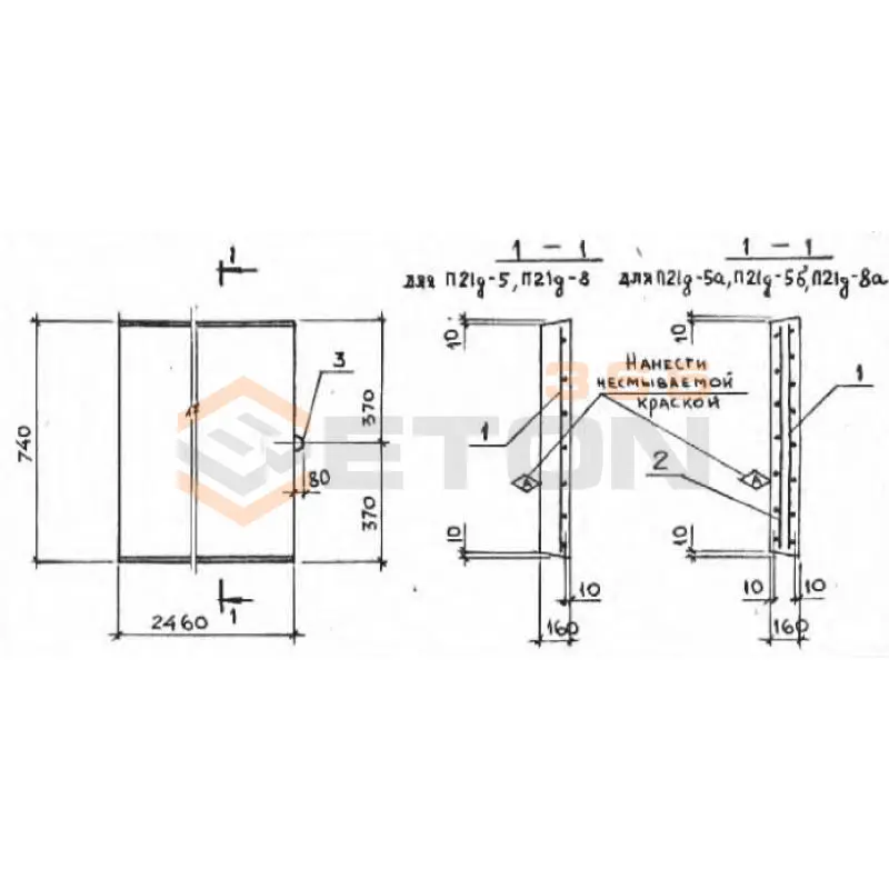
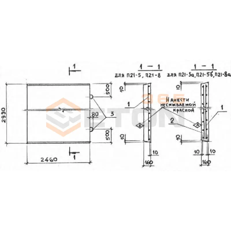
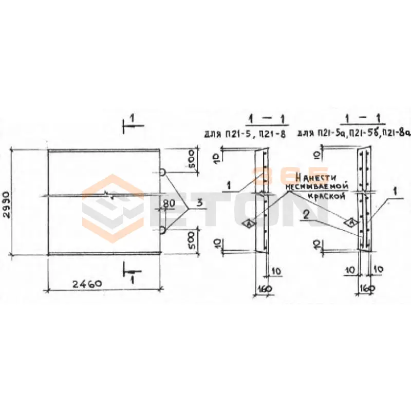
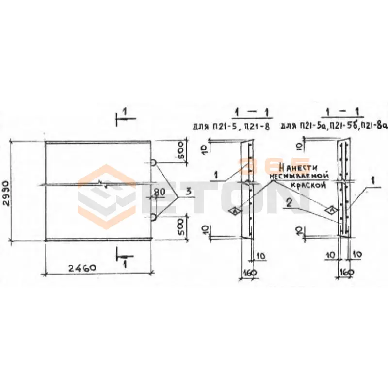
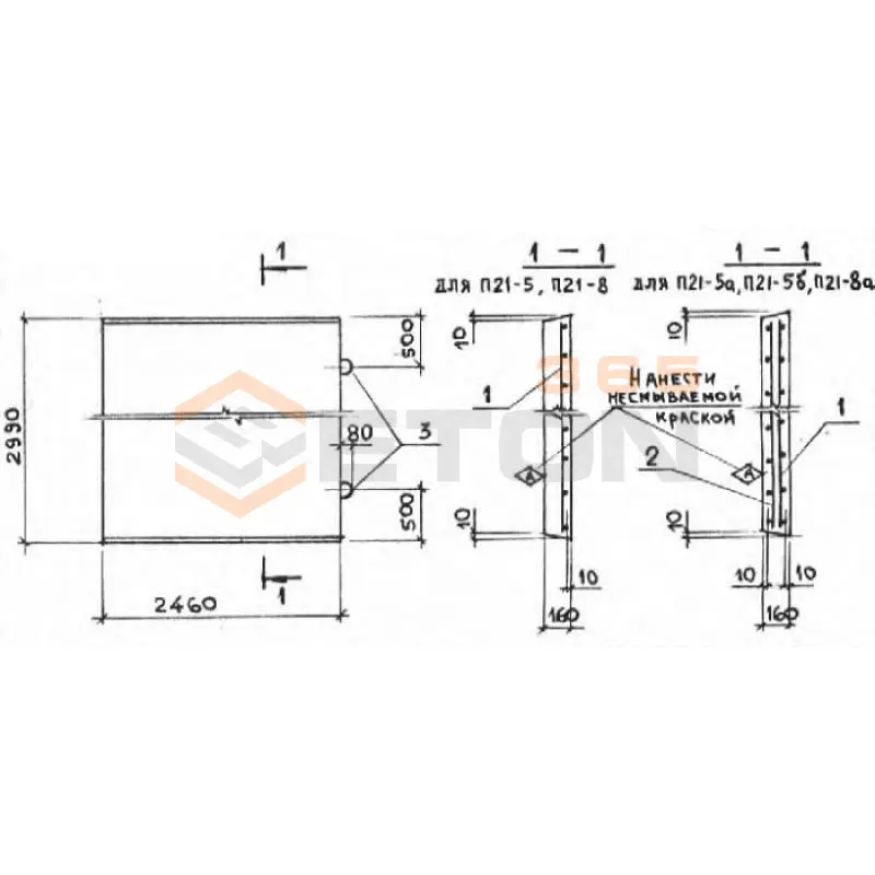
П 21-5
Плиты перекрытия лотков П серия 3.006.1-2/87
  • Длина 2990 мм.
  • Ширина 2460 мм.
  • Высота 160 мм.
  • Вес 2940 кг.
  • Объем бетона 1,18 м3
  • Геометрический объем 1,1769 м3
Цена: 22892 руб.
Подробнее
П 21-5 а
Плиты перекрытия лотков П серия 3.006.1-2/87
  • Длина 2990 мм.
  • Ширина 2460 мм.
  • Высота 160 мм.
  • Вес 2940 кг.
  • Объем бетона 1,18 м3
  • Геометрический объем 1,1769 м3
Цена: 22892 руб.
Подробнее
П 21-5 б
Плиты перекрытия лотков П серия 3.006.1-2/87
  • Длина 2990 мм.
  • Ширина 2460 мм.
  • Высота 160 мм.
  • Вес 2940 кг.
  • Объем бетона 1,18 м3
  • Геометрический объем 1,1769 м3
Цена: 22892 руб.
Подробнее
П 21-8 а
Плиты перекрытия лотков П серия 3.006.1-2/87
  • Длина 2990 мм.
  • Ширина 2460 мм.
  • Высота 160 мм.
  • Вес 2940 кг.
  • Объем бетона 1,18 м3
  • Геометрический объем 1,1769 м3
Цена: 22892 руб.
Подробнее
П 21-8
Плиты перекрытия лотков П серия 3.006.1-2/87
  • Длина 2990 мм.
  • Ширина 2460 мм.
  • Высота 160 мм.
  • Вес 2940 кг.
  • Объем бетона 1,18 м3
  • Геометрический объем 1,1769 м3
Цена: 22892 руб.
Подробнее
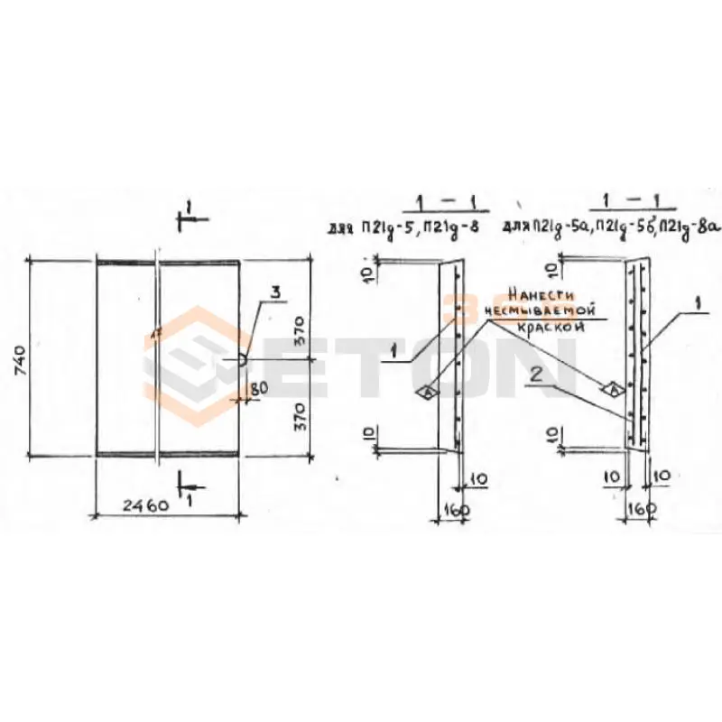
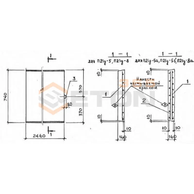
П 21д-5
Плиты перекрытия лотков П серия 3.006.1-2/87
  • Длина 740 мм.
  • Ширина 2460 мм.
  • Высота 160 мм.
  • Вес 730 кг.
  • Объем бетона 0,29 м3
  • Геометрический объем 0,2913 м3
Цена: 5626 руб.
Подробнее
П 21д-5 а
Плиты перекрытия лотков П серия 3.006.1-2/87
  • Длина 740 мм.
  • Ширина 2460 мм.
  • Высота 160 мм.
  • Вес 730 кг.
  • Объем бетона 0,29 м3
  • Геометрический объем 0,2913 м3
Цена: 5626 руб.
Подробнее
П 21д-5 б
Плиты перекрытия лотков П серия 3.006.1-2/87
  • Длина 740 мм.
  • Ширина 2460 мм.
  • Высота 160 мм.
  • Вес 730 кг.
  • Объем бетона 0,29 м3
  • Геометрический объем 0,2913 м3
Цена: 5626 руб.
Подробнее
П 21д-8
Плиты перекрытия лотков П серия 3.006.1-2/87
  • Длина 740 мм.
  • Ширина 2460 мм.
  • Высота 160 мм.
  • Вес 730 кг.
  • Объем бетона 0,29 м3
  • Геометрический объем 0,2913 м3
Цена: 5626 руб.
Подробнее
П 21д-8 а
Плиты перекрытия лотков П серия 3.006.1-2/87
  • Длина 740 мм.
  • Ширина 2460 мм.
  • Высота 160 мм.
  • Вес 730 кг.
  • Объем бетона 0,29 м3
  • Геометрический объем 0,2913 м3
Цена: 5626 руб.
Подробнее
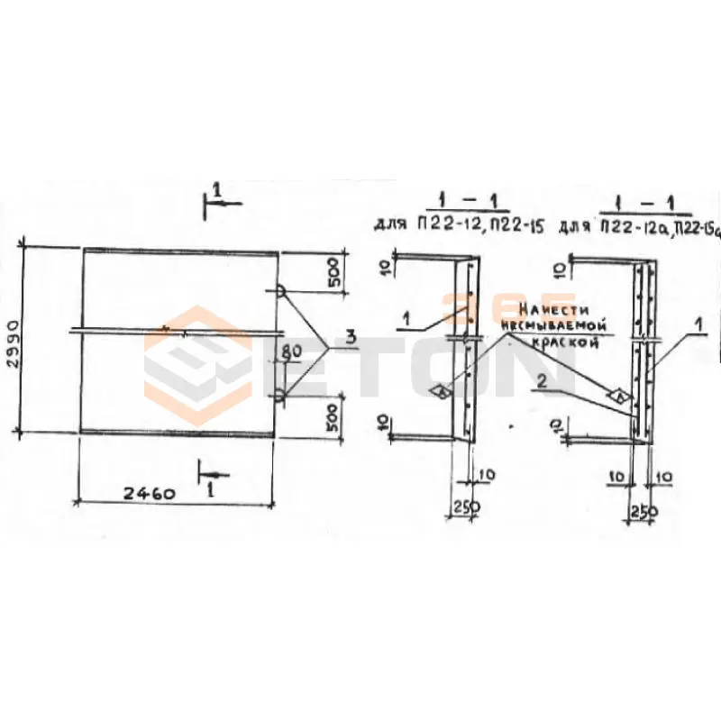
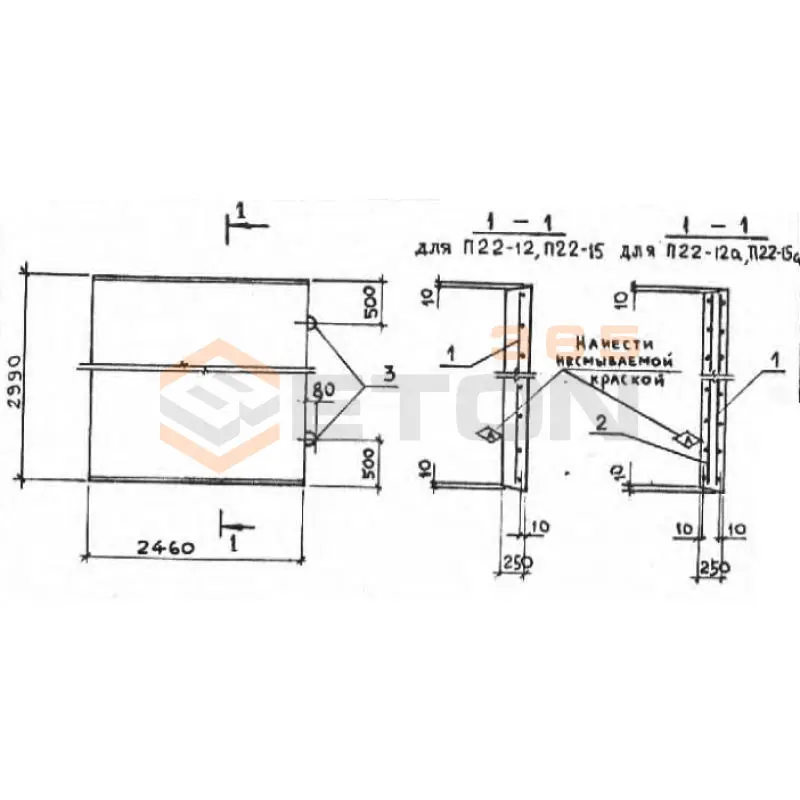
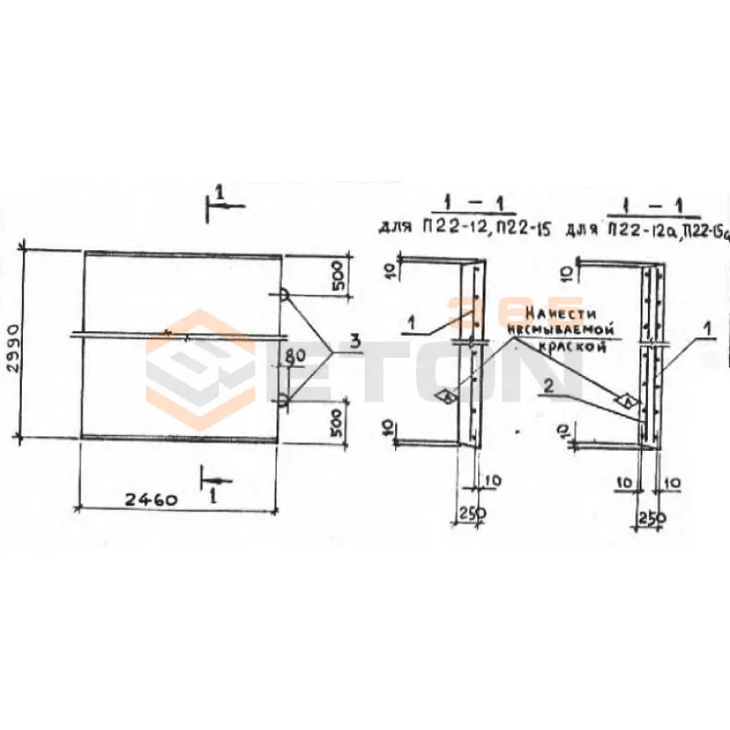
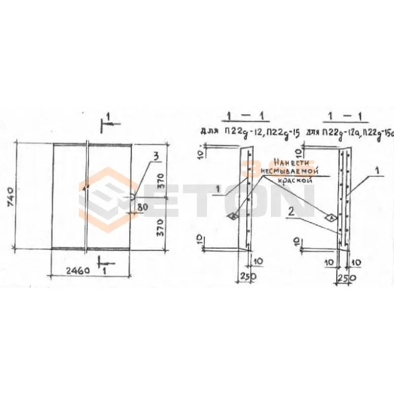
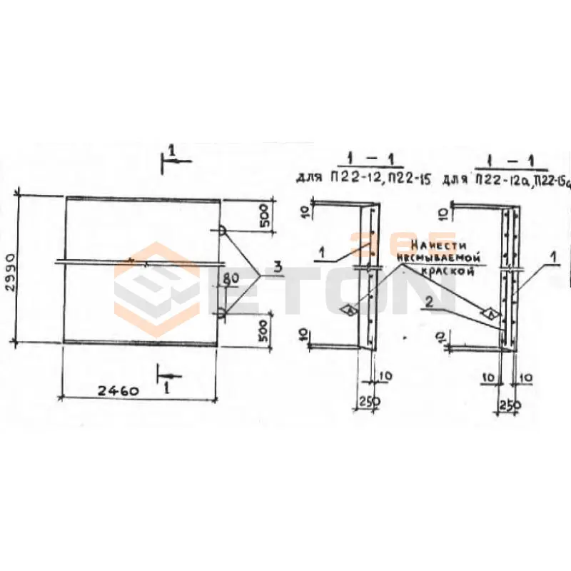
П 22-12
Плиты перекрытия лотков П серия 3.006.1-2/87
  • Длина 2990 мм.
  • Ширина 2460 мм.
  • Высота 250 мм.
  • Вес 4600 кг.
  • Объем бетона 1,84 м3
  • Геометрический объем 1,8389 м3
Цена: 35696 руб.
Подробнее
П 22-12 а
Плиты перекрытия лотков П серия 3.006.1-2/87
  • Длина 2990 мм.
  • Ширина 2460 мм.
  • Высота 250 мм.
  • Вес 4600 кг.
  • Объем бетона 1,84 м3
  • Геометрический объем 1,8389 м3
Цена: 35696 руб.
Подробнее
П 22-15 а
Плиты перекрытия лотков П серия 3.006.1-2/87
  • Длина 2990 мм.
  • Ширина 2460 мм.
  • Высота 250 мм.
  • Вес 4600 кг.
  • Объем бетона 1,84 м3
  • Геометрический объем 1,8389 м3
Цена: 35696 руб.
Подробнее
П 22-15
Плиты перекрытия лотков П серия 3.006.1-2/87
  • Длина 2990 мм.
  • Ширина 2460 мм.
  • Высота 250 мм.
  • Вес 4600 кг.
  • Объем бетона 1,84 м3
  • Геометрический объем 1,8389 м3
Цена: 35696 руб.
Подробнее
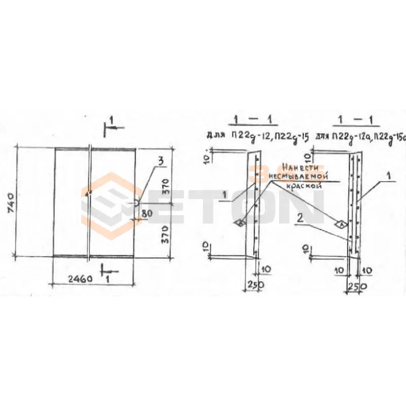
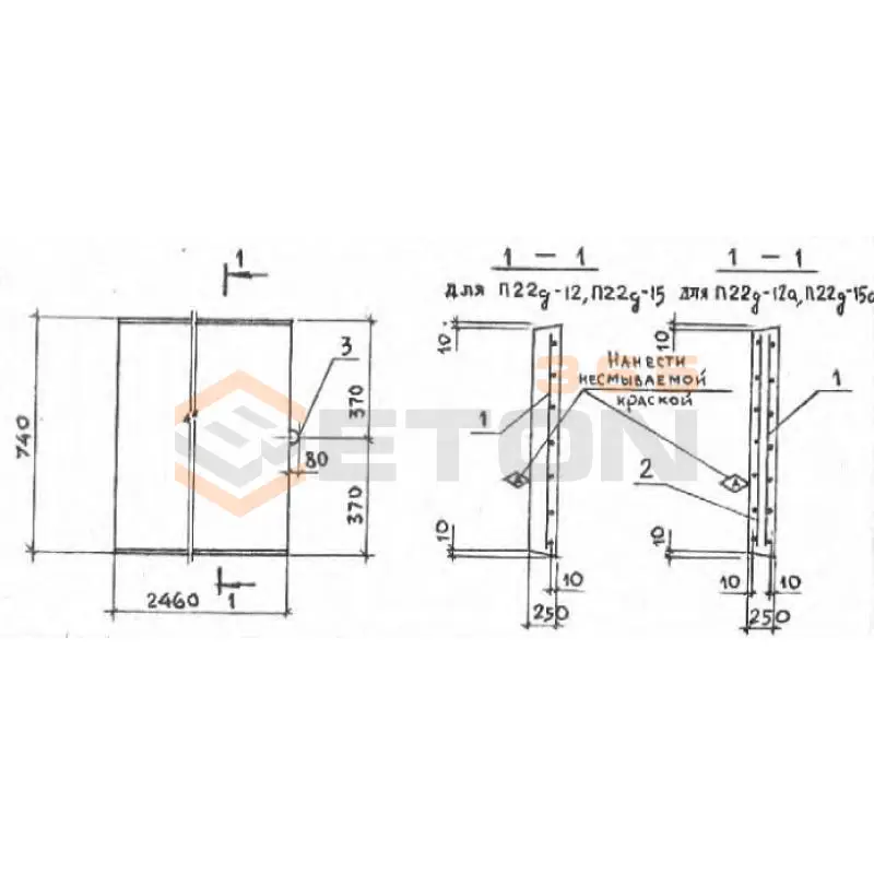
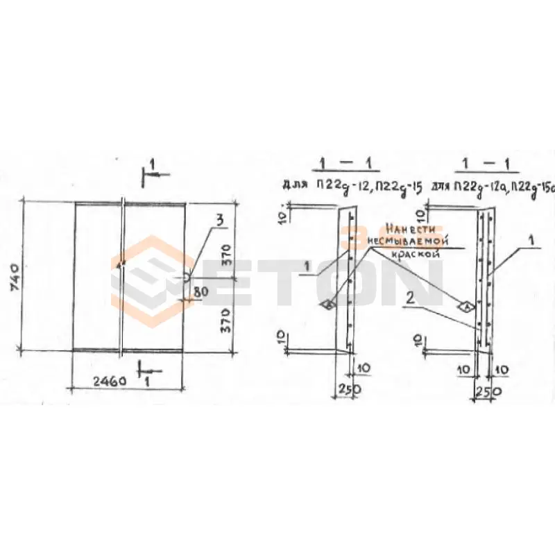
П 22д-12
Плиты перекрытия лотков П серия 3.006.1-2/87
  • Длина 740 мм.
  • Ширина 2460 мм.
  • Высота 250 мм.
  • Вес 1140 кг.
  • Объем бетона 0,46 м3
  • Геометрический объем 0,4551 м3
Цена: 8924 руб.
Подробнее
П 22д-12 а
Плиты перекрытия лотков П серия 3.006.1-2/87
  • Длина 740 мм.
  • Ширина 2460 мм.
  • Высота 250 мм.
  • Вес 1140 кг.
  • Объем бетона 0,46 м3
  • Геометрический объем 0,4551 м3
Цена: 8924 руб.
Подробнее
П 22д-15
Плиты перекрытия лотков П серия 3.006.1-2/87
  • Длина 740 мм.
  • Ширина 2460 мм.
  • Высота 250 мм.
  • Вес 1140 кг.
  • Объем бетона 0,46 м3
  • Геометрический объем 0,4551 м3
Цена: 8924 руб.
Подробнее
П 22д-15 а
Плиты перекрытия лотков П серия 3.006.1-2/87
  • Длина 740 мм.
  • Ширина 2460 мм.
  • Высота 250 мм.
  • Вес 1140 кг.
  • Объем бетона 0,46 м3
  • Геометрический объем 0,4551 м3
Цена: 8924 руб.
Подробнее
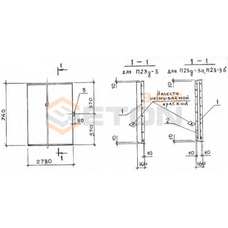
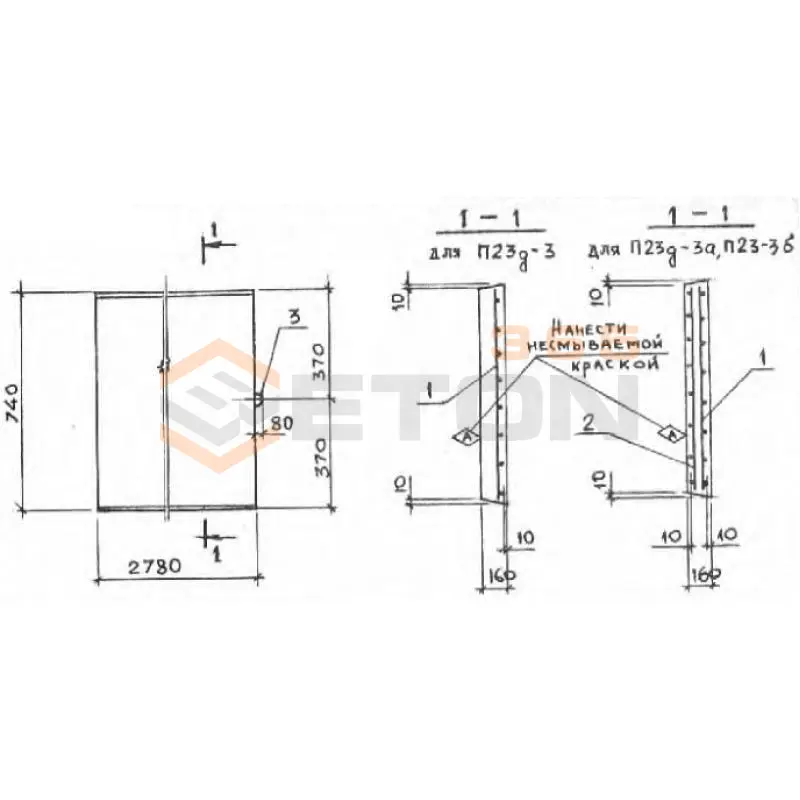
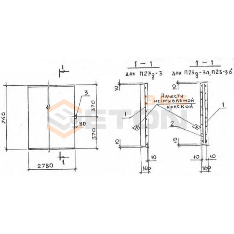
П 23-3
Плиты перекрытия лотков П серия 3.006.1-2/87
  • Длина 2990 мм.
  • Ширина 2780 мм.
  • Высота 160 мм.
  • Вес 3330 кг.
  • Объем бетона 1,33 м3
  • Геометрический объем 1,33 м3
Цена: 25802 руб.
Подробнее
П 23-3 а
Плиты перекрытия лотков П серия 3.006.1-2/87
  • Длина 2990 мм.
  • Ширина 2780 мм.
  • Высота 160 мм.
  • Вес 3330 кг.
  • Объем бетона 1,33 м3
  • Геометрический объем 1,33 м3
Цена: 25802 руб.
Подробнее
П 23-3 б
Плиты перекрытия лотков П серия 3.006.1-2/87
  • Длина 2990 мм.
  • Ширина 2780 мм.
  • Высота 160 мм.
  • Вес 3330 кг.
  • Объем бетона 1,33 м3
  • Геометрический объем 1,33 м3
Цена: 25802 руб.
Подробнее
П 23д-3
Плиты перекрытия лотков П серия 3.006.1-2/87
  • Длина 740 мм.
  • Ширина 2780 мм.
  • Высота 160 мм.
  • Вес 820 кг.
  • Объем бетона 0,33 м3
  • Геометрический объем 0,3292 м3
Цена: 6402 руб.
Подробнее
П 23д-3 а
Плиты перекрытия лотков П серия 3.006.1-2/87
  • Длина 740 мм.
  • Ширина 2780 мм.
  • Высота 160 мм.
  • Вес 820 кг.
  • Объем бетона 0,33 м3
  • Геометрический объем 0,3292 м3
Цена: 6402 руб.
Подробнее
П 23д-3 б
Плиты перекрытия лотков П серия 3.006.1-2/87
  • Длина 740 мм.
  • Ширина 2780 мм.
  • Высота 160 мм.
  • Вес 820 кг.
  • Объем бетона 0,33 м3
  • Геометрический объем 0,3292 м3
Цена: 6402 руб.
Подробнее
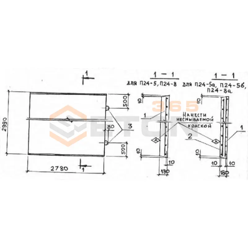
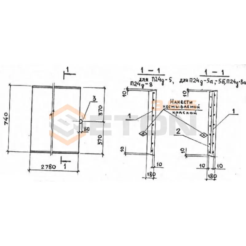
П 24-5
Плиты перекрытия лотков П серия 3.006.1-2/87
  • Длина 2990 мм.
  • Ширина 2780 мм.
  • Высота 180 мм.
  • Вес 3740 кг.
  • Объем бетона 1,5 м3
  • Геометрический объем 1,4962 м3
Цена: 29100 руб.
Подробнее
П 24-5 а
Плиты перекрытия лотков П серия 3.006.1-2/87
  • Длина 2990 мм.
  • Ширина 2780 мм.
  • Высота 180 мм.
  • Вес 3740 кг.
  • Объем бетона 1,5 м3
  • Геометрический объем 1,4962 м3
Цена: 29100 руб.
Подробнее
П 24-5 б
Плиты перекрытия лотков П серия 3.006.1-2/87
  • Длина 2990 мм.
  • Ширина 2780 мм.
  • Высота 180 мм.
  • Вес 3740 кг.
  • Объем бетона 1,5 м3
  • Геометрический объем 1,4962 м3
Цена: 29100 руб.
Подробнее
П 24-8
Плиты перекрытия лотков П серия 3.006.1-2/87
  • Длина 2990 мм.
  • Ширина 2780 мм.
  • Высота 180 мм.
  • Вес 3740 кг.
  • Объем бетона 1,5 м3
  • Геометрический объем 1,4962 м3
Цена: 29100 руб.
Подробнее
П 24-8 а
Плиты перекрытия лотков П серия 3.006.1-2/87
  • Длина 2990 мм.
  • Ширина 2780 мм.
  • Высота 180 мм.
  • Вес 3740 кг.
  • Объем бетона 1,5 м3
  • Геометрический объем 1,4962 м3
Цена: 29100 руб.
Подробнее
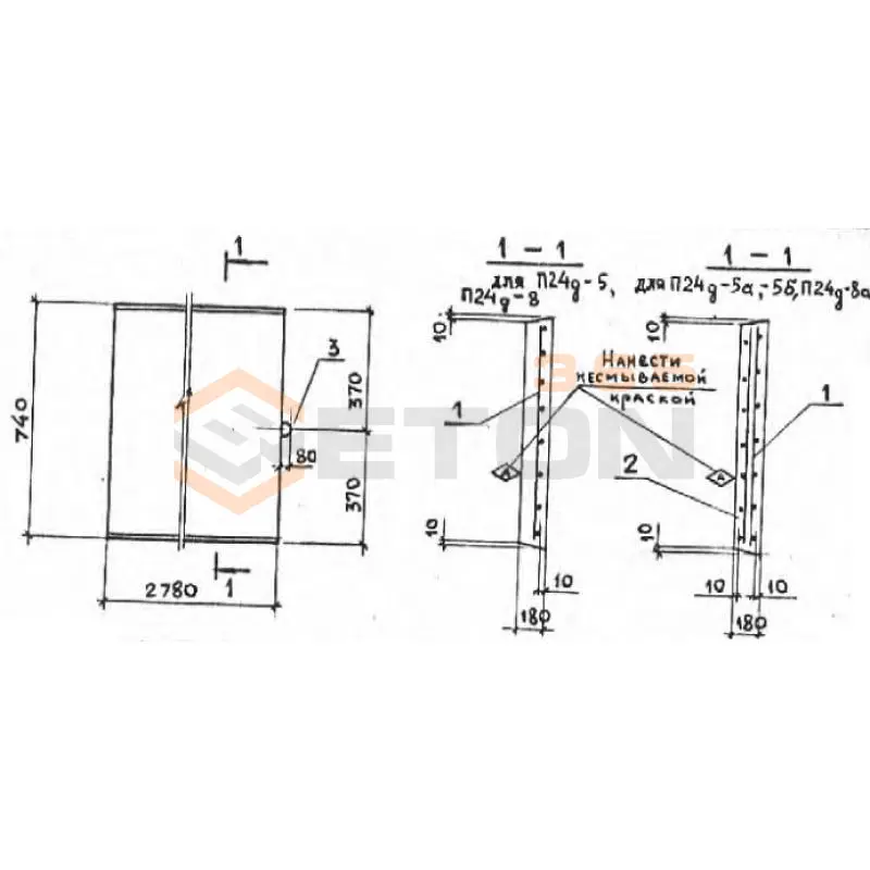
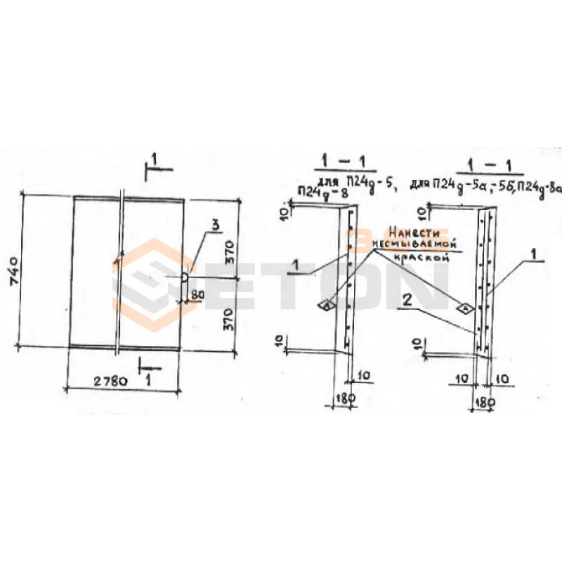
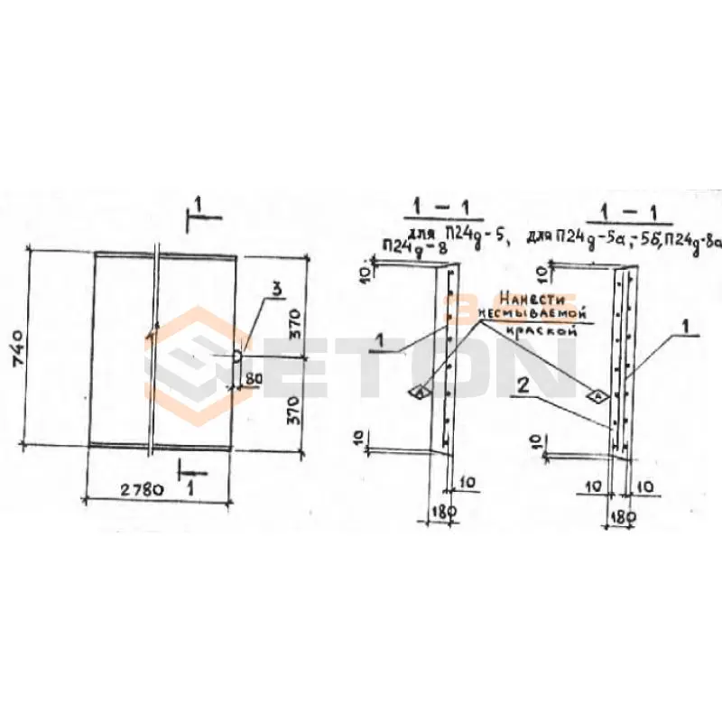
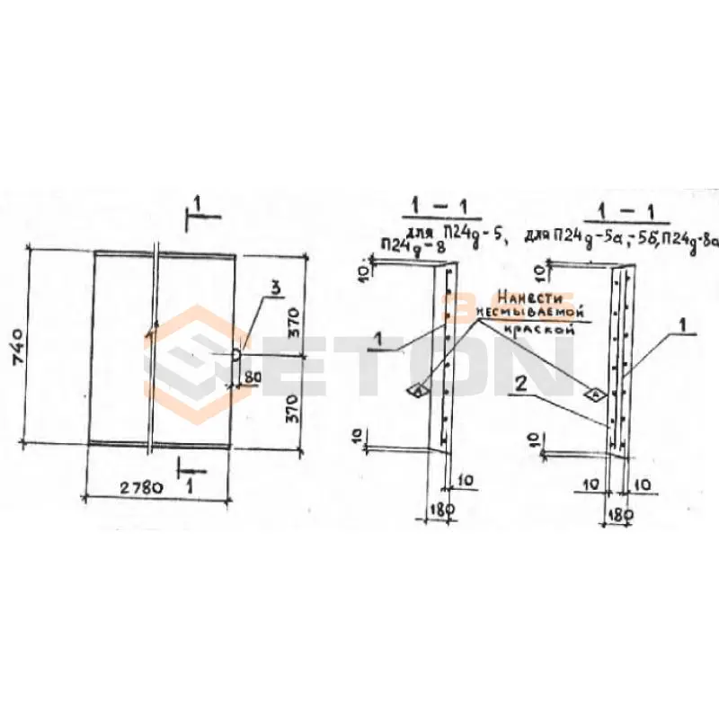
П 24д-5
Плиты перекрытия лотков П серия 3.006.1-2/87
  • Длина 740 мм.
  • Ширина 2780 мм.
  • Высота 180 мм.
  • Вес 930 кг.
  • Объем бетона 0,37 м3
  • Геометрический объем 0,3703 м3
Цена: 7178 руб.
Подробнее
П 24д-5 а
Плиты перекрытия лотков П серия 3.006.1-2/87
  • Длина 740 мм.
  • Ширина 2780 мм.
  • Высота 180 мм.
  • Вес 930 кг.
  • Объем бетона 0,37 м3
  • Геометрический объем 0,3703 м3
Цена: 7178 руб.
Подробнее
П 24д-5 б
Плиты перекрытия лотков П серия 3.006.1-2/87
  • Длина 740 мм.
  • Ширина 2780 мм.
  • Высота 180 мм.
  • Вес 930 кг.
  • Объем бетона 0,37 м3
  • Геометрический объем 0,3703 м3
Цена: 7178 руб.
Подробнее
П 24д-8 а
Плиты перекрытия лотков П серия 3.006.1-2/87
  • Длина 740 мм.
  • Ширина 2780 мм.
  • Высота 180 мм.
  • Вес 930 кг.
  • Объем бетона 0,37 м3
  • Геометрический объем 0,3703 м3
Цена: 7178 руб.
Подробнее
П 24д-8
Плиты перекрытия лотков П серия 3.006.1-2/87
  • Длина 740 мм.
  • Ширина 2780 мм.
  • Высота 180 мм.
  • Вес 930 кг.
  • Объем бетона 0,37 м3
  • Геометрический объем 0,3703 м3
Цена: 7178 руб.
Подробнее
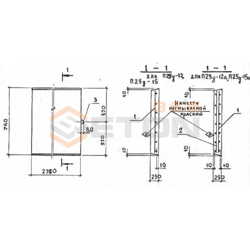
П 25-12
Плиты перекрытия лотков П серия 3.006.1-2/87
  • Длина 2990 мм.
  • Ширина 2780 мм.
  • Высота 250 мм.
  • Вес 5200 кг.
  • Объем бетона 2,08 м3
  • Геометрический объем 2,0781 м3
Цена: 40352 руб.
Подробнее
П 25-12 а
Плиты перекрытия лотков П серия 3.006.1-2/87
  • Длина 2990 мм.
  • Ширина 2780 мм.
  • Высота 250 мм.
  • Вес 5200 кг.
  • Объем бетона 2,08 м3
  • Геометрический объем 2,0781 м3
Цена: 40352 руб.
Подробнее
П 25-15
Плиты перекрытия лотков П серия 3.006.1-2/87
  • Длина 2990 мм.
  • Ширина 2780 мм.
  • Высота 250 мм.
  • Вес 5200 кг.
  • Объем бетона 2,08 м3
  • Геометрический объем 2,0781 м3
Цена: 40352 руб.
Подробнее
П 25-15 а
Плиты перекрытия лотков П серия 3.006.1-2/87
  • Длина 2990 мм.
  • Ширина 2780 мм.
  • Высота 250 мм.
  • Вес 5200 кг.
  • Объем бетона 2,08 м3
  • Геометрический объем 2,0781 м3
Цена: 40352 руб.
Подробнее
П 25д-12
Плиты перекрытия лотков П серия 3.006.1-2/87
  • Длина 740 мм.
  • Ширина 2780 мм.
  • Высота 250 мм.
  • Вес 1290 кг.
  • Объем бетона 0,51 м3
  • Геометрический объем 0,5143 м3
Цена: 9894 руб.
Подробнее
П 25д-12 а
Плиты перекрытия лотков П серия 3.006.1-2/87
  • Длина 740 мм.
  • Ширина 2780 мм.
  • Высота 250 мм.
  • Вес 1290 кг.
  • Объем бетона 0,51 м3
  • Геометрический объем 0,5143 м3
Цена: 9894 руб.
Подробнее
П 25д-15
Плиты перекрытия лотков П серия 3.006.1-2/87
  • Длина 740 мм.
  • Ширина 2780 мм.
  • Высота 250 мм.
  • Вес 1290 кг.
  • Объем бетона 0,51 м3
  • Геометрический объем 0,5143 м3
Цена: 9894 руб.
Подробнее

Уведомление о файлах cookie

Мы используем файлы cookie для улучшения вашего опыта просмотра и анализа трафика. Нажимая "Принять все", вы соглашаетесь с нашей политикой конфиденциальности и политикой обработки файлов cookie.

MAX Дзен Телеграм Вконтакте vk