mobile_sound +7 (930) 655-55-90

Железобетонные опоры линий электропередачи. Рабочие чертежи (Серия 1.420-6)

Поделиться:
Поделиться:

Документ Серия 1.420-6 описывает область применения, номенклатуру и ключевые требования, опираясь на действующие нормы и практику проектирования. Серия 1.420-6 была разработана ЦНИИПРОМЗДАНИЙ совместно с НИИЖБ и НИИСК, введён в действие в действие с 1978 года. Нормативный документ состоит из шестнадцати выпусков, в которых изложено максимально подробное описание ригелей и колонн, применяемых при строительстве многоэтажных производственных зданий, имеющих сетку колонн 12х6 метров. Для увеличения числа регламентов с применением представленных конструкций в расчеты приняты нормативные нагрузки 500, 750 и 1000 кгс/м2.

Файлы для скачивания:
picture_as_pdf

2402.pdf

37,097.6 KB

скачать
picture_as_pdf

2404.pdf

1,182.1 KB

скачать
picture_as_pdf

2405.pdf

33,143.4 KB

скачать
picture_as_pdf

2406.pdf

34,728.1 KB

скачать
picture_as_pdf

2417.pdf

3,527.0 KB

скачать
picture_as_pdf

2407.pdf

27,699.9 KB

скачать
picture_as_pdf

2408.pdf

31,888.6 KB

скачать
picture_as_pdf

2409.pdf

38,403.3 KB

скачать
picture_as_pdf

2410.pdf

9,406.2 KB

скачать
picture_as_pdf

2411.pdf

3,843.0 KB

скачать
picture_as_pdf

2412.pdf

2,642.5 KB

скачать
picture_as_pdf

2413.pdf

1,151.2 KB

скачать
picture_as_pdf

2414.pdf

22,235.4 KB

скачать
picture_as_pdf

2415.pdf

56,499.6 KB

скачать
picture_as_pdf

2416.pdf

9,054.9 KB

скачать
picture_as_pdf

2403.pdf

1,477.8 KB

скачать
Товары Серия 1.420-6 (60)
К 28-3-5
Колонны Серия 1.420-6
  • Длина 13630 мм.
  • Ширина 400 мм.
  • Высота 400 мм.
  • Вес 6200 кг.
  • Объем бетона 2,45 м3
  • Геометрический объем 2,1808 м3
Цена: 49907 руб.
Подробнее
К 27-7-3
Колонны Серия 1.420-6
  • Длина 13630 мм.
  • Ширина 400 мм.
  • Высота 400 мм.
  • Вес 5800 кг.
  • Объем бетона 2,31 м3
  • Геометрический объем 2,1808 м3
Цена: 47055 руб.
Подробнее
К 28-5
Колонны Серия 1.420-6
  • Длина 13630 мм.
  • Ширина 400 мм.
  • Высота 400 мм.
  • Вес 6200 кг.
  • Объем бетона 2,45 м3
  • Геометрический объем 2,1808 м3
Цена: 49907 руб.
Подробнее
К 28-4-1
Колонны Серия 1.420-6
  • Длина 13630 мм.
  • Ширина 400 мм.
  • Высота 400 мм.
  • Вес 6200 кг.
  • Объем бетона 2,45 м3
  • Геометрический объем 2,1808 м3
Цена: 49907 руб.
Подробнее
К 28-4-3
Колонны Серия 1.420-6
  • Длина 13630 мм.
  • Ширина 400 мм.
  • Высота 400 мм.
  • Вес 6200 кг.
  • Объем бетона 2,45 м3
  • Геометрический объем 2,1808 м3
Цена: 49907 руб.
Подробнее
К 29-10-1
Колонны Серия 1.420-6
  • Длина 13630 мм.
  • Ширина 400 мм.
  • Высота 600 мм.
  • Вес 8100 кг.
  • Объем бетона 3,22 м3
  • Геометрический объем 3,2712 м3
Цена: 65591 руб.
Подробнее
К 28-5-1
Колонны Серия 1.420-6
  • Длина 13630 мм.
  • Ширина 400 мм.
  • Высота 400 мм.
  • Вес 6200 кг.
  • Объем бетона 2,45 м3
  • Геометрический объем 2,1808 м3
Цена: 49907 руб.
Подробнее
К 28-5-3
Колонны Серия 1.420-6
  • Длина 13630 мм.
  • Ширина 400 мм.
  • Высота 400 мм.
  • Вес 6200 кг.
  • Объем бетона 2,45 м3
  • Геометрический объем 2,1808 м3
Цена: 49907 руб.
Подробнее
К 29-10-3
Колонны Серия 1.420-6
  • Длина 13630 мм.
  • Ширина 400 мм.
  • Высота 600 мм.
  • Вес 8100 кг.
  • Объем бетона 3,22 м3
  • Геометрический объем 3,2712 м3
Цена: 65591 руб.
Подробнее
К 29-10-5
Колонны Серия 1.420-6
  • Длина 13630 мм.
  • Ширина 400 мм.
  • Высота 600 мм.
  • Вес 8100 кг.
  • Объем бетона 3,22 м3
  • Геометрический объем 3,2712 м3
Цена: 65591 руб.
Подробнее
К 29-11-1
Колонны Серия 1.420-6
  • Длина 13630 мм.
  • Ширина 400 мм.
  • Высота 600 мм.
  • Вес 8100 кг.
  • Объем бетона 3,22 м3
  • Геометрический объем 3,2712 м3
Цена: 65591 руб.
Подробнее
К 29-11-3
Колонны Серия 1.420-6
  • Длина 13630 мм.
  • Ширина 400 мм.
  • Высота 600 мм.
  • Вес 8100 кг.
  • Объем бетона 3,22 м3
  • Геометрический объем 3,2712 м3
Цена: 65591 руб.
Подробнее
К 29-12-3
Колонны Серия 1.420-6
  • Длина 13630 мм.
  • Ширина 400 мм.
  • Высота 600 мм.
  • Вес 8100 кг.
  • Объем бетона 3,22 м3
  • Геометрический объем 3,2712 м3
Цена: 65591 руб.
Подробнее
К 29-13-1
Колонны Серия 1.420-6
  • Длина 13630 мм.
  • Ширина 400 мм.
  • Высота 600 мм.
  • Вес 8100 кг.
  • Объем бетона 3,22 м3
  • Геометрический объем 3,2712 м3
Цена: 65591 руб.
Подробнее
К 29-14-1
Колонны Серия 1.420-6
  • Длина 13630 мм.
  • Ширина 400 мм.
  • Высота 600 мм.
  • Вес 8100 кг.
  • Объем бетона 3,22 м3
  • Геометрический объем 3,2712 м3
Цена: 65591 руб.
Подробнее
К 30-10
Колонны Серия 1.420-6
  • Длина 13630 мм.
  • Ширина 400 мм.
  • Высота 600 мм.
  • Вес 8400 кг.
  • Объем бетона 3,35 м3
  • Геометрический объем 3,2712 м3
Цена: 68240 руб.
Подробнее
К 30-11
Колонны Серия 1.420-6
  • Длина 13630 мм.
  • Ширина 400 мм.
  • Высота 600 мм.
  • Вес 8400 кг.
  • Объем бетона 3,35 м3
  • Геометрический объем 3,2712 м3
Цена: 68240 руб.
Подробнее
К 30-11-1
Колонны Серия 1.420-6
  • Длина 13630 мм.
  • Ширина 400 мм.
  • Высота 600 мм.
  • Вес 8400 кг.
  • Объем бетона 3,35 м3
  • Геометрический объем 3,2712 м3
Цена: 68240 руб.
Подробнее
К 30-10-1
Колонны Серия 1.420-6
  • Длина 13630 мм.
  • Ширина 400 мм.
  • Высота 600 мм.
  • Вес 8400 кг.
  • Объем бетона 3,35 м3
  • Геометрический объем 3,2712 м3
Цена: 68240 руб.
Подробнее
К 30-10-3
Колонны Серия 1.420-6
  • Длина 13630 мм.
  • Ширина 400 мм.
  • Высота 600 мм.
  • Вес 8400 кг.
  • Объем бетона 3,35 м3
  • Геометрический объем 3,2712 м3
Цена: 68240 руб.
Подробнее
К 30-12
Колонны Серия 1.420-6
  • Длина 13630 мм.
  • Ширина 400 мм.
  • Высота 600 мм.
  • Вес 8400 кг.
  • Объем бетона 3,35 м3
  • Геометрический объем 3,2712 м3
Цена: 68240 руб.
Подробнее
К 30-11-3
Колонны Серия 1.420-6
  • Длина 13630 мм.
  • Ширина 400 мм.
  • Высота 600 мм.
  • Вес 8400 кг.
  • Объем бетона 3,35 м3
  • Геометрический объем 3,2712 м3
Цена: 68240 руб.
Подробнее
К 30-12-1
Колонны Серия 1.420-6
  • Длина 13630 мм.
  • Ширина 400 мм.
  • Высота 600 мм.
  • Вес 8400 кг.
  • Объем бетона 3,35 м3
  • Геометрический объем 3,2712 м3
Цена: 68240 руб.
Подробнее
К 30-13
Колонны Серия 1.420-6
  • Длина 13630 мм.
  • Ширина 400 мм.
  • Высота 600 мм.
  • Вес 8400 кг.
  • Объем бетона 3,35 м3
  • Геометрический объем 3,2712 м3
Цена: 68240 руб.
Подробнее
К 30-12-5
Колонны Серия 1.420-6
  • Длина 13630 мм.
  • Ширина 400 мм.
  • Высота 600 мм.
  • Вес 8400 кг.
  • Объем бетона 3,35 м3
  • Геометрический объем 3,2712 м3
Цена: 68240 руб.
Подробнее
К 30-12-3
Колонны Серия 1.420-6
  • Длина 13630 мм.
  • Ширина 400 мм.
  • Высота 600 мм.
  • Вес 8400 кг.
  • Объем бетона 3,35 м3
  • Геометрический объем 3,2712 м3
Цена: 68240 руб.
Подробнее
К 30-13-1
Колонны Серия 1.420-6
  • Длина 13630 мм.
  • Ширина 400 мм.
  • Высота 600 мм.
  • Вес 8400 кг.
  • Объем бетона 3,35 м3
  • Геометрический объем 3,2712 м3
Цена: 68240 руб.
Подробнее
К 30-14-1
Колонны Серия 1.420-6
  • Длина 13630 мм.
  • Ширина 400 мм.
  • Высота 600 мм.
  • Вес 8400 кг.
  • Объем бетона 3,35 м3
  • Геометрический объем 3,2712 м3
Цена: 68240 руб.
Подробнее
К 30-13-3
Колонны Серия 1.420-6
  • Длина 13630 мм.
  • Ширина 400 мм.
  • Высота 600 мм.
  • Вес 8400 кг.
  • Объем бетона 3,35 м3
  • Геометрический объем 3,2712 м3
Цена: 68240 руб.
Подробнее
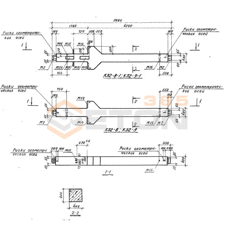
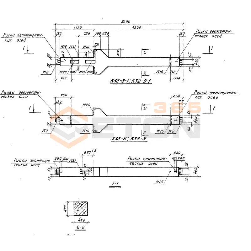
К 31-8-3
Колонны Серия 1.420-6
  • Длина 5980 мм.
  • Ширина 400 мм.
  • Высота 400 мм.
  • Вес 2500 кг.
  • Объем бетона 1,02 м3
  • Геометрический объем 0,9568 м3
Цена: 20777 руб.
Подробнее
К 30-14-3
Колонны Серия 1.420-6
  • Длина 13630 мм.
  • Ширина 400 мм.
  • Высота 600 мм.
  • Вес 8400 кг.
  • Объем бетона 3,35 м3
  • Геометрический объем 3,2712 м3
Цена: 68240 руб.
Подробнее
К 31-10-1
Колонны Серия 1.420-6
  • Длина 5980 мм.
  • Ширина 400 мм.
  • Высота 400 мм.
  • Вес 2500 кг.
  • Объем бетона 1,02 м3
  • Геометрический объем 0,9568 м3
Цена: 20777 руб.
Подробнее
К 31-8-5
Колонны Серия 1.420-6
  • Длина 5980 мм.
  • Ширина 400 мм.
  • Высота 400 мм.
  • Вес 2500 кг.
  • Объем бетона 1,02 м3
  • Геометрический объем 0,9568 м3
Цена: 20777 руб.
Подробнее
К 31-9-1
Колонны Серия 1.420-6
  • Длина 5980 мм.
  • Ширина 400 мм.
  • Высота 400 мм.
  • Вес 2500 кг.
  • Объем бетона 1,02 м3
  • Геометрический объем 0,9568 м3
Цена: 20777 руб.
Подробнее
К 31-9-3
Колонны Серия 1.420-6
  • Длина 5980 мм.
  • Ширина 400 мм.
  • Высота 400 мм.
  • Вес 2500 кг.
  • Объем бетона 1,02 м3
  • Геометрический объем 0,9568 м3
Цена: 20777 руб.
Подробнее
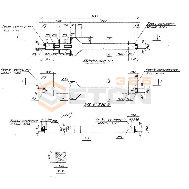
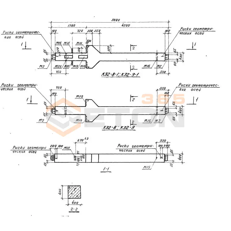
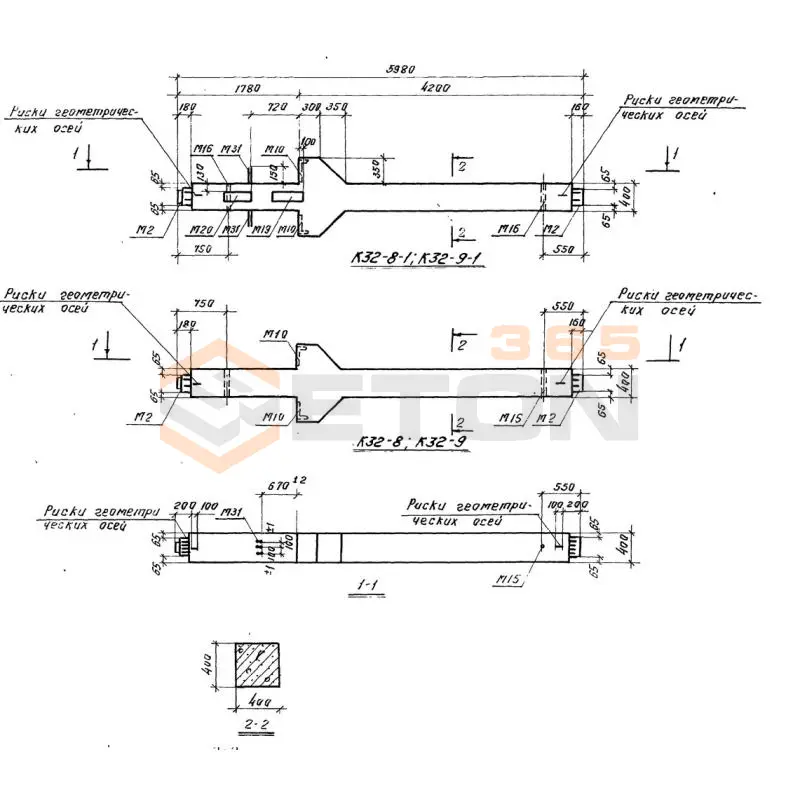
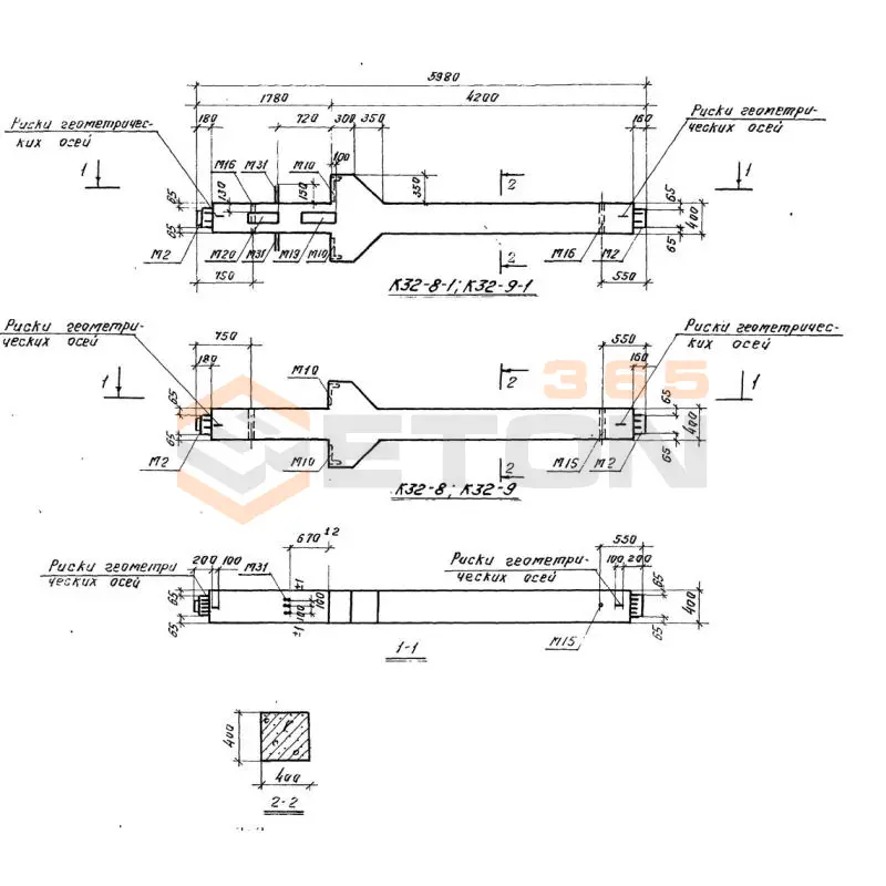
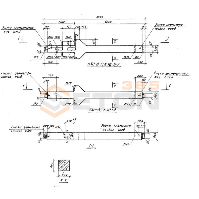
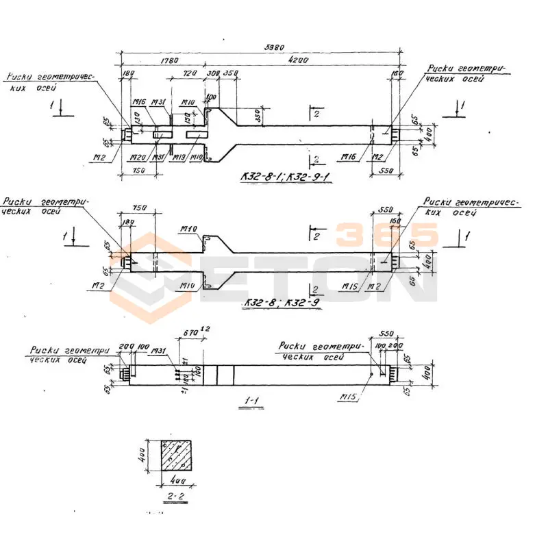
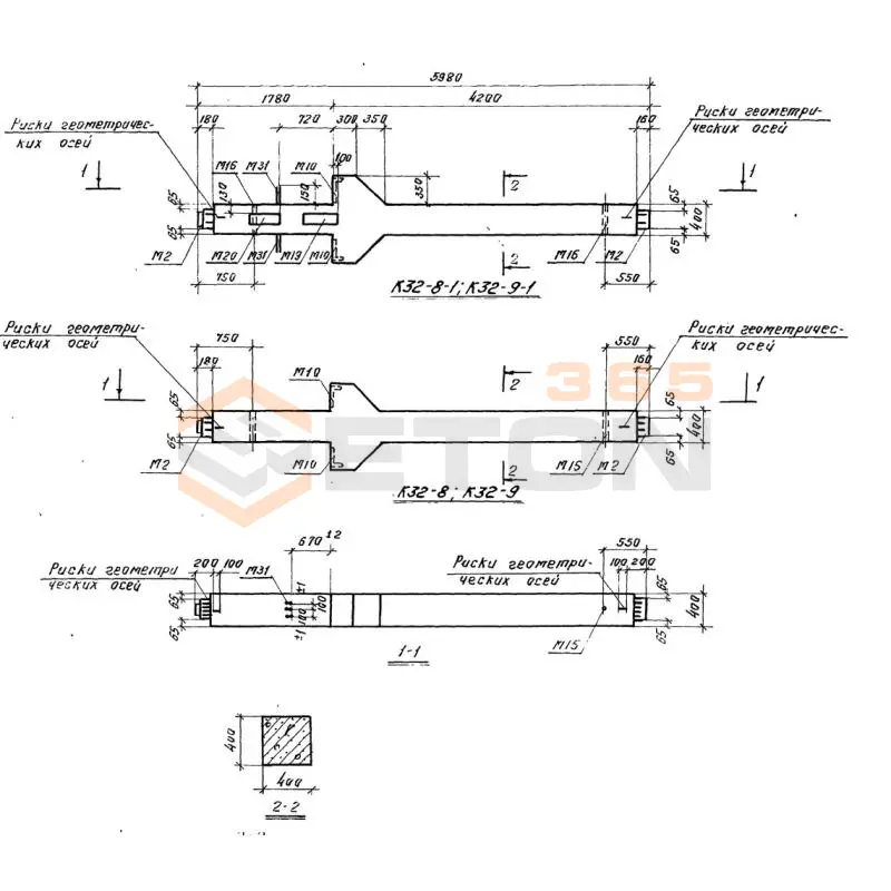
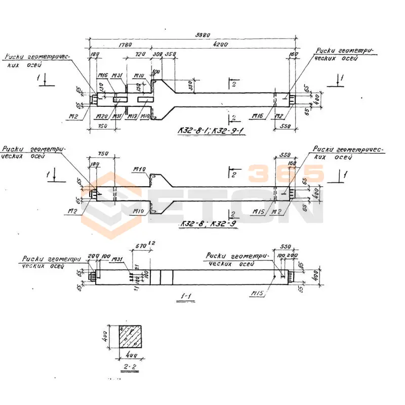
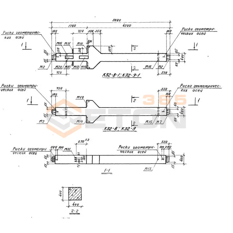
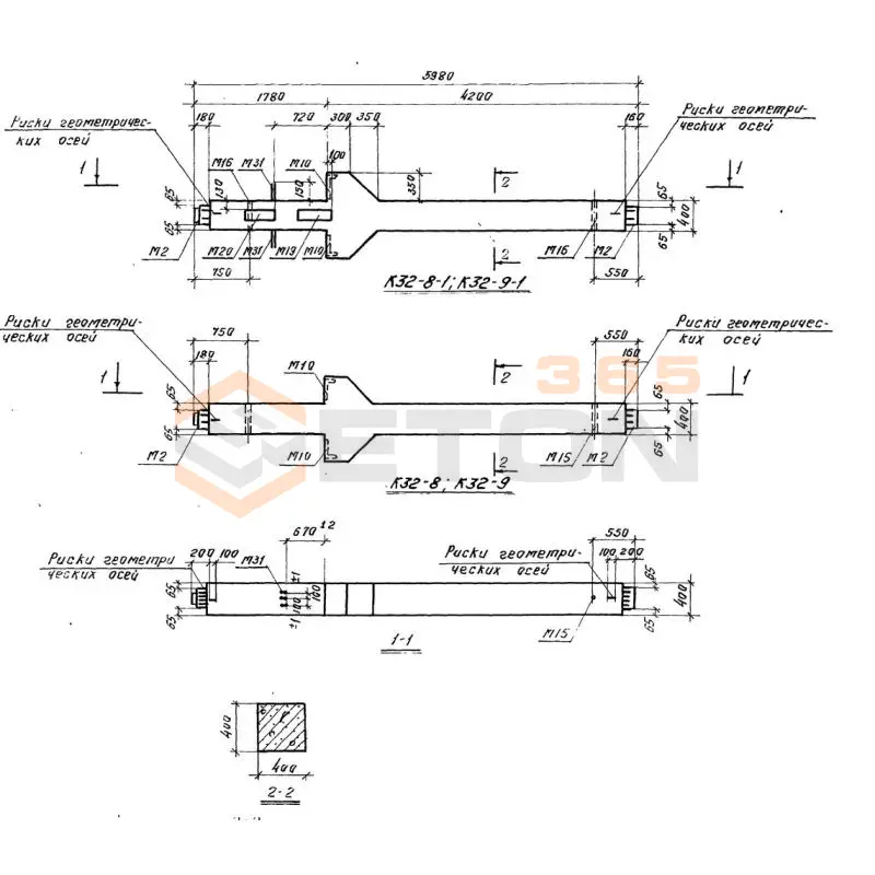
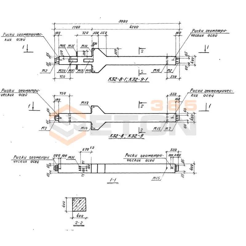
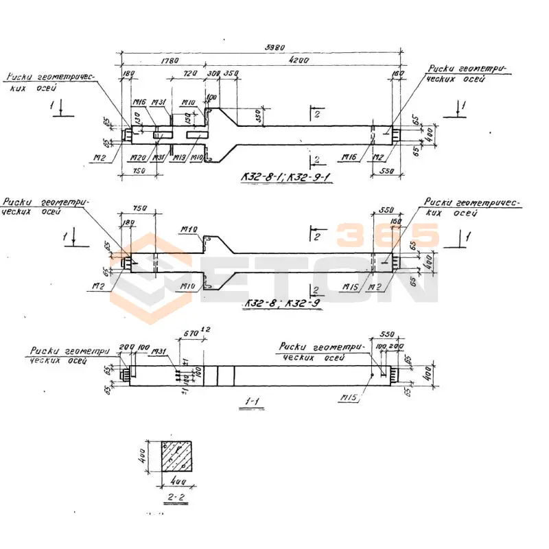
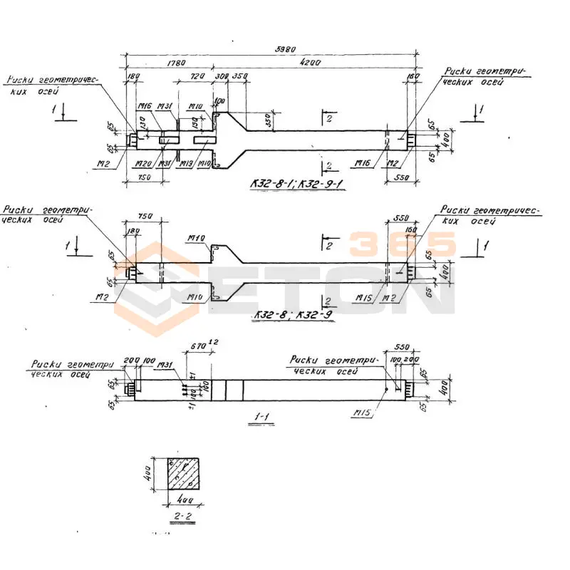
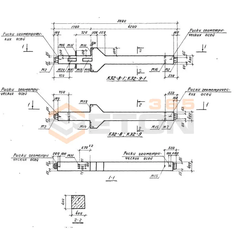
К 32-8-3
Колонны Серия 1.420-6
  • Длина 5980 мм.
  • Ширина 400 мм.
  • Высота 400 мм.
  • Вес 2700 кг.
  • Объем бетона 1,08 м3
  • Геометрический объем 0,9568 м3
Цена: 22000 руб.
Подробнее
К 32-8-1
Колонны Серия 1.420-6
  • Длина 5980 мм.
  • Ширина 400 мм.
  • Высота 400 мм.
  • Вес 2700 кг.
  • Объем бетона 1,08 м3
  • Геометрический объем 0,9568 м3
Цена: 22000 руб.
Подробнее
К 32-8
Колонны Серия 1.420-6
  • Длина 5980 мм.
  • Ширина 400 мм.
  • Высота 400 мм.
  • Вес 2700 кг.
  • Объем бетона 1,08 м3
  • Геометрический объем 0,9568 м3
Цена: 22000 руб.
Подробнее
К 32-8-5
Колонны Серия 1.420-6
  • Длина 5980 мм.
  • Ширина 400 мм.
  • Высота 400 мм.
  • Вес 2700 кг.
  • Объем бетона 1,08 м3
  • Геометрический объем 0,9568 м3
Цена: 22000 руб.
Подробнее
К 32-9
Колонны Серия 1.420-6
  • Длина 5980 мм.
  • Ширина 400 мм.
  • Высота 400 мм.
  • Вес 2700 кг.
  • Объем бетона 1,08 м3
  • Геометрический объем 0,9568 м3
Цена: 22000 руб.
Подробнее
К 32-9-1
Колонны Серия 1.420-6
  • Длина 5980 мм.
  • Ширина 400 мм.
  • Высота 400 мм.
  • Вес 2700 кг.
  • Объем бетона 1,08 м3
  • Геометрический объем 0,9568 м3
Цена: 22000 руб.
Подробнее
К 32-9-3
Колонны Серия 1.420-6
  • Длина 5980 мм.
  • Ширина 400 мм.
  • Высота 400 мм.
  • Вес 2700 кг.
  • Объем бетона 1,08 м3
  • Геометрический объем 0,9568 м3
Цена: 22000 руб.
Подробнее
К 33-10-3
Колонны Серия 1.420-6
  • Длина 14830 мм.
  • Ширина 400 мм.
  • Высота 600 мм.
  • Вес 8800 кг.
  • Объем бетона 3,5 м3
  • Геометрический объем 3,5592 м3
Цена: 71295 руб.
Подробнее
К 33-10-1
Колонны Серия 1.420-6
  • Длина 14830 мм.
  • Ширина 400 мм.
  • Высота 600 мм.
  • Вес 8800 кг.
  • Объем бетона 3,5 м3
  • Геометрический объем 3,5592 м3
Цена: 71295 руб.
Подробнее
К 33-11-1
Колонны Серия 1.420-6
  • Длина 14830 мм.
  • Ширина 400 мм.
  • Высота 600 мм.
  • Вес 8800 кг.
  • Объем бетона 3,5 м3
  • Геометрический объем 3,5592 м3
Цена: 71295 руб.
Подробнее
К 33-11-3
Колонны Серия 1.420-6
  • Длина 14830 мм.
  • Ширина 400 мм.
  • Высота 600 мм.
  • Вес 8800 кг.
  • Объем бетона 3,5 м3
  • Геометрический объем 3,5592 м3
Цена: 71295 руб.
Подробнее
К 33-8-3
Колонны Серия 1.420-6
  • Длина 14830 мм.
  • Ширина 400 мм.
  • Высота 600 мм.
  • Вес 8800 кг.
  • Объем бетона 3,5 м3
  • Геометрический объем 3,5592 м3
Цена: 71295 руб.
Подробнее
К 33-8-1
Колонны Серия 1.420-6
  • Длина 14830 мм.
  • Ширина 400 мм.
  • Высота 600 мм.
  • Вес 8800 кг.
  • Объем бетона 3,5 м3
  • Геометрический объем 3,5592 м3
Цена: 71295 руб.
Подробнее
К 33-8-5
Колонны Серия 1.420-6
  • Длина 14830 мм.
  • Ширина 400 мм.
  • Высота 600 мм.
  • Вес 8800 кг.
  • Объем бетона 3,5 м3
  • Геометрический объем 3,5592 м3
Цена: 71295 руб.
Подробнее
К 33-9-1
Колонны Серия 1.420-6
  • Длина 14830 мм.
  • Ширина 400 мм.
  • Высота 600 мм.
  • Вес 8800 кг.
  • Объем бетона 3,5 м3
  • Геометрический объем 3,5592 м3
Цена: 71295 руб.
Подробнее
К 33-9-3
Колонны Серия 1.420-6
  • Длина 14830 мм.
  • Ширина 400 мм.
  • Высота 600 мм.
  • Вес 8800 кг.
  • Объем бетона 3,5 м3
  • Геометрический объем 3,5592 м3
Цена: 71295 руб.
Подробнее
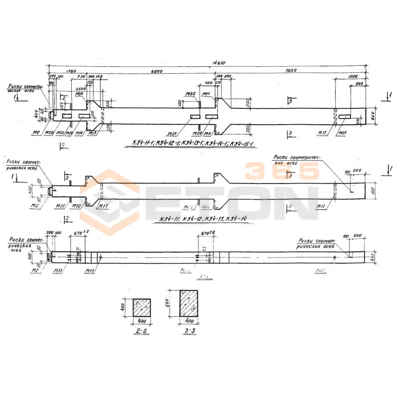
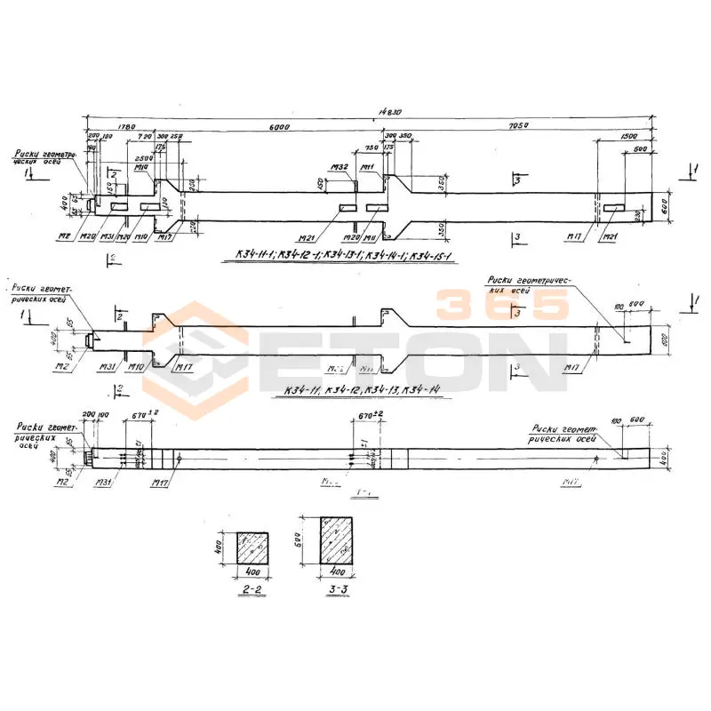
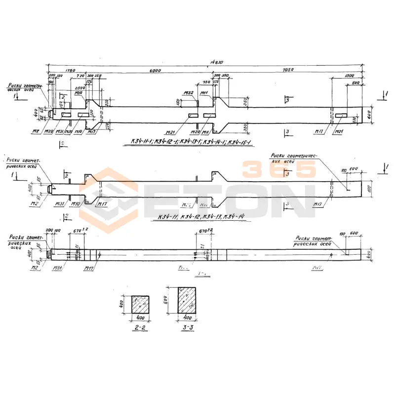
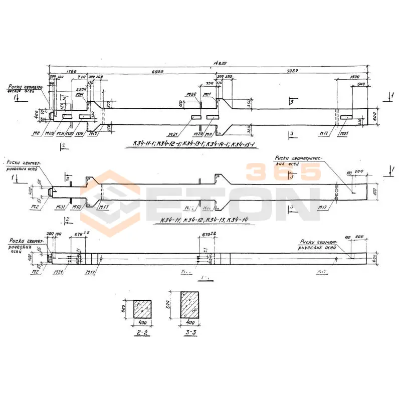
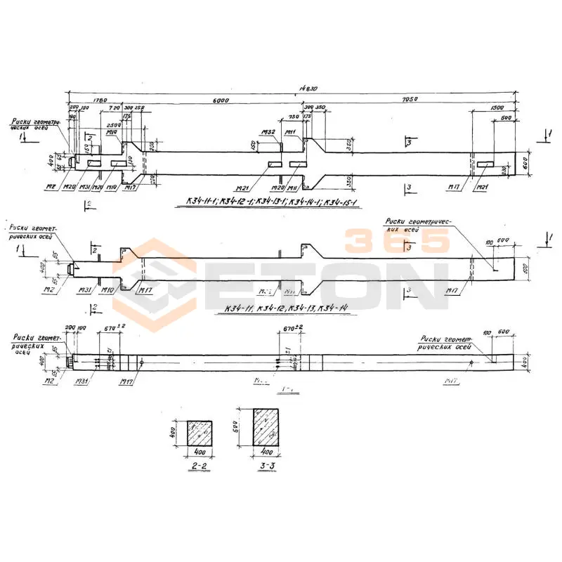
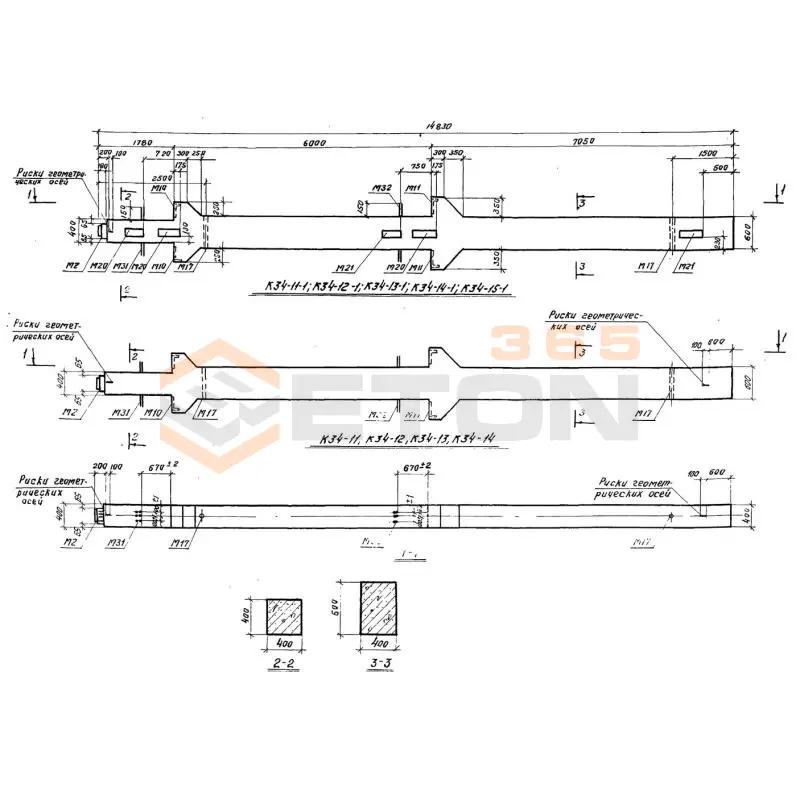
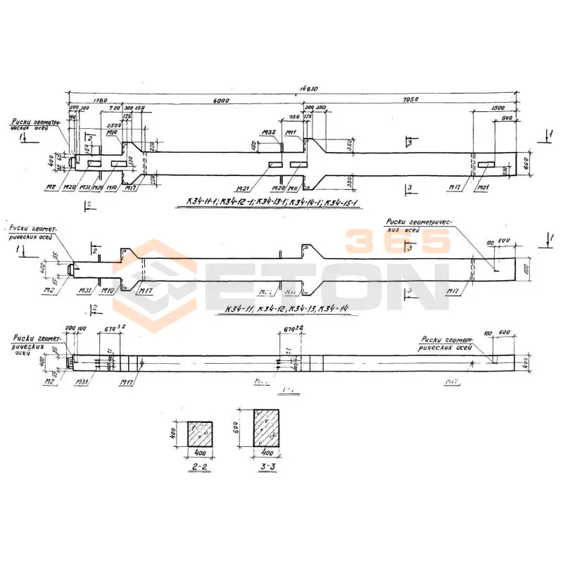
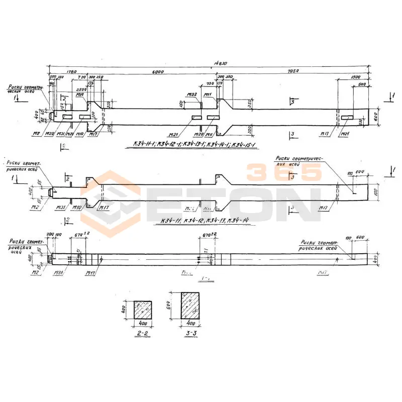
К 34-11
Колонны Серия 1.420-6
  • Длина 14830 мм.
  • Ширина 400 мм.
  • Высота 600 мм.
  • Вес 9100 кг.
  • Объем бетона 3,64 м3
  • Геометрический объем 3,5592 м3
Цена: 74147 руб.
Подробнее
К 34-11-1
Колонны Серия 1.420-6
  • Длина 14830 мм.
  • Ширина 400 мм.
  • Высота 600 мм.
  • Вес 9100 кг.
  • Объем бетона 3,64 м3
  • Геометрический объем 3,5592 м3
Цена: 74147 руб.
Подробнее
К 34-11-3
Колонны Серия 1.420-6
  • Длина 14830 мм.
  • Ширина 400 мм.
  • Высота 600 мм.
  • Вес 9100 кг.
  • Объем бетона 3,64 м3
  • Геометрический объем 3,5592 м3
Цена: 74147 руб.
Подробнее
К 34-11-5
Колонны Серия 1.420-6
  • Длина 14830 мм.
  • Ширина 400 мм.
  • Высота 600 мм.
  • Вес 9100 кг.
  • Объем бетона 3,64 м3
  • Геометрический объем 3,5592 м3
Цена: 74147 руб.
Подробнее
К 34-12
Колонны Серия 1.420-6
  • Длина 14830 мм.
  • Ширина 400 мм.
  • Высота 600 мм.
  • Вес 9100 кг.
  • Объем бетона 3,64 м3
  • Геометрический объем 3,5592 м3
Цена: 74147 руб.
Подробнее
К 34-12-1
Колонны Серия 1.420-6
  • Длина 14830 мм.
  • Ширина 400 мм.
  • Высота 600 мм.
  • Вес 9100 кг.
  • Объем бетона 3,64 м3
  • Геометрический объем 3,5592 м3
Цена: 74147 руб.
Подробнее
К 34-13-1
Колонны Серия 1.420-6
  • Длина 14830 мм.
  • Ширина 400 мм.
  • Высота 600 мм.
  • Вес 9100 кг.
  • Объем бетона 3,64 м3
  • Геометрический объем 3,5592 м3
Цена: 74147 руб.
Подробнее
К 34-12-3
Колонны Серия 1.420-6
  • Длина 14830 мм.
  • Ширина 400 мм.
  • Высота 600 мм.
  • Вес 9100 кг.
  • Объем бетона 3,64 м3
  • Геометрический объем 3,5592 м3
Цена: 74147 руб.
Подробнее
К 34-13
Колонны Серия 1.420-6
  • Длина 14830 мм.
  • Ширина 400 мм.
  • Высота 600 мм.
  • Вес 9100 кг.
  • Объем бетона 3,64 м3
  • Геометрический объем 3,5592 м3
Цена: 74147 руб.
Подробнее

Уведомление о файлах cookie

Мы используем файлы cookie для улучшения вашего опыта просмотра и анализа трафика. Нажимая "Принять все", вы соглашаетесь с нашей политикой конфиденциальности и политикой обработки файлов cookie.

Дзен Телеграм Вконтакте vk