mobile_sound +7 (930) 655-55-90

Железобетонные опоры линий электропередачи. Рабочие чертежи (Серия 1.420-6)

Поделиться:
Поделиться:

Документ Серия 1.420-6 описывает область применения, номенклатуру и ключевые требования, опираясь на действующие нормы и практику проектирования. Серия 1.420-6 была разработана ЦНИИПРОМЗДАНИЙ совместно с НИИЖБ и НИИСК, введён в действие в действие с 1978 года. Нормативный документ состоит из шестнадцати выпусков, в которых изложено максимально подробное описание ригелей и колонн, применяемых при строительстве многоэтажных производственных зданий, имеющих сетку колонн 12х6 метров. Для увеличения числа регламентов с применением представленных конструкций в расчеты приняты нормативные нагрузки 500, 750 и 1000 кгс/м2.

Файлы для скачивания:
picture_as_pdf

2402.pdf

37,097.6 KB

скачать
picture_as_pdf

2404.pdf

1,182.1 KB

скачать
picture_as_pdf

2405.pdf

33,143.4 KB

скачать
picture_as_pdf

2406.pdf

34,728.1 KB

скачать
picture_as_pdf

2417.pdf

3,527.0 KB

скачать
picture_as_pdf

2407.pdf

27,699.9 KB

скачать
picture_as_pdf

2408.pdf

31,888.6 KB

скачать
picture_as_pdf

2409.pdf

38,403.3 KB

скачать
picture_as_pdf

2410.pdf

9,406.2 KB

скачать
picture_as_pdf

2411.pdf

3,843.0 KB

скачать
picture_as_pdf

2412.pdf

2,642.5 KB

скачать
picture_as_pdf

2413.pdf

1,151.2 KB

скачать
picture_as_pdf

2414.pdf

22,235.4 KB

скачать
picture_as_pdf

2415.pdf

56,499.6 KB

скачать
picture_as_pdf

2416.pdf

9,054.9 KB

скачать
picture_as_pdf

2403.pdf

1,477.8 KB

скачать
Товары Серия 1.420-6 (60)
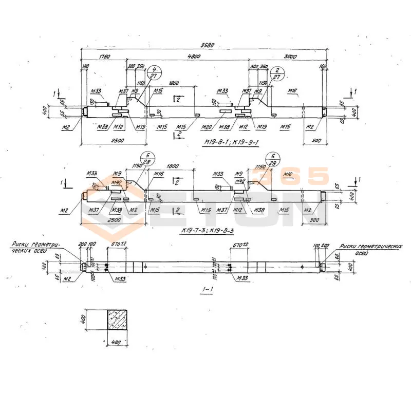
К 19-9-1
Колонны Серия 1.420-6
  • Длина 9580 мм.
  • Ширина 400 мм.
  • Высота 400 мм.
  • Вес 4200 кг.
  • Объем бетона 1,66 м3
  • Геометрический объем 1,5328 м3
Цена: 33814 руб.
Подробнее
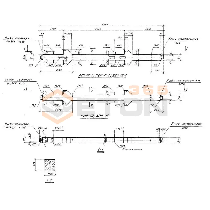
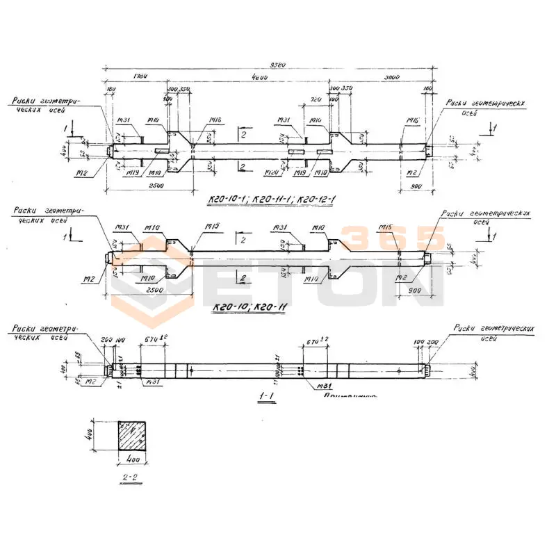
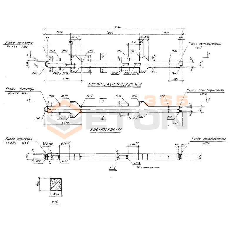
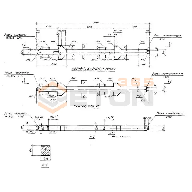
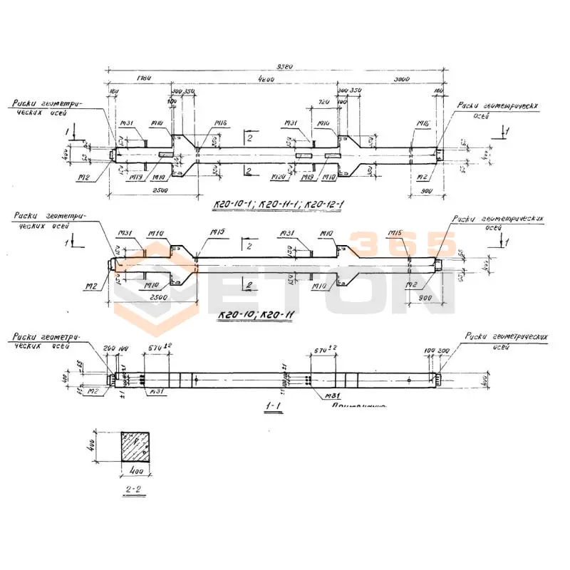
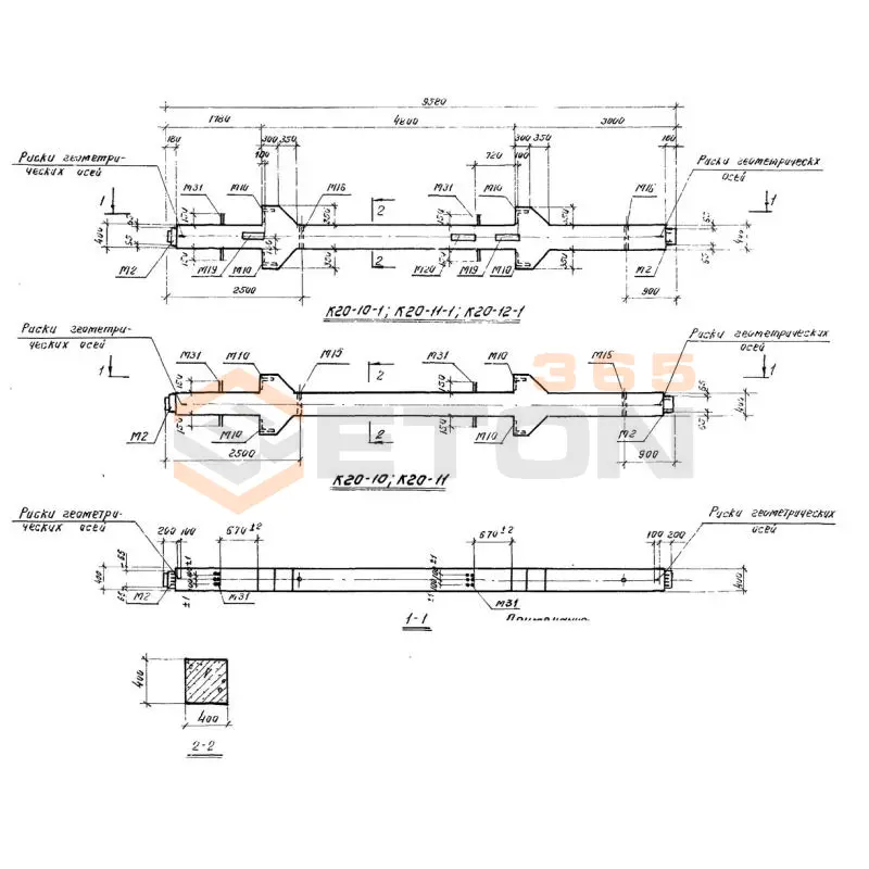
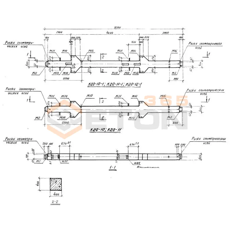
К 20-10
Колонны Серия 1.420-6
  • Длина 9580 мм.
  • Ширина 400 мм.
  • Высота 400 мм.
  • Вес 4500 кг.
  • Объем бетона 1,8 м3
  • Геометрический объем 1,5328 м3
Цена: 36666 руб.
Подробнее
К 20-10-3
Колонны Серия 1.420-6
  • Длина 9580 мм.
  • Ширина 400 мм.
  • Высота 400 мм.
  • Вес 4500 кг.
  • Объем бетона 1,8 м3
  • Геометрический объем 1,5328 м3
Цена: 36666 руб.
Подробнее
К 20-11
Колонны Серия 1.420-6
  • Длина 9580 мм.
  • Ширина 400 мм.
  • Высота 400 мм.
  • Вес 4500 кг.
  • Объем бетона 1,8 м3
  • Геометрический объем 1,5328 м3
Цена: 36666 руб.
Подробнее
К 20-10-1
Колонны Серия 1.420-6
  • Длина 9580 мм.
  • Ширина 400 мм.
  • Высота 400 мм.
  • Вес 4500 кг.
  • Объем бетона 1,8 м3
  • Геометрический объем 1,5328 м3
Цена: 36666 руб.
Подробнее
К 20-10-5
Колонны Серия 1.420-6
  • Длина 9580 мм.
  • Ширина 400 мм.
  • Высота 400 мм.
  • Вес 4500 кг.
  • Объем бетона 1,8 м3
  • Геометрический объем 1,5328 м3
Цена: 36666 руб.
Подробнее
К 20-11-1
Колонны Серия 1.420-6
  • Длина 9580 мм.
  • Ширина 400 мм.
  • Высота 400 мм.
  • Вес 4500 кг.
  • Объем бетона 1,8 м3
  • Геометрический объем 1,5328 м3
Цена: 36666 руб.
Подробнее
К 20-11-3
Колонны Серия 1.420-6
  • Длина 9580 мм.
  • Ширина 400 мм.
  • Высота 400 мм.
  • Вес 4500 кг.
  • Объем бетона 1,8 м3
  • Геометрический объем 1,5328 м3
Цена: 36666 руб.
Подробнее
К 20-12-1
Колонны Серия 1.420-6
  • Длина 9580 мм.
  • Ширина 400 мм.
  • Высота 400 мм.
  • Вес 4500 кг.
  • Объем бетона 1,8 м3
  • Геометрический объем 1,5328 м3
Цена: 36666 руб.
Подробнее
К 21-7-5
Колонны Серия 1.420-6
  • Длина 12430 мм.
  • Ширина 400 мм.
  • Высота 400 мм.
  • Вес 5300 кг.
  • Объем бетона 2,12 м3
  • Геометрический объем 1,9888 м3
Цена: 43184 руб.
Подробнее
К 21-7-3
Колонны Серия 1.420-6
  • Длина 12430 мм.
  • Ширина 400 мм.
  • Высота 400 мм.
  • Вес 5300 кг.
  • Объем бетона 2,12 м3
  • Геометрический объем 1,9888 м3
Цена: 43184 руб.
Подробнее
К 21-7-1
Колонны Серия 1.420-6
  • Длина 12430 мм.
  • Ширина 400 мм.
  • Высота 400 мм.
  • Вес 5300 кг.
  • Объем бетона 2,12 м3
  • Геометрический объем 1,9888 м3
Цена: 43184 руб.
Подробнее
К 21-8-1
Колонны Серия 1.420-6
  • Длина 12430 мм.
  • Ширина 400 мм.
  • Высота 400 мм.
  • Вес 5300 кг.
  • Объем бетона 2,12 м3
  • Геометрический объем 1,9888 м3
Цена: 43184 руб.
Подробнее
К 21-9-1
Колонны Серия 1.420-6
  • Длина 12430 мм.
  • Ширина 400 мм.
  • Высота 400 мм.
  • Вес 5300 кг.
  • Объем бетона 2,12 м3
  • Геометрический объем 1,9888 м3
Цена: 43184 руб.
Подробнее
К 21-8-3
Колонны Серия 1.420-6
  • Длина 12430 мм.
  • Ширина 400 мм.
  • Высота 400 мм.
  • Вес 5300 кг.
  • Объем бетона 2,12 м3
  • Геометрический объем 1,9888 м3
Цена: 43184 руб.
Подробнее
К 22-10-3
Колонны Серия 1.420-6
  • Длина 12430 мм.
  • Ширина 400 мм.
  • Высота 400 мм.
  • Вес 5600 кг.
  • Объем бетона 2,25 м3
  • Геометрический объем 1,9888 м3
Цена: 45833 руб.
Подробнее
К 22-10
Колонны Серия 1.420-6
  • Длина 12430 мм.
  • Ширина 400 мм.
  • Высота 400 мм.
  • Вес 5600 кг.
  • Объем бетона 2,25 м3
  • Геометрический объем 1,9888 м3
Цена: 45833 руб.
Подробнее
К 22-10-1
Колонны Серия 1.420-6
  • Длина 12430 мм.
  • Ширина 400 мм.
  • Высота 400 мм.
  • Вес 5600 кг.
  • Объем бетона 2,25 м3
  • Геометрический объем 1,9888 м3
Цена: 45833 руб.
Подробнее
К 22-11-1
Колонны Серия 1.420-6
  • Длина 12430 мм.
  • Ширина 400 мм.
  • Высота 400 мм.
  • Вес 5600 кг.
  • Объем бетона 2,25 м3
  • Геометрический объем 1,9888 м3
Цена: 45833 руб.
Подробнее
К 22-8
Колонны Серия 1.420-6
  • Длина 12430 мм.
  • Ширина 400 мм.
  • Высота 400 мм.
  • Вес 5600 кг.
  • Объем бетона 2,25 м3
  • Геометрический объем 1,9888 м3
Цена: 45833 руб.
Подробнее
К 22-8-5
Колонны Серия 1.420-6
  • Длина 12430 мм.
  • Ширина 400 мм.
  • Высота 400 мм.
  • Вес 5600 кг.
  • Объем бетона 2,25 м3
  • Геометрический объем 1,9888 м3
Цена: 45833 руб.
Подробнее
К 22-8-1
Колонны Серия 1.420-6
  • Длина 12430 мм.
  • Ширина 400 мм.
  • Высота 400 мм.
  • Вес 5600 кг.
  • Объем бетона 2,25 м3
  • Геометрический объем 1,9888 м3
Цена: 45833 руб.
Подробнее
К 22-8-3
Колонны Серия 1.420-6
  • Длина 12430 мм.
  • Ширина 400 мм.
  • Высота 400 мм.
  • Вес 5600 кг.
  • Объем бетона 2,25 м3
  • Геометрический объем 1,9888 м3
Цена: 45833 руб.
Подробнее
К 22-9
Колонны Серия 1.420-6
  • Длина 12430 мм.
  • Ширина 400 мм.
  • Высота 400 мм.
  • Вес 5600 кг.
  • Объем бетона 2,25 м3
  • Геометрический объем 1,9888 м3
Цена: 45833 руб.
Подробнее
К 22-9-1
Колонны Серия 1.420-6
  • Длина 12430 мм.
  • Ширина 400 мм.
  • Высота 400 мм.
  • Вес 5600 кг.
  • Объем бетона 2,25 м3
  • Геометрический объем 1,9888 м3
Цена: 45833 руб.
Подробнее
К 22-9-3
Колонны Серия 1.420-6
  • Длина 12430 мм.
  • Ширина 400 мм.
  • Высота 400 мм.
  • Вес 5600 кг.
  • Объем бетона 2,25 м3
  • Геометрический объем 1,9888 м3
Цена: 45833 руб.
Подробнее
К 23-12-1
Колонны Серия 1.420-6
  • Длина 12430 мм.
  • Ширина 400 мм.
  • Высота 600 мм.
  • Вес 7300 кг.
  • Объем бетона 2,93 м3
  • Геометрический объем 2,9832 м3
Цена: 59684 руб.
Подробнее
К 23-11-3
Колонны Серия 1.420-6
  • Длина 12430 мм.
  • Ширина 400 мм.
  • Высота 600 мм.
  • Вес 7300 кг.
  • Объем бетона 2,93 м3
  • Геометрический объем 2,9832 м3
Цена: 59684 руб.
Подробнее
К 23-13-1
Колонны Серия 1.420-6
  • Длина 12430 мм.
  • Ширина 400 мм.
  • Высота 600 мм.
  • Вес 7300 кг.
  • Объем бетона 2,93 м3
  • Геометрический объем 2,9832 м3
Цена: 59684 руб.
Подробнее
К 23-11-1
Колонны Серия 1.420-6
  • Длина 12430 мм.
  • Ширина 400 мм.
  • Высота 600 мм.
  • Вес 7300 кг.
  • Объем бетона 2,93 м3
  • Геометрический объем 2,9832 м3
Цена: 59684 руб.
Подробнее
К 23-11-5
Колонны Серия 1.420-6
  • Длина 12430 мм.
  • Ширина 400 мм.
  • Высота 600 мм.
  • Вес 7300 кг.
  • Объем бетона 2,93 м3
  • Геометрический объем 2,9832 м3
Цена: 59684 руб.
Подробнее
К 23-12-3
Колонны Серия 1.420-6
  • Длина 12430 мм.
  • Ширина 400 мм.
  • Высота 600 мм.
  • Вес 7300 кг.
  • Объем бетона 2,93 м3
  • Геометрический объем 2,9832 м3
Цена: 59684 руб.
Подробнее
К 23-13-3
Колонны Серия 1.420-6
  • Длина 12430 мм.
  • Ширина 400 мм.
  • Высота 600 мм.
  • Вес 7300 кг.
  • Объем бетона 2,93 м3
  • Геометрический объем 2,9832 м3
Цена: 59684 руб.
Подробнее
К 23-14-1
Колонны Серия 1.420-6
  • Длина 12430 мм.
  • Ширина 400 мм.
  • Высота 600 мм.
  • Вес 7300 кг.
  • Объем бетона 2,93 м3
  • Геометрический объем 2,9832 м3
Цена: 59684 руб.
Подробнее
К 24-12-1
Колонны Серия 1.420-6
  • Длина 12430 мм.
  • Ширина 400 мм.
  • Высота 600 мм.
  • Вес 7600 кг.
  • Объем бетона 3,05 м3
  • Геометрический объем 2,9832 м3
Цена: 62129 руб.
Подробнее
К 24-12
Колонны Серия 1.420-6
  • Длина 12430 мм.
  • Ширина 400 мм.
  • Высота 600 мм.
  • Вес 7600 кг.
  • Объем бетона 3,05 м3
  • Геометрический объем 2,9832 м3
Цена: 62129 руб.
Подробнее
К 24-13
Колонны Серия 1.420-6
  • Длина 12430 мм.
  • Ширина 400 мм.
  • Высота 600 мм.
  • Вес 7600 кг.
  • Объем бетона 3,05 м3
  • Геометрический объем 2,9832 м3
Цена: 62129 руб.
Подробнее
К 24-12-3
Колонны Серия 1.420-6
  • Длина 12430 мм.
  • Ширина 400 мм.
  • Высота 600 мм.
  • Вес 7600 кг.
  • Объем бетона 3,05 м3
  • Геометрический объем 2,9832 м3
Цена: 62129 руб.
Подробнее
К 24-13-1
Колонны Серия 1.420-6
  • Длина 12430 мм.
  • Ширина 400 мм.
  • Высота 600 мм.
  • Вес 7600 кг.
  • Объем бетона 3,05 м3
  • Геометрический объем 2,9832 м3
Цена: 62129 руб.
Подробнее
К 24-13-3
Колонны Серия 1.420-6
  • Длина 12430 мм.
  • Ширина 400 мм.
  • Высота 600 мм.
  • Вес 7600 кг.
  • Объем бетона 3,05 м3
  • Геометрический объем 2,9832 м3
Цена: 62129 руб.
Подробнее
К 24-13-5
Колонны Серия 1.420-6
  • Длина 12430 мм.
  • Ширина 400 мм.
  • Высота 600 мм.
  • Вес 7600 кг.
  • Объем бетона 3,05 м3
  • Геометрический объем 2,9832 м3
Цена: 62129 руб.
Подробнее
К 24-14
Колонны Серия 1.420-6
  • Длина 12430 мм.
  • Ширина 400 мм.
  • Высота 600 мм.
  • Вес 7600 кг.
  • Объем бетона 3,05 м3
  • Геометрический объем 2,9832 м3
Цена: 62129 руб.
Подробнее
К 24-14-1
Колонны Серия 1.420-6
  • Длина 12430 мм.
  • Ширина 400 мм.
  • Высота 600 мм.
  • Вес 7600 кг.
  • Объем бетона 3,05 м3
  • Геометрический объем 2,9832 м3
Цена: 62129 руб.
Подробнее
К 24-14-3
Колонны Серия 1.420-6
  • Длина 12430 мм.
  • Ширина 400 мм.
  • Высота 600 мм.
  • Вес 7600 кг.
  • Объем бетона 3,05 м3
  • Геометрический объем 2,9832 м3
Цена: 62129 руб.
Подробнее
К 24-15
Колонны Серия 1.420-6
  • Длина 12430 мм.
  • Ширина 400 мм.
  • Высота 600 мм.
  • Вес 7600 кг.
  • Объем бетона 3,05 м3
  • Геометрический объем 2,9832 м3
Цена: 62129 руб.
Подробнее
К 24-15-1
Колонны Серия 1.420-6
  • Длина 12430 мм.
  • Ширина 400 мм.
  • Высота 600 мм.
  • Вес 7600 кг.
  • Объем бетона 3,05 м3
  • Геометрический объем 2,9832 м3
Цена: 62129 руб.
Подробнее
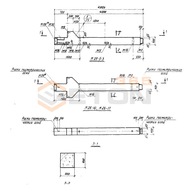
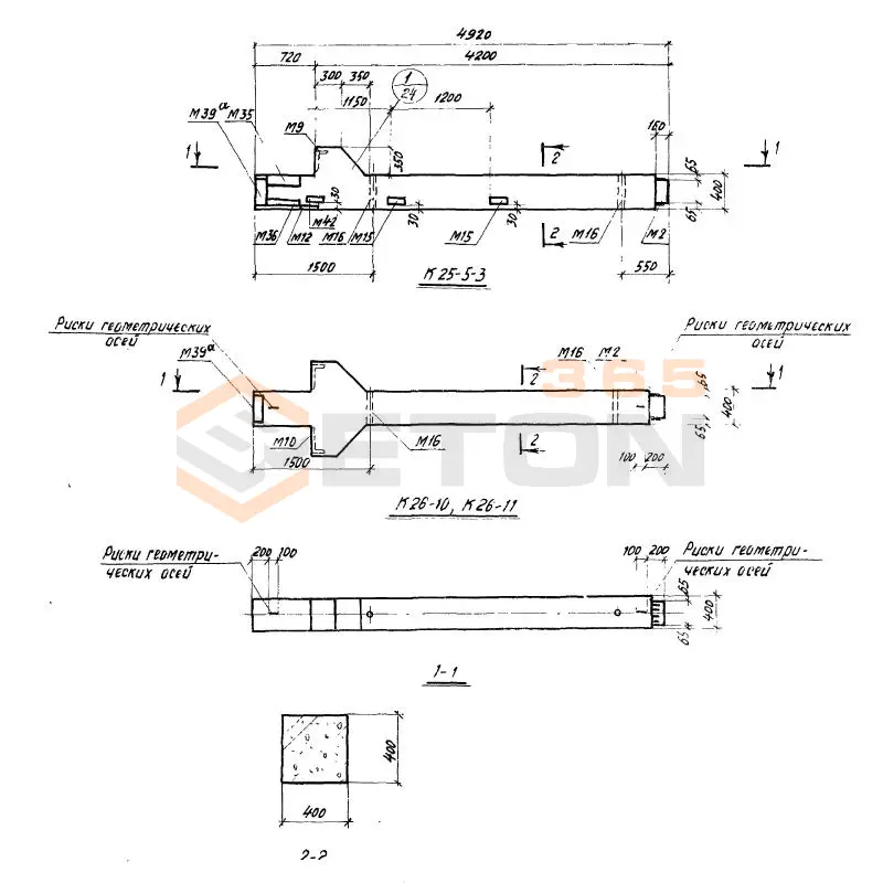
К 25-5-3
Колонны Серия 1.420-6
  • Длина 4920 мм.
  • Ширина 400 мм.
  • Высота 400 мм.
  • Вес 2100 кг.
  • Объем бетона 0,86 м3
  • Геометрический объем 0,7872 м3
Цена: 17518 руб.
Подробнее
К 25-5-5
Колонны Серия 1.420-6
  • Длина 4920 мм.
  • Ширина 400 мм.
  • Высота 400 мм.
  • Вес 2100 кг.
  • Объем бетона 0,86 м3
  • Геометрический объем 0,7872 м3
Цена: 17518 руб.
Подробнее
К 24-15-3
Колонны Серия 1.420-6
  • Длина 12430 мм.
  • Ширина 400 мм.
  • Высота 600 мм.
  • Вес 7600 кг.
  • Объем бетона 3,05 м3
  • Геометрический объем 2,9832 м3
Цена: 62129 руб.
Подробнее
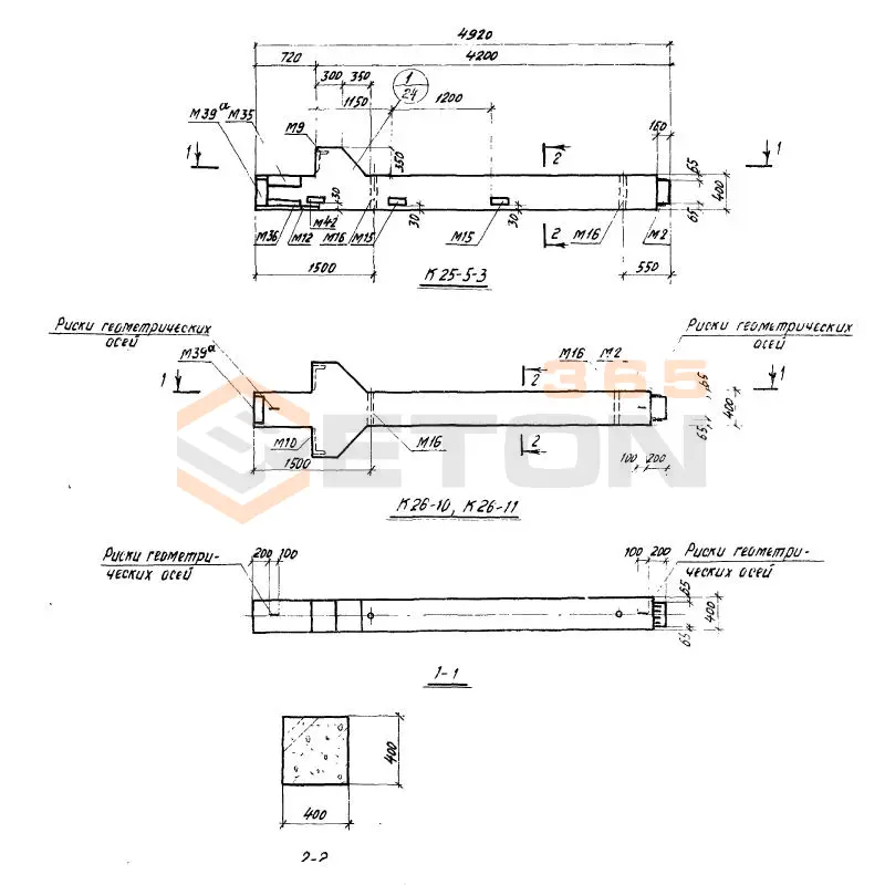
К 26-10
Колонны Серия 1.420-6
  • Длина 4920 мм.
  • Ширина 400 мм.
  • Высота 400 мм.
  • Вес 2300 кг.
  • Объем бетона 0,92 м3
  • Геометрический объем 0,7872 м3
Цена: 18740 руб.
Подробнее
К 26-10-5
Колонны Серия 1.420-6
  • Длина 4920 мм.
  • Ширина 400 мм.
  • Высота 400 мм.
  • Вес 2300 кг.
  • Объем бетона 0,92 м3
  • Геометрический объем 0,7872 м3
Цена: 18740 руб.
Подробнее
К 27-6-1
Колонны Серия 1.420-6
  • Длина 13630 мм.
  • Ширина 400 мм.
  • Высота 400 мм.
  • Вес 5800 кг.
  • Объем бетона 2,31 м3
  • Геометрический объем 2,1808 м3
Цена: 47055 руб.
Подробнее
К 27-6-3
Колонны Серия 1.420-6
  • Длина 13630 мм.
  • Ширина 400 мм.
  • Высота 400 мм.
  • Вес 5800 кг.
  • Объем бетона 2,31 м3
  • Геометрический объем 2,1808 м3
Цена: 47055 руб.
Подробнее
К 27-6-5
Колонны Серия 1.420-6
  • Длина 13630 мм.
  • Ширина 400 мм.
  • Высота 400 мм.
  • Вес 5800 кг.
  • Объем бетона 2,31 м3
  • Геометрический объем 2,1808 м3
Цена: 47055 руб.
Подробнее
К 26-11
Колонны Серия 1.420-6
  • Длина 4920 мм.
  • Ширина 400 мм.
  • Высота 400 мм.
  • Вес 2300 кг.
  • Объем бетона 0,92 м3
  • Геометрический объем 0,7872 м3
Цена: 18740 руб.
Подробнее
К 27-7-1
Колонны Серия 1.420-6
  • Длина 13630 мм.
  • Ширина 400 мм.
  • Высота 400 мм.
  • Вес 5800 кг.
  • Объем бетона 2,31 м3
  • Геометрический объем 2,1808 м3
Цена: 47055 руб.
Подробнее
К 28-3-1
Колонны Серия 1.420-6
  • Длина 13630 мм.
  • Ширина 400 мм.
  • Высота 400 мм.
  • Вес 6200 кг.
  • Объем бетона 2,45 м3
  • Геометрический объем 2,1808 м3
Цена: 49907 руб.
Подробнее
К 27-8-1
Колонны Серия 1.420-6
  • Длина 13630 мм.
  • Ширина 400 мм.
  • Высота 400 мм.
  • Вес 5800 кг.
  • Объем бетона 2,31 м3
  • Геометрический объем 2,1808 м3
Цена: 47055 руб.
Подробнее
К 28-3
Колонны Серия 1.420-6
  • Длина 13630 мм.
  • Ширина 400 мм.
  • Высота 400 мм.
  • Вес 6200 кг.
  • Объем бетона 2,45 м3
  • Геометрический объем 2,1808 м3
Цена: 49907 руб.
Подробнее
К 28-3-3
Колонны Серия 1.420-6
  • Длина 13630 мм.
  • Ширина 400 мм.
  • Высота 400 мм.
  • Вес 6200 кг.
  • Объем бетона 2,45 м3
  • Геометрический объем 2,1808 м3
Цена: 49907 руб.
Подробнее

Уведомление о файлах cookie

Мы используем файлы cookie для улучшения вашего опыта просмотра и анализа трафика. Нажимая "Принять все", вы соглашаетесь с нашей политикой конфиденциальности и политикой обработки файлов cookie.

Дзен Телеграм Вконтакте vk