mobile_sound +7 (930) 655-55-90
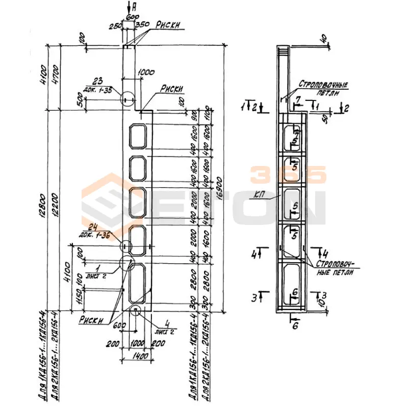
Колонны двухветвевые Серия 1.424.1-9 6КД 180-11,4

Колонны двухветвевые Серия 1.424.1-9 6КД 180-11,4

Поделиться:
  • ГОСТ, Серия Не выбрано
  • Длина 19300 мм.
  • Ширина 700 мм.
  • Высота 500 мм.
  • Вес 21700 кг.
  • Объем бетона 8,7 м3
  • Геометрический объем 6,755 м3
Внешний вид товаров и/или упаковки может быть изменён изготовителем и отличаться от изображенных на .
Цена: 177219 руб.
credit_card
Принимаем оплату в любой форме
delivery_truck_speed
Доставка по МСК и МО
deployed_code_history
Круглосуточная отгрузка товара без выходных
hand_package
Срок поставки на следующий день
star_shine
Контроль качества на каждом этапе

Стандарт изготовления изделия: Серия 1.424.1-9

Колонны двухветвевые 6КД 180-11,4 представляют собой надежные железобетонные конструкции, специально разработанные для промышленного строительства. Эти массивные элементы каркаса изготавливаются из тяжелого армированного бетона высшего качества, что обеспечивает их исключительную прочность и долговечность. Главная особенность таких колонн - их уникальная конструкция с расходящимися в нижней части двумя ветвями, между которыми установлены прочные распорки. Это решение позволяет организовать удобные проходы для обслуживания крановых путей в промышленных зданиях.

Каждая ветвь колонны имеет сплошное прямоугольное сечение, что значительно повышает устойчивость конструкции. Для надежного крепления к фундаменту в нижней части предусмотрен специальный стальной башмак с технологическими прорезями. Эти отверстия предназначены для анкерных болтов и других видов крепежа, обеспечивающих прочное соединение с основанием.

Основные функции и характеристики

В строительных конструкциях двухветвевые железобетонные колонны выполняют важнейшую роль - они принимают на себя как вертикальные, так и горизонтальные нагрузки, включая временные воздействия. Эти изделия демонстрируют отличные эксплуатационные качества в условиях неагрессивной и слабоагрессивной среды. Особо стоит отметить их сейсмостойкость - конструкции способны выдерживать землетрясения до 6 баллов по шкале Рихтера.

Благодаря оптимальному сочетанию прочностных характеристик и универсальности, данные ЖБИ широко применяются в промышленном строительстве. Производители предлагают обширный номенклатурный ряд, что позволяет подобрать оптимальное решение для любых технических условий.

Варианты маркировки

Маркировка двухветвевых колонн 6КД 180-11,4 играет ключевую роль в их идентификации. Она используется во всех технических документах и сертификатах соответствия. Формат обозначений строго регламентирован Серия 1.424.1-9 и включает несколько вариантов:

  • 6КД 180-1,3
  • 6КД 180-2,3
  • 6КД 180-3,3
  • 6КД 180-3,4
  • 6КД 180-4,4
  • 6КД 180-5,4
  • 6КД 180-7,3

Сфера применения

Основное назначение этих конструкций - использование в одноэтажных промышленных зданиях, оборудованных мостовыми кранами различной грузоподъемности. Однако они с успехом применяются и в зданиях без кранового оборудования. При монтаже в неотапливаемых помещениях важно учитывать температурный режим - минимальная допустимая температура составляет -40°C. В отапливаемых строениях таких ограничений нет.

Расшифровка маркировки

Маркировка колонн содержит всю необходимую информацию о их характеристиках:

  1. Цифра 6 обозначает типоразмер изделия
  2. Буквы КД указывают на назначение - для каркасов зданий с кранами или без них
  3. Число 180 показывает высоту этажа в дециметрах
  4. Цифра 11 обозначает тип армирования
  5. Число 4 соответствует марке бетона М400

Габаритные параметры

Для полного понимания технических характеристик важно знать точные размеры изделия:

  • Длина: 19300 мм
  • Ширина: 700 мм
  • Высота: 500 мм
  • Вес: 21700 кг
  • Объем бетона: 8,7 м³
  • Геометрический объем: 6,755 м³

Технология производства

Производственный процесс строго соответствует нормативным требованиям. Для изготовления колонн используется бетон класса до В40, что обеспечивает необходимую прочность. Готовые изделия обладают маркой водостойкости W4-W5, а все металлические элементы имеют антикоррозийное покрытие. Арматура выполняется из стали класса А-ІІІ, морозостойкость составляет не менее F50.

Особое внимание уделяется контролю качества. Каждая партия проходит тщательные испытания на прочность, проверку геометрических параметров и визуальный осмотр на отсутствие дефектов.

Особенности транспортировки

Специфическая форма колонн требует особого подхода к их хранению и перевозке. Изделия нельзя складировать в штабелях - их размещают в один ряд на специальных площадках с деревянными подкладками. При транспортировке особое внимание уделяют защите строповочных петель и монтажных отверстий. Надежная фиксация груза - обязательное условие безопасной доставки.

Не выбрано

Подробнее
Похожие товары
1КД 156
Колонны двухветвевые Серия 1.424.1-9
  • Длина 16900 мм.
  • Ширина 600 мм.
  • Высота 500 мм.
  • Вес 13500 кг.
  • Объем бетона 5,4 м3
  • Геометрический объем 5,07 м3
Цена: 109998 руб.
Подробнее
1КД 156 с
Колонны двухветвевые Серия 1.424.1-9
  • Длина 16900 мм.
  • Ширина 600 мм.
  • Высота 500 мм.
  • Вес 13500 кг.
  • Объем бетона 5,4 м3
  • Геометрический объем 5,07 м3
Цена: 109998 руб.
Подробнее
1КД 156-1,3 с
Колонны двухветвевые Серия 1.424.1-9
  • Длина 16900 мм.
  • Ширина 600 мм.
  • Высота 500 мм.
  • Вес 13500 кг.
  • Объем бетона 5,4 м3
  • Геометрический объем 5,07 м3
Цена: 109998 руб.
Подробнее
1КД 156-1,3
Колонны двухветвевые Серия 1.424.1-9
  • Длина 16900 мм.
  • Ширина 600 мм.
  • Высота 500 мм.
  • Вес 13500 кг.
  • Объем бетона 5,4 м3
  • Геометрический объем 5,07 м3
Цена: 109998 руб.
Подробнее
Ранее смотрели
Колонны двухветвевые Серия 1.424.1-9 6КД 180-11,4
6КД 180-11,4
Колонны двухветвевые Серия 1.424.1-9
ПГ 55-27-2 т
ПГ 55-27-2 т
Панели перегородок железобетонные для зданий промышленных и сельскохозяйственных предприятий Серия 1.030.9-2
Панели перегородок железобетонные для зданий промышленных и сельскохозяйственных предприятий Серия 1.030.9-2 ПГ 49-12-2 л
ПГ 49-12-2 л
Панели перегородок железобетонные для зданий промышленных и сельскохозяйственных предприятий Серия 1.030.9-2
Колонны двухветвевые Серия 1.424.1-9 6КД 168-8,4
6КД 168-8,4
Колонны двухветвевые Серия 1.424.1-9
Плиты аэродромных покрытий ГОСТ 25912-91 ПАГ 14 А800.1
ПАГ 14 А800.1
Плиты аэродромных покрытий ГОСТ 25912-91
Панели перегородок железобетонные для зданий промышленных и сельскохозяйственных предприятий Серия 1.030.9-2 ПГ 60-27 г д
ПГ 60-27 г д
Панели перегородок железобетонные для зданий промышленных и сельскохозяйственных предприятий Серия 1.030.9-2
Плиты плоские Серия ИИ 03-02 Альбом 15, Альбом 15-64, Альбом 65 ПТА 22-12-8
ПТА 22-12-8
Плиты плоские Серия ИИ 03-02 Альбом 15, Альбом 15-64, Альбом 65
Колонны двухветвевые Серия 1.424.1-9 6КД 168-3,3 с
6КД 168-3,3 с
Колонны двухветвевые Серия 1.424.1-9
Вопросы? 5 вещей, которые нужно узнать за 5 минут или меньше.
Чтобы узнать больше о нас, ознакомьтесь с нашими техническими документами
или свяжитесь с нами.

Да. Мы изготавливаем ЖБИ по индивидуальным чертежам и размерам, учитывая специфику вашего проекта.

Да. Для крупных заказов и постоянных партнёров действуют специальные цены и индивидуальные условия сотрудничества.

Мы располагаем собственным автопарком для доставки ЖБИ, а также организуем железнодорожные и морские перевозки при необходимости.

Уведомление о файлах cookie

Мы используем файлы cookie для улучшения вашего опыта просмотра и анализа трафика. Нажимая "Принять все", вы соглашаетесь с нашей политикой конфиденциальности и политикой обработки файлов cookie.

Дзен Телеграм Вконтакте vk