mobile_sound +7 (930) 655-55-90

Колонны двухветвевые Серия 1.424.1-9 1КД 156

Поделиться:
Колонны двухветвевые Серия 1.424.1-9 1КД 156
visibility 5
Цена: 109998 руб.
credit_card
Принимаем оплату в любой форме
delivery_truck_speed
Доставка по МСК и МО
deployed_code_history
Круглосуточная отгрузка товара без выходных
hand_package
Срок поставки на следующий день
star_shine
Контроль качества на каждом этапе

Стандарт изготовления изделия: Не выбрано

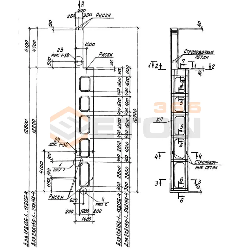
Колонны двухветвевые 1КД 156 представляют собой надежные железобетонные конструкции, специально разработанные для промышленного строительства. Эти изделия изготавливаются из тяжелого армированного бетона высокого качества, что обеспечивает их исключительную прочность и долговечность. Главная особенность таких колонн - их уникальная конструкция с раздвоением в нижней части, что позволяет организовать удобные проходы для обслуживания крановых путей в производственных зданиях.

Между двумя ветвями колонны предусмотрены специальные распорки, которые придают конструкции дополнительную жесткость. Все элементы изделия имеют сплошное прямоугольное сечение, а для надежного крепления к фундаменту в нижней части установлен стальной башмак с прорезями. Это позволяет удобно фиксировать колонну анкерными болтами и другими видами крепежа.

1. Варианты маркировки

Маркировка двухветвевых колонн 1КД 156 осуществляется в строгом соответствии с требованиями Серии 1.424.1-9. В технической документации можно встретить несколько вариантов обозначений:

  • 1КД 156-1,3
  • 1КД 156-2,3
  • 1КД 156-3,3
  • 1КД 156-3,4
  • 1КД 156-4,4

2. Основная сфера применения

Эти колонны, часто называемые колоннами с проходом, нашли широкое применение в одноэтажных промышленных зданиях. Они идеально подходят для сооружений с мостовыми опорными кранами различной грузоподъемности - от легких до тяжелых режимов работы. При этом их можно успешно использовать и в зданиях без кранового оборудования.

Важно учитывать температурные условия эксплуатации: в неотапливаемых помещениях допустимый минимум составляет -40°C, тогда как для отапливаемых зданий таких ограничений нет.

3. Обозначения маркировки изделия

Маркировка содержит важную информацию о технических характеристиках изделия:

  1. 1 - указывает на типоразмер колонны
  2. КД - обозначает колонну для каркасов зданий (с кранами или без)
  3. 156 - показывает высоту этажа в дециметрах

Габаритные параметры колонны 1КД 156:

  • Длина: 16900 мм
  • Ширина: 600 мм
  • Высота: 500 мм
  • Вес: 13500 кг
  • Объем бетона: 5,4 м³
  • Геометрический объем: 5,07 м³

4. Изготовление и основные характеристики

Производство этих колонн осуществляется с использованием бетона класса до В40, что обеспечивает высокую прочность конструкции. Изделия обладают маркой водостойкости W4-W5, а все металлические элементы имеют антикоррозийную защиту. Для армирования применяется сталь класса А-ІІІ, а морозостойкость составляет не менее F50.

Каждая партия продукции проходит строгий контроль качества, включающий проверку прочности, отсутствия дефектов и соответствия нормативным требованиям. Это гарантирует надежность и долговечность конструкций в эксплуатации.

5. Транспортировка и хранение

Особенная форма двухветвевых колонн требует особого подхода к их хранению и перевозке. Изделия нельзя штабелировать - их размещают в один ряд на специальных площадках с деревянными подкладками. Особое внимание уделяется защите строповочных петель и монтажных отверстий. При транспортировке колонны надежно фиксируют и дополнительно прокладывают деревянными элементами для предотвращения повреждений.

Благодаря оптимальному сочетанию прочностных характеристик и функциональности, двухветвевые колонны 1КД 156 продолжают оставаться востребованным решением для промышленного строительства, обеспечивая надежную опору для различных конструкций.

  • Длина 16900 мм.
  • Ширина 600 мм.
  • Высота 500 мм.
  • Вес 13500 кг.
  • Объем бетона 5,4 м3
  • Геометрический объем 5,07 м3

Не выбрано

Подробнее
Похожие товары
1КД 156 с
Колонны двухветвевые Серия 1.424.1-9
  • Длина 16900 мм.
  • Ширина 600 мм.
  • Высота 500 мм.
  • Вес 13500 кг.
  • Объем бетона 5,4 м3
  • Геометрический объем 5,07 м3
Цена: 109998 руб.
Подробнее
1КД 156-1,3 с
Колонны двухветвевые Серия 1.424.1-9
  • Длина 16900 мм.
  • Ширина 600 мм.
  • Высота 500 мм.
  • Вес 13500 кг.
  • Объем бетона 5,4 м3
  • Геометрический объем 5,07 м3
Цена: 109998 руб.
Подробнее
1КД 156-1,3
Колонны двухветвевые Серия 1.424.1-9
  • Длина 16900 мм.
  • Ширина 600 мм.
  • Высота 500 мм.
  • Вес 13500 кг.
  • Объем бетона 5,4 м3
  • Геометрический объем 5,07 м3
Цена: 109998 руб.
Подробнее
1КД 156-1,4 с
Колонны двухветвевые Серия 1.424.1-9
  • Длина 16900 мм.
  • Ширина 600 мм.
  • Высота 500 мм.
  • Вес 13500 кг.
  • Объем бетона 5,4 м3
  • Геометрический объем 5,07 м3
Цена: 109998 руб.
Подробнее
Ранее смотрели
Колонны двухветвевые Серия 1.424.1-9 1КД 156
1КД 156
Колонны двухветвевые Серия 1.424.1-9
Лестничные марши ребристые с фризовыми ступенями ЛМФ серия 1.251.1-4 ( 1.251-3, 1.250-1 ) 2ЛМФ 36-14-17-5 и
2ЛМФ 36-14-17-5 и
Лестничные марши ребристые с фризовыми ступенями ЛМФ серия 1.251.1-4 ( 1.251-3, 1.250-1 )
Лестничные марши ребристые с полуплощадками ЛМП серия 1.050.1-2 ЛМП 60-11-15-5-3
ЛМП 60-11-15-5-3
Лестничные марши ребристые с полуплощадками ЛМП серия 1.050.1-2
Лестничные марши ребристой конструкции с фризовыми ступенями, с гладкой поверхостью серия 1.151.1-7 и 1.151.1-8 с ( 1.151-4 ) 2ЛМФ 28-11-14-4 с
2ЛМФ 28-11-14-4 с
Лестничные марши ребристой конструкции с фризовыми ступенями, с гладкой поверхостью серия 1.151.1-7 и 1.151.1-8 с ( 1.151-4 )
Лестничные марши ребристые с полуплощадками ЛМП серия 1.050.1-2 ЛМП 57-11-14-5 с
ЛМП 57-11-14-5 с
Лестничные марши ребристые с полуплощадками ЛМП серия 1.050.1-2
Лестничные марши Метро ЛМ 22-16-10,5
ЛМ 22-16-10,5
Лестничные марши Метро
Колонны двухветвевые Серия 1.424.1-9 5КД 168-2,3 с
5КД 168-2,3 с
Колонны двухветвевые Серия 1.424.1-9
Лестничные марши ребристые с полуплощадками ЛМП серия 1.050.1-2 ЛМП 57-11-15-5 с
ЛМП 57-11-15-5 с
Лестничные марши ребристые с полуплощадками ЛМП серия 1.050.1-2
Вопросы? 5 вещей, которые нужно узнать за 5 минут или меньше.
Чтобы узнать больше о нас, ознакомьтесь с нашими техническими документами
или свяжитесь с нами.

Да. Мы изготавливаем ЖБИ по индивидуальным чертежам и размерам, учитывая специфику вашего проекта.

Да. Для крупных заказов и постоянных партнёров действуют специальные цены и индивидуальные условия сотрудничества.

Мы располагаем собственным автопарком для доставки ЖБИ, а также организуем железнодорожные и морские перевозки при необходимости.

Уведомление о файлах cookie

Мы используем файлы cookie для улучшения вашего опыта просмотра и анализа трафика. Нажимая "Принять все", вы соглашаетесь с нашей политикой конфиденциальности и политикой обработки файлов cookie.

Дзен Телеграм Вконтакте vk