mobile_sound +7 (930) 655-55-90

Техническая документация и чертежи (Шифр Э 1708/1)

Поделиться:
Поделиться:

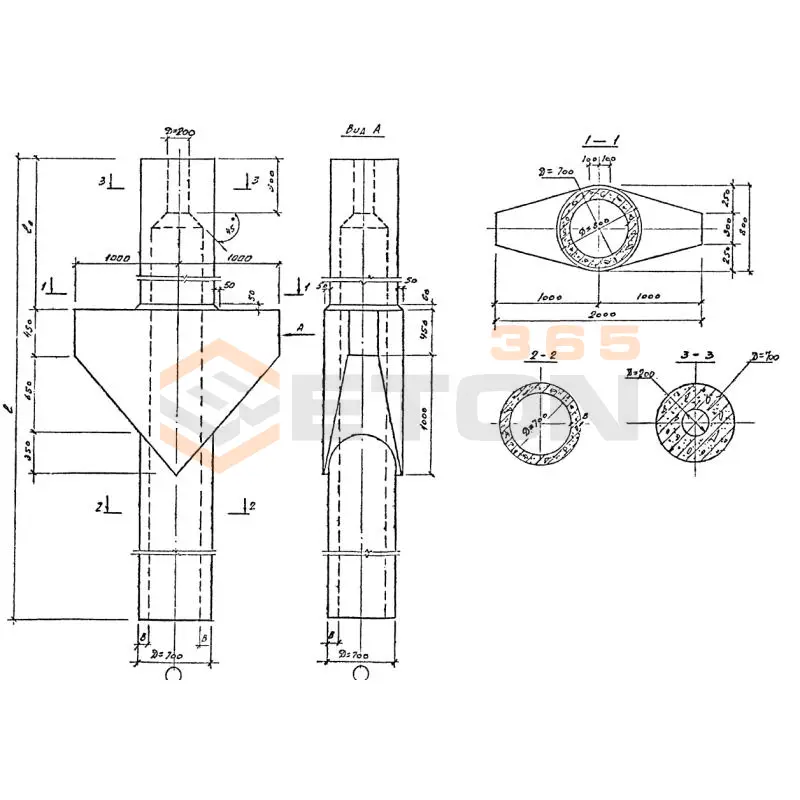
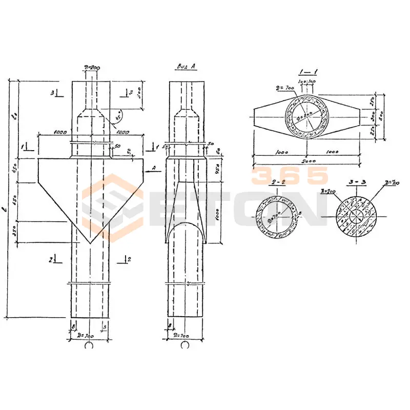
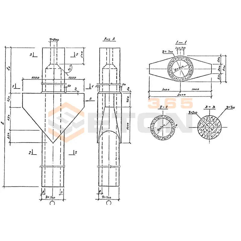
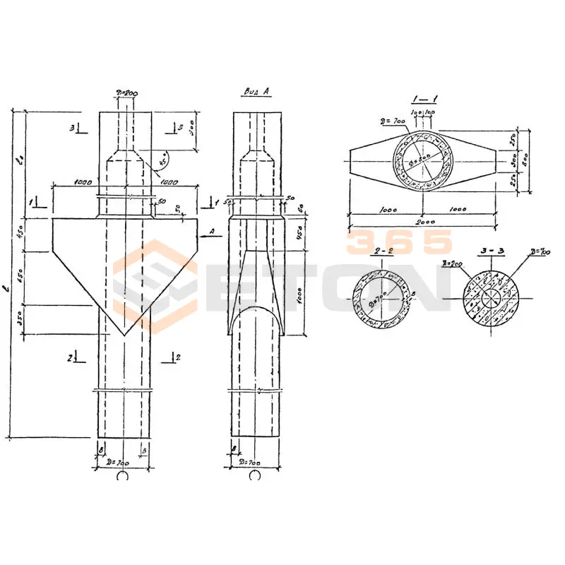
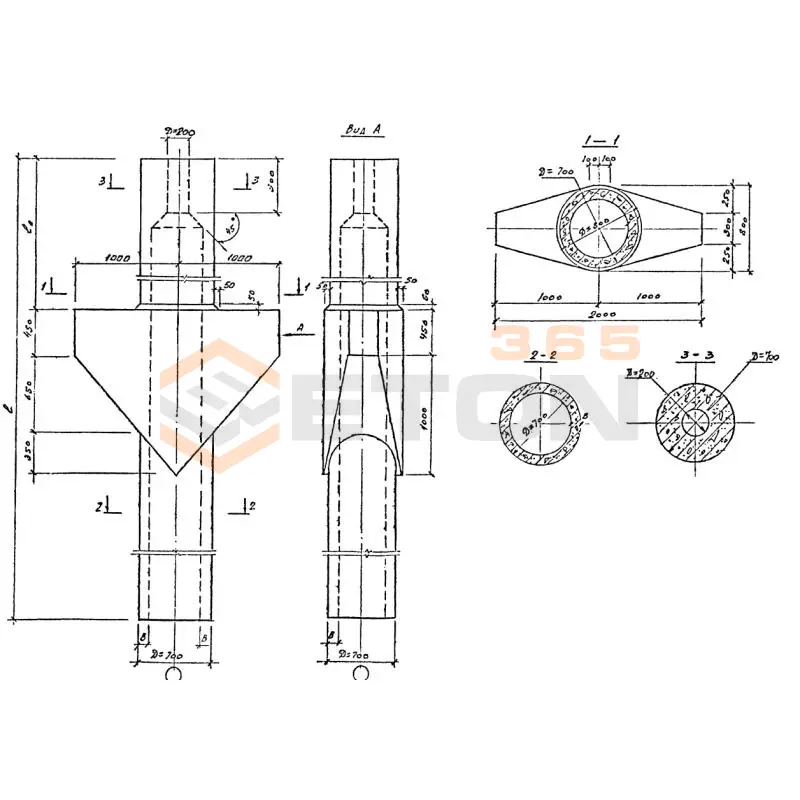
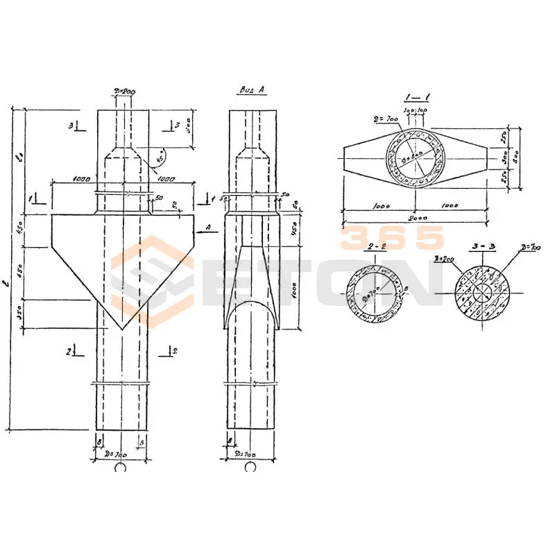
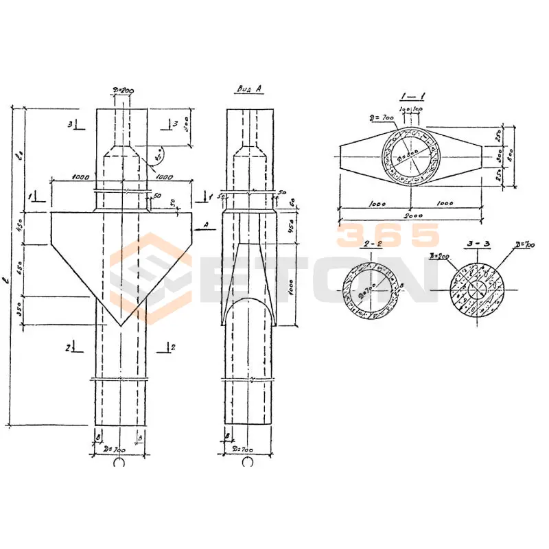
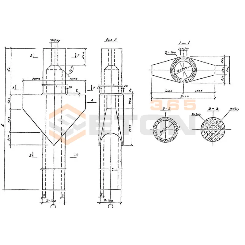
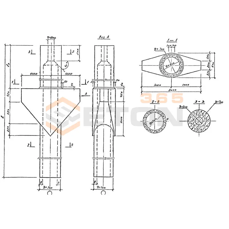
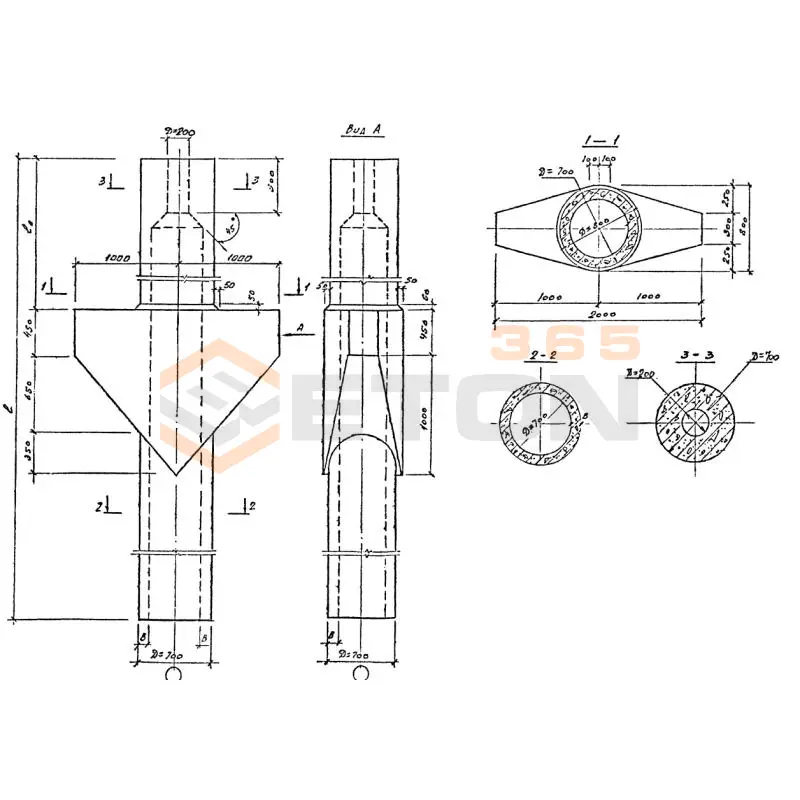
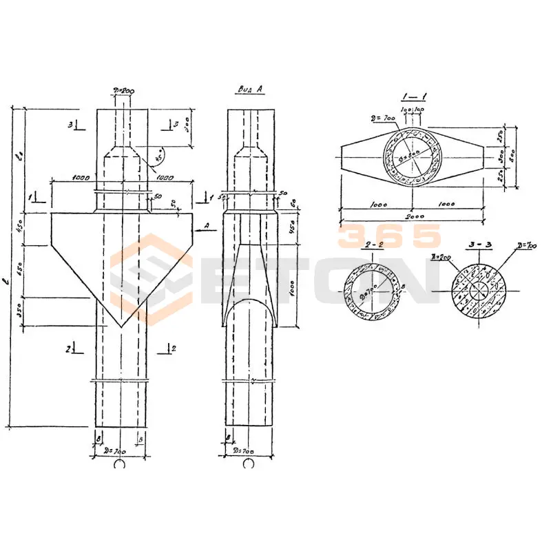
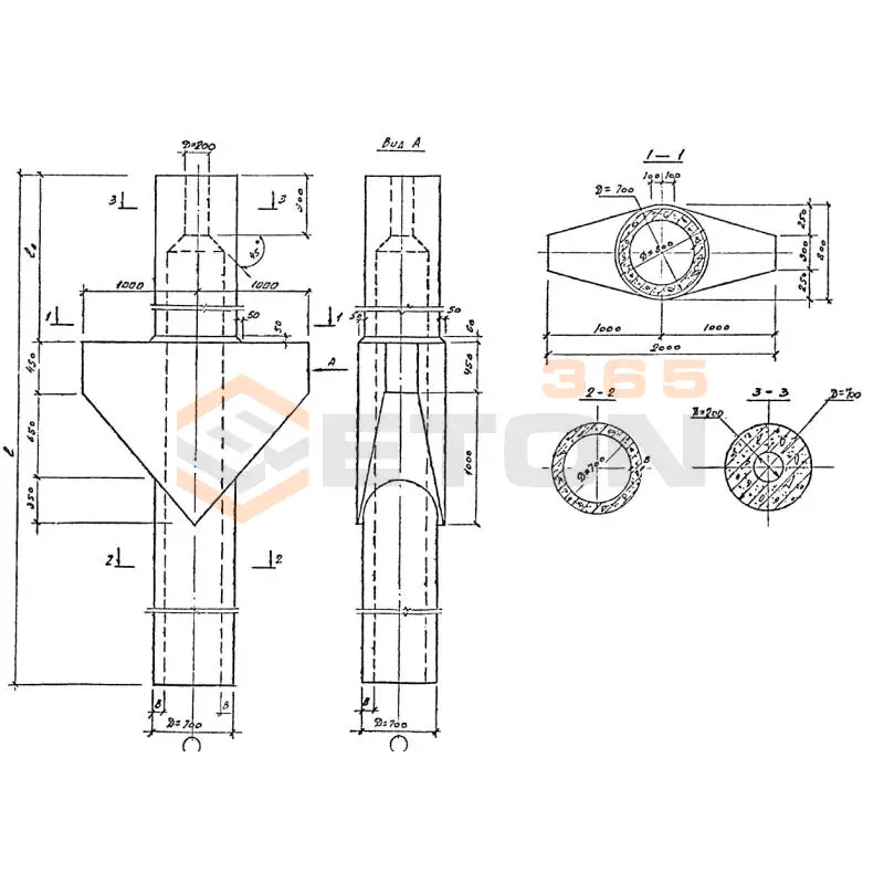
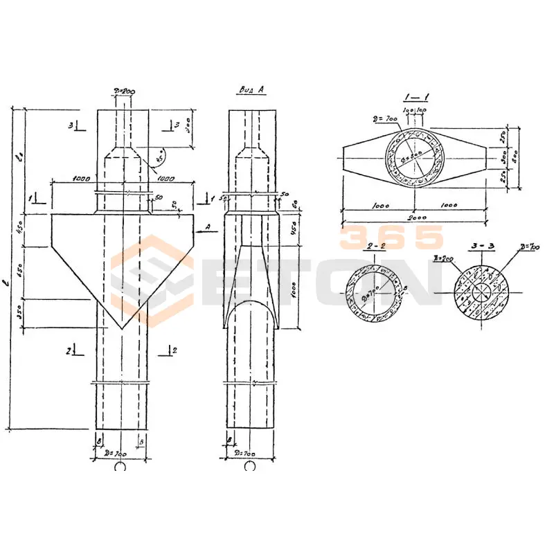
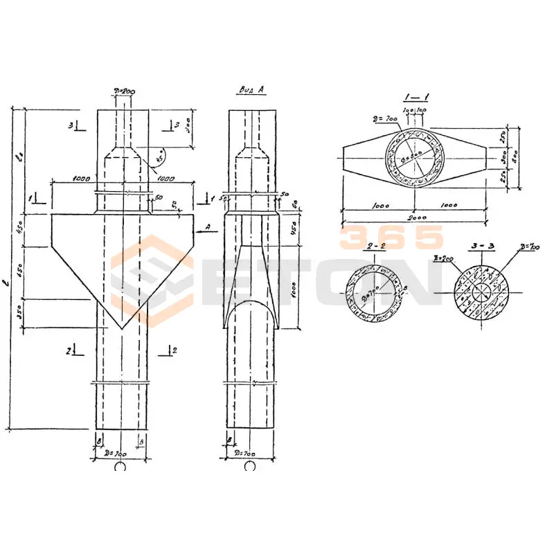
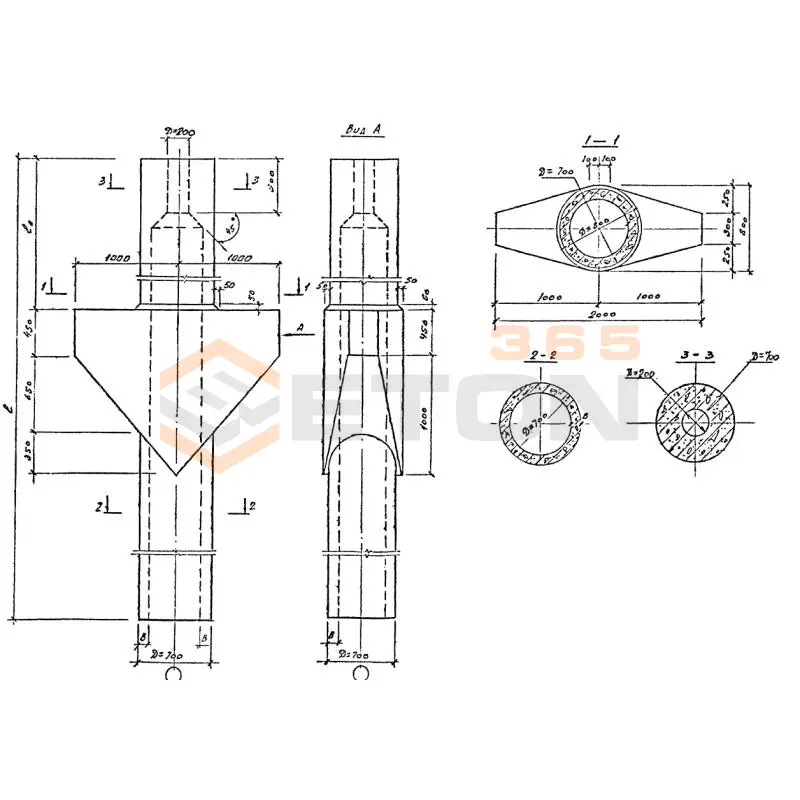
Документ Шифр Э 1708/1 описывает область применения, номенклатуру и ключевые требования, опираясь на действующие нормы и практику проектирования. Шифр Э1708/1 относится к домостроительным регламентам, содержащим индустриальные конструкции и узлы различных сооружений. Норматив был введён в действие в действие в 1987 году и состоит из двух выпусков, детально описывающих производство цельноформованных колонн из железобетона, имеющих кольцевое сечение и изготавливаемых центрифугированным способом. изделия и конструкции нашли широкое применение в промышленных предприятиях с высотой 8,4-12 метров, оснащенных мостовыми опорными кранами, имеющими грузоподъемность до 32 тонн.

Файлы для скачивания:
picture_as_pdf

5298.pdf

6,035.8 KB

скачать
picture_as_pdf

5299.pdf

3,729.2 KB

скачать
picture_as_pdf

5300.pdf

242.0 KB

скачать
Товары Шифр Э 1708/1 (59)
5КС 90-10-7,3 (Шифр Э 1708/1)
Колонны Шифр Э 1708/1
  • Длина 10800 мм.
  • Ширина 2000 мм.
  • Высота 800 мм.
  • Вес 7000 кг.
  • Объем бетона 2,81 м3
  • Геометрический объем 17,28 м3
Цена: 57240 руб.
Подробнее
5КС 90-8-2,3 (Шифр Э 1708/1)
Колонны Шифр Э 1708/1
  • Длина 10800 мм.
  • Ширина 2000 мм.
  • Высота 800 мм.
  • Вес 6200 кг.
  • Объем бетона 2,47 м3
  • Геометрический объем 17,28 м3
Цена: 50314 руб.
Подробнее
5КС 90-8-3,3 (Шифр Э 1708/1)
Колонны Шифр Э 1708/1
  • Длина 10800 мм.
  • Ширина 2000 мм.
  • Высота 800 мм.
  • Вес 6200 кг.
  • Объем бетона 2,47 м3
  • Геометрический объем 17,28 м3
Цена: 50314 руб.
Подробнее
5КС 90-8-4,3 (Шифр Э 1708/1)
Колонны Шифр Э 1708/1
  • Длина 10800 мм.
  • Ширина 2000 мм.
  • Высота 800 мм.
  • Вес 6200 кг.
  • Объем бетона 2,47 м3
  • Геометрический объем 17,28 м3
Цена: 50314 руб.
Подробнее
5КС 90-8-5,3 (Шифр Э 1708/1)
Колонны Шифр Э 1708/1
  • Длина 10800 мм.
  • Ширина 2000 мм.
  • Высота 800 мм.
  • Вес 6200 кг.
  • Объем бетона 2,47 м3
  • Геометрический объем 17,28 м3
Цена: 50314 руб.
Подробнее
5КС 90-8-7,3 (Шифр Э 1708/1)
Колонны Шифр Э 1708/1
  • Длина 10800 мм.
  • Ширина 2000 мм.
  • Высота 800 мм.
  • Вес 6200 кг.
  • Объем бетона 2,47 м3
  • Геометрический объем 17,28 м3
Цена: 50314 руб.
Подробнее
5КС 90-8-6,3 (Шифр Э 1708/1)
Колонны Шифр Э 1708/1
  • Длина 10800 мм.
  • Ширина 2000 мм.
  • Высота 800 мм.
  • Вес 6200 кг.
  • Объем бетона 2,47 м3
  • Геометрический объем 17,28 м3
Цена: 50314 руб.
Подробнее
6КС 108-10-1,4 (Шифр Э 1708/1)
Колонны Шифр Э 1708/1
  • Длина 12000 мм.
  • Ширина 2000 мм.
  • Высота 800 мм.
  • Вес 7900 кг.
  • Объем бетона 3,15 м3
  • Геометрический объем 19,2 м3
Цена: 64166 руб.
Подробнее
6КС 108-10-1,3 (Шифр Э 1708/1)
Колонны Шифр Э 1708/1
  • Длина 12000 мм.
  • Ширина 2000 мм.
  • Высота 800 мм.
  • Вес 7900 кг.
  • Объем бетона 3,15 м3
  • Геометрический объем 19,2 м3
Цена: 64166 руб.
Подробнее
6КС 108-10-2,3 (Шифр Э 1708/1)
Колонны Шифр Э 1708/1
  • Длина 12000 мм.
  • Ширина 2000 мм.
  • Высота 800 мм.
  • Вес 7900 кг.
  • Объем бетона 3,15 м3
  • Геометрический объем 19,2 м3
Цена: 64166 руб.
Подробнее
6КС 108-10-2,4 (Шифр Э 1708/1)
Колонны Шифр Э 1708/1
  • Длина 12000 мм.
  • Ширина 2000 мм.
  • Высота 800 мм.
  • Вес 7900 кг.
  • Объем бетона 3,15 м3
  • Геометрический объем 19,2 м3
Цена: 64166 руб.
Подробнее
6КС 108-10-3,4 (Шифр Э 1708/1)
Колонны Шифр Э 1708/1
  • Длина 12000 мм.
  • Ширина 2000 мм.
  • Высота 800 мм.
  • Вес 7900 кг.
  • Объем бетона 3,15 м3
  • Геометрический объем 19,2 м3
Цена: 64166 руб.
Подробнее
6КС 108-10-3,3 (Шифр Э 1708/1)
Колонны Шифр Э 1708/1
  • Длина 12000 мм.
  • Ширина 2000 мм.
  • Высота 800 мм.
  • Вес 7900 кг.
  • Объем бетона 3,15 м3
  • Геометрический объем 19,2 м3
Цена: 64166 руб.
Подробнее
6КС 108-10-4,4 (Шифр Э 1708/1)
Колонны Шифр Э 1708/1
  • Длина 12000 мм.
  • Ширина 2000 мм.
  • Высота 800 мм.
  • Вес 7900 кг.
  • Объем бетона 3,15 м3
  • Геометрический объем 19,2 м3
Цена: 64166 руб.
Подробнее
6КС 108-10-4,3 (Шифр Э 1708/1)
Колонны Шифр Э 1708/1
  • Длина 12000 мм.
  • Ширина 2000 мм.
  • Высота 800 мм.
  • Вес 7900 кг.
  • Объем бетона 3,15 м3
  • Геометрический объем 19,2 м3
Цена: 64166 руб.
Подробнее
6КС 108-10-5,3 (Шифр Э 1708/1)
Колонны Шифр Э 1708/1
  • Длина 12000 мм.
  • Ширина 2000 мм.
  • Высота 800 мм.
  • Вес 7900 кг.
  • Объем бетона 3,15 м3
  • Геометрический объем 19,2 м3
Цена: 64166 руб.
Подробнее
6КС 108-10-5,4 (Шифр Э 1708/1)
Колонны Шифр Э 1708/1
  • Длина 12000 мм.
  • Ширина 2000 мм.
  • Высота 800 мм.
  • Вес 7900 кг.
  • Объем бетона 3,15 м3
  • Геометрический объем 19,2 м3
Цена: 64166 руб.
Подробнее
6КС 108-10-6,4 (Шифр Э 1708/1)
Колонны Шифр Э 1708/1
  • Длина 12000 мм.
  • Ширина 2000 мм.
  • Высота 800 мм.
  • Вес 7900 кг.
  • Объем бетона 3,15 м3
  • Геометрический объем 19,2 м3
Цена: 64166 руб.
Подробнее
6КС 108-10-6,3 (Шифр Э 1708/1)
Колонны Шифр Э 1708/1
  • Длина 12000 мм.
  • Ширина 2000 мм.
  • Высота 800 мм.
  • Вес 7900 кг.
  • Объем бетона 3,15 м3
  • Геометрический объем 19,2 м3
Цена: 64166 руб.
Подробнее
6КС 108-10-7,4 (Шифр Э 1708/1)
Колонны Шифр Э 1708/1
  • Длина 12000 мм.
  • Ширина 2000 мм.
  • Высота 800 мм.
  • Вес 7900 кг.
  • Объем бетона 3,15 м3
  • Геометрический объем 19,2 м3
Цена: 64166 руб.
Подробнее
6КС 108-10-7,3 (Шифр Э 1708/1)
Колонны Шифр Э 1708/1
  • Длина 12000 мм.
  • Ширина 2000 мм.
  • Высота 800 мм.
  • Вес 7900 кг.
  • Объем бетона 3,15 м3
  • Геометрический объем 19,2 м3
Цена: 64166 руб.
Подробнее
6КС 108-8-1,4 (Шифр Э 1708/1)
Колонны Шифр Э 1708/1
  • Длина 12000 мм.
  • Ширина 2000 мм.
  • Высота 800 мм.
  • Вес 6900 кг.
  • Объем бетона 2,75 м3
  • Геометрический объем 19,2 м3
Цена: 56018 руб.
Подробнее
6КС 108-8-1,3 (Шифр Э 1708/1)
Колонны Шифр Э 1708/1
  • Длина 12000 мм.
  • Ширина 2000 мм.
  • Высота 800 мм.
  • Вес 6900 кг.
  • Объем бетона 2,75 м3
  • Геометрический объем 19,2 м3
Цена: 56018 руб.
Подробнее
6КС 108-8-2,4 (Шифр Э 1708/1)
Колонны Шифр Э 1708/1
  • Длина 12000 мм.
  • Ширина 2000 мм.
  • Высота 800 мм.
  • Вес 6900 кг.
  • Объем бетона 2,75 м3
  • Геометрический объем 19,2 м3
Цена: 56018 руб.
Подробнее
6КС 108-8-3,4 (Шифр Э 1708/1)
Колонны Шифр Э 1708/1
  • Длина 12000 мм.
  • Ширина 2000 мм.
  • Высота 800 мм.
  • Вес 6900 кг.
  • Объем бетона 2,75 м3
  • Геометрический объем 19,2 м3
Цена: 56018 руб.
Подробнее
6КС 108-8-3,3 (Шифр Э 1708/1)
Колонны Шифр Э 1708/1
  • Длина 12000 мм.
  • Ширина 2000 мм.
  • Высота 800 мм.
  • Вес 6900 кг.
  • Объем бетона 2,75 м3
  • Геометрический объем 19,2 м3
Цена: 56018 руб.
Подробнее
6КС 108-8-4,3 (Шифр Э 1708/1)
Колонны Шифр Э 1708/1
  • Длина 12000 мм.
  • Ширина 2000 мм.
  • Высота 800 мм.
  • Вес 6900 кг.
  • Объем бетона 2,75 м3
  • Геометрический объем 19,2 м3
Цена: 56018 руб.
Подробнее
6КС 108-8-2,3 (Шифр Э 1708/1)
Колонны Шифр Э 1708/1
  • Длина 12000 мм.
  • Ширина 2000 мм.
  • Высота 800 мм.
  • Вес 6900 кг.
  • Объем бетона 2,75 м3
  • Геометрический объем 19,2 м3
Цена: 56018 руб.
Подробнее
6КС 108-8-5,3 (Шифр Э 1708/1)
Колонны Шифр Э 1708/1
  • Длина 12000 мм.
  • Ширина 2000 мм.
  • Высота 800 мм.
  • Вес 6900 кг.
  • Объем бетона 2,75 м3
  • Геометрический объем 19,2 м3
Цена: 56018 руб.
Подробнее
6КС 108-8-4,4 (Шифр Э 1708/1)
Колонны Шифр Э 1708/1
  • Длина 12000 мм.
  • Ширина 2000 мм.
  • Высота 800 мм.
  • Вес 6900 кг.
  • Объем бетона 2,75 м3
  • Геометрический объем 19,2 м3
Цена: 56018 руб.
Подробнее
6КС 108-8-5,4 (Шифр Э 1708/1)
Колонны Шифр Э 1708/1
  • Длина 12000 мм.
  • Ширина 2000 мм.
  • Высота 800 мм.
  • Вес 6900 кг.
  • Объем бетона 2,75 м3
  • Геометрический объем 19,2 м3
Цена: 56018 руб.
Подробнее
6КС 108-8-6,3 (Шифр Э 1708/1)
Колонны Шифр Э 1708/1
  • Длина 12000 мм.
  • Ширина 2000 мм.
  • Высота 800 мм.
  • Вес 6900 кг.
  • Объем бетона 2,75 м3
  • Геометрический объем 19,2 м3
Цена: 56018 руб.
Подробнее
6КС 108-8-6,4 (Шифр Э 1708/1)
Колонны Шифр Э 1708/1
  • Длина 12000 мм.
  • Ширина 2000 мм.
  • Высота 800 мм.
  • Вес 6900 кг.
  • Объем бетона 2,75 м3
  • Геометрический объем 19,2 м3
Цена: 56018 руб.
Подробнее
6КС 108-8-7,3 (Шифр Э 1708/1)
Колонны Шифр Э 1708/1
  • Длина 12000 мм.
  • Ширина 2000 мм.
  • Высота 800 мм.
  • Вес 6900 кг.
  • Объем бетона 2,75 м3
  • Геометрический объем 19,2 м3
Цена: 56018 руб.
Подробнее
6КС 120-10-1,3 (Шифр Э 1708/1)
Колонны Шифр Э 1708/1
  • Длина 13200 мм.
  • Ширина 2000 мм.
  • Высота 800 мм.
  • Вес 8400 кг.
  • Объем бетона 3,37 м3
  • Геометрический объем 21,12 м3
Цена: 68647 руб.
Подробнее
6КС 108-8-7,4 (Шифр Э 1708/1)
Колонны Шифр Э 1708/1
  • Длина 12000 мм.
  • Ширина 2000 мм.
  • Высота 800 мм.
  • Вес 6900 кг.
  • Объем бетона 2,75 м3
  • Геометрический объем 19,2 м3
Цена: 56018 руб.
Подробнее
6КС 120-10-2,3 (Шифр Э 1708/1)
Колонны Шифр Э 1708/1
  • Длина 13200 мм.
  • Ширина 2000 мм.
  • Высота 800 мм.
  • Вес 8400 кг.
  • Объем бетона 3,37 м3
  • Геометрический объем 21,12 м3
Цена: 68647 руб.
Подробнее
6КС 120-10-1,4 (Шифр Э 1708/1)
Колонны Шифр Э 1708/1
  • Длина 13200 мм.
  • Ширина 2000 мм.
  • Высота 800 мм.
  • Вес 8400 кг.
  • Объем бетона 3,37 м3
  • Геометрический объем 21,12 м3
Цена: 68647 руб.
Подробнее
6КС 120-10-3,3 (Шифр Э 1708/1)
Колонны Шифр Э 1708/1
  • Длина 13200 мм.
  • Ширина 2000 мм.
  • Высота 800 мм.
  • Вес 8400 кг.
  • Объем бетона 3,37 м3
  • Геометрический объем 21,12 м3
Цена: 68647 руб.
Подробнее
6КС 120-10-2,4 (Шифр Э 1708/1)
Колонны Шифр Э 1708/1
  • Длина 13200 мм.
  • Ширина 2000 мм.
  • Высота 800 мм.
  • Вес 8400 кг.
  • Объем бетона 3,37 м3
  • Геометрический объем 21,12 м3
Цена: 68647 руб.
Подробнее
6КС 120-10-3,4 (Шифр Э 1708/1)
Колонны Шифр Э 1708/1
  • Длина 13200 мм.
  • Ширина 2000 мм.
  • Высота 800 мм.
  • Вес 8400 кг.
  • Объем бетона 3,37 м3
  • Геометрический объем 21,12 м3
Цена: 68647 руб.
Подробнее
6КС 120-10-4,3 (Шифр Э 1708/1)
Колонны Шифр Э 1708/1
  • Длина 13200 мм.
  • Ширина 2000 мм.
  • Высота 800 мм.
  • Вес 8400 кг.
  • Объем бетона 3,37 м3
  • Геометрический объем 21,12 м3
Цена: 68647 руб.
Подробнее
6КС 120-10-4,4 (Шифр Э 1708/1)
Колонны Шифр Э 1708/1
  • Длина 13200 мм.
  • Ширина 2000 мм.
  • Высота 800 мм.
  • Вес 8400 кг.
  • Объем бетона 3,37 м3
  • Геометрический объем 21,12 м3
Цена: 68647 руб.
Подробнее
6КС 120-10-5,3 (Шифр Э 1708/1)
Колонны Шифр Э 1708/1
  • Длина 13200 мм.
  • Ширина 2000 мм.
  • Высота 800 мм.
  • Вес 8400 кг.
  • Объем бетона 3,37 м3
  • Геометрический объем 21,12 м3
Цена: 68647 руб.
Подробнее
6КС 120-10-6,3 (Шифр Э 1708/1)
Колонны Шифр Э 1708/1
  • Длина 13200 мм.
  • Ширина 2000 мм.
  • Высота 800 мм.
  • Вес 8400 кг.
  • Объем бетона 3,37 м3
  • Геометрический объем 21,12 м3
Цена: 68647 руб.
Подробнее
6КС 120-10-7,3 (Шифр Э 1708/1)
Колонны Шифр Э 1708/1
  • Длина 13200 мм.
  • Ширина 2000 мм.
  • Высота 800 мм.
  • Вес 8400 кг.
  • Объем бетона 3,37 м3
  • Геометрический объем 21,12 м3
Цена: 68647 руб.
Подробнее
6КС 120-10-5,4 (Шифр Э 1708/1)
Колонны Шифр Э 1708/1
  • Длина 13200 мм.
  • Ширина 2000 мм.
  • Высота 800 мм.
  • Вес 8400 кг.
  • Объем бетона 3,37 м3
  • Геометрический объем 21,12 м3
Цена: 68647 руб.
Подробнее
6КС 120-10-6,4 (Шифр Э 1708/1)
Колонны Шифр Э 1708/1
  • Длина 13200 мм.
  • Ширина 2000 мм.
  • Высота 800 мм.
  • Вес 8400 кг.
  • Объем бетона 3,37 м3
  • Геометрический объем 21,12 м3
Цена: 68647 руб.
Подробнее
6КС 120-10-7,4 (Шифр Э 1708/1)
Колонны Шифр Э 1708/1
  • Длина 13200 мм.
  • Ширина 2000 мм.
  • Высота 800 мм.
  • Вес 8400 кг.
  • Объем бетона 3,37 м3
  • Геометрический объем 21,12 м3
Цена: 68647 руб.
Подробнее
6КС 96-10-5,3 (Шифр Э 1708/1)
Колонны Шифр Э 1708/1
  • Длина 10800 мм.
  • Ширина 2000 мм.
  • Высота 800 мм.
  • Вес 7300 кг.
  • Объем бетона 2,93 м3
  • Геометрический объем 17,28 м3
Цена: 59684 руб.
Подробнее
6КС 96-10-6,3 (Шифр Э 1708/1)
Колонны Шифр Э 1708/1
  • Длина 10800 мм.
  • Ширина 2000 мм.
  • Высота 800 мм.
  • Вес 7300 кг.
  • Объем бетона 2,93 м3
  • Геометрический объем 17,28 м3
Цена: 59684 руб.
Подробнее
6КС 96-10-7,3 (Шифр Э 1708/1)
Колонны Шифр Э 1708/1
  • Длина 10800 мм.
  • Ширина 2000 мм.
  • Высота 800 мм.
  • Вес 7300 кг.
  • Объем бетона 2,93 м3
  • Геометрический объем 17,28 м3
Цена: 59684 руб.
Подробнее
6КС 96-8-1,3 (Шифр Э 1708/1)
Колонны Шифр Э 1708/1
  • Длина 10800 мм.
  • Ширина 2000 мм.
  • Высота 800 мм.
  • Вес 6400 кг.
  • Объем бетона 2,56 м3
  • Геометрический объем 17,28 м3
Цена: 52147 руб.
Подробнее
6КС 96-8-2,3 (Шифр Э 1708/1)
Колонны Шифр Э 1708/1
  • Длина 10800 мм.
  • Ширина 2000 мм.
  • Высота 800 мм.
  • Вес 6400 кг.
  • Объем бетона 2,56 м3
  • Геометрический объем 17,28 м3
Цена: 52147 руб.
Подробнее
6КС 96-8-4,3 (Шифр Э 1708/1)
Колонны Шифр Э 1708/1
  • Длина 10800 мм.
  • Ширина 2000 мм.
  • Высота 800 мм.
  • Вес 6400 кг.
  • Объем бетона 2,56 м3
  • Геометрический объем 17,28 м3
Цена: 52147 руб.
Подробнее
6КС 96-8-3,3 (Шифр Э 1708/1)
Колонны Шифр Э 1708/1
  • Длина 10800 мм.
  • Ширина 2000 мм.
  • Высота 800 мм.
  • Вес 6400 кг.
  • Объем бетона 2,56 м3
  • Геометрический объем 17,28 м3
Цена: 52147 руб.
Подробнее
6КС 96-8-7,3 (Шифр Э 1708/1)
Колонны Шифр Э 1708/1
  • Длина 10800 мм.
  • Ширина 2000 мм.
  • Высота 800 мм.
  • Вес 6400 кг.
  • Объем бетона 2,56 м3
  • Геометрический объем 17,28 м3
Цена: 52147 руб.
Подробнее
6КС 96-8-5,3 (Шифр Э 1708/1)
Колонны Шифр Э 1708/1
  • Длина 10800 мм.
  • Ширина 2000 мм.
  • Высота 800 мм.
  • Вес 6400 кг.
  • Объем бетона 2,56 м3
  • Геометрический объем 17,28 м3
Цена: 52147 руб.
Подробнее
6КС 96-8-6,3 (Шифр Э 1708/1)
Колонны Шифр Э 1708/1
  • Длина 10800 мм.
  • Ширина 2000 мм.
  • Высота 800 мм.
  • Вес 6400 кг.
  • Объем бетона 2,56 м3
  • Геометрический объем 17,28 м3
Цена: 52147 руб.
Подробнее

Уведомление о файлах cookie

Мы используем файлы cookie для улучшения вашего опыта просмотра и анализа трафика. Нажимая "Принять все", вы соглашаетесь с нашей политикой конфиденциальности и политикой обработки файлов cookie.

MAX Дзен Телеграм Вконтакте vk