mobile_sound +7 (930) 655-55-90

Техническая документация и чертежи (Шифр Э 1708/1)

Поделиться:
Поделиться:

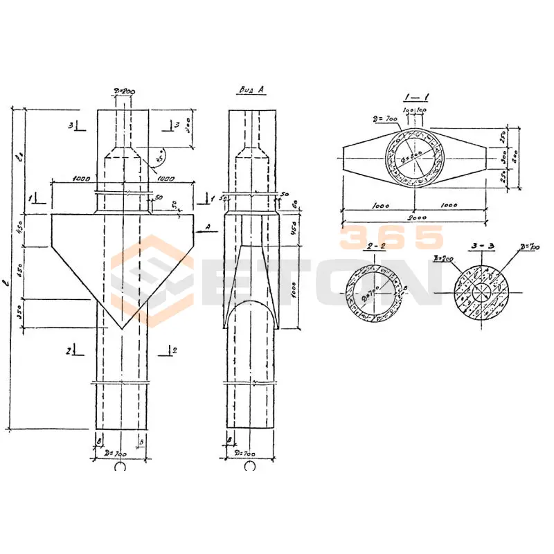
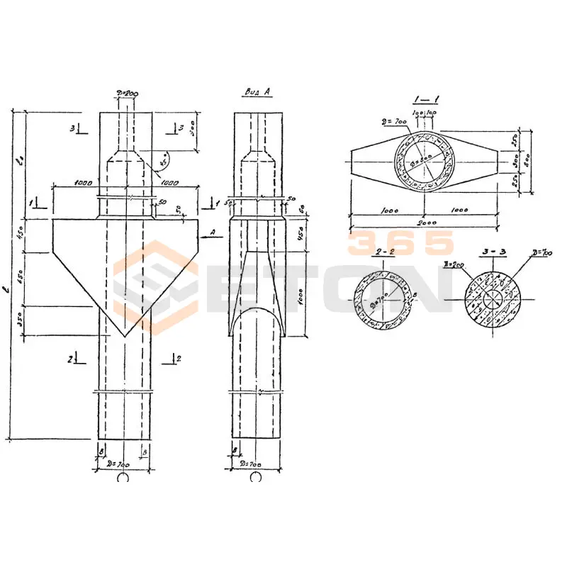
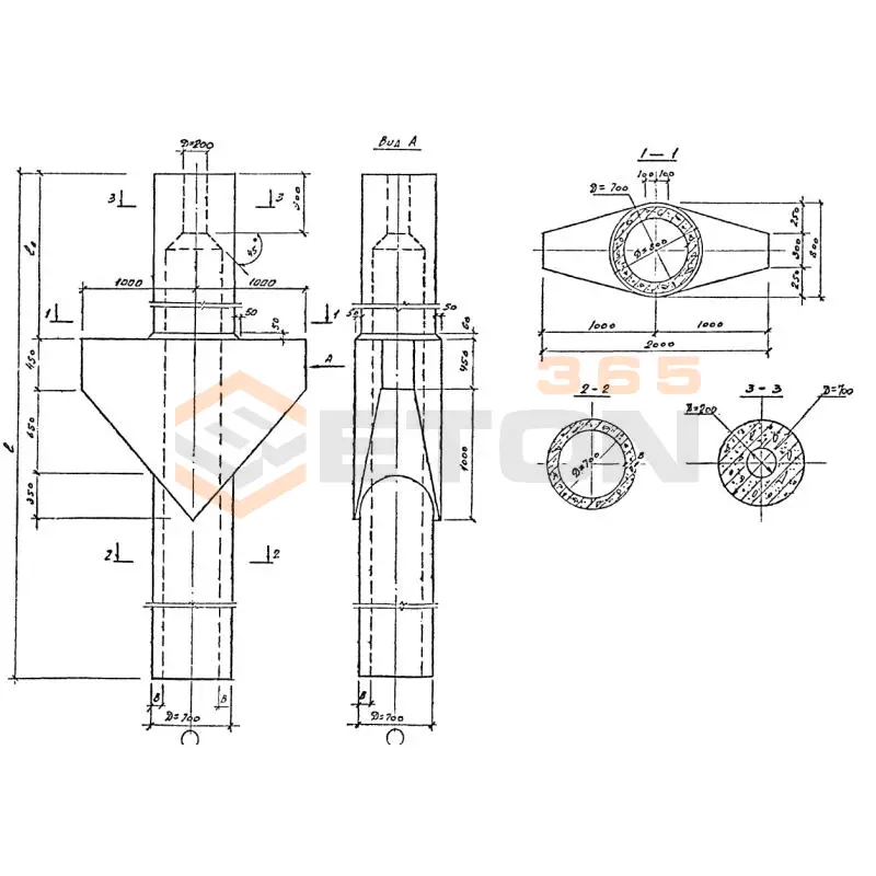
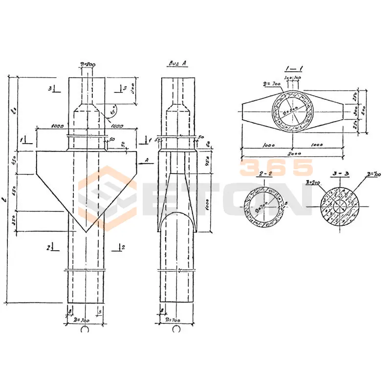
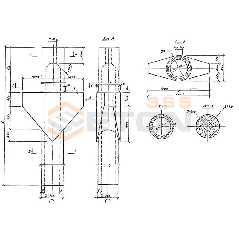
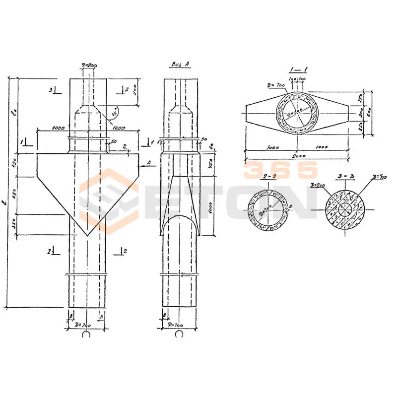
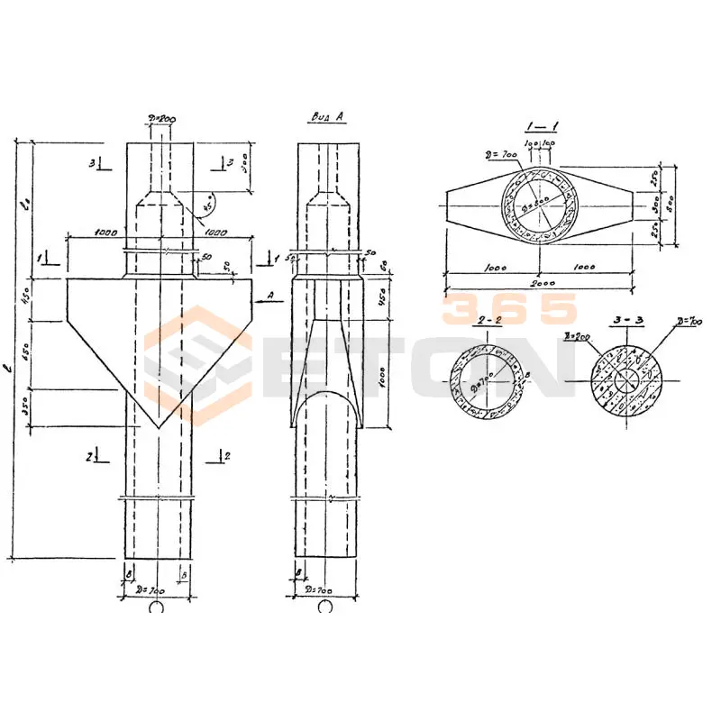
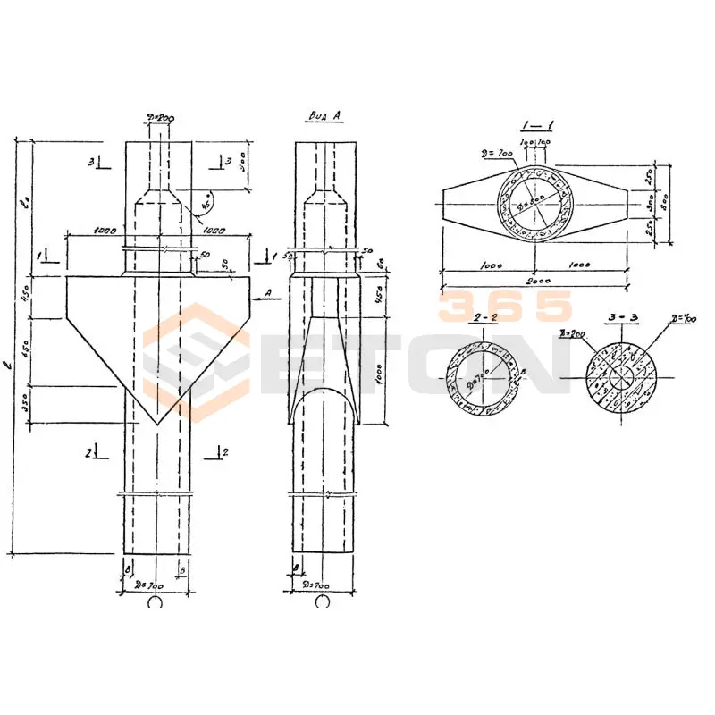
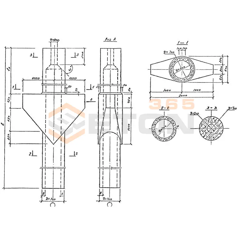
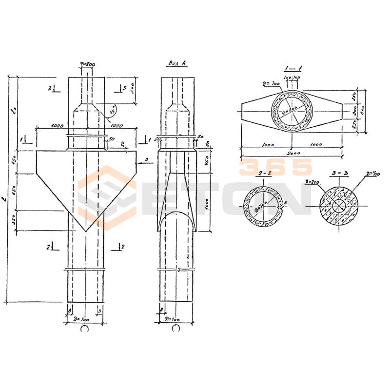
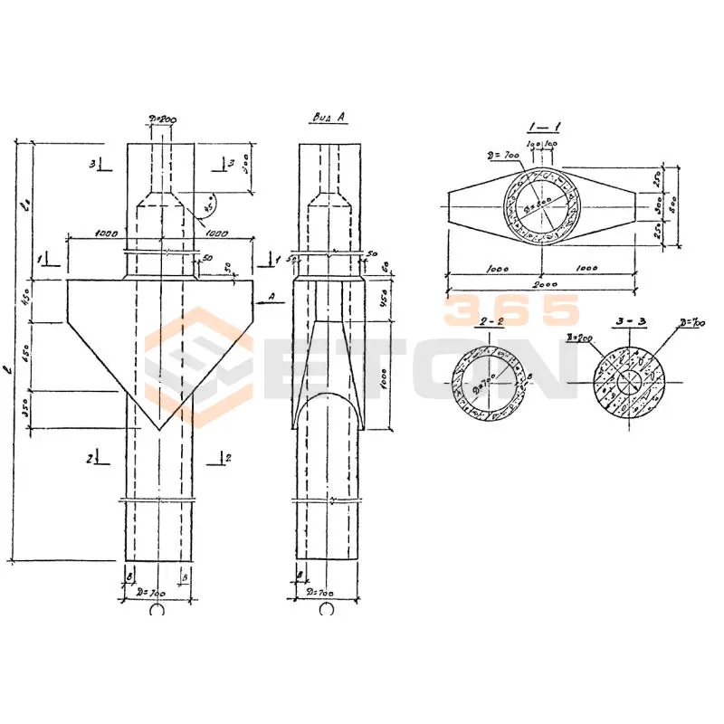
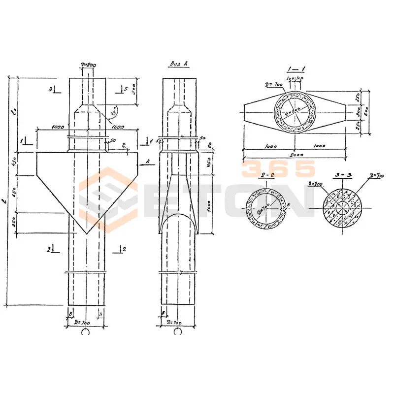
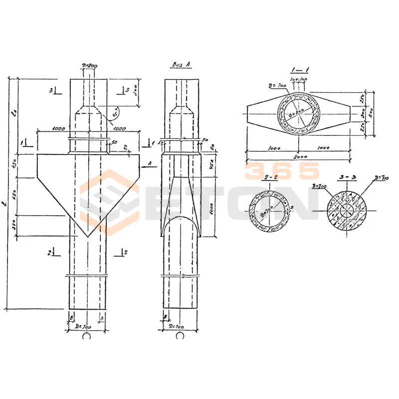
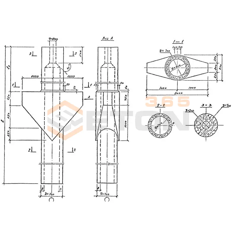
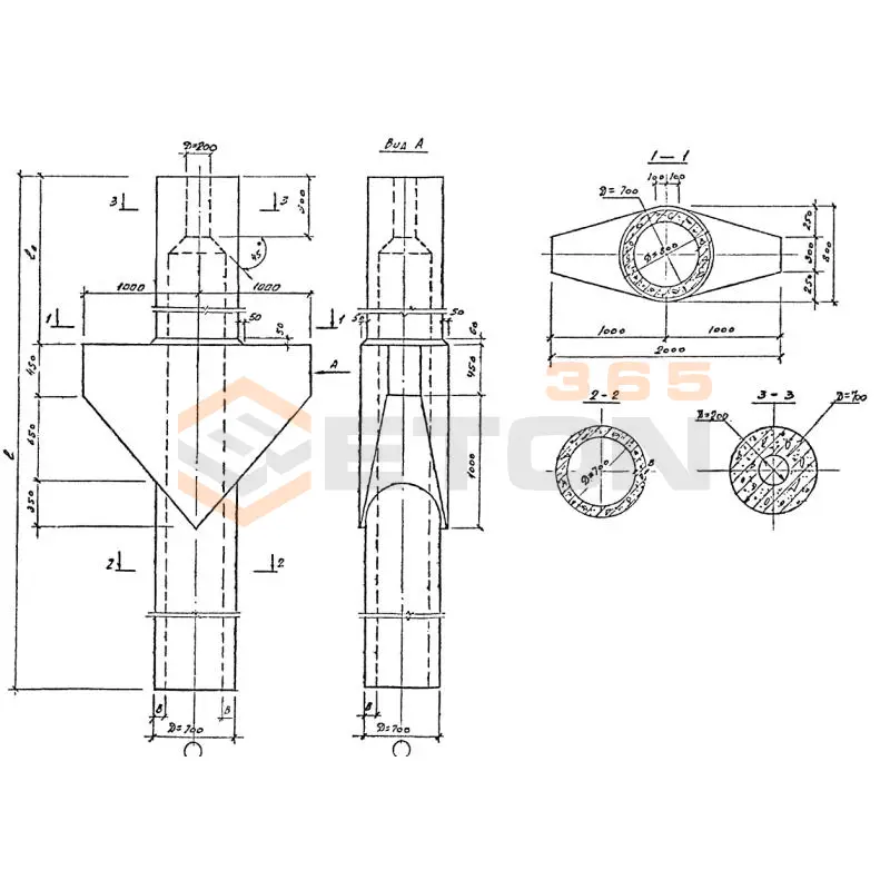
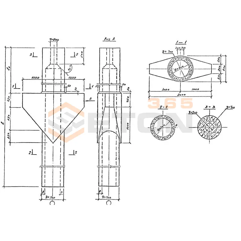
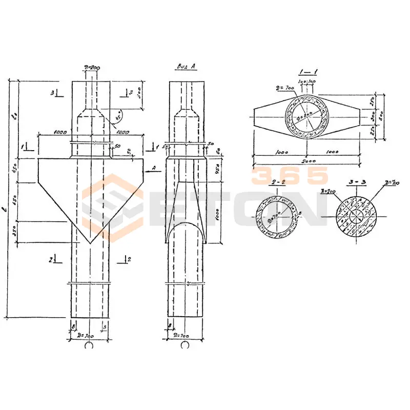
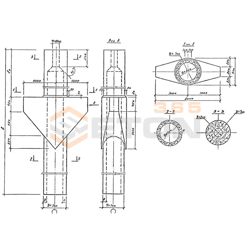
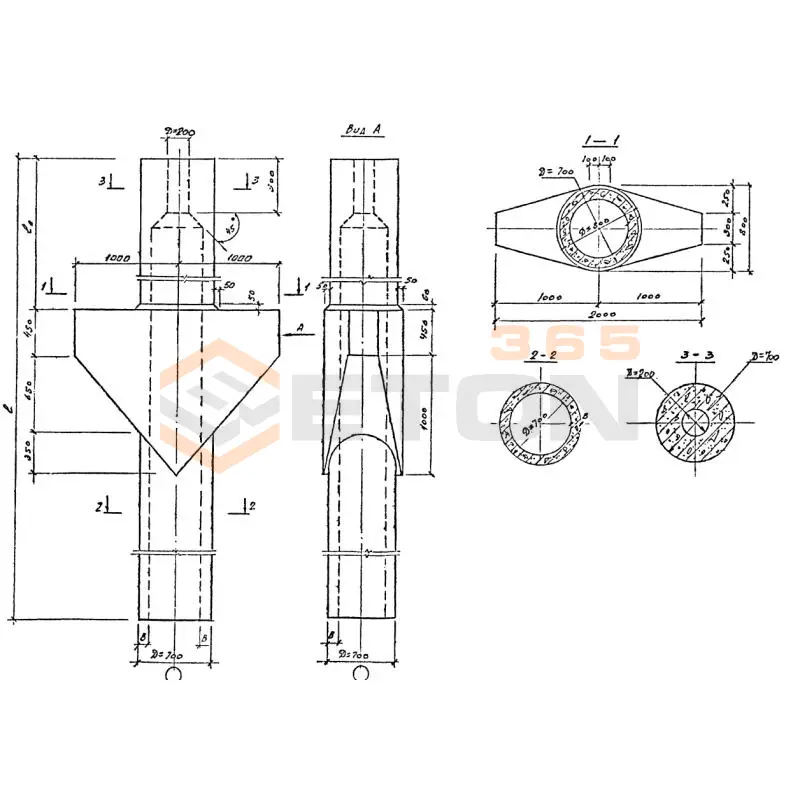
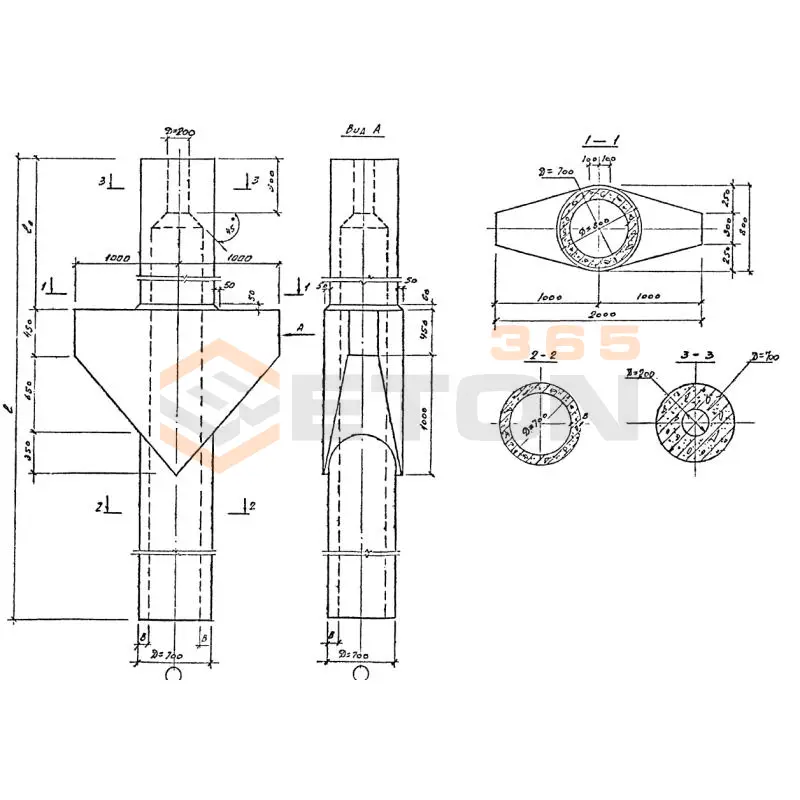
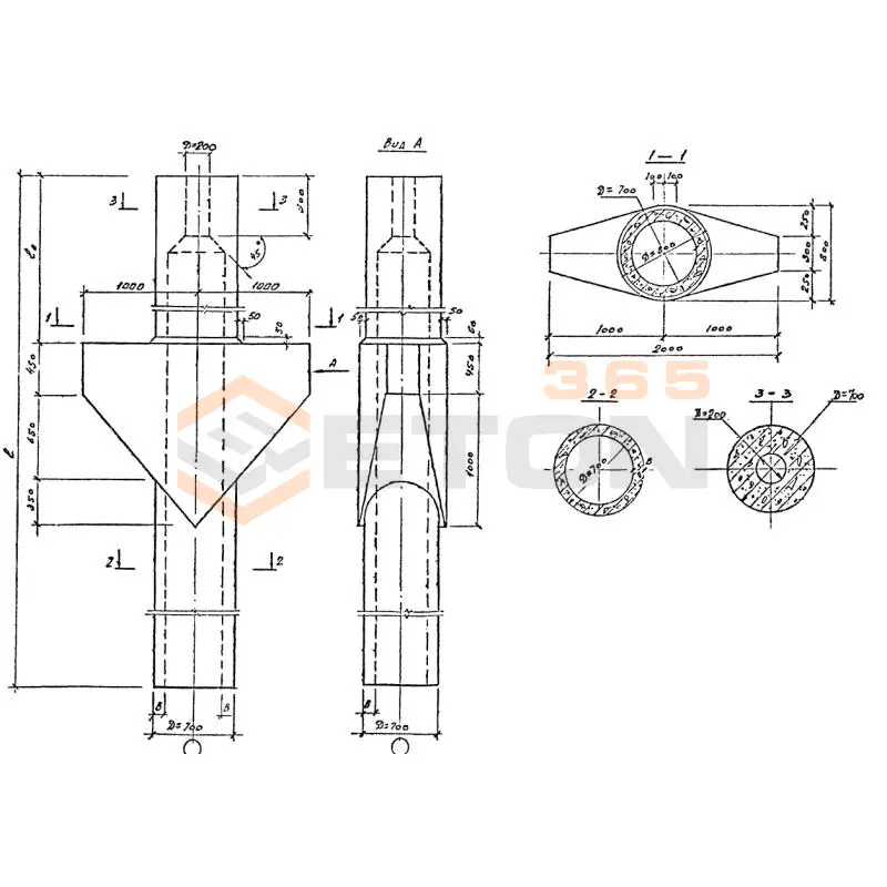
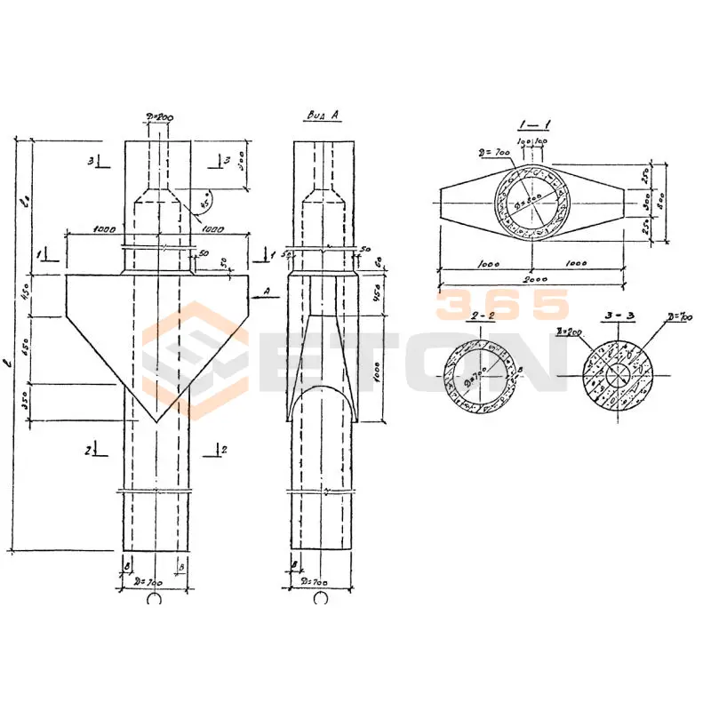
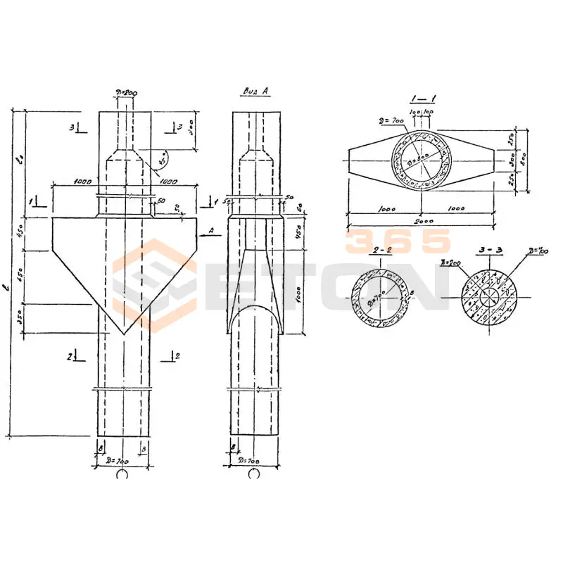
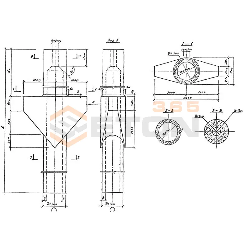
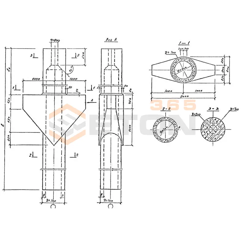
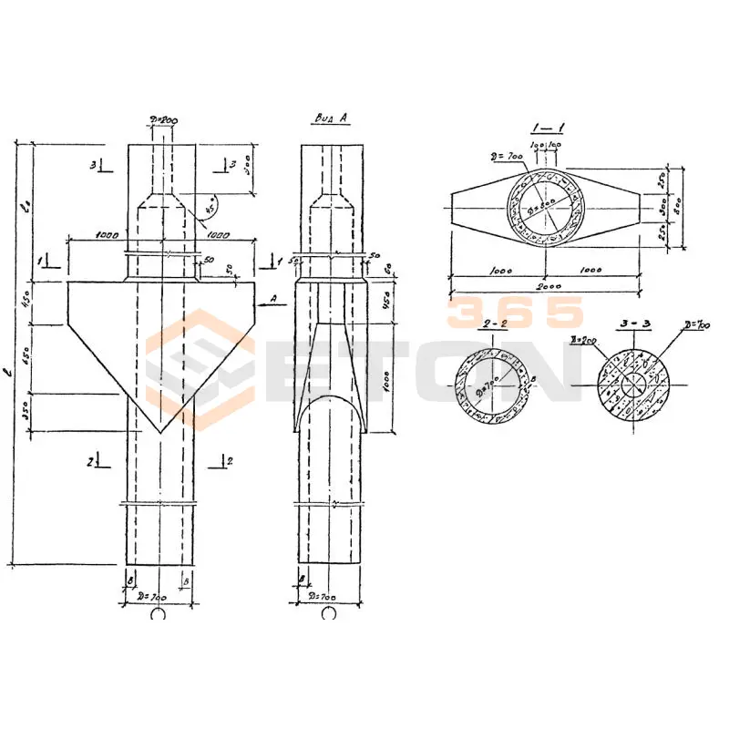
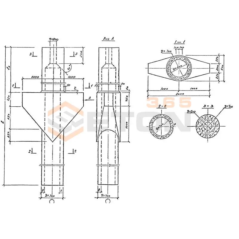
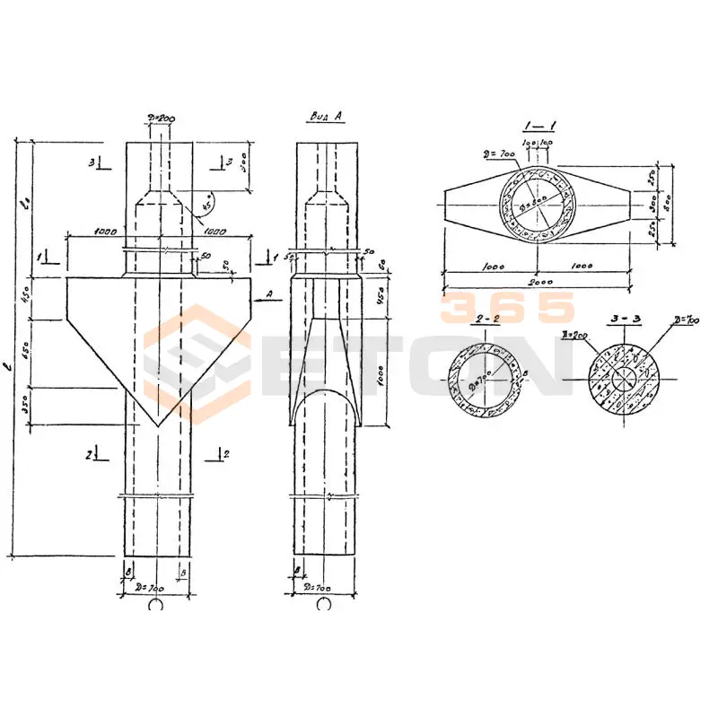
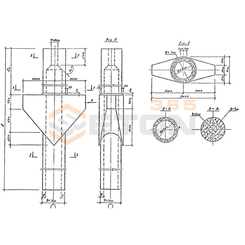
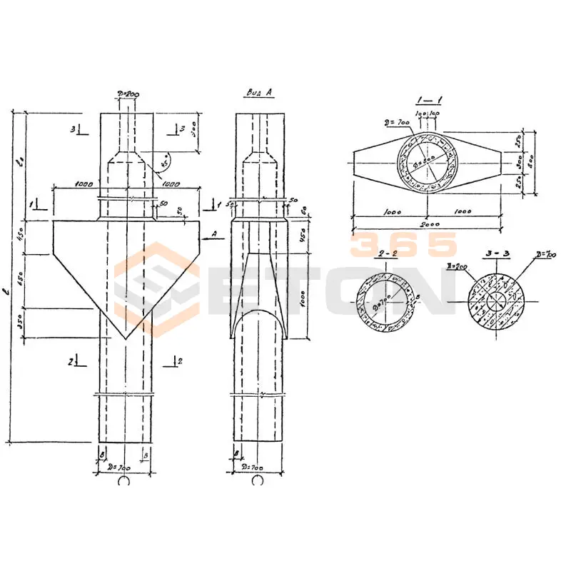
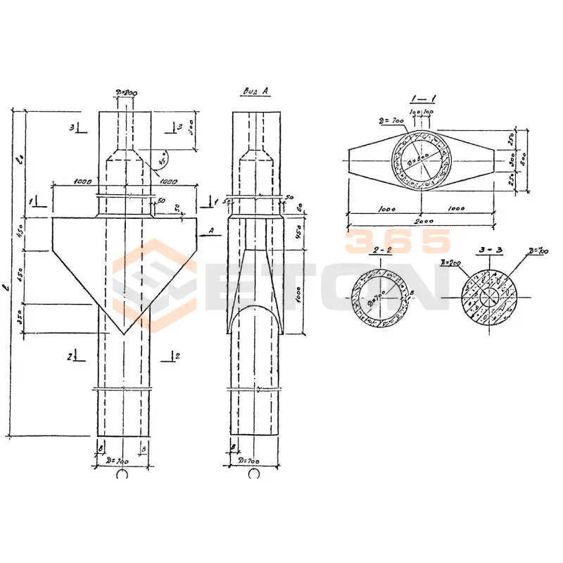
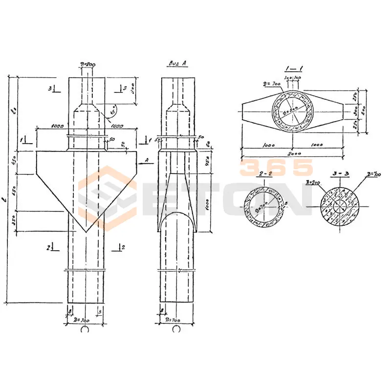
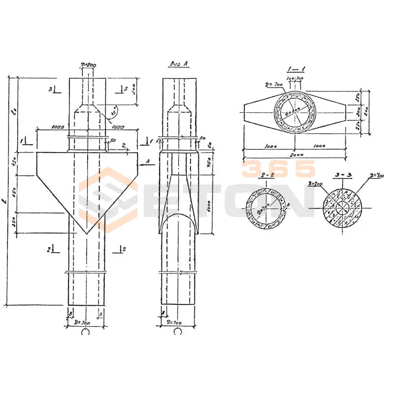
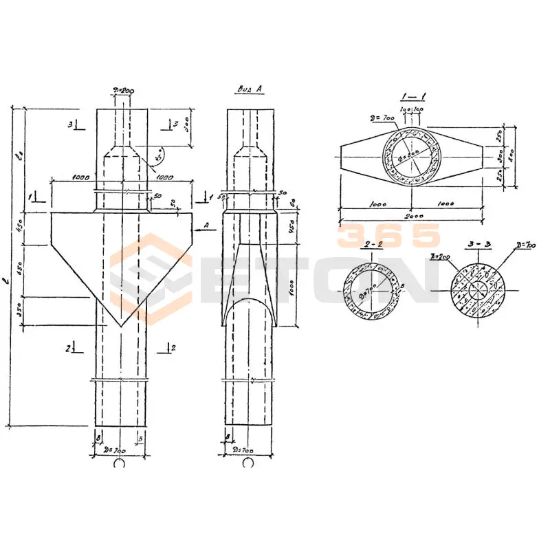
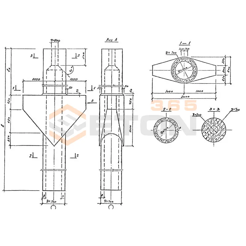
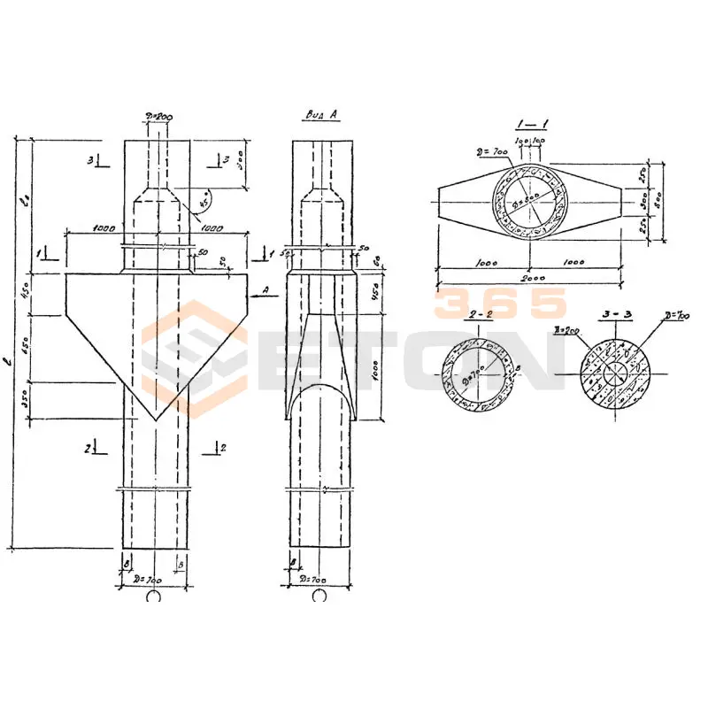
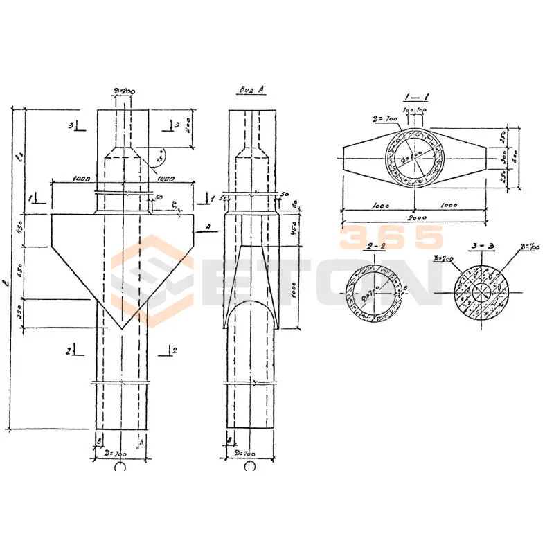
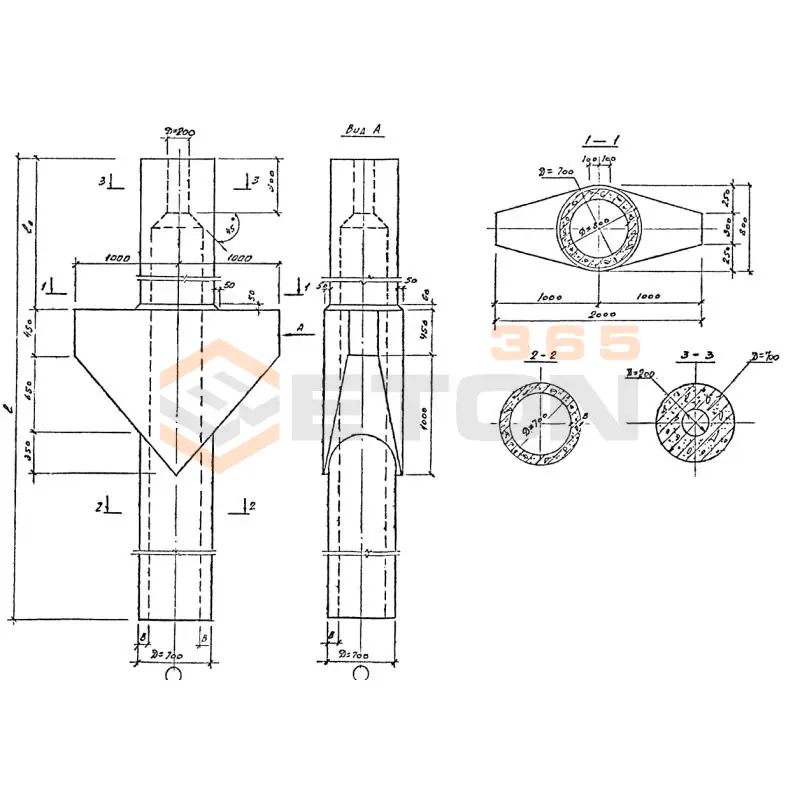
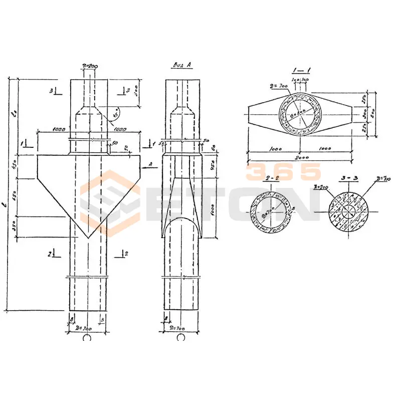
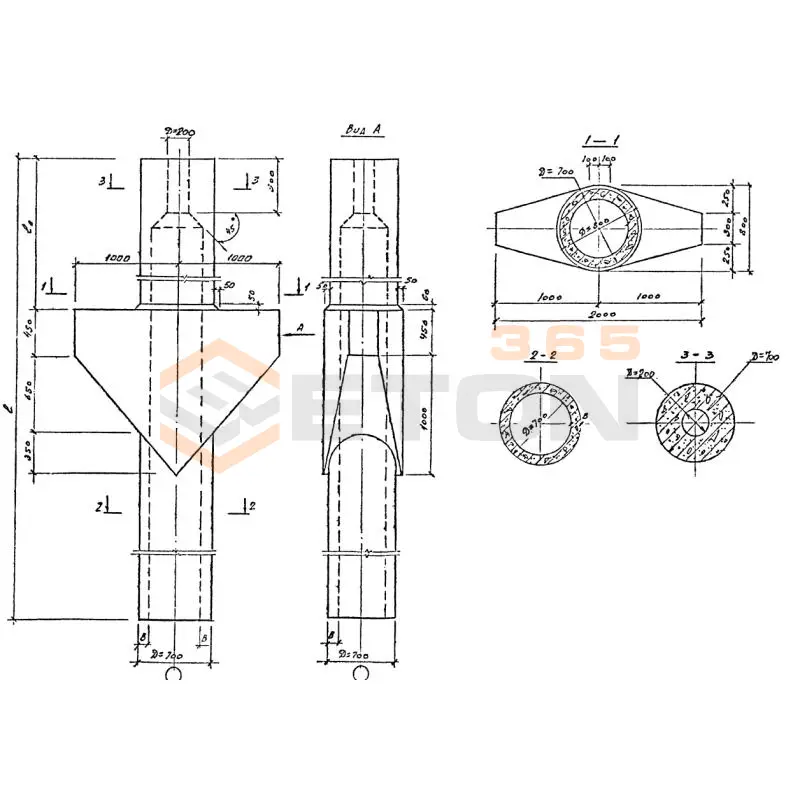
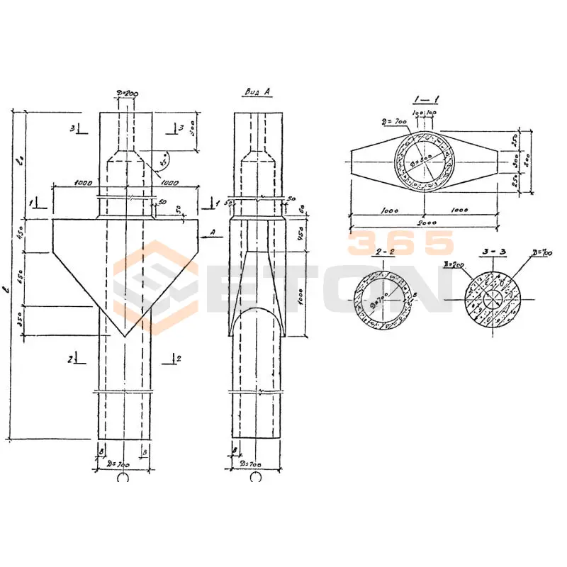
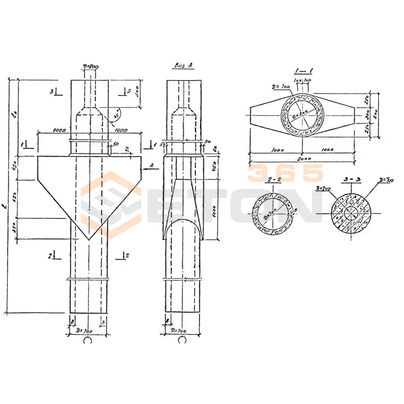
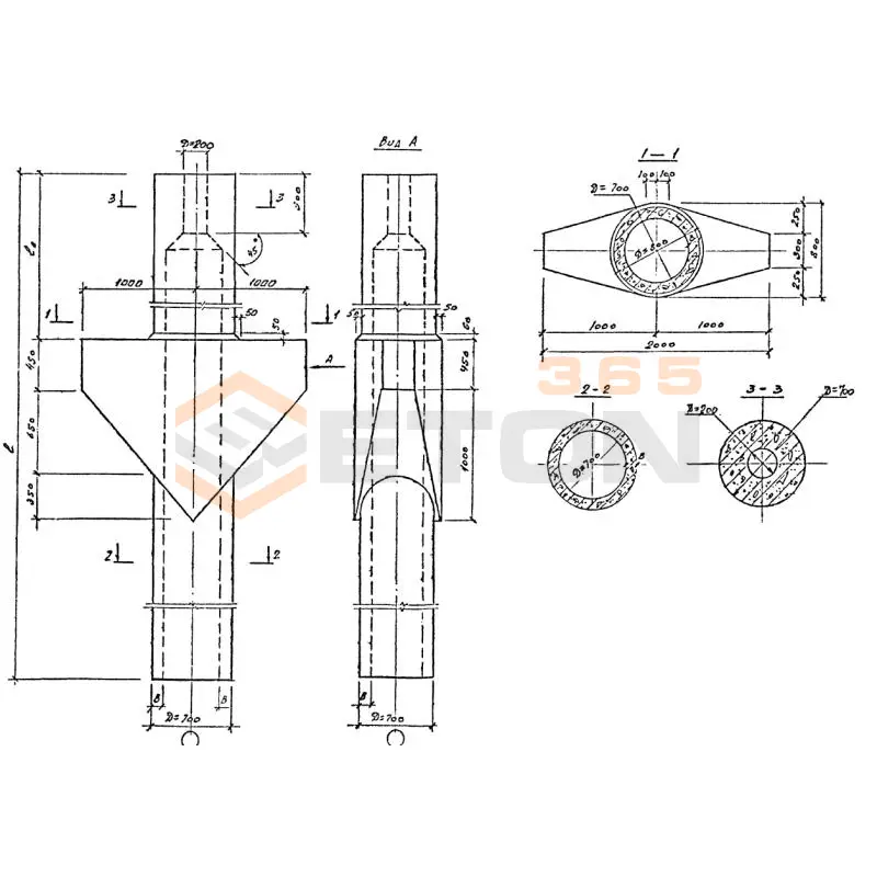
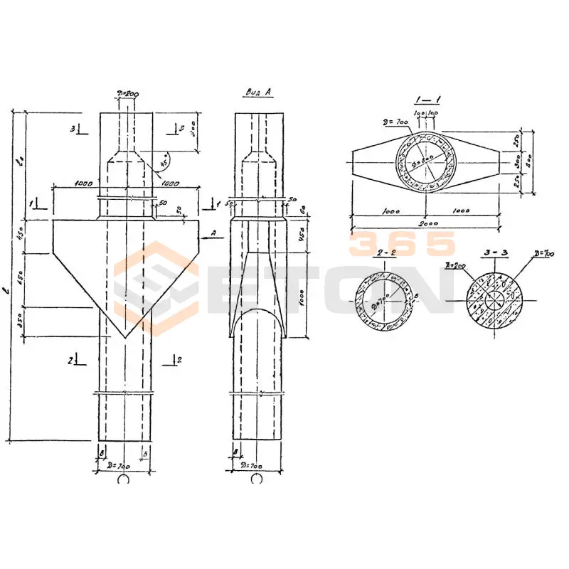
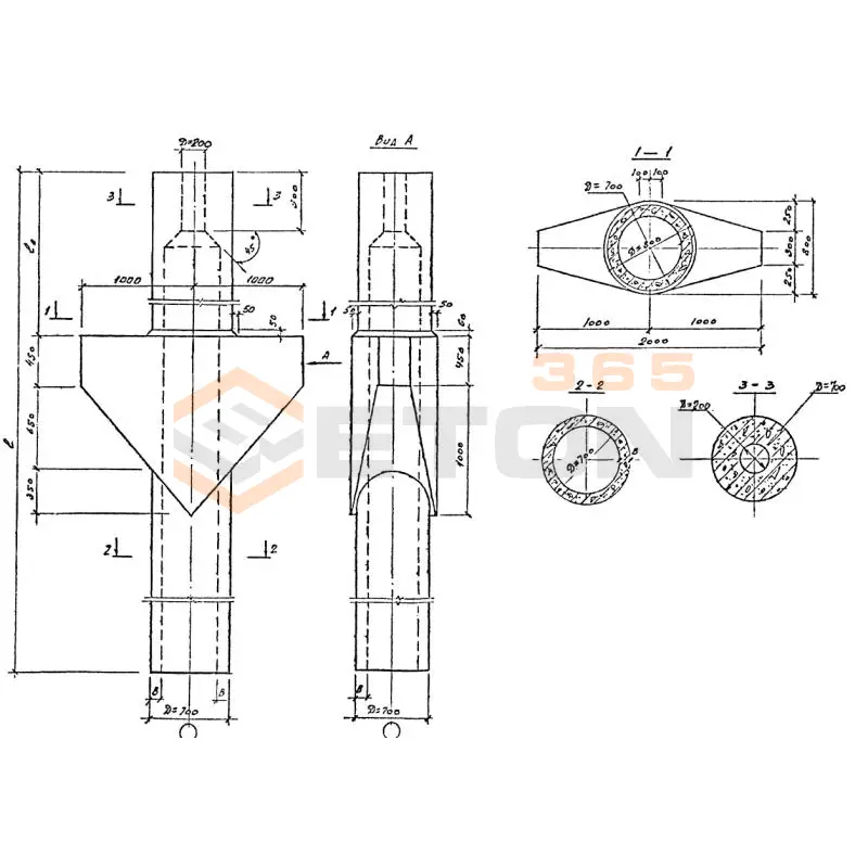
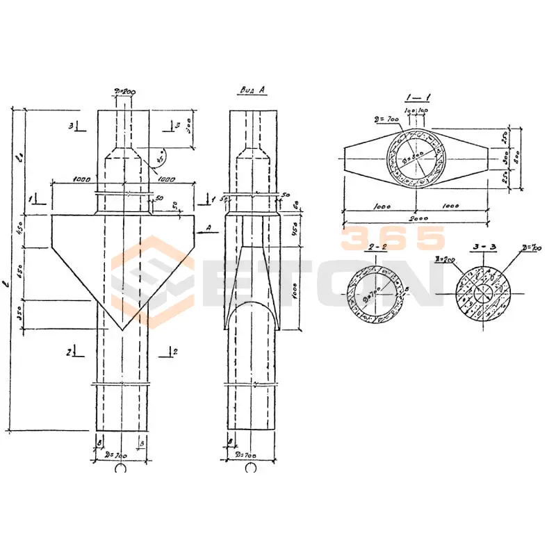
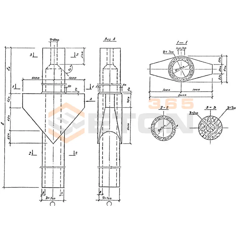
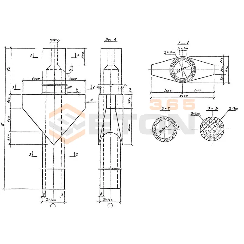
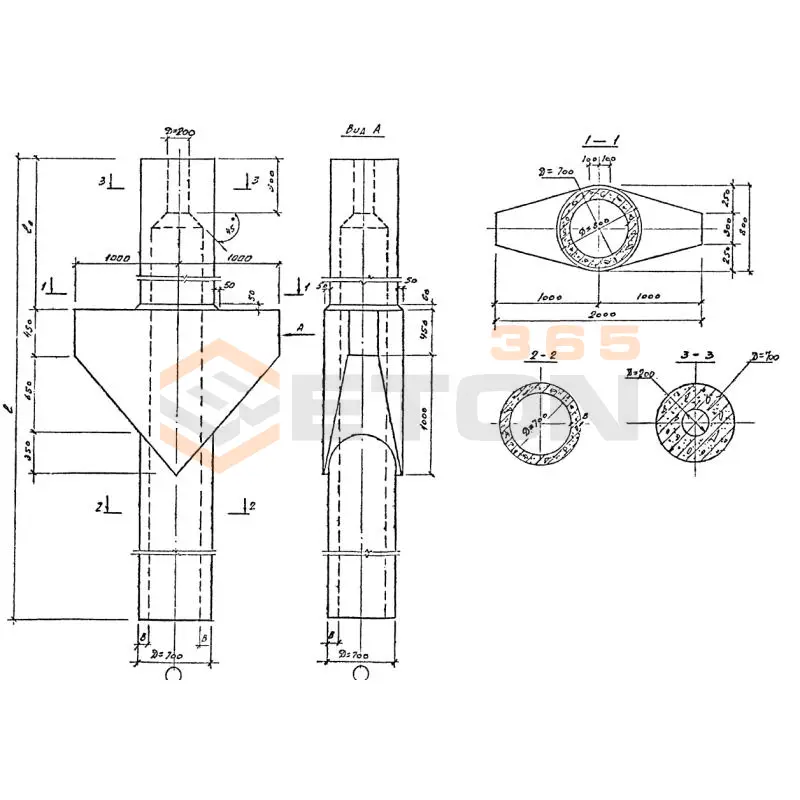
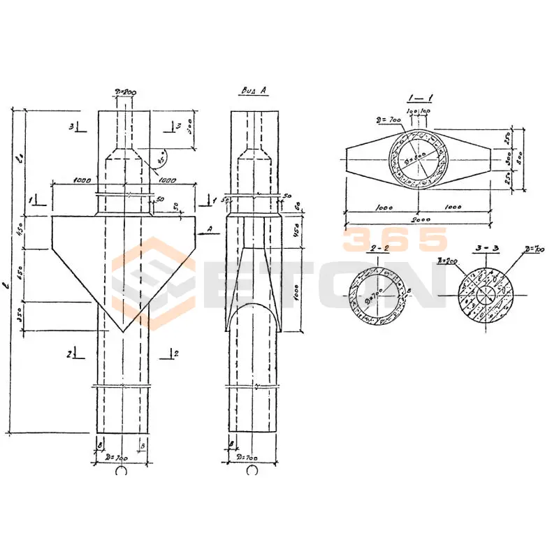
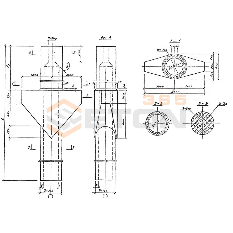
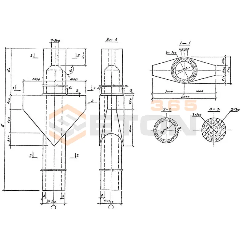
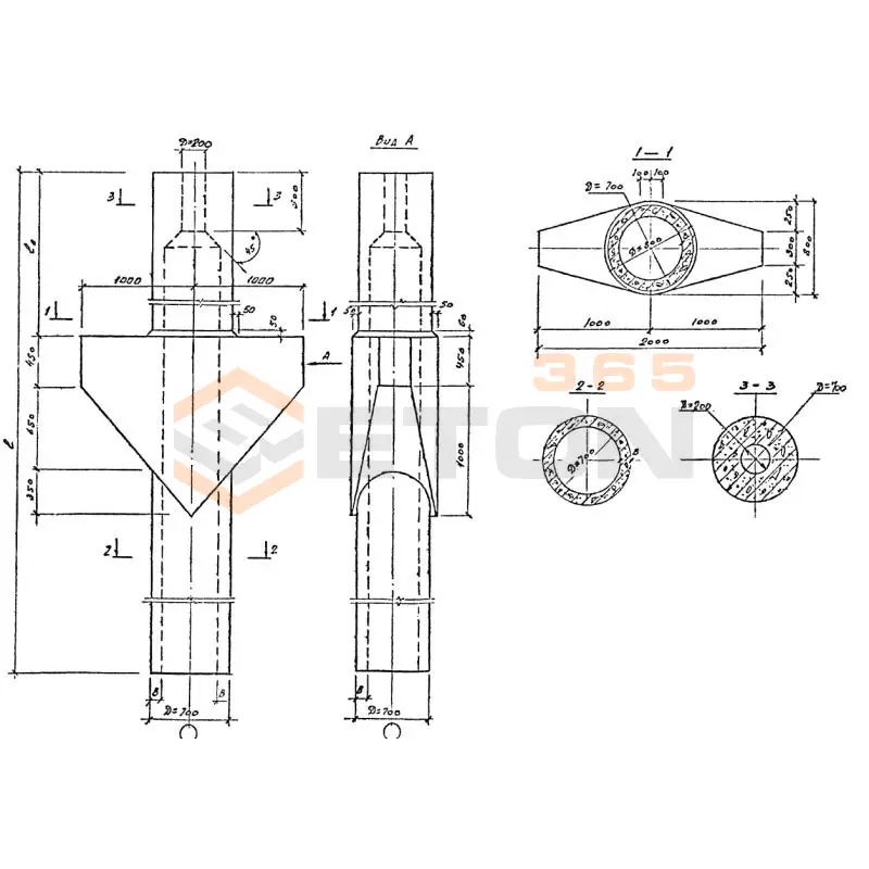
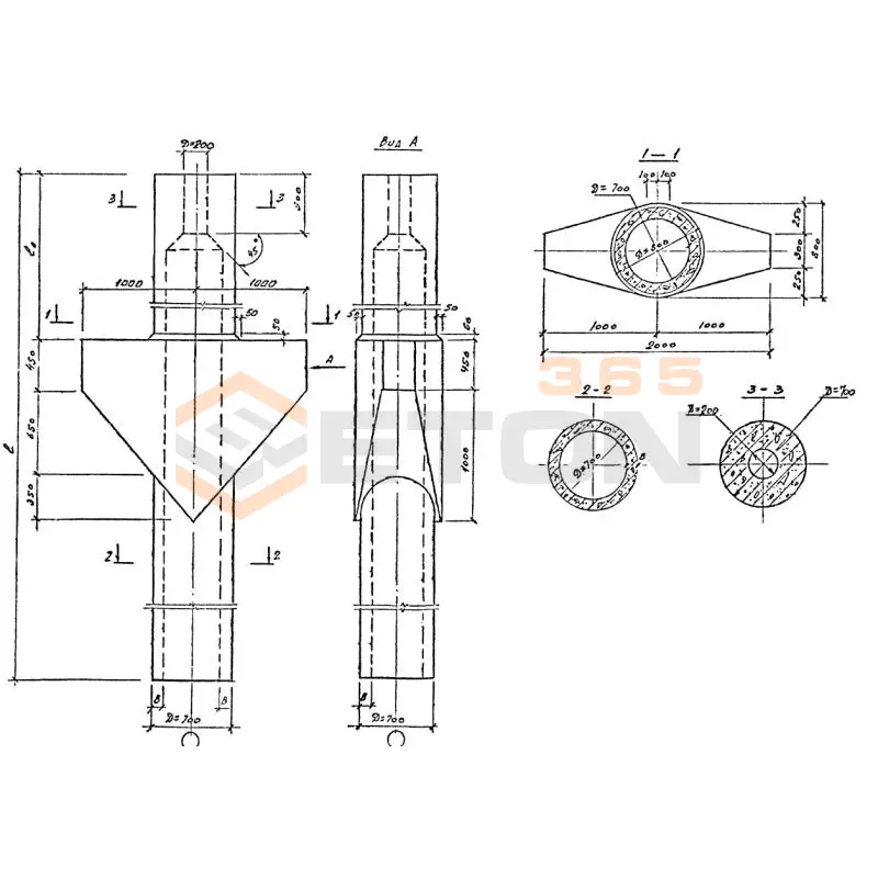
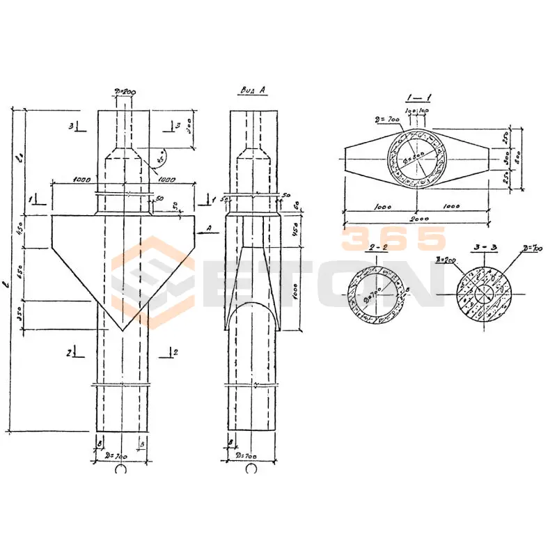
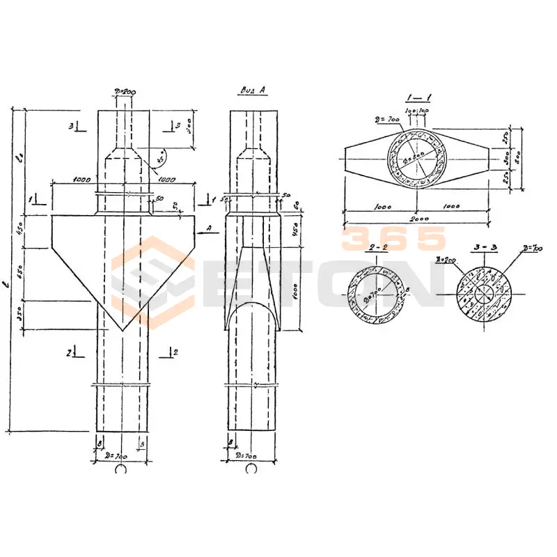
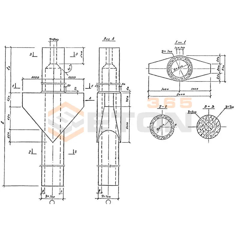
Документ Шифр Э 1708/1 описывает область применения, номенклатуру и ключевые требования, опираясь на действующие нормы и практику проектирования. Шифр Э1708/1 относится к домостроительным регламентам, содержащим индустриальные конструкции и узлы различных сооружений. Норматив был введён в действие в действие в 1987 году и состоит из двух выпусков, детально описывающих производство цельноформованных колонн из железобетона, имеющих кольцевое сечение и изготавливаемых центрифугированным способом. изделия и конструкции нашли широкое применение в промышленных предприятиях с высотой 8,4-12 метров, оснащенных мостовыми опорными кранами, имеющими грузоподъемность до 32 тонн.

Файлы для скачивания:
picture_as_pdf

5298.pdf

6,035.8 KB

скачать
picture_as_pdf

5299.pdf

3,729.2 KB

скачать
picture_as_pdf

5300.pdf

242.0 KB

скачать
Товары Шифр Э 1708/1 (60)
2КК 96-8-6,1 (Шифр Э 1708/1)
Колонны Шифр Э 1708/1
  • Длина 10800 мм.
  • Ширина 700 мм.
  • Высота 700 мм.
  • Вес 5700 кг.
  • Объем бетона 2,29 м3
  • Геометрический объем 5,292 м3
Цена: 46647 руб.
Подробнее
2КК 96-8-7,1 (Шифр Э 1708/1)
Колонны Шифр Э 1708/1
  • Длина 10800 мм.
  • Ширина 700 мм.
  • Высота 700 мм.
  • Вес 5700 кг.
  • Объем бетона 2,29 м3
  • Геометрический объем 5,292 м3
Цена: 46647 руб.
Подробнее
2КС 102-10-1,3 (Шифр Э 1708/1)
Колонны Шифр Э 1708/1
  • Длина 11400 мм.
  • Ширина 2000 мм.
  • Высота 800 мм.
  • Вес 7600 кг.
  • Объем бетона 3,03 м3
  • Геометрический объем 18,24 м3
Цена: 61721 руб.
Подробнее
2КС 102-10-1,3 (Шифр Э 1708/1)
Колонны Шифр Э 1708/1
  • Длина 11400 мм.
  • Ширина 2000 мм.
  • Высота 800 мм.
  • Вес 7600 кг.
  • Объем бетона 3,03 м3
  • Геометрический объем 18,24 м3
Цена: 61721 руб.
Подробнее
2КС 102-10-1,4 (Шифр Э 1708/1)
Колонны Шифр Э 1708/1
  • Длина 11400 мм.
  • Ширина 2000 мм.
  • Высота 800 мм.
  • Вес 7600 кг.
  • Объем бетона 3,03 м3
  • Геометрический объем 18,24 м3
Цена: 61721 руб.
Подробнее
2КС 102-10-2,3 (Шифр Э 1708/1)
Колонны Шифр Э 1708/1
  • Длина 11400 мм.
  • Ширина 2000 мм.
  • Высота 800 мм.
  • Вес 7600 кг.
  • Объем бетона 3,03 м3
  • Геометрический объем 18,24 м3
Цена: 61721 руб.
Подробнее
2КС 102-10-2,3 (Шифр Э 1708/1)
Колонны Шифр Э 1708/1
  • Длина 11400 мм.
  • Ширина 2000 мм.
  • Высота 800 мм.
  • Вес 7600 кг.
  • Объем бетона 3,03 м3
  • Геометрический объем 18,24 м3
Цена: 61721 руб.
Подробнее
2КС 102-10-3,3 (Шифр Э 1708/1)
Колонны Шифр Э 1708/1
  • Длина 11400 мм.
  • Ширина 2000 мм.
  • Высота 800 мм.
  • Вес 7600 кг.
  • Объем бетона 3,03 м3
  • Геометрический объем 18,24 м3
Цена: 61721 руб.
Подробнее
2КС 102-10-3,3 (Шифр Э 1708/1)
Колонны Шифр Э 1708/1
  • Длина 11400 мм.
  • Ширина 2000 мм.
  • Высота 800 мм.
  • Вес 7600 кг.
  • Объем бетона 3,03 м3
  • Геометрический объем 18,24 м3
Цена: 61721 руб.
Подробнее
2КС 102-10-2,4 (Шифр Э 1708/1)
Колонны Шифр Э 1708/1
  • Длина 11400 мм.
  • Ширина 2000 мм.
  • Высота 800 мм.
  • Вес 7600 кг.
  • Объем бетона 3,03 м3
  • Геометрический объем 18,24 м3
Цена: 61721 руб.
Подробнее
2КС 102-10-3,4 (Шифр Э 1708/1)
Колонны Шифр Э 1708/1
  • Длина 11400 мм.
  • Ширина 2000 мм.
  • Высота 800 мм.
  • Вес 7600 кг.
  • Объем бетона 3,03 м3
  • Геометрический объем 18,24 м3
Цена: 61721 руб.
Подробнее
2КС 102-10-4,3 (Шифр Э 1708/1)
Колонны Шифр Э 1708/1
  • Длина 11400 мм.
  • Ширина 2000 мм.
  • Высота 800 мм.
  • Вес 7600 кг.
  • Объем бетона 3,03 м3
  • Геометрический объем 18,24 м3
Цена: 61721 руб.
Подробнее
2КС 102-10-4,3 (Шифр Э 1708/1)
Колонны Шифр Э 1708/1
  • Длина 11400 мм.
  • Ширина 2000 мм.
  • Высота 800 мм.
  • Вес 7600 кг.
  • Объем бетона 3,03 м3
  • Геометрический объем 18,24 м3
Цена: 61721 руб.
Подробнее
2КС 102-10-4,4 (Шифр Э 1708/1)
Колонны Шифр Э 1708/1
  • Длина 11400 мм.
  • Ширина 2000 мм.
  • Высота 800 мм.
  • Вес 7600 кг.
  • Объем бетона 3,03 м3
  • Геометрический объем 18,24 м3
Цена: 61721 руб.
Подробнее
2КС 102-10-6,3 (Шифр Э 1708/1)
Колонны Шифр Э 1708/1
  • Длина 11400 мм.
  • Ширина 2000 мм.
  • Высота 800 мм.
  • Вес 7600 кг.
  • Объем бетона 3,03 м3
  • Геометрический объем 18,24 м3
Цена: 61721 руб.
Подробнее
2КС 102-10-5,3 (Шифр Э 1708/1)
Колонны Шифр Э 1708/1
  • Длина 11400 мм.
  • Ширина 2000 мм.
  • Высота 800 мм.
  • Вес 7600 кг.
  • Объем бетона 3,03 м3
  • Геометрический объем 18,24 м3
Цена: 61721 руб.
Подробнее
2КС 102-10-5,4 (Шифр Э 1708/1)
Колонны Шифр Э 1708/1
  • Длина 11400 мм.
  • Ширина 2000 мм.
  • Высота 800 мм.
  • Вес 7600 кг.
  • Объем бетона 3,03 м3
  • Геометрический объем 18,24 м3
Цена: 61721 руб.
Подробнее
2КС 102-10-6,3 (Шифр Э 1708/1)
Колонны Шифр Э 1708/1
  • Длина 11400 мм.
  • Ширина 2000 мм.
  • Высота 800 мм.
  • Вес 7600 кг.
  • Объем бетона 3,03 м3
  • Геометрический объем 18,24 м3
Цена: 61721 руб.
Подробнее
2КС 102-10-5,3 (Шифр Э 1708/1)
Колонны Шифр Э 1708/1
  • Длина 11400 мм.
  • Ширина 2000 мм.
  • Высота 800 мм.
  • Вес 7600 кг.
  • Объем бетона 3,03 м3
  • Геометрический объем 18,24 м3
Цена: 61721 руб.
Подробнее
2КС 102-10-7,4 (Шифр Э 1708/1)
Колонны Шифр Э 1708/1
  • Длина 11400 мм.
  • Ширина 2000 мм.
  • Высота 800 мм.
  • Вес 7600 кг.
  • Объем бетона 3,03 м3
  • Геометрический объем 18,24 м3
Цена: 61721 руб.
Подробнее
2КС 102-10-7,3 (Шифр Э 1708/1)
Колонны Шифр Э 1708/1
  • Длина 11400 мм.
  • Ширина 2000 мм.
  • Высота 800 мм.
  • Вес 7600 кг.
  • Объем бетона 3,03 м3
  • Геометрический объем 18,24 м3
Цена: 61721 руб.
Подробнее
2КС 102-10-7,3 (Шифр Э 1708/1)
Колонны Шифр Э 1708/1
  • Длина 11400 мм.
  • Ширина 2000 мм.
  • Высота 800 мм.
  • Вес 7600 кг.
  • Объем бетона 3,03 м3
  • Геометрический объем 18,24 м3
Цена: 61721 руб.
Подробнее
2КС 102-10-6,4 (Шифр Э 1708/1)
Колонны Шифр Э 1708/1
  • Длина 11400 мм.
  • Ширина 2000 мм.
  • Высота 800 мм.
  • Вес 7600 кг.
  • Объем бетона 3,03 м3
  • Геометрический объем 18,24 м3
Цена: 61721 руб.
Подробнее
2КС 102-8-1,3 (Шифр Э 1708/1)
Колонны Шифр Э 1708/1
  • Длина 11400 мм.
  • Ширина 2000 мм.
  • Высота 800 мм.
  • Вес 6600 кг.
  • Объем бетона 2,65 м3
  • Геометрический объем 18,24 м3
Цена: 53981 руб.
Подробнее
2КС 102-8-1,3 (Шифр Э 1708/1)
Колонны Шифр Э 1708/1
  • Длина 11400 мм.
  • Ширина 2000 мм.
  • Высота 800 мм.
  • Вес 6600 кг.
  • Объем бетона 2,65 м3
  • Геометрический объем 18,24 м3
Цена: 53981 руб.
Подробнее
2КС 102-8-1,4 (Шифр Э 1708/1)
Колонны Шифр Э 1708/1
  • Длина 11400 мм.
  • Ширина 2000 мм.
  • Высота 800 мм.
  • Вес 6600 кг.
  • Объем бетона 2,65 м3
  • Геометрический объем 18,24 м3
Цена: 53981 руб.
Подробнее
2КС 102-8-2,3 (Шифр Э 1708/1)
Колонны Шифр Э 1708/1
  • Длина 11400 мм.
  • Ширина 2000 мм.
  • Высота 800 мм.
  • Вес 6600 кг.
  • Объем бетона 2,65 м3
  • Геометрический объем 18,24 м3
Цена: 53981 руб.
Подробнее
2КС 102-8-2,4 (Шифр Э 1708/1)
Колонны Шифр Э 1708/1
  • Длина 11400 мм.
  • Ширина 2000 мм.
  • Высота 800 мм.
  • Вес 6600 кг.
  • Объем бетона 2,65 м3
  • Геометрический объем 18,24 м3
Цена: 53981 руб.
Подробнее
2КС 102-8-2,3 (Шифр Э 1708/1)
Колонны Шифр Э 1708/1
  • Длина 11400 мм.
  • Ширина 2000 мм.
  • Высота 800 мм.
  • Вес 6600 кг.
  • Объем бетона 2,65 м3
  • Геометрический объем 18,24 м3
Цена: 53981 руб.
Подробнее
2КС 102-8-3,3 (Шифр Э 1708/1)
Колонны Шифр Э 1708/1
  • Длина 11400 мм.
  • Ширина 2000 мм.
  • Высота 800 мм.
  • Вес 6600 кг.
  • Объем бетона 2,65 м3
  • Геометрический объем 18,24 м3
Цена: 53981 руб.
Подробнее
2КС 102-8-3,3 (Шифр Э 1708/1)
Колонны Шифр Э 1708/1
  • Длина 11400 мм.
  • Ширина 2000 мм.
  • Высота 800 мм.
  • Вес 6600 кг.
  • Объем бетона 2,65 м3
  • Геометрический объем 18,24 м3
Цена: 53981 руб.
Подробнее
2КС 102-8-4,3 (Шифр Э 1708/1)
Колонны Шифр Э 1708/1
  • Длина 11400 мм.
  • Ширина 2000 мм.
  • Высота 800 мм.
  • Вес 6600 кг.
  • Объем бетона 2,65 м3
  • Геометрический объем 18,24 м3
Цена: 53981 руб.
Подробнее
2КС 102-8-3,4 (Шифр Э 1708/1)
Колонны Шифр Э 1708/1
  • Длина 11400 мм.
  • Ширина 2000 мм.
  • Высота 800 мм.
  • Вес 6600 кг.
  • Объем бетона 2,65 м3
  • Геометрический объем 18,24 м3
Цена: 53981 руб.
Подробнее
2КС 102-8-4,3 (Шифр Э 1708/1)
Колонны Шифр Э 1708/1
  • Длина 11400 мм.
  • Ширина 2000 мм.
  • Высота 800 мм.
  • Вес 6600 кг.
  • Объем бетона 2,65 м3
  • Геометрический объем 18,24 м3
Цена: 53981 руб.
Подробнее
2КС 102-8-4,4 (Шифр Э 1708/1)
Колонны Шифр Э 1708/1
  • Длина 11400 мм.
  • Ширина 2000 мм.
  • Высота 800 мм.
  • Вес 6600 кг.
  • Объем бетона 2,65 м3
  • Геометрический объем 18,24 м3
Цена: 53981 руб.
Подробнее
2КС 102-8-5,3 (Шифр Э 1708/1)
Колонны Шифр Э 1708/1
  • Длина 11400 мм.
  • Ширина 2000 мм.
  • Высота 800 мм.
  • Вес 6600 кг.
  • Объем бетона 2,65 м3
  • Геометрический объем 18,24 м3
Цена: 53981 руб.
Подробнее
2КС 102-8-5,3 (Шифр Э 1708/1)
Колонны Шифр Э 1708/1
  • Длина 11400 мм.
  • Ширина 2000 мм.
  • Высота 800 мм.
  • Вес 6600 кг.
  • Объем бетона 2,65 м3
  • Геометрический объем 18,24 м3
Цена: 53981 руб.
Подробнее
2КС 102-8-6,3 (Шифр Э 1708/1)
Колонны Шифр Э 1708/1
  • Длина 11400 мм.
  • Ширина 2000 мм.
  • Высота 800 мм.
  • Вес 6600 кг.
  • Объем бетона 2,65 м3
  • Геометрический объем 18,24 м3
Цена: 53981 руб.
Подробнее
2КС 102-8-5,4 (Шифр Э 1708/1)
Колонны Шифр Э 1708/1
  • Длина 11400 мм.
  • Ширина 2000 мм.
  • Высота 800 мм.
  • Вес 6600 кг.
  • Объем бетона 2,65 м3
  • Геометрический объем 18,24 м3
Цена: 53981 руб.
Подробнее
2КС 102-8-6,4 (Шифр Э 1708/1)
Колонны Шифр Э 1708/1
  • Длина 11400 мм.
  • Ширина 2000 мм.
  • Высота 800 мм.
  • Вес 6600 кг.
  • Объем бетона 2,65 м3
  • Геометрический объем 18,24 м3
Цена: 53981 руб.
Подробнее
2КС 102-8-6,3 (Шифр Э 1708/1)
Колонны Шифр Э 1708/1
  • Длина 11400 мм.
  • Ширина 2000 мм.
  • Высота 800 мм.
  • Вес 6600 кг.
  • Объем бетона 2,65 м3
  • Геометрический объем 18,24 м3
Цена: 53981 руб.
Подробнее
2КС 102-8-7,3 (Шифр Э 1708/1)
Колонны Шифр Э 1708/1
  • Длина 11400 мм.
  • Ширина 2000 мм.
  • Высота 800 мм.
  • Вес 6600 кг.
  • Объем бетона 2,65 м3
  • Геометрический объем 18,24 м3
Цена: 53981 руб.
Подробнее
2КС 102-8-7,3 (Шифр Э 1708/1)
Колонны Шифр Э 1708/1
  • Длина 11400 мм.
  • Ширина 2000 мм.
  • Высота 800 мм.
  • Вес 6600 кг.
  • Объем бетона 2,65 м3
  • Геометрический объем 18,24 м3
Цена: 53981 руб.
Подробнее
2КС 102-8-7,4 (Шифр Э 1708/1)
Колонны Шифр Э 1708/1
  • Длина 11400 мм.
  • Ширина 2000 мм.
  • Высота 800 мм.
  • Вес 6600 кг.
  • Объем бетона 2,65 м3
  • Геометрический объем 18,24 м3
Цена: 53981 руб.
Подробнее
2КС 114-10-1,3 (Шифр Э 1708/1)
Колонны Шифр Э 1708/1
  • Длина 12600 мм.
  • Ширина 2000 мм.
  • Высота 800 мм.
  • Вес 8200 кг.
  • Объем бетона 3,26 м3
  • Геометрический объем 20,16 м3
Цена: 66406 руб.
Подробнее
2КС 114-10-2,3 (Шифр Э 1708/1)
Колонны Шифр Э 1708/1
  • Длина 12600 мм.
  • Ширина 2000 мм.
  • Высота 800 мм.
  • Вес 8200 кг.
  • Объем бетона 3,26 м3
  • Геометрический объем 20,16 м3
Цена: 66406 руб.
Подробнее
2КС 114-10-3,3 (Шифр Э 1708/1)
Колонны Шифр Э 1708/1
  • Длина 12600 мм.
  • Ширина 2000 мм.
  • Высота 800 мм.
  • Вес 8200 кг.
  • Объем бетона 3,26 м3
  • Геометрический объем 20,16 м3
Цена: 66406 руб.
Подробнее
2КС 114-10-4,3 (Шифр Э 1708/1)
Колонны Шифр Э 1708/1
  • Длина 12600 мм.
  • Ширина 2000 мм.
  • Высота 800 мм.
  • Вес 8200 кг.
  • Объем бетона 3,26 м3
  • Геометрический объем 20,16 м3
Цена: 66406 руб.
Подробнее
2КС 114-10-5,3 (Шифр Э 1708/1)
Колонны Шифр Э 1708/1
  • Длина 12600 мм.
  • Ширина 2000 мм.
  • Высота 800 мм.
  • Вес 8200 кг.
  • Объем бетона 3,26 м3
  • Геометрический объем 20,16 м3
Цена: 66406 руб.
Подробнее
2КС 114-10-7,3 (Шифр Э 1708/1)
Колонны Шифр Э 1708/1
  • Длина 12600 мм.
  • Ширина 2000 мм.
  • Высота 800 мм.
  • Вес 8200 кг.
  • Объем бетона 3,26 м3
  • Геометрический объем 20,16 м3
Цена: 66406 руб.
Подробнее
2КС 78-7-1,3 (Шифр Э 1708/1)
Колонны Шифр Э 1708/1
  • Длина 9000 мм.
  • Ширина 2000 мм.
  • Высота 800 мм.
  • Вес 5310 кг.
  • Объем бетона 2,13 м3
  • Геометрический объем 14,4 м3
Цена: 43388 руб.
Подробнее
2КС 78-7-2,3 (Шифр Э 1708/1)
Колонны Шифр Э 1708/1
  • Длина 9000 мм.
  • Ширина 2000 мм.
  • Высота 800 мм.
  • Вес 5310 кг.
  • Объем бетона 2,13 м3
  • Геометрический объем 14,4 м3
Цена: 43388 руб.
Подробнее
2КС 114-10-6,3 (Шифр Э 1708/1)
Колонны Шифр Э 1708/1
  • Длина 12600 мм.
  • Ширина 2000 мм.
  • Высота 800 мм.
  • Вес 8200 кг.
  • Объем бетона 3,26 м3
  • Геометрический объем 20,16 м3
Цена: 66406 руб.
Подробнее
2КС 78-7-3,3 (Шифр Э 1708/1)
Колонны Шифр Э 1708/1
  • Длина 9000 мм.
  • Ширина 2000 мм.
  • Высота 800 мм.
  • Вес 5310 кг.
  • Объем бетона 2,13 м3
  • Геометрический объем 14,4 м3
Цена: 43388 руб.
Подробнее
2КС 78-7-4,3 (Шифр Э 1708/1)
Колонны Шифр Э 1708/1
  • Длина 9000 мм.
  • Ширина 2000 мм.
  • Высота 800 мм.
  • Вес 5310 кг.
  • Объем бетона 2,13 м3
  • Геометрический объем 14,4 м3
Цена: 43388 руб.
Подробнее
2КС 78-7-5,3 (Шифр Э 1708/1)
Колонны Шифр Э 1708/1
  • Длина 9000 мм.
  • Ширина 2000 мм.
  • Высота 800 мм.
  • Вес 5310 кг.
  • Объем бетона 2,13 м3
  • Геометрический объем 14,4 м3
Цена: 43388 руб.
Подробнее
2КС 78-8-3,3 (Шифр Э 1708/1)
Колонны Шифр Э 1708/1
  • Длина 9000 мм.
  • Ширина 2000 мм.
  • Высота 800 мм.
  • Вес 5700 кг.
  • Объем бетона 2,28 м3
  • Геометрический объем 14,4 м3
Цена: 46444 руб.
Подробнее
2КС 78-7-6,3 (Шифр Э 1708/1)
Колонны Шифр Э 1708/1
  • Длина 9000 мм.
  • Ширина 2000 мм.
  • Высота 800 мм.
  • Вес 5310 кг.
  • Объем бетона 2,13 м3
  • Геометрический объем 14,4 м3
Цена: 43388 руб.
Подробнее
2КС 78-8-2,3 (Шифр Э 1708/1)
Колонны Шифр Э 1708/1
  • Длина 9000 мм.
  • Ширина 2000 мм.
  • Высота 800 мм.
  • Вес 5700 кг.
  • Объем бетона 2,28 м3
  • Геометрический объем 14,4 м3
Цена: 46444 руб.
Подробнее
2КС 78-8-1,3 (Шифр Э 1708/1)
Колонны Шифр Э 1708/1
  • Длина 9000 мм.
  • Ширина 2000 мм.
  • Высота 800 мм.
  • Вес 5700 кг.
  • Объем бетона 2,28 м3
  • Геометрический объем 14,4 м3
Цена: 46444 руб.
Подробнее

Уведомление о файлах cookie

Мы используем файлы cookie для улучшения вашего опыта просмотра и анализа трафика. Нажимая "Принять все", вы соглашаетесь с нашей политикой конфиденциальности и политикой обработки файлов cookie.

MAX Дзен Телеграм Вконтакте vk