mobile_sound +7 (930) 655-55-90

Техническая документация и чертежи (Шифр Э 1708/1)

Поделиться:
Поделиться:

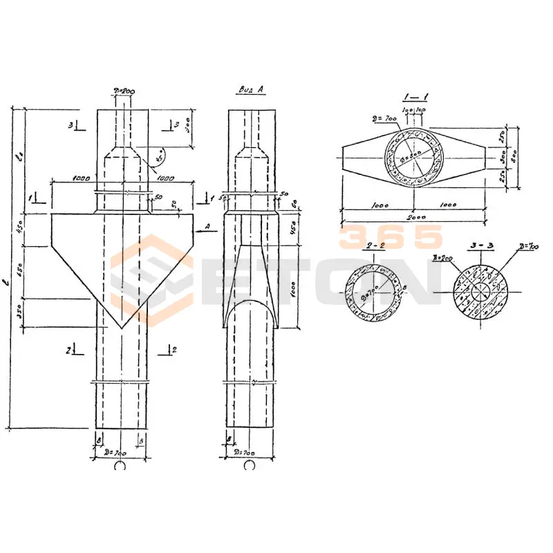
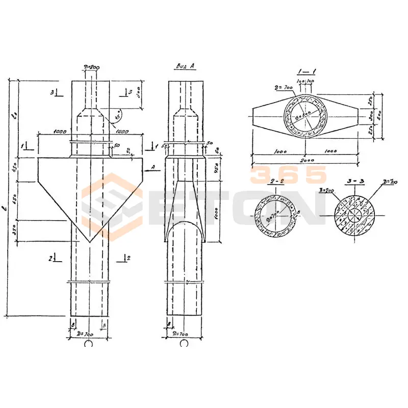
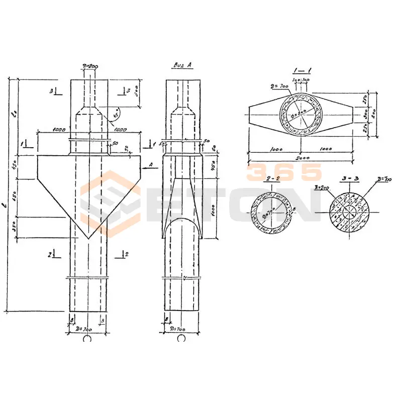
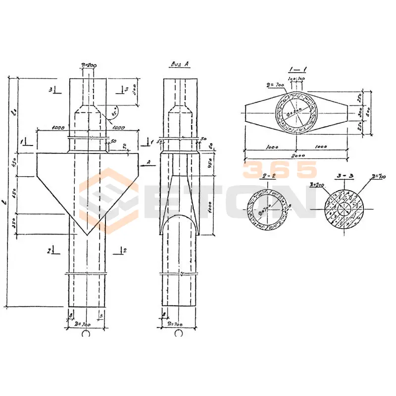
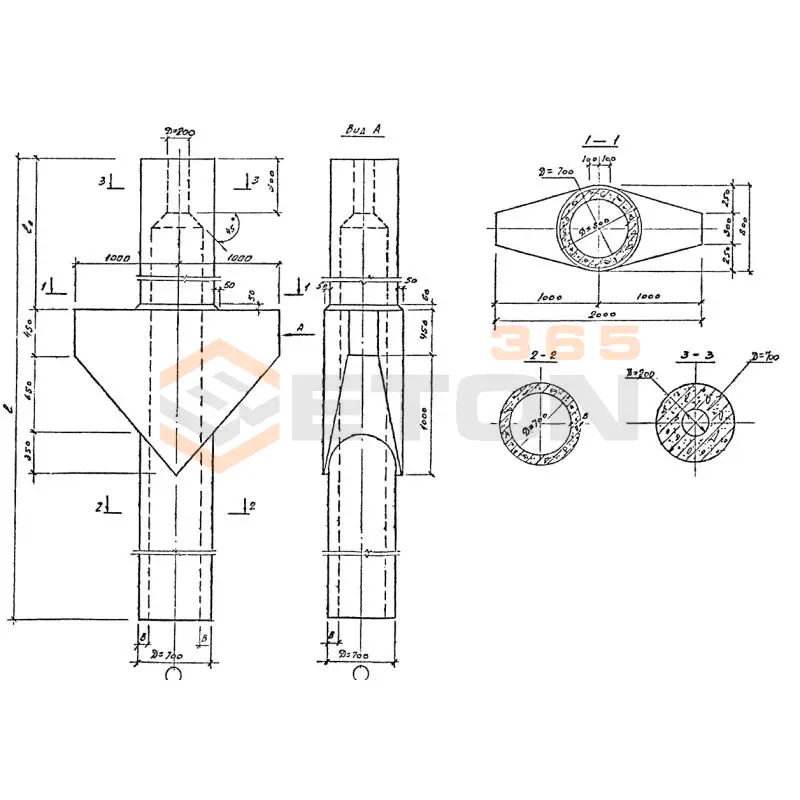
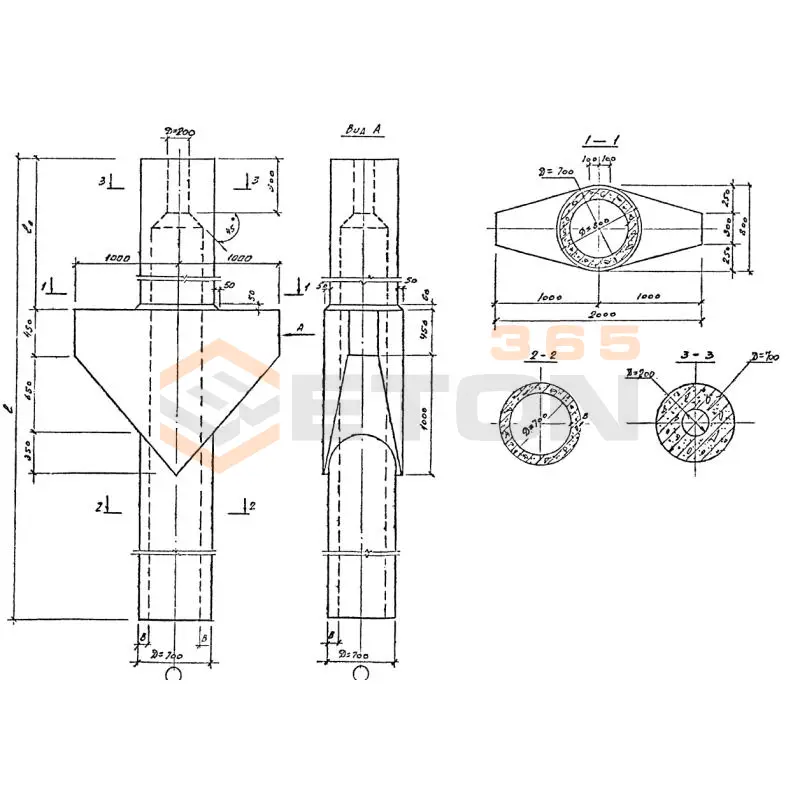
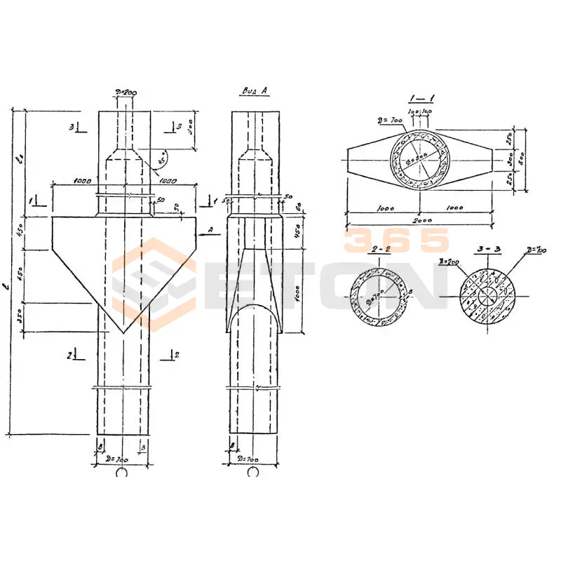
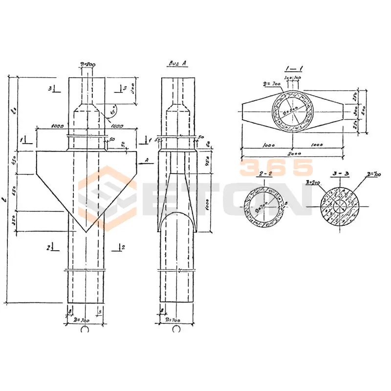
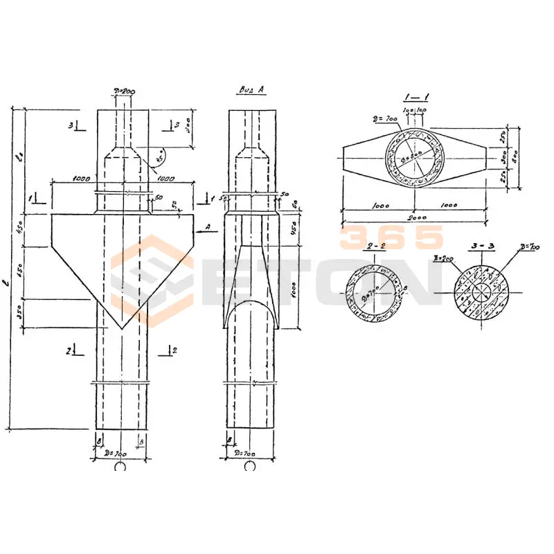
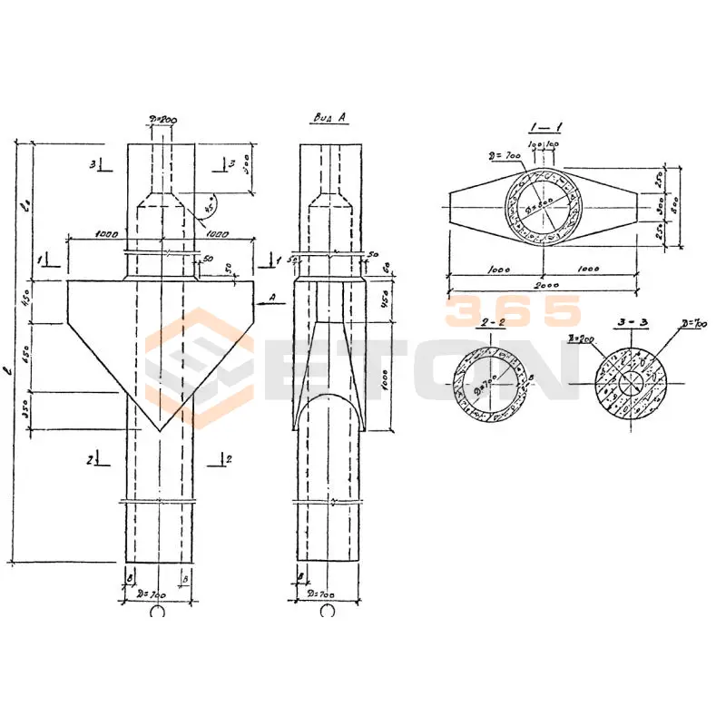
Документ Шифр Э 1708/1 описывает область применения, номенклатуру и ключевые требования, опираясь на действующие нормы и практику проектирования. Шифр Э1708/1 относится к домостроительным регламентам, содержащим индустриальные конструкции и узлы различных сооружений. Норматив был введён в действие в действие в 1987 году и состоит из двух выпусков, детально описывающих производство цельноформованных колонн из железобетона, имеющих кольцевое сечение и изготавливаемых центрифугированным способом. изделия и конструкции нашли широкое применение в промышленных предприятиях с высотой 8,4-12 метров, оснащенных мостовыми опорными кранами, имеющими грузоподъемность до 32 тонн.

Файлы для скачивания:
picture_as_pdf

5298.pdf

6,035.8 KB

скачать
picture_as_pdf

5299.pdf

3,729.2 KB

скачать
picture_as_pdf

5300.pdf

242.0 KB

скачать
Товары Шифр Э 1708/1 (60)
1КС 84-7-3,3 (Шифр Э 1708/1)
Колонны Шифр Э 1708/1
  • Длина 9600 мм.
  • Ширина 2000 мм.
  • Высота 800 мм.
  • Вес 5500 кг.
  • Объем бетона 2,21 м3
  • Геометрический объем 15,36 м3
Цена: 45018 руб.
Подробнее
1КС 84-7-5,3 (Шифр Э 1708/1)
Колонны Шифр Э 1708/1
  • Длина 9600 мм.
  • Ширина 2000 мм.
  • Высота 800 мм.
  • Вес 5500 кг.
  • Объем бетона 2,21 м3
  • Геометрический объем 15,36 м3
Цена: 45018 руб.
Подробнее
1КС 84-7-6,3 (Шифр Э 1708/1)
Колонны Шифр Э 1708/1
  • Длина 9600 мм.
  • Ширина 2000 мм.
  • Высота 800 мм.
  • Вес 5500 кг.
  • Объем бетона 2,21 м3
  • Геометрический объем 15,36 м3
Цена: 45018 руб.
Подробнее
1КС 84-8-1,3 (Шифр Э 1708/1)
Колонны Шифр Э 1708/1
  • Длина 9600 мм.
  • Ширина 2000 мм.
  • Высота 800 мм.
  • Вес 5900 кг.
  • Объем бетона 2,37 м3
  • Геометрический объем 15,36 м3
Цена: 48277 руб.
Подробнее
1КС 84-8-2,3 (Шифр Э 1708/1)
Колонны Шифр Э 1708/1
  • Длина 9600 мм.
  • Ширина 2000 мм.
  • Высота 800 мм.
  • Вес 5900 кг.
  • Объем бетона 2,37 м3
  • Геометрический объем 15,36 м3
Цена: 48277 руб.
Подробнее
1КС 84-8-3,3 (Шифр Э 1708/1)
Колонны Шифр Э 1708/1
  • Длина 9600 мм.
  • Ширина 2000 мм.
  • Высота 800 мм.
  • Вес 5900 кг.
  • Объем бетона 2,37 м3
  • Геометрический объем 15,36 м3
Цена: 48277 руб.
Подробнее
1КС 84-8-4,3 (Шифр Э 1708/1)
Колонны Шифр Э 1708/1
  • Длина 9600 мм.
  • Ширина 2000 мм.
  • Высота 800 мм.
  • Вес 5900 кг.
  • Объем бетона 2,37 м3
  • Геометрический объем 15,36 м3
Цена: 48277 руб.
Подробнее
1КС 84-8-5,3 (Шифр Э 1708/1)
Колонны Шифр Э 1708/1
  • Длина 9600 мм.
  • Ширина 2000 мм.
  • Высота 800 мм.
  • Вес 5900 кг.
  • Объем бетона 2,37 м3
  • Геометрический объем 15,36 м3
Цена: 48277 руб.
Подробнее
1КС 84-8-6,3 (Шифр Э 1708/1)
Колонны Шифр Э 1708/1
  • Длина 9600 мм.
  • Ширина 2000 мм.
  • Высота 800 мм.
  • Вес 5900 кг.
  • Объем бетона 2,37 м3
  • Геометрический объем 15,36 м3
Цена: 48277 руб.
Подробнее
1КС 96-10-5,3 (Шифр Э 1708/1)
Колонны Шифр Э 1708/1
  • Длина 10800 мм.
  • Ширина 2000 мм.
  • Высота 800 мм.
  • Вес 7300 кг.
  • Объем бетона 2,93 м3
  • Геометрический объем 17,28 м3
Цена: 59684 руб.
Подробнее
1КС 96-8-1,3 (Шифр Э 1708/1)
Колонны Шифр Э 1708/1
  • Длина 10800 мм.
  • Ширина 2000 мм.
  • Высота 800 мм.
  • Вес 6400 кг.
  • Объем бетона 2,56 м3
  • Геометрический объем 17,28 м3
Цена: 52147 руб.
Подробнее
1КС 96-10-7,3 (Шифр Э 1708/1)
Колонны Шифр Э 1708/1
  • Длина 10800 мм.
  • Ширина 2000 мм.
  • Высота 800 мм.
  • Вес 7300 кг.
  • Объем бетона 2,93 м3
  • Геометрический объем 17,28 м3
Цена: 59684 руб.
Подробнее
1КС 96-10-6,3 (Шифр Э 1708/1)
Колонны Шифр Э 1708/1
  • Длина 10800 мм.
  • Ширина 2000 мм.
  • Высота 800 мм.
  • Вес 7300 кг.
  • Объем бетона 2,93 м3
  • Геометрический объем 17,28 м3
Цена: 59684 руб.
Подробнее
1КС 96-8-2,3 (Шифр Э 1708/1)
Колонны Шифр Э 1708/1
  • Длина 10800 мм.
  • Ширина 2000 мм.
  • Высота 800 мм.
  • Вес 6400 кг.
  • Объем бетона 2,56 м3
  • Геометрический объем 17,28 м3
Цена: 52147 руб.
Подробнее
1КС 96-8-3,3 (Шифр Э 1708/1)
Колонны Шифр Э 1708/1
  • Длина 10800 мм.
  • Ширина 2000 мм.
  • Высота 800 мм.
  • Вес 6400 кг.
  • Объем бетона 2,56 м3
  • Геометрический объем 17,28 м3
Цена: 52147 руб.
Подробнее
1КС 96-8-4,3 (Шифр Э 1708/1)
Колонны Шифр Э 1708/1
  • Длина 10800 мм.
  • Ширина 2000 мм.
  • Высота 800 мм.
  • Вес 6400 кг.
  • Объем бетона 2,56 м3
  • Геометрический объем 17,28 м3
Цена: 52147 руб.
Подробнее
1КС 96-8-5,3 (Шифр Э 1708/1)
Колонны Шифр Э 1708/1
  • Длина 10800 мм.
  • Ширина 2000 мм.
  • Высота 800 мм.
  • Вес 6400 кг.
  • Объем бетона 2,56 м3
  • Геометрический объем 17,28 м3
Цена: 52147 руб.
Подробнее
1КС 96-8-6,3 (Шифр Э 1708/1)
Колонны Шифр Э 1708/1
  • Длина 10800 мм.
  • Ширина 2000 мм.
  • Высота 800 мм.
  • Вес 6400 кг.
  • Объем бетона 2,56 м3
  • Геометрический объем 17,28 м3
Цена: 52147 руб.
Подробнее
1КС 96-8-7,3 (Шифр Э 1708/1)
Колонны Шифр Э 1708/1
  • Длина 10800 мм.
  • Ширина 2000 мм.
  • Высота 800 мм.
  • Вес 6400 кг.
  • Объем бетона 2,56 м3
  • Геометрический объем 17,28 м3
Цена: 52147 руб.
Подробнее
2КК 108-10-1,1 (Шифр Э 1708/1)
Колонны Шифр Э 1708/1
  • Длина 12000 мм.
  • Ширина 700 мм.
  • Высота 700 мм.
  • Вес 7200 кг.
  • Объем бетона 2,88 м3
  • Геометрический объем 5,88 м3
Цена: 58666 руб.
Подробнее
2КК 108-10-2,1 (Шифр Э 1708/1)
Колонны Шифр Э 1708/1
  • Длина 12000 мм.
  • Ширина 700 мм.
  • Высота 700 мм.
  • Вес 7200 кг.
  • Объем бетона 2,88 м3
  • Геометрический объем 5,88 м3
Цена: 58666 руб.
Подробнее
2КК 108-10-3,1 (Шифр Э 1708/1)
Колонны Шифр Э 1708/1
  • Длина 12000 мм.
  • Ширина 700 мм.
  • Высота 700 мм.
  • Вес 7200 кг.
  • Объем бетона 2,88 м3
  • Геометрический объем 5,88 м3
Цена: 58666 руб.
Подробнее
2КК 108-10-4,1 (Шифр Э 1708/1)
Колонны Шифр Э 1708/1
  • Длина 12000 мм.
  • Ширина 700 мм.
  • Высота 700 мм.
  • Вес 7200 кг.
  • Объем бетона 2,88 м3
  • Геометрический объем 5,88 м3
Цена: 58666 руб.
Подробнее
2КК 108-10-5,1 (Шифр Э 1708/1)
Колонны Шифр Э 1708/1
  • Длина 12000 мм.
  • Ширина 700 мм.
  • Высота 700 мм.
  • Вес 7200 кг.
  • Объем бетона 2,88 м3
  • Геометрический объем 5,88 м3
Цена: 58666 руб.
Подробнее
2КК 108-10-6,1 (Шифр Э 1708/1)
Колонны Шифр Э 1708/1
  • Длина 12000 мм.
  • Ширина 700 мм.
  • Высота 700 мм.
  • Вес 7200 кг.
  • Объем бетона 2,88 м3
  • Геометрический объем 5,88 м3
Цена: 58666 руб.
Подробнее
2КК 108-8-1,1 (Шифр Э 1708/1)
Колонны Шифр Э 1708/1
  • Длина 12000 мм.
  • Ширина 700 мм.
  • Высота 700 мм.
  • Вес 6200 кг.
  • Объем бетона 2,48 м3
  • Геометрический объем 5,88 м3
Цена: 50518 руб.
Подробнее
2КК 108-10-7,1 (Шифр Э 1708/1)
Колонны Шифр Э 1708/1
  • Длина 12000 мм.
  • Ширина 700 мм.
  • Высота 700 мм.
  • Вес 7200 кг.
  • Объем бетона 2,88 м3
  • Геометрический объем 5,88 м3
Цена: 58666 руб.
Подробнее
2КК 108-8-2,1 (Шифр Э 1708/1)
Колонны Шифр Э 1708/1
  • Длина 12000 мм.
  • Ширина 700 мм.
  • Высота 700 мм.
  • Вес 6200 кг.
  • Объем бетона 2,48 м3
  • Геометрический объем 5,88 м3
Цена: 50518 руб.
Подробнее
2КК 108-8-3,1 (Шифр Э 1708/1)
Колонны Шифр Э 1708/1
  • Длина 12000 мм.
  • Ширина 700 мм.
  • Высота 700 мм.
  • Вес 6200 кг.
  • Объем бетона 2,48 м3
  • Геометрический объем 5,88 м3
Цена: 50518 руб.
Подробнее
2КК 108-8-4,1 (Шифр Э 1708/1)
Колонны Шифр Э 1708/1
  • Длина 12000 мм.
  • Ширина 700 мм.
  • Высота 700 мм.
  • Вес 6200 кг.
  • Объем бетона 2,48 м3
  • Геометрический объем 5,88 м3
Цена: 50518 руб.
Подробнее
2КК 108-8-5,1 (Шифр Э 1708/1)
Колонны Шифр Э 1708/1
  • Длина 12000 мм.
  • Ширина 700 мм.
  • Высота 700 мм.
  • Вес 6200 кг.
  • Объем бетона 2,48 м3
  • Геометрический объем 5,88 м3
Цена: 50518 руб.
Подробнее
2КК 108-8-7,1 (Шифр Э 1708/1)
Колонны Шифр Э 1708/1
  • Длина 12000 мм.
  • Ширина 700 мм.
  • Высота 700 мм.
  • Вес 6200 кг.
  • Объем бетона 2,48 м3
  • Геометрический объем 5,88 м3
Цена: 50518 руб.
Подробнее
2КК 108-8-6,1 (Шифр Э 1708/1)
Колонны Шифр Э 1708/1
  • Длина 12000 мм.
  • Ширина 700 мм.
  • Высота 700 мм.
  • Вес 6200 кг.
  • Объем бетона 2,48 м3
  • Геометрический объем 5,88 м3
Цена: 50518 руб.
Подробнее
2КК 120-10-3,1 (Шифр Э 1708/1)
Колонны Шифр Э 1708/1
  • Длина 13200 мм.
  • Ширина 700 мм.
  • Высота 700 мм.
  • Вес 7800 кг.
  • Объем бетона 3,1 м3
  • Геометрический объем 6,468 м3
Цена: 63147 руб.
Подробнее
2КК 120-10-1,1 (Шифр Э 1708/1)
Колонны Шифр Э 1708/1
  • Длина 13200 мм.
  • Ширина 700 мм.
  • Высота 700 мм.
  • Вес 7800 кг.
  • Объем бетона 3,1 м3
  • Геометрический объем 6,468 м3
Цена: 63147 руб.
Подробнее
2КК 120-10-2,1 (Шифр Э 1708/1)
Колонны Шифр Э 1708/1
  • Длина 13200 мм.
  • Ширина 700 мм.
  • Высота 700 мм.
  • Вес 7800 кг.
  • Объем бетона 3,1 м3
  • Геометрический объем 6,468 м3
Цена: 63147 руб.
Подробнее
2КК 120-10-4,1 (Шифр Э 1708/1)
Колонны Шифр Э 1708/1
  • Длина 13200 мм.
  • Ширина 700 мм.
  • Высота 700 мм.
  • Вес 7800 кг.
  • Объем бетона 3,1 м3
  • Геометрический объем 6,468 м3
Цена: 63147 руб.
Подробнее
2КК 84-7-2,1 (Шифр Э 1708/1)
Колонны Шифр Э 1708/1
  • Длина 9600 мм.
  • Ширина 700 мм.
  • Высота 700 мм.
  • Вес 4800 кг.
  • Объем бетона 1,94 м3
  • Геометрический объем 4,704 м3
Цена: 39518 руб.
Подробнее
2КК 120-10-7,1 (Шифр Э 1708/1)
Колонны Шифр Э 1708/1
  • Длина 13200 мм.
  • Ширина 700 мм.
  • Высота 700 мм.
  • Вес 7800 кг.
  • Объем бетона 3,1 м3
  • Геометрический объем 6,468 м3
Цена: 63147 руб.
Подробнее
2КК 120-10-6,1 (Шифр Э 1708/1)
Колонны Шифр Э 1708/1
  • Длина 13200 мм.
  • Ширина 700 мм.
  • Высота 700 мм.
  • Вес 7800 кг.
  • Объем бетона 3,1 м3
  • Геометрический объем 6,468 м3
Цена: 63147 руб.
Подробнее
2КК 84-7-1,1 (Шифр Э 1708/1)
Колонны Шифр Э 1708/1
  • Длина 9600 мм.
  • Ширина 700 мм.
  • Высота 700 мм.
  • Вес 4800 кг.
  • Объем бетона 1,94 м3
  • Геометрический объем 4,704 м3
Цена: 39518 руб.
Подробнее
2КК 120-10-5,1 (Шифр Э 1708/1)
Колонны Шифр Э 1708/1
  • Длина 13200 мм.
  • Ширина 700 мм.
  • Высота 700 мм.
  • Вес 7800 кг.
  • Объем бетона 3,1 м3
  • Геометрический объем 6,468 м3
Цена: 63147 руб.
Подробнее
2КК 84-7-3,1 (Шифр Э 1708/1)
Колонны Шифр Э 1708/1
  • Длина 9600 мм.
  • Ширина 700 мм.
  • Высота 700 мм.
  • Вес 4800 кг.
  • Объем бетона 1,94 м3
  • Геометрический объем 4,704 м3
Цена: 39518 руб.
Подробнее
2КК 84-7-5,1 (Шифр Э 1708/1)
Колонны Шифр Э 1708/1
  • Длина 9600 мм.
  • Ширина 700 мм.
  • Высота 700 мм.
  • Вес 4800 кг.
  • Объем бетона 1,94 м3
  • Геометрический объем 4,704 м3
Цена: 39518 руб.
Подробнее
2КК 84-8-2,1 (Шифр Э 1708/1)
Колонны Шифр Э 1708/1
  • Длина 9600 мм.
  • Ширина 700 мм.
  • Высота 700 мм.
  • Вес 5200 кг.
  • Объем бетона 2,1 м3
  • Геометрический объем 4,704 м3
Цена: 42777 руб.
Подробнее
2КК 84-8-1,1 (Шифр Э 1708/1)
Колонны Шифр Э 1708/1
  • Длина 9600 мм.
  • Ширина 700 мм.
  • Высота 700 мм.
  • Вес 5200 кг.
  • Объем бетона 2,1 м3
  • Геометрический объем 4,704 м3
Цена: 42777 руб.
Подробнее
2КК 84-8-3,1 (Шифр Э 1708/1)
Колонны Шифр Э 1708/1
  • Длина 9600 мм.
  • Ширина 700 мм.
  • Высота 700 мм.
  • Вес 5200 кг.
  • Объем бетона 2,1 м3
  • Геометрический объем 4,704 м3
Цена: 42777 руб.
Подробнее
2КК 84-7-4,1 (Шифр Э 1708/1)
Колонны Шифр Э 1708/1
  • Длина 9600 мм.
  • Ширина 700 мм.
  • Высота 700 мм.
  • Вес 4800 кг.
  • Объем бетона 1,94 м3
  • Геометрический объем 4,704 м3
Цена: 39518 руб.
Подробнее
2КК 84-7-6,1 (Шифр Э 1708/1)
Колонны Шифр Э 1708/1
  • Длина 9600 мм.
  • Ширина 700 мм.
  • Высота 700 мм.
  • Вес 4800 кг.
  • Объем бетона 1,94 м3
  • Геометрический объем 4,704 м3
Цена: 39518 руб.
Подробнее
2КК 84-8-4,1 (Шифр Э 1708/1)
Колонны Шифр Э 1708/1
  • Длина 9600 мм.
  • Ширина 700 мм.
  • Высота 700 мм.
  • Вес 5200 кг.
  • Объем бетона 2,1 м3
  • Геометрический объем 4,704 м3
Цена: 42777 руб.
Подробнее
2КК 84-8-5,1 (Шифр Э 1708/1)
Колонны Шифр Э 1708/1
  • Длина 9600 мм.
  • Ширина 700 мм.
  • Высота 700 мм.
  • Вес 5200 кг.
  • Объем бетона 2,1 м3
  • Геометрический объем 4,704 м3
Цена: 42777 руб.
Подробнее
2КК 96-10-5,1 (Шифр Э 1708/1)
Колонны Шифр Э 1708/1
  • Длина 10800 мм.
  • Ширина 700 мм.
  • Высота 700 мм.
  • Вес 6000 кг.
  • Объем бетона 2,42 м3
  • Геометрический объем 5,292 м3
Цена: 49295 руб.
Подробнее
2КК 84-8-6,1 (Шифр Э 1708/1)
Колонны Шифр Э 1708/1
  • Длина 9600 мм.
  • Ширина 700 мм.
  • Высота 700 мм.
  • Вес 5200 кг.
  • Объем бетона 2,1 м3
  • Геометрический объем 4,704 м3
Цена: 42777 руб.
Подробнее
2КК 96-10-7,1 (Шифр Э 1708/1)
Колонны Шифр Э 1708/1
  • Длина 10800 мм.
  • Ширина 700 мм.
  • Высота 700 мм.
  • Вес 6000 кг.
  • Объем бетона 2,42 м3
  • Геометрический объем 5,292 м3
Цена: 49295 руб.
Подробнее
2КК 96-10-6,1 (Шифр Э 1708/1)
Колонны Шифр Э 1708/1
  • Длина 10800 мм.
  • Ширина 700 мм.
  • Высота 700 мм.
  • Вес 6000 кг.
  • Объем бетона 2,42 м3
  • Геометрический объем 5,292 м3
Цена: 49295 руб.
Подробнее
2КК 96-8-2,1 (Шифр Э 1708/1)
Колонны Шифр Э 1708/1
  • Длина 10800 мм.
  • Ширина 700 мм.
  • Высота 700 мм.
  • Вес 5700 кг.
  • Объем бетона 2,29 м3
  • Геометрический объем 5,292 м3
Цена: 46647 руб.
Подробнее
2КК 96-8-1,1 (Шифр Э 1708/1)
Колонны Шифр Э 1708/1
  • Длина 10800 мм.
  • Ширина 700 мм.
  • Высота 700 мм.
  • Вес 5700 кг.
  • Объем бетона 2,29 м3
  • Геометрический объем 5,292 м3
Цена: 46647 руб.
Подробнее
2КК 96-8-3,1 (Шифр Э 1708/1)
Колонны Шифр Э 1708/1
  • Длина 10800 мм.
  • Ширина 700 мм.
  • Высота 700 мм.
  • Вес 5700 кг.
  • Объем бетона 2,29 м3
  • Геометрический объем 5,292 м3
Цена: 46647 руб.
Подробнее
2КК 96-8-5,1 (Шифр Э 1708/1)
Колонны Шифр Э 1708/1
  • Длина 10800 мм.
  • Ширина 700 мм.
  • Высота 700 мм.
  • Вес 5700 кг.
  • Объем бетона 2,29 м3
  • Геометрический объем 5,292 м3
Цена: 46647 руб.
Подробнее
2КК 96-8-4,1 (Шифр Э 1708/1)
Колонны Шифр Э 1708/1
  • Длина 10800 мм.
  • Ширина 700 мм.
  • Высота 700 мм.
  • Вес 5700 кг.
  • Объем бетона 2,29 м3
  • Геометрический объем 5,292 м3
Цена: 46647 руб.
Подробнее

Уведомление о файлах cookie

Мы используем файлы cookie для улучшения вашего опыта просмотра и анализа трафика. Нажимая "Принять все", вы соглашаетесь с нашей политикой конфиденциальности и политикой обработки файлов cookie.

MAX Дзен Телеграм Вконтакте vk