mobile_sound +7 (930) 655-55-90

Типовые конструкции и железобетонные изделия. Рабочие чертежи (Серия ИИ 22-3/70)

Поделиться:
Поделиться:

Документ Серия ИИ 22-3/70 описывает область применения, номенклатуру и ключевые требования, опираясь на действующие нормы и практику проектирования. В Серии ИИ 22-3/70 детально изложены необходимые сведения для производства колонн из железобетона, которые широко применяются для строительства многоэтажных производственных предприятий, имеющих высоту этажей 6,0; 7,2 и 10,8 метров. В составе регламента присутствуют улучшенные изделия и конструкции, которые прошли модернизацию по ряду пунктов для увеличения эффективности при эксплуатации, а именно: изменение толщины защитного бетонного слоя, упрощение сборки пространственных каркасов, введение дополнительных закладных деталей для крепления со смежными элементами каркаса. В разработках нормативного документа принимали участие несколько проектных институтов, таких как ЦНИИПРОМЗДАНИЙ и ГСПИ-10, совместно с НИИЖБ.

Файлы для скачивания:
picture_as_pdf

5924.pdf

25,240.1 KB

скачать
Товары Серия ИИ 22-3/70 (60)
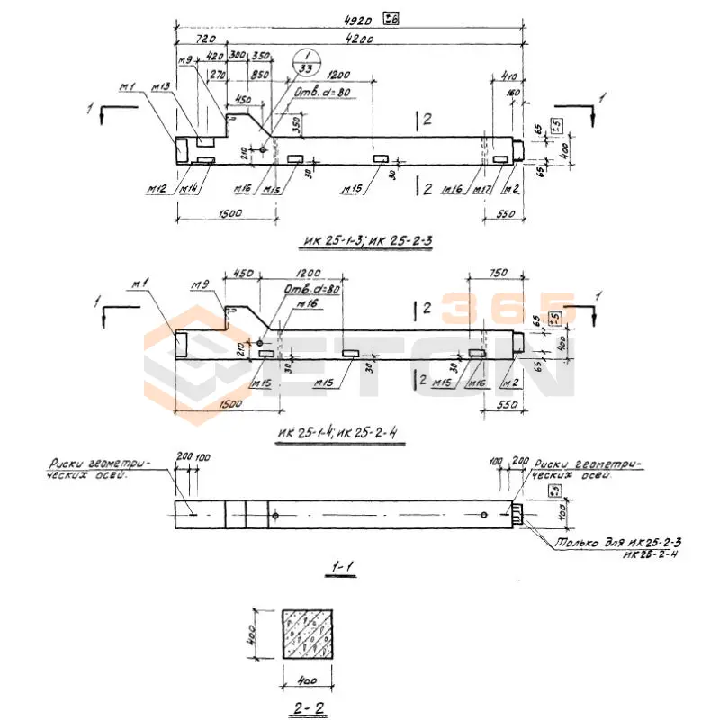
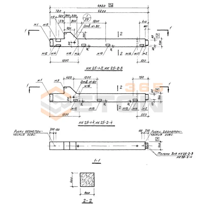
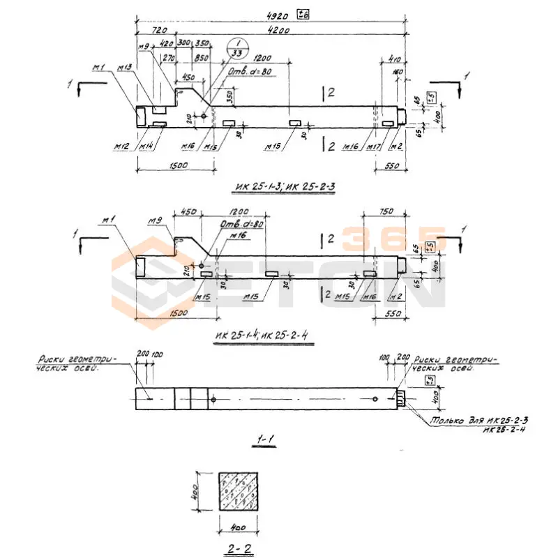
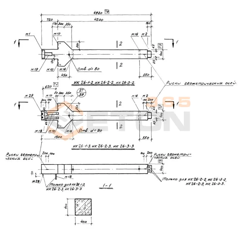
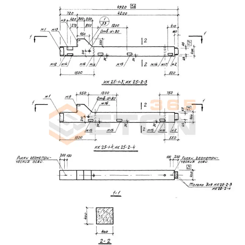
ИК 25-1-3 (ИИ 22-3/70)
Колонны Серия ИИ 22-3/70
  • Длина 4920 мм.
  • Ширина 400 мм.
  • Высота 400 мм.
  • Вес 2100 кг.
  • Объем бетона 0,86 м3
  • Геометрический объем 0,7872 м3
Цена: 17518 руб.
Подробнее
ИК 25-1-4 (ИИ 22-3/70)
Колонны Серия ИИ 22-3/70
  • Длина 4920 мм.
  • Ширина 400 мм.
  • Высота 400 мм.
  • Вес 2100 кг.
  • Объем бетона 0,86 м3
  • Геометрический объем 0,7872 м3
Цена: 17518 руб.
Подробнее
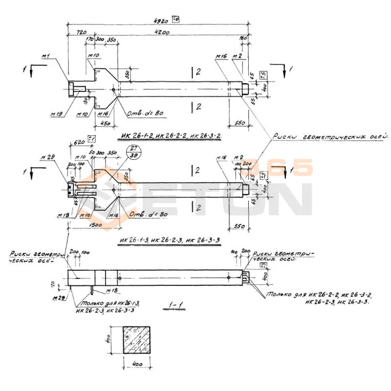
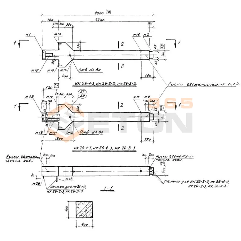
ИК 26-1-1 (ИИ 22-3/70)
Колонны Серия ИИ 22-3/70
  • Длина 4920 мм.
  • Ширина 400 мм.
  • Высота 400 мм.
  • Вес 2300 кг.
  • Объем бетона 0,92 м3
  • Геометрический объем 0,7872 м3
Цена: 18740 руб.
Подробнее
ИК 25-2-3 (ИИ 22-3/70)
Колонны Серия ИИ 22-3/70
  • Длина 4920 мм.
  • Ширина 400 мм.
  • Высота 400 мм.
  • Вес 2100 кг.
  • Объем бетона 0,86 м3
  • Геометрический объем 0,7872 м3
Цена: 17518 руб.
Подробнее
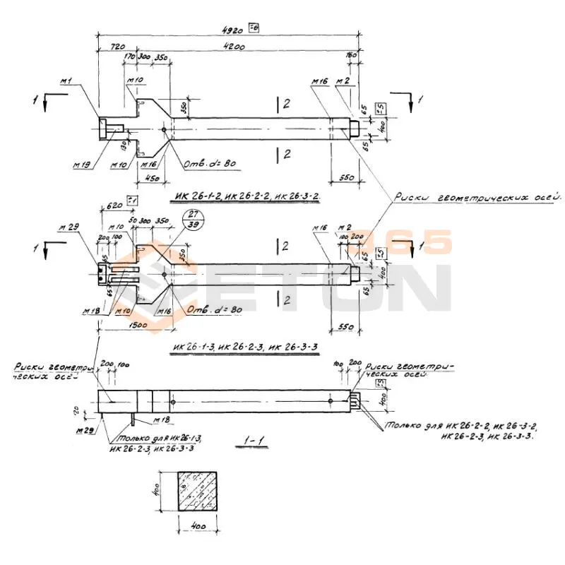
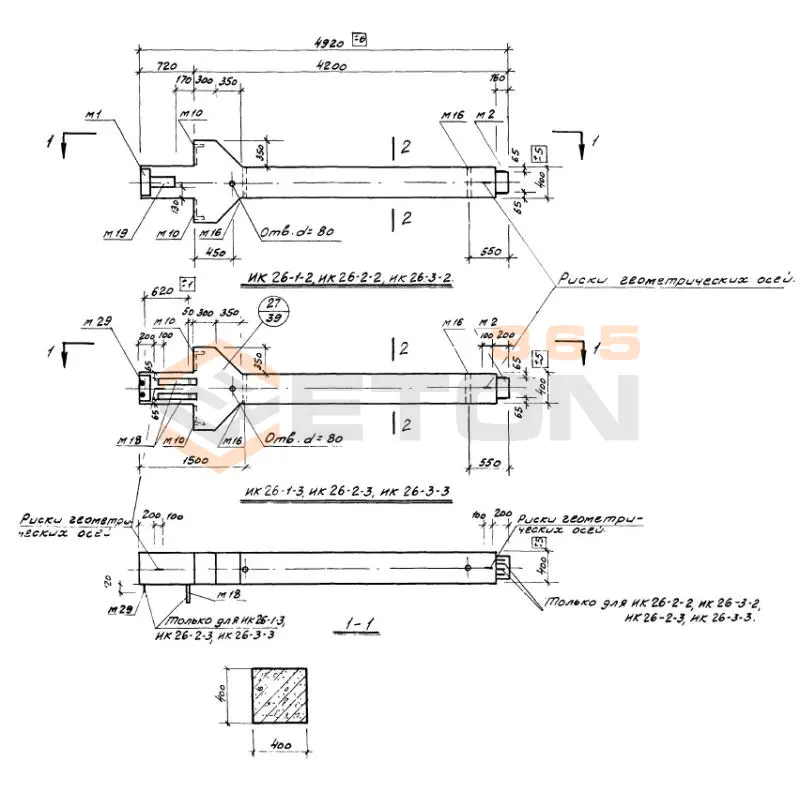
ИК 26-1-3 (ИИ 22-3/70)
Колонны Серия ИИ 22-3/70
  • Длина 4920 мм.
  • Ширина 400 мм.
  • Высота 400 мм.
  • Вес 2300 кг.
  • Объем бетона 0,92 м3
  • Геометрический объем 0,7872 м3
Цена: 18740 руб.
Подробнее
ИК 26-1 (ИИ 22-3/70)
Колонны Серия ИИ 22-3/70
  • Длина 4920 мм.
  • Ширина 400 мм.
  • Высота 400 мм.
  • Вес 2300 кг.
  • Объем бетона 0,92 м3
  • Геометрический объем 0,7872 м3
Цена: 18740 руб.
Подробнее
ИК 25-2-4 (ИИ 22-3/70)
Колонны Серия ИИ 22-3/70
  • Длина 4920 мм.
  • Ширина 400 мм.
  • Высота 400 мм.
  • Вес 2100 кг.
  • Объем бетона 0,86 м3
  • Геометрический объем 0,7872 м3
Цена: 17518 руб.
Подробнее
ИК 26-1-2 (ИИ 22-3/70)
Колонны Серия ИИ 22-3/70
  • Длина 4920 мм.
  • Ширина 400 мм.
  • Высота 400 мм.
  • Вес 2300 кг.
  • Объем бетона 0,92 м3
  • Геометрический объем 0,7872 м3
Цена: 18740 руб.
Подробнее
ИК 26-2 (ИИ 22-3/70)
Колонны Серия ИИ 22-3/70
  • Длина 4920 мм.
  • Ширина 400 мм.
  • Высота 400 мм.
  • Вес 2300 кг.
  • Объем бетона 0,92 м3
  • Геометрический объем 0,7872 м3
Цена: 18740 руб.
Подробнее
ИК 26-2-1 (ИИ 22-3/70)
Колонны Серия ИИ 22-3/70
  • Длина 4920 мм.
  • Ширина 400 мм.
  • Высота 400 мм.
  • Вес 2300 кг.
  • Объем бетона 0,92 м3
  • Геометрический объем 0,7872 м3
Цена: 18740 руб.
Подробнее
ИК 26-2-2 (ИИ 22-3/70)
Колонны Серия ИИ 22-3/70
  • Длина 4920 мм.
  • Ширина 400 мм.
  • Высота 400 мм.
  • Вес 2300 кг.
  • Объем бетона 0,92 м3
  • Геометрический объем 0,7872 м3
Цена: 18740 руб.
Подробнее
ИК 26-2-3 (ИИ 22-3/70)
Колонны Серия ИИ 22-3/70
  • Длина 4920 мм.
  • Ширина 400 мм.
  • Высота 400 мм.
  • Вес 2300 кг.
  • Объем бетона 0,92 м3
  • Геометрический объем 0,7872 м3
Цена: 18740 руб.
Подробнее
ИК 26-3-1 (ИИ 22-3/70)
Колонны Серия ИИ 22-3/70
  • Длина 4920 мм.
  • Ширина 400 мм.
  • Высота 400 мм.
  • Вес 2300 кг.
  • Объем бетона 0,92 м3
  • Геометрический объем 0,7872 м3
Цена: 18740 руб.
Подробнее
ИК 26-3 (ИИ 22-3/70)
Колонны Серия ИИ 22-3/70
  • Длина 4920 мм.
  • Ширина 400 мм.
  • Высота 400 мм.
  • Вес 2300 кг.
  • Объем бетона 0,92 м3
  • Геометрический объем 0,7872 м3
Цена: 18740 руб.
Подробнее
ИК 26-3-2 (ИИ 22-3/70)
Колонны Серия ИИ 22-3/70
  • Длина 4920 мм.
  • Ширина 400 мм.
  • Высота 400 мм.
  • Вес 2300 кг.
  • Объем бетона 0,92 м3
  • Геометрический объем 0,7872 м3
Цена: 18740 руб.
Подробнее
ИК 26-3-3 (ИИ 22-3/70)
Колонны Серия ИИ 22-3/70
  • Длина 4920 мм.
  • Ширина 400 мм.
  • Высота 400 мм.
  • Вес 2300 кг.
  • Объем бетона 0,92 м3
  • Геометрический объем 0,7872 м3
Цена: 18740 руб.
Подробнее
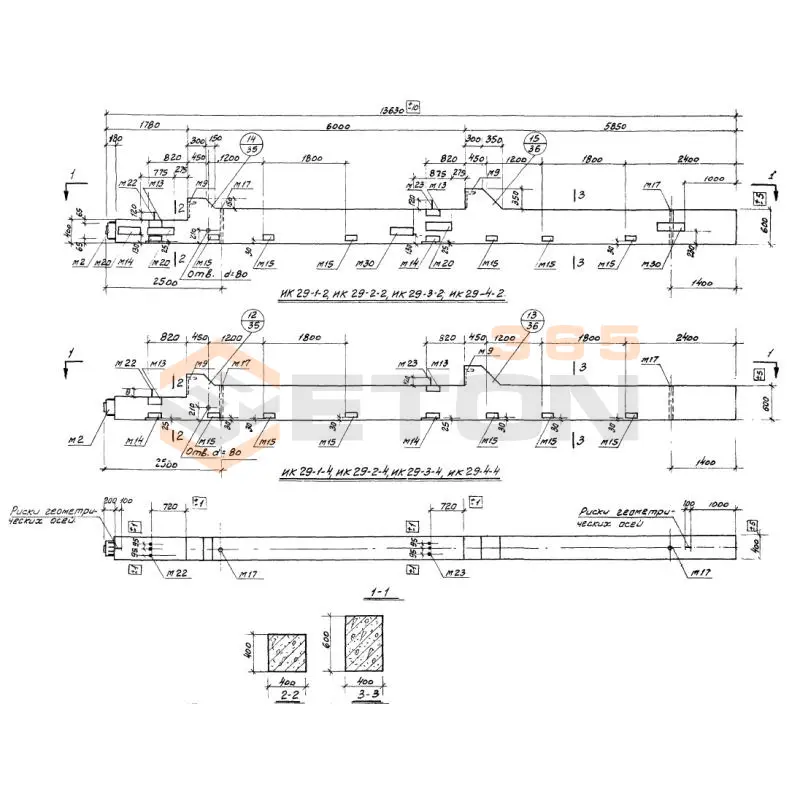
ИК 27-1-2 (ИИ 22-3/70)
Колонны Серия ИИ 22-3/70
  • Длина 13630 мм.
  • Ширина 400 мм.
  • Высота 400 мм.
  • Вес 5800 кг.
  • Объем бетона 2,31 м3
  • Геометрический объем 2,1808 м3
Цена: 47055 руб.
Подробнее
ИК 27-1-1 (ИИ 22-3/70)
Колонны Серия ИИ 22-3/70
  • Длина 13630 мм.
  • Ширина 400 мм.
  • Высота 400 мм.
  • Вес 5800 кг.
  • Объем бетона 2,31 м3
  • Геометрический объем 2,1808 м3
Цена: 47055 руб.
Подробнее
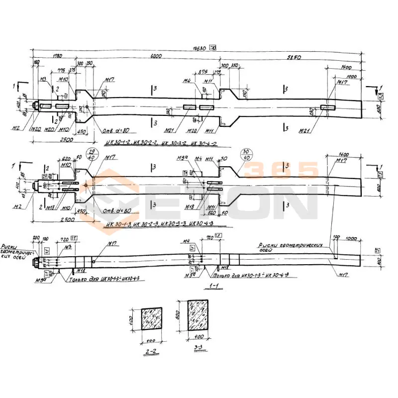
ИК 27-1-3 (ИИ 22-3/70)
Колонны Серия ИИ 22-3/70
  • Длина 13630 мм.
  • Ширина 400 мм.
  • Высота 400 мм.
  • Вес 5800 кг.
  • Объем бетона 2,31 м3
  • Геометрический объем 2,1808 м3
Цена: 47055 руб.
Подробнее
ИК 27-1-4 (ИИ 22-3/70)
Колонны Серия ИИ 22-3/70
  • Длина 13630 мм.
  • Ширина 400 мм.
  • Высота 400 мм.
  • Вес 5800 кг.
  • Объем бетона 2,31 м3
  • Геометрический объем 2,1808 м3
Цена: 47055 руб.
Подробнее
ИК 27-2-1 (ИИ 22-3/70)
Колонны Серия ИИ 22-3/70
  • Длина 13630 мм.
  • Ширина 400 мм.
  • Высота 400 мм.
  • Вес 5800 кг.
  • Объем бетона 2,31 м3
  • Геометрический объем 2,1808 м3
Цена: 47055 руб.
Подробнее
ИК 27-2-4 (ИИ 22-3/70)
Колонны Серия ИИ 22-3/70
  • Длина 13630 мм.
  • Ширина 400 мм.
  • Высота 400 мм.
  • Вес 5800 кг.
  • Объем бетона 2,31 м3
  • Геометрический объем 2,1808 м3
Цена: 47055 руб.
Подробнее
ИК 27-2-3 (ИИ 22-3/70)
Колонны Серия ИИ 22-3/70
  • Длина 13630 мм.
  • Ширина 400 мм.
  • Высота 400 мм.
  • Вес 5800 кг.
  • Объем бетона 2,31 м3
  • Геометрический объем 2,1808 м3
Цена: 47055 руб.
Подробнее
ИК 27-2-2 (ИИ 22-3/70)
Колонны Серия ИИ 22-3/70
  • Длина 13630 мм.
  • Ширина 400 мм.
  • Высота 400 мм.
  • Вес 5800 кг.
  • Объем бетона 2,31 м3
  • Геометрический объем 2,1808 м3
Цена: 47055 руб.
Подробнее
ИК 27-3-2 (ИИ 22-3/70)
Колонны Серия ИИ 22-3/70
  • Длина 13630 мм.
  • Ширина 400 мм.
  • Высота 400 мм.
  • Вес 5800 кг.
  • Объем бетона 2,31 м3
  • Геометрический объем 2,1808 м3
Цена: 47055 руб.
Подробнее
ИК 27-3-1 (ИИ 22-3/70)
Колонны Серия ИИ 22-3/70
  • Длина 13630 мм.
  • Ширина 400 мм.
  • Высота 400 мм.
  • Вес 5800 кг.
  • Объем бетона 2,31 м3
  • Геометрический объем 2,1808 м3
Цена: 47055 руб.
Подробнее
ИК 27-3-3 (ИИ 22-3/70)
Колонны Серия ИИ 22-3/70
  • Длина 13630 мм.
  • Ширина 400 мм.
  • Высота 400 мм.
  • Вес 5800 кг.
  • Объем бетона 2,31 м3
  • Геометрический объем 2,1808 м3
Цена: 47055 руб.
Подробнее
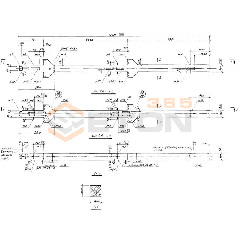
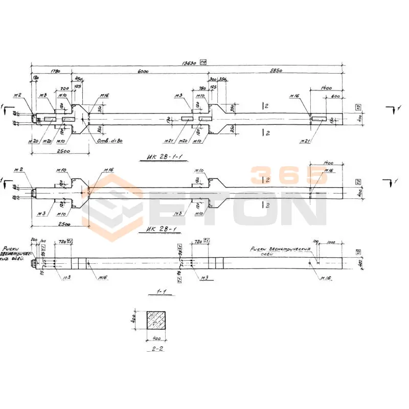
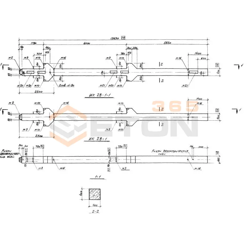
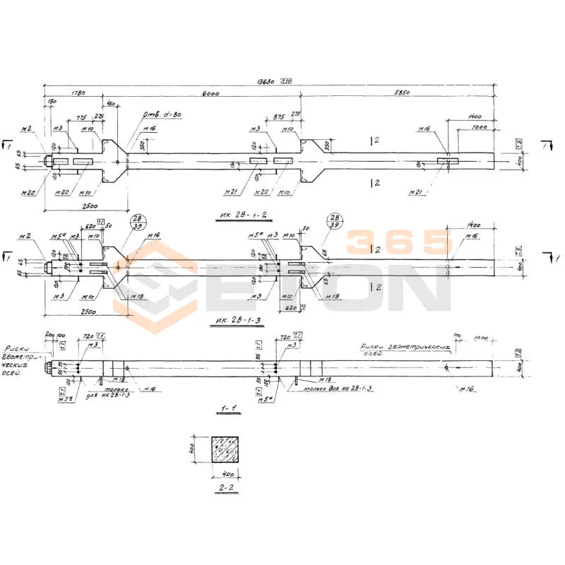
ИК 28-1-1 (ИИ 22-3/70)
Колонны Серия ИИ 22-3/70
  • Длина 13630 мм.
  • Ширина 400 мм.
  • Высота 400 мм.
  • Вес 6200 кг.
  • Объем бетона 2,45 м3
  • Геометрический объем 2,1808 м3
Цена: 49907 руб.
Подробнее
ИК 27-3-4 (ИИ 22-3/70)
Колонны Серия ИИ 22-3/70
  • Длина 13630 мм.
  • Ширина 400 мм.
  • Высота 400 мм.
  • Вес 5800 кг.
  • Объем бетона 2,31 м3
  • Геометрический объем 2,1808 м3
Цена: 47055 руб.
Подробнее
ИК 28-1 (ИИ 22-3/70)
Колонны Серия ИИ 22-3/70
  • Длина 13630 мм.
  • Ширина 400 мм.
  • Высота 400 мм.
  • Вес 6200 кг.
  • Объем бетона 2,45 м3
  • Геометрический объем 2,1808 м3
Цена: 49907 руб.
Подробнее
ИК 28-1-3 (ИИ 22-3/70)
Колонны Серия ИИ 22-3/70
  • Длина 13630 мм.
  • Ширина 400 мм.
  • Высота 400 мм.
  • Вес 6200 кг.
  • Объем бетона 2,45 м3
  • Геометрический объем 2,1808 м3
Цена: 49907 руб.
Подробнее
ИК 28-1-2 (ИИ 22-3/70)
Колонны Серия ИИ 22-3/70
  • Длина 13630 мм.
  • Ширина 400 мм.
  • Высота 400 мм.
  • Вес 6200 кг.
  • Объем бетона 2,45 м3
  • Геометрический объем 2,1808 м3
Цена: 49907 руб.
Подробнее
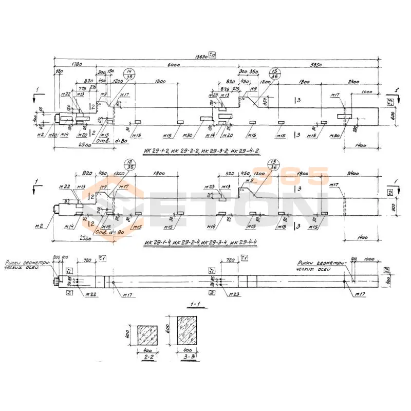
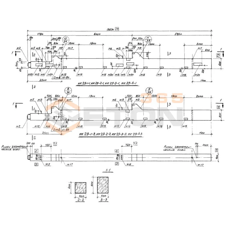
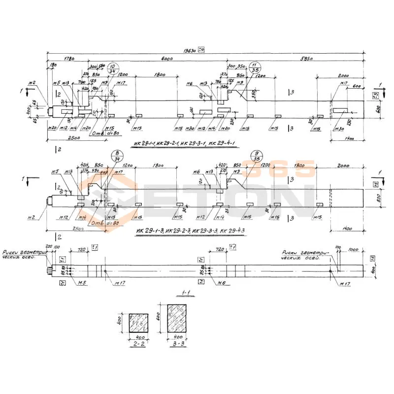
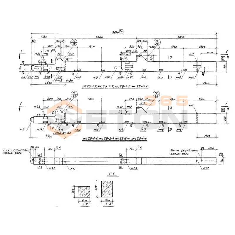
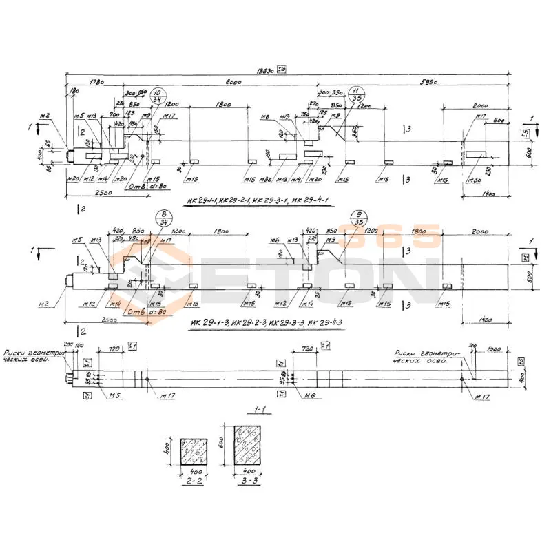
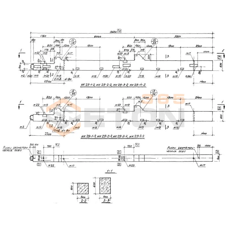
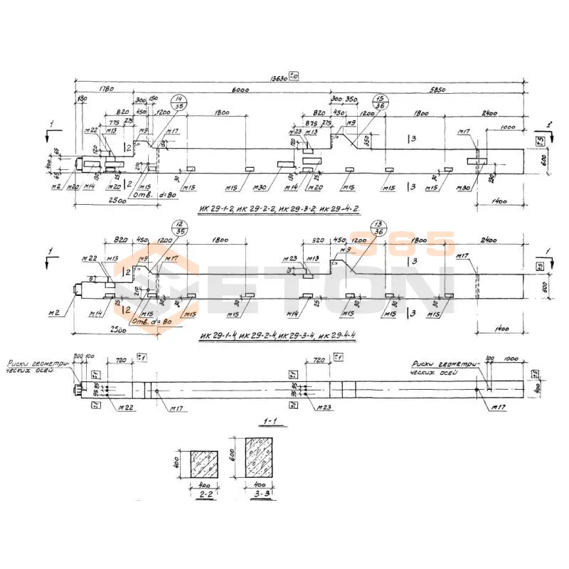
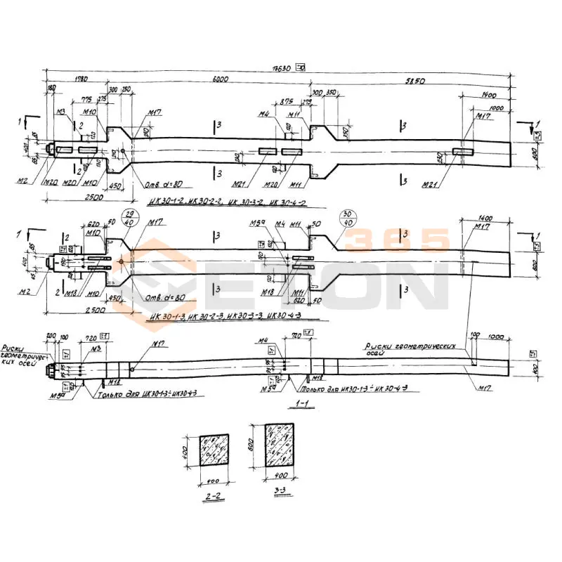
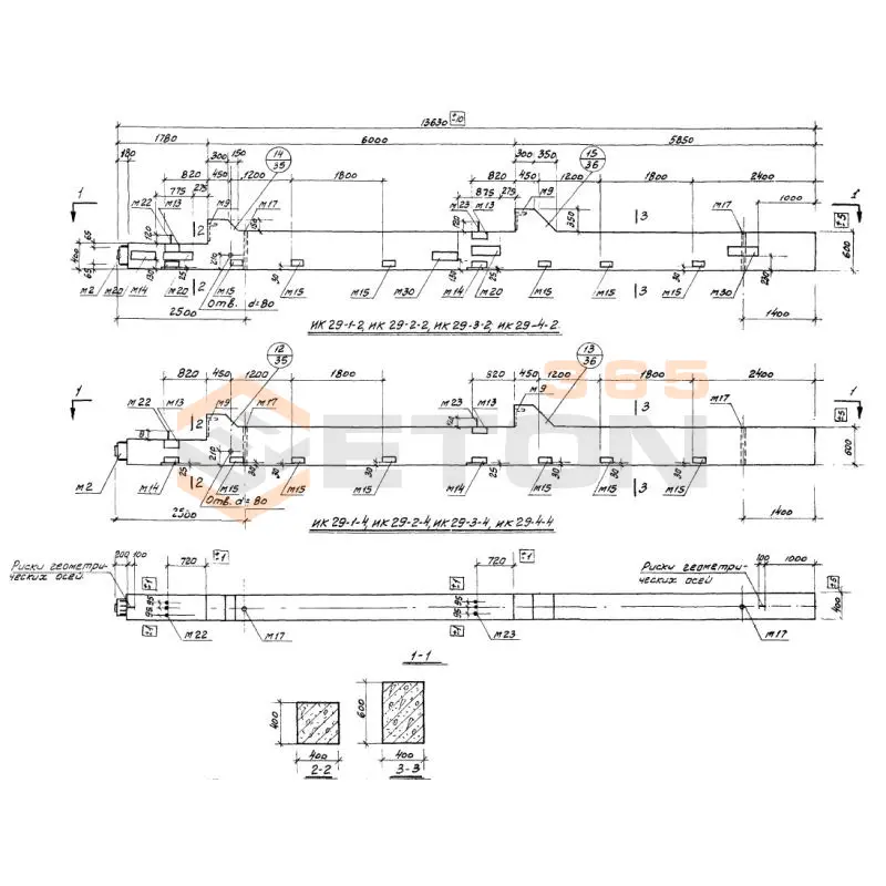
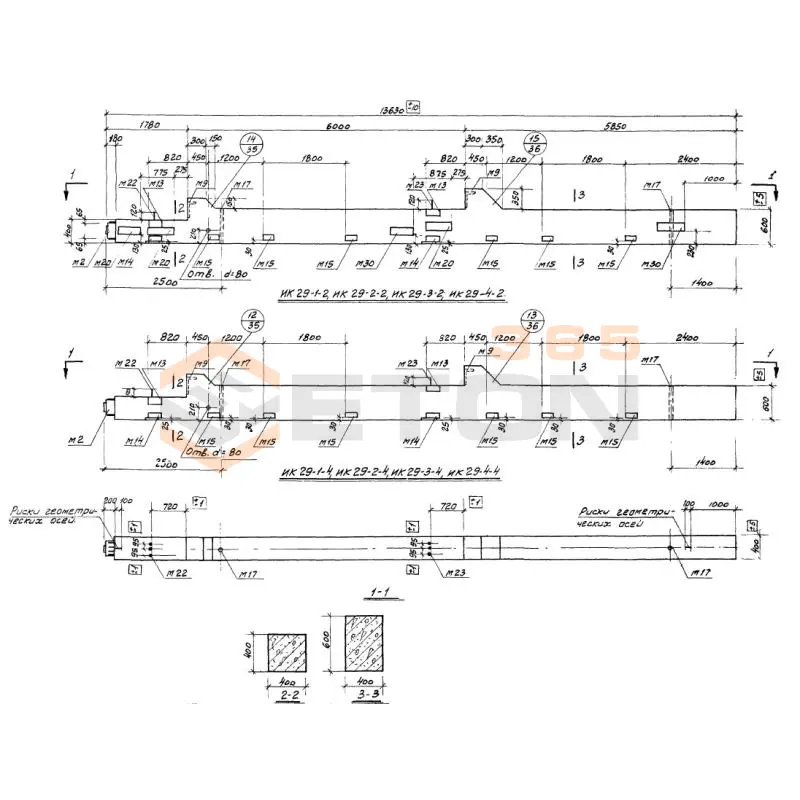
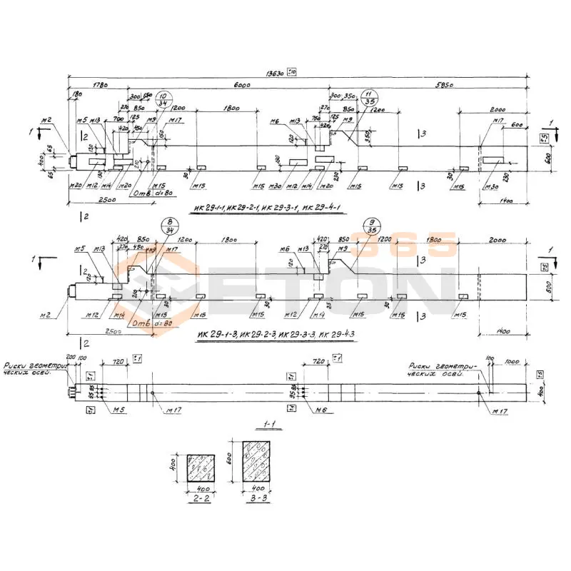
ИК 29-1-3 (ИИ 22-3/70)
Колонны Серия ИИ 22-3/70
  • Длина 13630 мм.
  • Ширина 400 мм.
  • Высота 600 мм.
  • Вес 8100 кг.
  • Объем бетона 3,22 м3
  • Геометрический объем 3,2712 м3
Цена: 65591 руб.
Подробнее
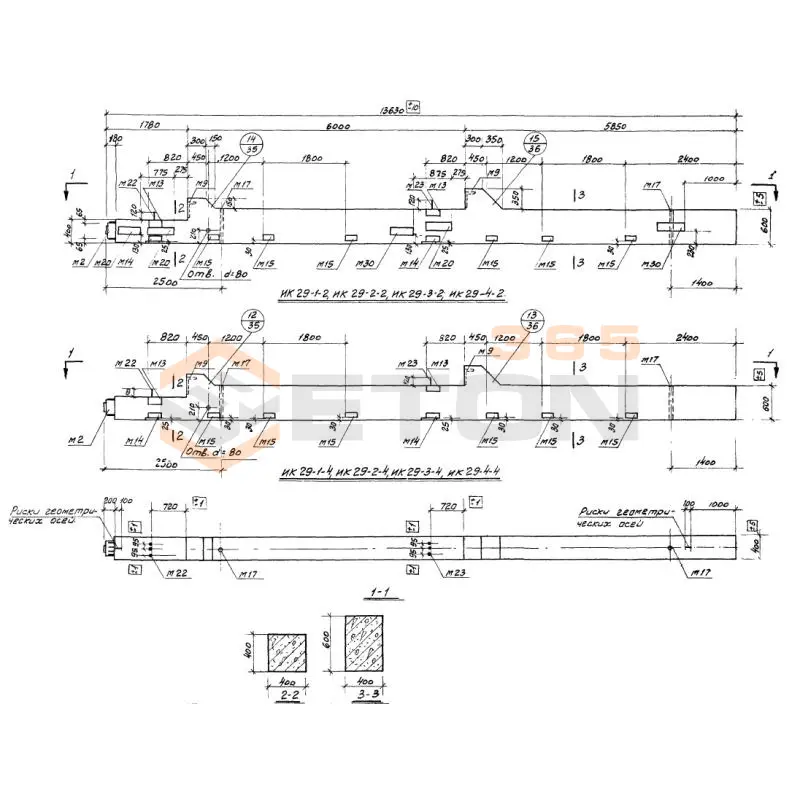
ИК 29-1-2 (ИИ 22-3/70)
Колонны Серия ИИ 22-3/70
  • Длина 13630 мм.
  • Ширина 400 мм.
  • Высота 600 мм.
  • Вес 8100 кг.
  • Объем бетона 3,22 м3
  • Геометрический объем 3,2712 м3
Цена: 65591 руб.
Подробнее
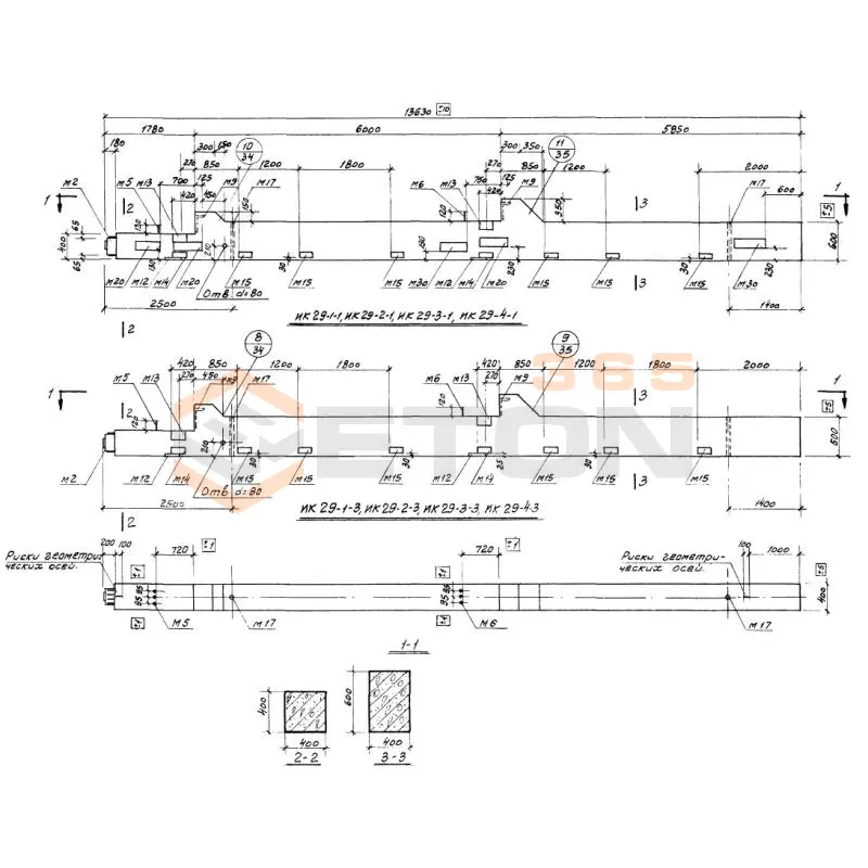
ИК 29-1-1 (ИИ 22-3/70)
Колонны Серия ИИ 22-3/70
  • Длина 13630 мм.
  • Ширина 400 мм.
  • Высота 600 мм.
  • Вес 8100 кг.
  • Объем бетона 3,22 м3
  • Геометрический объем 3,2712 м3
Цена: 65591 руб.
Подробнее
ИК 29-1-4 (ИИ 22-3/70)
Колонны Серия ИИ 22-3/70
  • Длина 13630 мм.
  • Ширина 400 мм.
  • Высота 600 мм.
  • Вес 8100 кг.
  • Объем бетона 3,22 м3
  • Геометрический объем 3,2712 м3
Цена: 65591 руб.
Подробнее
ИК 29-2-1 (ИИ 22-3/70)
Колонны Серия ИИ 22-3/70
  • Длина 13630 мм.
  • Ширина 400 мм.
  • Высота 600 мм.
  • Вес 8100 кг.
  • Объем бетона 3,22 м3
  • Геометрический объем 3,2712 м3
Цена: 65591 руб.
Подробнее
ИК 29-2-2 (ИИ 22-3/70)
Колонны Серия ИИ 22-3/70
  • Длина 13630 мм.
  • Ширина 400 мм.
  • Высота 600 мм.
  • Вес 8100 кг.
  • Объем бетона 3,22 м3
  • Геометрический объем 3,2712 м3
Цена: 65591 руб.
Подробнее
ИК 29-2-3 (ИИ 22-3/70)
Колонны Серия ИИ 22-3/70
  • Длина 13630 мм.
  • Ширина 400 мм.
  • Высота 600 мм.
  • Вес 8100 кг.
  • Объем бетона 3,22 м3
  • Геометрический объем 3,2712 м3
Цена: 65591 руб.
Подробнее
ИК 29-3-2 (ИИ 22-3/70)
Колонны Серия ИИ 22-3/70
  • Длина 13630 мм.
  • Ширина 400 мм.
  • Высота 600 мм.
  • Вес 8100 кг.
  • Объем бетона 3,22 м3
  • Геометрический объем 3,2712 м3
Цена: 65591 руб.
Подробнее
ИК 29-3-1 (ИИ 22-3/70)
Колонны Серия ИИ 22-3/70
  • Длина 13630 мм.
  • Ширина 400 мм.
  • Высота 600 мм.
  • Вес 8100 кг.
  • Объем бетона 3,22 м3
  • Геометрический объем 3,2712 м3
Цена: 65591 руб.
Подробнее
ИК 29-2-4 (ИИ 22-3/70)
Колонны Серия ИИ 22-3/70
  • Длина 13630 мм.
  • Ширина 400 мм.
  • Высота 600 мм.
  • Вес 8100 кг.
  • Объем бетона 3,22 м3
  • Геометрический объем 3,2712 м3
Цена: 65591 руб.
Подробнее
ИК 29-3-4 (ИИ 22-3/70)
Колонны Серия ИИ 22-3/70
  • Длина 13630 мм.
  • Ширина 400 мм.
  • Высота 600 мм.
  • Вес 8100 кг.
  • Объем бетона 3,22 м3
  • Геометрический объем 3,2712 м3
Цена: 65591 руб.
Подробнее
ИК 29-3-3 (ИИ 22-3/70)
Колонны Серия ИИ 22-3/70
  • Длина 13630 мм.
  • Ширина 400 мм.
  • Высота 600 мм.
  • Вес 8100 кг.
  • Объем бетона 3,22 м3
  • Геометрический объем 3,2712 м3
Цена: 65591 руб.
Подробнее
ИК 29-4-1 (ИИ 22-3/70)
Колонны Серия ИИ 22-3/70
  • Длина 13630 мм.
  • Ширина 400 мм.
  • Высота 600 мм.
  • Вес 8100 кг.
  • Объем бетона 3,22 м3
  • Геометрический объем 3,2712 м3
Цена: 65591 руб.
Подробнее
ИК 29-4-3 (ИИ 22-3/70)
Колонны Серия ИИ 22-3/70
  • Длина 13630 мм.
  • Ширина 400 мм.
  • Высота 600 мм.
  • Вес 8100 кг.
  • Объем бетона 3,22 м3
  • Геометрический объем 3,2712 м3
Цена: 65591 руб.
Подробнее
ИК 29-4-4 (ИИ 22-3/70)
Колонны Серия ИИ 22-3/70
  • Длина 13630 мм.
  • Ширина 400 мм.
  • Высота 600 мм.
  • Вес 8100 кг.
  • Объем бетона 3,22 м3
  • Геометрический объем 3,2712 м3
Цена: 65591 руб.
Подробнее
ИК 29-4-2 (ИИ 22-3/70)
Колонны Серия ИИ 22-3/70
  • Длина 13630 мм.
  • Ширина 400 мм.
  • Высота 600 мм.
  • Вес 8100 кг.
  • Объем бетона 3,22 м3
  • Геометрический объем 3,2712 м3
Цена: 65591 руб.
Подробнее
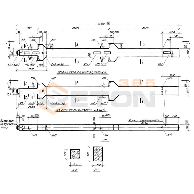
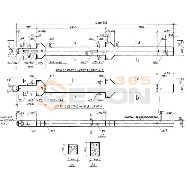
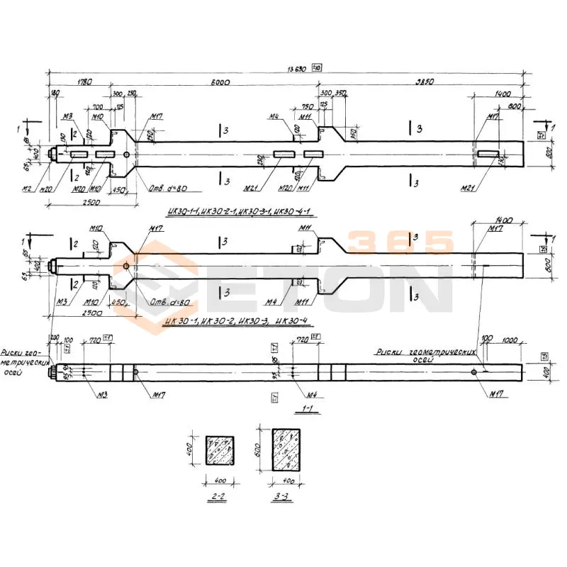
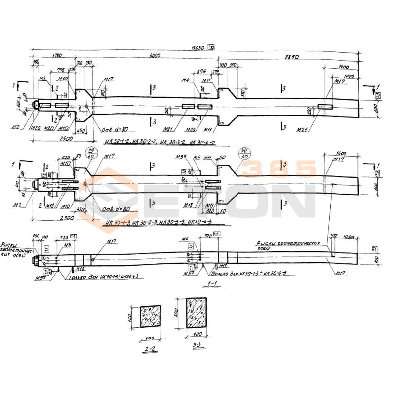
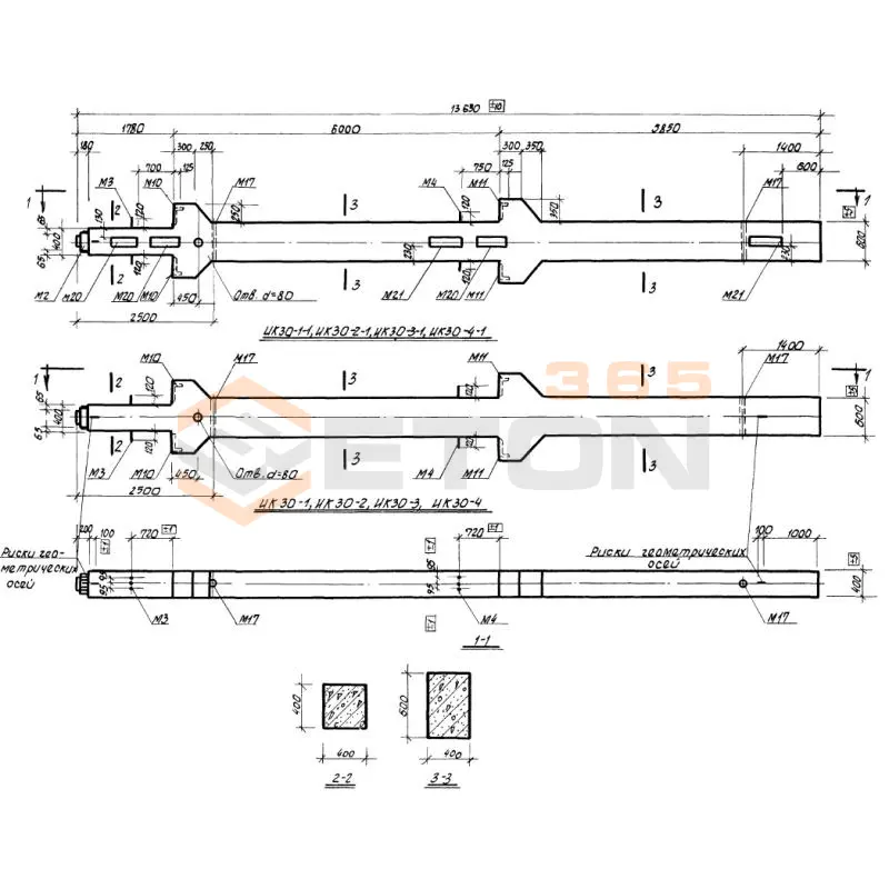
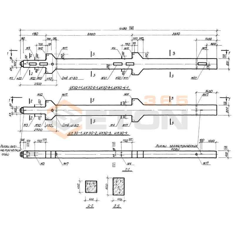
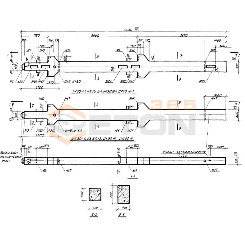
ИК 30-1 (ИИ 22-3/70)
Колонны Серия ИИ 22-3/70
  • Длина 13630 мм.
  • Ширина 400 мм.
  • Высота 600 мм.
  • Вес 8400 кг.
  • Объем бетона 3,35 м3
  • Геометрический объем 3,2712 м3
Цена: 68240 руб.
Подробнее
ИК 30-1-1 (ИИ 22-3/70)
Колонны Серия ИИ 22-3/70
  • Длина 13630 мм.
  • Ширина 400 мм.
  • Высота 600 мм.
  • Вес 8400 кг.
  • Объем бетона 3,35 м3
  • Геометрический объем 3,2712 м3
Цена: 68240 руб.
Подробнее
ИК 30-1-2 (ИИ 22-3/70)
Колонны Серия ИИ 22-3/70
  • Длина 13630 мм.
  • Ширина 400 мм.
  • Высота 600 мм.
  • Вес 8400 кг.
  • Объем бетона 3,35 м3
  • Геометрический объем 3,2712 м3
Цена: 68240 руб.
Подробнее
ИК 30-2-1 (ИИ 22-3/70)
Колонны Серия ИИ 22-3/70
  • Длина 13630 мм.
  • Ширина 400 мм.
  • Высота 600 мм.
  • Вес 8400 кг.
  • Объем бетона 3,35 м3
  • Геометрический объем 3,2712 м3
Цена: 68240 руб.
Подробнее
ИК 30-2 (ИИ 22-3/70)
Колонны Серия ИИ 22-3/70
  • Длина 13630 мм.
  • Ширина 400 мм.
  • Высота 600 мм.
  • Вес 8400 кг.
  • Объем бетона 3,35 м3
  • Геометрический объем 3,2712 м3
Цена: 68240 руб.
Подробнее
ИК 30-1-3 (ИИ 22-3/70)
Колонны Серия ИИ 22-3/70
  • Длина 13630 мм.
  • Ширина 400 мм.
  • Высота 600 мм.
  • Вес 8400 кг.
  • Объем бетона 3,35 м3
  • Геометрический объем 3,2712 м3
Цена: 68240 руб.
Подробнее
ИК 30-2-2 (ИИ 22-3/70)
Колонны Серия ИИ 22-3/70
  • Длина 13630 мм.
  • Ширина 400 мм.
  • Высота 600 мм.
  • Вес 8400 кг.
  • Объем бетона 3,35 м3
  • Геометрический объем 3,2712 м3
Цена: 68240 руб.
Подробнее
ИК 30-3 (ИИ 22-3/70)
Колонны Серия ИИ 22-3/70
  • Длина 13630 мм.
  • Ширина 400 мм.
  • Высота 600 мм.
  • Вес 8400 кг.
  • Объем бетона 3,35 м3
  • Геометрический объем 3,2712 м3
Цена: 68240 руб.
Подробнее
ИК 30-2-3 (ИИ 22-3/70)
Колонны Серия ИИ 22-3/70
  • Длина 13630 мм.
  • Ширина 400 мм.
  • Высота 600 мм.
  • Вес 8400 кг.
  • Объем бетона 3,35 м3
  • Геометрический объем 3,2712 м3
Цена: 68240 руб.
Подробнее
ИК 30-3-3 (ИИ 22-3/70)
Колонны Серия ИИ 22-3/70
  • Длина 13630 мм.
  • Ширина 400 мм.
  • Высота 600 мм.
  • Вес 8400 кг.
  • Объем бетона 3,35 м3
  • Геометрический объем 3,2712 м3
Цена: 68240 руб.
Подробнее
ИК 30-3-1 (ИИ 22-3/70)
Колонны Серия ИИ 22-3/70
  • Длина 13630 мм.
  • Ширина 400 мм.
  • Высота 600 мм.
  • Вес 8400 кг.
  • Объем бетона 3,35 м3
  • Геометрический объем 3,2712 м3
Цена: 68240 руб.
Подробнее
ИК 30-3-2 (ИИ 22-3/70)
Колонны Серия ИИ 22-3/70
  • Длина 13630 мм.
  • Ширина 400 мм.
  • Высота 600 мм.
  • Вес 8400 кг.
  • Объем бетона 3,35 м3
  • Геометрический объем 3,2712 м3
Цена: 68240 руб.
Подробнее

Уведомление о файлах cookie

Мы используем файлы cookie для улучшения вашего опыта просмотра и анализа трафика. Нажимая "Принять все", вы соглашаетесь с нашей политикой конфиденциальности и политикой обработки файлов cookie.

Дзен Телеграм Вконтакте vk