mobile_sound +7 (930) 655-55-90

Железобетонные опоры линий электропередачи. Рабочие чертежи (Серия ИИ 01-02)

Поделиться:
Поделиться:

Документ Серия ИИ 01-02 описывает область применения, номенклатуру и ключевые требования, опираясь на действующие нормы и практику проектирования. Среди многообразия типовых строительных каталогов, содержащих ключевые характеристики различных конструкций, представлена Серия ИИ 01-02, отражающая сведения об индустриальных изделиях, используемых при возведении 2 и 5 этажных жилых домов из камня. Номенклатурный перечень регламента достаточно разнообразен, в нем можно встретить ребристые плиты, многопустотные панели, прогоны, перемычки, элементы лестничной клетки и другие материалы. Для охвата большого числа типовых проектов конструкции запроектированы в нескольких вариантах геометрических пропорций с различными типами несущей способности, которые позволяют сопротивляться всевозможным воздействующим нагрузкам.

Файлы для скачивания:
picture_as_pdf

5249.pdf

4,657.3 KB

скачать
picture_as_pdf

5251.pdf

1,040.1 KB

скачать
picture_as_pdf

5250.pdf

9,504.4 KB

скачать
Товары Серия ИИ 01-02 (60)
П 38 (ИИ 01-02)
Проступи Серия ИИ 01-02
  • Длина 1230 мм.
  • Ширина 320 мм.
  • Высота 30 мм.
  • Вес 32,5 кг.
  • Объем бетона 0,013 м3
  • Геометрический объем 0,0118 м3
Цена: 454 руб.
Подробнее
П 42 (ИИ 01-02)
Проступи Серия ИИ 01-02
  • Длина 1460 мм.
  • Ширина 250 мм.
  • Высота 30 мм.
  • Вес 32,5 кг.
  • Объем бетона 0,013 м3
  • Геометрический объем 0,0109 м3
Цена: 454 руб.
Подробнее
П 39 (ИИ 01-02)
Проступи Серия ИИ 01-02
  • Длина 1110 мм.
  • Ширина 250 мм.
  • Высота 30 мм.
  • Вес 25 кг.
  • Объем бетона 0,01 м3
  • Геометрический объем 0,0083 м3
Цена: 349 руб.
Подробнее
П 35 (ИИ 01-02)
Проступи Серия ИИ 01-02
  • Длина 1560 мм.
  • Ширина 250 мм.
  • Высота 30 мм.
  • Вес 35 кг.
  • Объем бетона 0,014 м3
  • Геометрический объем 0,0117 м3
Цена: 489 руб.
Подробнее
П 40 (ИИ 01-02)
Проступи Серия ИИ 01-02
  • Длина 1110 мм.
  • Ширина 220 мм.
  • Высота 30 мм.
  • Вес 17,5 кг.
  • Объем бетона 0,007 м3
  • Геометрический объем 0,0073 м3
Цена: 244 руб.
Подробнее
С 2 (ИИ 01-02)
Ступени верхние фризовые Серия ИИ 01-02
  • Длина 1300 мм.
  • Ширина 260 мм.
  • Высота 148 мм.
  • Вес 105 кг.
  • Объем бетона 0,042 м3
  • Геометрический объем 0,05 м3
Цена: 110 руб.
Подробнее
С 10 (ИИ 01-02)
Ступени верхние фризовые Серия ИИ 01-02
  • Длина 1395 мм.
  • Ширина 260 мм.
  • Высота 148 мм.
  • Вес 100 кг.
  • Объем бетона 0,04 м3
  • Геометрический объем 0,0537 м3
Цена: 105 руб.
Подробнее
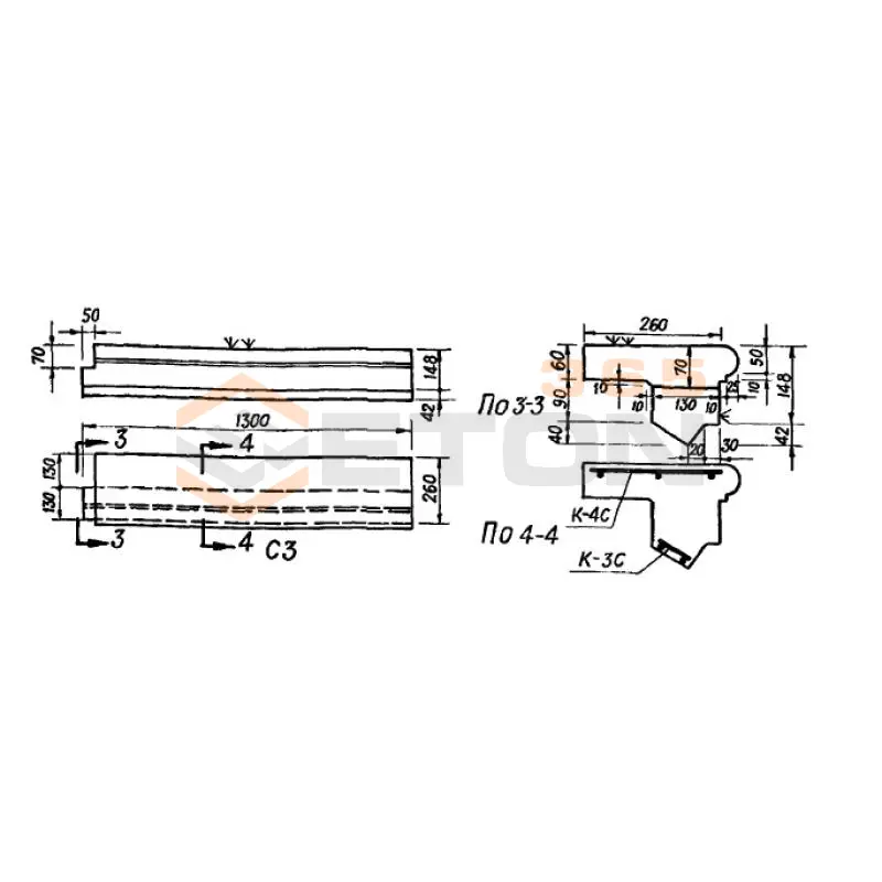
С 3 (ИИ 01-02)
Ступени верхние фризовые Серия ИИ 01-02
  • Длина 1300 мм.
  • Ширина 260 мм.
  • Высота 148 мм.
  • Вес 100 кг.
  • Объем бетона 0,04 м3
  • Геометрический объем 0,05 м3
Цена: 105 руб.
Подробнее
С 5 (ИИ 01-02)
Ступени верхние фризовые Серия ИИ 01-02
  • Длина 1495 мм.
  • Ширина 260 мм.
  • Высота 148 мм.
  • Вес 107,5 кг.
  • Объем бетона 0,043 м3
  • Геометрический объем 0,0575 м3
Цена: 113 руб.
Подробнее
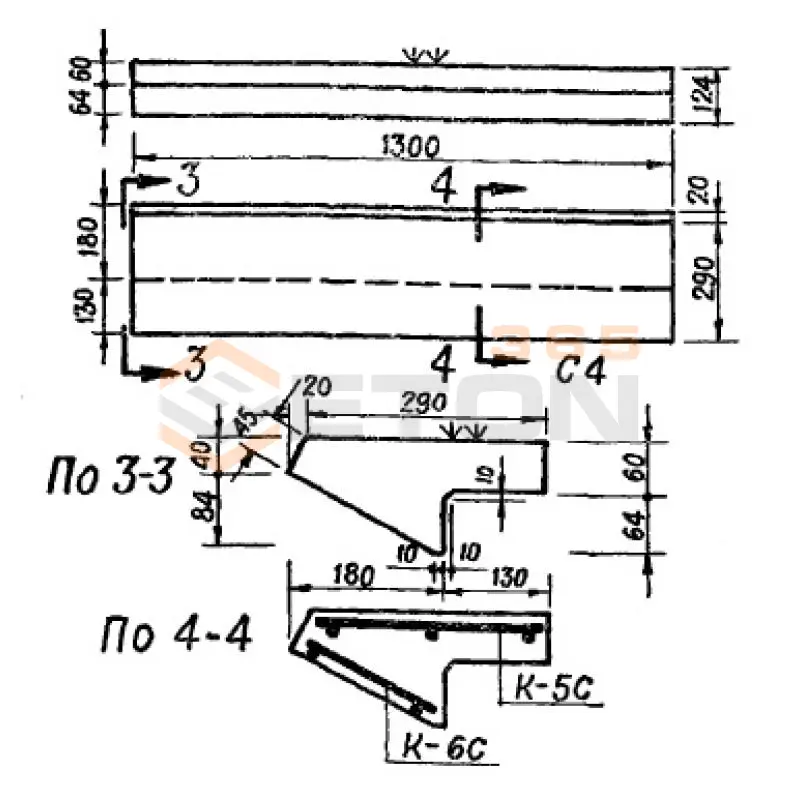
С 4 (ИИ 01-02)
Ступени нижние фризовые Серия ИИ 01-02
  • Длина 1300 мм.
  • Ширина 290 мм.
  • Высота 124 мм.
  • Вес 75 кг.
  • Объем бетона 0,03 м3
  • Геометрический объем 0,0467 м3
Цена: 873 руб.
Подробнее
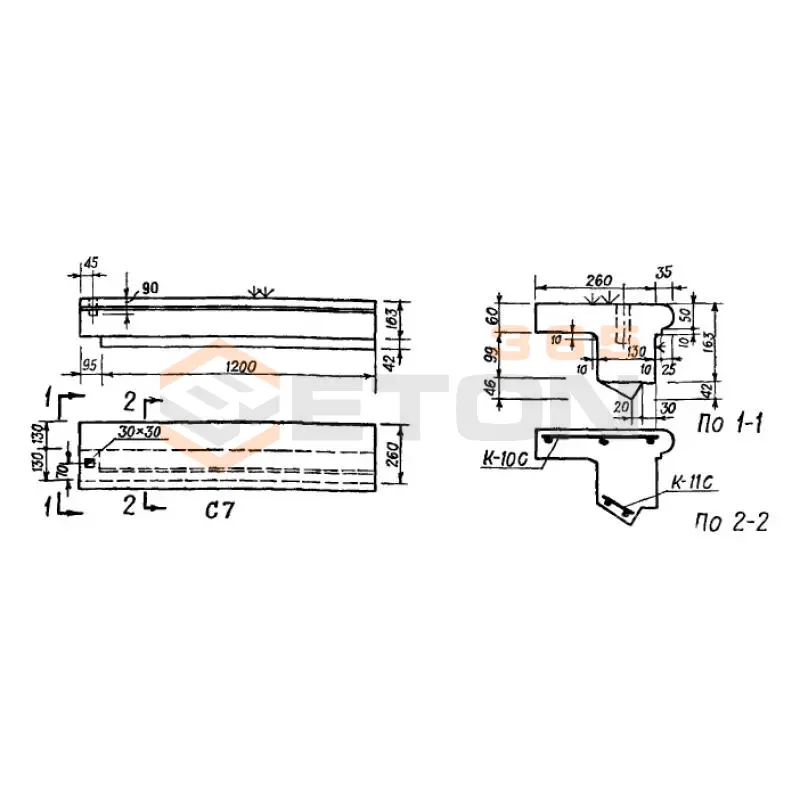
С 7 (ИИ 01-02)
Ступени нижние фризовые Серия ИИ 01-02
  • Длина 1200 мм.
  • Ширина 260 мм.
  • Высота 163 мм.
  • Вес 102 кг.
  • Объем бетона 0,041 м3
  • Геометрический объем 0,0509 м3
Цена: 1193 руб.
Подробнее
С 8 (ИИ 01-02)
Ступени нижние фризовые Серия ИИ 01-02
  • Длина 1200 мм.
  • Ширина 260 мм.
  • Высота 163 мм.
  • Вес 95 кг.
  • Объем бетона 0,038 м3
  • Геометрический объем 0,0509 м3
Цена: 1106 руб.
Подробнее
С 9 (ИИ 01-02)
Ступени нижние фризовые Серия ИИ 01-02
  • Длина 1200 мм.
  • Ширина 290 мм.
  • Высота 137 мм.
  • Вес 70 кг.
  • Объем бетона 0,028 м3
  • Геометрический объем 0,0477 м3
Цена: 815 руб.
Подробнее
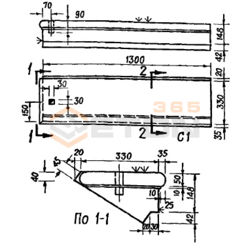
С 1 (ИИ 01-02)
Ступени основные Серия ИИ 01-02
  • Длина 1300 мм.
  • Ширина 330 мм.
  • Высота 148 мм.
  • Вес 140 кг.
  • Объем бетона 0,056 м3
  • Геометрический объем 0,0635 м3
Цена: 1630 руб.
Подробнее
С 11 (ИИ 01-02)
Ступени основные Серия ИИ 01-02
  • Длина 1100 мм.
  • Ширина 290 мм.
  • Высота 171 мм.
  • Вес 115 кг.
  • Объем бетона 0,046 м3
  • Геометрический объем 0,0545 м3
Цена: 1339 руб.
Подробнее
С 6 (ИИ 01-02)
Ступени основные Серия ИИ 01-02
  • Длина 1200 мм.
  • Ширина 320 мм.
  • Высота 163 мм.
  • Вес 135 кг.
  • Объем бетона 0,054 м3
  • Геометрический объем 0,0626 м3
Цена: 1571 руб.
Подробнее
ЖА 1 (ИИ 01-02)
Перемычки Серия ИИ 01-02
  • Длина 1250 мм.
  • Ширина 120 мм.
  • Высота 75 мм.
  • Вес 28 кг.
  • Объем бетона 0,011 м3
  • Геометрический объем 0,0112 м3
Цена: 267 руб.
Подробнее
ЖА 2 (ИИ 01-02)
Перемычки Серия ИИ 01-02
  • Длина 1500 мм.
  • Ширина 120 мм.
  • Высота 75 мм.
  • Вес 35 кг.
  • Объем бетона 0,014 м3
  • Геометрический объем 0,0135 м3
Цена: 340 руб.
Подробнее
ЖА 3 (ИИ 01-02)
Перемычки Серия ИИ 01-02
  • Длина 1750 мм.
  • Ширина 120 мм.
  • Высота 75 мм.
  • Вес 40 кг.
  • Объем бетона 0,016 м3
  • Геометрический объем 0,0158 м3
Цена: 388 руб.
Подробнее
ЖА 4 (ИИ 01-02)
Перемычки Серия ИИ 01-02
  • Длина 2000 мм.
  • Ширина 120 мм.
  • Высота 75 мм.
  • Вес 45 кг.
  • Объем бетона 0,018 м3
  • Геометрический объем 0,018 м3
Цена: 437 руб.
Подробнее
ЖА 5 (ИИ 01-02)
Перемычки Серия ИИ 01-02
  • Длина 2250 мм.
  • Ширина 120 мм.
  • Высота 160 мм.
  • Вес 100 кг.
  • Объем бетона 0,04 м3
  • Геометрический объем 0,0432 м3
Цена: 970 руб.
Подробнее
ЖБ 1 (ИИ 01-02)
Перемычки Серия ИИ 01-02
  • Длина 1500 мм.
  • Ширина 120 мм.
  • Высота 220 мм.
  • Вес 98 кг.
  • Объем бетона 0,039 м3
  • Геометрический объем 0,0396 м3
Цена: 946 руб.
Подробнее
ЖБ 2 (ИИ 01-02)
Перемычки Серия ИИ 01-02
  • Длина 1750 мм.
  • Ширина 120 мм.
  • Высота 220 мм.
  • Вес 115 кг.
  • Объем бетона 0,046 м3
  • Геометрический объем 0,0462 м3
Цена: 1116 руб.
Подробнее
ЖБ 3 (ИИ 01-02)
Перемычки Серия ИИ 01-02
  • Длина 2000 мм.
  • Ширина 120 мм.
  • Высота 220 мм.
  • Вес 133 кг.
  • Объем бетона 0,053 м3
  • Геометрический объем 0,0528 м3
Цена: 1285 руб.
Подробнее
ЖБ 5 (ИИ 01-02)
Перемычки Серия ИИ 01-02
  • Длина 2500 мм.
  • Ширина 120 мм.
  • Высота 300 мм.
  • Вес 225 кг.
  • Объем бетона 0,09 м3
  • Геометрический объем 0,09 м3
Цена: 2183 руб.
Подробнее
ЖБ 4 (ИИ 01-02)
Перемычки Серия ИИ 01-02
  • Длина 2250 мм.
  • Ширина 120 мм.
  • Высота 220 мм.
  • Вес 150 кг.
  • Объем бетона 0,06 м3
  • Геометрический объем 0,0594 м3
Цена: 1455 руб.
Подробнее
ЖБ 6 (ИИ 01-02)
Перемычки Серия ИИ 01-02
  • Длина 2750 мм.
  • Ширина 120 мм.
  • Высота 300 мм.
  • Вес 250 кг.
  • Объем бетона 0,1 м3
  • Геометрический объем 0,099 м3
Цена: 2425 руб.
Подробнее
ША 1 (ИИ 01-02)
Перемычки Серия ИИ 01-02
  • Длина 1200 мм.
  • Ширина 90 мм.
  • Высота 90 мм.
  • Вес 25 кг.
  • Объем бетона 0,01 м3
  • Геометрический объем 0,0097 м3
Цена: 243 руб.
Подробнее
ША 2 (ИИ 01-02)
Перемычки Серия ИИ 01-02
  • Длина 1400 мм.
  • Ширина 90 мм.
  • Высота 90 мм.
  • Вес 28 кг.
  • Объем бетона 0,011 м3
  • Геометрический объем 0,0113 м3
Цена: 267 руб.
Подробнее
ША 3 (ИИ 01-02)
Перемычки Серия ИИ 01-02
  • Длина 1800 мм.
  • Ширина 90 мм.
  • Высота 90 мм.
  • Вес 33 кг.
  • Объем бетона 0,013 м3
  • Геометрический объем 0,0146 м3
Цена: 315 руб.
Подробнее
ША 4 (ИИ 01-02)
Перемычки Серия ИИ 01-02
  • Длина 1800 мм.
  • Ширина 90 мм.
  • Высота 90 мм.
  • Вес 38 кг.
  • Объем бетона 0,015 м3
  • Геометрический объем 0,0146 м3
Цена: 364 руб.
Подробнее
ША 5 (ИИ 01-02)
Перемычки Серия ИИ 01-02
  • Длина 2000 мм.
  • Ширина 90 мм.
  • Высота 90 мм.
  • Вес 40 кг.
  • Объем бетона 0,016 м3
  • Геометрический объем 0,0162 м3
Цена: 388 руб.
Подробнее
ШБ 1 (ИИ 01-02)
Перемычки Серия ИИ 01-02
  • Длина 1400 мм.
  • Ширина 90 мм.
  • Высота 188 мм.
  • Вес 60 кг.
  • Объем бетона 0,024 м3
  • Геометрический объем 0,0237 м3
Цена: 582 руб.
Подробнее
ША 6 (ИИ 01-02)
Перемычки Серия ИИ 01-02
  • Длина 2200 мм.
  • Ширина 90 мм.
  • Высота 90 мм.
  • Вес 45 кг.
  • Объем бетона 0,018 м3
  • Геометрический объем 0,0178 м3
Цена: 437 руб.
Подробнее
ШБ 2 (ИИ 01-02)
Перемычки Серия ИИ 01-02
  • Длина 1600 мм.
  • Ширина 90 мм.
  • Высота 188 мм.
  • Вес 68 кг.
  • Объем бетона 0,027 м3
  • Геометрический объем 0,0271 м3
Цена: 655 руб.
Подробнее
ШБ 3 (ИИ 01-02)
Перемычки Серия ИИ 01-02
  • Длина 1800 мм.
  • Ширина 90 мм.
  • Высота 188 мм.
  • Вес 78 кг.
  • Объем бетона 0,031 м3
  • Геометрический объем 0,0305 м3
Цена: 752 руб.
Подробнее
ШБ 4 (ИИ 01-02)
Перемычки Серия ИИ 01-02
  • Длина 2000 мм.
  • Ширина 90 мм.
  • Высота 188 мм.
  • Вес 85 кг.
  • Объем бетона 0,034 м3
  • Геометрический объем 0,0338 м3
Цена: 825 руб.
Подробнее
ШБ 5 (ИИ 01-02)
Перемычки Серия ИИ 01-02
  • Длина 2400 мм.
  • Ширина 90 мм.
  • Высота 290 мм.
  • Вес 155 кг.
  • Объем бетона 0,062 м3
  • Геометрический объем 0,0626 м3
Цена: 1504 руб.
Подробнее
ЦА 1 (ИИ 01-02)
Панели для сборно-монолитных перекрытий Серия ИИ 01-02
  • Длина 2780 мм.
  • Ширина 395 мм.
  • Высота 120 мм.
  • Вес 225 кг.
  • Объем бетона 0,09 м3
  • Геометрический объем 0,1318 м3
Цена: 3056 руб.
Подробнее
ЦА 2 (ИИ 01-02)
Панели для сборно-монолитных перекрытий Серия ИИ 01-02
  • Длина 2980 мм.
  • Ширина 395 мм.
  • Высота 120 мм.
  • Вес 237 кг.
  • Объем бетона 0,095 м3
  • Геометрический объем 0,1413 м3
Цена: 3225 руб.
Подробнее
ЦА 3 (ИИ 01-02)
Панели для сборно-монолитных перекрытий Серия ИИ 01-02
  • Длина 3080 мм.
  • Ширина 395 мм.
  • Высота 120 мм.
  • Вес 250 кг.
  • Объем бетона 0,1 м3
  • Геометрический объем 0,146 м3
Цена: 3395 руб.
Подробнее
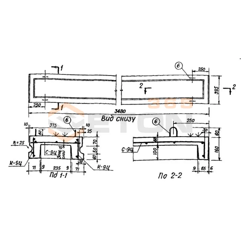
ЦА 4 (ИИ 01-02)
Панели для сборно-монолитных перекрытий Серия ИИ 01-02
  • Длина 3480 мм.
  • Ширина 395 мм.
  • Высота 120 мм.
  • Вес 275 кг.
  • Объем бетона 0,11 м3
  • Геометрический объем 0,165 м3
Цена: 3735 руб.
Подробнее
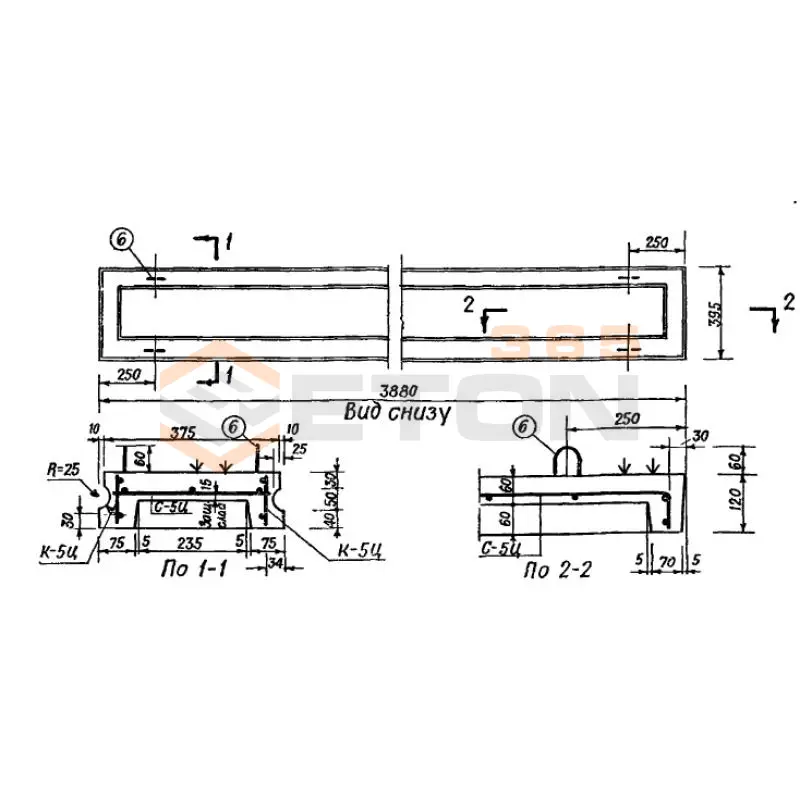
ЦА 5 (ИИ 01-02)
Панели для сборно-монолитных перекрытий Серия ИИ 01-02
  • Длина 3880 мм.
  • Ширина 395 мм.
  • Высота 120 мм.
  • Вес 313 кг.
  • Объем бетона 0,125 м3
  • Геометрический объем 0,1839 м3
Цена: 4244 руб.
Подробнее
ЦБ 1 (ИИ 01-02)
Панели для сборно-монолитных перекрытий Серия ИИ 01-02
  • Длина 2780 мм.
  • Ширина 395 мм.
  • Высота 160 мм.
  • Вес 260 кг.
  • Объем бетона 0,104 м3
  • Геометрический объем 0,1757 м3
Цена: 3531 руб.
Подробнее
ЦБ 2 (ИИ 01-02)
Панели для сборно-монолитных перекрытий Серия ИИ 01-02
  • Длина 2980 мм.
  • Ширина 395 мм.
  • Высота 160 мм.
  • Вес 278 кг.
  • Объем бетона 0,111 м3
  • Геометрический объем 0,1883 м3
Цена: 3768 руб.
Подробнее
ЦБ 5 (ИИ 01-02)
Панели для сборно-монолитных перекрытий Серия ИИ 01-02
  • Длина 3880 мм.
  • Ширина 395 мм.
  • Высота 160 мм.
  • Вес 352 кг.
  • Объем бетона 0,141 м3
  • Геометрический объем 0,2452 м3
Цена: 4787 руб.
Подробнее
ЦБ 3 (ИИ 01-02)
Панели для сборно-монолитных перекрытий Серия ИИ 01-02
  • Длина 3080 мм.
  • Ширина 395 мм.
  • Высота 160 мм.
  • Вес 288 кг.
  • Объем бетона 0,115 м3
  • Геометрический объем 0,1947 м3
Цена: 3904 руб.
Подробнее
ЦБ 4 (ИИ 01-02)
Панели для сборно-монолитных перекрытий Серия ИИ 01-02
  • Длина 3480 мм.
  • Ширина 395 мм.
  • Высота 160 мм.
  • Вес 325 кг.
  • Объем бетона 0,13 м3
  • Геометрический объем 0,2199 м3
Цена: 4414 руб.
Подробнее
ЯА 1 (ИИ 01-02)
Панели для сборно-монолитных перекрытий Серия ИИ 01-02
  • Длина 2780 мм.
  • Ширина 1595 мм.
  • Высота 120 мм.
  • Вес 800 кг.
  • Объем бетона 0,322 м3
  • Геометрический объем 0,5321 м3
Цена: 10932 руб.
Подробнее
ЯА 2 (ИИ 01-02)
Панели для сборно-монолитных перекрытий Серия ИИ 01-02
  • Длина 2980 мм.
  • Ширина 1595 мм.
  • Высота 120 мм.
  • Вес 860 кг.
  • Объем бетона 0,344 м3
  • Геометрический объем 0,5704 м3
Цена: 11679 руб.
Подробнее
ЯА 5 (ИИ 01-02)
Панели для сборно-монолитных перекрытий Серия ИИ 01-02
  • Длина 3880 мм.
  • Ширина 1595 мм.
  • Высота 120 мм.
  • Вес 1100 кг.
  • Объем бетона 0,441 м3
  • Геометрический объем 0,7426 м3
Цена: 14972 руб.
Подробнее
ЯБ 1 (ИИ 01-02)
Панели для сборно-монолитных перекрытий Серия ИИ 01-02
  • Длина 2780 мм.
  • Ширина 1595 мм.
  • Высота 160 мм.
  • Вес 900 кг.
  • Объем бетона 0,36 м3
  • Геометрический объем 0,7095 м3
Цена: 12222 руб.
Подробнее
ЯА 4 (ИИ 01-02)
Панели для сборно-монолитных перекрытий Серия ИИ 01-02
  • Длина 3480 мм.
  • Ширина 1595 мм.
  • Высота 120 мм.
  • Вес 962 кг.
  • Объем бетона 0,385 м3
  • Геометрический объем 0,6661 м3
Цена: 13071 руб.
Подробнее
ЯБ 2 (ИИ 01-02)
Панели для сборно-монолитных перекрытий Серия ИИ 01-02
  • Длина 2980 мм.
  • Ширина 1595 мм.
  • Высота 160 мм.
  • Вес 960 кг.
  • Объем бетона 0,384 м3
  • Геометрический объем 0,7605 м3
Цена: 13037 руб.
Подробнее
ЯА 3 (ИИ 01-02)
Панели для сборно-монолитных перекрытий Серия ИИ 01-02
  • Длина 3080 мм.
  • Ширина 1595 мм.
  • Высота 120 мм.
  • Вес 880 кг.
  • Объем бетона 0,352 м3
  • Геометрический объем 0,5895 м3
Цена: 11950 руб.
Подробнее
ЯБ 3 (ИИ 01-02)
Панели для сборно-монолитных перекрытий Серия ИИ 01-02
  • Длина 3080 мм.
  • Ширина 1595 мм.
  • Высота 160 мм.
  • Вес 992 кг.
  • Объем бетона 0,397 м3
  • Геометрический объем 0,786 м3
Цена: 13478 руб.
Подробнее
ЯБ 4 (ИИ 01-02)
Панели для сборно-монолитных перекрытий Серия ИИ 01-02
  • Длина 3480 мм.
  • Ширина 1595 мм.
  • Высота 160 мм.
  • Вес 1125 кг.
  • Объем бетона 0,45 м3
  • Геометрический объем 0,8881 м3
Цена: 15278 руб.
Подробнее
ЯБ 5 (ИИ 01-02)
Панели для сборно-монолитных перекрытий Серия ИИ 01-02
  • Длина 3880 мм.
  • Ширина 1595 мм.
  • Высота 160 мм.
  • Вес 1235 кг.
  • Объем бетона 0,494 м3
  • Геометрический объем 0,9902 м3
Цена: 16771 руб.
Подробнее
ОП 6 (ИИ 01-02)
Плиты опорные Серия ИИ 01-02
  • Длина 510 мм.
  • Ширина 380 мм.
  • Высота 140 мм.
  • Вес 68 кг.
  • Объем бетона 0,027 м3
  • Геометрический объем 0,0271 м3
Цена: 1179 руб.
Подробнее
ОП 5 (ИИ 01-02)
Плиты опорные Серия ИИ 01-02
  • Длина 380 мм.
  • Ширина 250 мм.
  • Высота 140 мм.
  • Вес 39 кг.
  • Объем бетона 0,013 м3
  • Геометрический объем 0,0133 м3
Цена: 567 руб.
Подробнее

Уведомление о файлах cookie

Мы используем файлы cookie для улучшения вашего опыта просмотра и анализа трафика. Нажимая "Принять все", вы соглашаетесь с нашей политикой конфиденциальности и политикой обработки файлов cookie.

MAX Дзен Телеграм Вконтакте vk