mobile_sound +7 (930) 655-55-90

Железобетонные опоры линий электропередачи. Рабочие чертежи (Серия 3.006.1-2/82)

Поделиться:
Поделиться:

Документ Серия 3.006.1-2/82 описывает область применения, номенклатуру и ключевые требования, опираясь на действующие нормы и практику проектирования. Узнать все о специфических особенностях производства лотковых элементов можно на страницах Серии 3.006.1-2/82. Нормативный документ состоит из восьми выпусков, каждый из которых описывает определенный информационный блок. В разработке регламента приняли участие Харьковский институт ПРОМСТРОЙНИИПРОЕКТ и НИИЖБ.

Файлы для скачивания:
picture_as_pdf

2304.pdf

19,669.8 KB

скачать
picture_as_pdf

2305.pdf

33,695.0 KB

скачать
picture_as_pdf

2306.pdf

8,274.3 KB

скачать
picture_as_pdf

2307.pdf

8,991.1 KB

скачать
picture_as_pdf

2308.pdf

4,100.0 KB

скачать
picture_as_pdf

2309.pdf

29,653.7 KB

скачать
picture_as_pdf

2310.pdf

7,716.7 KB

скачать
picture_as_pdf

2311.pdf

2,655.7 KB

скачать
Товары Серия 3.006.1-2/82 (40)
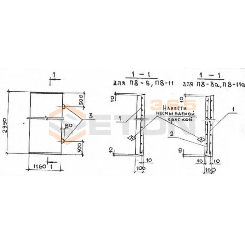
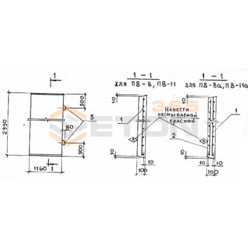
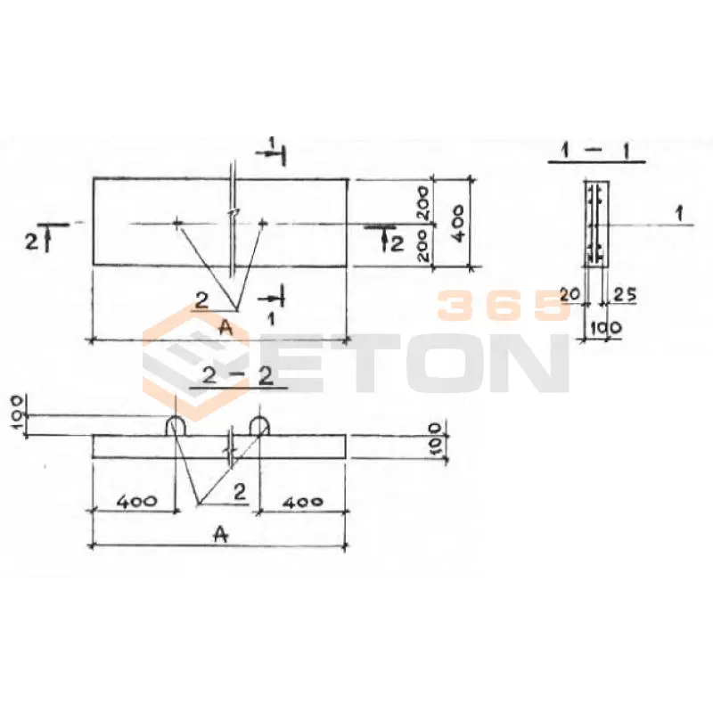
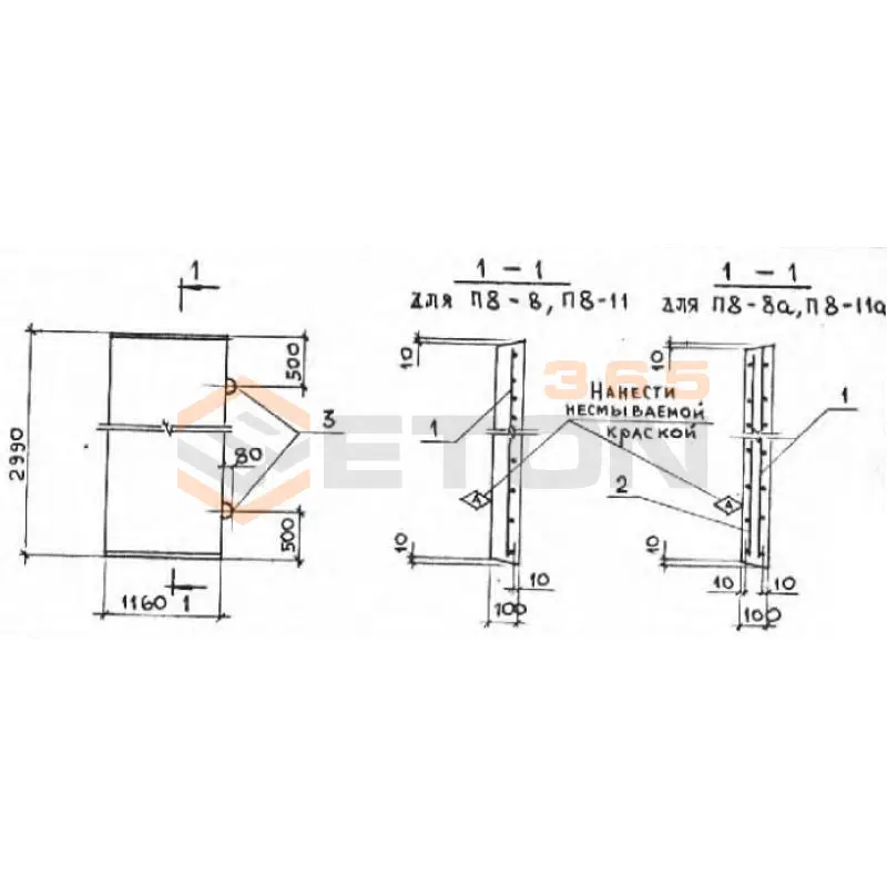
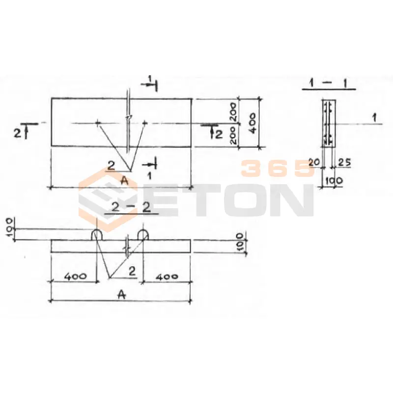
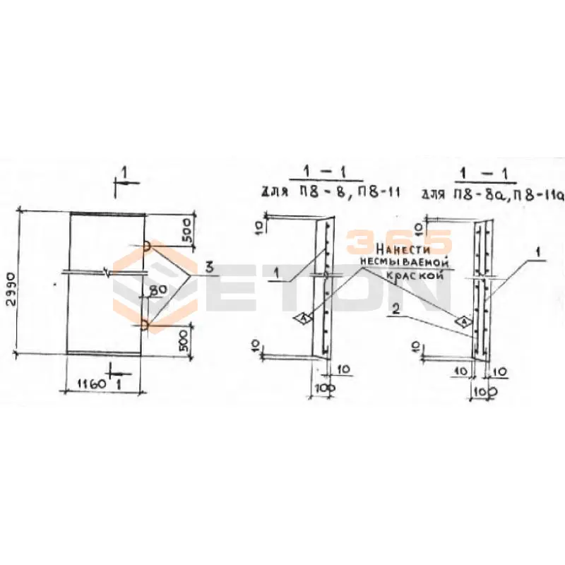
П 8-11 (3.006.1-2/82)
Плиты перекрытия лотков П Серия 3.006.1-2/82
  • Длина 2990 мм.
  • Ширина 1160 мм.
  • Высота 100 мм.
  • Вес 870 кг.
  • Объем бетона 0,35 м3
  • Геометрический объем 0,3468 м3
Цена: 6790 руб.
Подробнее
П 8-11 а (3.006.1-2/82)
Плиты перекрытия лотков П Серия 3.006.1-2/82
  • Длина 2990 мм.
  • Ширина 1160 мм.
  • Высота 100 мм.
  • Вес 870 кг.
  • Объем бетона 0,35 м3
  • Геометрический объем 0,3468 м3
Цена: 6790 руб.
Подробнее
П 7д-5 (3.006.1-2/82)
Плиты перекрытия лотков П Серия 3.006.1-2/82
  • Длина 740 мм.
  • Ширина 1160 мм.
  • Высота 70 мм.
  • Вес 150 кг.
  • Объем бетона 0,06 м3
  • Геометрический объем 0,0601 м3
Цена: 1164 руб.
Подробнее
П 7д-5 б (3.006.1-2/82)
Плиты перекрытия лотков П Серия 3.006.1-2/82
  • Длина 740 мм.
  • Ширина 1160 мм.
  • Высота 70 мм.
  • Вес 150 кг.
  • Объем бетона 0,06 м3
  • Геометрический объем 0,0601 м3
Цена: 1164 руб.
Подробнее
П 8-8 а (3.006.1-2/82)
Плиты перекрытия лотков П Серия 3.006.1-2/82
  • Длина 2990 мм.
  • Ширина 1160 мм.
  • Высота 100 мм.
  • Вес 870 кг.
  • Объем бетона 0,35 м3
  • Геометрический объем 0,3468 м3
Цена: 6790 руб.
Подробнее
П 8-8 (3.006.1-2/82)
Плиты перекрытия лотков П Серия 3.006.1-2/82
  • Длина 2990 мм.
  • Ширина 1160 мм.
  • Высота 100 мм.
  • Вес 870 кг.
  • Объем бетона 0,35 м3
  • Геометрический объем 0,3468 м3
Цена: 6790 руб.
Подробнее
П 8д-11 (3.006.1-2/82)
Плиты перекрытия лотков П Серия 3.006.1-2/82
  • Длина 740 мм.
  • Ширина 1160 мм.
  • Высота 100 мм.
  • Вес 210 кг.
  • Объем бетона 0,09 м3
  • Геометрический объем 0,0858 м3
Цена: 1746 руб.
Подробнее
П 8д-11 а (3.006.1-2/82)
Плиты перекрытия лотков П Серия 3.006.1-2/82
  • Длина 740 мм.
  • Ширина 1160 мм.
  • Высота 100 мм.
  • Вес 210 кг.
  • Объем бетона 0,09 м3
  • Геометрический объем 0,0858 м3
Цена: 1746 руб.
Подробнее
П 8д-8 (3.006.1-2/82)
Плиты перекрытия лотков П Серия 3.006.1-2/82
  • Длина 740 мм.
  • Ширина 1160 мм.
  • Высота 100 мм.
  • Вес 210 кг.
  • Объем бетона 0,09 м3
  • Геометрический объем 0,0858 м3
Цена: 1746 руб.
Подробнее
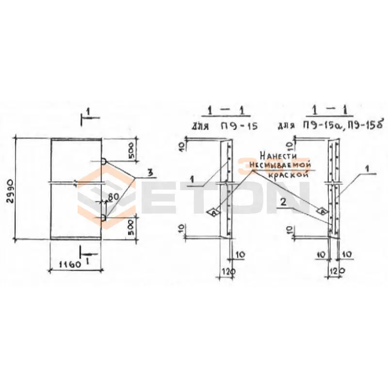
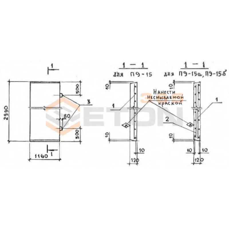
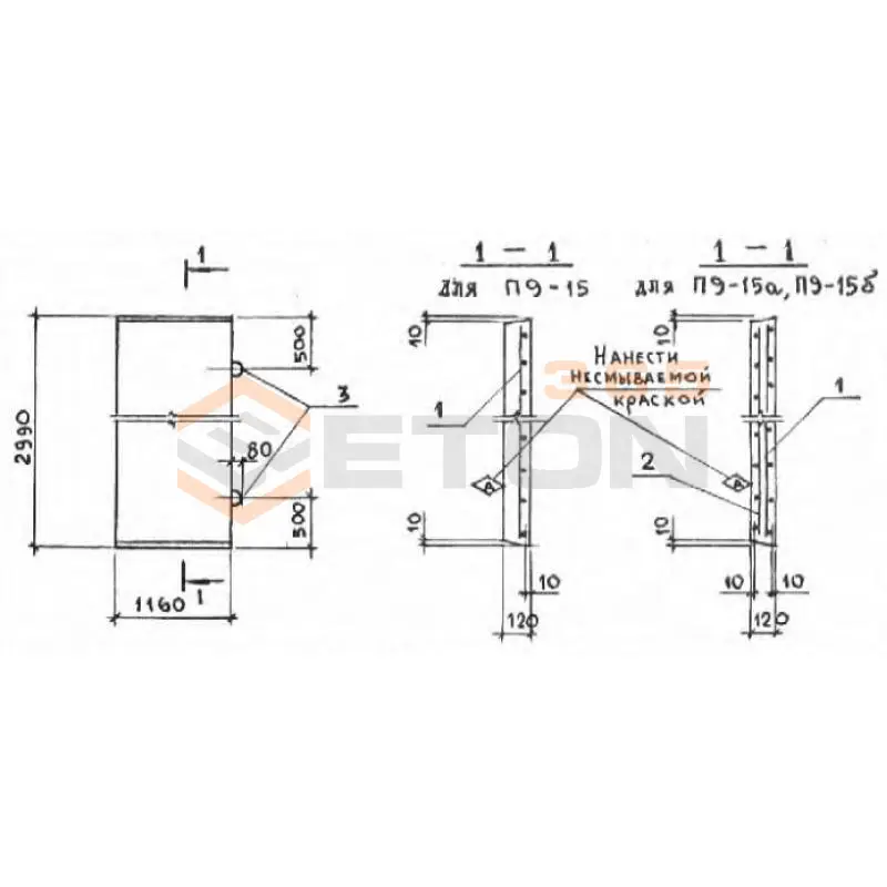
П 9-15 (3.006.1-2/82)
Плиты перекрытия лотков П Серия 3.006.1-2/82
  • Длина 2990 мм.
  • Ширина 1160 мм.
  • Высота 120 мм.
  • Вес 1040 кг.
  • Объем бетона 0,42 м3
  • Геометрический объем 0,4162 м3
Цена: 8148 руб.
Подробнее
П 8д-8 а (3.006.1-2/82)
Плиты перекрытия лотков П Серия 3.006.1-2/82
  • Длина 740 мм.
  • Ширина 1160 мм.
  • Высота 100 мм.
  • Вес 210 кг.
  • Объем бетона 0,09 м3
  • Геометрический объем 0,0858 м3
Цена: 1746 руб.
Подробнее
П 9-15 а (3.006.1-2/82)
Плиты перекрытия лотков П Серия 3.006.1-2/82
  • Длина 2990 мм.
  • Ширина 1160 мм.
  • Высота 120 мм.
  • Вес 1040 кг.
  • Объем бетона 0,42 м3
  • Геометрический объем 0,4162 м3
Цена: 8148 руб.
Подробнее
П 9-15 б (3.006.1-2/82)
Плиты перекрытия лотков П Серия 3.006.1-2/82
  • Длина 2990 мм.
  • Ширина 1160 мм.
  • Высота 120 мм.
  • Вес 1040 кг.
  • Объем бетона 0,42 м3
  • Геометрический объем 0,4162 м3
Цена: 8148 руб.
Подробнее
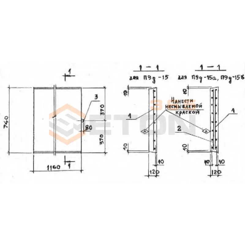
П 9д-15 а (3.006.1-2/82)
Плиты перекрытия лотков П Серия 3.006.1-2/82
  • Длина 740 мм.
  • Ширина 1160 мм.
  • Высота 120 мм.
  • Вес 260 кг.
  • Объем бетона 0,1 м3
  • Геометрический объем 0,103 м3
Цена: 1940 руб.
Подробнее
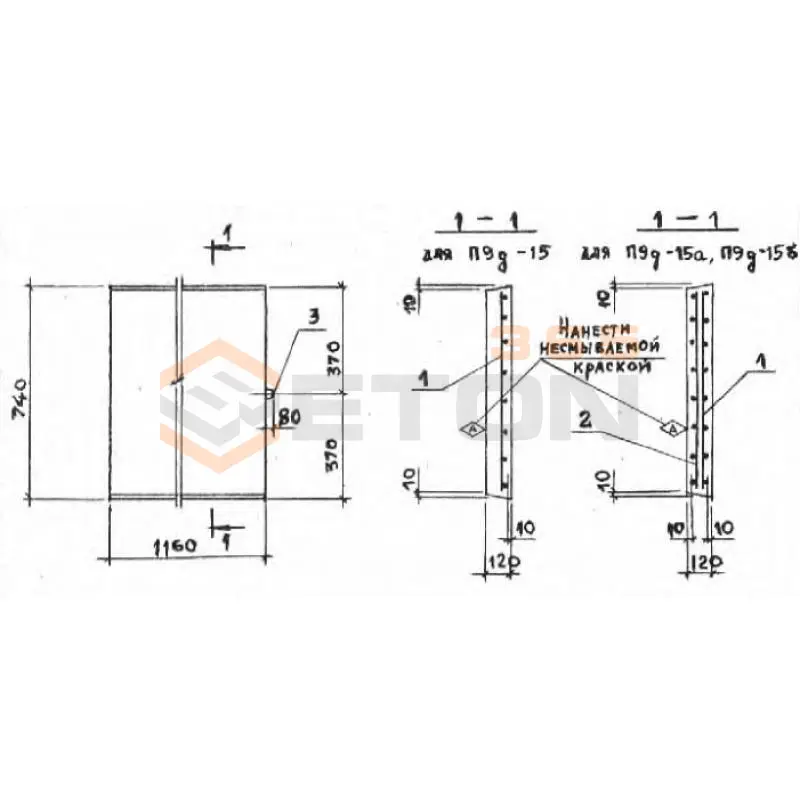
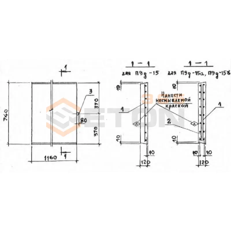
П 9д-15 (3.006.1-2/82)
Плиты перекрытия лотков П Серия 3.006.1-2/82
  • Длина 740 мм.
  • Ширина 1160 мм.
  • Высота 120 мм.
  • Вес 260 кг.
  • Объем бетона 0,1 м3
  • Геометрический объем 0,103 м3
Цена: 1940 руб.
Подробнее
П 9д-15 б (3.006.1-2/82)
Плиты перекрытия лотков П Серия 3.006.1-2/82
  • Длина 740 мм.
  • Ширина 1160 мм.
  • Высота 120 мм.
  • Вес 260 кг.
  • Объем бетона 0,1 м3
  • Геометрический объем 0,103 м3
Цена: 1940 руб.
Подробнее
ПО 1 (3.006.1-2/82)
Плиты перекрытия лотков ПО Серия 3.006.1-2/82
  • Длина 2300 мм.
  • Ширина 2000 мм.
  • Высота 180 мм.
  • Вес 1750 кг.
  • Объем бетона 0,7 м3
  • Геометрический объем 0,828 м3
Цена: 16975 руб.
Подробнее
ПО 3 (3.006.1-2/82)
Плиты перекрытия лотков ПО Серия 3.006.1-2/82
  • Длина 1750 мм.
  • Ширина 1500 мм.
  • Высота 160 мм.
  • Вес 900 кг.
  • Объем бетона 0,36 м3
  • Геометрический объем 0,42 м3
Цена: 8730 руб.
Подробнее
ПО 4 (3.006.1-2/82)
Плиты перекрытия лотков ПО Серия 3.006.1-2/82
  • Длина 2300 мм.
  • Ширина 1500 мм.
  • Высота 200 мм.
  • Вес 1530 кг.
  • Объем бетона 0,61 м3
  • Геометрический объем 0,69 м3
Цена: 14793 руб.
Подробнее
ПО 2 (3.006.1-2/82)
Плиты перекрытия лотков ПО Серия 3.006.1-2/82
  • Длина 1450 мм.
  • Ширина 1500 мм.
  • Высота 120 мм.
  • Вес 550 кг.
  • Объем бетона 0,22 м3
  • Геометрический объем 0,261 м3
Цена: 5335 руб.
Подробнее
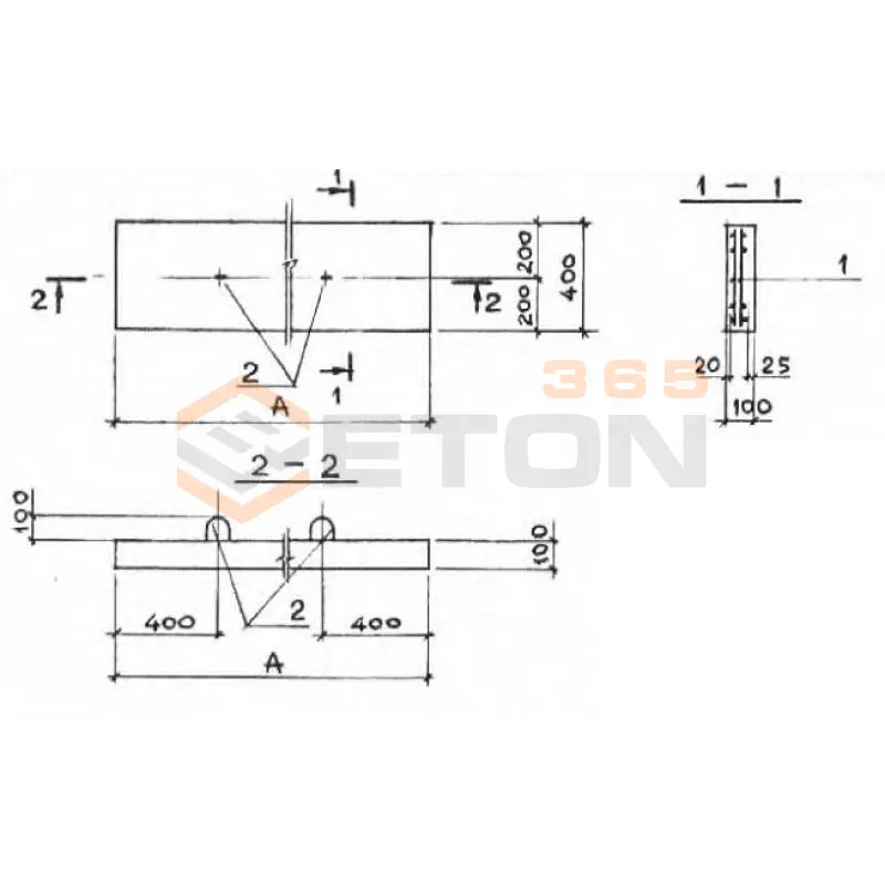
ПП 1 (3.006.1-2/82)
Плиты перекрытия лотков ПП (плоская подкладка) Серия 3.006.1-2/82
  • Длина 640 мм.
  • Ширина 400 мм.
  • Высота 100 мм.
  • Вес 50 кг.
  • Объем бетона 0,2 м3
  • Геометрический объем 0,0256 м3
Цена: 4268 руб.
Подробнее
ПП 10 (3.006.1-2/82)
Плиты перекрытия лотков ПП (плоская подкладка) Серия 3.006.1-2/82
  • Длина 3600 мм.
  • Ширина 400 мм.
  • Высота 100 мм.
  • Вес 350 кг.
  • Объем бетона 0,14 м3
  • Геометрический объем 0,144 м3
Цена: 2988 руб.
Подробнее
ПП 2 (3.006.1-2/82)
Плиты перекрытия лотков ПП (плоская подкладка) Серия 3.006.1-2/82
  • Длина 790 мм.
  • Ширина 400 мм.
  • Высота 100 мм.
  • Вес 80 кг.
  • Объем бетона 0,03 м3
  • Геометрический объем 0,0316 м3
Цена: 640 руб.
Подробнее
ПП 3 (3.006.1-2/82)
Плиты перекрытия лотков ПП (плоская подкладка) Серия 3.006.1-2/82
  • Длина 1000 мм.
  • Ширина 400 мм.
  • Высота 100 мм.
  • Вес 100 кг.
  • Объем бетона 0,04 м3
  • Геометрический объем 0,04 м3
Цена: 854 руб.
Подробнее
ПП 4 (3.006.1-2/82)
Плиты перекрытия лотков ПП (плоская подкладка) Серия 3.006.1-2/82
  • Длина 1380 мм.
  • Ширина 400 мм.
  • Высота 100 мм.
  • Вес 150 кг.
  • Объем бетона 0,06 м3
  • Геометрический объем 0,0552 м3
Цена: 1280 руб.
Подробнее
ПП 5 (3.006.1-2/82)
Плиты перекрытия лотков ПП (плоская подкладка) Серия 3.006.1-2/82
  • Длина 1700 мм.
  • Ширина 400 мм.
  • Высота 100 мм.
  • Вес 180 кг.
  • Объем бетона 0,07 м3
  • Геометрический объем 0,068 м3
Цена: 1494 руб.
Подробнее
ПП 7 (3.006.1-2/82)
Плиты перекрытия лотков ПП (плоская подкладка) Серия 3.006.1-2/82
  • Длина 2380 мм.
  • Ширина 400 мм.
  • Высота 100 мм.
  • Вес 250 кг.
  • Объем бетона 0,1 м3
  • Геометрический объем 0,0952 м3
Цена: 2134 руб.
Подробнее
ПП 9 (3.006.1-2/82)
Плиты перекрытия лотков ПП (плоская подкладка) Серия 3.006.1-2/82
  • Длина 3000 мм.
  • Ширина 400 мм.
  • Высота 100 мм.
  • Вес 300 кг.
  • Объем бетона 0,12 м3
  • Геометрический объем 0,12 м3
Цена: 2561 руб.
Подробнее
ПП 8 (3.006.1-2/82)
Плиты перекрытия лотков ПП (плоская подкладка) Серия 3.006.1-2/82
  • Длина 2680 мм.
  • Ширина 400 мм.
  • Высота 100 мм.
  • Вес 270 кг.
  • Объем бетона 0,11 м3
  • Геометрический объем 0,1072 м3
Цена: 2347 руб.
Подробнее
ПП 6 (3.006.1-2/82)
Плиты перекрытия лотков ПП (плоская подкладка) Серия 3.006.1-2/82
  • Длина 2060 мм.
  • Ширина 400 мм.
  • Высота 100 мм.
  • Вес 200 кг.
  • Объем бетона 0,08 м3
  • Геометрический объем 0,0824 м3
Цена: 1707 руб.
Подробнее
ПТ 2 (3.006.1-2/82)
Плиты перекрытия лотков трехслойные ПТ Серия 3.006.1-2/82
  • Длина 2990 мм.
  • Ширина 1300 мм.
  • Высота 140 мм.
  • Вес 850 кг.
  • Объем бетона 0,29 м3
  • Геометрический объем 0,5442 м3
Цена: 7033 руб.
Подробнее
ПТ 1д (3.006.1-2/82)
Плиты перекрытия лотков трехслойные ПТ Серия 3.006.1-2/82
  • Длина 740 мм.
  • Ширина 900 мм.
  • Высота 140 мм.
  • Вес 170 кг.
  • Объем бетона 0,06 м3
  • Геометрический объем 0,0932 м3
Цена: 1455 руб.
Подробнее
ПТ 3д (3.006.1-2/82)
Плиты перекрытия лотков трехслойные ПТ Серия 3.006.1-2/82
  • Длина 740 мм.
  • Ширина 1600 мм.
  • Высота 140 мм.
  • Вес 290 кг.
  • Объем бетона 0,1 м3
  • Геометрический объем 0,1658 м3
Цена: 2425 руб.
Подробнее
ПТ 1 (3.006.1-2/82)
Плиты перекрытия лотков трехслойные ПТ Серия 3.006.1-2/82
  • Длина 2990 мм.
  • Ширина 900 мм.
  • Высота 140 мм.
  • Вес 600 кг.
  • Объем бетона 0,21 м3
  • Геометрический объем 0,3767 м3
Цена: 5093 руб.
Подробнее
ПТ 4 (3.006.1-2/82)
Плиты перекрытия лотков трехслойные ПТ Серия 3.006.1-2/82
  • Длина 2990 мм.
  • Ширина 1900 мм.
  • Высота 140 мм.
  • Вес 1220 кг.
  • Объем бетона 0,41 м3
  • Геометрический объем 0,7953 м3
Цена: 9943 руб.
Подробнее
ПТ 2д (3.006.1-2/82)
Плиты перекрытия лотков трехслойные ПТ Серия 3.006.1-2/82
  • Длина 740 мм.
  • Ширина 1300 мм.
  • Высота 140 мм.
  • Вес 230 кг.
  • Объем бетона 0,08 м3
  • Геометрический объем 0,1347 м3
Цена: 1940 руб.
Подробнее
ПТ 3 (3.006.1-2/82)
Плиты перекрытия лотков трехслойные ПТ Серия 3.006.1-2/82
  • Длина 2990 мм.
  • Ширина 1600 мм.
  • Высота 140 мм.
  • Вес 1040 кг.
  • Объем бетона 0,35 м3
  • Геометрический объем 0,6698 м3
Цена: 8488 руб.
Подробнее
ПТ 4д (3.006.1-2/82)
Плиты перекрытия лотков трехслойные ПТ Серия 3.006.1-2/82
  • Длина 740 мм.
  • Ширина 1900 мм.
  • Высота 140 мм.
  • Вес 340 кг.
  • Объем бетона 0,12 м3
  • Геометрический объем 0,1968 м3
Цена: 2910 руб.
Подробнее
ПТ 5д (3.006.1-2/82)
Плиты перекрытия лотков трехслойные ПТ Серия 3.006.1-2/82
  • Длина 740 мм.
  • Ширина 2500 мм.
  • Высота 140 мм.
  • Вес 440 кг.
  • Объем бетона 0,15 м3
  • Геометрический объем 0,259 м3
Цена: 3638 руб.
Подробнее
ПТ 5 (3.006.1-2/82)
Плиты перекрытия лотков трехслойные ПТ Серия 3.006.1-2/82
  • Длина 2990 мм.
  • Ширина 2500 мм.
  • Высота 140 мм.
  • Вес 1560 кг.
  • Объем бетона 0,52 м3
  • Геометрический объем 1,0465 м3
Цена: 12610 руб.
Подробнее

Уведомление о файлах cookie

Мы используем файлы cookie для улучшения вашего опыта просмотра и анализа трафика. Нажимая "Принять все", вы соглашаетесь с нашей политикой конфиденциальности и политикой обработки файлов cookie.

MAX Дзен Телеграм Вконтакте vk