mobile_sound +7 (930) 655-55-90

Типовые конструкции и железобетонные изделия. Рабочие чертежи (Серия 1.125 КЛ-3)

Поделиться:
Поделиться:

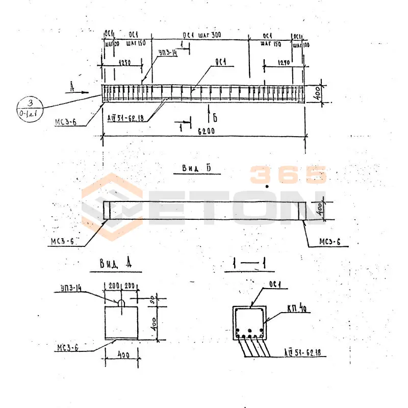
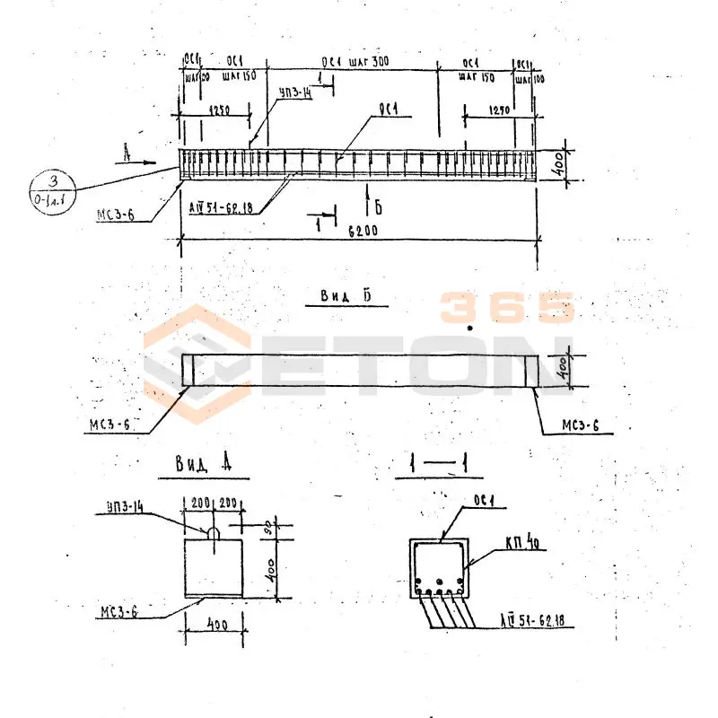
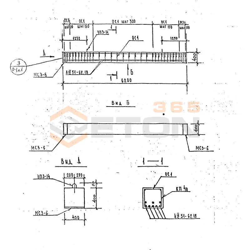
Документ Серия 1.125 КЛ-3 описывает область применения, номенклатуру и ключевые требования, опираясь на действующие нормы и практику проектирования. Разработанная институтом ЛЕННИИПРОЕКТ и введенная в 1982 году Серия 1.125 КЛ-3 входит в строительный каталог типовых конструкций, разработанных для возведения различных зданий в Ленинграде. Нормативный документ детально расписывает специфику производства, нормативные требования к материалам, правила контроля, транспортировки и хранения железобетонных балок вкладного перекрытия, которое используется в унифицированных сборных каркасах первых этажей жилых домов. Конструкции допускается возможность применять в любых климатических зонах, на территориях с нормальными геологическими условиями.

Файлы для скачивания:
picture_as_pdf

763.pdf

3,451.4 KB

скачать
picture_as_pdf

764.pdf

6,747.5 KB

скачать
picture_as_pdf

765.pdf

16,829.9 KB

скачать
picture_as_pdf

766.pdf

7,948.4 KB

скачать
picture_as_pdf

767.pdf

10,291.7 KB

скачать
picture_as_pdf

768.pdf

2,571.2 KB

скачать
Товары Серия 1.125 КЛ-3 (60)
Б 11-4-4-52 т
Балки Серия 1.125 КЛ-3
  • Длина 1100 мм.
  • Ширина 400 мм.
  • Высота 400 мм.
  • Вес 450 кг.
  • Объем бетона 0,18 м3
  • Геометрический объем 0,176 м3
Цена: 6984 руб.
Подробнее
Б 10-4-4-52 т
Балки Серия 1.125 КЛ-3
  • Длина 950 мм.
  • Ширина 400 мм.
  • Высота 400 мм.
  • Вес 380 кг.
  • Объем бетона 0,15 м3
  • Геометрический объем 0,152 м3
Цена: 5820 руб.
Подробнее
Б 14-4-4-52 т
Балки Серия 1.125 КЛ-3
  • Длина 1350 мм.
  • Ширина 400 мм.
  • Высота 400 мм.
  • Вес 550 кг.
  • Объем бетона 0,22 м3
  • Геометрический объем 0,216 м3
Цена: 8536 руб.
Подробнее
Б 13-4-4-52 т
Балки Серия 1.125 КЛ-3
  • Длина 1250 мм.
  • Ширина 400 мм.
  • Высота 400 мм.
  • Вес 500 кг.
  • Объем бетона 0,2 м3
  • Геометрический объем 0,2 м3
Цена: 7760 руб.
Подробнее
Б 16-4-4-52 т
Балки Серия 1.125 КЛ-3
  • Длина 1550 мм.
  • Ширина 400 мм.
  • Высота 400 мм.
  • Вес 610 кг.
  • Объем бетона 0,25 м3
  • Геометрический объем 0,248 м3
Цена: 9700 руб.
Подробнее
Б 17-4-4-52 т
Балки Серия 1.125 КЛ-3
  • Длина 1700 мм.
  • Ширина 400 мм.
  • Высота 400 мм.
  • Вес 680 кг.
  • Объем бетона 0,27 м3
  • Геометрический объем 0,272 м3
Цена: 10476 руб.
Подробнее
Б 25-4-4-40 т
Балки Серия 1.125 КЛ-3
  • Длина 2450 мм.
  • Ширина 400 мм.
  • Высота 400 мм.
  • Вес 580 кг.
  • Объем бетона 0,39 м3
  • Геометрический объем 0,392 м3
Цена: 15132 руб.
Подробнее
Б 19-4-4-52 т
Балки Серия 1.125 КЛ-3
  • Длина 1850 мм.
  • Ширина 400 мм.
  • Высота 400 мм.
  • Вес 750 кг.
  • Объем бетона 0,3 м3
  • Геометрический объем 0,296 м3
Цена: 11640 руб.
Подробнее
Б 25-4-4-72 т
Балки Серия 1.125 КЛ-3
  • Длина 2450 мм.
  • Ширина 400 мм.
  • Высота 400 мм.
  • Вес 580 кг.
  • Объем бетона 0,39 м3
  • Геометрический объем 0,392 м3
Цена: 15132 руб.
Подробнее
Б 25-4-4-52 т
Балки Серия 1.125 КЛ-3
  • Длина 2450 мм.
  • Ширина 400 мм.
  • Высота 400 мм.
  • Вес 580 кг.
  • Объем бетона 0,39 м3
  • Геометрический объем 0,392 м3
Цена: 15132 руб.
Подробнее
Б 31-4-4-52 т
Балки Серия 1.125 КЛ-3
  • Длина 3050 мм.
  • Ширина 400 мм.
  • Высота 400 мм.
  • Вес 1230 кг.
  • Объем бетона 0,49 м3
  • Геометрический объем 0,488 м3
Цена: 19012 руб.
Подробнее
Б 32-4-4-52 т
Балки Серия 1.125 КЛ-3
  • Длина 3200 мм.
  • Ширина 400 мм.
  • Высота 400 мм.
  • Вес 1280 кг.
  • Объем бетона 0,51 м3
  • Геометрический объем 0,512 м3
Цена: 19788 руб.
Подробнее
Б 35-4-4-52 т
Балки Серия 1.125 КЛ-3
  • Длина 3500 мм.
  • Ширина 400 мм.
  • Высота 400 мм.
  • Вес 1400 кг.
  • Объем бетона 0,56 м3
  • Геометрический объем 0,56 м3
Цена: 21728 руб.
Подробнее
Б 38-4-4-52 т
Балки Серия 1.125 КЛ-3
  • Длина 3800 мм.
  • Ширина 400 мм.
  • Высота 400 мм.
  • Вес 1530 кг.
  • Объем бетона 0,61 м3
  • Геометрический объем 0,608 м3
Цена: 23668 руб.
Подробнее
Б 41-4-4-52 т
Балки Серия 1.125 КЛ-3
  • Длина 4100 мм.
  • Ширина 400 мм.
  • Высота 400 мм.
  • Вес 1650 кг.
  • Объем бетона 0,66 м3
  • Геометрический объем 0,656 м3
Цена: 25608 руб.
Подробнее
Б 40-4-4-52 т
Балки Серия 1.125 КЛ-3
  • Длина 3950 мм.
  • Ширина 400 мм.
  • Высота 400 мм.
  • Вес 1580 кг.
  • Объем бетона 0,63 м3
  • Геометрический объем 0,632 м3
Цена: 24444 руб.
Подробнее
Б 36-4-4-52 т
Балки Серия 1.125 КЛ-3
  • Длина 3650 мм.
  • Ширина 400 мм.
  • Высота 400 мм.
  • Вес 1450 кг.
  • Объем бетона 0,58 м3
  • Геометрический объем 0,584 м3
Цена: 22504 руб.
Подробнее
Б 43-4-4-40 т
Балки Серия 1.125 КЛ-3
  • Длина 4250 мм.
  • Ширина 400 мм.
  • Высота 400 мм.
  • Вес 1700 кг.
  • Объем бетона 0,68 м3
  • Геометрический объем 0,68 м3
Цена: 26384 руб.
Подробнее
Б 43-4-4-52 т
Балки Серия 1.125 КЛ-3
  • Длина 4250 мм.
  • Ширина 400 мм.
  • Высота 400 мм.
  • Вес 1700 кг.
  • Объем бетона 0,68 м3
  • Геометрический объем 0,68 м3
Цена: 26384 руб.
Подробнее
Б 43-4-4-72 т
Балки Серия 1.125 КЛ-3
  • Длина 4250 мм.
  • Ширина 400 мм.
  • Высота 400 мм.
  • Вес 1700 кг.
  • Объем бетона 0,68 м3
  • Геометрический объем 0,68 м3
Цена: 26384 руб.
Подробнее
Б 44-4-4-40 т
Балки Серия 1.125 КЛ-3
  • Длина 4400 мм.
  • Ширина 400 мм.
  • Высота 400 мм.
  • Вес 1750 кг.
  • Объем бетона 0,7 м3
  • Геометрический объем 0,704 м3
Цена: 27160 руб.
Подробнее
Б 44-4-4-52 т
Балки Серия 1.125 КЛ-3
  • Длина 4400 мм.
  • Ширина 400 мм.
  • Высота 400 мм.
  • Вес 1750 кг.
  • Объем бетона 0,7 м3
  • Геометрический объем 0,704 м3
Цена: 27160 руб.
Подробнее
Б 44-4-4-72 т
Балки Серия 1.125 КЛ-3
  • Длина 4400 мм.
  • Ширина 400 мм.
  • Высота 400 мм.
  • Вес 1750 кг.
  • Объем бетона 0,7 м3
  • Геометрический объем 0,704 м3
Цена: 27160 руб.
Подробнее
Б 46-4-4-52 т
Балки Серия 1.125 КЛ-3
  • Длина 4550 мм.
  • Ширина 400 мм.
  • Высота 400 мм.
  • Вес 1830 кг.
  • Объем бетона 0,73 м3
  • Геометрический объем 0,728 м3
Цена: 28324 руб.
Подробнее
Б 47-4-4-52 т
Балки Серия 1.125 КЛ-3
  • Длина 4700 мм.
  • Ширина 400 мм.
  • Высота 400 мм.
  • Вес 1880 кг.
  • Объем бетона 0,75 м3
  • Геометрический объем 0,752 м3
Цена: 29100 руб.
Подробнее
Б 49-4-4-40 т
Балки Серия 1.125 КЛ-3
  • Длина 4850 мм.
  • Ширина 400 мм.
  • Высота 400 мм.
  • Вес 1950 кг.
  • Объем бетона 0,78 м3
  • Геометрический объем 0,776 м3
Цена: 30264 руб.
Подробнее
Б 49-4-4-52 т
Балки Серия 1.125 КЛ-3
  • Длина 4850 мм.
  • Ширина 400 мм.
  • Высота 400 мм.
  • Вес 1950 кг.
  • Объем бетона 0,78 м3
  • Геометрический объем 0,776 м3
Цена: 30264 руб.
Подробнее
Б 49-4-4-72 т
Балки Серия 1.125 КЛ-3
  • Длина 4850 мм.
  • Ширина 400 мм.
  • Высота 400 мм.
  • Вес 1950 кг.
  • Объем бетона 0,78 м3
  • Геометрический объем 0,776 м3
Цена: 30264 руб.
Подробнее
Б 50-4-4-40 т
Балки Серия 1.125 КЛ-3
  • Длина 5000 мм.
  • Ширина 400 мм.
  • Высота 400 мм.
  • Вес 2000 кг.
  • Объем бетона 0,8 м3
  • Геометрический объем 0,8 м3
Цена: 31040 руб.
Подробнее
Б 50-4-4-52 т
Балки Серия 1.125 КЛ-3
  • Длина 5000 мм.
  • Ширина 400 мм.
  • Высота 400 мм.
  • Вес 2000 кг.
  • Объем бетона 0,8 м3
  • Геометрический объем 0,8 м3
Цена: 31040 руб.
Подробнее
Б 52-4-4-52 АIVт
Балки Серия 1.125 КЛ-3
  • Длина 5150 мм.
  • Ширина 400 мм.
  • Высота 400 мм.
  • Вес 2050 кг.
  • Объем бетона 0,82 м3
  • Геометрический объем 0,824 м3
Цена: 31816 руб.
Подробнее
Б 50-4-4-72 т
Балки Серия 1.125 КЛ-3
  • Длина 5000 мм.
  • Ширина 400 мм.
  • Высота 400 мм.
  • Вес 2000 кг.
  • Объем бетона 0,8 м3
  • Геометрический объем 0,8 м3
Цена: 31040 руб.
Подробнее
Б 53-4-4-52 АIII
Балки Серия 1.125 КЛ-3
  • Длина 5300 мм.
  • Ширина 400 мм.
  • Высота 400 мм.
  • Вес 2130 кг.
  • Объем бетона 0,85 м3
  • Геометрический объем 0,848 м3
Цена: 32980 руб.
Подробнее
Б 52-4-4-52 АIII
Балки Серия 1.125 КЛ-3
  • Длина 5150 мм.
  • Ширина 400 мм.
  • Высота 400 мм.
  • Вес 2050 кг.
  • Объем бетона 0,82 м3
  • Геометрический объем 0,824 м3
Цена: 31816 руб.
Подробнее
Б 53-4-4-52 АIVт
Балки Серия 1.125 КЛ-3
  • Длина 5300 мм.
  • Ширина 400 мм.
  • Высота 400 мм.
  • Вес 2130 кг.
  • Объем бетона 0,85 м3
  • Геометрический объем 0,848 м3
Цена: 32980 руб.
Подробнее
Б 55-4-4-40 АIII
Балки Серия 1.125 КЛ-3
  • Длина 5450 мм.
  • Ширина 400 мм.
  • Высота 400 мм.
  • Вес 2180 кг.
  • Объем бетона 0,87 м3
  • Геометрический объем 0,872 м3
Цена: 33756 руб.
Подробнее
Б 55-4-4-40 АIVт
Балки Серия 1.125 КЛ-3
  • Длина 5450 мм.
  • Ширина 400 мм.
  • Высота 400 мм.
  • Вес 2180 кг.
  • Объем бетона 0,87 м3
  • Геометрический объем 0,872 м3
Цена: 33756 руб.
Подробнее
Б 55-4-4-52 АIII
Балки Серия 1.125 КЛ-3
  • Длина 5450 мм.
  • Ширина 400 мм.
  • Высота 400 мм.
  • Вес 2180 кг.
  • Объем бетона 0,87 м3
  • Геометрический объем 0,872 м3
Цена: 33756 руб.
Подробнее
Б 55-4-4-60 АIII
Балки Серия 1.125 КЛ-3
  • Длина 5450 мм.
  • Ширина 400 мм.
  • Высота 400 мм.
  • Вес 2180 кг.
  • Объем бетона 0,87 м3
  • Геометрический объем 0,872 м3
Цена: 33756 руб.
Подробнее
Б 55-4-4-52 АIVт
Балки Серия 1.125 КЛ-3
  • Длина 5450 мм.
  • Ширина 400 мм.
  • Высота 400 мм.
  • Вес 2180 кг.
  • Объем бетона 0,87 м3
  • Геометрический объем 0,872 м3
Цена: 33756 руб.
Подробнее
Б 55-4-4-72 АIVт
Балки Серия 1.125 КЛ-3
  • Длина 5450 мм.
  • Ширина 400 мм.
  • Высота 400 мм.
  • Вес 2180 кг.
  • Объем бетона 0,87 м3
  • Геометрический объем 0,872 м3
Цена: 33756 руб.
Подробнее
Б 56-4-4-40 АIII
Балки Серия 1.125 КЛ-3
  • Длина 5600 мм.
  • Ширина 400 мм.
  • Высота 400 мм.
  • Вес 2250 кг.
  • Объем бетона 0,9 м3
  • Геометрический объем 0,896 м3
Цена: 34920 руб.
Подробнее
Б 56-4-4-40 АIVт
Балки Серия 1.125 КЛ-3
  • Длина 5600 мм.
  • Ширина 400 мм.
  • Высота 400 мм.
  • Вес 2250 кг.
  • Объем бетона 0,9 м3
  • Геометрический объем 0,896 м3
Цена: 34920 руб.
Подробнее
Б 56-4-4-52 АIII
Балки Серия 1.125 КЛ-3
  • Длина 5600 мм.
  • Ширина 400 мм.
  • Высота 400 мм.
  • Вес 2250 кг.
  • Объем бетона 0,9 м3
  • Геометрический объем 0,896 м3
Цена: 34920 руб.
Подробнее
Б 56-4-4-60 АIII
Балки Серия 1.125 КЛ-3
  • Длина 5600 мм.
  • Ширина 400 мм.
  • Высота 400 мм.
  • Вес 2250 кг.
  • Объем бетона 0,9 м3
  • Геометрический объем 0,896 м3
Цена: 34920 руб.
Подробнее
Б 56-4-4-72 АIVт
Балки Серия 1.125 КЛ-3
  • Длина 5600 мм.
  • Ширина 400 мм.
  • Высота 400 мм.
  • Вес 2250 кг.
  • Объем бетона 0,9 м3
  • Геометрический объем 0,896 м3
Цена: 34920 руб.
Подробнее
Б 56-4-4-52 АIVт
Балки Серия 1.125 КЛ-3
  • Длина 5600 мм.
  • Ширина 400 мм.
  • Высота 400 мм.
  • Вес 2250 кг.
  • Объем бетона 0,9 м3
  • Геометрический объем 0,896 м3
Цена: 34920 руб.
Подробнее
Б 58-4-4-52 АII
Балки Серия 1.125 КЛ-3
  • Длина 5750 мм.
  • Ширина 400 мм.
  • Высота 400 мм.
  • Вес 2300 кг.
  • Объем бетона 0,92 м3
  • Геометрический объем 0,92 м3
Цена: 35696 руб.
Подробнее
Б 58-4-4-52 АIVт
Балки Серия 1.125 КЛ-3
  • Длина 5750 мм.
  • Ширина 400 мм.
  • Высота 400 мм.
  • Вес 2300 кг.
  • Объем бетона 0,92 м3
  • Геометрический объем 0,92 м3
Цена: 35696 руб.
Подробнее
Б 59-4-4-52 АII
Балки Серия 1.125 КЛ-3
  • Длина 5900 мм.
  • Ширина 400 мм.
  • Высота 400 мм.
  • Вес 2350 кг.
  • Объем бетона 0,94 м3
  • Геометрический объем 0,944 м3
Цена: 36472 руб.
Подробнее
Б 61-4-4-40 АII
Балки Серия 1.125 КЛ-3
  • Длина 6050 мм.
  • Ширина 400 мм.
  • Высота 400 мм.
  • Вес 2430 кг.
  • Объем бетона 0,97 м3
  • Геометрический объем 0,968 м3
Цена: 37636 руб.
Подробнее
Б 59-4-4-52 АIVт
Балки Серия 1.125 КЛ-3
  • Длина 5900 мм.
  • Ширина 400 мм.
  • Высота 400 мм.
  • Вес 2350 кг.
  • Объем бетона 0,94 м3
  • Геометрический объем 0,944 м3
Цена: 36472 руб.
Подробнее
Б 61-4-4-40 АIVт
Балки Серия 1.125 КЛ-3
  • Длина 6050 мм.
  • Ширина 400 мм.
  • Высота 400 мм.
  • Вес 2430 кг.
  • Объем бетона 0,97 м3
  • Геометрический объем 0,968 м3
Цена: 37636 руб.
Подробнее
Б 61-4-4-52 АIVт
Балки Серия 1.125 КЛ-3
  • Длина 6050 мм.
  • Ширина 400 мм.
  • Высота 400 мм.
  • Вес 2430 кг.
  • Объем бетона 0,97 м3
  • Геометрический объем 0,968 м3
Цена: 37636 руб.
Подробнее
Б 61-4-4-60 АII
Балки Серия 1.125 КЛ-3
  • Длина 6050 мм.
  • Ширина 400 мм.
  • Высота 400 мм.
  • Вес 2430 кг.
  • Объем бетона 0,97 м3
  • Геометрический объем 0,968 м3
Цена: 37636 руб.
Подробнее
Б 61-4-4-52 АII
Балки Серия 1.125 КЛ-3
  • Длина 6050 мм.
  • Ширина 400 мм.
  • Высота 400 мм.
  • Вес 2430 кг.
  • Объем бетона 0,97 м3
  • Геометрический объем 0,968 м3
Цена: 37636 руб.
Подробнее
Б 61-4-4-68 АIVт
Балки Серия 1.125 КЛ-3
  • Длина 6050 мм.
  • Ширина 400 мм.
  • Высота 400 мм.
  • Вес 2430 кг.
  • Объем бетона 0,97 м3
  • Геометрический объем 0,968 м3
Цена: 37636 руб.
Подробнее
Б 62-4-4-40 АII
Балки Серия 1.125 КЛ-3
  • Длина 6200 мм.
  • Ширина 400 мм.
  • Высота 400 мм.
  • Вес 2480 кг.
  • Объем бетона 0,99 м3
  • Геометрический объем 0,992 м3
Цена: 38412 руб.
Подробнее
Б 62-4-4-40 АIVт
Балки Серия 1.125 КЛ-3
  • Длина 6200 мм.
  • Ширина 400 мм.
  • Высота 400 мм.
  • Вес 2480 кг.
  • Объем бетона 0,99 м3
  • Геометрический объем 0,992 м3
Цена: 38412 руб.
Подробнее
Б 62-4-4-52 АII
Балки Серия 1.125 КЛ-3
  • Длина 6200 мм.
  • Ширина 400 мм.
  • Высота 400 мм.
  • Вес 2480 кг.
  • Объем бетона 0,99 м3
  • Геометрический объем 0,992 м3
Цена: 38412 руб.
Подробнее

Уведомление о файлах cookie

Мы используем файлы cookie для улучшения вашего опыта просмотра и анализа трафика. Нажимая "Принять все", вы соглашаетесь с нашей политикой конфиденциальности и политикой обработки файлов cookie.

MAX Дзен Телеграм Вконтакте vk