mobile_sound +7 (930) 655-55-90

Типовые конструкции и железобетонные изделия. Рабочие чертежи (Серия 1.125 КЛ-3)

Поделиться:
Поделиться:

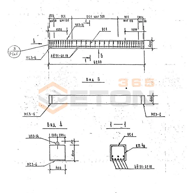
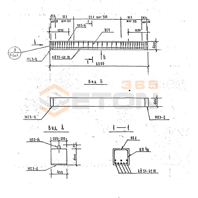
Документ Серия 1.125 КЛ-3 описывает область применения, номенклатуру и ключевые требования, опираясь на действующие нормы и практику проектирования. Разработанная институтом ЛЕННИИПРОЕКТ и введенная в 1982 году Серия 1.125 КЛ-3 входит в строительный каталог типовых конструкций, разработанных для возведения различных зданий в Ленинграде. Нормативный документ детально расписывает специфику производства, нормативные требования к материалам, правила контроля, транспортировки и хранения железобетонных балок вкладного перекрытия, которое используется в унифицированных сборных каркасах первых этажей жилых домов. Конструкции допускается возможность применять в любых климатических зонах, на территориях с нормальными геологическими условиями.

Файлы для скачивания:
picture_as_pdf

763.pdf

3,451.4 KB

скачать
picture_as_pdf

764.pdf

6,747.5 KB

скачать
picture_as_pdf

765.pdf

16,829.9 KB

скачать
picture_as_pdf

766.pdf

7,948.4 KB

скачать
picture_as_pdf

767.pdf

10,291.7 KB

скачать
picture_as_pdf

768.pdf

2,571.2 KB

скачать
Товары Серия 1.125 КЛ-3 (4)
Б 62-4-4-60 АII
Балки Серия 1.125 КЛ-3
  • Длина 6200 мм.
  • Ширина 400 мм.
  • Высота 400 мм.
  • Вес 2480 кг.
  • Объем бетона 0,99 м3
  • Геометрический объем 0,992 м3
Цена: 38412 руб.
Подробнее
Б 62-4-4-52 АIVт
Балки Серия 1.125 КЛ-3
  • Длина 6200 мм.
  • Ширина 400 мм.
  • Высота 400 мм.
  • Вес 2480 кг.
  • Объем бетона 0,99 м3
  • Геометрический объем 0,992 м3
Цена: 38412 руб.
Подробнее
Б 62-4-4-68 АIVт
Балки Серия 1.125 КЛ-3
  • Длина 6200 мм.
  • Ширина 400 мм.
  • Высота 400 мм.
  • Вес 2480 кг.
  • Объем бетона 0,99 м3
  • Геометрический объем 0,992 м3
Цена: 38412 руб.
Подробнее
Б 8-4-4-52 т
Балки Серия 1.125 КЛ-3
  • Длина 750 мм.
  • Ширина 400 мм.
  • Высота 400 мм.
  • Вес 300 кг.
  • Объем бетона 0,12 м3
  • Геометрический объем 0,12 м3
Цена: 4656 руб.
Подробнее

Уведомление о файлах cookie

Мы используем файлы cookie для улучшения вашего опыта просмотра и анализа трафика. Нажимая "Принять все", вы соглашаетесь с нашей политикой конфиденциальности и политикой обработки файлов cookie.

MAX Дзен Телеграм Вконтакте vk