mobile_sound +7 (930) 655-55-90

Типовые конструкции и железобетонные изделия. Рабочие чертежи (Серия 1.041.1-3)

Поделиться:
Поделиться:

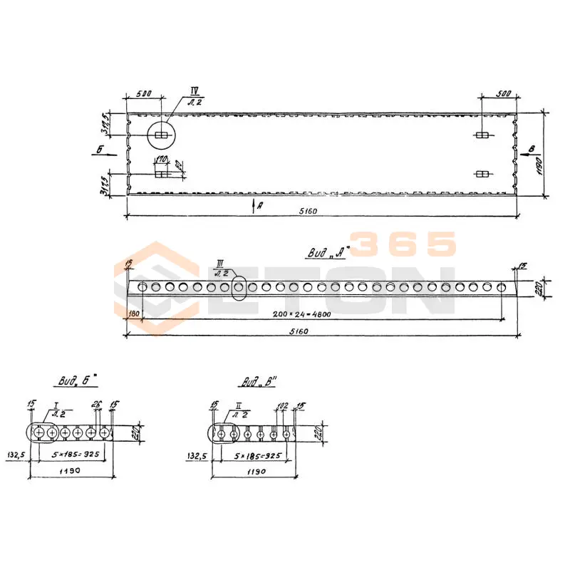
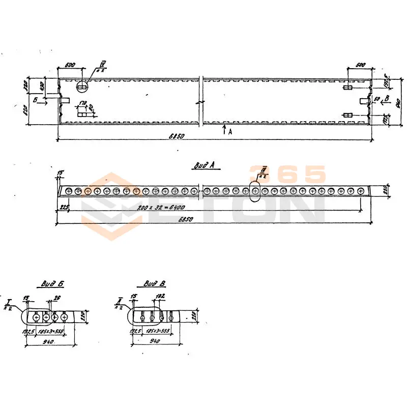
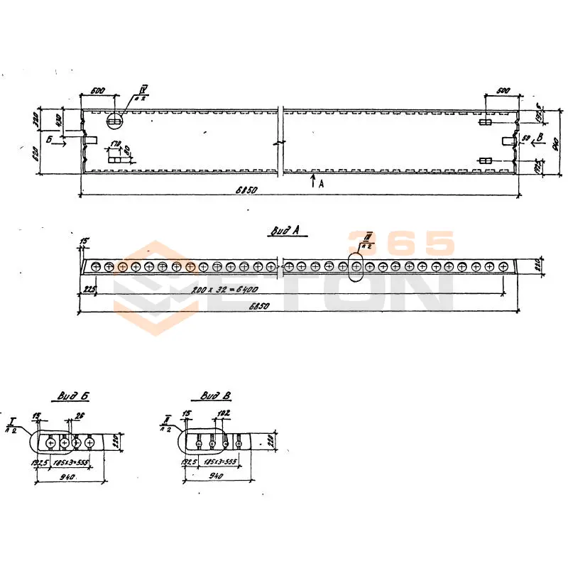
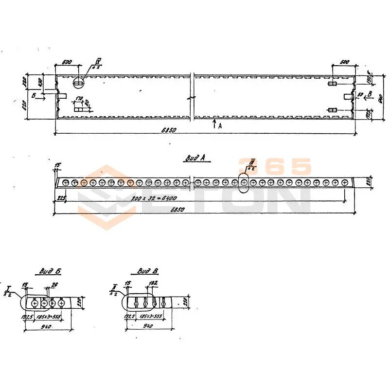
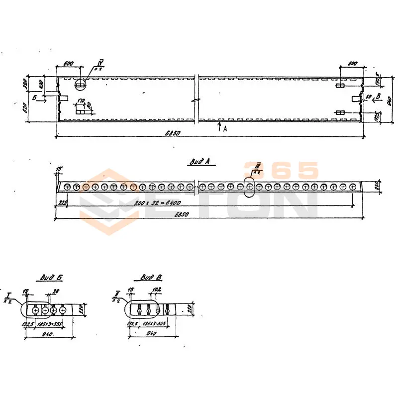
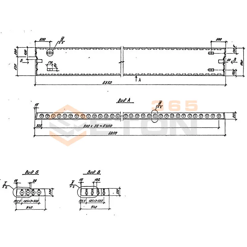
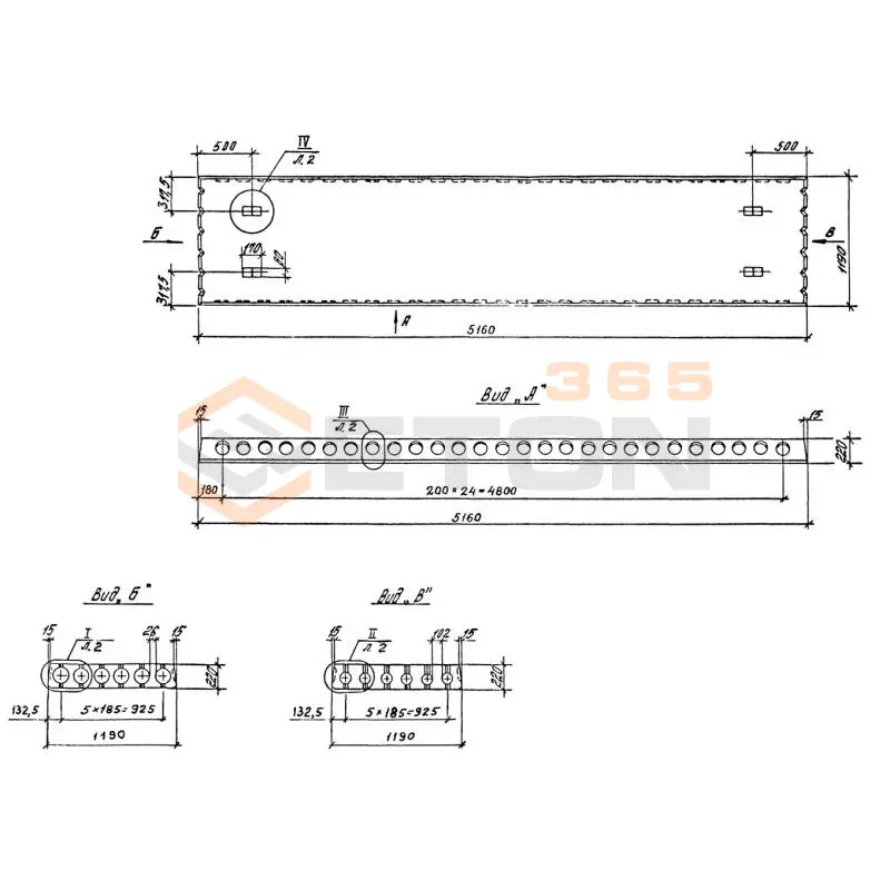
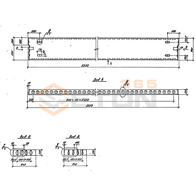
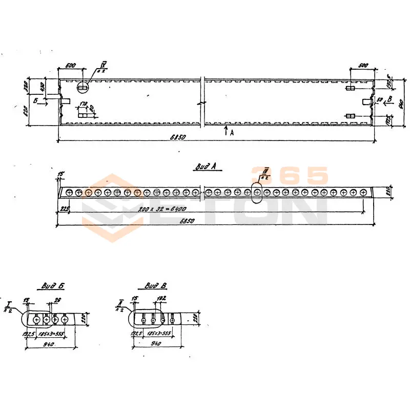
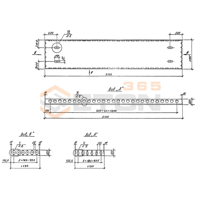
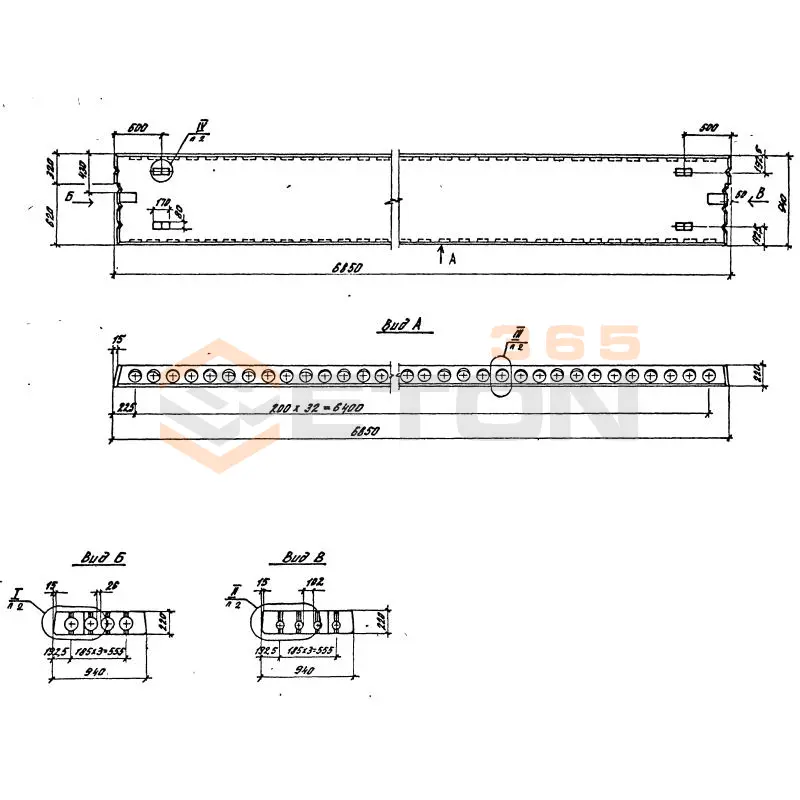
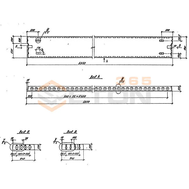
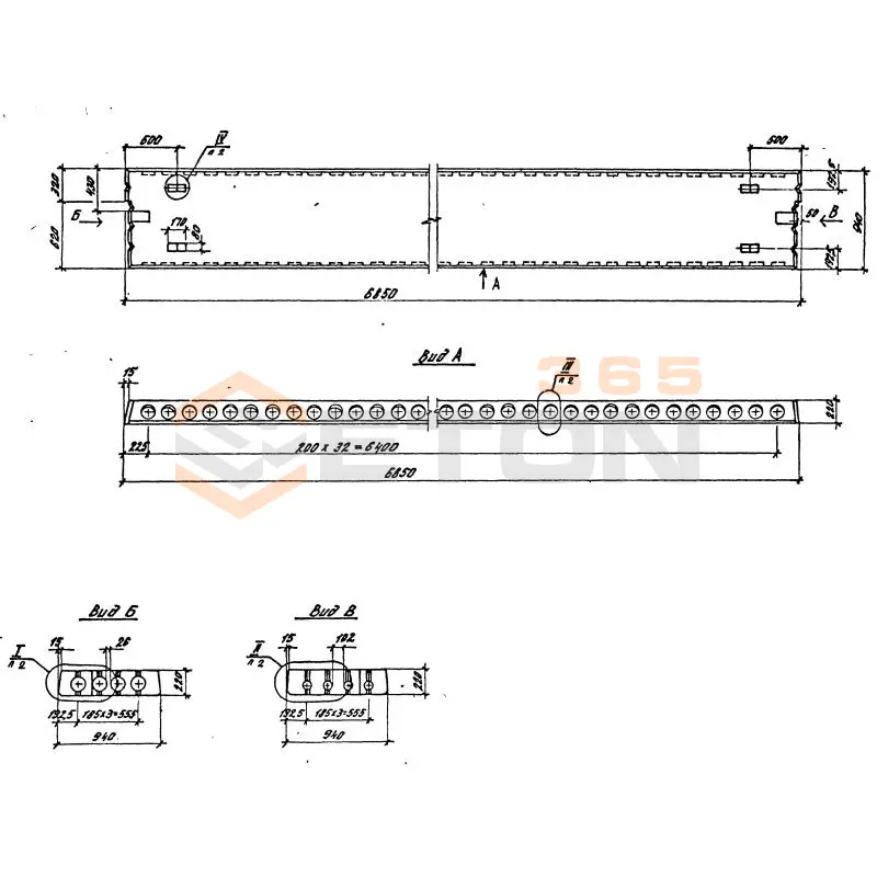
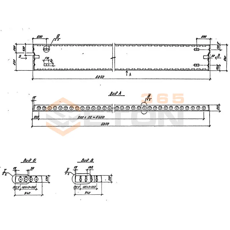
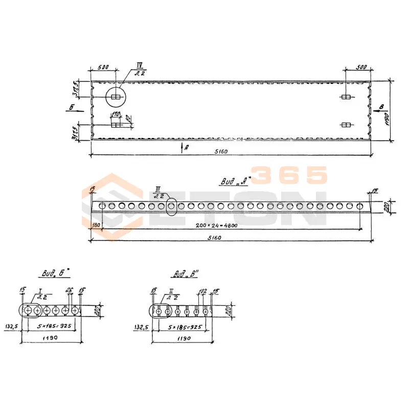
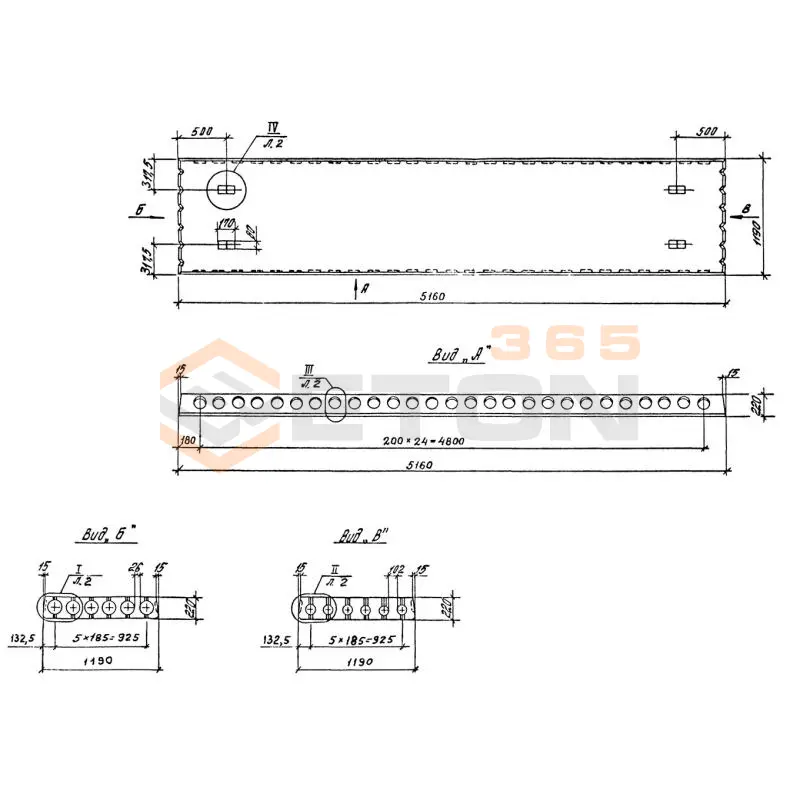
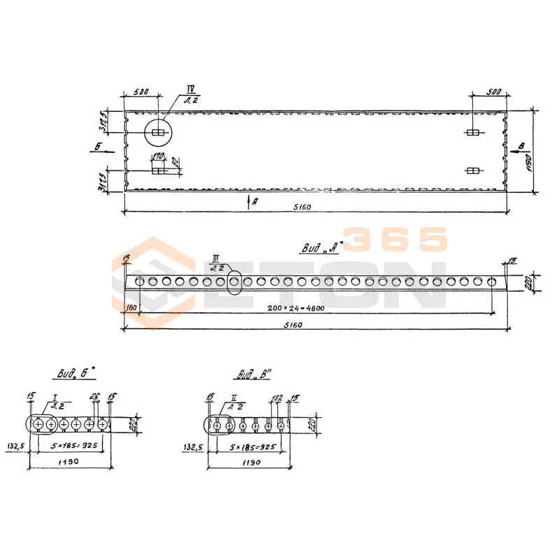
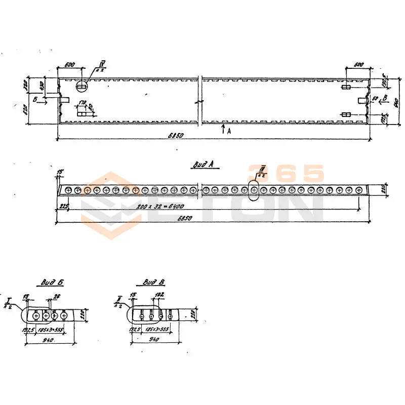
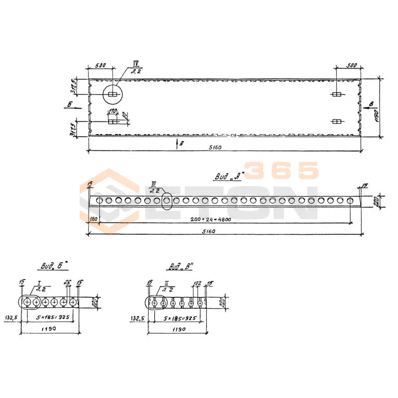
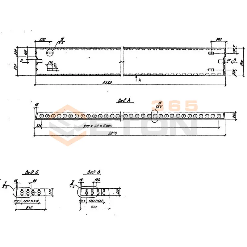
Документ Серия 1.041.1-3 описывает область применения, номенклатуру и ключевые требования, опираясь на действующие нормы и практику проектирования. Нормативный документ Серия 1.041.1-3 был введён в действие в 1989 году и разрабатывался несколькими проектными организациями, такими как ЦНИИПРОМЗДАНИЙ и НИИЖБ ГОССТРОЯ СССР. В состав регламента включено множество выпусков, содержащих подробную информацию о производстве, правилах приемки, контроля, транспортировки и хранения сборных железобетонных многопустотных плит. Эти конструкции применяются в сфере гражданского строительства в качестве межэтажных перекрытий при возведении жилых, общественных и культурно-бытовых зданий.

Файлы для скачивания:
picture_as_pdf

705.pdf

7,525.2 KB

скачать
picture_as_pdf

704.pdf

11,073.6 KB

скачать
picture_as_pdf

706.pdf

13,407.8 KB

скачать
picture_as_pdf

715.pdf

7,863.9 KB

скачать
picture_as_pdf

716.pdf

9,912.1 KB

скачать
picture_as_pdf

717.pdf

8,084.8 KB

скачать
picture_as_pdf

718.pdf

4,828.9 KB

скачать
picture_as_pdf

719.pdf

2,556.6 KB

скачать
picture_as_pdf

707.pdf

7,692.6 KB

скачать
picture_as_pdf

708.pdf

6,602.3 KB

скачать
picture_as_pdf

709.pdf

3,282.1 KB

скачать
picture_as_pdf

710.pdf

6,918.6 KB

скачать
picture_as_pdf

711.pdf

9,358.8 KB

скачать
picture_as_pdf

712.pdf

7,223.5 KB

скачать
picture_as_pdf

713.pdf

9,641.5 KB

скачать
picture_as_pdf

714.pdf

9,716.1 KB

скачать
Товары Серия 1.041.1-3 (60)
ПК 27-9-12 АIII
Плиты перекрытия многопустотные ПК шириной 1,0 метр Серия 1.141.1-3
  • Длина 2650 мм.
  • Ширина 940 мм.
  • Высота 220 мм.
  • Вес 800 кг.
  • Объем бетона 0,31 м3
  • Геометрический объем 0,548 м3
Цена: 5413 руб.
Подробнее
ПК 27-9-6 АIII
Плиты перекрытия многопустотные ПК шириной 1,0 метр Серия 1.141.1-3
  • Длина 2650 мм.
  • Ширина 940 мм.
  • Высота 220 мм.
  • Вес 800 кг.
  • Объем бетона 0,31 м3
  • Геометрический объем 0,548 м3
Цена: 5413 руб.
Подробнее
ПК 27-9-12 АIIIл
Плиты перекрытия многопустотные ПК шириной 1,0 метр Серия 1.141.1-3
  • Длина 2650 мм.
  • Ширина 940 мм.
  • Высота 220 мм.
  • Вес 600 кг.
  • Объем бетона 0,31 м3
  • Геометрический объем 0,548 м3
Цена: 5413 руб.
Подробнее
ПК 56-9-10 АтVл
Плиты перекрытия многопустотные ПК шириной 1,0 метр Серия 1.141.1-3
  • Длина 5650 мм.
  • Ширина 940 мм.
  • Высота 220 мм.
  • Вес 1400 кг.
  • Объем бетона 0,68 м3
  • Геометрический объем 1,1684 м3
Цена: 11873 руб.
Подробнее
ПК 27-9-6 АIIIл
Плиты перекрытия многопустотные ПК шириной 1,0 метр Серия 1.141.1-3
  • Длина 2650 мм.
  • Ширина 940 мм.
  • Высота 220 мм.
  • Вес 600 кг.
  • Объем бетона 0,31 м3
  • Геометрический объем 0,548 м3
Цена: 5413 руб.
Подробнее
ПК 56-9-10 АтIVс
Плиты перекрытия многопустотные ПК шириной 1,0 метр Серия 1.141.1-3
  • Длина 5650 мм.
  • Ширина 940 мм.
  • Высота 220 мм.
  • Вес 1700 кг.
  • Объем бетона 0,68 м3
  • Геометрический объем 1,1684 м3
Цена: 11873 руб.
Подробнее
ПК 56-9-10 АтIVсл
Плиты перекрытия многопустотные ПК шириной 1,0 метр Серия 1.141.1-3
  • Длина 5650 мм.
  • Ширина 940 мм.
  • Высота 220 мм.
  • Вес 1400 кг.
  • Объем бетона 0,68 м3
  • Геометрический объем 1,1684 м3
Цена: 11873 руб.
Подробнее
ПК 56-9-14 АтV
Плиты перекрытия многопустотные ПК шириной 1,0 метр Серия 1.141.1-3
  • Длина 5650 мм.
  • Ширина 940 мм.
  • Высота 220 мм.
  • Вес 1700 кг.
  • Объем бетона 0,68 м3
  • Геометрический объем 1,1684 м3
Цена: 11873 руб.
Подробнее
ПК 56-9-15 АтIVс
Плиты перекрытия многопустотные ПК шириной 1,0 метр Серия 1.141.1-3
  • Длина 5650 мм.
  • Ширина 940 мм.
  • Высота 220 мм.
  • Вес 1700 кг.
  • Объем бетона 0,68 м3
  • Геометрический объем 1,1684 м3
Цена: 11873 руб.
Подробнее
ПК 56-9-6 АтIVсл
Плиты перекрытия многопустотные ПК шириной 1,0 метр Серия 1.141.1-3
  • Длина 5650 мм.
  • Ширина 940 мм.
  • Высота 220 мм.
  • Вес 1400 кг.
  • Объем бетона 0,68 м3
  • Геометрический объем 1,1684 м3
Цена: 11873 руб.
Подробнее
ПК 56-9-15 АтIVсл
Плиты перекрытия многопустотные ПК шириной 1,0 метр Серия 1.141.1-3
  • Длина 5650 мм.
  • Ширина 940 мм.
  • Высота 220 мм.
  • Вес 1400 кг.
  • Объем бетона 0,68 м3
  • Геометрический объем 1,1684 м3
Цена: 11873 руб.
Подробнее
ПК 56-9-6 АтIVс
Плиты перекрытия многопустотные ПК шириной 1,0 метр Серия 1.141.1-3
  • Длина 5650 мм.
  • Ширина 940 мм.
  • Высота 220 мм.
  • Вес 1700 кг.
  • Объем бетона 0,68 м3
  • Геометрический объем 1,1684 м3
Цена: 11873 руб.
Подробнее
ПК 56-9-6 АтV
Плиты перекрытия многопустотные ПК шириной 1,0 метр Серия 1.141.1-3
  • Длина 5650 мм.
  • Ширина 940 мм.
  • Высота 220 мм.
  • Вес 1700 кг.
  • Объем бетона 0,68 м3
  • Геометрический объем 1,1684 м3
Цена: 11873 руб.
Подробнее
ПК 56-9-15 АтVл
Плиты перекрытия многопустотные ПК шириной 1,0 метр Серия 1.141.1-3
  • Длина 5650 мм.
  • Ширина 940 мм.
  • Высота 220 мм.
  • Вес 1400 кг.
  • Объем бетона 0,68 м3
  • Геометрический объем 1,1684 м3
Цена: 11873 руб.
Подробнее
ПК 56-9-9 АтV
Плиты перекрытия многопустотные ПК шириной 1,0 метр Серия 1.141.1-3
  • Длина 5650 мм.
  • Ширина 940 мм.
  • Высота 220 мм.
  • Вес 1700 кг.
  • Объем бетона 0,68 м3
  • Геометрический объем 1,1684 м3
Цена: 11873 руб.
Подробнее
ПК 56-9-6 АтVл
Плиты перекрытия многопустотные ПК шириной 1,0 метр Серия 1.141.1-3
  • Длина 5650 мм.
  • Ширина 940 мм.
  • Высота 220 мм.
  • Вес 1400 кг.
  • Объем бетона 0,68 м3
  • Геометрический объем 1,1684 м3
Цена: 11873 руб.
Подробнее
ПК 68-9-12 АтVл
Плиты перекрытия многопустотные ПК шириной 1,0 метр Серия 1.141.1-3
  • Длина 6850 мм.
  • Ширина 940 мм.
  • Высота 220 мм.
  • Вес 1700 кг.
  • Объем бетона 0,94 м3
  • Геометрический объем 1,4166 м3
Цена: 16412 руб.
Подробнее
ПК 68-9-11 ВрII-1
Плиты перекрытия многопустотные ПК шириной 1,0 метр Серия 1.141.1-3
  • Длина 6850 мм.
  • Ширина 940 мм.
  • Высота 220 мм.
  • Вес 2100 кг.
  • Объем бетона 0,84 м3
  • Геометрический объем 1,4166 м3
Цена: 14666 руб.
Подробнее
ПК 68-9-12 к7-1
Плиты перекрытия многопустотные ПК шириной 1,0 метр Серия 1.141.1-3
  • Длина 6850 мм.
  • Ширина 940 мм.
  • Высота 220 мм.
  • Вес 2100 кг.
  • Объем бетона 0,84 м3
  • Геометрический объем 1,4166 м3
Цена: 14666 руб.
Подробнее
ПК 68-9-11 ВрIIл-1
Плиты перекрытия многопустотные ПК шириной 1,0 метр Серия 1.141.1-3
  • Длина 6850 мм.
  • Ширина 940 мм.
  • Высота 220 мм.
  • Вес 1700 кг.
  • Объем бетона 0,84 м3
  • Геометрический объем 1,4166 м3
Цена: 14666 руб.
Подробнее
ПК 68-9-12 к7л-1
Плиты перекрытия многопустотные ПК шириной 1,0 метр Серия 1.141.1-3
  • Длина 6850 мм.
  • Ширина 940 мм.
  • Высота 220 мм.
  • Вес 1700 кг.
  • Объем бетона 0,84 м3
  • Геометрический объем 1,4166 м3
Цена: 14666 руб.
Подробнее
ПК 68-9-13 АтIVсл
Плиты перекрытия многопустотные ПК шириной 1,0 метр Серия 1.141.1-3
  • Длина 6850 мм.
  • Ширина 940 мм.
  • Высота 220 мм.
  • Вес 1700 кг.
  • Объем бетона 0,94 м3
  • Геометрический объем 1,4166 м3
Цена: 16412 руб.
Подробнее
ПК 68-9-6 АтIVсл
Плиты перекрытия многопустотные ПК шириной 1,0 метр Серия 1.141.1-3
  • Длина 6850 мм.
  • Ширина 940 мм.
  • Высота 220 мм.
  • Вес 1700 кг.
  • Объем бетона 0,94 м3
  • Геометрический объем 1,4166 м3
Цена: 16412 руб.
Подробнее
ПК 68-9-13 АтIVс
Плиты перекрытия многопустотные ПК шириной 1,0 метр Серия 1.141.1-3
  • Длина 6850 мм.
  • Ширина 940 мм.
  • Высота 220 мм.
  • Вес 2100 кг.
  • Объем бетона 0,84 м3
  • Геометрический объем 1,4166 м3
Цена: 14666 руб.
Подробнее
ПК 68-9-13 АтV
Плиты перекрытия многопустотные ПК шириной 1,0 метр Серия 1.141.1-3
  • Длина 6850 мм.
  • Ширина 940 мм.
  • Высота 220 мм.
  • Вес 2100 кг.
  • Объем бетона 0,84 м3
  • Геометрический объем 1,4166 м3
Цена: 14666 руб.
Подробнее
ПК 68-9-5 АтIVс
Плиты перекрытия многопустотные ПК шириной 1,0 метр Серия 1.141.1-3
  • Длина 6850 мм.
  • Ширина 940 мм.
  • Высота 220 мм.
  • Вес 2100 кг.
  • Объем бетона 0,84 м3
  • Геометрический объем 1,4166 м3
Цена: 14666 руб.
Подробнее
ПК 68-9-6 АтV
Плиты перекрытия многопустотные ПК шириной 1,0 метр Серия 1.141.1-3
  • Длина 6850 мм.
  • Ширина 940 мм.
  • Высота 220 мм.
  • Вес 2100 кг.
  • Объем бетона 0,84 м3
  • Геометрический объем 1,4166 м3
Цена: 14666 руб.
Подробнее
ПК 68-9-6 АтVл
Плиты перекрытия многопустотные ПК шириной 1,0 метр Серия 1.141.1-3
  • Длина 6850 мм.
  • Ширина 940 мм.
  • Высота 220 мм.
  • Вес 1700 кг.
  • Объем бетона 0,94 м3
  • Геометрический объем 1,4166 м3
Цена: 16412 руб.
Подробнее
ПК 68-9-6 ВрII-1
Плиты перекрытия многопустотные ПК шириной 1,0 метр Серия 1.141.1-3
  • Длина 6850 мм.
  • Ширина 940 мм.
  • Высота 220 мм.
  • Вес 2100 кг.
  • Объем бетона 0,84 м3
  • Геометрический объем 1,4166 м3
Цена: 14666 руб.
Подробнее
ПК 86-9-10 к7-1
Плиты перекрытия многопустотные ПК шириной 1,0 метр Серия 1.141.1-3
  • Длина 8650 мм.
  • Ширина 940 мм.
  • Высота 220 мм.
  • Вес 2700 кг.
  • Объем бетона 1,08 м3
  • Геометрический объем 1,7888 м3
Цена: 18857 руб.
Подробнее
ПК 68-9-7 ВрIIл-1
Плиты перекрытия многопустотные ПК шириной 1,0 метр Серия 1.141.1-3
  • Длина 6850 мм.
  • Ширина 940 мм.
  • Высота 220 мм.
  • Вес 1700 кг.
  • Объем бетона 0,84 м3
  • Геометрический объем 1,4166 м3
Цена: 14666 руб.
Подробнее
ПК 86-9-4 АтV
Плиты перекрытия многопустотные ПК шириной 1,0 метр Серия 1.141.1-3
  • Длина 8650 мм.
  • Ширина 940 мм.
  • Высота 220 мм.
  • Вес 2700 кг.
  • Объем бетона 1,08 м3
  • Геометрический объем 1,7888 м3
Цена: 18857 руб.
Подробнее
ПК 86-9-4 ВрII-1
Плиты перекрытия многопустотные ПК шириной 1,0 метр Серия 1.141.1-3
  • Длина 8650 мм.
  • Ширина 940 мм.
  • Высота 220 мм.
  • Вес 2700 кг.
  • Объем бетона 1,08 м3
  • Геометрический объем 1,7888 м3
Цена: 18857 руб.
Подробнее
ПК 86-9-5 АтIVс
Плиты перекрытия многопустотные ПК шириной 1,0 метр Серия 1.141.1-3
  • Длина 8650 мм.
  • Ширина 940 мм.
  • Высота 220 мм.
  • Вес 2700 кг.
  • Объем бетона 1,08 м3
  • Геометрический объем 1,7888 м3
Цена: 18857 руб.
Подробнее
ПК 86-9-6 ВрII-1
Плиты перекрытия многопустотные ПК шириной 1,0 метр Серия 1.141.1-3
  • Длина 8650 мм.
  • Ширина 940 мм.
  • Высота 220 мм.
  • Вес 2700 кг.
  • Объем бетона 1,08 м3
  • Геометрический объем 1,7888 м3
Цена: 18857 руб.
Подробнее
ПК 86-9-6 к7-1
Плиты перекрытия многопустотные ПК шириной 1,0 метр Серия 1.141.1-3
  • Длина 8650 мм.
  • Ширина 940 мм.
  • Высота 220 мм.
  • Вес 2700 кг.
  • Объем бетона 1,08 м3
  • Геометрический объем 1,7888 м3
Цена: 18857 руб.
Подробнее
ПК 86-9-8 АтIVс
Плиты перекрытия многопустотные ПК шириной 1,0 метр Серия 1.141.1-3
  • Длина 8650 мм.
  • Ширина 940 мм.
  • Высота 220 мм.
  • Вес 2700 кг.
  • Объем бетона 1,08 м3
  • Геометрический объем 1,7888 м3
Цена: 18857 руб.
Подробнее
ПК 86-9-8 к7-1
Плиты перекрытия многопустотные ПК шириной 1,0 метр Серия 1.141.1-3
  • Длина 8650 мм.
  • Ширина 940 мм.
  • Высота 220 мм.
  • Вес 2700 кг.
  • Объем бетона 1,08 м3
  • Геометрический объем 1,7888 м3
Цена: 18857 руб.
Подробнее
ПК 86-9-8 АтV
Плиты перекрытия многопустотные ПК шириной 1,0 метр Серия 1.141.1-3
  • Длина 8650 мм.
  • Ширина 940 мм.
  • Высота 220 мм.
  • Вес 2700 кг.
  • Объем бетона 1,08 м3
  • Геометрический объем 1,7888 м3
Цена: 18857 руб.
Подробнее
ПК 27-12-12 АIII-1
Плиты перекрытия многопустотные ПК шириной 1,2 метра Серия 1.041.1-3
  • Длина 2650 мм.
  • Ширина 1190 мм.
  • Высота 220 мм.
  • Вес 900 кг.
  • Объем бетона 0,37 м3
  • Геометрический объем 0,6938 м3
Цена: 6460 руб.
Подробнее
ПК 27-12-12 АIII
Плиты перекрытия многопустотные ПК шириной 1,2 метра Серия 1.041.1-3
  • Длина 2650 мм.
  • Ширина 1190 мм.
  • Высота 220 мм.
  • Вес 900 кг.
  • Объем бетона 0,37 м3
  • Геометрический объем 0,6938 м3
Цена: 6460 руб.
Подробнее
ПК 27-12-12 АIII-1 л
Плиты перекрытия многопустотные ПК шириной 1,2 метра Серия 1.041.1-3
  • Длина 2650 мм.
  • Ширина 1190 мм.
  • Высота 220 мм.
  • Вес 700 кг.
  • Объем бетона 0,37 м3
  • Геометрический объем 0,6938 м3
Цена: 6460 руб.
Подробнее
ПК 27-12-5 АIII
Плиты перекрытия многопустотные ПК шириной 1,2 метра Серия 1.041.1-3
  • Длина 2650 мм.
  • Ширина 1190 мм.
  • Высота 220 мм.
  • Вес 900 кг.
  • Объем бетона 0,37 м3
  • Геометрический объем 0,6938 м3
Цена: 6460 руб.
Подробнее
ПК 27-12-12 АIIIл
Плиты перекрытия многопустотные ПК шириной 1,2 метра Серия 1.041.1-3
  • Длина 2650 мм.
  • Ширина 1190 мм.
  • Высота 220 мм.
  • Вес 700 кг.
  • Объем бетона 0,37 м3
  • Геометрический объем 0,6938 м3
Цена: 6460 руб.
Подробнее
ПК 27-12-6 АIII
Плиты перекрытия многопустотные ПК шириной 1,2 метра Серия 1.041.1-3
  • Длина 2650 мм.
  • Ширина 1190 мм.
  • Высота 220 мм.
  • Вес 900 кг.
  • Объем бетона 0,37 м3
  • Геометрический объем 0,6938 м3
Цена: 6460 руб.
Подробнее
ПК 27-12-6 АIIIл
Плиты перекрытия многопустотные ПК шириной 1,2 метра Серия 1.041.1-3
  • Длина 2650 мм.
  • Ширина 1190 мм.
  • Высота 220 мм.
  • Вес 700 кг.
  • Объем бетона 0,37 м3
  • Геометрический объем 0,6938 м3
Цена: 6460 руб.
Подробнее
ПК 27-12-5 АIIIл
Плиты перекрытия многопустотные ПК шириной 1,2 метра Серия 1.041.1-3
  • Длина 2650 мм.
  • Ширина 1190 мм.
  • Высота 220 мм.
  • Вес 700 кг.
  • Объем бетона 0,37 м3
  • Геометрический объем 0,6938 м3
Цена: 6460 руб.
Подробнее
ПК 27-12-8 АIII
Плиты перекрытия многопустотные ПК шириной 1,2 метра Серия 1.041.1-3
  • Длина 2650 мм.
  • Ширина 1190 мм.
  • Высота 220 мм.
  • Вес 900 кг.
  • Объем бетона 0,37 м3
  • Геометрический объем 0,6938 м3
Цена: 6460 руб.
Подробнее
ПК 27-12-6 АIII-1
Плиты перекрытия многопустотные ПК шириной 1,2 метра Серия 1.041.1-3
  • Длина 2650 мм.
  • Ширина 1190 мм.
  • Высота 220 мм.
  • Вес 900 кг.
  • Объем бетона 0,37 м3
  • Геометрический объем 0,6938 м3
Цена: 6460 руб.
Подробнее
ПК 27-12-8 АIIIл
Плиты перекрытия многопустотные ПК шириной 1,2 метра Серия 1.041.1-3
  • Длина 2650 мм.
  • Ширина 1190 мм.
  • Высота 220 мм.
  • Вес 700 кг.
  • Объем бетона 0,37 м3
  • Геометрический объем 0,6938 м3
Цена: 6460 руб.
Подробнее
ПК 27-12-9 АIII-1 л
Плиты перекрытия многопустотные ПК шириной 1,2 метра Серия 1.041.1-3
  • Длина 2650 мм.
  • Ширина 1190 мм.
  • Высота 220 мм.
  • Вес 700 кг.
  • Объем бетона 0,37 м3
  • Геометрический объем 0,6938 м3
Цена: 6460 руб.
Подробнее
ПК 52-12-10 АтIVс-1
Плиты перекрытия многопустотные ПК шириной 1,2 метра Серия 1.041.1-3
  • Длина 5160 мм.
  • Ширина 1190 мм.
  • Высота 220 мм.
  • Вес 1800 кг.
  • Объем бетона 0,72 м3
  • Геометрический объем 1,3509 м3
Цена: 12571 руб.
Подробнее
ПК 52-12-10 АтIVс
Плиты перекрытия многопустотные ПК шириной 1,2 метра Серия 1.041.1-3
  • Длина 5160 мм.
  • Ширина 1190 мм.
  • Высота 220 мм.
  • Вес 1800 кг.
  • Объем бетона 0,72 м3
  • Геометрический объем 1,3509 м3
Цена: 12571 руб.
Подробнее
ПК 52-12-11 АIIIв
Плиты перекрытия многопустотные ПК шириной 1,2 метра Серия 1.041.1-3
  • Длина 5160 мм.
  • Ширина 1190 мм.
  • Высота 220 мм.
  • Вес 1800 кг.
  • Объем бетона 0,72 м3
  • Геометрический объем 1,3509 м3
Цена: 12571 руб.
Подробнее
ПК 52-12-10 АтVл
Плиты перекрытия многопустотные ПК шириной 1,2 метра Серия 1.041.1-3
  • Длина 5160 мм.
  • Ширина 1190 мм.
  • Высота 220 мм.
  • Вес 1400 кг.
  • Объем бетона 0,72 м3
  • Геометрический объем 1,3509 м3
Цена: 12571 руб.
Подробнее
ПК 52-12-10 АIIIвл
Плиты перекрытия многопустотные ПК шириной 1,2 метра Серия 1.041.1-3
  • Длина 5160 мм.
  • Ширина 1190 мм.
  • Высота 220 мм.
  • Вес 1400 кг.
  • Объем бетона 0,72 м3
  • Геометрический объем 1,3509 м3
Цена: 12571 руб.
Подробнее
ПК 52-12-11 АIIIв-1
Плиты перекрытия многопустотные ПК шириной 1,2 метра Серия 1.041.1-3
  • Длина 5160 мм.
  • Ширина 1190 мм.
  • Высота 220 мм.
  • Вес 1800 кг.
  • Объем бетона 0,72 м3
  • Геометрический объем 1,3509 м3
Цена: 12571 руб.
Подробнее
ПК 52-12-11 АтIVсл
Плиты перекрытия многопустотные ПК шириной 1,2 метра Серия 1.041.1-3
  • Длина 5160 мм.
  • Ширина 1190 мм.
  • Высота 220 мм.
  • Вес 1400 кг.
  • Объем бетона 0,72 м3
  • Геометрический объем 1,3509 м3
Цена: 12571 руб.
Подробнее
ПК 52-12-11 АтV-1
Плиты перекрытия многопустотные ПК шириной 1,2 метра Серия 1.041.1-3
  • Длина 5160 мм.
  • Ширина 1190 мм.
  • Высота 220 мм.
  • Вес 1800 кг.
  • Объем бетона 0,72 м3
  • Геометрический объем 1,3509 м3
Цена: 12571 руб.
Подробнее
ПК 52-12-12 АIIIвл
Плиты перекрытия многопустотные ПК шириной 1,2 метра Серия 1.041.1-3
  • Длина 5160 мм.
  • Ширина 1190 мм.
  • Высота 220 мм.
  • Вес 1400 кг.
  • Объем бетона 0,72 м3
  • Геометрический объем 1,3509 м3
Цена: 12571 руб.
Подробнее

Уведомление о файлах cookie

Мы используем файлы cookie для улучшения вашего опыта просмотра и анализа трафика. Нажимая "Принять все", вы соглашаетесь с нашей политикой конфиденциальности и политикой обработки файлов cookie.

MAX Дзен Телеграм Вконтакте vk