mobile_sound +7 (930) 655-55-90

Типовые конструкции и железобетонные изделия. Рабочие чертежи (Серия 1.041.1-3)

Поделиться:
Поделиться:

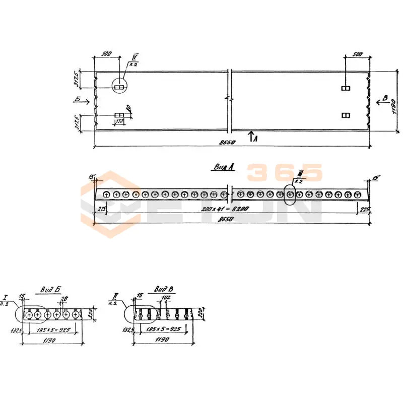
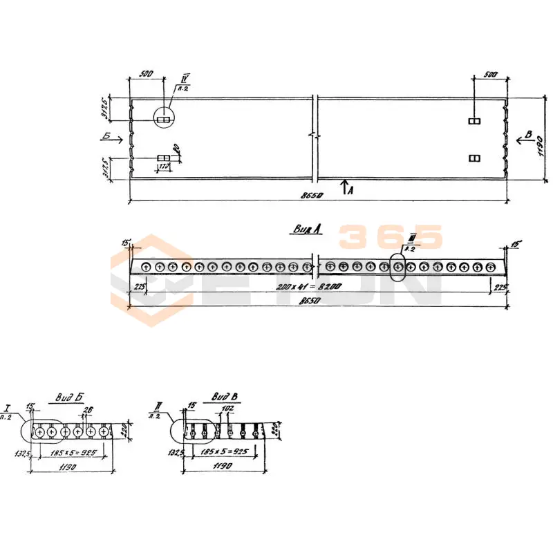
Документ Серия 1.041.1-3 описывает область применения, номенклатуру и ключевые требования, опираясь на действующие нормы и практику проектирования. Нормативный документ Серия 1.041.1-3 был введён в действие в 1989 году и разрабатывался несколькими проектными организациями, такими как ЦНИИПРОМЗДАНИЙ и НИИЖБ ГОССТРОЯ СССР. В состав регламента включено множество выпусков, содержащих подробную информацию о производстве, правилах приемки, контроля, транспортировки и хранения сборных железобетонных многопустотных плит. Эти конструкции применяются в сфере гражданского строительства в качестве межэтажных перекрытий при возведении жилых, общественных и культурно-бытовых зданий.

Файлы для скачивания:
picture_as_pdf

705.pdf

7,525.2 KB

скачать
picture_as_pdf

704.pdf

11,073.6 KB

скачать
picture_as_pdf

706.pdf

13,407.8 KB

скачать
picture_as_pdf

715.pdf

7,863.9 KB

скачать
picture_as_pdf

716.pdf

9,912.1 KB

скачать
picture_as_pdf

717.pdf

8,084.8 KB

скачать
picture_as_pdf

718.pdf

4,828.9 KB

скачать
picture_as_pdf

719.pdf

2,556.6 KB

скачать
picture_as_pdf

707.pdf

7,692.6 KB

скачать
picture_as_pdf

708.pdf

6,602.3 KB

скачать
picture_as_pdf

709.pdf

3,282.1 KB

скачать
picture_as_pdf

710.pdf

6,918.6 KB

скачать
picture_as_pdf

711.pdf

9,358.8 KB

скачать
picture_as_pdf

712.pdf

7,223.5 KB

скачать
picture_as_pdf

713.pdf

9,641.5 KB

скачать
picture_as_pdf

714.pdf

9,716.1 KB

скачать
Товары Серия 1.041.1-3 (60)
ПК 86-12-8 к7-1
Плиты перекрытия многопустотные ПК шириной 1,2 метра Серия 1.041.1-3
  • Длина 8650 мм.
  • Ширина 1190 мм.
  • Высота 220 мм.
  • Вес 3100 кг.
  • Объем бетона 1,26 м3
  • Геометрический объем 2,2646 м3
Цена: 22000 руб.
Подробнее
ПК 86-12-7 АтV-1
Плиты перекрытия многопустотные ПК шириной 1,2 метра Серия 1.041.1-3
  • Длина 8650 мм.
  • Ширина 1190 мм.
  • Высота 220 мм.
  • Вес 3100 кг.
  • Объем бетона 1,26 м3
  • Геометрический объем 2,2646 м3
Цена: 22000 руб.
Подробнее
ПК 27-15-10 АIII
Плиты перекрытия многопустотные ПК шириной 1,5 метра Серия 1.041.1-3
  • Длина 2650 мм.
  • Ширина 1490 мм.
  • Высота 220 мм.
  • Вес 1200 кг.
  • Объем бетона 0,49 м3
  • Геометрический объем 0,8687 м3
Цена: 8555 руб.
Подробнее
ПК 27-15-10 АIII-2
Плиты перекрытия многопустотные ПК шириной 1,5 метра Серия 1.041.1-3
  • Длина 2650 мм.
  • Ширина 1490 мм.
  • Высота 220 мм.
  • Вес 1200 кг.
  • Объем бетона 0,49 м3
  • Геометрический объем 0,8687 м3
Цена: 8555 руб.
Подробнее
ПК 27-15-10 АIII-1
Плиты перекрытия многопустотные ПК шириной 1,5 метра Серия 1.041.1-3
  • Длина 2650 мм.
  • Ширина 1490 мм.
  • Высота 220 мм.
  • Вес 1200 кг.
  • Объем бетона 0,49 м3
  • Геометрический объем 0,8687 м3
Цена: 8555 руб.
Подробнее
ПК 27-15-10 АIII-2л
Плиты перекрытия многопустотные ПК шириной 1,5 метра Серия 1.041.1-3
  • Длина 2650 мм.
  • Ширина 1490 мм.
  • Высота 220 мм.
  • Вес 1000 кг.
  • Объем бетона 0,49 м3
  • Геометрический объем 0,8687 м3
Цена: 8555 руб.
Подробнее
ПК 27-15-10 АIIIл
Плиты перекрытия многопустотные ПК шириной 1,5 метра Серия 1.041.1-3
  • Длина 2650 мм.
  • Ширина 1490 мм.
  • Высота 220 мм.
  • Вес 1000 кг.
  • Объем бетона 0,49 м3
  • Геометрический объем 0,8687 м3
Цена: 8555 руб.
Подробнее
ПК 27-15-16 АIII
Плиты перекрытия многопустотные ПК шириной 1,5 метра Серия 1.041.1-3
  • Длина 2650 мм.
  • Ширина 1490 мм.
  • Высота 220 мм.
  • Вес 1200 кг.
  • Объем бетона 0,49 м3
  • Геометрический объем 0,8687 м3
Цена: 8555 руб.
Подробнее
ПК 27-15-16 АIII-2
Плиты перекрытия многопустотные ПК шириной 1,5 метра Серия 1.041.1-3
  • Длина 2650 мм.
  • Ширина 1490 мм.
  • Высота 220 мм.
  • Вес 1200 кг.
  • Объем бетона 0,49 м3
  • Геометрический объем 0,8687 м3
Цена: 8555 руб.
Подробнее
ПК 27-15-10 АIIIл-1
Плиты перекрытия многопустотные ПК шириной 1,5 метра Серия 1.041.1-3
  • Длина 2650 мм.
  • Ширина 1490 мм.
  • Высота 220 мм.
  • Вес 1000 кг.
  • Объем бетона 0,49 м3
  • Геометрический объем 0,8687 м3
Цена: 8555 руб.
Подробнее
ПК 27-15-4 АIII
Плиты перекрытия многопустотные ПК шириной 1,5 метра Серия 1.041.1-3
  • Длина 2650 мм.
  • Ширина 1490 мм.
  • Высота 220 мм.
  • Вес 1200 кг.
  • Объем бетона 0,49 м3
  • Геометрический объем 0,8687 м3
Цена: 8555 руб.
Подробнее
ПК 27-15-16 АIII-2л
Плиты перекрытия многопустотные ПК шириной 1,5 метра Серия 1.041.1-3
  • Длина 2650 мм.
  • Ширина 1490 мм.
  • Высота 220 мм.
  • Вес 1000 кг.
  • Объем бетона 0,49 м3
  • Геометрический объем 0,8687 м3
Цена: 8555 руб.
Подробнее
ПК 27-15-16 АIIIл
Плиты перекрытия многопустотные ПК шириной 1,5 метра Серия 1.041.1-3
  • Длина 2650 мм.
  • Ширина 1490 мм.
  • Высота 220 мм.
  • Вес 1000 кг.
  • Объем бетона 0,49 м3
  • Геометрический объем 0,8687 м3
Цена: 8555 руб.
Подробнее
ПК 27-15-4 АIII-2
Плиты перекрытия многопустотные ПК шириной 1,5 метра Серия 1.041.1-3
  • Длина 2650 мм.
  • Ширина 1490 мм.
  • Высота 220 мм.
  • Вес 1200 кг.
  • Объем бетона 0,49 м3
  • Геометрический объем 0,8687 м3
Цена: 8555 руб.
Подробнее
ПК 27-15-4 АIII-2л
Плиты перекрытия многопустотные ПК шириной 1,5 метра Серия 1.041.1-3
  • Длина 2650 мм.
  • Ширина 1490 мм.
  • Высота 220 мм.
  • Вес 1000 кг.
  • Объем бетона 0,49 м3
  • Геометрический объем 0,8687 м3
Цена: 8555 руб.
Подробнее
ПК 27-15-4 АIIIл
Плиты перекрытия многопустотные ПК шириной 1,5 метра Серия 1.041.1-3
  • Длина 2650 мм.
  • Ширина 1490 мм.
  • Высота 220 мм.
  • Вес 1000 кг.
  • Объем бетона 0,49 м3
  • Геометрический объем 0,8687 м3
Цена: 8555 руб.
Подробнее
ПК 27-15-6 АIII-1
Плиты перекрытия многопустотные ПК шириной 1,5 метра Серия 1.041.1-3
  • Длина 2650 мм.
  • Ширина 1490 мм.
  • Высота 220 мм.
  • Вес 1200 кг.
  • Объем бетона 0,49 м3
  • Геометрический объем 0,8687 м3
Цена: 8555 руб.
Подробнее
ПК 27-15-6 АIII
Плиты перекрытия многопустотные ПК шириной 1,5 метра Серия 1.041.1-3
  • Длина 2650 мм.
  • Ширина 1490 мм.
  • Высота 220 мм.
  • Вес 1200 кг.
  • Объем бетона 0,49 м3
  • Геометрический объем 0,8687 м3
Цена: 8555 руб.
Подробнее
ПК 27-15-6 АIII-2л
Плиты перекрытия многопустотные ПК шириной 1,5 метра Серия 1.041.1-3
  • Длина 2650 мм.
  • Ширина 1490 мм.
  • Высота 220 мм.
  • Вес 1000 кг.
  • Объем бетона 0,49 м3
  • Геометрический объем 0,8687 м3
Цена: 8555 руб.
Подробнее
ПК 27-15-6 АIII-2
Плиты перекрытия многопустотные ПК шириной 1,5 метра Серия 1.041.1-3
  • Длина 2650 мм.
  • Ширина 1490 мм.
  • Высота 220 мм.
  • Вес 1200 кг.
  • Объем бетона 0,49 м3
  • Геометрический объем 0,8687 м3
Цена: 8555 руб.
Подробнее
ПК 27-15-6 АIIIл
Плиты перекрытия многопустотные ПК шириной 1,5 метра Серия 1.041.1-3
  • Длина 2650 мм.
  • Ширина 1490 мм.
  • Высота 220 мм.
  • Вес 1000 кг.
  • Объем бетона 0,49 м3
  • Геометрический объем 0,8687 м3
Цена: 8555 руб.
Подробнее
ПК 52-15-10 АIIIв-2
Плиты перекрытия многопустотные ПК шириной 1,5 метра Серия 1.041.1-3
  • Длина 5160 мм.
  • Ширина 1490 мм.
  • Высота 220 мм.
  • Вес 2400 кг.
  • Объем бетона 0,96 м3
  • Геометрический объем 1,6914 м3
Цена: 16762 руб.
Подробнее
ПК 27-15-6 АIIIл-1
Плиты перекрытия многопустотные ПК шириной 1,5 метра Серия 1.041.1-3
  • Длина 2650 мм.
  • Ширина 1490 мм.
  • Высота 220 мм.
  • Вес 1000 кг.
  • Объем бетона 0,49 м3
  • Геометрический объем 0,8687 м3
Цена: 8555 руб.
Подробнее
ПК 52-15-10 АIIIвл-2
Плиты перекрытия многопустотные ПК шириной 1,5 метра Серия 1.041.1-3
  • Длина 5160 мм.
  • Ширина 1490 мм.
  • Высота 220 мм.
  • Вес 1900 кг.
  • Объем бетона 0,96 м3
  • Геометрический объем 1,6914 м3
Цена: 16762 руб.
Подробнее
ПК 52-15-10 АIIIвл
Плиты перекрытия многопустотные ПК шириной 1,5 метра Серия 1.041.1-3
  • Длина 5160 мм.
  • Ширина 1490 мм.
  • Высота 220 мм.
  • Вес 1900 кг.
  • Объем бетона 0,96 м3
  • Геометрический объем 1,6914 м3
Цена: 16762 руб.
Подробнее
ПК 52-15-10 АIIIв
Плиты перекрытия многопустотные ПК шириной 1,5 метра Серия 1.041.1-3
  • Длина 5160 мм.
  • Ширина 1490 мм.
  • Высота 220 мм.
  • Вес 2400 кг.
  • Объем бетона 0,96 м3
  • Геометрический объем 1,6914 м3
Цена: 16762 руб.
Подробнее
ПК 52-15-10 АтIVсл-2
Плиты перекрытия многопустотные ПК шириной 1,5 метра Серия 1.041.1-3
  • Длина 5160 мм.
  • Ширина 1490 мм.
  • Высота 220 мм.
  • Вес 1900 кг.
  • Объем бетона 0,96 м3
  • Геометрический объем 1,6914 м3
Цена: 16762 руб.
Подробнее
ПК 52-15-10 АтIVсл-1
Плиты перекрытия многопустотные ПК шириной 1,5 метра Серия 1.041.1-3
  • Длина 5160 мм.
  • Ширина 1490 мм.
  • Высота 220 мм.
  • Вес 1900 кг.
  • Объем бетона 0,96 м3
  • Геометрический объем 1,6914 м3
Цена: 16762 руб.
Подробнее
ПК 52-15-10 АтV
Плиты перекрытия многопустотные ПК шириной 1,5 метра Серия 1.041.1-3
  • Длина 5160 мм.
  • Ширина 1490 мм.
  • Высота 220 мм.
  • Вес 2400 кг.
  • Объем бетона 0,96 м3
  • Геометрический объем 1,6914 м3
Цена: 16762 руб.
Подробнее
ПК 52-15-10 АтV-2
Плиты перекрытия многопустотные ПК шириной 1,5 метра Серия 1.041.1-3
  • Длина 5160 мм.
  • Ширина 1490 мм.
  • Высота 220 мм.
  • Вес 2400 кг.
  • Объем бетона 0,96 м3
  • Геометрический объем 1,6914 м3
Цена: 16762 руб.
Подробнее
ПК 52-15-11 АтVл
Плиты перекрытия многопустотные ПК шириной 1,5 метра Серия 1.041.1-3
  • Длина 5160 мм.
  • Ширина 1490 мм.
  • Высота 220 мм.
  • Вес 1900 кг.
  • Объем бетона 0,96 м3
  • Геометрический объем 1,6914 м3
Цена: 16762 руб.
Подробнее
ПК 52-15-11 АтVл-2
Плиты перекрытия многопустотные ПК шириной 1,5 метра Серия 1.041.1-3
  • Длина 5160 мм.
  • Ширина 1490 мм.
  • Высота 220 мм.
  • Вес 1900 кг.
  • Объем бетона 0,96 м3
  • Геометрический объем 1,6914 м3
Цена: 16762 руб.
Подробнее
ПК 52-15-12 АIIIв
Плиты перекрытия многопустотные ПК шириной 1,5 метра Серия 1.041.1-3
  • Длина 5160 мм.
  • Ширина 1490 мм.
  • Высота 220 мм.
  • Вес 2400 кг.
  • Объем бетона 0,96 м3
  • Геометрический объем 1,6914 м3
Цена: 16762 руб.
Подробнее
ПК 52-15-12 АтIVс-1
Плиты перекрытия многопустотные ПК шириной 1,5 метра Серия 1.041.1-3
  • Длина 5160 мм.
  • Ширина 1490 мм.
  • Высота 220 мм.
  • Вес 2400 кг.
  • Объем бетона 0,96 м3
  • Геометрический объем 1,6914 м3
Цена: 16762 руб.
Подробнее
ПК 52-15-12 АIIIв-2
Плиты перекрытия многопустотные ПК шириной 1,5 метра Серия 1.041.1-3
  • Длина 5160 мм.
  • Ширина 1490 мм.
  • Высота 220 мм.
  • Вес 2400 кг.
  • Объем бетона 0,96 м3
  • Геометрический объем 1,6914 м3
Цена: 16762 руб.
Подробнее
ПК 52-15-12 АIIIв-1
Плиты перекрытия многопустотные ПК шириной 1,5 метра Серия 1.041.1-3
  • Длина 5160 мм.
  • Ширина 1490 мм.
  • Высота 220 мм.
  • Вес 2400 кг.
  • Объем бетона 0,96 м3
  • Геометрический объем 1,6914 м3
Цена: 16762 руб.
Подробнее
ПК 52-15-12 АтIVс-2
Плиты перекрытия многопустотные ПК шириной 1,5 метра Серия 1.041.1-3
  • Длина 5160 мм.
  • Ширина 1490 мм.
  • Высота 220 мм.
  • Вес 2400 кг.
  • Объем бетона 0,96 м3
  • Геометрический объем 1,6914 м3
Цена: 16762 руб.
Подробнее
ПК 52-15-12 АтIVс
Плиты перекрытия многопустотные ПК шириной 1,5 метра Серия 1.041.1-3
  • Длина 5160 мм.
  • Ширина 1490 мм.
  • Высота 220 мм.
  • Вес 2400 кг.
  • Объем бетона 0,96 м3
  • Геометрический объем 1,6914 м3
Цена: 16762 руб.
Подробнее
ПК 52-15-13 АIIIвл-1
Плиты перекрытия многопустотные ПК шириной 1,5 метра Серия 1.041.1-3
  • Длина 5160 мм.
  • Ширина 1490 мм.
  • Высота 220 мм.
  • Вес 1900 кг.
  • Объем бетона 0,96 м3
  • Геометрический объем 1,6914 м3
Цена: 16762 руб.
Подробнее
ПК 52-15-13 АIIIвл
Плиты перекрытия многопустотные ПК шириной 1,5 метра Серия 1.041.1-3
  • Длина 5160 мм.
  • Ширина 1490 мм.
  • Высота 220 мм.
  • Вес 1900 кг.
  • Объем бетона 0,96 м3
  • Геометрический объем 1,6914 м3
Цена: 16762 руб.
Подробнее
ПК 52-15-13 АIIIвл-2
Плиты перекрытия многопустотные ПК шириной 1,5 метра Серия 1.041.1-3
  • Длина 5160 мм.
  • Ширина 1490 мм.
  • Высота 220 мм.
  • Вес 1900 кг.
  • Объем бетона 0,96 м3
  • Геометрический объем 1,6914 м3
Цена: 16762 руб.
Подробнее
ПК 52-15-13 АтIVсл
Плиты перекрытия многопустотные ПК шириной 1,5 метра Серия 1.041.1-3
  • Длина 5160 мм.
  • Ширина 1490 мм.
  • Высота 220 мм.
  • Вес 1900 кг.
  • Объем бетона 0,96 м3
  • Геометрический объем 1,6914 м3
Цена: 16762 руб.
Подробнее
ПК 52-15-13 АтIVсл-1
Плиты перекрытия многопустотные ПК шириной 1,5 метра Серия 1.041.1-3
  • Длина 5160 мм.
  • Ширина 1490 мм.
  • Высота 220 мм.
  • Вес 1900 кг.
  • Объем бетона 0,96 м3
  • Геометрический объем 1,6914 м3
Цена: 16762 руб.
Подробнее
ПК 52-15-13 АтIVсл-2
Плиты перекрытия многопустотные ПК шириной 1,5 метра Серия 1.041.1-3
  • Длина 5160 мм.
  • Ширина 1490 мм.
  • Высота 220 мм.
  • Вес 1900 кг.
  • Объем бетона 0,96 м3
  • Геометрический объем 1,6914 м3
Цена: 16762 руб.
Подробнее
ПК 52-15-10 АтIVсл
Плиты перекрытия многопустотные ПК шириной 1,5 метра Серия 1.041.1-3
  • Длина 5160 мм.
  • Ширина 1490 мм.
  • Высота 220 мм.
  • Вес 1900 кг.
  • Объем бетона 0,96 м3
  • Геометрический объем 1,6914 м3
Цена: 16762 руб.
Подробнее
ПК 52-15-13 АтV-1
Плиты перекрытия многопустотные ПК шириной 1,5 метра Серия 1.041.1-3
  • Длина 5160 мм.
  • Ширина 1490 мм.
  • Высота 220 мм.
  • Вес 2400 кг.
  • Объем бетона 0,96 м3
  • Геометрический объем 1,6914 м3
Цена: 16762 руб.
Подробнее
ПК 52-15-13 АтV
Плиты перекрытия многопустотные ПК шириной 1,5 метра Серия 1.041.1-3
  • Длина 5160 мм.
  • Ширина 1490 мм.
  • Высота 220 мм.
  • Вес 2400 кг.
  • Объем бетона 0,96 м3
  • Геометрический объем 1,6914 м3
Цена: 16762 руб.
Подробнее
ПК 52-15-13 АтV-2
Плиты перекрытия многопустотные ПК шириной 1,5 метра Серия 1.041.1-3
  • Длина 5160 мм.
  • Ширина 1490 мм.
  • Высота 220 мм.
  • Вес 2400 кг.
  • Объем бетона 0,96 м3
  • Геометрический объем 1,6914 м3
Цена: 16762 руб.
Подробнее
ПК 52-15-14 АтVл
Плиты перекрытия многопустотные ПК шириной 1,5 метра Серия 1.041.1-3
  • Длина 5160 мм.
  • Ширина 1490 мм.
  • Высота 220 мм.
  • Вес 1900 кг.
  • Объем бетона 0,96 м3
  • Геометрический объем 1,6914 м3
Цена: 16762 руб.
Подробнее
ПК 52-15-14 АтVл-1
Плиты перекрытия многопустотные ПК шириной 1,5 метра Серия 1.041.1-3
  • Длина 5160 мм.
  • Ширина 1490 мм.
  • Высота 220 мм.
  • Вес 1900 кг.
  • Объем бетона 0,96 м3
  • Геометрический объем 1,6914 м3
Цена: 16762 руб.
Подробнее
ПК 52-15-14 АтVл-2
Плиты перекрытия многопустотные ПК шириной 1,5 метра Серия 1.041.1-3
  • Длина 5160 мм.
  • Ширина 1490 мм.
  • Высота 220 мм.
  • Вес 1900 кг.
  • Объем бетона 0,96 м3
  • Геометрический объем 1,6914 м3
Цена: 16762 руб.
Подробнее
ПК 52-15-15 АтIVс
Плиты перекрытия многопустотные ПК шириной 1,5 метра Серия 1.041.1-3
  • Длина 5160 мм.
  • Ширина 1490 мм.
  • Высота 220 мм.
  • Вес 2400 кг.
  • Объем бетона 0,96 м3
  • Геометрический объем 1,6914 м3
Цена: 16762 руб.
Подробнее
ПК 52-15-15 АтIVсл-2
Плиты перекрытия многопустотные ПК шириной 1,5 метра Серия 1.041.1-3
  • Длина 5160 мм.
  • Ширина 1490 мм.
  • Высота 220 мм.
  • Вес 1900 кг.
  • Объем бетона 0,96 м3
  • Геометрический объем 1,6914 м3
Цена: 16762 руб.
Подробнее
ПК 52-15-15 АтIVс-2
Плиты перекрытия многопустотные ПК шириной 1,5 метра Серия 1.041.1-3
  • Длина 5160 мм.
  • Ширина 1490 мм.
  • Высота 220 мм.
  • Вес 2400 кг.
  • Объем бетона 0,96 м3
  • Геометрический объем 1,6914 м3
Цена: 16762 руб.
Подробнее
ПК 52-15-15 АтIVсл
Плиты перекрытия многопустотные ПК шириной 1,5 метра Серия 1.041.1-3
  • Длина 5160 мм.
  • Ширина 1490 мм.
  • Высота 220 мм.
  • Вес 1900 кг.
  • Объем бетона 0,96 м3
  • Геометрический объем 1,6914 м3
Цена: 16762 руб.
Подробнее
ПК 52-15-5 АIIIвл
Плиты перекрытия многопустотные ПК шириной 1,5 метра Серия 1.041.1-3
  • Длина 5160 мм.
  • Ширина 1490 мм.
  • Высота 220 мм.
  • Вес 1900 кг.
  • Объем бетона 0,96 м3
  • Геометрический объем 1,6914 м3
Цена: 16762 руб.
Подробнее
ПК 52-15-4 АIIIв
Плиты перекрытия многопустотные ПК шириной 1,5 метра Серия 1.041.1-3
  • Длина 5160 мм.
  • Ширина 1490 мм.
  • Высота 220 мм.
  • Вес 2400 кг.
  • Объем бетона 0,96 м3
  • Геометрический объем 1,6914 м3
Цена: 16762 руб.
Подробнее
ПК 52-15-4 АIIIв-2
Плиты перекрытия многопустотные ПК шириной 1,5 метра Серия 1.041.1-3
  • Длина 5160 мм.
  • Ширина 1490 мм.
  • Высота 220 мм.
  • Вес 2400 кг.
  • Объем бетона 0,96 м3
  • Геометрический объем 1,6914 м3
Цена: 16762 руб.
Подробнее
ПК 52-15-5 АIIIвл-2
Плиты перекрытия многопустотные ПК шириной 1,5 метра Серия 1.041.1-3
  • Длина 5160 мм.
  • Ширина 1490 мм.
  • Высота 220 мм.
  • Вес 1900 кг.
  • Объем бетона 0,96 м3
  • Геометрический объем 1,6914 м3
Цена: 16762 руб.
Подробнее
ПК 52-15-6 АтIVс
Плиты перекрытия многопустотные ПК шириной 1,5 метра Серия 1.041.1-3
  • Длина 5160 мм.
  • Ширина 1490 мм.
  • Высота 220 мм.
  • Вес 2400 кг.
  • Объем бетона 0,96 м3
  • Геометрический объем 1,6914 м3
Цена: 16762 руб.
Подробнее

Уведомление о файлах cookie

Мы используем файлы cookie для улучшения вашего опыта просмотра и анализа трафика. Нажимая "Принять все", вы соглашаетесь с нашей политикой конфиденциальности и политикой обработки файлов cookie.

Дзен Телеграм Вконтакте vk