mobile_sound +7 (930) 655-55-90

Типовые конструкции и железобетонные изделия. Рабочие чертежи (Серия 1.041.1-3)

Поделиться:
Поделиться:

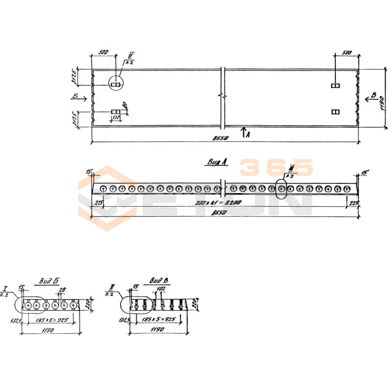
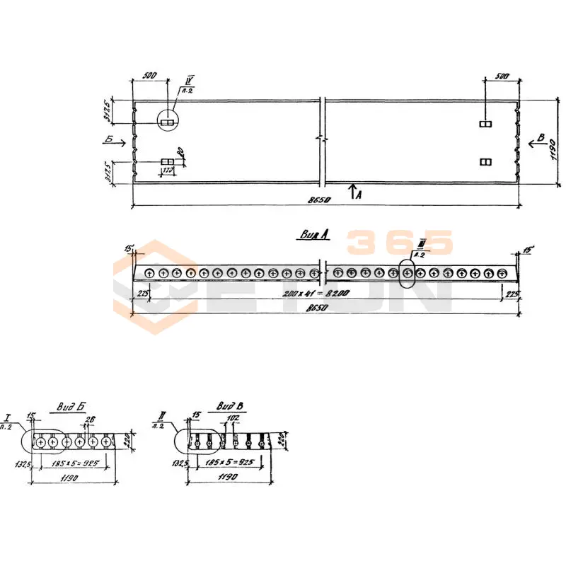
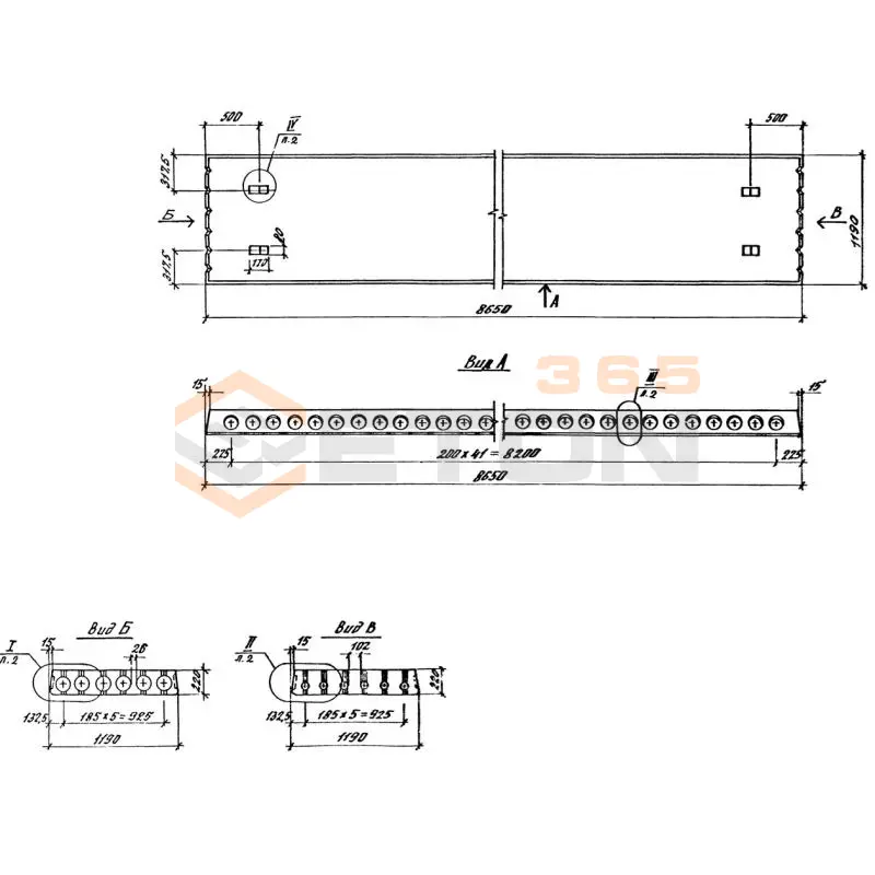
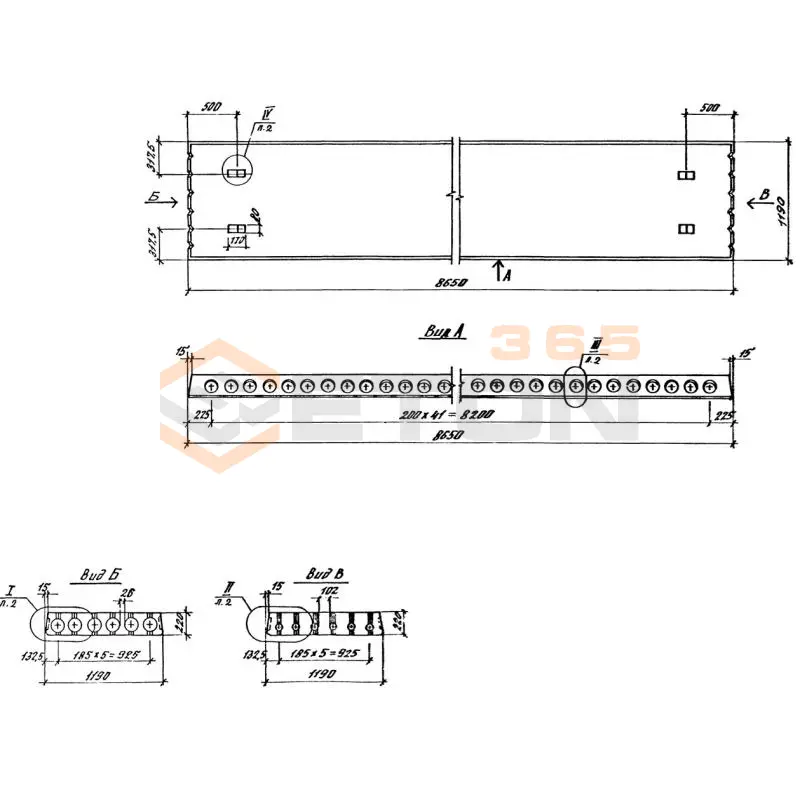
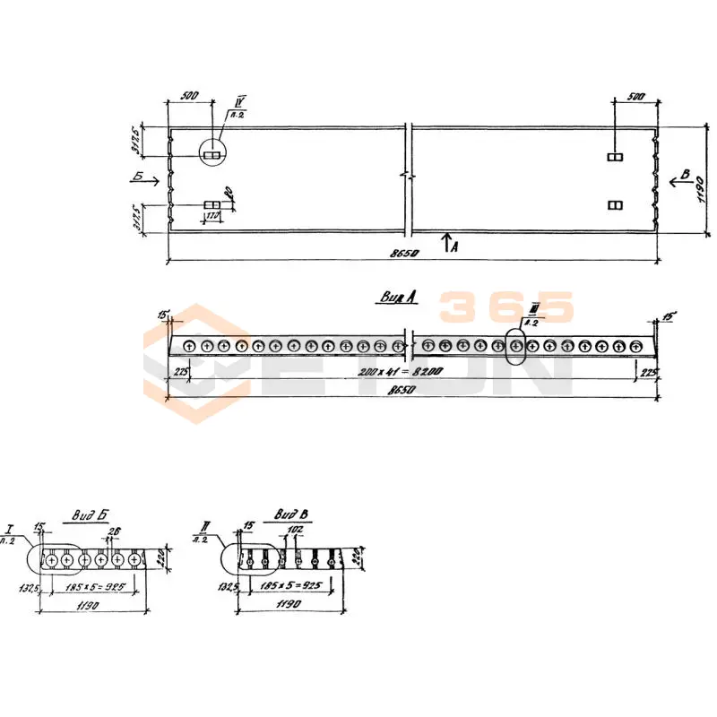
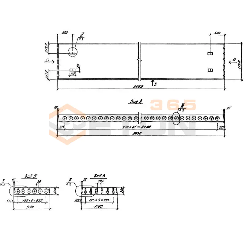
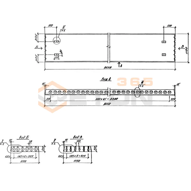
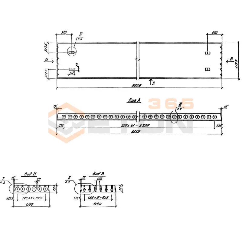
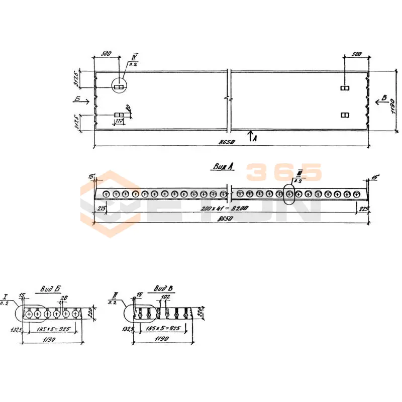
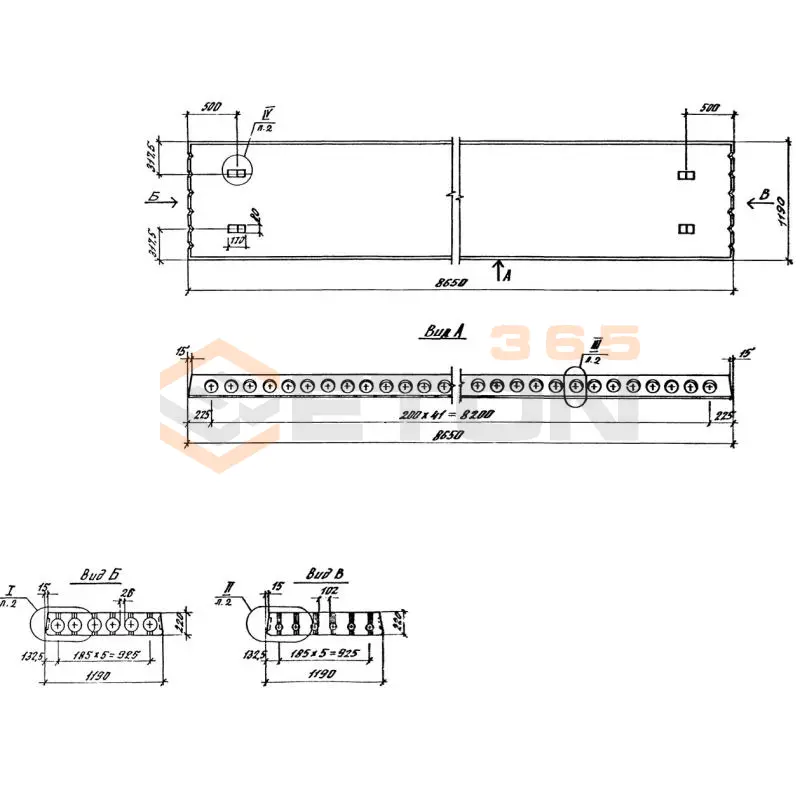
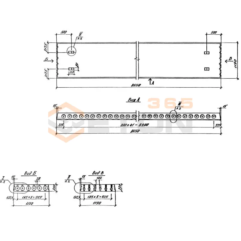
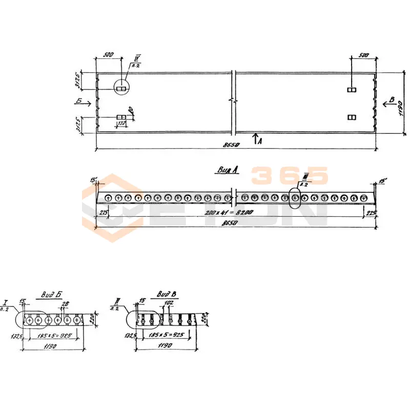
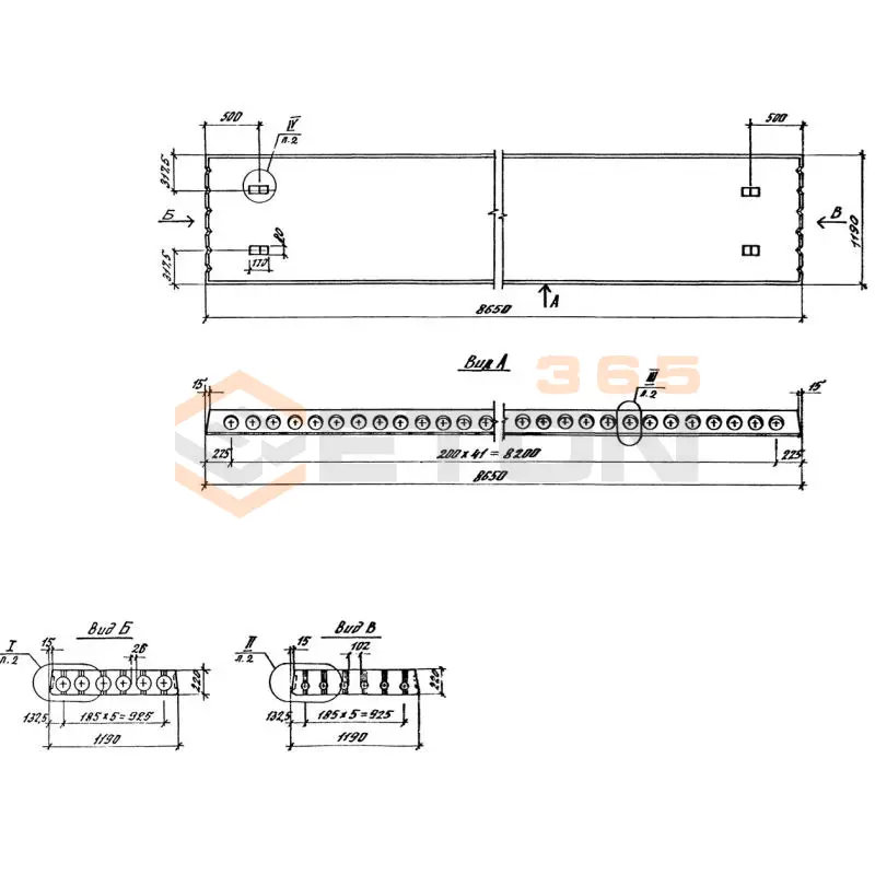
Документ Серия 1.041.1-3 описывает область применения, номенклатуру и ключевые требования, опираясь на действующие нормы и практику проектирования. Нормативный документ Серия 1.041.1-3 был введён в действие в 1989 году и разрабатывался несколькими проектными организациями, такими как ЦНИИПРОМЗДАНИЙ и НИИЖБ ГОССТРОЯ СССР. В состав регламента включено множество выпусков, содержащих подробную информацию о производстве, правилах приемки, контроля, транспортировки и хранения сборных железобетонных многопустотных плит. Эти конструкции применяются в сфере гражданского строительства в качестве межэтажных перекрытий при возведении жилых, общественных и культурно-бытовых зданий.

Файлы для скачивания:
picture_as_pdf

705.pdf

7,525.2 KB

скачать
picture_as_pdf

704.pdf

11,073.6 KB

скачать
picture_as_pdf

706.pdf

13,407.8 KB

скачать
picture_as_pdf

715.pdf

7,863.9 KB

скачать
picture_as_pdf

716.pdf

9,912.1 KB

скачать
picture_as_pdf

717.pdf

8,084.8 KB

скачать
picture_as_pdf

718.pdf

4,828.9 KB

скачать
picture_as_pdf

719.pdf

2,556.6 KB

скачать
picture_as_pdf

707.pdf

7,692.6 KB

скачать
picture_as_pdf

708.pdf

6,602.3 KB

скачать
picture_as_pdf

709.pdf

3,282.1 KB

скачать
picture_as_pdf

710.pdf

6,918.6 KB

скачать
picture_as_pdf

711.pdf

9,358.8 KB

скачать
picture_as_pdf

712.pdf

7,223.5 KB

скачать
picture_as_pdf

713.pdf

9,641.5 KB

скачать
picture_as_pdf

714.pdf

9,716.1 KB

скачать
Товары Серия 1.041.1-3 (60)
ПК 68-12-4 АтIVс
Плиты перекрытия многопустотные ПК шириной 1,2 метра Серия 1.041.1-3
  • Длина 6850 мм.
  • Ширина 1190 мм.
  • Высота 220 мм.
  • Вес 2500 кг.
  • Объем бетона 1 м3
  • Геометрический объем 1,7933 м3
Цена: 17460 руб.
Подробнее
ПК 68-12-12 к7л
Плиты перекрытия многопустотные ПК шириной 1,2 метра Серия 1.041.1-3
  • Длина 6850 мм.
  • Ширина 1190 мм.
  • Высота 220 мм.
  • Вес 2000 кг.
  • Объем бетона 1 м3
  • Геометрический объем 1,7933 м3
Цена: 17460 руб.
Подробнее
ПК 68-12-5 АтIVс-1
Плиты перекрытия многопустотные ПК шириной 1,2 метра Серия 1.041.1-3
  • Длина 6850 мм.
  • Ширина 1190 мм.
  • Высота 220 мм.
  • Вес 2500 кг.
  • Объем бетона 1 м3
  • Геометрический объем 1,7933 м3
Цена: 17460 руб.
Подробнее
ПК 68-12-5 АтIVсл
Плиты перекрытия многопустотные ПК шириной 1,2 метра Серия 1.041.1-3
  • Длина 6850 мм.
  • Ширина 1190 мм.
  • Высота 220 мм.
  • Вес 2000 кг.
  • Объем бетона 1 м3
  • Геометрический объем 1,7933 м3
Цена: 17460 руб.
Подробнее
ПК 68-12-5 АтIVсл-1
Плиты перекрытия многопустотные ПК шириной 1,2 метра Серия 1.041.1-3
  • Длина 6850 мм.
  • Ширина 1190 мм.
  • Высота 220 мм.
  • Вес 2000 кг.
  • Объем бетона 1 м3
  • Геометрический объем 1,7933 м3
Цена: 17460 руб.
Подробнее
ПК 68-12-5 АтVл
Плиты перекрытия многопустотные ПК шириной 1,2 метра Серия 1.041.1-3
  • Длина 6850 мм.
  • Ширина 1190 мм.
  • Высота 220 мм.
  • Вес 2000 кг.
  • Объем бетона 1 м3
  • Геометрический объем 1,7933 м3
Цена: 17460 руб.
Подробнее
ПК 68-12-5 АтV
Плиты перекрытия многопустотные ПК шириной 1,2 метра Серия 1.041.1-3
  • Длина 6850 мм.
  • Ширина 1190 мм.
  • Высота 220 мм.
  • Вес 2500 кг.
  • Объем бетона 1 м3
  • Геометрический объем 1,7933 м3
Цена: 17460 руб.
Подробнее
ПК 68-12-5 АтVл-1
Плиты перекрытия многопустотные ПК шириной 1,2 метра Серия 1.041.1-3
  • Длина 6850 мм.
  • Ширина 1190 мм.
  • Высота 220 мм.
  • Вес 2000 кг.
  • Объем бетона 1 м3
  • Геометрический объем 1,7933 м3
Цена: 17460 руб.
Подробнее
ПК 68-12-5 АтV-1
Плиты перекрытия многопустотные ПК шириной 1,2 метра Серия 1.041.1-3
  • Длина 6850 мм.
  • Ширина 1190 мм.
  • Высота 220 мм.
  • Вес 2500 кг.
  • Объем бетона 1 м3
  • Геометрический объем 1,7933 м3
Цена: 17460 руб.
Подробнее
ПК 68-12-5 ВрII
Плиты перекрытия многопустотные ПК шириной 1,2 метра Серия 1.041.1-3
  • Длина 6850 мм.
  • Ширина 1190 мм.
  • Высота 220 мм.
  • Вес 2500 кг.
  • Объем бетона 1 м3
  • Геометрический объем 1,7933 м3
Цена: 17460 руб.
Подробнее
ПК 68-12-6 АIIIв-1
Плиты перекрытия многопустотные ПК шириной 1,2 метра Серия 1.041.1-3
  • Длина 6850 мм.
  • Ширина 1190 мм.
  • Высота 220 мм.
  • Вес 2500 кг.
  • Объем бетона 1 м3
  • Геометрический объем 1,7933 м3
Цена: 17460 руб.
Подробнее
ПК 68-12-6 АIIIв
Плиты перекрытия многопустотные ПК шириной 1,2 метра Серия 1.041.1-3
  • Длина 6850 мм.
  • Ширина 1190 мм.
  • Высота 220 мм.
  • Вес 2500 кг.
  • Объем бетона 1 м3
  • Геометрический объем 1,7933 м3
Цена: 17460 руб.
Подробнее
ПК 68-12-6 АIIIвл
Плиты перекрытия многопустотные ПК шириной 1,2 метра Серия 1.041.1-3
  • Длина 6850 мм.
  • Ширина 1190 мм.
  • Высота 220 мм.
  • Вес 2000 кг.
  • Объем бетона 1 м3
  • Геометрический объем 1,7933 м3
Цена: 17460 руб.
Подробнее
ПК 68-12-6 АтIVс
Плиты перекрытия многопустотные ПК шириной 1,2 метра Серия 1.041.1-3
  • Длина 6850 мм.
  • Ширина 1190 мм.
  • Высота 220 мм.
  • Вес 2500 кг.
  • Объем бетона 1 м3
  • Геометрический объем 1,7933 м3
Цена: 17460 руб.
Подробнее
ПК 68-12-6 АтIVс-1
Плиты перекрытия многопустотные ПК шириной 1,2 метра Серия 1.041.1-3
  • Длина 6850 мм.
  • Ширина 1190 мм.
  • Высота 220 мм.
  • Вес 2500 кг.
  • Объем бетона 1 м3
  • Геометрический объем 1,7933 м3
Цена: 17460 руб.
Подробнее
ПК 68-12-6 АIIIвл-1
Плиты перекрытия многопустотные ПК шириной 1,2 метра Серия 1.041.1-3
  • Длина 6850 мм.
  • Ширина 1190 мм.
  • Высота 220 мм.
  • Вес 2000 кг.
  • Объем бетона 1 м3
  • Геометрический объем 1,7933 м3
Цена: 17460 руб.
Подробнее
ПК 68-12-6 АтV
Плиты перекрытия многопустотные ПК шириной 1,2 метра Серия 1.041.1-3
  • Длина 6850 мм.
  • Ширина 1190 мм.
  • Высота 220 мм.
  • Вес 2500 кг.
  • Объем бетона 1 м3
  • Геометрический объем 1,7933 м3
Цена: 17460 руб.
Подробнее
ПК 68-12-6 АтIVсл-1
Плиты перекрытия многопустотные ПК шириной 1,2 метра Серия 1.041.1-3
  • Длина 6850 мм.
  • Ширина 1190 мм.
  • Высота 220 мм.
  • Вес 2000 кг.
  • Объем бетона 1 м3
  • Геометрический объем 1,7933 м3
Цена: 17460 руб.
Подробнее
ПК 68-12-6 АтVл
Плиты перекрытия многопустотные ПК шириной 1,2 метра Серия 1.041.1-3
  • Длина 6850 мм.
  • Ширина 1190 мм.
  • Высота 220 мм.
  • Вес 2000 кг.
  • Объем бетона 1 м3
  • Геометрический объем 1,7933 м3
Цена: 17460 руб.
Подробнее
ПК 68-12-6 АтIVсл
Плиты перекрытия многопустотные ПК шириной 1,2 метра Серия 1.041.1-3
  • Длина 6850 мм.
  • Ширина 1190 мм.
  • Высота 220 мм.
  • Вес 2000 кг.
  • Объем бетона 1 м3
  • Геометрический объем 1,7933 м3
Цена: 17460 руб.
Подробнее
ПК 68-12-6 АтVл-1
Плиты перекрытия многопустотные ПК шириной 1,2 метра Серия 1.041.1-3
  • Длина 6850 мм.
  • Ширина 1190 мм.
  • Высота 220 мм.
  • Вес 2000 кг.
  • Объем бетона 1 м3
  • Геометрический объем 1,7933 м3
Цена: 17460 руб.
Подробнее
ПК 68-12-6 АтV-1
Плиты перекрытия многопустотные ПК шириной 1,2 метра Серия 1.041.1-3
  • Длина 6850 мм.
  • Ширина 1190 мм.
  • Высота 220 мм.
  • Вес 2500 кг.
  • Объем бетона 1 м3
  • Геометрический объем 1,7933 м3
Цена: 17460 руб.
Подробнее
ПК 68-12-6 ВрII-1
Плиты перекрытия многопустотные ПК шириной 1,2 метра Серия 1.041.1-3
  • Длина 6850 мм.
  • Ширина 1190 мм.
  • Высота 220 мм.
  • Вес 2500 кг.
  • Объем бетона 1 м3
  • Геометрический объем 1,7933 м3
Цена: 17460 руб.
Подробнее
ПК 68-12-6 ВрIIл
Плиты перекрытия многопустотные ПК шириной 1,2 метра Серия 1.041.1-3
  • Длина 6850 мм.
  • Ширина 1190 мм.
  • Высота 220 мм.
  • Вес 2000 кг.
  • Объем бетона 1 м3
  • Геометрический объем 1,7933 м3
Цена: 17460 руб.
Подробнее
ПК 68-12-8 АIIIвл
Плиты перекрытия многопустотные ПК шириной 1,2 метра Серия 1.041.1-3
  • Длина 6850 мм.
  • Ширина 1190 мм.
  • Высота 220 мм.
  • Вес 2000 кг.
  • Объем бетона 1 м3
  • Геометрический объем 1,7933 м3
Цена: 17460 руб.
Подробнее
ПК 68-12-6 ВрIIл-1
Плиты перекрытия многопустотные ПК шириной 1,2 метра Серия 1.041.1-3
  • Длина 6850 мм.
  • Ширина 1190 мм.
  • Высота 220 мм.
  • Вес 2000 кг.
  • Объем бетона 1 м3
  • Геометрический объем 1,7933 м3
Цена: 17460 руб.
Подробнее
ПК 68-12-8 АтIVс
Плиты перекрытия многопустотные ПК шириной 1,2 метра Серия 1.041.1-3
  • Длина 6850 мм.
  • Ширина 1190 мм.
  • Высота 220 мм.
  • Вес 2500 кг.
  • Объем бетона 1 м3
  • Геометрический объем 1,7933 м3
Цена: 17460 руб.
Подробнее
ПК 68-12-8 АIIIв
Плиты перекрытия многопустотные ПК шириной 1,2 метра Серия 1.041.1-3
  • Длина 6850 мм.
  • Ширина 1190 мм.
  • Высота 220 мм.
  • Вес 2500 кг.
  • Объем бетона 1 м3
  • Геометрический объем 1,7933 м3
Цена: 17460 руб.
Подробнее
ПК 68-12-7 АтIVс
Плиты перекрытия многопустотные ПК шириной 1,2 метра Серия 1.041.1-3
  • Длина 6850 мм.
  • Ширина 1190 мм.
  • Высота 220 мм.
  • Вес 2500 кг.
  • Объем бетона 1 м3
  • Геометрический объем 1,7933 м3
Цена: 17460 руб.
Подробнее
ПК 68-12-8 АтIVсл
Плиты перекрытия многопустотные ПК шириной 1,2 метра Серия 1.041.1-3
  • Длина 6850 мм.
  • Ширина 1190 мм.
  • Высота 220 мм.
  • Вес 2000 кг.
  • Объем бетона 1 м3
  • Геометрический объем 1,7933 м3
Цена: 17460 руб.
Подробнее
ПК 68-12-8 АтVл
Плиты перекрытия многопустотные ПК шириной 1,2 метра Серия 1.041.1-3
  • Длина 6850 мм.
  • Ширина 1190 мм.
  • Высота 220 мм.
  • Вес 2000 кг.
  • Объем бетона 1 м3
  • Геометрический объем 1,7933 м3
Цена: 17460 руб.
Подробнее
ПК 86-12-10 к7-1
Плиты перекрытия многопустотные ПК шириной 1,2 метра Серия 1.041.1-3
  • Длина 8650 мм.
  • Ширина 1190 мм.
  • Высота 220 мм.
  • Вес 3100 кг.
  • Объем бетона 1,26 м3
  • Геометрический объем 2,2646 м3
Цена: 22000 руб.
Подробнее
ПК 86-12-4 АIIIв
Плиты перекрытия многопустотные ПК шириной 1,2 метра Серия 1.041.1-3
  • Длина 8650 мм.
  • Ширина 1190 мм.
  • Высота 220 мм.
  • Вес 3100 кг.
  • Объем бетона 1,26 м3
  • Геометрический объем 2,2646 м3
Цена: 22000 руб.
Подробнее
ПК 68-12-8 АтV
Плиты перекрытия многопустотные ПК шириной 1,2 метра Серия 1.041.1-3
  • Длина 6850 мм.
  • Ширина 1190 мм.
  • Высота 220 мм.
  • Вес 2500 кг.
  • Объем бетона 1 м3
  • Геометрический объем 1,7933 м3
Цена: 17460 руб.
Подробнее
ПК 68-12-8 ВрIIл
Плиты перекрытия многопустотные ПК шириной 1,2 метра Серия 1.041.1-3
  • Длина 6850 мм.
  • Ширина 1190 мм.
  • Высота 220 мм.
  • Вес 2000 кг.
  • Объем бетона 1 м3
  • Геометрический объем 1,7933 м3
Цена: 17460 руб.
Подробнее
ПК 68-12-8 ВрII
Плиты перекрытия многопустотные ПК шириной 1,2 метра Серия 1.041.1-3
  • Длина 6850 мм.
  • Ширина 1190 мм.
  • Высота 220 мм.
  • Вес 2500 кг.
  • Объем бетона 1 м3
  • Геометрический объем 1,7933 м3
Цена: 17460 руб.
Подробнее
ПК 86-12-10 к7
Плиты перекрытия многопустотные ПК шириной 1,2 метра Серия 1.041.1-3
  • Длина 8650 мм.
  • Ширина 1190 мм.
  • Высота 220 мм.
  • Вес 3100 кг.
  • Объем бетона 1,26 м3
  • Геометрический объем 2,2646 м3
Цена: 22000 руб.
Подробнее
ПК 86-12-4 АтV-1
Плиты перекрытия многопустотные ПК шириной 1,2 метра Серия 1.041.1-3
  • Длина 8650 мм.
  • Ширина 1190 мм.
  • Высота 220 мм.
  • Вес 3125 кг.
  • Объем бетона 1,25 м3
  • Геометрический объем 2,2646 м3
Цена: 21825 руб.
Подробнее
ПК 86-12-4 АIIIв-1
Плиты перекрытия многопустотные ПК шириной 1,2 метра Серия 1.041.1-3
  • Длина 8650 мм.
  • Ширина 1190 мм.
  • Высота 220 мм.
  • Вес 3100 кг.
  • Объем бетона 1,26 м3
  • Геометрический объем 2,2646 м3
Цена: 22000 руб.
Подробнее
ПК 86-12-4 ВрII
Плиты перекрытия многопустотные ПК шириной 1,2 метра Серия 1.041.1-3
  • Длина 8650 мм.
  • Ширина 1190 мм.
  • Высота 220 мм.
  • Вес 3100 кг.
  • Объем бетона 1,26 м3
  • Геометрический объем 2,2646 м3
Цена: 22000 руб.
Подробнее
ПК 86-12-4 АтV
Плиты перекрытия многопустотные ПК шириной 1,2 метра Серия 1.041.1-3
  • Длина 8650 мм.
  • Ширина 1190 мм.
  • Высота 220 мм.
  • Вес 3100 кг.
  • Объем бетона 1,26 м3
  • Геометрический объем 2,2646 м3
Цена: 22000 руб.
Подробнее
ПК 86-12-4 АтIVс-1
Плиты перекрытия многопустотные ПК шириной 1,2 метра Серия 1.041.1-3
  • Длина 8650 мм.
  • Ширина 1190 мм.
  • Высота 220 мм.
  • Вес 3100 кг.
  • Объем бетона 1,26 м3
  • Геометрический объем 2,2646 м3
Цена: 22000 руб.
Подробнее
ПК 86-12-4 АтIVс
Плиты перекрытия многопустотные ПК шириной 1,2 метра Серия 1.041.1-3
  • Длина 8650 мм.
  • Ширина 1190 мм.
  • Высота 220 мм.
  • Вес 3100 кг.
  • Объем бетона 1,26 м3
  • Геометрический объем 2,2646 м3
Цена: 22000 руб.
Подробнее
ПК 86-12-4 ВрII-1
Плиты перекрытия многопустотные ПК шириной 1,2 метра Серия 1.041.1-3
  • Длина 8650 мм.
  • Ширина 1190 мм.
  • Высота 220 мм.
  • Вес 3100 кг.
  • Объем бетона 1,26 м3
  • Геометрический объем 2,2646 м3
Цена: 22000 руб.
Подробнее
ПК 86-12-5 АтV
Плиты перекрытия многопустотные ПК шириной 1,2 метра Серия 1.041.1-3
  • Длина 8650 мм.
  • Ширина 1190 мм.
  • Высота 220 мм.
  • Вес 3100 кг.
  • Объем бетона 1,26 м3
  • Геометрический объем 2,2646 м3
Цена: 22000 руб.
Подробнее
ПК 86-12-5 АтV-1
Плиты перекрытия многопустотные ПК шириной 1,2 метра Серия 1.041.1-3
  • Длина 8650 мм.
  • Ширина 1190 мм.
  • Высота 220 мм.
  • Вес 3100 кг.
  • Объем бетона 1,26 м3
  • Геометрический объем 2,2646 м3
Цена: 22000 руб.
Подробнее
ПК 86-12-6 АIIIв-1
Плиты перекрытия многопустотные ПК шириной 1,2 метра Серия 1.041.1-3
  • Длина 8650 мм.
  • Ширина 1190 мм.
  • Высота 220 мм.
  • Вес 3100 кг.
  • Объем бетона 1,26 м3
  • Геометрический объем 2,2646 м3
Цена: 22000 руб.
Подробнее
ПК 86-12-6 АтV
Плиты перекрытия многопустотные ПК шириной 1,2 метра Серия 1.041.1-3
  • Длина 8650 мм.
  • Ширина 1190 мм.
  • Высота 220 мм.
  • Вес 3100 кг.
  • Объем бетона 1,26 м3
  • Геометрический объем 2,2646 м3
Цена: 22000 руб.
Подробнее
ПК 86-12-6 АIIIв
Плиты перекрытия многопустотные ПК шириной 1,2 метра Серия 1.041.1-3
  • Длина 8650 мм.
  • Ширина 1190 мм.
  • Высота 220 мм.
  • Вес 3100 кг.
  • Объем бетона 1,26 м3
  • Геометрический объем 2,2646 м3
Цена: 22000 руб.
Подробнее
ПК 86-12-6 АтIVс-1
Плиты перекрытия многопустотные ПК шириной 1,2 метра Серия 1.041.1-3
  • Длина 8650 мм.
  • Ширина 1190 мм.
  • Высота 220 мм.
  • Вес 3100 кг.
  • Объем бетона 1,26 м3
  • Геометрический объем 2,2646 м3
Цена: 22000 руб.
Подробнее
ПК 86-12-6 АтIVс
Плиты перекрытия многопустотные ПК шириной 1,2 метра Серия 1.041.1-3
  • Длина 8650 мм.
  • Ширина 1190 мм.
  • Высота 220 мм.
  • Вес 3100 кг.
  • Объем бетона 1,26 м3
  • Геометрический объем 2,2646 м3
Цена: 22000 руб.
Подробнее
ПК 86-12-6 АтV-1
Плиты перекрытия многопустотные ПК шириной 1,2 метра Серия 1.041.1-3
  • Длина 8650 мм.
  • Ширина 1190 мм.
  • Высота 220 мм.
  • Вес 3100 кг.
  • Объем бетона 1,26 м3
  • Геометрический объем 2,2646 м3
Цена: 22000 руб.
Подробнее
ПК 86-12-6 ВрII
Плиты перекрытия многопустотные ПК шириной 1,2 метра Серия 1.041.1-3
  • Длина 8650 мм.
  • Ширина 1190 мм.
  • Высота 220 мм.
  • Вес 3100 кг.
  • Объем бетона 1,26 м3
  • Геометрический объем 2,2646 м3
Цена: 22000 руб.
Подробнее
ПК 86-12-6 ВрII-1
Плиты перекрытия многопустотные ПК шириной 1,2 метра Серия 1.041.1-3
  • Длина 8650 мм.
  • Ширина 1190 мм.
  • Высота 220 мм.
  • Вес 3100 кг.
  • Объем бетона 1,26 м3
  • Геометрический объем 2,2646 м3
Цена: 22000 руб.
Подробнее
ПК 86-12-6 к7-1
Плиты перекрытия многопустотные ПК шириной 1,2 метра Серия 1.041.1-3
  • Длина 8650 мм.
  • Ширина 1190 мм.
  • Высота 220 мм.
  • Вес 3100 кг.
  • Объем бетона 1,26 м3
  • Геометрический объем 2,2646 м3
Цена: 22000 руб.
Подробнее
ПК 86-12-6 к7
Плиты перекрытия многопустотные ПК шириной 1,2 метра Серия 1.041.1-3
  • Длина 8650 мм.
  • Ширина 1190 мм.
  • Высота 220 мм.
  • Вес 3100 кг.
  • Объем бетона 1,26 м3
  • Геометрический объем 2,2646 м3
Цена: 22000 руб.
Подробнее
ПК 86-12-7 АтIVс-1
Плиты перекрытия многопустотные ПК шириной 1,2 метра Серия 1.041.1-3
  • Длина 8650 мм.
  • Ширина 1190 мм.
  • Высота 220 мм.
  • Вес 3100 кг.
  • Объем бетона 1,26 м3
  • Геометрический объем 2,2646 м3
Цена: 22000 руб.
Подробнее
ПК 86-12-7 АтIVс
Плиты перекрытия многопустотные ПК шириной 1,2 метра Серия 1.041.1-3
  • Длина 8650 мм.
  • Ширина 1190 мм.
  • Высота 220 мм.
  • Вес 3100 кг.
  • Объем бетона 1,26 м3
  • Геометрический объем 2,2646 м3
Цена: 22000 руб.
Подробнее
ПК 86-12-7 АтV
Плиты перекрытия многопустотные ПК шириной 1,2 метра Серия 1.041.1-3
  • Длина 8650 мм.
  • Ширина 1190 мм.
  • Высота 220 мм.
  • Вес 3100 кг.
  • Объем бетона 1,26 м3
  • Геометрический объем 2,2646 м3
Цена: 22000 руб.
Подробнее
ПК 86-12-8 к7
Плиты перекрытия многопустотные ПК шириной 1,2 метра Серия 1.041.1-3
  • Длина 8650 мм.
  • Ширина 1190 мм.
  • Высота 220 мм.
  • Вес 3100 кг.
  • Объем бетона 1,26 м3
  • Геометрический объем 2,2646 м3
Цена: 22000 руб.
Подробнее

Уведомление о файлах cookie

Мы используем файлы cookie для улучшения вашего опыта просмотра и анализа трафика. Нажимая "Принять все", вы соглашаетесь с нашей политикой конфиденциальности и политикой обработки файлов cookie.

Дзен Телеграм Вконтакте vk