mobile_sound +7 (930) 655-55-90

Типовые конструкции и железобетонные изделия. Рабочие чертежи (Серия 1-82)

Поделиться:
Поделиться:

Документ Серия 1-82 описывает область применения, номенклатуру и ключевые требования, опираясь на действующие нормы и практику проектирования. Представленная Серия 1-82 была разработана в 1958 году совместно Главстройпроектом и Государственным институтом типового проектирования и технических исследований Гипротис. Данный нормативный документ является завершающей стадией большой работы по приведению к единой системе объемно-планировочных и конструктивных решений для зданий химической промышленности с целью наращивания темпов промышленного строительства. В основе проекта лежат рабочие чертежи блоков для строительства многоэтажных зданий, согласно, разработанных габаритных схем.

Файлы для скачивания:
picture_as_pdf

3516.pdf

12,691.9 KB

скачать
picture_as_pdf

3517.pdf

11,221.7 KB

скачать
picture_as_pdf

3518.pdf

12,263.1 KB

скачать
picture_as_pdf

3519.pdf

4,987.0 KB

скачать
picture_as_pdf

3520.pdf

9,878.6 KB

скачать
picture_as_pdf

3521.pdf

4,808.6 KB

скачать
picture_as_pdf

3522.pdf

17,127.8 KB

скачать
Товары Серия 1-82 (60)
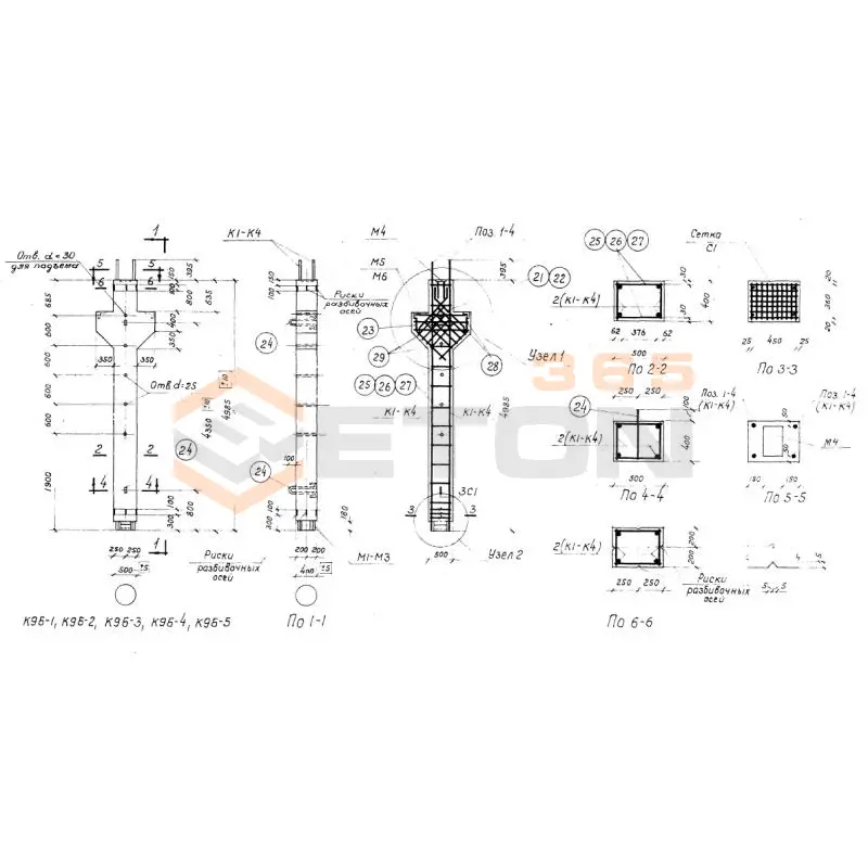
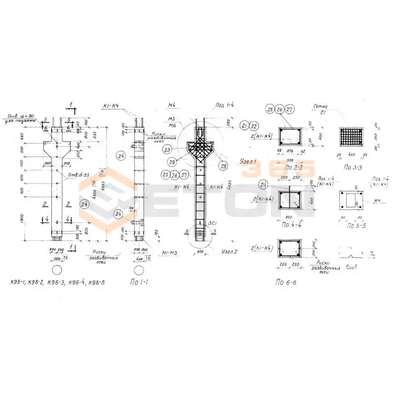
К 9 Б-4 (1-82)
Колонны Серия 1-82
  • Длина 4985 мм.
  • Ширина 500 мм.
  • Высота 400 мм.
  • Вес 2880 кг.
  • Объем бетона 1,15 м3
  • Геометрический объем 0,997 м3
Цена: 24541 руб.
Подробнее
К 9 Б-5 (1-82)
Колонны Серия 1-82
  • Длина 4985 мм.
  • Ширина 500 мм.
  • Высота 400 мм.
  • Вес 2880 кг.
  • Объем бетона 1,15 м3
  • Геометрический объем 0,997 м3
Цена: 24541 руб.
Подробнее
П 1 с отв (1-82)
Плиты перекрытий ребристые Серия 1-82
  • Длина 5970 мм.
  • Ширина 990 мм.
  • Высота 350 мм.
  • Вес 1550 кг.
  • Объем бетона 0,62 м3
  • Геометрический объем 2,0686 м3
Цена: 21049 руб.
Подробнее
П 1 (1-82)
Плиты перекрытий ребристые Серия 1-82
  • Длина 5970 мм.
  • Ширина 990 мм.
  • Высота 350 мм.
  • Вес 1550 кг.
  • Объем бетона 0,62 м3
  • Геометрический объем 2,0686 м3
Цена: 21049 руб.
Подробнее
П 2 (1-82)
Плиты перекрытий ребристые Серия 1-82
  • Длина 5970 мм.
  • Ширина 990 мм.
  • Высота 350 мм.
  • Вес 1550 кг.
  • Объем бетона 0,62 м3
  • Геометрический объем 2,0686 м3
Цена: 21049 руб.
Подробнее
П 2 с отв (1-82)
Плиты перекрытий ребристые Серия 1-82
  • Длина 5970 мм.
  • Ширина 990 мм.
  • Высота 350 мм.
  • Вес 1550 кг.
  • Объем бетона 0,62 м3
  • Геометрический объем 2,0686 м3
Цена: 21049 руб.
Подробнее
ПК 1 (1-82)
Плиты перекрытий ребристые Серия 1-82
  • Длина 5970 мм.
  • Ширина 990 мм.
  • Высота 350 мм.
  • Вес 1630 кг.
  • Объем бетона 0,65 м3
  • Геометрический объем 2,0686 м3
Цена: 22068 руб.
Подробнее
П 3 с отв (1-82)
Плиты перекрытий ребристые Серия 1-82
  • Длина 5970 мм.
  • Ширина 990 мм.
  • Высота 350 мм.
  • Вес 1550 кг.
  • Объем бетона 0,62 м3
  • Геометрический объем 2,0686 м3
Цена: 21049 руб.
Подробнее
П 3 (1-82)
Плиты перекрытий ребристые Серия 1-82
  • Длина 5970 мм.
  • Ширина 990 мм.
  • Высота 350 мм.
  • Вес 1550 кг.
  • Объем бетона 0,62 м3
  • Геометрический объем 2,0686 м3
Цена: 21049 руб.
Подробнее
ПК 2 (1-82)
Плиты перекрытий ребристые Серия 1-82
  • Длина 5970 мм.
  • Ширина 990 мм.
  • Высота 350 мм.
  • Вес 1630 кг.
  • Объем бетона 0,65 м3
  • Геометрический объем 2,0686 м3
Цена: 22068 руб.
Подробнее
ПК 1 а (1-82)
Плиты перекрытий ребристые Серия 1-82
  • Длина 5970 мм.
  • Ширина 990 мм.
  • Высота 350 мм.
  • Вес 1540 кг.
  • Объем бетона 0,615 м3
  • Геометрический объем 2,0686 м3
Цена: 20879 руб.
Подробнее
ПК 2 а (1-82)
Плиты перекрытий ребристые Серия 1-82
  • Длина 5970 мм.
  • Ширина 990 мм.
  • Высота 350 мм.
  • Вес 1540 кг.
  • Объем бетона 0,615 м3
  • Геометрический объем 2,0686 м3
Цена: 20879 руб.
Подробнее
ПК 3 а (1-82)
Плиты перекрытий ребристые Серия 1-82
  • Длина 5970 мм.
  • Ширина 990 мм.
  • Высота 350 мм.
  • Вес 1540 кг.
  • Объем бетона 0,615 м3
  • Геометрический объем 2,0686 м3
Цена: 20879 руб.
Подробнее
ПК 3 (1-82)
Плиты перекрытий ребристые Серия 1-82
  • Длина 5970 мм.
  • Ширина 990 мм.
  • Высота 350 мм.
  • Вес 1630 кг.
  • Объем бетона 0,65 м3
  • Геометрический объем 2,0686 м3
Цена: 22068 руб.
Подробнее
ПК 4 (1-82)
Плиты перекрытий ребристые Серия 1-82
  • Длина 5970 мм.
  • Ширина 990 мм.
  • Высота 350 мм.
  • Вес 1630 кг.
  • Объем бетона 0,65 м3
  • Геометрический объем 2,0686 м3
Цена: 22068 руб.
Подробнее
ПК 5 (1-82)
Плиты перекрытий ребристые Серия 1-82
  • Длина 5970 мм.
  • Ширина 990 мм.
  • Высота 350 мм.
  • Вес 1630 кг.
  • Объем бетона 0,65 м3
  • Геометрический объем 2,0686 м3
Цена: 22068 руб.
Подробнее
ПК 4 а (1-82)
Плиты перекрытий ребристые Серия 1-82
  • Длина 5970 мм.
  • Ширина 990 мм.
  • Высота 350 мм.
  • Вес 1540 кг.
  • Объем бетона 0,615 м3
  • Геометрический объем 2,0686 м3
Цена: 20879 руб.
Подробнее
ПКТ 1 (1-82)
Плиты перекрытий ребристые Серия 1-82
  • Длина 5970 мм.
  • Ширина 990 мм.
  • Высота 350 мм.
  • Вес 1630 кг.
  • Объем бетона 0,65 м3
  • Геометрический объем 2,0686 м3
Цена: 22068 руб.
Подробнее
ПК 5 а (1-82)
Плиты перекрытий ребристые Серия 1-82
  • Длина 5970 мм.
  • Ширина 990 мм.
  • Высота 350 мм.
  • Вес 1540 кг.
  • Объем бетона 0,615 м3
  • Геометрический объем 2,0686 м3
Цена: 20879 руб.
Подробнее
ПКТ 2 (1-82)
Плиты перекрытий ребристые Серия 1-82
  • Длина 5970 мм.
  • Ширина 990 мм.
  • Высота 350 мм.
  • Вес 1630 кг.
  • Объем бетона 0,65 м3
  • Геометрический объем 2,0686 м3
Цена: 22068 руб.
Подробнее
ПКТ 3 (1-82)
Плиты перекрытий ребристые Серия 1-82
  • Длина 5970 мм.
  • Ширина 990 мм.
  • Высота 350 мм.
  • Вес 1630 кг.
  • Объем бетона 0,65 м3
  • Геометрический объем 2,0686 м3
Цена: 22068 руб.
Подробнее
ПН 1 (1-82)
Плиты перекрытий ребристые Серия 1-82
  • Длина 5970 мм.
  • Ширина 990 мм.
  • Высота 350 мм.
  • Вес 1550 кг.
  • Объем бетона 0,62 м3
  • Геометрический объем 2,0686 м3
Цена: 21049 руб.
Подробнее
ПН 1 с отв (1-82)
Плиты перекрытий ребристые Серия 1-82
  • Длина 5970 мм.
  • Ширина 990 мм.
  • Высота 350 мм.
  • Вес 1550 кг.
  • Объем бетона 0,62 м3
  • Геометрический объем 2,0686 м3
Цена: 21049 руб.
Подробнее
ПН 2 (1-82)
Плиты перекрытий ребристые Серия 1-82
  • Длина 5970 мм.
  • Ширина 990 мм.
  • Высота 350 мм.
  • Вес 1550 кг.
  • Объем бетона 0,62 м3
  • Геометрический объем 2,0686 м3
Цена: 21049 руб.
Подробнее
ПКТ 5 (1-82)
Плиты перекрытий ребристые Серия 1-82
  • Длина 5970 мм.
  • Ширина 990 мм.
  • Высота 350 мм.
  • Вес 1630 кг.
  • Объем бетона 0,65 м3
  • Геометрический объем 2,0686 м3
Цена: 22068 руб.
Подробнее
ПКТ 4 (1-82)
Плиты перекрытий ребристые Серия 1-82
  • Длина 5970 мм.
  • Ширина 990 мм.
  • Высота 350 мм.
  • Вес 1630 кг.
  • Объем бетона 0,65 м3
  • Геометрический объем 2,0686 м3
Цена: 22068 руб.
Подробнее
ПН 3 с отв (1-82)
Плиты перекрытий ребристые Серия 1-82
  • Длина 5970 мм.
  • Ширина 990 мм.
  • Высота 350 мм.
  • Вес 1550 кг.
  • Объем бетона 0,62 м3
  • Геометрический объем 2,0686 м3
Цена: 21049 руб.
Подробнее
ПН 3 (1-82)
Плиты перекрытий ребристые Серия 1-82
  • Длина 5970 мм.
  • Ширина 990 мм.
  • Высота 350 мм.
  • Вес 1550 кг.
  • Объем бетона 0,62 м3
  • Геометрический объем 2,0686 м3
Цена: 21049 руб.
Подробнее
ПН 2 с отв (1-82)
Плиты перекрытий ребристые Серия 1-82
  • Длина 5970 мм.
  • Ширина 990 мм.
  • Высота 350 мм.
  • Вес 1550 кг.
  • Объем бетона 0,62 м3
  • Геометрический объем 2,0686 м3
Цена: 21049 руб.
Подробнее
ПН 4 с отв (1-82)
Плиты перекрытий ребристые Серия 1-82
  • Длина 5970 мм.
  • Ширина 990 мм.
  • Высота 350 мм.
  • Вес 1550 кг.
  • Объем бетона 0,62 м3
  • Геометрический объем 2,0686 м3
Цена: 21049 руб.
Подробнее
ПН 4 (1-82)
Плиты перекрытий ребристые Серия 1-82
  • Длина 5970 мм.
  • Ширина 990 мм.
  • Высота 350 мм.
  • Вес 1550 кг.
  • Объем бетона 0,62 м3
  • Геометрический объем 2,0686 м3
Цена: 21049 руб.
Подробнее
ПН 5 (1-82)
Плиты перекрытий ребристые Серия 1-82
  • Длина 5970 мм.
  • Ширина 990 мм.
  • Высота 350 мм.
  • Вес 1550 кг.
  • Объем бетона 0,62 м3
  • Геометрический объем 2,0686 м3
Цена: 21049 руб.
Подробнее
ПН 5 с отв (1-82)
Плиты перекрытий ребристые Серия 1-82
  • Длина 5970 мм.
  • Ширина 990 мм.
  • Высота 350 мм.
  • Вес 1550 кг.
  • Объем бетона 0,62 м3
  • Геометрический объем 2,0686 м3
Цена: 21049 руб.
Подробнее
ПНС 5 (1-82)
Плиты перекрытий ребристые Серия 1-82
  • Длина 5970 мм.
  • Ширина 990 мм.
  • Высота 350 мм.
  • Вес 1550 кг.
  • Объем бетона 0,62 м3
  • Геометрический объем 2,0686 м3
Цена: 21049 руб.
Подробнее
ПНС 1 (1-82)
Плиты перекрытий ребристые Серия 1-82
  • Длина 5970 мм.
  • Ширина 990 мм.
  • Высота 350 мм.
  • Вес 1550 кг.
  • Объем бетона 0,62 м3
  • Геометрический объем 2,0686 м3
Цена: 21049 руб.
Подробнее
ПНС 2 (1-82)
Плиты перекрытий ребристые Серия 1-82
  • Длина 5970 мм.
  • Ширина 990 мм.
  • Высота 350 мм.
  • Вес 1550 кг.
  • Объем бетона 0,62 м3
  • Геометрический объем 2,0686 м3
Цена: 21049 руб.
Подробнее
ПНС 3 (1-82)
Плиты перекрытий ребристые Серия 1-82
  • Длина 5970 мм.
  • Ширина 990 мм.
  • Высота 350 мм.
  • Вес 1550 кг.
  • Объем бетона 0,62 м3
  • Геометрический объем 2,0686 м3
Цена: 21049 руб.
Подробнее
ПНС 4 (1-82)
Плиты перекрытий ребристые Серия 1-82
  • Длина 5970 мм.
  • Ширина 990 мм.
  • Высота 350 мм.
  • Вес 1550 кг.
  • Объем бетона 0,62 м3
  • Геометрический объем 2,0686 м3
Цена: 21049 руб.
Подробнее
ПНТ 1 (1-82)
Плиты перекрытий ребристые Серия 1-82
  • Длина 5970 мм.
  • Ширина 990 мм.
  • Высота 350 мм.
  • Вес 1550 кг.
  • Объем бетона 0,62 м3
  • Геометрический объем 2,0686 м3
Цена: 21049 руб.
Подробнее
ПНТ 2 (1-82)
Плиты перекрытий ребристые Серия 1-82
  • Длина 5970 мм.
  • Ширина 990 мм.
  • Высота 350 мм.
  • Вес 1550 кг.
  • Объем бетона 0,62 м3
  • Геометрический объем 2,0686 м3
Цена: 21049 руб.
Подробнее
ПНТ 4 (1-82)
Плиты перекрытий ребристые Серия 1-82
  • Длина 5970 мм.
  • Ширина 990 мм.
  • Высота 350 мм.
  • Вес 1550 кг.
  • Объем бетона 0,62 м3
  • Геометрический объем 2,0686 м3
Цена: 21049 руб.
Подробнее
ПНТ 3 (1-82)
Плиты перекрытий ребристые Серия 1-82
  • Длина 5970 мм.
  • Ширина 990 мм.
  • Высота 350 мм.
  • Вес 1550 кг.
  • Объем бетона 0,62 м3
  • Геометрический объем 2,0686 м3
Цена: 21049 руб.
Подробнее
ПНТ 5 (1-82)
Плиты перекрытий ребристые Серия 1-82
  • Длина 5970 мм.
  • Ширина 990 мм.
  • Высота 350 мм.
  • Вес 1550 кг.
  • Объем бетона 0,62 м3
  • Геометрический объем 2,0686 м3
Цена: 21049 руб.
Подробнее
ПС 1 (1-82)
Плиты перекрытий ребристые Серия 1-82
  • Длина 5970 мм.
  • Ширина 990 мм.
  • Высота 350 мм.
  • Вес 1550 кг.
  • Объем бетона 0,62 м3
  • Геометрический объем 2,0686 м3
Цена: 21049 руб.
Подробнее
ПС 2 (1-82)
Плиты перекрытий ребристые Серия 1-82
  • Длина 5970 мм.
  • Ширина 990 мм.
  • Высота 350 мм.
  • Вес 1550 кг.
  • Объем бетона 0,62 м3
  • Геометрический объем 2,0686 м3
Цена: 21049 руб.
Подробнее
ПС 3 (1-82)
Плиты перекрытий ребристые Серия 1-82
  • Длина 5970 мм.
  • Ширина 990 мм.
  • Высота 350 мм.
  • Вес 1550 кг.
  • Объем бетона 0,62 м3
  • Геометрический объем 2,0686 м3
Цена: 21049 руб.
Подробнее
ПТ 1 (1-82)
Плиты перекрытий ребристые Серия 1-82
  • Длина 5970 мм.
  • Ширина 990 мм.
  • Высота 350 мм.
  • Вес 1550 кг.
  • Объем бетона 0,62 м3
  • Геометрический объем 2,0686 м3
Цена: 21049 руб.
Подробнее
ПТ 2 (1-82)
Плиты перекрытий ребристые Серия 1-82
  • Длина 5970 мм.
  • Ширина 990 мм.
  • Высота 350 мм.
  • Вес 1550 кг.
  • Объем бетона 0,62 м3
  • Геометрический объем 2,0686 м3
Цена: 21049 руб.
Подробнее
ПТ 3 (1-82)
Плиты перекрытий ребристые Серия 1-82
  • Длина 5970 мм.
  • Ширина 990 мм.
  • Высота 350 мм.
  • Вес 1550 кг.
  • Объем бетона 0,62 м3
  • Геометрический объем 2,0686 м3
Цена: 21049 руб.
Подробнее
Р 1 (1-82)
Ригели Серия 1-82
  • Длина 5400 мм.
  • Ширина 300 мм.
  • Высота 700 мм.
  • Вес 2830 кг.
  • Объем бетона 1,13 м3
  • Геометрический объем 1,134 м3
Цена: 49325 руб.
Подробнее
Р 10 (1-82)
Ригели Серия 1-82
  • Длина 5400 мм.
  • Ширина 300 мм.
  • Высота 700 мм.
  • Вес 2750 кг.
  • Объем бетона 1,1 м3
  • Геометрический объем 1,134 м3
Цена: 48015 руб.
Подробнее
Р 11 (1-82)
Ригели Серия 1-82
  • Длина 5400 мм.
  • Ширина 300 мм.
  • Высота 700 мм.
  • Вес 2750 кг.
  • Объем бетона 1,1 м3
  • Геометрический объем 1,134 м3
Цена: 48015 руб.
Подробнее
Р 12 (1-82)
Ригели Серия 1-82
  • Длина 5400 мм.
  • Ширина 300 мм.
  • Высота 700 мм.
  • Вес 2750 кг.
  • Объем бетона 1,1 м3
  • Геометрический объем 1,134 м3
Цена: 48015 руб.
Подробнее
Р 14 (1-82)
Ригели Серия 1-82
  • Длина 5400 мм.
  • Ширина 300 мм.
  • Высота 700 мм.
  • Вес 2750 кг.
  • Объем бетона 1,1 м3
  • Геометрический объем 1,134 м3
Цена: 48015 руб.
Подробнее
Р 15 (1-82)
Ригели Серия 1-82
  • Длина 5400 мм.
  • Ширина 300 мм.
  • Высота 700 мм.
  • Вес 2750 кг.
  • Объем бетона 1,1 м3
  • Геометрический объем 1,134 м3
Цена: 48015 руб.
Подробнее
Р 13 (1-82)
Ригели Серия 1-82
  • Длина 5400 мм.
  • Ширина 300 мм.
  • Высота 700 мм.
  • Вес 2750 кг.
  • Объем бетона 1,1 м3
  • Геометрический объем 1,134 м3
Цена: 48015 руб.
Подробнее
Р 16 (1-82)
Ригели Серия 1-82
  • Длина 5400 мм.
  • Ширина 300 мм.
  • Высота 700 мм.
  • Вес 2750 кг.
  • Объем бетона 1,1 м3
  • Геометрический объем 1,134 м3
Цена: 48015 руб.
Подробнее
Р 17 (1-82)
Ригели Серия 1-82
  • Длина 5400 мм.
  • Ширина 300 мм.
  • Высота 700 мм.
  • Вес 2750 кг.
  • Объем бетона 1,1 м3
  • Геометрический объем 1,134 м3
Цена: 48015 руб.
Подробнее
Р 3 (1-82)
Ригели Серия 1-82
  • Длина 5400 мм.
  • Ширина 300 мм.
  • Высота 700 мм.
  • Вес 2830 кг.
  • Объем бетона 1,13 м3
  • Геометрический объем 1,134 м3
Цена: 49325 руб.
Подробнее
Р 2 (1-82)
Ригели Серия 1-82
  • Длина 5400 мм.
  • Ширина 300 мм.
  • Высота 700 мм.
  • Вес 2830 кг.
  • Объем бетона 1,13 м3
  • Геометрический объем 1,134 м3
Цена: 49325 руб.
Подробнее

Уведомление о файлах cookie

Мы используем файлы cookie для улучшения вашего опыта просмотра и анализа трафика. Нажимая "Принять все", вы соглашаетесь с нашей политикой конфиденциальности и политикой обработки файлов cookie.

MAX Дзен Телеграм Вконтакте vk