mobile_sound +7 (930) 655-55-90

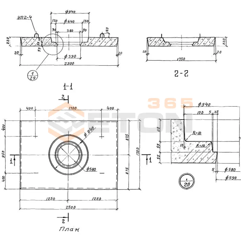
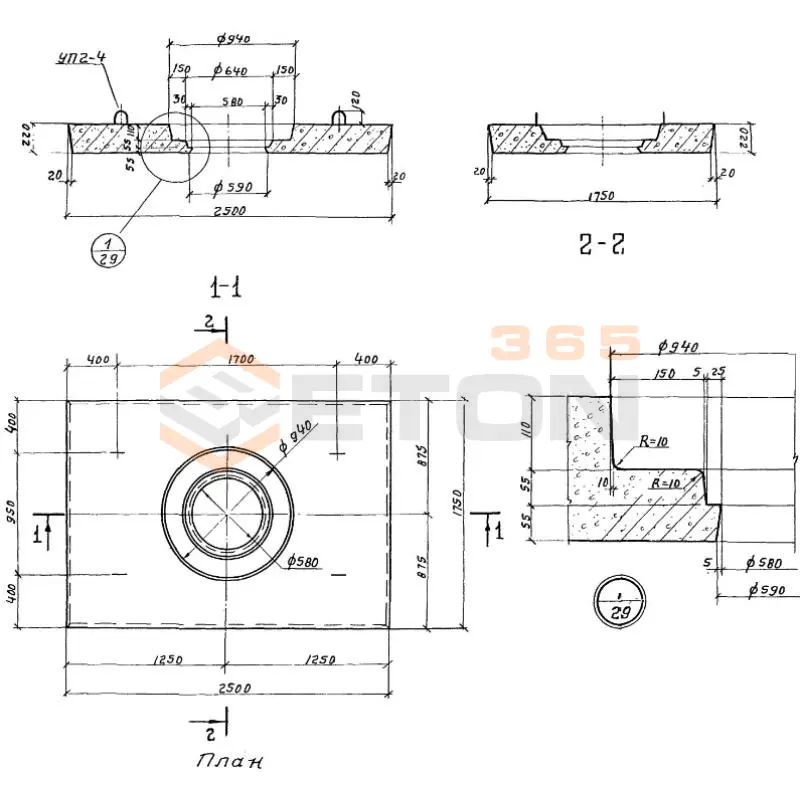
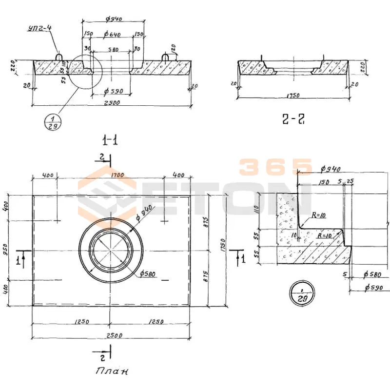
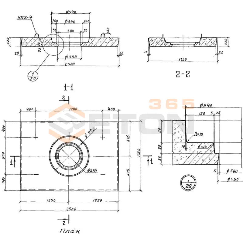
Плиты дорожные Серия 3.900-3, ГОСТ 8020-90, 3.900.1-14

Поделиться:
Фильтр по характеристикам
Длина (мм.)
keyboard_arrow_down
мм.
мм.
Ширина (мм.)
keyboard_arrow_down
мм.
мм.
Высота (мм.)
keyboard_arrow_down
мм.
мм.
Вес (кг.)
keyboard_arrow_down
кг.
кг.
Поделиться:

Завод "Бетон365" производит дорожные плиты серии 3.900-3 — надежное решение для создания временных и постоянных дорожных покрытий, соответствующих строгим требованиям ГОСТ 8020-90. Эти железобетонные изделия обеспечивают равномерное распределение нагрузок и устойчивость к интенсивному движению, что делает их незаменимыми при строительстве подъездных путей, площадок и временных дорог. Использование качественных материалов и точное соблюдение технологии производства гарантируют долговечность и минимальные затраты на обслуживание конструкций.

Мы реализуем дорожные плиты 3.900.1-14 в Москве и МО по конкурентной цене от производителя, что позволяет сэкономить на посредниках. Предлагаем оперативную доставку на объект и гарантию на всю продукцию. Для расчета стоимости и оформления заказа свяжитесь с нашими специалистами — поможем подобрать оптимальное решение для ваших строительных задач.

ПД 10
Плиты дорожные Серия 3.900-3, ГОСТ 8020-90, 3.900.1-14
  • Длина 2800 мм.
  • Ширина 2000 мм.
  • Высота 220 мм.
  • Вес 2500 кг.
  • Объем бетона 0,99 м3
  • Геометрический объем 1,232 м3
Цена: 14405 руб.
Подробнее
ПД 10 с люком чугунным Т
Плиты дорожные Серия 3.900-3, ГОСТ 8020-90, 3.900.1-14
  • Длина 2800 мм.
  • Ширина 2000 мм.
  • Высота 220 мм.
  • Вес 2647,5 кг.
  • Объем бетона 1,059 м3
  • Геометрический объем 1,232 м3
Цена: 15408 руб.
Подробнее
ПД 13
Плиты дорожные Серия 3.900-3, ГОСТ 8020-90, 3.900.1-14
  • Длина 1300 мм.
  • Ширина 930 мм.
  • Высота 220 мм.
  • Вес 575 кг.
  • Объем бетона 0,23 м3
  • Геометрический объем 0,266 м3
Цена: 3347 руб.
Подробнее
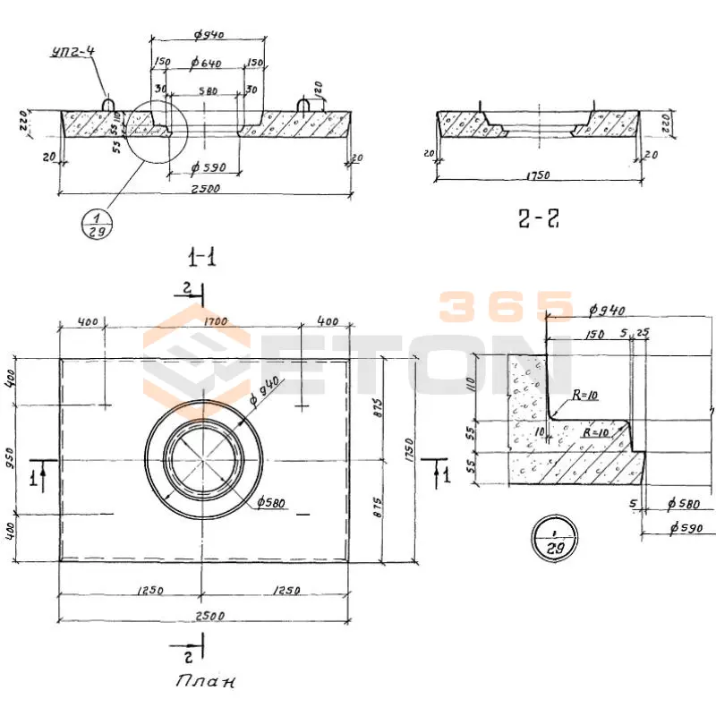
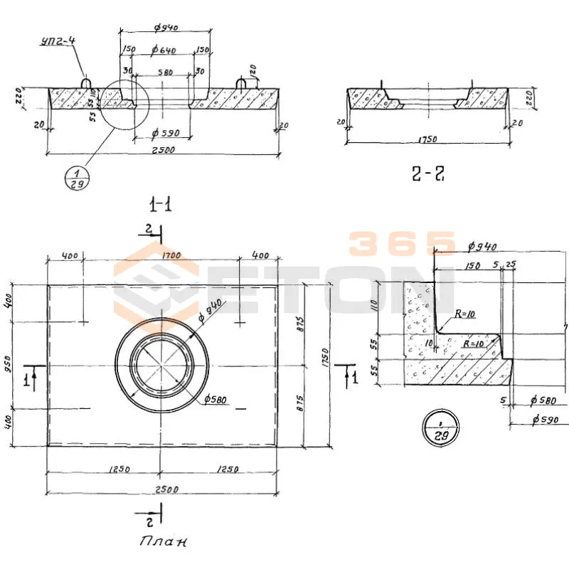
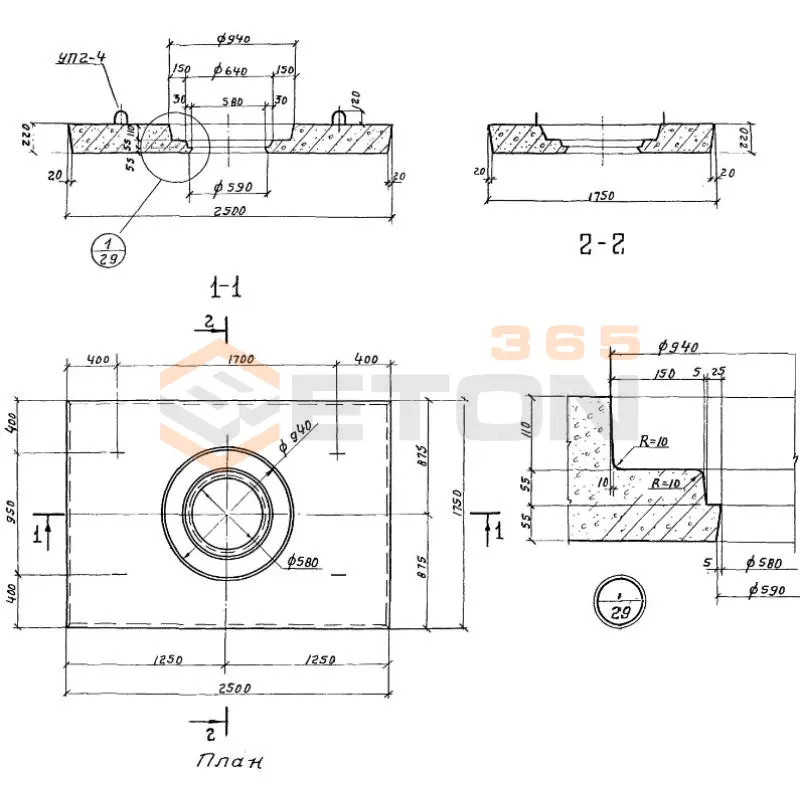
КЦО 3
Плиты дорожные Серия 3.900-3, ГОСТ 8020-90, 3.900.1-14
  • Длина 2500 мм.
  • Ширина 1750 мм.
  • Высота 220 мм.
  • Вес 2260 кг.
  • Объем бетона 0,963 м3
  • Геометрический объем 0,9625 м3
Цена: 14012 руб.
Подробнее
ПД 10 с нишей для люка
Плиты дорожные Серия 3.900-3, ГОСТ 8020-90, 3.900.1-14
  • Длина 2800 мм.
  • Ширина 2000 мм.
  • Высота 220 мм.
  • Вес 2480 кг.
  • Объем бетона 1,059 м3
  • Геометрический объем 1,232 м3
Цена: 15408 руб.
Подробнее
ПД 13-9,3-22
Плиты дорожные Серия 3.900-3, ГОСТ 8020-90, 3.900.1-14
  • Длина 1300 мм.
  • Ширина 930 мм.
  • Высота 220 мм.
  • Вес 575 кг.
  • Объем бетона 0,23 м3
  • Геометрический объем 0,266 м3
Цена: 3347 руб.
Подробнее
ПД 17-9,3-22
Плиты дорожные Серия 3.900-3, ГОСТ 8020-90, 3.900.1-14
  • Длина 1680 мм.
  • Ширина 930 мм.
  • Высота 220 мм.
  • Вес 1075 кг.
  • Объем бетона 0,43 м3
  • Геометрический объем 0,3437 м3
Цена: 6257 руб.
Подробнее
ПД 17
Плиты дорожные Серия 3.900-3, ГОСТ 8020-90, 3.900.1-14
  • Длина 1680 мм.
  • Ширина 930 мм.
  • Высота 220 мм.
  • Вес 1075 кг.
  • Объем бетона 0,43 м3
  • Геометрический объем 0,3437 м3
Цена: 6257 руб.
Подробнее
ПД 17,5
Плиты дорожные Серия 3.900-3, ГОСТ 8020-90, 3.900.1-14
  • Длина 1750 мм.
  • Ширина 1750 мм.
  • Высота 170 мм.
  • Вес 1170 кг.
  • Объем бетона 0,47 м3
  • Геометрический объем 0,5206 м3
Цена: 6839 руб.
Подробнее
ПД 6
Плиты дорожные Серия 3.900-3, ГОСТ 8020-90, 3.900.1-14
  • Длина 2500 мм.
  • Ширина 1750 мм.
  • Высота 220 мм.
  • Вес 2100 кг.
  • Объем бетона 0,85 м3
  • Геометрический объем 0,9625 м3
Цена: 12368 руб.
Подробнее
ПД 6
Плиты дорожные Серия 3.900-3, ГОСТ 8020-90, 3.900.1-14
  • Длина 2000 мм.
  • Ширина 1750 мм.
  • Высота 220 мм.
  • Вес 1800 кг.
  • Объем бетона 0,75 м3
  • Геометрический объем 0,77 м3
Цена: 10913 руб.
Подробнее
ПД 6 д (с дождеприемником)
Плиты дорожные Серия 3.900-3, ГОСТ 8020-90, 3.900.1-14
  • Длина 2000 мм.
  • Ширина 1750 мм.
  • Высота 220 мм.
  • Вес 1680 кг.
  • Объем бетона 0,7 м3
  • Геометрический объем 0,77 м3
Цена: 10185 руб.
Подробнее
ПД 6 и
Плиты дорожные Серия 3.900-3, ГОСТ 8020-90, 3.900.1-14
  • Длина 2500 мм.
  • Ширина 1750 мм.
  • Высота 220 мм.
  • Вес 2100 кг.
  • Объем бетона 0,963 м3
  • Геометрический объем 0,9625 м3
Цена: 14012 руб.
Подробнее
ПД 6 л
Плиты дорожные Серия 3.900-3, ГОСТ 8020-90, 3.900.1-14
  • Длина 2500 мм.
  • Ширина 1750 мм.
  • Высота 220 мм.
  • Вес 2260 кг.
  • Объем бетона 0,963 м3
  • Геометрический объем 0,9625 м3
Цена: 14012 руб.
Подробнее
ПД 6 л-1 (со смещ. отвер)
Плиты дорожные Серия 3.900-3, ГОСТ 8020-90, 3.900.1-14
  • Длина 2000 мм.
  • Ширина 1750 мм.
  • Высота 220 мм.
  • Вес 1680 кг.
  • Объем бетона 0,7 м3
  • Геометрический объем 0,77 м3
Цена: 10185 руб.
Подробнее
ПД 6 с отвер.
Плиты дорожные Серия 3.900-3, ГОСТ 8020-90, 3.900.1-14
  • Длина 2500 мм.
  • Ширина 1750 мм.
  • Высота 220 мм.
  • Вес 2260 кг.
  • Объем бетона 0,963 м3
  • Геометрический объем 0,9625 м3
Цена: 14012 руб.
Подробнее
ПД 6 с люком чугунным тип Т
Плиты дорожные Серия 3.900-3, ГОСТ 8020-90, 3.900.1-14
  • Длина 2500 мм.
  • Ширина 1750 мм.
  • Высота 220 мм.
  • Вес 2400 кг.
  • Объем бетона 0,963 м3
  • Геометрический объем 0,9625 м3
Цена: 14012 руб.
Подробнее
ПД 6-2
Плиты дорожные Серия 3.900-3, ГОСТ 8020-90, 3.900.1-14
  • Длина 2500 мм.
  • Ширина 1750 мм.
  • Высота 220 мм.
  • Вес 2260 кг.
  • Объем бетона 0,963 м3
  • Геометрический объем 0,9625 м3
Цена: 14012 руб.
Подробнее
ПД 6-1
Плиты дорожные Серия 3.900-3, ГОСТ 8020-90, 3.900.1-14
  • Длина 2500 мм.
  • Ширина 1750 мм.
  • Высота 220 мм.
  • Вес 2260 кг.
  • Объем бетона 0,963 м3
  • Геометрический объем 0,9625 м3
Цена: 14012 руб.
Подробнее
ПД ЛТ
Плиты дорожные Серия 3.900-3, ГОСТ 8020-90, 3.900.1-14
  • Длина 2000 мм.
  • Ширина 2000 мм.
  • Высота 220 мм.
  • Вес 2000 кг.
  • Объем бетона 0,8 м3
  • Геометрический объем 0,88 м3
Цена: 11640 руб.
Подробнее
ПД ЛТ
Плиты дорожные Серия 3.900-3, ГОСТ 8020-90, 3.900.1-14
  • Длина 2000 мм.
  • Ширина 2000 мм.
  • Высота 230 мм.
  • Вес 1957 кг.
  • Объем бетона 0,8 м3
  • Геометрический объем 0,92 м3
Цена: 11640 руб.
Подробнее
ПД ЛТ под люк ТВК
Плиты дорожные Серия 3.900-3, ГОСТ 8020-90, 3.900.1-14
  • Длина 2000 мм.
  • Ширина 2000 мм.
  • Высота 220 мм.
  • Вес 2000 кг.
  • Объем бетона 0,8 м3
  • Геометрический объем 0,88 м3
Цена: 11640 руб.
Подробнее
ПД ЛТ под люк ТВК
Плиты дорожные Серия 3.900-3, ГОСТ 8020-90, 3.900.1-14
  • Длина 1700 мм.
  • Ширина 1900 мм.
  • Высота 220 мм.
  • Вес 1250 кг.
  • Объем бетона 0,5 м3
  • Геометрический объем 0,7106 м3
Цена: 7275 руб.
Подробнее
ПД ЛТ с отв. диаметром 700мм
Плиты дорожные Серия 3.900-3, ГОСТ 8020-90, 3.900.1-14
  • Длина 2000 мм.
  • Ширина 2000 мм.
  • Высота 220 мм.
  • Вес 2000 кг.
  • Объем бетона 0,8 м3
  • Геометрический объем 0,88 м3
Цена: 11640 руб.
Подробнее
ПД ЛТк
Плиты дорожные Серия 3.900-3, ГОСТ 8020-90, 3.900.1-14
  • Длина 2000 мм.
  • Ширина 2000 мм.
  • Высота 230 мм.
  • Вес 2000 кг.
  • Объем бетона 0,8 м3
  • Геометрический объем 0,92 м3
Цена: 11640 руб.
Подробнее
ПД ЛТк (с люком ТВК на двух шарнирах)
Плиты дорожные Серия 3.900-3, ГОСТ 8020-90, 3.900.1-14
  • Длина 2000 мм.
  • Ширина 2000 мм.
  • Высота 230 мм.
  • Вес 2140 кг.
  • Объем бетона 0,8 м3
  • Геометрический объем 0,92 м3
Цена: 11640 руб.
Подробнее
ПД ЛТк (с люком тип Т с шарниром)
Плиты дорожные Серия 3.900-3, ГОСТ 8020-90, 3.900.1-14
  • Длина 2000 мм.
  • Ширина 2000 мм.
  • Высота 230 мм.
  • Вес 2080 кг.
  • Объем бетона 0,8 м3
  • Геометрический объем 0,92 м3
Цена: 11640 руб.
Подробнее
ПДЛ 10 т (без люка)
Плиты дорожные Серия 3.900-3, ГОСТ 8020-90, 3.900.1-14
  • Длина 1980 мм.
  • Ширина 1980 мм.
  • Высота 220 мм.
  • Вес 2045 кг.
  • Объем бетона 0,818 м3
  • Геометрический объем 0,8625 м3
Цена: 11902 руб.
Подробнее
ПДЛ 10 т (полим/песч. люк)
Плиты дорожные Серия 3.900-3, ГОСТ 8020-90, 3.900.1-14
  • Длина 1980 мм.
  • Ширина 1980 мм.
  • Высота 220 мм.
  • Вес 2045 кг.
  • Объем бетона 0,818 м3
  • Геометрический объем 0,8625 м3
Цена: 11902 руб.
Подробнее
ПДЛ 6 т (без люка)
Плиты дорожные Серия 3.900-3, ГОСТ 8020-90, 3.900.1-14
  • Длина 1460 мм.
  • Ширина 1460 мм.
  • Высота 220 мм.
  • Вес 1070 кг.
  • Объем бетона 0,428 м3
  • Геометрический объем 0,469 м3
Цена: 6227 руб.
Подробнее
ПДЛ 10 т (чуг. люк)
Плиты дорожные Серия 3.900-3, ГОСТ 8020-90, 3.900.1-14
  • Длина 1980 мм.
  • Ширина 1980 мм.
  • Высота 220 мм.
  • Вес 2045 кг.
  • Объем бетона 0,818 м3
  • Геометрический объем 0,8625 м3
Цена: 11902 руб.
Подробнее
ПДЛ 6 т (чуг. люк)
Плиты дорожные Серия 3.900-3, ГОСТ 8020-90, 3.900.1-14
  • Длина 1460 мм.
  • Ширина 1460 мм.
  • Высота 220 мм.
  • Вес 1070 кг.
  • Объем бетона 0,428 м3
  • Геометрический объем 0,469 м3
Цена: 6227 руб.
Подробнее
ПДЛ 6 т (полим/песч. люк)
Плиты дорожные Серия 3.900-3, ГОСТ 8020-90, 3.900.1-14
  • Длина 1460 мм.
  • Ширина 1460 мм.
  • Высота 220 мм.
  • Вес 1070 кг.
  • Объем бетона 0,428 м3
  • Геометрический объем 0,469 м3
Цена: 6227 руб.
Подробнее

Как правильно выбрать - Плиты дорожные Серия 3.900-3, ГОСТ 8020-90, 3.900.1-14

Плиты дорожные Серия 3.900-3, ГОСТ 8020-90, 3.900.1-14 предназначены для устройства капитальных покрытий автомобильных дорог, площадок промышленного назначения и территорий с интенсивным движением тяжелого транспорта. Их ключевая функция – восприятие и равномерное распределение значительных динамических и статических нагрузок. Долговечность и несущая способность дорожной конструкции в целом определяются точным соответствием характеристик плит дорожных Серии 3.900-3 проектным расчетам и реальным условиям эксплуатации.

Критерии выбора

  • Класс бетона и морозостойкость: Обязательно проверяйте паспорт, где должен быть указан класс бетона по прочности на сжатие (не ниже В30) и марка по морозостойкости F200, что критично для российского климата.
  • Водонепроницаемость: Марка по водонепроницаемости W4 обеспечивает защиту арматурного каркаса от коррозии при сезонном переувлажнении грунта.
  • Типоразмер и конфигурация: В рамках серии 3.900.1-14 выпускаются плиты разной длины и ширины. Уточняйте требуемые габариты (например, ПД 6x2 или ПД 3x1.5) и наличие монтажных петель для безопасной строповки.
  • Расчетная нагрузка: Убедитесь, что плита рассчитана на нормативную нагрузку, соответствующую проекту (например, Н-30 для нагрузок до 30 т на ось).
  • Качество поверхности: Визуально оцените отсутствие трещин, раковин и сколов на лицевой поверхности, что влияет на износостойкость покрытия.
  • Соответствие документации: Изделие должно строго соответствовать чертежам серии 3.900-3 и ГОСТ 8020-90, включая схему армирования и класс применяемой арматурной стали.

Рекомендации по подбору и монтажу

При закупке плит дорожных по Серии 3.900-3 требуйте от поставщика полный комплект технической документации, включая паспорта качества на каждую партию с указанием фактических прочностных характеристик бетона. Для проектировщиков ключевой момент – точный расчет основания. Несущий слой должен быть спланирован и уплотнен до коэффициента 0.98 и более, чтобы исключить просадки и раскрытие швов между плитами.

Монтаж следует вести с использованием грузоподъемной техники соответствующей грузоподъемности, строго за строповочные петли. Укладку производить на выровненное песчаное или щебеночное основание, обеспечивая плотное прилегание плит друг к другу. После укладки обязательна заделка швов цементно-песчаным раствором или герметиком для создания монолитного покрытия и предотвращения миграции влаги в основание.

Ответы экспертов на ваши вопросы

Плиты дорожные ПД 6х2х0.18м (марка 3.900.1-14) изготавливаются из тяжелого бетона класса по прочности на сжатие не ниже В22.5 (М300). Основные характеристики:

  • Габаритные размеры: 6000х2000х180 мм
  • Масса плиты: ~4.3 тонны
  • Расчетная нагрузка: Н-30 (колесная нагрузка 30 тонн) или НК-80 (гусеничная нагрузка 80 тонн)
  • Марка бетона по морозостойкости: F200
  • Марка бетона по водонепроницаемости: W4
  • Рабочая арматура: стальные стержни класса А-III

Плиты предназначены для устройства:

  • Временных автомобильных дорог промышленного и общего назначения
  • Подъездных путей к строительным площадкам
  • Временных покрытий аэродромов
  • Усиления существующих дорожных покрытий
  • Создания технологических площадок Особенно эффективны в условиях слабых грунтов и при необходимости быстрого обустройства дорожного покрытия. Допускается многократный монтаж-демонтаж при аккуратной эксплуатации.

Требования к монтажу:

  • Основание должно быть спланировано и уплотнено (песчаная подушка толщиной 10-15 см)
  • Укладка производится краном грузоподъемностью не менее 6-8 тонн
  • Плиты укладываются вплотную друг к другу с помощью монтажных петель
  • Стыки между плитами заполняются песком или цементно-песчаным раствором
  • Для обеспечения устойчивости рекомендуется укладка на подготовленное основание с минимальными неровностями
  • При необходимости создания покрытия большей ширины плиты укладываются в шахматном порядке

Основные преимущества:

  • Быстрота устройства покрытия (в 5-10 раз быстрее монолитного бетонирования)
  • Возможность демонтажа и повторного использования
  • Независимость от погодных условий при монтаже
  • Возможность эксплуатации сразу после укладки
  • Отсутствие технологических перерывов на набор прочности бетоном
  • Меньшая зависимость от качества грунтов основания
  • Экономическая эффективность при временном использовании
  • Гарантийный срок службы при правильной эксплуатации - не менее 20 лет
  • Срок хранения на складе до монтажа - до 12 месяцев
  • Условия хранения: плиты должны храниться в горизонтальном положении на ровной площадке
  • Подкладки под плитами должны располагаться в местах расположения монтажных петель
  • Высота штабеля не должна превышать 8 рядов (для марки 3.900.1-14)
  • Запрещается сбрасывание плит и хранение с поврежденными монтажными петлями
Ранее смотрели
Блоки боковой стенки Серия 3.503.1-79 БС 6-2
БС 6-2
Блоки боковой стенки Серия 3.503.1-79
1Вв 42-10-2 п
1Вв 42-10-2 п
Изделия для стеновых панелей верхние и нижние Серия 1.131-17
Колонны верхних этажей высотой 3,6; 4,8 и 6,0 м Серия 1.420-12 вып. 4 К 76-1-1
К 76-1-1
Колонны верхних этажей высотой 3,6; 4,8 и 6,0 м Серия 1.420-12 вып. 4

Уведомление о файлах cookie

Мы используем файлы cookie для улучшения вашего опыта просмотра и анализа трафика. Нажимая "Принять все", вы соглашаетесь с нашей политикой конфиденциальности и политикой обработки файлов cookie.

Дзен Телеграм Вконтакте vk