mobile_sound +7 (930) 655-55-90
Накладные проступи для укладки на нижние и рядовые ступени маршей (1ЛН) 1ЛН 12-2

Накладные проступи для укладки на нижние и рядовые ступени маршей (1ЛН) 1ЛН 12-2

Поделиться:
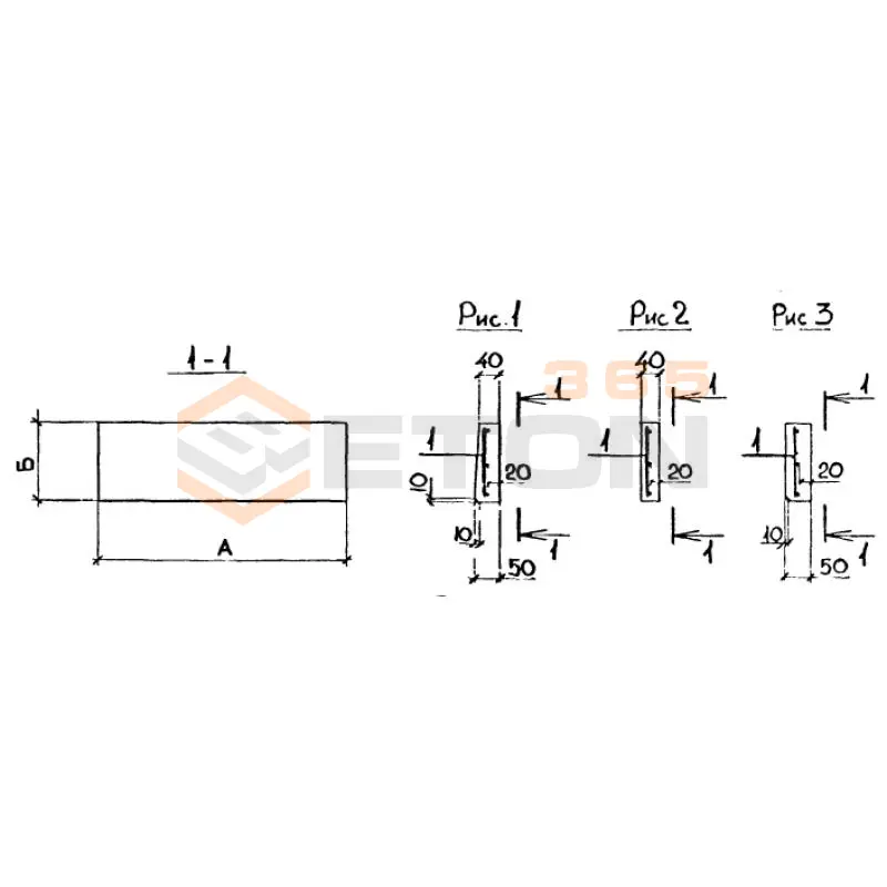
  • Длина 1200 мм.
  • Ширина 220 мм.
  • Высота 35 мм.
  • Вес 23 кг.
  • Объем бетона 0,0092 м3
  • Геометрический объем 0,0092 м3
Внешний вид товаров и/или упаковки может быть изменён изготовителем и отличаться от изображенных на .
Цена: 357 руб.
credit_card
Принимаем оплату в любой форме
delivery_truck_speed
Доставка по МСК и МО
deployed_code_history
Круглосуточная отгрузка товара без выходных
hand_package
Срок поставки на следующий день
star_shine
Контроль качества на каждом этапе

Стандарт изготовления изделия: ГОСТ 9818-85

Накладные проступи 1ЛН 12-2 предназначены для укладки на нижние и рядовые ступени лестничных маршей в зданиях различного назначения. Эти элементы играют важную роль в формировании безопасных и эстетичных лестничных конструкций, соответствующих строгим требованиям строительных норм.

Облицовочные ступени выполняют не только декоративную функцию, но и защищают основную конструкцию от преждевременного износа. В ассортименте представлены модели с разной фактурой поверхности - от классических шлифованных до имитирующих натуральный камень. Такое разнообразие позволяет подобрать оптимальное решение для любого интерьера.

Основные особенности:

  • Изготовлены в строгом соответствии с ГОСТ 9818-85
  • Предназначены для внутренних и наружных лестниц
  • Доступны в различных цветовых решениях
  • Имеют антискользящие свойства

При монтаже важно учитывать обязательный уклон ступеней (не менее 12 мм) для эффективного отвода осадков. В зимний период рекомендуется дополнительно обрабатывать поверхность специальными составами, повышающими безопасность эксплуатации.

Технические характеристики:

Проступи 1ЛН 12-2 отличаются повышенной износостойкостью (истираемость всего 1.8 г/см²) и долговечностью. Они изготавливаются из высококачественного железобетона с дополнительным армированием, что гарантирует их прочность и устойчивость к механическим нагрузкам.

Маркировка изделий содержит всю необходимую информацию о типе, размерах и особенностях поверхности. На боковой грани черной краской наносятся данные о дате производства и массе изделия.

Рекомендации по транспортировке:

Для перевозки следует использовать специализированный транспорт. Элементы укладывают на торцевые грани, прокладывая между слоями мягкий изоляционный материал. Хранение осуществляется в штабелях с обязательной прокладкой деревянных досок толщиной не менее 30 см.

Благодаря продуманной конструкции и высоким эксплуатационным характеристикам, проступи 1ЛН 12-2 являются оптимальным выбором для обустройства безопасных и долговечных лестничных маршей в жилых, общественных и промышленных зданиях.

Похожие товары
1ЛН 10-3 м
Накладные проступи для укладки на нижние и рядовые ступени маршей (1ЛН)
  • Длина 1000 мм.
  • Ширина 320 мм.
  • Высота 50 мм.
  • Вес 35 кг.
  • Объем бетона 0,014 м3
  • Геометрический объем 0,016 м3
Цена: 543 руб.
Подробнее
1ЛН 10,5-3 м
Накладные проступи для укладки на нижние и рядовые ступени маршей (1ЛН)
  • Длина 1050 мм.
  • Ширина 320 мм.
  • Высота 50 мм.
  • Вес 38 кг.
  • Объем бетона 0,015 м3
  • Геометрический объем 0,0168 м3
Цена: 582 руб.
Подробнее
1ЛН 12-2 ш
Накладные проступи для укладки на нижние и рядовые ступени маршей (1ЛН)
  • Длина 1200 мм.
  • Ширина 220 мм.
  • Высота 35 мм.
  • Вес 23 кг.
  • Объем бетона 0,0092 м3
  • Геометрический объем 0,0092 м3
Цена: 357 руб.
Подробнее
1ЛН 12-3
Накладные проступи для укладки на нижние и рядовые ступени маршей (1ЛН)
  • Длина 1210 мм.
  • Ширина 320 мм.
  • Высота 50 мм.
  • Вес 44 кг.
  • Объем бетона 0,017 м3
  • Геометрический объем 0,0194 м3
Цена: 660 руб.
Подробнее
Ранее смотрели
Накладные проступи для укладки на нижние и рядовые ступени маршей (1ЛН) 1ЛН 12-2
1ЛН 12-2
Накладные проступи для укладки на нижние и рядовые ступени маршей (1ЛН)
Плиты железобетонные ленточных фундаментов (фундаментные подушки) серия 1.112-5 и ГОСТ 13580-85 ФЛ 6-24-4
ФЛ 6-24-4
Плиты железобетонные ленточных фундаментов (фундаментные подушки) серия 1.112-5 и ГОСТ 13580-85
Лестничные площадки ребристые 2ЛП серия 1.152.1-8 ( 1.152-3 ) и ГОСТ 9818-85 ЛПР 25-18 в
ЛПР 25-18 в
Лестничные площадки ребристые 2ЛП серия 1.152.1-8 ( 1.152-3 ) и ГОСТ 9818-85
Лестничные площадки ребристые 2ЛП серия 1.152.1-8 ( 1.152-3 ) и ГОСТ 9818-85 2ЛП 25-18-4
2ЛП 25-18-4
Лестничные площадки ребристые 2ЛП серия 1.152.1-8 ( 1.152-3 ) и ГОСТ 9818-85
Плиты железобетонные ленточных фундаментов (фундаментные подушки) серия 1.112-5 и ГОСТ 13580-85 ФЛ 24-8-1
ФЛ 24-8-1
Плиты железобетонные ленточных фундаментов (фундаментные подушки) серия 1.112-5 и ГОСТ 13580-85
Лестничные площадки ребристые 2ЛП серия 1.152.1-8 ( 1.152-3 ) и ГОСТ 9818-85 2ЛП 25-15в-4 п
2ЛП 25-15в-4 п
Лестничные площадки ребристые 2ЛП серия 1.152.1-8 ( 1.152-3 ) и ГОСТ 9818-85
Плиты железобетонные ленточных фундаментов (фундаментные подушки) серия 1.112-5 и ГОСТ 13580-85 ФЛ 28-12-1
ФЛ 28-12-1
Плиты железобетонные ленточных фундаментов (фундаментные подушки) серия 1.112-5 и ГОСТ 13580-85
Фундаментные блоки сплошные ФБС серия 1.116.1-8 и ГОСТ 13579-78 ФБС 12-4-6 т-1
ФБС 12-4-6 т-1
Фундаментные блоки сплошные ФБС серия 1.116.1-8 и ГОСТ 13579-78
Вопросы? 5 вещей, которые нужно узнать за 5 минут или меньше.
Чтобы узнать больше о нас, ознакомьтесь с нашими техническими документами
или свяжитесь с нами.

Да. Мы изготавливаем ЖБИ по индивидуальным чертежам и размерам, учитывая специфику вашего проекта.

Да. Для крупных заказов и постоянных партнёров действуют специальные цены и индивидуальные условия сотрудничества.

Мы располагаем собственным автопарком для доставки ЖБИ, а также организуем железнодорожные и морские перевозки при необходимости.

Уведомление о файлах cookie

Мы используем файлы cookie для улучшения вашего опыта просмотра и анализа трафика. Нажимая "Принять все", вы соглашаетесь с нашей политикой конфиденциальности и политикой обработки файлов cookie.

Дзен Телеграм Вконтакте vk