mobile_sound +7 (930) 655-55-90

Техническая документация и чертежи (ТПР 901-09-11.84)

Поделиться:
Поделиться:

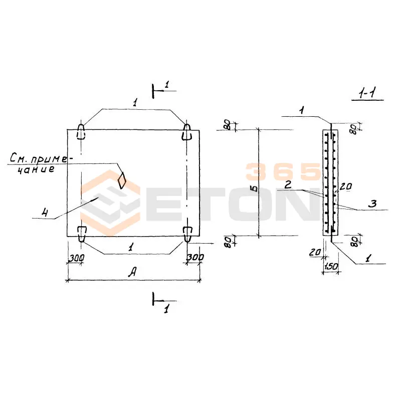
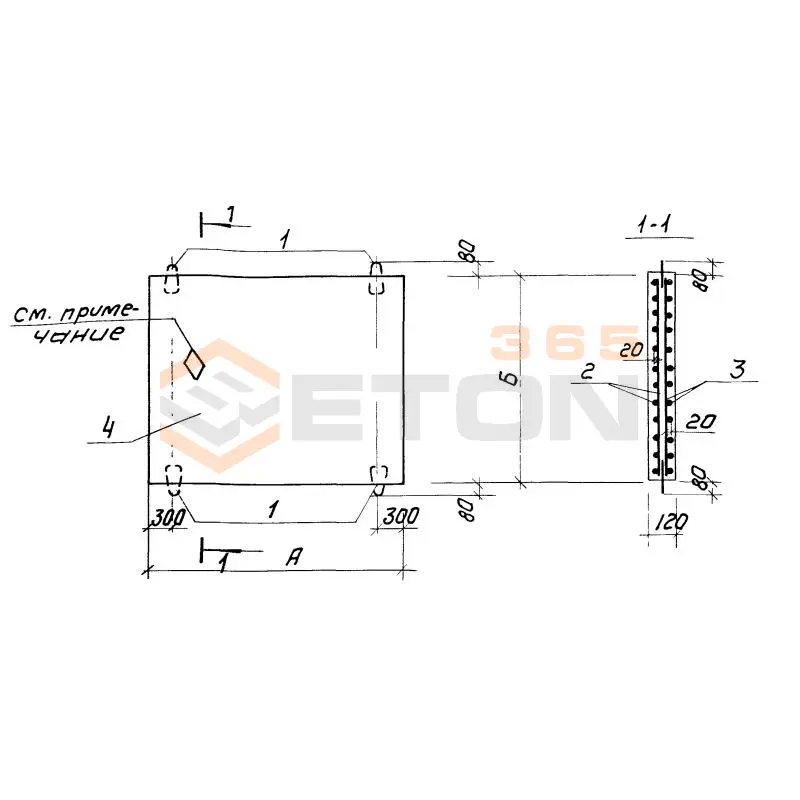
Документ ТПР 901-09-11.84 описывает область применения, номенклатуру и ключевые требования, опираясь на действующие нормы и практику проектирования. Типовые проектные решения ТПР 901-09-11.84 состоят из шести альбомов, объединяющих в себе информацию об особенностях обустройства водопроводных колодцев. Разработками нормативного документа занимался проектный институт ЦНИИЭП, введение в действие состоялось с мая 1983 года после утверждения уполномоченными государственными органами. В нормативе детально разъясняются все тонкости и нюансы проектирования и проведения монтажных работ по установке круглых и прямоугольных колодцев, подходящих под трубы с диаметрами от 50 до 1200 мм в зависимости от материала труб и конструкционных особенностей колодезного сооружения.

Файлы для скачивания:
picture_as_pdf

2327.pdf

2,427.1 KB

скачать
picture_as_pdf

2328.pdf

5,587.8 KB

скачать
picture_as_pdf

2329.pdf

8,934.9 KB

скачать
picture_as_pdf

2330.pdf

15,815.7 KB

скачать
picture_as_pdf

2331.pdf

4,980.6 KB

скачать
picture_as_pdf

2332.pdf

7,146.4 KB

скачать
Товары ТПР 901-09-11.84 (31)
Д 25-20
Плиты днища ТПР 901-09-11.84
  • Длина 3000 мм.
  • Ширина 2500 мм.
  • Высота 120 мм.
  • Вес 2250 кг.
  • Объем бетона 0,9 м3
  • Геометрический объем 0,9 м3
Цена: 13095 руб.
Подробнее
Д 25-25
Плиты днища ТПР 901-09-11.84
  • Длина 3000 мм.
  • Ширина 3000 мм.
  • Высота 120 мм.
  • Вес 2700 кг.
  • Объем бетона 1,08 м3
  • Геометрический объем 1,08 м3
Цена: 15714 руб.
Подробнее
Д 30-20
Плиты днища ТПР 901-09-11.84
  • Длина 3500 мм.
  • Ширина 2500 мм.
  • Высота 120 мм.
  • Вес 2620 кг.
  • Объем бетона 1,048 м3
  • Геометрический объем 1,05 м3
Цена: 15248 руб.
Подробнее
Д 30-25
Плиты днища ТПР 901-09-11.84
  • Длина 3500 мм.
  • Ширина 3000 мм.
  • Высота 150 мм.
  • Вес 3950 кг.
  • Объем бетона 1,575 м3
  • Геометрический объем 1,575 м3
Цена: 22916 руб.
Подробнее
Д 30-30
Плиты днища ТПР 901-09-11.84
  • Длина 3500 мм.
  • Ширина 3500 мм.
  • Высота 150 мм.
  • Вес 4600 кг.
  • Объем бетона 1,8375 м3
  • Геометрический объем 1,8375 м3
Цена: 26736 руб.
Подробнее
Д 35-25
Плиты днища ТПР 901-09-11.84
  • Длина 4000 мм.
  • Ширина 3000 мм.
  • Высота 150 мм.
  • Вес 4500 кг.
  • Объем бетона 1,8 м3
  • Геометрический объем 1,8 м3
Цена: 26190 руб.
Подробнее
Д 35-20
Плиты днища ТПР 901-09-11.84
  • Длина 4000 мм.
  • Ширина 2500 мм.
  • Высота 120 мм.
  • Вес 3000 кг.
  • Объем бетона 1,2 м3
  • Геометрический объем 1,2 м3
Цена: 17460 руб.
Подробнее
Д 35-30
Плиты днища ТПР 901-09-11.84
  • Длина 4000 мм.
  • Ширина 3500 мм.
  • Высота 150 мм.
  • Вес 5250 кг.
  • Объем бетона 2,1 м3
  • Геометрический объем 2,1 м3
Цена: 30555 руб.
Подробнее
Д 35-35
Плиты днища ТПР 901-09-11.84
  • Длина 4000 мм.
  • Ширина 4000 мм.
  • Высота 150 мм.
  • Вес 6000 кг.
  • Объем бетона 2,4 м3
  • Геометрический объем 2,4 м3
Цена: 34920 руб.
Подробнее
Д 40-20
Плиты днища ТПР 901-09-11.84
  • Длина 4500 мм.
  • Ширина 2500 мм.
  • Высота 120 мм.
  • Вес 3240 кг.
  • Объем бетона 1,35 м3
  • Геометрический объем 1,35 м3
Цена: 19643 руб.
Подробнее
Д 40-25
Плиты днища ТПР 901-09-11.84
  • Длина 4500 мм.
  • Ширина 3000 мм.
  • Высота 150 мм.
  • Вес 5050 кг.
  • Объем бетона 2,025 м3
  • Геометрический объем 2,025 м3
Цена: 29464 руб.
Подробнее
Д 40-30
Плиты днища ТПР 901-09-11.84
  • Длина 4500 мм.
  • Ширина 3500 мм.
  • Высота 150 мм.
  • Вес 5900 кг.
  • Объем бетона 2,3625 м3
  • Геометрический объем 2,3625 м3
Цена: 34374 руб.
Подробнее
Д 40-40
Плиты днища ТПР 901-09-11.84
  • Длина 4500 мм.
  • Ширина 4500 мм.
  • Высота 150 мм.
  • Вес 7600 кг.
  • Объем бетона 3 м3
  • Геометрический объем 3,0375 м3
Цена: 43650 руб.
Подробнее
Д 40-35
Плиты днища ТПР 901-09-11.84
  • Длина 4500 мм.
  • Ширина 4000 мм.
  • Высота 150 мм.
  • Вес 6750 кг.
  • Объем бетона 2,7 м3
  • Геометрический объем 2,7 м3
Цена: 39285 руб.
Подробнее
Д 45-25
Плиты днища ТПР 901-09-11.84
  • Длина 5000 мм.
  • Ширина 3000 мм.
  • Высота 150 мм.
  • Вес 5600 кг.
  • Объем бетона 2,25 м3
  • Геометрический объем 2,25 м3
Цена: 32738 руб.
Подробнее
Д 45-35
Плиты днища ТПР 901-09-11.84
  • Длина 5000 мм.
  • Ширина 4000 мм.
  • Высота 150 мм.
  • Вес 7500 кг.
  • Объем бетона 3 м3
  • Геометрический объем 3 м3
Цена: 43650 руб.
Подробнее
Д 45-40
Плиты днища ТПР 901-09-11.84
  • Длина 5000 мм.
  • Ширина 4500 мм.
  • Высота 150 мм.
  • Вес 8400 кг.
  • Объем бетона 3,375 м3
  • Геометрический объем 3,375 м3
Цена: 49106 руб.
Подробнее
Д 45-30
Плиты днища ТПР 901-09-11.84
  • Длина 5000 мм.
  • Ширина 3500 мм.
  • Высота 150 мм.
  • Вес 6580 кг.
  • Объем бетона 2,625 м3
  • Геометрический объем 2,625 м3
Цена: 38194 руб.
Подробнее
П 21-5 а
Плиты перекрытия ТПР 901-09-11.84
  • Длина 1200 мм.
  • Ширина 2200 мм.
  • Высота 160 мм.
  • Вес 950 кг.
  • Объем бетона 0,38 м3
  • Геометрический объем 0,4224 м3
Цена: 5529 руб.
Подробнее
П 21-5 б
Плиты перекрытия ТПР 901-09-11.84
  • Длина 1350 мм.
  • Ширина 2200 мм.
  • Высота 160 мм.
  • Вес 1100 кг.
  • Объем бетона 0,44 м3
  • Геометрический объем 0,4752 м3
Цена: 6402 руб.
Подробнее
П 21-5 в
Плиты перекрытия ТПР 901-09-11.84
  • Длина 1200 мм.
  • Ширина 2200 мм.
  • Высота 160 мм.
  • Вес 950 кг.
  • Объем бетона 0,38 м3
  • Геометрический объем 0,4224 м3
Цена: 5529 руб.
Подробнее
П 21д-5 а
Плиты перекрытия ТПР 901-09-11.84
  • Длина 340 мм.
  • Ширина 2200 мм.
  • Высота 160 мм.
  • Вес 350 кг.
  • Объем бетона 0,14 м3
  • Геометрический объем 0,1197 м3
Цена: 2037 руб.
Подробнее
П 24-5 а
Плиты перекрытия ТПР 901-09-11.84
  • Длина 1200 мм.
  • Ширина 2700 мм.
  • Высота 180 мм.
  • Вес 1250 кг.
  • Объем бетона 0,5 м3
  • Геометрический объем 0,5832 м3
Цена: 7275 руб.
Подробнее
П 24-5 б
Плиты перекрытия ТПР 901-09-11.84
  • Длина 1350 мм.
  • Ширина 2700 мм.
  • Высота 180 мм.
  • Вес 1450 кг.
  • Объем бетона 0,58 м3
  • Геометрический объем 0,6561 м3
Цена: 8439 руб.
Подробнее
П 26-5 а
Плиты перекрытия ТПР 901-09-11.84
  • Длина 1200 мм.
  • Ширина 3200 мм.
  • Высота 200 мм.
  • Вес 1700 кг.
  • Объем бетона 0,68 м3
  • Геометрический объем 0,768 м3
Цена: 9894 руб.
Подробнее
П 24д-5 а
Плиты перекрытия ТПР 901-09-11.84
  • Длина 340 мм.
  • Ширина 2700 мм.
  • Высота 180 мм.
  • Вес 425 кг.
  • Объем бетона 0,17 м3
  • Геометрический объем 0,1652 м3
Цена: 2474 руб.
Подробнее
П 24-5 в
Плиты перекрытия ТПР 901-09-11.84
  • Длина 1200 мм.
  • Ширина 2700 мм.
  • Высота 180 мм.
  • Вес 1250 кг.
  • Объем бетона 0,5 м3
  • Геометрический объем 0,5832 м3
Цена: 7275 руб.
Подробнее
П 26-5 б
Плиты перекрытия ТПР 901-09-11.84
  • Длина 1350 мм.
  • Ширина 3200 мм.
  • Высота 200 мм.
  • Вес 1925 кг.
  • Объем бетона 0,77 м3
  • Геометрический объем 0,864 м3
Цена: 11204 руб.
Подробнее
П 26-5 в
Плиты перекрытия ТПР 901-09-11.84
  • Длина 1200 мм.
  • Ширина 3200 мм.
  • Высота 200 мм.
  • Вес 1925 кг.
  • Объем бетона 0,77 м3
  • Геометрический объем 0,768 м3
Цена: 11204 руб.
Подробнее
П 26д-5
Плиты перекрытия ТПР 901-09-11.84
  • Длина 1200 мм.
  • Ширина 3200 мм.
  • Высота 200 мм.
  • Вес 950 кг.
  • Объем бетона 0,38 м3
  • Геометрический объем 0,768 м3
Цена: 5529 руб.
Подробнее
П 26д-5 а
Плиты перекрытия ТПР 901-09-11.84
  • Длина 340 мм.
  • Ширина 3200 мм.
  • Высота 200 мм.
  • Вес 550 кг.
  • Объем бетона 0,22 м3
  • Геометрический объем 0,2176 м3
Цена: 3201 руб.
Подробнее

Уведомление о файлах cookie

Мы используем файлы cookie для улучшения вашего опыта просмотра и анализа трафика. Нажимая "Принять все", вы соглашаетесь с нашей политикой конфиденциальности и политикой обработки файлов cookie.

MAX Дзен Телеграм Вконтакте vk