mobile_sound +7 (930) 655-55-90

Техническая документация и чертежи (Шифр 2021-164.1)

Поделиться:
Поделиться:

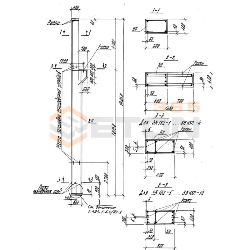
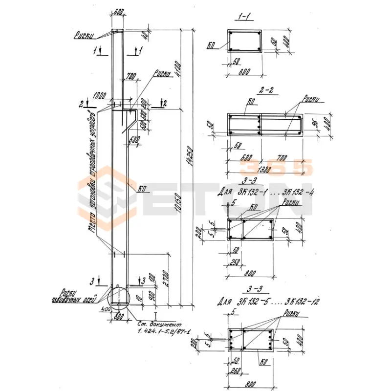
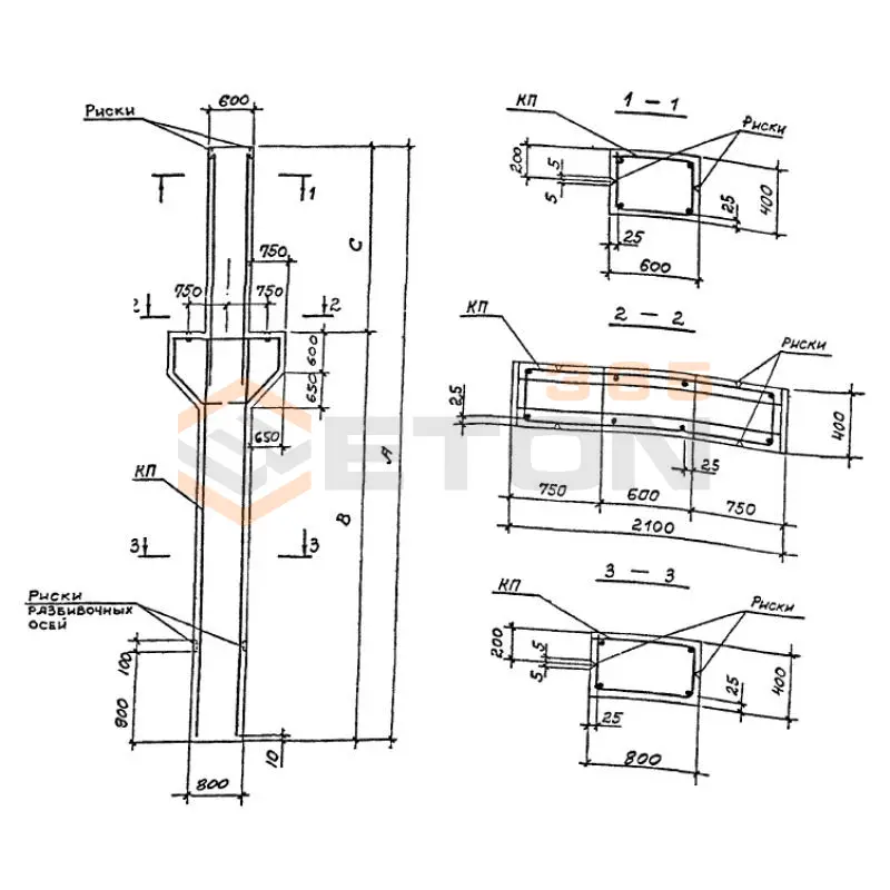
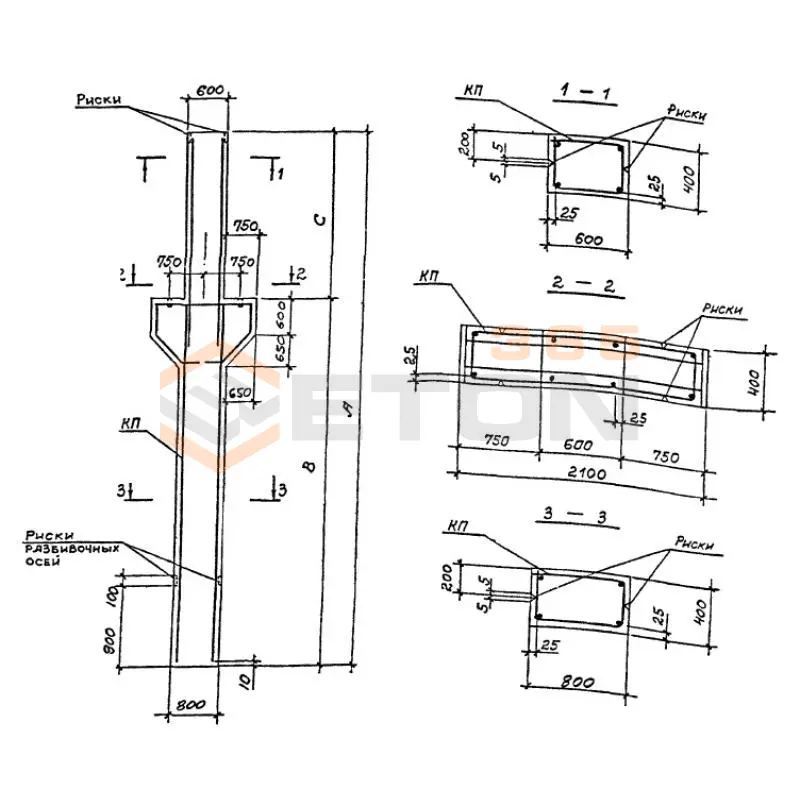
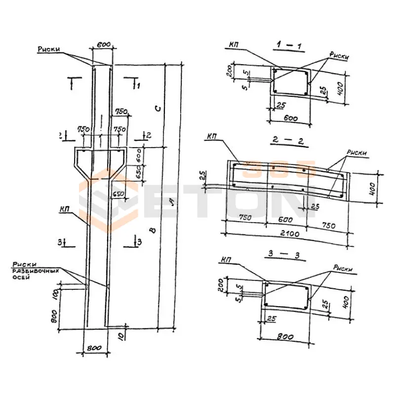
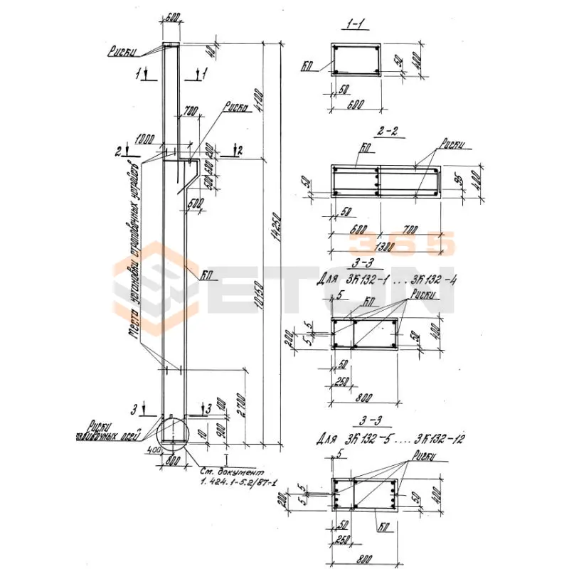
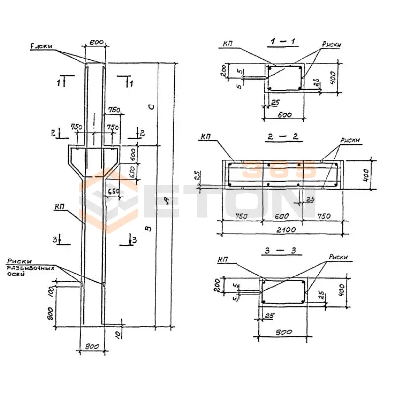
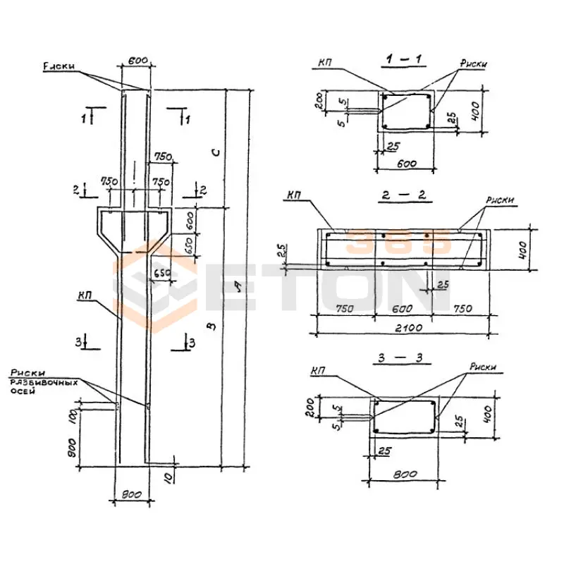
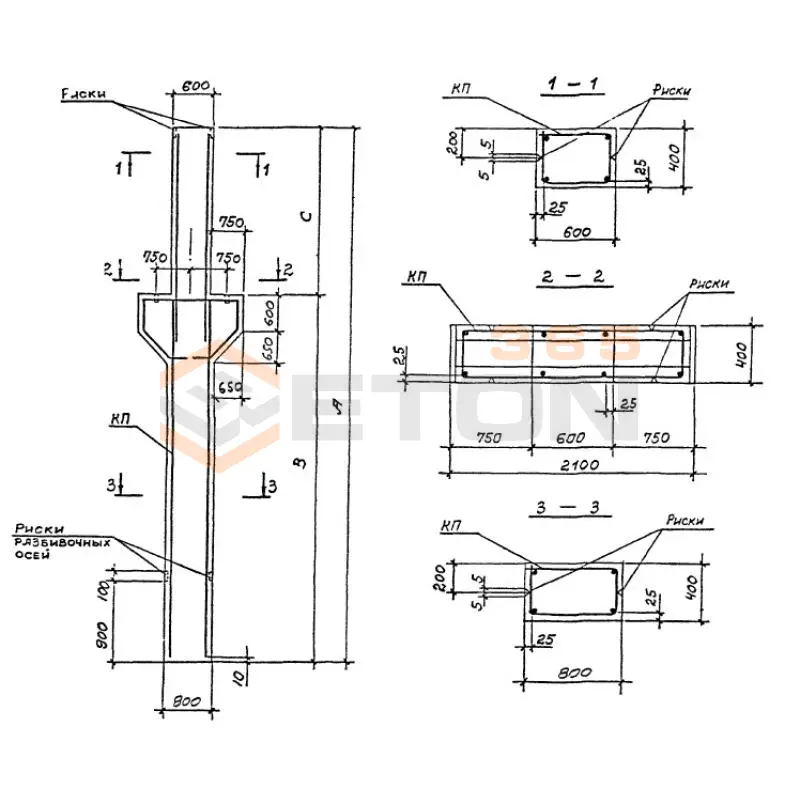
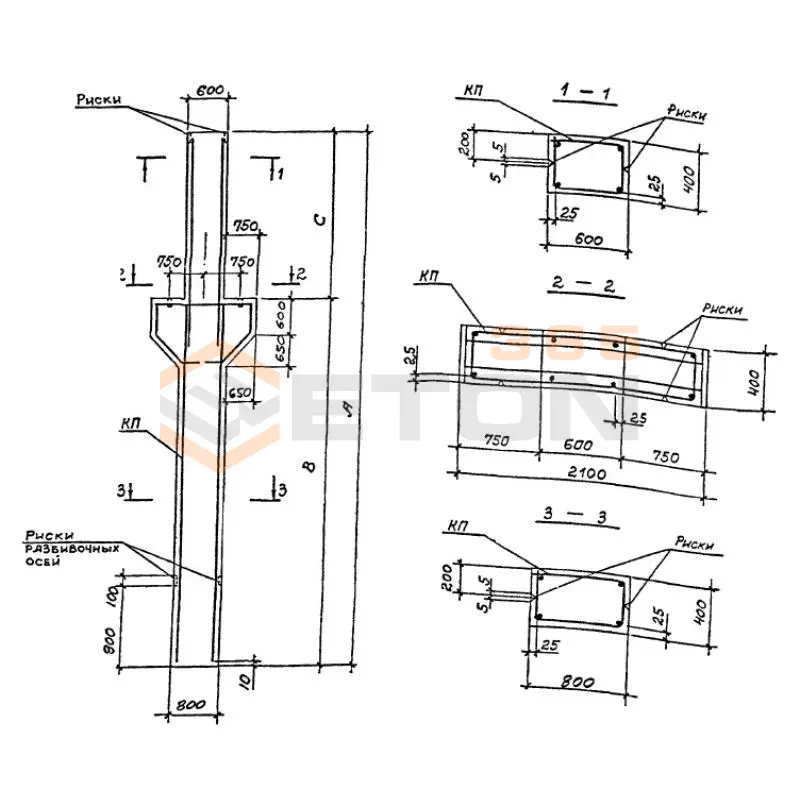
Документ Шифр 2021-164.1 описывает область применения, номенклатуру и ключевые требования, опираясь на действующие нормы и практику проектирования. Шифр 2021-164.1 был разработан проектным институтом ПРОМСТРОЙПРОЕКТ и введён в действие в действие, начиная с июля 1988 года. Основным направлением нормативного документа является отражение сведений, необходимых для производства колонн из железобетона. Конструкции запроектированы для применения при строительстве одноэтажных производственных сооружений и промышленных предприятий, имеющих высоту от 8,4 до 14,4 метров.

Файлы для скачивания:
picture_as_pdf

4916.pdf

10,573.3 KB

скачать
Товары Шифр 2021-164.1 (60)
1КК 108-1 (Шифр 2021-164)
Колонны Шифр 2021-164
  • Длина 11850 мм.
  • Ширина 700 мм.
  • Высота 400 мм.
  • Вес 7600 кг.
  • Объем бетона 3 м3
  • Геометрический объем 3,318 м3
Цена: 61110 руб.
Подробнее
1КК 108-2 (Шифр 2021-164)
Колонны Шифр 2021-164
  • Длина 11850 мм.
  • Ширина 700 мм.
  • Высота 400 мм.
  • Вес 7600 кг.
  • Объем бетона 3 м3
  • Геометрический объем 3,318 м3
Цена: 61110 руб.
Подробнее
1КК 120-2 (Шифр 2021-164)
Колонны Шифр 2021-164
  • Длина 13050 мм.
  • Ширина 700 мм.
  • Высота 400 мм.
  • Вес 8200 кг.
  • Объем бетона 3,3 м3
  • Геометрический объем 3,654 м3
Цена: 67221 руб.
Подробнее
1КК 120-1 (Шифр 2021-164)
Колонны Шифр 2021-164
  • Длина 13050 мм.
  • Ширина 700 мм.
  • Высота 400 мм.
  • Вес 8400 кг.
  • Объем бетона 3,4 м3
  • Геометрический объем 3,654 м3
Цена: 69258 руб.
Подробнее
1КК 84-1 (Шифр 2021-164)
Колонны Шифр 2021-164
  • Длина 9450 мм.
  • Ширина 700 мм.
  • Высота 400 мм.
  • Вес 5900 кг.
  • Объем бетона 2,4 м3
  • Геометрический объем 2,646 м3
Цена: 48888 руб.
Подробнее
1КК 132-1 (Шифр 2021-164)
Колонны Шифр 2021-164
  • Длина 14250 мм.
  • Ширина 800 мм.
  • Высота 400 мм.
  • Вес 10200 кг.
  • Объем бетона 4,1 м3
  • Геометрический объем 4,56 м3
Цена: 83517 руб.
Подробнее
1КК 144-1 (Шифр 2021-164)
Колонны Шифр 2021-164
  • Длина 15450 мм.
  • Ширина 800 мм.
  • Высота 400 мм.
  • Вес 11100 кг.
  • Объем бетона 4,5 м3
  • Геометрический объем 4,944 м3
Цена: 91665 руб.
Подробнее
1КК 96-1 (Шифр 2021-164)
Колонны Шифр 2021-164
  • Длина 10650 мм.
  • Ширина 700 мм.
  • Высота 400 мм.
  • Вес 6700 кг.
  • Объем бетона 2,7 м3
  • Геометрический объем 2,982 м3
Цена: 54999 руб.
Подробнее
1КК 96-2 (Шифр 2021-164)
Колонны Шифр 2021-164
  • Длина 10650 мм.
  • Ширина 700 мм.
  • Высота 400 мм.
  • Вес 6700 кг.
  • Объем бетона 2,7 м3
  • Геометрический объем 2,982 м3
Цена: 54999 руб.
Подробнее
2КК 108-1 (Шифр 2021-164)
Колонны Шифр 2021-164
  • Длина 11850 мм.
  • Ширина 700 мм.
  • Высота 400 мм.
  • Вес 7400 кг.
  • Объем бетона 2,9 м3
  • Геометрический объем 3,318 м3
Цена: 59073 руб.
Подробнее
2КК 132-1 (Шифр 2021-164)
Колонны Шифр 2021-164
  • Длина 14250 мм.
  • Ширина 800 мм.
  • Высота 400 мм.
  • Вес 9900 кг.
  • Объем бетона 4 м3
  • Геометрический объем 4,56 м3
Цена: 81480 руб.
Подробнее
2КК 144-1 (Шифр 2021-164)
Колонны Шифр 2021-164
  • Длина 15450 мм.
  • Ширина 800 мм.
  • Высота 400 мм.
  • Вес 10900 кг.
  • Объем бетона 4,4 м3
  • Геометрический объем 4,944 м3
Цена: 89628 руб.
Подробнее
2КК 84-1 (Шифр 2021-164)
Колонны Шифр 2021-164
  • Длина 9450 мм.
  • Ширина 700 мм.
  • Высота 400 мм.
  • Вес 6800 кг.
  • Объем бетона 2,7 м3
  • Геометрический объем 2,646 м3
Цена: 54999 руб.
Подробнее
2КК 108-2 (Шифр 2021-164)
Колонны Шифр 2021-164
  • Длина 11850 мм.
  • Ширина 700 мм.
  • Высота 400 мм.
  • Вес 7400 кг.
  • Объем бетона 2,9 м3
  • Геометрический объем 3,318 м3
Цена: 59073 руб.
Подробнее
2КК 96-1 (Шифр 2021-164)
Колонны Шифр 2021-164
  • Длина 10650 мм.
  • Ширина 700 мм.
  • Высота 400 мм.
  • Вес 6500 кг.
  • Объем бетона 2,6 м3
  • Геометрический объем 2,982 м3
Цена: 52962 руб.
Подробнее
2КК 96-2 (Шифр 2021-164)
Колонны Шифр 2021-164
  • Длина 10650 мм.
  • Ширина 700 мм.
  • Высота 400 мм.
  • Вес 6500 кг.
  • Объем бетона 2,6 м3
  • Геометрический объем 2,982 м3
Цена: 52962 руб.
Подробнее
3КК 108-2 (Шифр 2021-164)
Колонны Шифр 2021-164
  • Длина 11850 мм.
  • Ширина 700 мм.
  • Высота 400 мм.
  • Вес 8500 кг.
  • Объем бетона 3,4 м3
  • Геометрический объем 3,318 м3
Цена: 69258 руб.
Подробнее
3КК 108-1 (Шифр 2021-164)
Колонны Шифр 2021-164
  • Длина 11850 мм.
  • Ширина 700 мм.
  • Высота 400 мм.
  • Вес 8500 кг.
  • Объем бетона 3,4 м3
  • Геометрический объем 3,318 м3
Цена: 69258 руб.
Подробнее
3КК 144-1 (Шифр 2021-164)
Колонны Шифр 2021-164
  • Длина 15450 мм.
  • Ширина 800 мм.
  • Высота 400 мм.
  • Вес 12000 кг.
  • Объем бетона 4,8 м3
  • Геометрический объем 4,944 м3
Цена: 97776 руб.
Подробнее
3КК 120-1 (Шифр 2021-164)
Колонны Шифр 2021-164
  • Длина 13050 мм.
  • Ширина 700 мм.
  • Высота 400 мм.
  • Вес 9300 кг.
  • Объем бетона 3,7 м3
  • Геометрический объем 3,654 м3
Цена: 75369 руб.
Подробнее
3КК 108-3 (Шифр 2021-164)
Колонны Шифр 2021-164
  • Длина 11850 мм.
  • Ширина 700 мм.
  • Высота 400 мм.
  • Вес 8500 кг.
  • Объем бетона 3,4 м3
  • Геометрический объем 3,318 м3
Цена: 69258 руб.
Подробнее
3КК 132-1 (Шифр 2021-164)
Колонны Шифр 2021-164
  • Длина 14250 мм.
  • Ширина 800 мм.
  • Высота 400 мм.
  • Вес 11000 кг.
  • Объем бетона 4,8 м3
  • Геометрический объем 4,56 м3
Цена: 97776 руб.
Подробнее
3КК 84-1 (Шифр 2021-164)
Колонны Шифр 2021-164
  • Длина 9450 мм.
  • Ширина 800 мм.
  • Высота 400 мм.
  • Вес 8100 кг.
  • Объем бетона 3,2 м3
  • Геометрический объем 3,024 м3
Цена: 65184 руб.
Подробнее
3КК 96-2 (Шифр 2021-164)
Колонны Шифр 2021-164
  • Длина 10650 мм.
  • Ширина 700 мм.
  • Высота 400 мм.
  • Вес 7700 кг.
  • Объем бетона 3,1 м3
  • Геометрический объем 2,982 м3
Цена: 63147 руб.
Подробнее
4КК 120-1 (Шифр 2021-164)
Колонны Шифр 2021-164
  • Длина 13050 мм.
  • Ширина 800 мм.
  • Высота 400 мм.
  • Вес 10100 кг.
  • Объем бетона 4,1 м3
  • Геометрический объем 4,176 м3
Цена: 83517 руб.
Подробнее
4КК 108-2 (Шифр 2021-164)
Колонны Шифр 2021-164
  • Длина 11850 мм.
  • Ширина 800 мм.
  • Высота 400 мм.
  • Вес 9200 кг.
  • Объем бетона 3,7 м3
  • Геометрический объем 3,792 м3
Цена: 75369 руб.
Подробнее
4КК 108-1 (Шифр 2021-164)
Колонны Шифр 2021-164
  • Длина 11850 мм.
  • Ширина 800 мм.
  • Высота 400 мм.
  • Вес 9200 кг.
  • Объем бетона 3,7 м3
  • Геометрический объем 3,792 м3
Цена: 75369 руб.
Подробнее
3КК 96-1 (Шифр 2021-164)
Колонны Шифр 2021-164
  • Длина 10650 мм.
  • Ширина 700 мм.
  • Высота 400 мм.
  • Вес 7700 кг.
  • Объем бетона 3,1 м3
  • Геометрический объем 2,982 м3
Цена: 63147 руб.
Подробнее
4КК 120-2 (Шифр 2021-164)
Колонны Шифр 2021-164
  • Длина 13050 мм.
  • Ширина 800 мм.
  • Высота 400 мм.
  • Вес 10100 кг.
  • Объем бетона 4,1 м3
  • Геометрический объем 4,176 м3
Цена: 83517 руб.
Подробнее
4КК 132-1 (Шифр 2021-164)
Колонны Шифр 2021-164
  • Длина 14250 мм.
  • Ширина 800 мм.
  • Высота 400 мм.
  • Вес 11000 кг.
  • Объем бетона 4,8 м3
  • Геометрический объем 4,56 м3
Цена: 97776 руб.
Подробнее
4КК 96-1 (Шифр 2021-164)
Колонны Шифр 2021-164
  • Длина 10650 мм.
  • Ширина 700 мм.
  • Высота 400 мм.
  • Вес 7600 кг.
  • Объем бетона 3 м3
  • Геометрический объем 2,982 м3
Цена: 61110 руб.
Подробнее
4КК 84-1 (Шифр 2021-164)
Колонны Шифр 2021-164
  • Длина 9450 мм.
  • Ширина 800 мм.
  • Высота 400 мм.
  • Вес 8100 кг.
  • Объем бетона 3,2 м3
  • Геометрический объем 3,024 м3
Цена: 65184 руб.
Подробнее
4КК 144-1 (Шифр 2021-164)
Колонны Шифр 2021-164
  • Длина 15450 мм.
  • Ширина 800 мм.
  • Высота 400 мм.
  • Вес 12000 кг.
  • Объем бетона 4,8 м3
  • Геометрический объем 4,944 м3
Цена: 97776 руб.
Подробнее
4КК 96-2 (Шифр 2021-164)
Колонны Шифр 2021-164
  • Длина 10650 мм.
  • Ширина 700 мм.
  • Высота 400 мм.
  • Вес 7600 кг.
  • Объем бетона 3 м3
  • Геометрический объем 2,982 м3
Цена: 61110 руб.
Подробнее
5КК 108-2 (Шифр 2021-164)
Колонны Шифр 2021-164
  • Длина 11850 мм.
  • Ширина 800 мм.
  • Высота 400 мм.
  • Вес 9100 кг.
  • Объем бетона 3,6 м3
  • Геометрический объем 3,792 м3
Цена: 73332 руб.
Подробнее
5КК 108-1 (Шифр 2021-164)
Колонны Шифр 2021-164
  • Длина 11850 мм.
  • Ширина 800 мм.
  • Высота 400 мм.
  • Вес 9100 кг.
  • Объем бетона 3,6 м3
  • Геометрический объем 3,792 м3
Цена: 73332 руб.
Подробнее
5КК 108-3 (Шифр 2021-164)
Колонны Шифр 2021-164
  • Длина 11850 мм.
  • Ширина 800 мм.
  • Высота 400 мм.
  • Вес 9100 кг.
  • Объем бетона 3,6 м3
  • Геометрический объем 3,792 м3
Цена: 73332 руб.
Подробнее
5КК 120-1 (Шифр 2021-164)
Колонны Шифр 2021-164
  • Длина 13050 мм.
  • Ширина 800 мм.
  • Высота 400 мм.
  • Вес 10000 кг.
  • Объем бетона 4 м3
  • Геометрический объем 4,176 м3
Цена: 81480 руб.
Подробнее
5КК 120-3 (Шифр 2021-164)
Колонны Шифр 2021-164
  • Длина 13050 мм.
  • Ширина 800 мм.
  • Высота 400 мм.
  • Вес 10000 кг.
  • Объем бетона 4 м3
  • Геометрический объем 4,176 м3
Цена: 81480 руб.
Подробнее
5КК 120-2 (Шифр 2021-164)
Колонны Шифр 2021-164
  • Длина 13050 мм.
  • Ширина 800 мм.
  • Высота 400 мм.
  • Вес 10000 кг.
  • Объем бетона 4 м3
  • Геометрический объем 4,176 м3
Цена: 81480 руб.
Подробнее
5КК 132-1 (Шифр 2021-164)
Колонны Шифр 2021-164
  • Длина 14250 мм.
  • Ширина 800 мм.
  • Высота 400 мм.
  • Вес 11000 кг.
  • Объем бетона 4,8 м3
  • Геометрический объем 4,56 м3
Цена: 97776 руб.
Подробнее
5КК 132-2 (Шифр 2021-164)
Колонны Шифр 2021-164
  • Длина 14250 мм.
  • Ширина 800 мм.
  • Высота 400 мм.
  • Вес 11000 кг.
  • Объем бетона 4,8 м3
  • Геометрический объем 4,56 м3
Цена: 97776 руб.
Подробнее
5КК 144-1 (Шифр 2021-164)
Колонны Шифр 2021-164
  • Длина 15450 мм.
  • Ширина 800 мм.
  • Высота 400 мм.
  • Вес 12000 кг.
  • Объем бетона 4,8 м3
  • Геометрический объем 4,944 м3
Цена: 97776 руб.
Подробнее
5КК 96-1 (Шифр 2021-164)
Колонны Шифр 2021-164
  • Длина 10650 мм.
  • Ширина 800 мм.
  • Высота 400 мм.
  • Вес 8900 кг.
  • Объем бетона 3,6 м3
  • Геометрический объем 3,408 м3
Цена: 73332 руб.
Подробнее
6КК 108-1 (Шифр 2021-164)
Колонны Шифр 2021-164
  • Длина 11850 мм.
  • Ширина 800 мм.
  • Высота 400 мм.
  • Вес 9900 кг.
  • Объем бетона 3,9 м3
  • Геометрический объем 3,792 м3
Цена: 79443 руб.
Подробнее
5КК 144-2 (Шифр 2021-164)
Колонны Шифр 2021-164
  • Длина 15450 мм.
  • Ширина 800 мм.
  • Высота 400 мм.
  • Вес 12000 кг.
  • Объем бетона 4,8 м3
  • Геометрический объем 4,944 м3
Цена: 97776 руб.
Подробнее
6КК 120-1 (Шифр 2021-164)
Колонны Шифр 2021-164
  • Длина 13050 мм.
  • Ширина 800 мм.
  • Высота 400 мм.
  • Вес 10800 кг.
  • Объем бетона 4,3 м3
  • Геометрический объем 4,176 м3
Цена: 87591 руб.
Подробнее
6КК 132-1 (Шифр 2021-164)
Колонны Шифр 2021-164
  • Длина 14250 мм.
  • Ширина 800 мм.
  • Высота 400 мм.
  • Вес 11800 кг.
  • Объем бетона 4,7 м3
  • Геометрический объем 4,56 м3
Цена: 95739 руб.
Подробнее
6КК 144-1 (Шифр 2021-164)
Колонны Шифр 2021-164
  • Длина 15450 мм.
  • Ширина 800 мм.
  • Высота 400 мм.
  • Вес 12800 кг.
  • Объем бетона 5,1 м3
  • Геометрический объем 4,944 м3
Цена: 103887 руб.
Подробнее
7КК 108-2 (Шифр 2021-164)
Колонны Шифр 2021-164
  • Длина 11850 мм.
  • Ширина 800 мм.
  • Высота 400 мм.
  • Вес 9900 кг.
  • Объем бетона 3,9 м3
  • Геометрический объем 3,792 м3
Цена: 79443 руб.
Подробнее
6КК 96-1 (Шифр 2021-164)
Колонны Шифр 2021-164
  • Длина 10650 мм.
  • Ширина 800 мм.
  • Высота 400 мм.
  • Вес 8900 кг.
  • Объем бетона 3,6 м3
  • Геометрический объем 3,408 м3
Цена: 73332 руб.
Подробнее
7КК 108-1 (Шифр 2021-164)
Колонны Шифр 2021-164
  • Длина 11850 мм.
  • Ширина 800 мм.
  • Высота 400 мм.
  • Вес 9900 кг.
  • Объем бетона 3,9 м3
  • Геометрический объем 3,792 м3
Цена: 79443 руб.
Подробнее
7КК 120-1 (Шифр 2021-164)
Колонны Шифр 2021-164
  • Длина 13050 мм.
  • Ширина 800 мм.
  • Высота 400 мм.
  • Вес 10800 кг.
  • Объем бетона 4,3 м3
  • Геометрический объем 4,176 м3
Цена: 87591 руб.
Подробнее
7КК 132-1 (Шифр 2021-164)
Колонны Шифр 2021-164
  • Длина 14250 мм.
  • Ширина 800 мм.
  • Высота 400 мм.
  • Вес 11800 кг.
  • Объем бетона 4,7 м3
  • Геометрический объем 4,56 м3
Цена: 95739 руб.
Подробнее
7КК 120-2 (Шифр 2021-164)
Колонны Шифр 2021-164
  • Длина 13050 мм.
  • Ширина 800 мм.
  • Высота 400 мм.
  • Вес 10800 кг.
  • Объем бетона 4,3 м3
  • Геометрический объем 4,176 м3
Цена: 87591 руб.
Подробнее
7КК 132-2 (Шифр 2021-164)
Колонны Шифр 2021-164
  • Длина 14250 мм.
  • Ширина 800 мм.
  • Высота 400 мм.
  • Вес 11800 кг.
  • Объем бетона 4,7 м3
  • Геометрический объем 4,56 м3
Цена: 95739 руб.
Подробнее
7КК 144-2 (Шифр 2021-164)
Колонны Шифр 2021-164
  • Длина 15450 мм.
  • Ширина 800 мм.
  • Высота 400 мм.
  • Вес 12800 кг.
  • Объем бетона 5,1 м3
  • Геометрический объем 4,944 м3
Цена: 103887 руб.
Подробнее
7КК 144-1 (Шифр 2021-164)
Колонны Шифр 2021-164
  • Длина 15450 мм.
  • Ширина 800 мм.
  • Высота 400 мм.
  • Вес 12800 кг.
  • Объем бетона 5,1 м3
  • Геометрический объем 4,944 м3
Цена: 103887 руб.
Подробнее
7КК 96-1 (Шифр 2021-164)
Колонны Шифр 2021-164
  • Длина 10650 мм.
  • Ширина 800 мм.
  • Высота 400 мм.
  • Вес 8900 кг.
  • Объем бетона 3,6 м3
  • Геометрический объем 3,408 м3
Цена: 73332 руб.
Подробнее
8КК 108-1 (Шифр 2021-164)
Колонны Шифр 2021-164
  • Длина 11850 мм.
  • Ширина 800 мм.
  • Высота 400 мм.
  • Вес 9900 кг.
  • Объем бетона 3,9 м3
  • Геометрический объем 3,792 м3
Цена: 79443 руб.
Подробнее

Уведомление о файлах cookie

Мы используем файлы cookie для улучшения вашего опыта просмотра и анализа трафика. Нажимая "Принять все", вы соглашаетесь с нашей политикой конфиденциальности и политикой обработки файлов cookie.

Дзен Телеграм Вконтакте vk