mobile_sound +7 (930) 655-55-90

Типовые конструкции и железобетонные изделия. Рабочие чертежи (Серия 86)

Поделиться:
Поделиться:

Документ Серия 86 описывает область применения, номенклатуру и ключевые требования, опираясь на действующие нормы и практику проектирования. Для строительства кирпичных жилых сооружений с продольными несущими стенами требуются различные конструкции и материалы, среди которых отдельное место занимают бетонные и железобетонные элементы, описываемые в Серии 86. Регламент определяет и регламентирует большое количество выпусков с рабочими чертежами конструкций различного назначения и области применения, зависящих от положения в каркасе возводимого сооружения. Многообразие строительных элементов позволяет минимизировать необходимость вовлечения в проектирование сторонних регламентов, что могло бы способствовать трудоемкости производственного процесса.

Файлы для скачивания:
picture_as_pdf

2216.pdf

7,846.8 KB

скачать
picture_as_pdf

2199.pdf

4,368.5 KB

скачать
picture_as_pdf

2200.pdf

4,248.6 KB

скачать
picture_as_pdf

2201.pdf

4,247.4 KB

скачать
picture_as_pdf

2202.pdf

3,027.0 KB

скачать
picture_as_pdf

2203.pdf

4,450.1 KB

скачать
picture_as_pdf

2204.pdf

3,956.0 KB

скачать
picture_as_pdf

2205.pdf

6,731.5 KB

скачать
picture_as_pdf

2206.pdf

2,515.3 KB

скачать
picture_as_pdf

2207.pdf

7,268.2 KB

скачать
picture_as_pdf

2208.pdf

16,031.4 KB

скачать
picture_as_pdf

2209.pdf

6,275.9 KB

скачать
picture_as_pdf

2215.pdf

3,223.6 KB

скачать
picture_as_pdf

2210.pdf

3,095.0 KB

скачать
picture_as_pdf

2211.pdf

3,777.0 KB

скачать
picture_as_pdf

2212.pdf

6,202.2 KB

скачать
picture_as_pdf

2213.pdf

3,188.5 KB

скачать
picture_as_pdf

2214.pdf

3,918.4 KB

скачать
Товары Серия 86 (43)
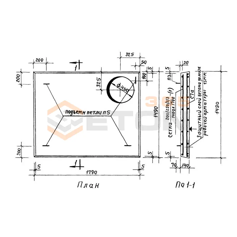
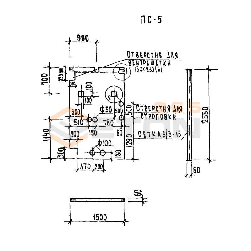
ПС 5 а
Перегородки Серия 86 и 85
  • Длина 1490 мм.
  • Ширина 2550 мм.
  • Высота 60 мм.
  • Вес 22 кг.
  • Объем бетона 0,13 м3
  • Геометрический объем 0,228 м3
Цена: 6305 руб.
Подробнее
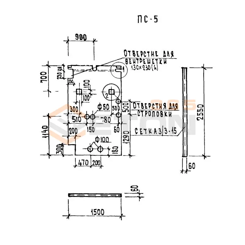
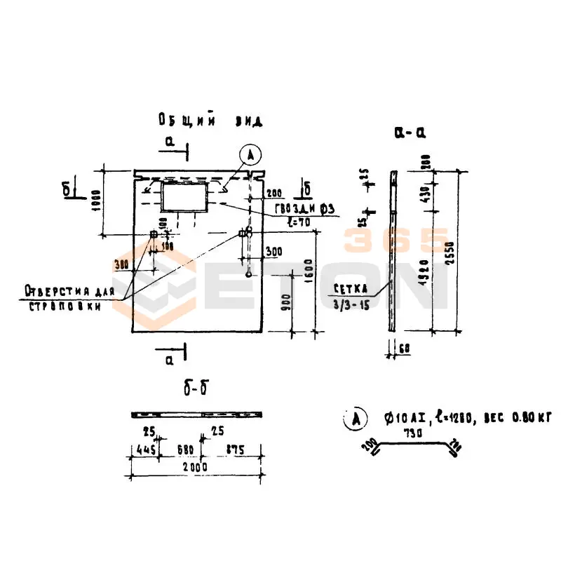
ПС 5
Перегородки Серия 86 и 85
  • Длина 1500 мм.
  • Ширина 2550 мм.
  • Высота 60 мм.
  • Вес 370 кг.
  • Объем бетона 0,23 м3
  • Геометрический объем 0,2295 м3
Цена: 11155 руб.
Подробнее
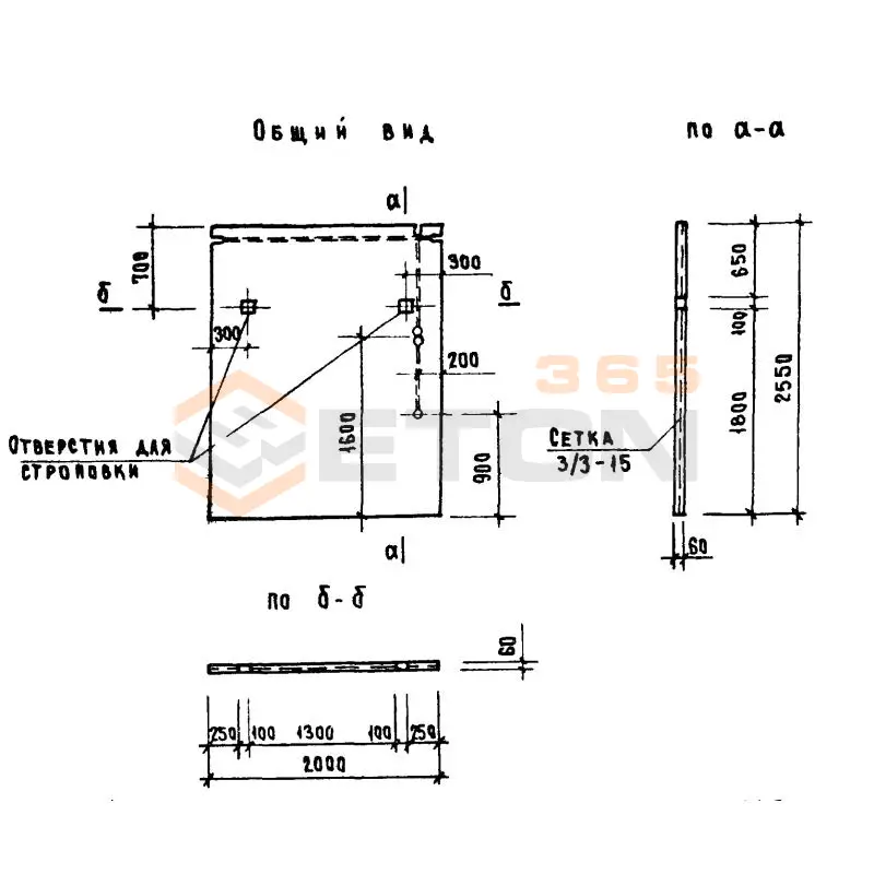
ПС 5 в
Перегородки Серия 86 и 85
  • Длина 1490 мм.
  • Ширина 2550 мм.
  • Высота 60 мм.
  • Вес 22 кг.
  • Объем бетона 0,13 м3
  • Геометрический объем 0,228 м3
Цена: 6305 руб.
Подробнее
ПС 5 л
Перегородки Серия 86 и 85
  • Длина 1500 мм.
  • Ширина 2550 мм.
  • Высота 60 мм.
  • Вес 370 кг.
  • Объем бетона 0,23 м3
  • Геометрический объем 0,2295 м3
Цена: 11155 руб.
Подробнее
ПС 5
Перегородки Серия 86 и 85
  • Длина 1500 мм.
  • Ширина 2550 мм.
  • Высота 60 мм.
  • Вес 370 кг.
  • Объем бетона 0,23 м3
  • Геометрический объем 0,2295 м3
Цена: 11155 руб.
Подробнее
ПС 5 а
Перегородки Серия 86 и 85
  • Длина 1500 мм.
  • Ширина 2550 мм.
  • Высота 60 мм.
  • Вес 234 кг.
  • Объем бетона 0,15 м3
  • Геометрический объем 0,2295 м3
Цена: 7275 руб.
Подробнее
ПС 5 п
Перегородки Серия 86 и 85
  • Длина 1500 мм.
  • Ширина 2550 мм.
  • Высота 60 мм.
  • Вес 370 кг.
  • Объем бетона 0,23 м3
  • Геометрический объем 0,2295 м3
Цена: 11155 руб.
Подробнее
ПС 6
Перегородки Серия 86 и 85
  • Длина 2750 мм.
  • Ширина 2550 мм.
  • Высота 60 мм.
  • Вес 672 кг.
  • Объем бетона 0,42 м3
  • Геометрический объем 0,4208 м3
Цена: 20370 руб.
Подробнее
ПС 7 а
Перегородки Серия 86 и 85
  • Длина 2000 мм.
  • Ширина 2550 мм.
  • Высота 60 мм.
  • Вес 494 кг.
  • Объем бетона 0,306 м3
  • Геометрический объем 0,306 м3
Цена: 14841 руб.
Подробнее
ПС 7
Перегородки Серия 86 и 85
  • Длина 2000 мм.
  • Ширина 2550 мм.
  • Высота 60 мм.
  • Вес 475 кг.
  • Объем бетона 0,268 м3
  • Геометрический объем 0,306 м3
Цена: 12998 руб.
Подробнее
ПС 6
Перегородки Серия 86 и 85
  • Длина 2750 мм.
  • Ширина 2550 мм.
  • Высота 60 мм.
  • Вес 672 кг.
  • Объем бетона 0,42 м3
  • Геометрический объем 0,4208 м3
Цена: 20370 руб.
Подробнее
ИП 24-12 п
Плиты плоские Серия 86 и 85
  • Длина 2380 мм.
  • Ширина 1190 мм.
  • Высота 220 мм.
  • Вес 975 кг.
  • Объем бетона 0,39 м3
  • Геометрический объем 0,6231 м3
Цена: 5675 руб.
Подробнее
ИП 24-12 л
Плиты плоские Серия 86 и 85
  • Длина 2380 мм.
  • Ширина 1190 мм.
  • Высота 220 мм.
  • Вес 975 кг.
  • Объем бетона 0,39 м3
  • Геометрический объем 0,6231 м3
Цена: 5675 руб.
Подробнее
ИП 33-15 л
Плиты плоские Серия 86 и 85
  • Длина 3290 мм.
  • Ширина 1490 мм.
  • Высота 220 мм.
  • Вес 1430 кг.
  • Объем бетона 0,572 м3
  • Геометрический объем 1,0785 м3
Цена: 8323 руб.
Подробнее
ИП 33-15 п
Плиты плоские Серия 86 и 85
  • Длина 3290 мм.
  • Ширина 1490 мм.
  • Высота 220 мм.
  • Вес 1430 кг.
  • Объем бетона 0,572 м3
  • Геометрический объем 1,0785 м3
Цена: 8323 руб.
Подробнее
ИП 36-21 л
Плиты плоские Серия 86 и 85
  • Длина 3580 мм.
  • Ширина 2100 мм.
  • Высота 220 мм.
  • Вес 2750 кг.
  • Объем бетона 1,1 м3
  • Геометрический объем 1,654 м3
Цена: 16005 руб.
Подробнее
ИП 36-21 п
Плиты плоские Серия 86 и 85
  • Длина 3580 мм.
  • Ширина 2100 мм.
  • Высота 220 мм.
  • Вес 2750 кг.
  • Объем бетона 1,1 м3
  • Геометрический объем 1,654 м3
Цена: 16005 руб.
Подробнее
ИП 46-22 л
Плиты плоские Серия 86 и 85
  • Длина 4620 мм.
  • Ширина 2200 мм.
  • Высота 220 мм.
  • Вес 3183 кг.
  • Объем бетона 1,273 м3
  • Геометрический объем 2,2361 м3
Цена: 18522 руб.
Подробнее
ИП 45-30 п
Плиты плоские Серия 86 и 85
  • Длина 4500 мм.
  • Ширина 2950 мм.
  • Высота 150 мм.
  • Вес 3150 кг.
  • Объем бетона 1,26 м3
  • Геометрический объем 1,9912 м3
Цена: 18333 руб.
Подробнее
ИПЛ 3 и
Плиты плоские Серия 86 и 85
  • Длина 2060 мм.
  • Ширина 1600 мм.
  • Высота 140 мм.
  • Вес 732 кг.
  • Объем бетона 0,293 м3
  • Геометрический объем 0,4614 м3
Цена: 4263 руб.
Подробнее
ИП 46-22 п
Плиты плоские Серия 86 и 85
  • Длина 4620 мм.
  • Ширина 2200 мм.
  • Высота 220 мм.
  • Вес 3183 кг.
  • Объем бетона 1,273 м3
  • Геометрический объем 2,2361 м3
Цена: 18522 руб.
Подробнее
ИП 45-30 л
Плиты плоские Серия 86 и 85
  • Длина 4500 мм.
  • Ширина 2950 мм.
  • Высота 150 мм.
  • Вес 3150 кг.
  • Объем бетона 1,26 м3
  • Геометрический объем 1,9912 м3
Цена: 18333 руб.
Подробнее
П 18-12
Плиты плоские Серия 86 и 85
  • Длина 1790 мм.
  • Ширина 1180 мм.
  • Высота 140 мм.
  • Вес 743 кг.
  • Объем бетона 0,3 м3
  • Геометрический объем 0,2957 м3
Цена: 4365 руб.
Подробнее
П 18-15 м
Плиты плоские Серия 86 и 85
  • Длина 1790 мм.
  • Ширина 1490 мм.
  • Высота 140 мм.
  • Вес 927,5 кг.
  • Объем бетона 0,373 м3
  • Геометрический объем 0,3734 м3
Цена: 5427 руб.
Подробнее
П 18-12 м
Плиты плоские Серия 86 и 85
  • Длина 1790 мм.
  • Ширина 1180 мм.
  • Высота 140 мм.
  • Вес 743 кг.
  • Объем бетона 0,3 м3
  • Геометрический объем 0,2957 м3
Цена: 4365 руб.
Подробнее
П 18-15
Плиты плоские Серия 86 и 85
  • Длина 1790 мм.
  • Ширина 1490 мм.
  • Высота 140 мм.
  • Вес 928 кг.
  • Объем бетона 0,371 м3
  • Геометрический объем 0,3734 м3
Цена: 5398 руб.
Подробнее
П 18-5 м
Плиты плоские Серия 86 и 85
  • Длина 1790 мм.
  • Ширина 1490 мм.
  • Высота 140 мм.
  • Вес 875 кг.
  • Объем бетона 0,349 м3
  • Геометрический объем 0,3734 м3
Цена: 5078 руб.
Подробнее
П 18-15
Плиты плоские Серия 86 и 85
  • Длина 1790 мм.
  • Ширина 1490 мм.
  • Высота 140 мм.
  • Вес 927,5 кг.
  • Объем бетона 0,373 м3
  • Геометрический объем 0,3734 м3
Цена: 5427 руб.
Подробнее
П 18-5
Плиты плоские Серия 86 и 85
  • Длина 1790 мм.
  • Ширина 1490 мм.
  • Высота 140 мм.
  • Вес 928 кг.
  • Объем бетона 0,371 м3
  • Геометрический объем 0,3734 м3
Цена: 5398 руб.
Подробнее
П 21-18
Плиты плоские Серия 86 и 85
  • Длина 2100 мм.
  • Ширина 1800 мм.
  • Высота 140 мм.
  • Вес 1018 кг.
  • Объем бетона 0,53 м3
  • Геометрический объем 0,5292 м3
Цена: 7712 руб.
Подробнее
ПП 18-12
Плиты плоские Серия 86 и 85
  • Длина 1760 мм.
  • Ширина 1190 мм.
  • Высота 140 мм.
  • Вес 730 кг.
  • Объем бетона 0,292 м3
  • Геометрический объем 0,2932 м3
Цена: 4249 руб.
Подробнее
П 63-10 а
Плиты плоские Серия 86 и 85
  • Длина 6280 мм.
  • Ширина 990 мм.
  • Высота 220 мм.
  • Вес 1825 кг.
  • Объем бетона 0,73 м3
  • Геометрический объем 1,3678 м3
Цена: 10622 руб.
Подробнее
ПП 18-15
Плиты плоские Серия 86 и 85
  • Длина 1760 мм.
  • Ширина 1590 мм.
  • Высота 80 мм.
  • Вес 890 кг.
  • Объем бетона 0,356 м3
  • Геометрический объем 0,2239 м3
Цена: 5180 руб.
Подробнее
П 21-18 м
Плиты плоские Серия 86 и 85
  • Длина 2100 мм.
  • Ширина 1800 мм.
  • Высота 140 мм.
  • Вес 1240 кг.
  • Объем бетона 0,496 м3
  • Геометрический объем 0,5292 м3
Цена: 7217 руб.
Подробнее
ПП 18-12 ста-1
Плиты плоские Серия 86 и 85
  • Длина 1760 мм.
  • Ширина 1190 мм.
  • Высота 140 мм.
  • Вес 730 кг.
  • Объем бетона 0,292 м3
  • Геометрический объем 0,2932 м3
Цена: 4249 руб.
Подробнее
ПП 18-16
Плиты плоские Серия 86 и 85
  • Длина 1760 мм.
  • Ширина 1590 мм.
  • Высота 140 мм.
  • Вес 985 кг.
  • Объем бетона 0,394 м3
  • Геометрический объем 0,3918 м3
Цена: 5733 руб.
Подробнее
ПП 18-16
Плиты плоские Серия 86 и 85
  • Длина 1600 мм.
  • Ширина 1800 мм.
  • Высота 120 мм.
  • Вес 865 кг.
  • Объем бетона 0,346 м3
  • Геометрический объем 0,3456 м3
Цена: 5034 руб.
Подробнее
ПП 18-16 и
Плиты плоские Серия 86 и 85
  • Длина 1760 мм.
  • Ширина 1590 мм.
  • Высота 140 мм.
  • Вес 855 кг.
  • Объем бетона 0,342 м3
  • Геометрический объем 0,3918 м3
Цена: 4976 руб.
Подробнее
ПП 18-16 ста-1
Плиты плоские Серия 86 и 85
  • Длина 1760 мм.
  • Ширина 1590 мм.
  • Высота 140 мм.
  • Вес 985 кг.
  • Объем бетона 0,394 м3
  • Геометрический объем 0,3918 м3
Цена: 5733 руб.
Подробнее
ПП 18-16-1
Плиты плоские Серия 86 и 85
  • Длина 1600 мм.
  • Ширина 1800 мм.
  • Высота 120 мм.
  • Вес 855 кг.
  • Объем бетона 0,342 м3
  • Геометрический объем 0,3456 м3
Цена: 4976 руб.
Подробнее
ИПЛ 1
Плиты перекрытия над шахтой лифта Серия 86 и 85
  • Длина 1800 мм.
  • Ширина 1920 мм.
  • Высота 140 мм.
  • Вес 1195 кг.
  • Объем бетона 0,478 м3
  • Геометрический объем 0,4838 м3
Цена: 18546 руб.
Подробнее
ИПЛ 2
Плиты перекрытия над шахтой лифта Серия 86 и 85
  • Длина 1800 мм.
  • Ширина 1920 мм.
  • Высота 140 мм.
  • Вес 1195 кг.
  • Объем бетона 0,478 м3
  • Геометрический объем 0,4838 м3
Цена: 18546 руб.
Подробнее
ИЦ 3
Цветочницы Серия 86
  • Длина 1750 мм.
  • Ширина 300 мм.
  • Высота 300 мм.
  • Вес 137,5 кг.
  • Объем бетона 0,055 м3
  • Геометрический объем 0,1575 м3
Цена: 1334 руб.
Подробнее

Уведомление о файлах cookie

Мы используем файлы cookie для улучшения вашего опыта просмотра и анализа трафика. Нажимая "Принять все", вы соглашаетесь с нашей политикой конфиденциальности и политикой обработки файлов cookie.

MAX Дзен Телеграм Вконтакте vk