mobile_sound +7 (930) 655-55-90

Типовые конструкции и железобетонные изделия. Рабочие чертежи (Серия 86)

Поделиться:
Поделиться:

Документ Серия 86 описывает область применения, номенклатуру и ключевые требования, опираясь на действующие нормы и практику проектирования. Для строительства кирпичных жилых сооружений с продольными несущими стенами требуются различные конструкции и материалы, среди которых отдельное место занимают бетонные и железобетонные элементы, описываемые в Серии 86. Регламент определяет и регламентирует большое количество выпусков с рабочими чертежами конструкций различного назначения и области применения, зависящих от положения в каркасе возводимого сооружения. Многообразие строительных элементов позволяет минимизировать необходимость вовлечения в проектирование сторонних регламентов, что могло бы способствовать трудоемкости производственного процесса.

Файлы для скачивания:
picture_as_pdf

2216.pdf

7,846.8 KB

скачать
picture_as_pdf

2199.pdf

4,368.5 KB

скачать
picture_as_pdf

2200.pdf

4,248.6 KB

скачать
picture_as_pdf

2201.pdf

4,247.4 KB

скачать
picture_as_pdf

2202.pdf

3,027.0 KB

скачать
picture_as_pdf

2203.pdf

4,450.1 KB

скачать
picture_as_pdf

2204.pdf

3,956.0 KB

скачать
picture_as_pdf

2205.pdf

6,731.5 KB

скачать
picture_as_pdf

2206.pdf

2,515.3 KB

скачать
picture_as_pdf

2207.pdf

7,268.2 KB

скачать
picture_as_pdf

2208.pdf

16,031.4 KB

скачать
picture_as_pdf

2209.pdf

6,275.9 KB

скачать
picture_as_pdf

2215.pdf

3,223.6 KB

скачать
picture_as_pdf

2210.pdf

3,095.0 KB

скачать
picture_as_pdf

2211.pdf

3,777.0 KB

скачать
picture_as_pdf

2212.pdf

6,202.2 KB

скачать
picture_as_pdf

2213.pdf

3,188.5 KB

скачать
picture_as_pdf

2214.pdf

3,918.4 KB

скачать
Товары Серия 86 (60)
ПГ 13
Перегородки Серия 86 и 85
  • Длина 3510 мм.
  • Ширина 2550 мм.
  • Высота 80 мм.
  • Вес 994 кг.
  • Объем бетона 0,71 м3
  • Геометрический объем 0,716 м3
Цена: 34435 руб.
Подробнее
ПГ 14
Перегородки Серия 86 и 85
  • Длина 460 мм.
  • Ширина 2550 мм.
  • Высота 80 мм.
  • Вес 131 кг.
  • Объем бетона 0,093 м3
  • Геометрический объем 0,0938 м3
Цена: 4511 руб.
Подробнее
ПГ 15
Перегородки Серия 86 и 85
  • Длина 2780 мм.
  • Ширина 2550 мм.
  • Высота 80 мм.
  • Вес 741 кг.
  • Объем бетона 0,57 м3
  • Геометрический объем 0,5671 м3
Цена: 27645 руб.
Подробнее
ПГ 15
Перегородки Серия 86 и 85
  • Длина 2780 мм.
  • Ширина 2550 мм.
  • Высота 80 мм.
  • Вес 741 кг.
  • Объем бетона 0,57 м3
  • Геометрический объем 0,5671 м3
Цена: 27645 руб.
Подробнее
ПГ 16
Перегородки Серия 86 и 85
  • Длина 1560 мм.
  • Ширина 2550 мм.
  • Высота 80 мм.
  • Вес 377 кг.
  • Объем бетона 0,29 м3
  • Геометрический объем 0,3182 м3
Цена: 14065 руб.
Подробнее
ПГ 17
Перегородки Серия 86 и 85
  • Длина 4820 мм.
  • Ширина 2550 мм.
  • Высота 80 мм.
  • Вес 1274 кг.
  • Объем бетона 0,98 м3
  • Геометрический объем 0,9833 м3
Цена: 47530 руб.
Подробнее
ПГ 17 а
Перегородки Серия 86 и 85
  • Длина 4820 мм.
  • Ширина 2550 мм.
  • Высота 80 мм.
  • Вес 1050 кг.
  • Объем бетона 0,75 м3
  • Геометрический объем 0,9833 м3
Цена: 36375 руб.
Подробнее
ПГ 17 б
Перегородки Серия 86 и 85
  • Длина 4820 мм.
  • Ширина 2550 мм.
  • Высота 80 мм.
  • Вес 1274 кг.
  • Объем бетона 0,98 м3
  • Геометрический объем 0,9833 м3
Цена: 47530 руб.
Подробнее
ПГ 2
Перегородки Серия 86 и 85
  • Длина 3810 мм.
  • Ширина 2550 мм.
  • Высота 80 мм.
  • Вес 1090 кг.
  • Объем бетона 0,78 м3
  • Геометрический объем 0,7772 м3
Цена: 37830 руб.
Подробнее
ПГ 19
Перегородки Серия 86 и 85
  • Длина 1070 мм.
  • Ширина 2550 мм.
  • Высота 80 мм.
  • Вес 312 кг.
  • Объем бетона 0,22 м3
  • Геометрический объем 0,2183 м3
Цена: 10670 руб.
Подробнее
ПГ 18
Перегородки Серия 86 и 85
  • Длина 740 мм.
  • Ширина 2550 мм.
  • Высота 80 мм.
  • Вес 212 кг.
  • Объем бетона 0,151 м3
  • Геометрический объем 0,151 м3
Цена: 7324 руб.
Подробнее
ПГ 20
Перегородки Серия 86 и 85
  • Длина 3500 мм.
  • Ширина 2550 мм.
  • Высота 80 мм.
  • Вес 770 кг.
  • Объем бетона 0,55 м3
  • Геометрический объем 0,714 м3
Цена: 26675 руб.
Подробнее
ПГ 22
Перегородки Серия 86 и 85
  • Длина 2450 мм.
  • Ширина 2550 мм.
  • Высота 80 мм.
  • Вес 490 кг.
  • Объем бетона 0,36 м3
  • Геометрический объем 0,4998 м3
Цена: 17460 руб.
Подробнее
ПГ 2
Перегородки Серия 86 и 85
  • Длина 3810 мм.
  • Ширина 2550 мм.
  • Высота 80 мм.
  • Вес 1090 кг.
  • Объем бетона 0,78 м3
  • Геометрический объем 0,7772 м3
Цена: 37830 руб.
Подробнее
ПГ 24
Перегородки Серия 86 и 85
  • Длина 5190 мм.
  • Ширина 2550 мм.
  • Высота 80 мм.
  • Вес 680 кг.
  • Объем бетона 0,5 м3
  • Геометрический объем 1,0588 м3
Цена: 24250 руб.
Подробнее
ПГ 21
Перегородки Серия 86 и 85
  • Длина 4750 мм.
  • Ширина 2550 мм.
  • Высота 80 мм.
  • Вес 1260 кг.
  • Объем бетона 0,97 м3
  • Геометрический объем 0,969 м3
Цена: 47045 руб.
Подробнее
ПГ 23
Перегородки Серия 86 и 85
  • Длина 4030 мм.
  • Ширина 2550 мм.
  • Высота 80 мм.
  • Вес 845 кг.
  • Объем бетона 0,6 м3
  • Геометрический объем 0,8221 м3
Цена: 29100 руб.
Подробнее
ПГ 25
Перегородки Серия 86 и 85
  • Длина 3250 мм.
  • Ширина 2550 мм.
  • Высота 80 мм.
  • Вес 650 кг.
  • Объем бетона 0,45 м3
  • Геометрический объем 0,663 м3
Цена: 21825 руб.
Подробнее
ПГ 26
Перегородки Серия 86 и 85
  • Длина 2140 мм.
  • Ширина 2550 мм.
  • Высота 80 мм.
  • Вес 420 кг.
  • Объем бетона 0,308 м3
  • Геометрический объем 0,4366 м3
Цена: 14938 руб.
Подробнее
ПГ 28
Перегородки Серия 86 и 85
  • Длина 3380 мм.
  • Ширина 2550 мм.
  • Высота 80 мм.
  • Вес 709 кг.
  • Объем бетона 0,5 м3
  • Геометрический объем 0,6895 м3
Цена: 24250 руб.
Подробнее
ПГ 28 а
Перегородки Серия 86 и 85
  • Длина 3380 мм.
  • Ширина 2550 мм.
  • Высота 80 мм.
  • Вес 835 кг.
  • Объем бетона 0,45 м3
  • Геометрический объем 0,6895 м3
Цена: 21825 руб.
Подробнее
ПГ 3
Перегородки Серия 86 и 85
  • Длина 3250 мм.
  • Ширина 2550 мм.
  • Высота 80 мм.
  • Вес 9240 кг.
  • Объем бетона 0,66 м3
  • Геометрический объем 0,663 м3
Цена: 32010 руб.
Подробнее
ПГ 3 б
Перегородки Серия 86 и 85
  • Длина 3250 мм.
  • Ширина 2550 мм.
  • Высота 80 мм.
  • Вес 700 кг.
  • Объем бетона 0,49 м3
  • Геометрический объем 0,663 м3
Цена: 23765 руб.
Подробнее
ПГ 3 а
Перегородки Серия 86 и 85
  • Длина 3300 мм.
  • Ширина 2550 мм.
  • Высота 80 мм.
  • Вес 9470 кг.
  • Объем бетона 0,675 м3
  • Геометрический объем 0,6732 м3
Цена: 32738 руб.
Подробнее
ПГ 3
Перегородки Серия 86 и 85
  • Длина 3250 мм.
  • Ширина 2550 мм.
  • Высота 80 мм.
  • Вес 924 кг.
  • Объем бетона 0,66 м3
  • Геометрический объем 0,663 м3
Цена: 32010 руб.
Подробнее
ПГ 33
Перегородки Серия 86 и 85
  • Длина 600 мм.
  • Ширина 2550 мм.
  • Высота 80 мм.
  • Вес 168 кг.
  • Объем бетона 0,12 м3
  • Геометрический объем 0,1224 м3
Цена: 5820 руб.
Подробнее
ПГ 4
Перегородки Серия 86 и 85
  • Длина 3510 мм.
  • Ширина 2550 мм.
  • Высота 80 мм.
  • Вес 680 кг.
  • Объем бетона 0,48 м3
  • Геометрический объем 0,716 м3
Цена: 23280 руб.
Подробнее
ПГ 34
Перегородки Серия 86 и 85
  • Длина 1300 мм.
  • Ширина 2550 мм.
  • Высота 80 мм.
  • Вес 365,5 кг.
  • Объем бетона 0,26 м3
  • Геометрический объем 0,2652 м3
Цена: 12610 руб.
Подробнее
ПГ 5 а
Перегородки Серия 86 и 85
  • Длина 2290 мм.
  • Ширина 2550 мм.
  • Высота 80 мм.
  • Вес 448 кг.
  • Объем бетона 0,32 м3
  • Геометрический объем 0,4672 м3
Цена: 15520 руб.
Подробнее
ПГ 6
Перегородки Серия 86 и 85
  • Длина 1400 мм.
  • Ширина 2550 мм.
  • Высота 80 мм.
  • Вес 396 кг.
  • Объем бетона 0,28 м3
  • Геометрический объем 0,2856 м3
Цена: 13580 руб.
Подробнее
ПГ 5
Перегородки Серия 86 и 85
  • Длина 2290 мм.
  • Ширина 2550 мм.
  • Высота 80 мм.
  • Вес 448 кг.
  • Объем бетона 0,32 м3
  • Геометрический объем 0,4672 м3
Цена: 15520 руб.
Подробнее
ПГ 6
Перегородки Серия 86 и 85
  • Длина 1400 мм.
  • Ширина 2550 мм.
  • Высота 80 мм.
  • Вес 396 кг.
  • Объем бетона 0,28 м3
  • Геометрический объем 0,2856 м3
Цена: 13580 руб.
Подробнее
ПГ 6 а
Перегородки Серия 86 и 85
  • Длина 1400 мм.
  • Ширина 2550 мм.
  • Высота 80 мм.
  • Вес 358 кг.
  • Объем бетона 256 м3
  • Геометрический объем 0,2856 м3
Цена: 12416 руб.
Подробнее
ПГ 7
Перегородки Серия 86 и 85
  • Длина 530 мм.
  • Ширина 2550 мм.
  • Высота 80 мм.
  • Вес 152 кг.
  • Объем бетона 0,108 м3
  • Геометрический объем 0,1081 м3
Цена: 5238 руб.
Подробнее
ПГ 8
Перегородки Серия 86 и 85
  • Длина 1200 мм.
  • Ширина 2550 мм.
  • Высота 80 мм.
  • Вес 341 кг.
  • Объем бетона 0,24 м3
  • Геометрический объем 0,2448 м3
Цена: 11640 руб.
Подробнее
ПГ 8 а
Перегородки Серия 86 и 85
  • Длина 1200 мм.
  • Ширина 2550 мм.
  • Высота 80 мм.
  • Вес 341 кг.
  • Объем бетона 0,24 м3
  • Геометрический объем 0,2448 м3
Цена: 11640 руб.
Подробнее
ПГ 7
Перегородки Серия 86 и 85
  • Длина 530 мм.
  • Ширина 2550 мм.
  • Высота 80 мм.
  • Вес 152 кг.
  • Объем бетона 0,108 м3
  • Геометрический объем 0,1081 м3
Цена: 5238 руб.
Подробнее
ПГ 8 а
Перегородки Серия 86 и 85
  • Длина 1200 мм.
  • Ширина 2550 мм.
  • Высота 80 мм.
  • Вес 341 кг.
  • Объем бетона 0,24 м3
  • Геометрический объем 0,2448 м3
Цена: 11640 руб.
Подробнее
ПГ 9
Перегородки Серия 86 и 85
  • Длина 1860 мм.
  • Ширина 2550 мм.
  • Высота 80 мм.
  • Вес 532 кг.
  • Объем бетона 0,38 м3
  • Геометрический объем 0,3794 м3
Цена: 18430 руб.
Подробнее
ПГ 9
Перегородки Серия 86 и 85
  • Длина 1860 мм.
  • Ширина 2550 мм.
  • Высота 80 мм.
  • Вес 532 кг.
  • Объем бетона 0,38 м3
  • Геометрический объем 0,3794 м3
Цена: 18430 руб.
Подробнее
ПС 1
Перегородки Серия 86 и 85
  • Длина 1570 мм.
  • Ширина 2550 мм.
  • Высота 60 мм.
  • Вес 352 кг.
  • Объем бетона 0,22 м3
  • Геометрический объем 0,2402 м3
Цена: 10670 руб.
Подробнее
ПС 1
Перегородки Серия 86 и 85
  • Длина 1570 мм.
  • Ширина 2550 мм.
  • Высота 60 мм.
  • Вес 352 кг.
  • Объем бетона 0,22 м3
  • Геометрический объем 0,2402 м3
Цена: 10670 руб.
Подробнее
ПС 1 а
Перегородки Серия 86 и 85
  • Длина 1570 мм.
  • Ширина 2550 мм.
  • Высота 60 мм.
  • Вес 387 кг.
  • Объем бетона 0,24 м3
  • Геометрический объем 0,2402 м3
Цена: 11640 руб.
Подробнее
ПС 1 а
Перегородки Серия 86 и 85
  • Длина 1570 мм.
  • Ширина 2550 мм.
  • Высота 60 мм.
  • Вес 387 кг.
  • Объем бетона 0,24 м3
  • Геометрический объем 0,2402 м3
Цена: 11640 руб.
Подробнее
ПС 11
Перегородки Серия 86 и 85
  • Длина 1860 мм.
  • Ширина 2550 мм.
  • Высота 60 мм.
  • Вес 170 кг.
  • Объем бетона 0,09 м3
  • Геометрический объем 0,2846 м3
Цена: 4365 руб.
Подробнее
ПС 12
Перегородки Серия 86 и 85
  • Длина 1640 мм.
  • Ширина 2550 мм.
  • Высота 60 мм.
  • Вес 259 кг.
  • Объем бетона 0,15 м3
  • Геометрический объем 0,2509 м3
Цена: 7275 руб.
Подробнее
ПС 13
Перегородки Серия 86 и 85
  • Длина 1640 мм.
  • Ширина 2550 мм.
  • Высота 60 мм.
  • Вес 61 кг.
  • Объем бетона 0,035 м3
  • Геометрический объем 0,2509 м3
Цена: 1698 руб.
Подробнее
ПС 14 л
Перегородки Серия 86 и 85
  • Длина 1110 мм.
  • Ширина 2550 мм.
  • Высота 60 мм.
  • Вес 223 кг.
  • Объем бетона 0,074 м3
  • Геометрический объем 0,1698 м3
Цена: 3589 руб.
Подробнее
ПС 14 п
Перегородки Серия 86 и 85
  • Длина 1110 мм.
  • Ширина 2550 мм.
  • Высота 60 мм.
  • Вес 223 кг.
  • Объем бетона 0,074 м3
  • Геометрический объем 0,1698 м3
Цена: 3589 руб.
Подробнее
ПС 2
Перегородки Серия 86 и 85
  • Длина 1900 мм.
  • Ширина 2550 мм.
  • Высота 60 мм.
  • Вес 320 кг.
  • Объем бетона 0,2 м3
  • Геометрический объем 0,2907 м3
Цена: 9700 руб.
Подробнее
ПС 2
Перегородки Серия 86 и 85
  • Длина 1900 мм.
  • Ширина 2550 мм.
  • Высота 60 мм.
  • Вес 320 кг.
  • Объем бетона 0,2 м3
  • Геометрический объем 0,2907 м3
Цена: 9700 руб.
Подробнее
ПС 2 а
Перегородки Серия 86 и 85
  • Длина 1900 мм.
  • Ширина 2550 мм.
  • Высота 60 мм.
  • Вес 456 кг.
  • Объем бетона 0,31 м3
  • Геометрический объем 0,2907 м3
Цена: 15035 руб.
Подробнее
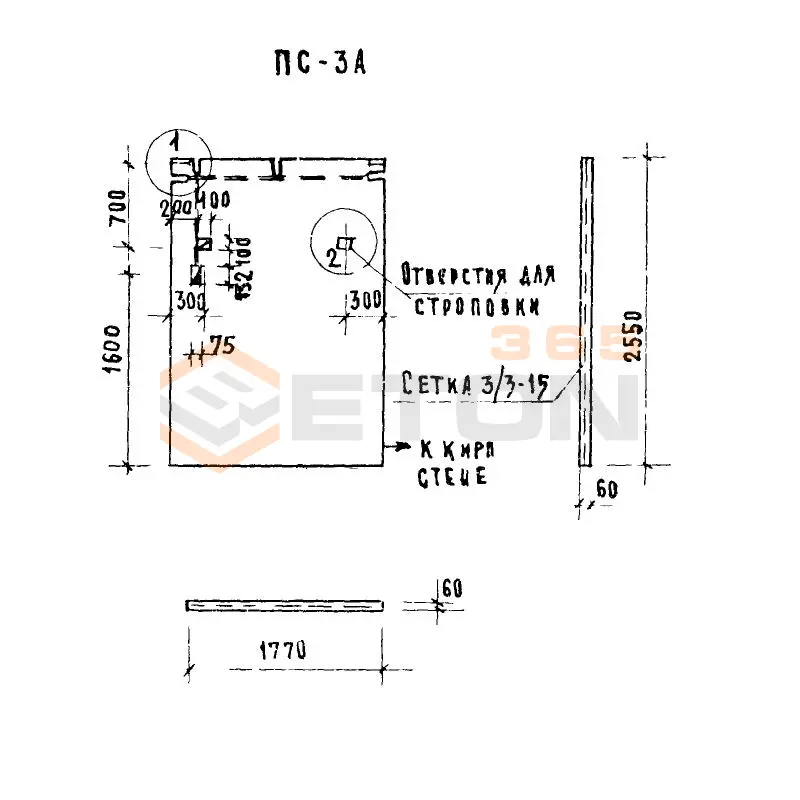
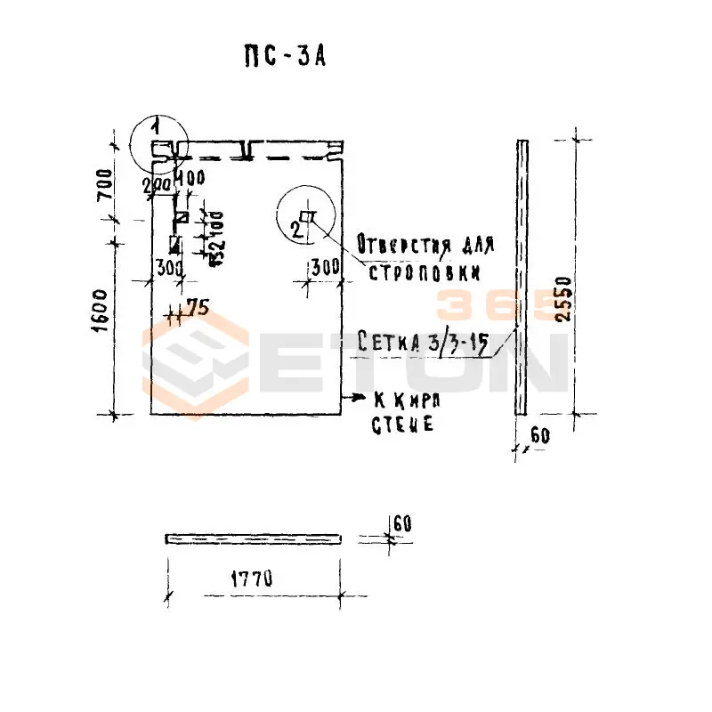
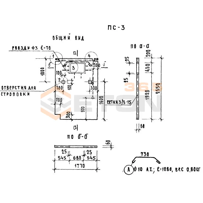
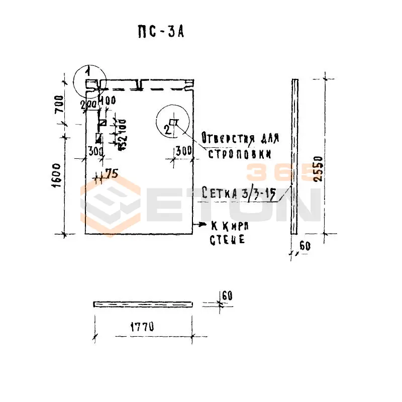
ПС 3
Перегородки Серия 86 и 85
  • Длина 1770 мм.
  • Ширина 2550 мм.
  • Высота 60 мм.
  • Вес 435 кг.
  • Объем бетона 0,27 м3
  • Геометрический объем 0,2708 м3
Цена: 13095 руб.
Подробнее
ПС 3 а
Перегородки Серия 86 и 85
  • Длина 1770 мм.
  • Ширина 2550 мм.
  • Высота 60 мм.
  • Вес 435 кг.
  • Объем бетона 0,27 м3
  • Геометрический объем 0,2708 м3
Цена: 13095 руб.
Подробнее
ПС 3
Перегородки Серия 86 и 85
  • Длина 1770 мм.
  • Ширина 2550 мм.
  • Высота 60 мм.
  • Вес 400 кг.
  • Объем бетона 0,25 м3
  • Геометрический объем 0,2708 м3
Цена: 12125 руб.
Подробнее
ПС 3 а
Перегородки Серия 86 и 85
  • Длина 1770 мм.
  • Ширина 2550 мм.
  • Высота 60 мм.
  • Вес 435 кг.
  • Объем бетона 0,27 м3
  • Геометрический объем 0,2708 м3
Цена: 13095 руб.
Подробнее
ПС 4
Перегородки Серия 86 и 85
  • Длина 1920 мм.
  • Ширина 2550 мм.
  • Высота 60 мм.
  • Вес 320 кг.
  • Объем бетона 0,2 м3
  • Геометрический объем 0,2938 м3
Цена: 9700 руб.
Подробнее
ПС 4 л
Перегородки Серия 86 и 85
  • Длина 1920 мм.
  • Ширина 2550 мм.
  • Высота 60 мм.
  • Вес 320 кг.
  • Объем бетона 0,2 м3
  • Геометрический объем 0,2938 м3
Цена: 9700 руб.
Подробнее
ПС 4
Перегородки Серия 86 и 85
  • Длина 1920 мм.
  • Ширина 2550 мм.
  • Высота 60 мм.
  • Вес 320 кг.
  • Объем бетона 0,2 м3
  • Геометрический объем 0,2938 м3
Цена: 9700 руб.
Подробнее
ПС 4 п
Перегородки Серия 86 и 85
  • Длина 1920 мм.
  • Ширина 2550 мм.
  • Высота 60 мм.
  • Вес 320 кг.
  • Объем бетона 0,2 м3
  • Геометрический объем 0,2938 м3
Цена: 9700 руб.
Подробнее

Уведомление о файлах cookie

Мы используем файлы cookie для улучшения вашего опыта просмотра и анализа трафика. Нажимая "Принять все", вы соглашаетесь с нашей политикой конфиденциальности и политикой обработки файлов cookie.

MAX Дзен Телеграм Вконтакте vk