mobile_sound +7 (930) 655-55-90

Железобетонные опоры линий электропередачи. Рабочие чертежи (Серия 3.503.1-100)

Поделиться:
Поделиться:

Документ Серия 3.503.1-100 описывает область применения, номенклатуру и ключевые требования, опираясь на действующие нормы и практику проектирования. Серия 3.503.1-100 разрабатывалась проектным институтом СОЮЗПРОЕКТ и была введён в действие в действие с июля 1992 года после утверждения Минтрансстроем СССР. В составе регламента пять выпусков, которые максимально детально описывают все тонкости и нюансы производства унифицированных стоечных опор, используемых при строительстве автодорожных мостов. Конструкции отличаются высокой прочностью и благодаря входящим в состав материалам могут применяться как в обычных, так и северных условиях.

Файлы для скачивания:
picture_as_pdf

1817.pdf

22,648.0 KB

скачать
picture_as_pdf

1818.pdf

14,260.5 KB

скачать
picture_as_pdf

1819.pdf

29,117.0 KB

скачать
picture_as_pdf

1820.pdf

40,328.1 KB

скачать
picture_as_pdf

1821.pdf

23,545.0 KB

скачать
Товары Серия 3.503.1-100 (60)
3РП 41-1 тАII
Блоки ригелей Серия 3.503.1-100
  • Длина 4050 мм.
  • Ширина 1550 мм.
  • Высота 780 мм.
  • Вес 9800 кг.
  • Объем бетона 3,9 м3
  • Геометрический объем 4,8964 м3
Цена: 226980 руб.
Подробнее
3РП 41-2 тАII
Блоки ригелей Серия 3.503.1-100
  • Длина 4050 мм.
  • Ширина 1550 мм.
  • Высота 780 мм.
  • Вес 9800 кг.
  • Объем бетона 3,9 м3
  • Геометрический объем 4,8964 м3
Цена: 226980 руб.
Подробнее
3РП 41-1 тАIII
Блоки ригелей Серия 3.503.1-100
  • Длина 4050 мм.
  • Ширина 1550 мм.
  • Высота 780 мм.
  • Вес 9800 кг.
  • Объем бетона 3,9 м3
  • Геометрический объем 4,8964 м3
Цена: 226980 руб.
Подробнее
3РП 41-2 тАIII
Блоки ригелей Серия 3.503.1-100
  • Длина 4050 мм.
  • Ширина 1550 мм.
  • Высота 780 мм.
  • Вес 9800 кг.
  • Объем бетона 3,9 м3
  • Геометрический объем 4,8964 м3
Цена: 226980 руб.
Подробнее
3РП 41-3 тАII
Блоки ригелей Серия 3.503.1-100
  • Длина 4050 мм.
  • Ширина 1550 мм.
  • Высота 780 мм.
  • Вес 9800 кг.
  • Объем бетона 3,9 м3
  • Геометрический объем 4,8964 м3
Цена: 226980 руб.
Подробнее
3РП 41-3 тАIII
Блоки ригелей Серия 3.503.1-100
  • Длина 4050 мм.
  • Ширина 1550 мм.
  • Высота 780 мм.
  • Вес 9800 кг.
  • Объем бетона 3,9 м3
  • Геометрический объем 4,8964 м3
Цена: 226980 руб.
Подробнее
3РП 41-4 тАII
Блоки ригелей Серия 3.503.1-100
  • Длина 4050 мм.
  • Ширина 1550 мм.
  • Высота 780 мм.
  • Вес 9800 кг.
  • Объем бетона 3,9 м3
  • Геометрический объем 4,8964 м3
Цена: 226980 руб.
Подробнее
3РП 41-4 тАIII
Блоки ригелей Серия 3.503.1-100
  • Длина 4050 мм.
  • Ширина 1550 мм.
  • Высота 780 мм.
  • Вес 9800 кг.
  • Объем бетона 3,9 м3
  • Геометрический объем 4,8964 м3
Цена: 226980 руб.
Подробнее
3РП 41-5 тАII
Блоки ригелей Серия 3.503.1-100
  • Длина 4050 мм.
  • Ширина 1650 мм.
  • Высота 880 мм.
  • Вес 11800 кг.
  • Объем бетона 4,7 м3
  • Геометрический объем 5,8806 м3
Цена: 273540 руб.
Подробнее
3РП 41-5 тАIII
Блоки ригелей Серия 3.503.1-100
  • Длина 4050 мм.
  • Ширина 1650 мм.
  • Высота 880 мм.
  • Вес 11800 кг.
  • Объем бетона 4,7 м3
  • Геометрический объем 5,8806 м3
Цена: 273540 руб.
Подробнее
3РП 41-6 тАII
Блоки ригелей Серия 3.503.1-100
  • Длина 4050 мм.
  • Ширина 1650 мм.
  • Высота 880 мм.
  • Вес 11800 кг.
  • Объем бетона 4,7 м3
  • Геометрический объем 5,8806 м3
Цена: 273540 руб.
Подробнее
3РП 41-6 тАIII
Блоки ригелей Серия 3.503.1-100
  • Длина 4050 мм.
  • Ширина 1650 мм.
  • Высота 880 мм.
  • Вес 11800 кг.
  • Объем бетона 4,7 м3
  • Геометрический объем 5,8806 м3
Цена: 273540 руб.
Подробнее
3РП 48-5 тАII
Блоки ригелей Серия 3.503.1-100
  • Длина 4750 мм.
  • Ширина 1650 мм.
  • Высота 880 мм.
  • Вес 14300 кг.
  • Объем бетона 5,7 м3
  • Геометрический объем 6,897 м3
Цена: 331740 руб.
Подробнее
3РП 48-5 тАIII
Блоки ригелей Серия 3.503.1-100
  • Длина 4750 мм.
  • Ширина 1650 мм.
  • Высота 880 мм.
  • Вес 14300 кг.
  • Объем бетона 5,7 м3
  • Геометрический объем 6,897 м3
Цена: 331740 руб.
Подробнее
3РП 48-6 тАII
Блоки ригелей Серия 3.503.1-100
  • Длина 4750 мм.
  • Ширина 1650 мм.
  • Высота 880 мм.
  • Вес 14300 кг.
  • Объем бетона 5,7 м3
  • Геометрический объем 6,897 м3
Цена: 331740 руб.
Подробнее
3РП 48-6 тАIII
Блоки ригелей Серия 3.503.1-100
  • Длина 4750 мм.
  • Ширина 1650 мм.
  • Высота 880 мм.
  • Вес 14300 кг.
  • Объем бетона 5,7 м3
  • Геометрический объем 6,897 м3
Цена: 331740 руб.
Подробнее
3РП 51-1 тАII
Блоки ригелей Серия 3.503.1-100
  • Длина 5050 мм.
  • Ширина 1550 мм.
  • Высота 780 мм.
  • Вес 12300 кг.
  • Объем бетона 4,9 м3
  • Геометрический объем 6,1055 м3
Цена: 285180 руб.
Подробнее
3РП 51-1 тАIII
Блоки ригелей Серия 3.503.1-100
  • Длина 5050 мм.
  • Ширина 1550 мм.
  • Высота 780 мм.
  • Вес 12300 кг.
  • Объем бетона 4,9 м3
  • Геометрический объем 6,1055 м3
Цена: 285180 руб.
Подробнее
3РП 51-2 тАII
Блоки ригелей Серия 3.503.1-100
  • Длина 5050 мм.
  • Ширина 1550 мм.
  • Высота 780 мм.
  • Вес 12300 кг.
  • Объем бетона 4,9 м3
  • Геометрический объем 6,1055 м3
Цена: 285180 руб.
Подробнее
3РП 51-2 тАIII
Блоки ригелей Серия 3.503.1-100
  • Длина 5050 мм.
  • Ширина 1550 мм.
  • Высота 780 мм.
  • Вес 12300 кг.
  • Объем бетона 4,9 м3
  • Геометрический объем 6,1055 м3
Цена: 285180 руб.
Подробнее
3РП 51-3 тАII
Блоки ригелей Серия 3.503.1-100
  • Длина 5050 мм.
  • Ширина 1550 мм.
  • Высота 780 мм.
  • Вес 12300 кг.
  • Объем бетона 4,9 м3
  • Геометрический объем 6,1055 м3
Цена: 285180 руб.
Подробнее
3РП 51-3 тАIII
Блоки ригелей Серия 3.503.1-100
  • Длина 5050 мм.
  • Ширина 1550 мм.
  • Высота 780 мм.
  • Вес 12300 кг.
  • Объем бетона 4,9 м3
  • Геометрический объем 6,1055 м3
Цена: 285180 руб.
Подробнее
3РП 51-4 тАIII
Блоки ригелей Серия 3.503.1-100
  • Длина 5050 мм.
  • Ширина 1550 мм.
  • Высота 780 мм.
  • Вес 12300 кг.
  • Объем бетона 4,9 м3
  • Геометрический объем 6,1055 м3
Цена: 285180 руб.
Подробнее
3РП 51-4 тАII
Блоки ригелей Серия 3.503.1-100
  • Длина 5050 мм.
  • Ширина 1550 мм.
  • Высота 780 мм.
  • Вес 12300 кг.
  • Объем бетона 4,9 м3
  • Геометрический объем 6,1055 м3
Цена: 285180 руб.
Подробнее
3РП 51-5 тАII
Блоки ригелей Серия 3.503.1-100
  • Длина 5050 мм.
  • Ширина 1650 мм.
  • Высота 880 мм.
  • Вес 15300 кг.
  • Объем бетона 6,1 м3
  • Геометрический объем 7,3326 м3
Цена: 355020 руб.
Подробнее
3РП 51-5 тАIII
Блоки ригелей Серия 3.503.1-100
  • Длина 5050 мм.
  • Ширина 1650 мм.
  • Высота 880 мм.
  • Вес 15300 кг.
  • Объем бетона 6,1 м3
  • Геометрический объем 7,3326 м3
Цена: 355020 руб.
Подробнее
3РП 51-6 тАII
Блоки ригелей Серия 3.503.1-100
  • Длина 5050 мм.
  • Ширина 1650 мм.
  • Высота 880 мм.
  • Вес 15300 кг.
  • Объем бетона 6,1 м3
  • Геометрический объем 7,3326 м3
Цена: 355020 руб.
Подробнее
3РП 51-6 тАIII
Блоки ригелей Серия 3.503.1-100
  • Длина 5050 мм.
  • Ширина 1650 мм.
  • Высота 880 мм.
  • Вес 15300 кг.
  • Объем бетона 6,1 м3
  • Геометрический объем 7,3326 м3
Цена: 355020 руб.
Подробнее
3РП 58-1 тАII
Блоки ригелей Серия 3.503.1-100
  • Длина 5800 мм.
  • Ширина 1550 мм.
  • Высота 780 мм.
  • Вес 14300 кг.
  • Объем бетона 5,7 м3
  • Геометрический объем 7,0122 м3
Цена: 331740 руб.
Подробнее
3РП 58-2 тАII
Блоки ригелей Серия 3.503.1-100
  • Длина 5800 мм.
  • Ширина 1550 мм.
  • Высота 780 мм.
  • Вес 14300 кг.
  • Объем бетона 5,7 м3
  • Геометрический объем 7,0122 м3
Цена: 331740 руб.
Подробнее
3РП 58-1 тАIII
Блоки ригелей Серия 3.503.1-100
  • Длина 5800 мм.
  • Ширина 1550 мм.
  • Высота 780 мм.
  • Вес 14300 кг.
  • Объем бетона 5,7 м3
  • Геометрический объем 7,0122 м3
Цена: 331740 руб.
Подробнее
3РП 58-2 тАIII
Блоки ригелей Серия 3.503.1-100
  • Длина 5800 мм.
  • Ширина 1550 мм.
  • Высота 780 мм.
  • Вес 14300 кг.
  • Объем бетона 5,7 м3
  • Геометрический объем 7,0122 м3
Цена: 331740 руб.
Подробнее
3РП 58-3 тАIII
Блоки ригелей Серия 3.503.1-100
  • Длина 5800 мм.
  • Ширина 1550 мм.
  • Высота 780 мм.
  • Вес 14300 кг.
  • Объем бетона 5,7 м3
  • Геометрический объем 7,0122 м3
Цена: 331740 руб.
Подробнее
3РП 58-3 тАII
Блоки ригелей Серия 3.503.1-100
  • Длина 5800 мм.
  • Ширина 1550 мм.
  • Высота 780 мм.
  • Вес 14300 кг.
  • Объем бетона 5,7 м3
  • Геометрический объем 7,0122 м3
Цена: 331740 руб.
Подробнее
3РП 58-4 тАII
Блоки ригелей Серия 3.503.1-100
  • Длина 5800 мм.
  • Ширина 1550 мм.
  • Высота 780 мм.
  • Вес 14300 кг.
  • Объем бетона 5,7 м3
  • Геометрический объем 7,0122 м3
Цена: 331740 руб.
Подробнее
3РП 58-4 тАIII
Блоки ригелей Серия 3.503.1-100
  • Длина 5800 мм.
  • Ширина 1550 мм.
  • Высота 780 мм.
  • Вес 14300 кг.
  • Объем бетона 5,7 м3
  • Геометрический объем 7,0122 м3
Цена: 331740 руб.
Подробнее
3РП 58-5 тАII
Блоки ригелей Серия 3.503.1-100
  • Длина 5800 мм.
  • Ширина 1650 мм.
  • Высота 880 мм.
  • Вес 17500 кг.
  • Объем бетона 7 м3
  • Геометрический объем 8,4216 м3
Цена: 407400 руб.
Подробнее
3РП 58-5 тАIII
Блоки ригелей Серия 3.503.1-100
  • Длина 5800 мм.
  • Ширина 1650 мм.
  • Высота 880 мм.
  • Вес 17500 кг.
  • Объем бетона 7 м3
  • Геометрический объем 8,4216 м3
Цена: 407400 руб.
Подробнее
3РП 58-6 тАII
Блоки ригелей Серия 3.503.1-100
  • Длина 5800 мм.
  • Ширина 1650 мм.
  • Высота 880 мм.
  • Вес 17500 кг.
  • Объем бетона 7 м3
  • Геометрический объем 8,4216 м3
Цена: 407400 руб.
Подробнее
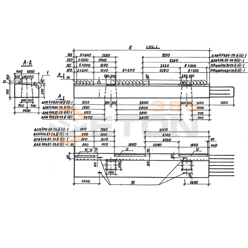
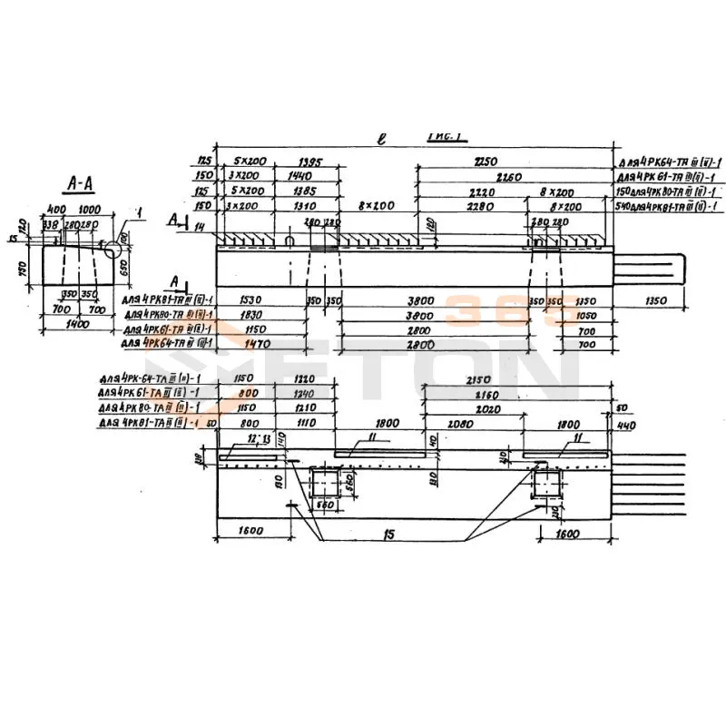
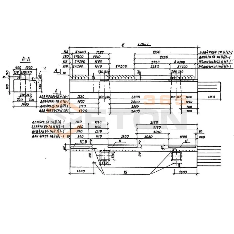
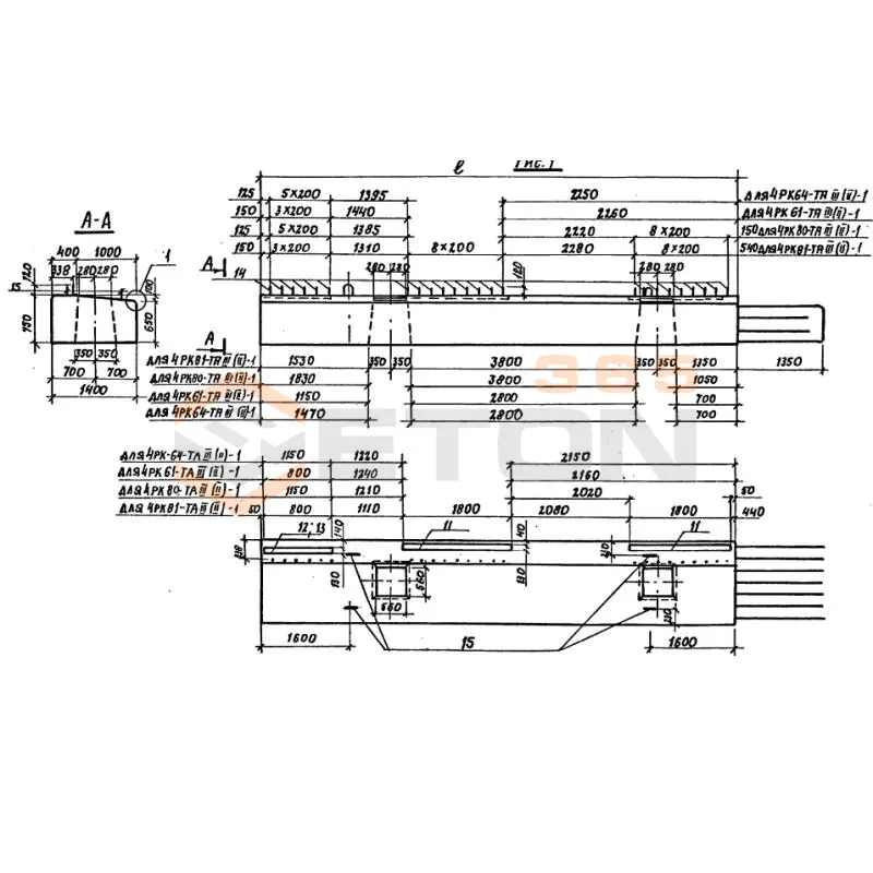
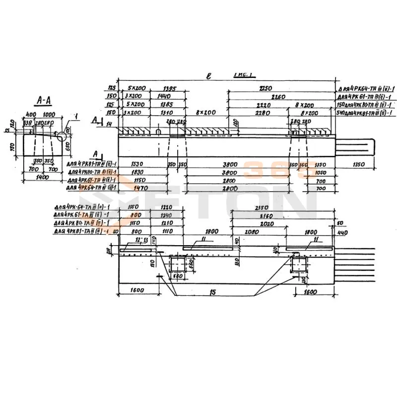
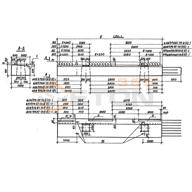
4РК 61 тАII-1
Блоки ригелей Серия 3.503.1-100
  • Длина 6050 мм.
  • Ширина 1400 мм.
  • Высота 750 мм.
  • Вес 13800 кг.
  • Объем бетона 5,5 м3
  • Геометрический объем 6,3525 м3
Цена: 320100 руб.
Подробнее
3РП 58-6 тАIII
Блоки ригелей Серия 3.503.1-100
  • Длина 5800 мм.
  • Ширина 1650 мм.
  • Высота 880 мм.
  • Вес 17500 кг.
  • Объем бетона 7 м3
  • Геометрический объем 8,4216 м3
Цена: 407400 руб.
Подробнее
4РК 61 тАIII-1
Блоки ригелей Серия 3.503.1-100
  • Длина 6050 мм.
  • Ширина 1400 мм.
  • Высота 750 мм.
  • Вес 13800 кг.
  • Объем бетона 5,5 м3
  • Геометрический объем 6,3525 м3
Цена: 320100 руб.
Подробнее
4РК 61 тАII-2
Блоки ригелей Серия 3.503.1-100
  • Длина 6050 мм.
  • Ширина 1400 мм.
  • Высота 750 мм.
  • Вес 13800 кг.
  • Объем бетона 5,5 м3
  • Геометрический объем 6,3525 м3
Цена: 320100 руб.
Подробнее
4РК 64 тАII-1
Блоки ригелей Серия 3.503.1-100
  • Длина 6370 мм.
  • Ширина 1400 мм.
  • Высота 750 мм.
  • Вес 14500 кг.
  • Объем бетона 5,8 м3
  • Геометрический объем 6,6885 м3
Цена: 337560 руб.
Подробнее
4РК 61 тАIII-2
Блоки ригелей Серия 3.503.1-100
  • Длина 6050 мм.
  • Ширина 1400 мм.
  • Высота 750 мм.
  • Вес 13800 кг.
  • Объем бетона 5,5 м3
  • Геометрический объем 6,3525 м3
Цена: 320100 руб.
Подробнее
4РК 64 тАIII-1
Блоки ригелей Серия 3.503.1-100
  • Длина 6370 мм.
  • Ширина 1400 мм.
  • Высота 750 мм.
  • Вес 14500 кг.
  • Объем бетона 5,8 м3
  • Геометрический объем 6,6885 м3
Цена: 337560 руб.
Подробнее
4РК 80 тАII-1
Блоки ригелей Серия 3.503.1-100
  • Длина 8080 мм.
  • Ширина 1400 мм.
  • Высота 750 мм.
  • Вес 18800 кг.
  • Объем бетона 7,5 м3
  • Геометрический объем 8,484 м3
Цена: 436500 руб.
Подробнее
4РК 64 тАII-2
Блоки ригелей Серия 3.503.1-100
  • Длина 6370 мм.
  • Ширина 1400 мм.
  • Высота 750 мм.
  • Вес 14500 кг.
  • Объем бетона 5,8 м3
  • Геометрический объем 6,6885 м3
Цена: 337560 руб.
Подробнее
4РК 64 тАIII-2
Блоки ригелей Серия 3.503.1-100
  • Длина 6370 мм.
  • Ширина 1400 мм.
  • Высота 750 мм.
  • Вес 14500 кг.
  • Объем бетона 5,8 м3
  • Геометрический объем 6,6885 м3
Цена: 337560 руб.
Подробнее
4РК 80 тАII-2
Блоки ригелей Серия 3.503.1-100
  • Длина 8080 мм.
  • Ширина 1400 мм.
  • Высота 750 мм.
  • Вес 18800 кг.
  • Объем бетона 7,5 м3
  • Геометрический объем 8,484 м3
Цена: 436500 руб.
Подробнее
4РК 80 тАIII-1
Блоки ригелей Серия 3.503.1-100
  • Длина 8080 мм.
  • Ширина 1400 мм.
  • Высота 750 мм.
  • Вес 18800 кг.
  • Объем бетона 7,5 м3
  • Геометрический объем 8,484 м3
Цена: 436500 руб.
Подробнее
4РК 80 тАIII-2
Блоки ригелей Серия 3.503.1-100
  • Длина 8080 мм.
  • Ширина 1400 мм.
  • Высота 750 мм.
  • Вес 18800 кг.
  • Объем бетона 7,5 м3
  • Геометрический объем 8,484 м3
Цена: 436500 руб.
Подробнее
4РК 81 тАII-1
Блоки ригелей Серия 3.503.1-100
  • Длина 8080 мм.
  • Ширина 1400 мм.
  • Высота 750 мм.
  • Вес 18800 кг.
  • Объем бетона 7,5 м3
  • Геометрический объем 8,484 м3
Цена: 436500 руб.
Подробнее
4РК 81 тАIII-1
Блоки ригелей Серия 3.503.1-100
  • Длина 8080 мм.
  • Ширина 1400 мм.
  • Высота 750 мм.
  • Вес 18800 кг.
  • Объем бетона 7,5 м3
  • Геометрический объем 8,484 м3
Цена: 436500 руб.
Подробнее
4РК 81 тАII-2
Блоки ригелей Серия 3.503.1-100
  • Длина 8080 мм.
  • Ширина 1400 мм.
  • Высота 750 мм.
  • Вес 18800 кг.
  • Объем бетона 7,5 м3
  • Геометрический объем 8,484 м3
Цена: 436500 руб.
Подробнее
4РК 81 тАIII-2
Блоки ригелей Серия 3.503.1-100
  • Длина 8080 мм.
  • Ширина 1400 мм.
  • Высота 750 мм.
  • Вес 18800 кг.
  • Объем бетона 7,5 м3
  • Геометрический объем 8,484 м3
Цена: 436500 руб.
Подробнее
4РП 53-1 тАII
Блоки ригелей Серия 3.503.1-100
  • Длина 5250 мм.
  • Ширина 1350 мм.
  • Высота 780 мм.
  • Вес 12000 кг.
  • Объем бетона 4,8 м3
  • Геометрический объем 5,5282 м3
Цена: 279360 руб.
Подробнее
4РП 53-1 тАIII
Блоки ригелей Серия 3.503.1-100
  • Длина 5250 мм.
  • Ширина 1350 мм.
  • Высота 780 мм.
  • Вес 12000 кг.
  • Объем бетона 4,8 м3
  • Геометрический объем 5,5282 м3
Цена: 279360 руб.
Подробнее
4РП 53-2 тАII
Блоки ригелей Серия 3.503.1-100
  • Длина 5250 мм.
  • Ширина 1350 мм.
  • Высота 780 мм.
  • Вес 12000 кг.
  • Объем бетона 4,8 м3
  • Геометрический объем 5,5282 м3
Цена: 279360 руб.
Подробнее
4РП 53-2 тАIII
Блоки ригелей Серия 3.503.1-100
  • Длина 5250 мм.
  • Ширина 1350 мм.
  • Высота 780 мм.
  • Вес 12000 кг.
  • Объем бетона 4,8 м3
  • Геометрический объем 5,5282 м3
Цена: 279360 руб.
Подробнее

Уведомление о файлах cookie

Мы используем файлы cookie для улучшения вашего опыта просмотра и анализа трафика. Нажимая "Принять все", вы соглашаетесь с нашей политикой конфиденциальности и политикой обработки файлов cookie.

MAX Дзен Телеграм Вконтакте vk