mobile_sound +7 (930) 655-55-90

Типовые конструкции и железобетонные изделия. Рабочие чертежи (Серия 3.006.1-8)

Поделиться:
Поделиться:

Документ Серия 3.006.1-8 описывает область применения, номенклатуру и ключевые требования, опираясь на действующие нормы и практику проектирования. Восемь выпусков Серии 3.006.1-8 максимально детально описывают все тонкости и нюансы производства лотковых элементов, необходимых для прокладки каналов и тоннелей. В номенклатурном перечне приведены основные характеристики балок, лотков, плит днищ и перекрытий, подкладок. изделия и конструкции приведены в большом количестве геометрических вариаций, что в значительной степени расширяет их область применения.

Файлы для скачивания:
picture_as_pdf

1428.pdf

19,628.7 KB

скачать
picture_as_pdf

1429.pdf

27,033.8 KB

скачать
picture_as_pdf

1430.pdf

43,378.0 KB

скачать
picture_as_pdf

1431.pdf

9,444.6 KB

скачать
picture_as_pdf

1432.pdf

27,215.9 KB

скачать
picture_as_pdf

1433.pdf

7,469.7 KB

скачать
picture_as_pdf

1434.pdf

14,521.6 KB

скачать
picture_as_pdf

1435.pdf

13,245.5 KB

скачать
Товары Серия 3.006.1-8 (47)
ПД 75-90-10-6
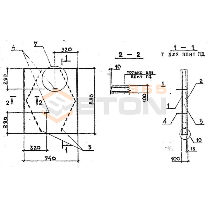
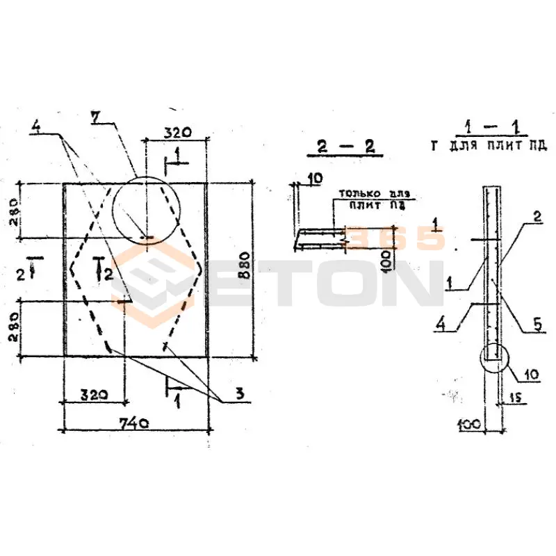
Плиты днища каналов ПД серия 3.006.1-8
  • Длина 740 мм.
  • Ширина 880 мм.
  • Высота 100 мм.
  • Вес 160 кг.
  • Объем бетона 0,065 м3
  • Геометрический объем 0,0651 м3
Цена: 1261 руб.
Подробнее
ПД 75-90-10-9
Плиты днища каналов ПД серия 3.006.1-8
  • Длина 740 мм.
  • Ширина 880 мм.
  • Высота 100 мм.
  • Вес 160 кг.
  • Объем бетона 0,065 м3
  • Геометрический объем 0,0651 м3
Цена: 1261 руб.
Подробнее
ПДУ 110-120-12-6
Плиты днища каналов угловые ПДУ серия 3.006.1-8
  • Длина 1180 мм.
  • Ширина 1100 мм.
  • Высота 120 мм.
  • Вес 389 кг.
  • Объем бетона 0,16 м3
  • Геометрический объем 0,1558 м3
Цена: 3880 руб.
Подробнее
ПДУ 140-150-12-6
Плиты днища каналов угловые ПДУ серия 3.006.1-8
  • Длина 1480 мм.
  • Ширина 1350 мм.
  • Высота 120 мм.
  • Вес 600 кг.
  • Объем бетона 0,24 м3
  • Геометрический объем 0,2398 м3
Цена: 5820 руб.
Подробнее
ПДУ 150-150-12-6
Плиты днища каналов угловые ПДУ серия 3.006.1-8
  • Длина 1480 мм.
  • Ширина 1480 мм.
  • Высота 120 мм.
  • Вес 657 кг.
  • Объем бетона 0,26 м3
  • Геометрический объем 0,2628 м3
Цена: 6305 руб.
Подробнее
ПДУ 170-180-14-6
Плиты днища каналов угловые ПДУ серия 3.006.1-8
  • Длина 1650 мм.
  • Ширина 1780 мм.
  • Высота 140 мм.
  • Вес 1030 кг.
  • Объем бетона 0,41 м3
  • Геометрический объем 0,4112 м3
Цена: 9943 руб.
Подробнее
ПДУ 180-90-10-6
Плиты днища каналов угловые ПДУ серия 3.006.1-8
  • Длина 1780 мм.
  • Ширина 880 мм.
  • Высота 100 мм.
  • Вес 400 кг.
  • Объем бетона 0,15 м3
  • Геометрический объем 0,1566 м3
Цена: 3638 руб.
Подробнее
ПДУ 190-210-14-6
Плиты днища каналов угловые ПДУ серия 3.006.1-8
  • Длина 1870 мм.
  • Ширина 2080 мм.
  • Высота 140 мм.
  • Вес 1350 кг.
  • Объем бетона 0,54 м3
  • Геометрический объем 0,5445 м3
Цена: 13095 руб.
Подробнее
ПДУ 210-120-12-6
Плиты днища каналов угловые ПДУ серия 3.006.1-8
  • Длина 2080 мм.
  • Ширина 1180 мм.
  • Высота 120 мм.
  • Вес 700 кг.
  • Объем бетона 0,28 м3
  • Геометрический объем 0,2945 м3
Цена: 6790 руб.
Подробнее
ПДУ 220-210-14-6
Плиты днища каналов угловые ПДУ серия 3.006.1-8
  • Длина 2170 мм.
  • Ширина 2080 мм.
  • Высота 140 мм.
  • Вес 1575 кг.
  • Объем бетона 0,63 м3
  • Геометрический объем 0,6319 м3
Цена: 15278 руб.
Подробнее
ПДУ 230-240-20-6
Плиты днища каналов угловые ПДУ серия 3.006.1-8
  • Длина 2300 мм.
  • Ширина 2380 мм.
  • Высота 200 мм.
  • Вес 2730 кг.
  • Объем бетона 1,09 м3
  • Геометрический объем 1,0948 м3
Цена: 26433 руб.
Подробнее
ПДУ 230-240-20-6 а
Плиты днища каналов угловые ПДУ серия 3.006.1-8
  • Длина 2300 мм.
  • Ширина 2380 мм.
  • Высота 200 мм.
  • Вес 2750 кг.
  • Объем бетона 1,1 м3
  • Геометрический объем 1,0948 м3
Цена: 26675 руб.
Подробнее
ПДУ 250-240-20-6 а
Плиты днища каналов угловые ПДУ серия 3.006.1-8
  • Длина 2500 мм.
  • Ширина 2380 мм.
  • Высота 200 мм.
  • Вес 3000 кг.
  • Объем бетона 1,2 м3
  • Геометрический объем 1,19 м3
Цена: 29100 руб.
Подробнее
ПДУ 250-240-20-6
Плиты днища каналов угловые ПДУ серия 3.006.1-8
  • Длина 2500 мм.
  • Ширина 2380 мм.
  • Высота 200 мм.
  • Вес 3000 кг.
  • Объем бетона 1,19 м3
  • Геометрический объем 1,19 м3
Цена: 28858 руб.
Подробнее
ПДУ 300-300-20-6
Плиты днища каналов угловые ПДУ серия 3.006.1-8
  • Длина 2990 мм.
  • Ширина 2980 мм.
  • Высота 200 мм.
  • Вес 4500 кг.
  • Объем бетона 1,78 м3
  • Геометрический объем 1,782 м3
Цена: 43165 руб.
Подробнее
ПДУ 300-300-20-6 а
Плиты днища каналов угловые ПДУ серия 3.006.1-8
  • Длина 2990 мм.
  • Ширина 2980 мм.
  • Высота 200 мм.
  • Вес 4500 кг.
  • Объем бетона 1,8 м3
  • Геометрический объем 1,782 м3
Цена: 43650 руб.
Подробнее
ПДУ 80-90-10-6
Плиты днища каналов угловые ПДУ серия 3.006.1-8
  • Длина 880 мм.
  • Ширина 800 мм.
  • Высота 100 мм.
  • Вес 175 кг.
  • Объем бетона 0,07 м3
  • Геометрический объем 0,0704 м3
Цена: 1698 руб.
Подробнее
ПДУ 60-60-8-6
Плиты днища каналов угловые ПДУ серия 3.006.1-8
  • Длина 580 мм.
  • Ширина 580 мм.
  • Высота 80 мм.
  • Вес 67 кг.
  • Объем бетона 0,027 м3
  • Геометрический объем 0,0269 м3
Цена: 655 руб.
Подробнее
ПТО 150-150-12-6
Плиты перекрытия каналов с отверстиями ПТО серия 3.006.1-8
  • Длина 1480 мм.
  • Ширина 1480 мм.
  • Высота 120 мм.
  • Вес 650 кг.
  • Объем бетона 0,26 м3
  • Геометрический объем 0,2628 м3
Цена: 6557 руб.
Подробнее
ПТО 150-150-12-6 (1 отв.)
Плиты перекрытия каналов с отверстиями ПТО серия 3.006.1-8
  • Длина 1480 мм.
  • Ширина 1480 мм.
  • Высота 120 мм.
  • Вес 650 кг.
  • Объем бетона 0,26 м3
  • Геометрический объем 0,2628 м3
Цена: 6557 руб.
Подробнее
ПТО 150-180-14-6
Плиты перекрытия каналов с отверстиями ПТО серия 3.006.1-8
  • Длина 1480 мм.
  • Ширина 1780 мм.
  • Высота 140 мм.
  • Вес 920 кг.
  • Объем бетона 0,37 м3
  • Геометрический объем 0,3688 м3
Цена: 9331 руб.
Подробнее
ПТО 150-180-14-6 (1 отв.)
Плиты перекрытия каналов с отверстиями ПТО серия 3.006.1-8
  • Длина 1480 мм.
  • Ширина 1780 мм.
  • Высота 140 мм.
  • Вес 920 кг.
  • Объем бетона 0,37 м3
  • Геометрический объем 0,3688 м3
Цена: 9331 руб.
Подробнее
ПТО 150-240-14-6 (1 отв.)
Плиты перекрытия каналов с отверстиями ПТО серия 3.006.1-8
  • Длина 1480 мм.
  • Ширина 2380 мм.
  • Высота 140 мм.
  • Вес 1233 кг.
  • Объем бетона 0,49 м3
  • Геометрический объем 0,4931 м3
Цена: 12358 руб.
Подробнее
ПТО 150-240-14-6
Плиты перекрытия каналов с отверстиями ПТО серия 3.006.1-8
  • Длина 1480 мм.
  • Ширина 2380 мм.
  • Высота 140 мм.
  • Вес 1233 кг.
  • Объем бетона 0,49 м3
  • Геометрический объем 0,4931 м3
Цена: 12358 руб.
Подробнее
ПТО 200-240-14-6
Плиты перекрытия каналов с отверстиями ПТО серия 3.006.1-8
  • Длина 2000 мм.
  • Ширина 2380 мм.
  • Высота 140 мм.
  • Вес 1680 кг.
  • Объем бетона 0,66 м3
  • Геометрический объем 0,6664 м3
Цена: 16645 руб.
Подробнее
ПТО 200-240-14-6 (1 отв.)
Плиты перекрытия каналов с отверстиями ПТО серия 3.006.1-8
  • Длина 2000 мм.
  • Ширина 2380 мм.
  • Высота 140 мм.
  • Вес 1675 кг.
  • Объем бетона 0,67 м3
  • Геометрический объем 0,6664 м3
Цена: 16897 руб.
Подробнее
ПТО 200-240-14-6 (2 отв.)
Плиты перекрытия каналов с отверстиями ПТО серия 3.006.1-8
  • Длина 2000 мм.
  • Ширина 2380 мм.
  • Высота 140 мм.
  • Вес 1675 кг.
  • Объем бетона 0,67 м3
  • Геометрический объем 0,6664 м3
Цена: 16897 руб.
Подробнее
ПТО 220-240-14-6 (1 отв.)
Плиты перекрытия каналов с отверстиями ПТО серия 3.006.1-8
  • Длина 2200 мм.
  • Ширина 2400 мм.
  • Высота 140 мм.
  • Вес 1725 кг.
  • Объем бетона 0,69 м3
  • Геометрический объем 0,7392 м3
Цена: 17402 руб.
Подробнее
ПТО 220-240-14-6 (2 отв.)
Плиты перекрытия каналов с отверстиями ПТО серия 3.006.1-8
  • Длина 2200 мм.
  • Ширина 2400 мм.
  • Высота 140 мм.
  • Вес 1575 кг.
  • Объем бетона 0,63 м3
  • Геометрический объем 0,7392 м3
Цена: 15889 руб.
Подробнее
ПТО 280-140-14-6
Плиты перекрытия каналов с отверстиями ПТО серия 3.006.1-8
  • Длина 2800 мм.
  • Ширина 1380 мм.
  • Высота 140 мм.
  • Вес 1200 кг.
  • Объем бетона 0,49 м3
  • Геометрический объем 0,541 м3
Цена: 12358 руб.
Подробнее
ПТУ 100-60-8-6
Плиты перекрытия каналов угловые ПТУ серия 3.006.1-8
  • Длина 980 мм.
  • Ширина 580 мм.
  • Высота 80 мм.
  • Вес 114 кг.
  • Объем бетона 0,05 м3
  • Геометрический объем 0,0455 м3
Цена: 1310 руб.
Подробнее
ПТУ 180-90-10-6
Плиты перекрытия каналов угловые ПТУ серия 3.006.1-8
  • Длина 1780 мм.
  • Ширина 880 мм.
  • Высота 100 мм.
  • Вес 367 кг.
  • Объем бетона 0,15 м3
  • Геометрический объем 0,1566 м3
Цена: 3929 руб.
Подробнее
ПТУ 210-120-12-6
Плиты перекрытия каналов угловые ПТУ серия 3.006.1-8
  • Длина 2060 мм.
  • Ширина 1180 мм.
  • Высота 120 мм.
  • Вес 690 кг.
  • Объем бетона 0,28 м3
  • Геометрический объем 0,2917 м3
Цена: 7333 руб.
Подробнее
ПТУ 75-45-6-6
Плиты перекрытия каналов угловые ПТУ серия 3.006.1-8
  • Длина 740 мм.
  • Ширина 430 мм.
  • Высота 60 мм.
  • Вес 47 кг.
  • Объем бетона 0,02 м3
  • Геометрический объем 0,0191 м3
Цена: 524 руб.
Подробнее
ПТУ 230-150-12-6
Плиты перекрытия каналов угловые ПТУ серия 3.006.1-8
  • Длина 2340 мм.
  • Ширина 1480 мм.
  • Высота 120 мм.
  • Вес 1150 кг.
  • Объем бетона 0,46 м3
  • Геометрический объем 0,4156 м3
Цена: 12047 руб.
Подробнее
ПТУ 230-150-14-6
Плиты перекрытия каналов угловые ПТУ серия 3.006.1-8
  • Длина 2340 мм.
  • Ширина 1480 мм.
  • Высота 140 мм.
  • Вес 1150 кг.
  • Объем бетона 0,48 м3
  • Геометрический объем 0,4848 м3
Цена: 12571 руб.
Подробнее
ПП 1
Плоские подкладки под стыки сборных элементов канала ПП серия 3.006.1-8
  • Длина 550 мм.
  • Ширина 400 мм.
  • Высота 100 мм.
  • Вес 60 кг.
  • Объем бетона 0,02 м3
  • Геометрический объем 0,022 м3
Цена: 485 руб.
Подробнее
ПП 10
Плоские подкладки под стыки сборных элементов канала ПП серия 3.006.1-8
  • Длина 3250 мм.
  • Ширина 400 мм.
  • Высота 140 мм.
  • Вес 460 кг.
  • Объем бетона 0,182 м3
  • Геометрический объем 0,182 м3
Цена: 4414 руб.
Подробнее
ПП 11
Плоские подкладки под стыки сборных элементов канала ПП серия 3.006.1-8
  • Длина 3850 мм.
  • Ширина 400 мм.
  • Высота 140 мм.
  • Вес 540 кг.
  • Объем бетона 0,215 м3
  • Геометрический объем 0,2156 м3
Цена: 5214 руб.
Подробнее
ПП 2
Плоские подкладки под стыки сборных элементов канала ПП серия 3.006.1-8
  • Длина 700 мм.
  • Ширина 400 мм.
  • Высота 100 мм.
  • Вес 70 кг.
  • Объем бетона 0,02 м3
  • Геометрический объем 0,028 м3
Цена: 485 руб.
Подробнее
ПП 3
Плоские подкладки под стыки сборных элементов канала ПП серия 3.006.1-8
  • Длина 850 мм.
  • Ширина 400 мм.
  • Высота 100 мм.
  • Вес 90 кг.
  • Объем бетона 0,03 м3
  • Геометрический объем 0,034 м3
Цена: 728 руб.
Подробнее
ПП 4
Плоские подкладки под стыки сборных элементов канала ПП серия 3.006.1-8
  • Длина 1150 мм.
  • Ширина 400 мм.
  • Высота 100 мм.
  • Вес 120 кг.
  • Объем бетона 0,04 м3
  • Геометрический объем 0,046 м3
Цена: 970 руб.
Подробнее
ПП 5
Плоские подкладки под стыки сборных элементов канала ПП серия 3.006.1-8
  • Длина 1450 мм.
  • Ширина 400 мм.
  • Высота 100 мм.
  • Вес 150 кг.
  • Объем бетона 0,06 м3
  • Геометрический объем 0,058 м3
Цена: 1455 руб.
Подробнее
ПП 6
Плоские подкладки под стыки сборных элементов канала ПП серия 3.006.1-8
  • Длина 1750 мм.
  • Ширина 400 мм.
  • Высота 100 мм.
  • Вес 180 кг.
  • Объем бетона 0,07 м3
  • Геометрический объем 0,07 м3
Цена: 1698 руб.
Подробнее
ПП 7
Плоские подкладки под стыки сборных элементов канала ПП серия 3.006.1-8
  • Длина 2050 мм.
  • Ширина 400 мм.
  • Высота 100 мм.
  • Вес 210 кг.
  • Объем бетона 0,08 м3
  • Геометрический объем 0,082 м3
Цена: 1940 руб.
Подробнее
ПП 8
Плоские подкладки под стыки сборных элементов канала ПП серия 3.006.1-8
  • Длина 2350 мм.
  • Ширина 400 мм.
  • Высота 100 мм.
  • Вес 240 кг.
  • Объем бетона 0,09 м3
  • Геометрический объем 0,094 м3
Цена: 2183 руб.
Подробнее
ПП 9
Плоские подкладки под стыки сборных элементов канала ПП серия 3.006.1-8
  • Длина 2650 мм.
  • Ширина 400 мм.
  • Высота 100 мм.
  • Вес 270 кг.
  • Объем бетона 0,1 м3
  • Геометрический объем 0,106 м3
Цена: 2425 руб.
Подробнее

Уведомление о файлах cookie

Мы используем файлы cookie для улучшения вашего опыта просмотра и анализа трафика. Нажимая "Принять все", вы соглашаетесь с нашей политикой конфиденциальности и политикой обработки файлов cookie.

MAX Дзен Телеграм Вконтакте vk