mobile_sound +7 (930) 655-55-90

Типовые конструкции и железобетонные изделия. Рабочие чертежи (Серия 3.006.1-8)

Поделиться:
Поделиться:

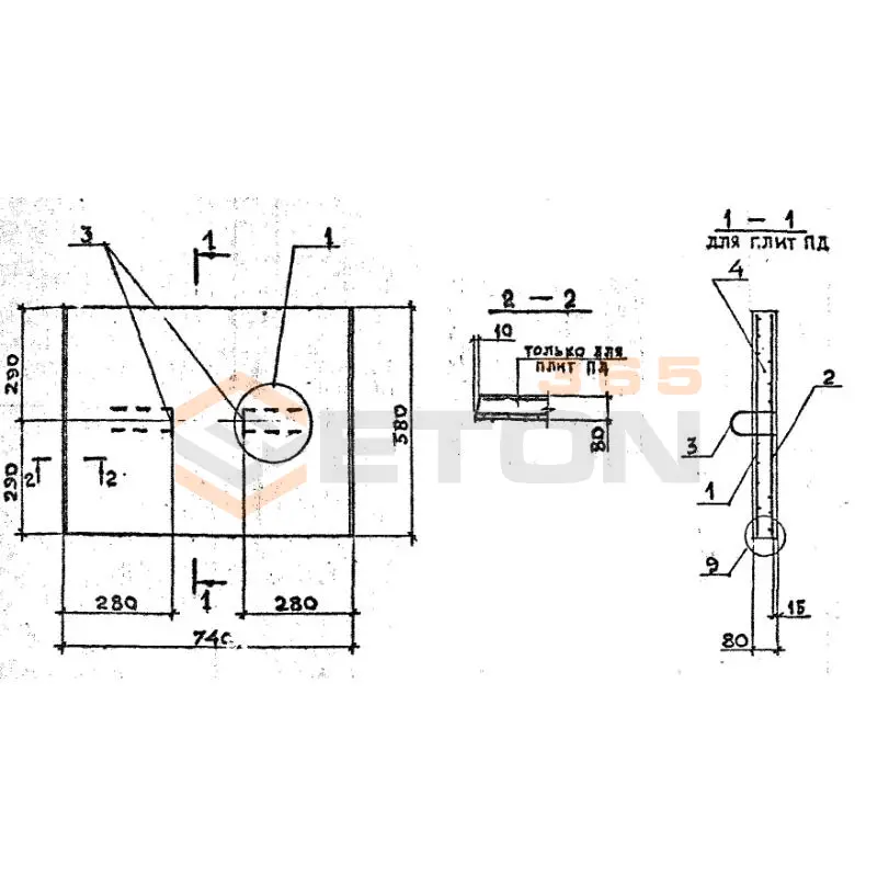
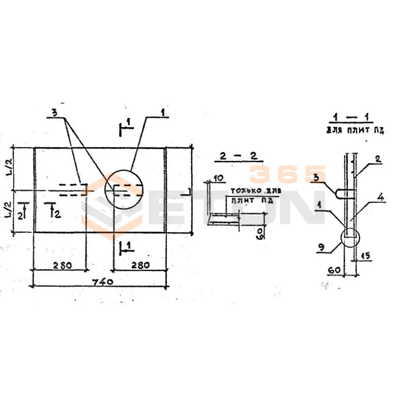
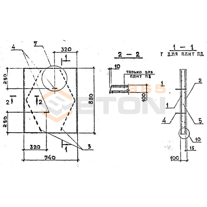
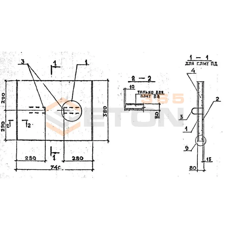
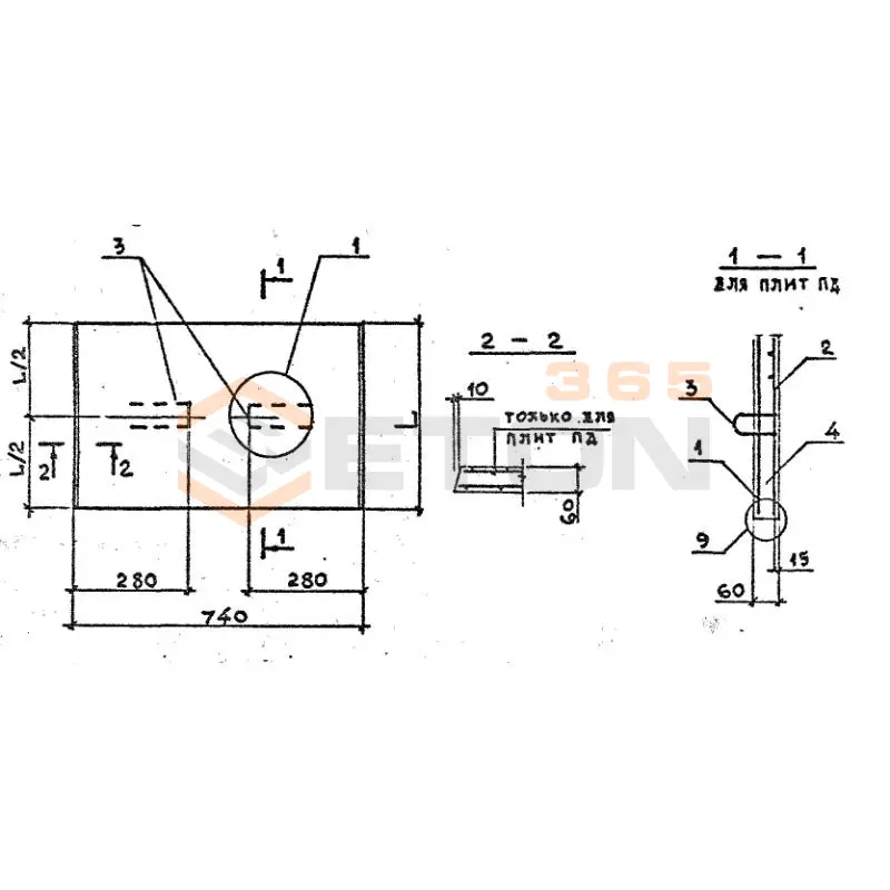
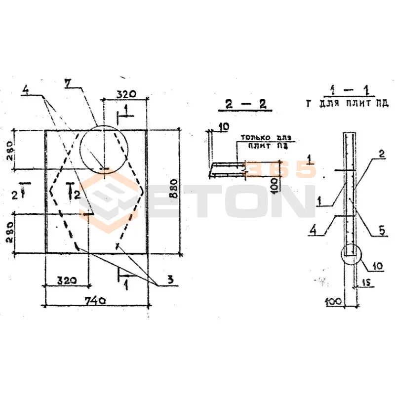
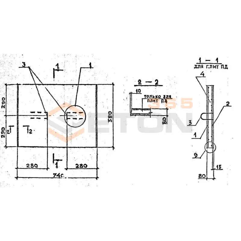
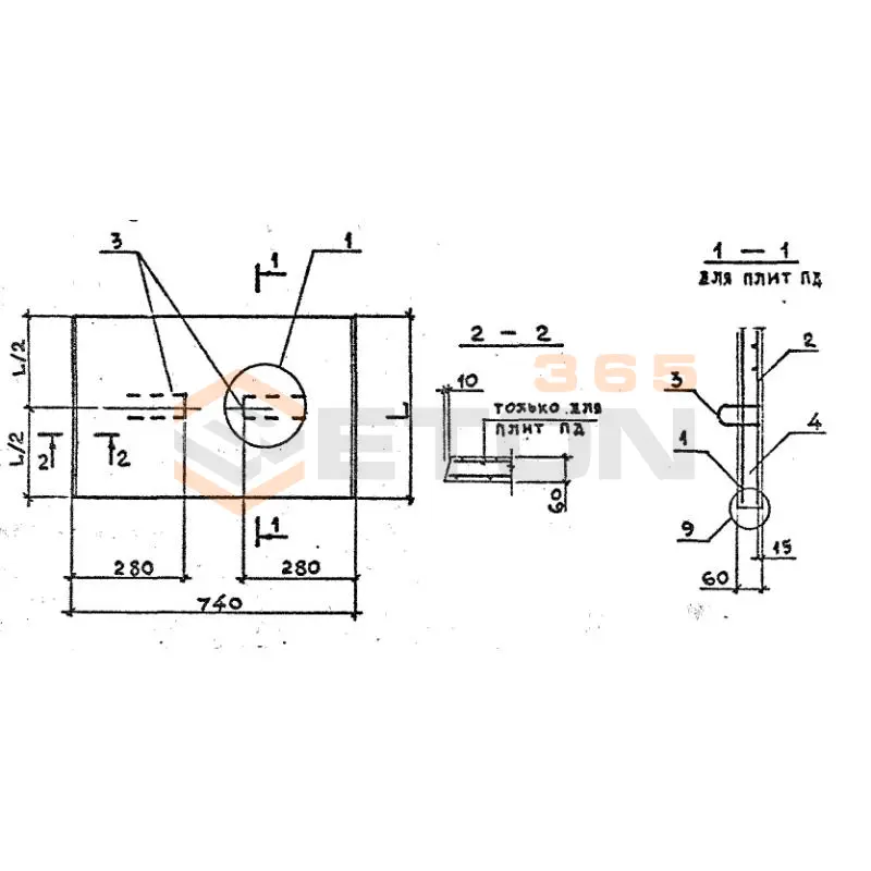
Документ Серия 3.006.1-8 описывает область применения, номенклатуру и ключевые требования, опираясь на действующие нормы и практику проектирования. Восемь выпусков Серии 3.006.1-8 максимально детально описывают все тонкости и нюансы производства лотковых элементов, необходимых для прокладки каналов и тоннелей. В номенклатурном перечне приведены основные характеристики балок, лотков, плит днищ и перекрытий, подкладок. изделия и конструкции приведены в большом количестве геометрических вариаций, что в значительной степени расширяет их область применения.

Файлы для скачивания:
picture_as_pdf

1428.pdf

19,628.7 KB

скачать
picture_as_pdf

1429.pdf

27,033.8 KB

скачать
picture_as_pdf

1430.pdf

43,378.0 KB

скачать
picture_as_pdf

1431.pdf

9,444.6 KB

скачать
picture_as_pdf

1432.pdf

27,215.9 KB

скачать
picture_as_pdf

1433.pdf

7,469.7 KB

скачать
picture_as_pdf

1434.pdf

14,521.6 KB

скачать
picture_as_pdf

1435.pdf

13,245.5 KB

скачать
Товары Серия 3.006.1-8 (60)
ПД 300-300-25-15
Плиты днища каналов ПД серия 3.006.1-8
  • Длина 2990 мм.
  • Ширина 2980 мм.
  • Высота 250 мм.
  • Вес 5580 кг.
  • Объем бетона 2,23 м3
  • Геометрический объем 2,2275 м3
Цена: 43262 руб.
Подробнее
ПД 300-300-20-9
Плиты днища каналов ПД серия 3.006.1-8
  • Длина 2990 мм.
  • Ширина 2980 мм.
  • Высота 200 мм.
  • Вес 4450 кг.
  • Объем бетона 1,78 м3
  • Геометрический объем 1,782 м3
Цена: 34532 руб.
Подробнее
ПД 300-90-10-1,5
Плиты днища каналов ПД серия 3.006.1-8
  • Длина 2990 мм.
  • Ширина 880 мм.
  • Высота 100 мм.
  • Вес 660 кг.
  • Объем бетона 0,26 м3
  • Геометрический объем 0,2631 м3
Цена: 5044 руб.
Подробнее
ПД 300-90-10-15
Плиты днища каналов ПД серия 3.006.1-8
  • Длина 2990 мм.
  • Ширина 880 мм.
  • Высота 100 мм.
  • Вес 660 кг.
  • Объем бетона 0,26 м3
  • Геометрический объем 0,2631 м3
Цена: 5044 руб.
Подробнее
ПД 300-90-10-3
Плиты днища каналов ПД серия 3.006.1-8
  • Длина 2990 мм.
  • Ширина 880 мм.
  • Высота 100 мм.
  • Вес 660 кг.
  • Объем бетона 0,26 м3
  • Геометрический объем 0,2631 м3
Цена: 5044 руб.
Подробнее
ПД 300-90-10-6
Плиты днища каналов ПД серия 3.006.1-8
  • Длина 2990 мм.
  • Ширина 880 мм.
  • Высота 100 мм.
  • Вес 660 кг.
  • Объем бетона 0,26 м3
  • Геометрический объем 0,2631 м3
Цена: 5044 руб.
Подробнее
ПД 300-90-10-9
Плиты днища каналов ПД серия 3.006.1-8
  • Длина 2990 мм.
  • Ширина 880 мм.
  • Высота 100 мм.
  • Вес 660 кг.
  • Объем бетона 0,26 м3
  • Геометрический объем 0,2631 м3
Цена: 5044 руб.
Подробнее
ПД 36-30-6-15
Плиты днища каналов ПД серия 3.006.1-8
  • Длина 360 мм.
  • Ширина 280 мм.
  • Высота 60 мм.
  • Вес 15 кг.
  • Объем бетона 0,006 м3
  • Геометрический объем 0,006 м3
Цена: 116 руб.
Подробнее
ПД 36-45-6-9
Плиты днища каналов ПД серия 3.006.1-8
  • Длина 360 мм.
  • Ширина 430 мм.
  • Высота 60 мм.
  • Вес 23 кг.
  • Объем бетона 0,009 м3
  • Геометрический объем 0,0093 м3
Цена: 175 руб.
Подробнее
ПД 36-45-6-15
Плиты днища каналов ПД серия 3.006.1-8
  • Длина 360 мм.
  • Ширина 430 мм.
  • Высота 60 мм.
  • Вес 23 кг.
  • Объем бетона 0,009 м3
  • Геометрический объем 0,0093 м3
Цена: 175 руб.
Подробнее
ПД 36-60-8-15
Плиты днища каналов ПД серия 3.006.1-8
  • Длина 360 мм.
  • Ширина 580 мм.
  • Высота 80 мм.
  • Вес 43 кг.
  • Объем бетона 0,017 м3
  • Геометрический объем 0,0167 м3
Цена: 330 руб.
Подробнее
ПД 36-60-8-12
Плиты днища каналов ПД серия 3.006.1-8
  • Длина 360 мм.
  • Ширина 580 мм.
  • Высота 80 мм.
  • Вес 43 кг.
  • Объем бетона 0,017 м3
  • Геометрический объем 0,0167 м3
Цена: 330 руб.
Подробнее
ПД 75-120-12-1,5
Плиты днища каналов ПД серия 3.006.1-8
  • Длина 740 мм.
  • Ширина 1180 мм.
  • Высота 120 мм.
  • Вес 260 кг.
  • Объем бетона 0,11 м3
  • Геометрический объем 0,1048 м3
Цена: 2134 руб.
Подробнее
ПД 36-60-8-6
Плиты днища каналов ПД серия 3.006.1-8
  • Длина 360 мм.
  • Ширина 580 мм.
  • Высота 80 мм.
  • Вес 43 кг.
  • Объем бетона 0,017 м3
  • Геометрический объем 0,0167 м3
Цена: 330 руб.
Подробнее
ПД 75-120-12-15
Плиты днища каналов ПД серия 3.006.1-8
  • Длина 740 мм.
  • Ширина 1180 мм.
  • Высота 120 мм.
  • Вес 260 кг.
  • Объем бетона 0,11 м3
  • Геометрический объем 0,1048 м3
Цена: 2134 руб.
Подробнее
ПД 75-120-12-12
Плиты днища каналов ПД серия 3.006.1-8
  • Длина 740 мм.
  • Ширина 1180 мм.
  • Высота 120 мм.
  • Вес 260 кг.
  • Объем бетона 0,11 м3
  • Геометрический объем 0,1048 м3
Цена: 2134 руб.
Подробнее
ПД 75-120-12-3
Плиты днища каналов ПД серия 3.006.1-8
  • Длина 740 мм.
  • Ширина 1180 мм.
  • Высота 120 мм.
  • Вес 260 кг.
  • Объем бетона 0,11 м3
  • Геометрический объем 0,1048 м3
Цена: 2134 руб.
Подробнее
ПД 75-120-12-6
Плиты днища каналов ПД серия 3.006.1-8
  • Длина 740 мм.
  • Ширина 1180 мм.
  • Высота 120 мм.
  • Вес 260 кг.
  • Объем бетона 0,11 м3
  • Геометрический объем 0,1048 м3
Цена: 2134 руб.
Подробнее
ПД 75-120-12-9
Плиты днища каналов ПД серия 3.006.1-8
  • Длина 740 мм.
  • Ширина 1180 мм.
  • Высота 120 мм.
  • Вес 260 кг.
  • Объем бетона 0,11 м3
  • Геометрический объем 0,1048 м3
Цена: 2134 руб.
Подробнее
ПД 75-150-12-1,5
Плиты днища каналов ПД серия 3.006.1-8
  • Длина 740 мм.
  • Ширина 1480 мм.
  • Высота 120 мм.
  • Вес 330 кг.
  • Объем бетона 0,131 м3
  • Геометрический объем 0,1314 м3
Цена: 2541 руб.
Подробнее
ПД 75-150-12-12
Плиты днища каналов ПД серия 3.006.1-8
  • Длина 740 мм.
  • Ширина 1480 мм.
  • Высота 120 мм.
  • Вес 330 кг.
  • Объем бетона 0,13 м3
  • Геометрический объем 0,1314 м3
Цена: 2522 руб.
Подробнее
ПД 75-150-12-15
Плиты днища каналов ПД серия 3.006.1-8
  • Длина 740 мм.
  • Ширина 1480 мм.
  • Высота 120 мм.
  • Вес 330 кг.
  • Объем бетона 0,13 м3
  • Геометрический объем 0,1314 м3
Цена: 2522 руб.
Подробнее
ПД 75-150-12-3
Плиты днища каналов ПД серия 3.006.1-8
  • Длина 740 мм.
  • Ширина 1480 мм.
  • Высота 120 мм.
  • Вес 330 кг.
  • Объем бетона 0,13 м3
  • Геометрический объем 0,1314 м3
Цена: 2522 руб.
Подробнее
ПД 75-150-12-6
Плиты днища каналов ПД серия 3.006.1-8
  • Длина 740 мм.
  • Ширина 1480 мм.
  • Высота 120 мм.
  • Вес 330 кг.
  • Объем бетона 0,13 м3
  • Геометрический объем 0,1314 м3
Цена: 2522 руб.
Подробнее
ПД 75-150-14
Плиты днища каналов ПД серия 3.006.1-8
  • Длина 740 мм.
  • Ширина 1480 мм.
  • Высота 140 мм.
  • Вес 380 кг.
  • Объем бетона 0,15 м3
  • Геометрический объем 0,1533 м3
Цена: 2910 руб.
Подробнее
ПД 75-180-14-12
Плиты днища каналов ПД серия 3.006.1-8
  • Длина 740 мм.
  • Ширина 1780 мм.
  • Высота 140 мм.
  • Вес 450 кг.
  • Объем бетона 0,18 м3
  • Геометрический объем 0,1844 м3
Цена: 3492 руб.
Подробнее
ПД 75-180-14-15
Плиты днища каналов ПД серия 3.006.1-8
  • Длина 740 мм.
  • Ширина 1780 мм.
  • Высота 140 мм.
  • Вес 450 кг.
  • Объем бетона 0,18 м3
  • Геометрический объем 0,1844 м3
Цена: 3492 руб.
Подробнее
ПД 75-180-14-3
Плиты днища каналов ПД серия 3.006.1-8
  • Длина 740 мм.
  • Ширина 1780 мм.
  • Высота 140 мм.
  • Вес 450 кг.
  • Объем бетона 0,18 м3
  • Геометрический объем 0,1844 м3
Цена: 3492 руб.
Подробнее
ПД 75-180-14-6
Плиты днища каналов ПД серия 3.006.1-8
  • Длина 740 мм.
  • Ширина 1780 мм.
  • Высота 140 мм.
  • Вес 450 кг.
  • Объем бетона 0,18 м3
  • Геометрический объем 0,1844 м3
Цена: 3492 руб.
Подробнее
ПД 75-180-14-9
Плиты днища каналов ПД серия 3.006.1-8
  • Длина 740 мм.
  • Ширина 1780 мм.
  • Высота 140 мм.
  • Вес 450 кг.
  • Объем бетона 0,18 м3
  • Геометрический объем 0,1844 м3
Цена: 3492 руб.
Подробнее
ПД 75-210-14-12
Плиты днища каналов ПД серия 3.006.1-8
  • Длина 740 мм.
  • Ширина 2080 мм.
  • Высота 140 мм.
  • Вес 550 кг.
  • Объем бетона 0,22 м3
  • Геометрический объем 0,2155 м3
Цена: 4268 руб.
Подробнее
ПД 75-210-14-3
Плиты днища каналов ПД серия 3.006.1-8
  • Длина 740 мм.
  • Ширина 2080 мм.
  • Высота 140 мм.
  • Вес 550 кг.
  • Объем бетона 0,22 м3
  • Геометрический объем 0,2155 м3
Цена: 4268 руб.
Подробнее
ПД 75-210-14-6
Плиты днища каналов ПД серия 3.006.1-8
  • Длина 740 мм.
  • Ширина 2080 мм.
  • Высота 140 мм.
  • Вес 550 кг.
  • Объем бетона 0,22 м3
  • Геометрический объем 0,2155 м3
Цена: 4268 руб.
Подробнее
ПД 75-210-14-9
Плиты днища каналов ПД серия 3.006.1-8
  • Длина 740 мм.
  • Ширина 2080 мм.
  • Высота 140 мм.
  • Вес 550 кг.
  • Объем бетона 0,22 м3
  • Геометрический объем 0,2155 м3
Цена: 4268 руб.
Подробнее
ПД 75-240-14-1,5
Плиты днища каналов ПД серия 3.006.1-8
  • Длина 740 мм.
  • Ширина 2380 мм.
  • Высота 140 мм.
  • Вес 630 кг.
  • Объем бетона 0,25 м3
  • Геометрический объем 0,2466 м3
Цена: 4850 руб.
Подробнее
ПД 75-210-16-15
Плиты днища каналов ПД серия 3.006.1-8
  • Длина 740 мм.
  • Ширина 2080 мм.
  • Высота 160 мм.
  • Вес 630 кг.
  • Объем бетона 0,25 м3
  • Геометрический объем 0,2463 м3
Цена: 4850 руб.
Подробнее
ПД 75-240-14-3
Плиты днища каналов ПД серия 3.006.1-8
  • Длина 740 мм.
  • Ширина 2380 мм.
  • Высота 140 мм.
  • Вес 630 кг.
  • Объем бетона 0,25 м3
  • Геометрический объем 0,2466 м3
Цена: 4850 руб.
Подробнее
ПД 75-240-14-6
Плиты днища каналов ПД серия 3.006.1-8
  • Длина 740 мм.
  • Ширина 2380 мм.
  • Высота 140 мм.
  • Вес 630 кг.
  • Объем бетона 0,25 м3
  • Геометрический объем 0,2466 м3
Цена: 4850 руб.
Подробнее
ПД 75-240-20-12
Плиты днища каналов ПД серия 3.006.1-8
  • Длина 740 мм.
  • Ширина 2380 мм.
  • Высота 200 мм.
  • Вес 880 кг.
  • Объем бетона 0,35 м3
  • Геометрический объем 0,3522 м3
Цена: 6790 руб.
Подробнее
ПД 75-240-20-15
Плиты днища каналов ПД серия 3.006.1-8
  • Длина 740 мм.
  • Ширина 2380 мм.
  • Высота 200 мм.
  • Вес 880 кг.
  • Объем бетона 0,35 м3
  • Геометрический объем 0,3522 м3
Цена: 6790 руб.
Подробнее
ПД 75-240-20-9
Плиты днища каналов ПД серия 3.006.1-8
  • Длина 740 мм.
  • Ширина 2380 мм.
  • Высота 200 мм.
  • Вес 880 кг.
  • Объем бетона 0,35 м3
  • Геометрический объем 0,3522 м3
Цена: 6790 руб.
Подробнее
ПД 75-30-6-15
Плиты днища каналов ПД серия 3.006.1-8
  • Длина 740 мм.
  • Ширина 280 мм.
  • Высота 60 мм.
  • Вес 30 кг.
  • Объем бетона 0,012 м3
  • Геометрический объем 0,0124 м3
Цена: 233 руб.
Подробнее
ПД 75-300-16-1,5
Плиты днища каналов ПД серия 3.006.1-8
  • Длина 740 мм.
  • Ширина 2980 мм.
  • Высота 160 мм.
  • Вес 880 кг.
  • Объем бетона 0,35 м3
  • Геометрический объем 0,3528 м3
Цена: 6790 руб.
Подробнее
ПД 75-300-16-3
Плиты днища каналов ПД серия 3.006.1-8
  • Длина 740 мм.
  • Ширина 2980 мм.
  • Высота 160 мм.
  • Вес 880 кг.
  • Объем бетона 0,35 м3
  • Геометрический объем 0,3528 м3
Цена: 6790 руб.
Подробнее
ПД 75-300-20-6
Плиты днища каналов ПД серия 3.006.1-8
  • Длина 740 мм.
  • Ширина 2980 мм.
  • Высота 200 мм.
  • Вес 1100 кг.
  • Объем бетона 0,44 м3
  • Геометрический объем 0,441 м3
Цена: 8536 руб.
Подробнее
ПД 75-300-20-12
Плиты днища каналов ПД серия 3.006.1-8
  • Длина 740 мм.
  • Ширина 2980 мм.
  • Высота 200 мм.
  • Вес 1100 кг.
  • Объем бетона 0,44 м3
  • Геометрический объем 0,441 м3
Цена: 8536 руб.
Подробнее
ПД 75-300-25-15
Плиты днища каналов ПД серия 3.006.1-8
  • Длина 740 мм.
  • Ширина 2980 мм.
  • Высота 250 мм.
  • Вес 1380 кг.
  • Объем бетона 0,55 м3
  • Геометрический объем 0,5513 м3
Цена: 10670 руб.
Подробнее
ПД 75-300-20-9
Плиты днища каналов ПД серия 3.006.1-8
  • Длина 740 мм.
  • Ширина 2980 мм.
  • Высота 200 мм.
  • Вес 1100 кг.
  • Объем бетона 0,44 м3
  • Геометрический объем 0,441 м3
Цена: 8536 руб.
Подробнее
ПД 75-45-6-12
Плиты днища каналов ПД серия 3.006.1-8
  • Длина 740 мм.
  • Ширина 430 мм.
  • Высота 60 мм.
  • Вес 48 кг.
  • Объем бетона 0,019 м3
  • Геометрический объем 0,0191 м3
Цена: 369 руб.
Подробнее
ПД 75-45-6-15
Плиты днища каналов ПД серия 3.006.1-8
  • Длина 740 мм.
  • Ширина 430 мм.
  • Высота 60 мм.
  • Вес 48 кг.
  • Объем бетона 0,019 м3
  • Геометрический объем 0,0191 м3
Цена: 369 руб.
Подробнее
ПД 75-45-6-6
Плиты днища каналов ПД серия 3.006.1-8
  • Длина 740 мм.
  • Ширина 430 мм.
  • Высота 60 мм.
  • Вес 48 кг.
  • Объем бетона 0,02 м3
  • Геометрический объем 0,0191 м3
Цена: 388 руб.
Подробнее
ПД 75-45-6-9
Плиты днища каналов ПД серия 3.006.1-8
  • Длина 740 мм.
  • Ширина 430 мм.
  • Высота 60 мм.
  • Вес 48 кг.
  • Объем бетона 0,019 м3
  • Геометрический объем 0,0191 м3
Цена: 369 руб.
Подробнее
ПД 75-60-8-15
Плиты днища каналов ПД серия 3.006.1-8
  • Длина 740 мм.
  • Ширина 580 мм.
  • Высота 80 мм.
  • Вес 85 кг.
  • Объем бетона 0,034 м3
  • Геометрический объем 0,0343 м3
Цена: 660 руб.
Подробнее
ПД 75-60-8-12
Плиты днища каналов ПД серия 3.006.1-8
  • Длина 740 мм.
  • Ширина 580 мм.
  • Высота 80 мм.
  • Вес 85 кг.
  • Объем бетона 0,034 м3
  • Геометрический объем 0,0343 м3
Цена: 660 руб.
Подробнее
ПД 75-60-8-3
Плиты днища каналов ПД серия 3.006.1-8
  • Длина 740 мм.
  • Ширина 580 мм.
  • Высота 80 мм.
  • Вес 85 кг.
  • Объем бетона 0,034 м3
  • Геометрический объем 0,0343 м3
Цена: 660 руб.
Подробнее
ПД 75-60-8-6
Плиты днища каналов ПД серия 3.006.1-8
  • Длина 740 мм.
  • Ширина 580 мм.
  • Высота 80 мм.
  • Вес 85 кг.
  • Объем бетона 0,034 м3
  • Геометрический объем 0,0343 м3
Цена: 660 руб.
Подробнее
ПД 75-60-8-9
Плиты днища каналов ПД серия 3.006.1-8
  • Длина 740 мм.
  • Ширина 580 мм.
  • Высота 80 мм.
  • Вес 85 кг.
  • Объем бетона 0,034 м3
  • Геометрический объем 0,0343 м3
Цена: 660 руб.
Подробнее
ПД 75-90-10-1,5
Плиты днища каналов ПД серия 3.006.1-8
  • Длина 740 мм.
  • Ширина 880 мм.
  • Высота 100 мм.
  • Вес 160 кг.
  • Объем бетона 0,065 м3
  • Геометрический объем 0,0651 м3
Цена: 1261 руб.
Подробнее
ПД 75-90-10-15
Плиты днища каналов ПД серия 3.006.1-8
  • Длина 740 мм.
  • Ширина 880 мм.
  • Высота 100 мм.
  • Вес 160 кг.
  • Объем бетона 0,065 м3
  • Геометрический объем 0,0651 м3
Цена: 1261 руб.
Подробнее
ПД 75-90-10-3
Плиты днища каналов ПД серия 3.006.1-8
  • Длина 740 мм.
  • Ширина 880 мм.
  • Высота 100 мм.
  • Вес 160 кг.
  • Объем бетона 0,065 м3
  • Геометрический объем 0,0651 м3
Цена: 1261 руб.
Подробнее

Уведомление о файлах cookie

Мы используем файлы cookie для улучшения вашего опыта просмотра и анализа трафика. Нажимая "Принять все", вы соглашаетесь с нашей политикой конфиденциальности и политикой обработки файлов cookie.

MAX Дзен Телеграм Вконтакте vk