mobile_sound +7 (930) 655-55-90

Типовые конструкции и железобетонные изделия. Рабочие чертежи (Серия 1.420.1-24с)

Поделиться:
Поделиться:

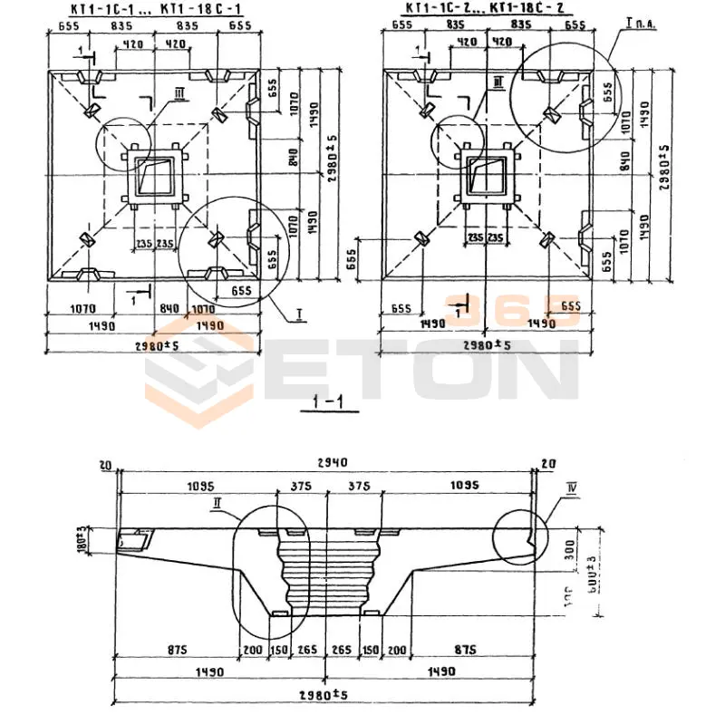
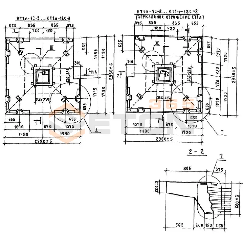
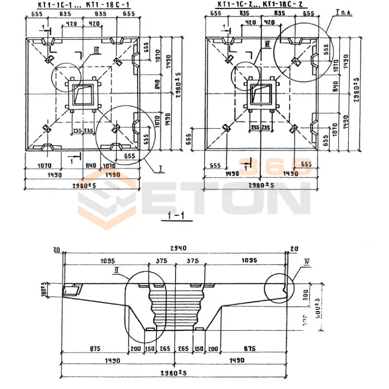
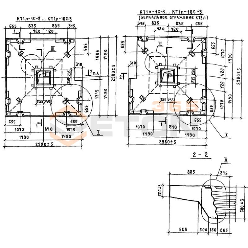
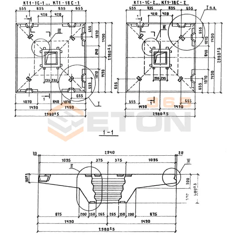
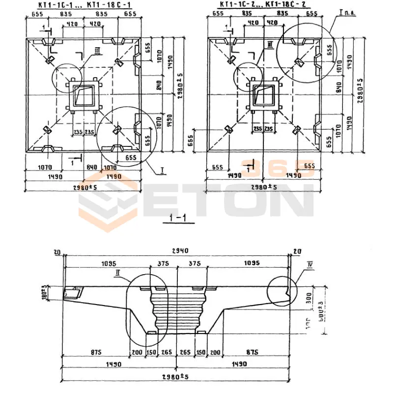
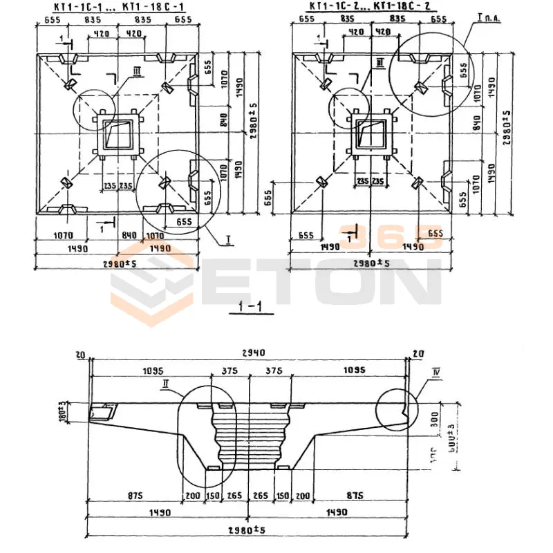
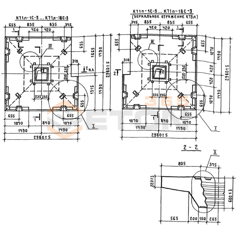
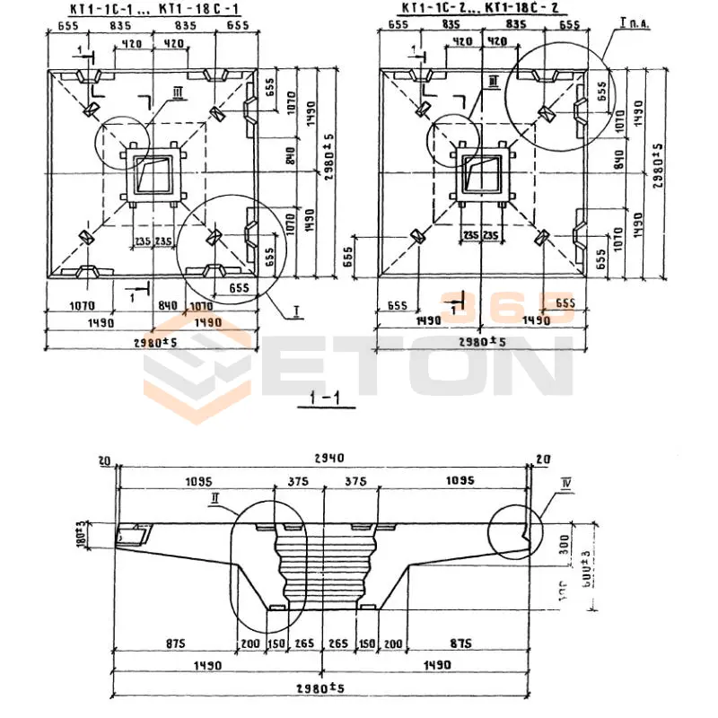
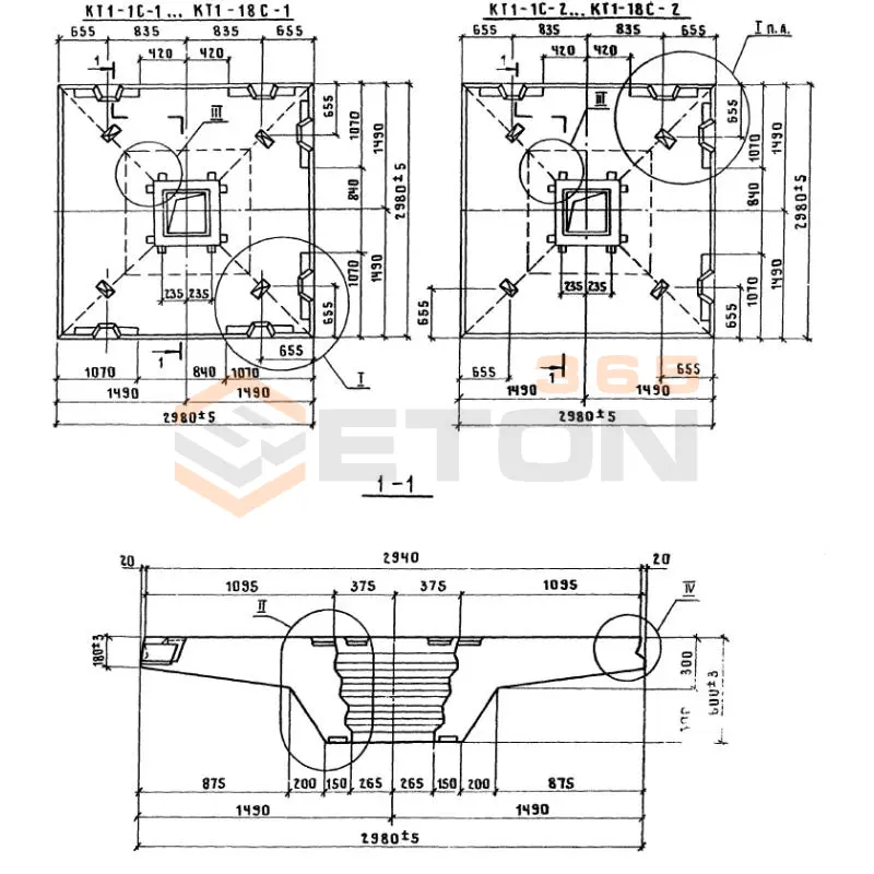
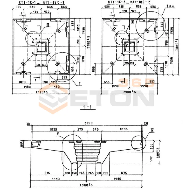
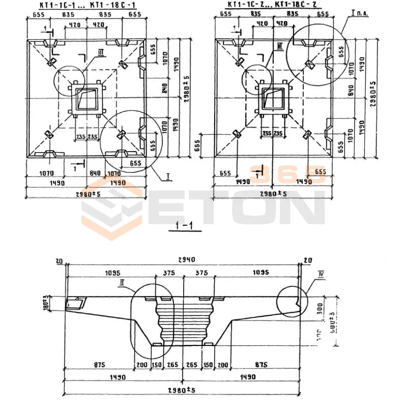
Документ Серия 1.420.1-24с описывает область применения, номенклатуру и ключевые требования, опираясь на действующие нормы и практику проектирования. В состав Серии 1.420.1-24с входит шесть выпусков, содержащих подробное описание производства колон, межколонных и пролетных плит. изделия и конструкции проектировались специально для использования в составе каркасов промышленных объектов с большим количеством этажей, отличающихся отсутствием балочных перекрытий и имеющих сетку колонн 6х6 метров. Главная особенность представленных в номенклатурном перечне изделия и конструкции состоит в высокой прочности, благодаря чему становится возможным их использовать в районах с сейсмичностью до 8 баллов.

Файлы для скачивания:
picture_as_pdf

6080.pdf

9,010.9 KB

скачать
picture_as_pdf

6081.pdf

5,039.5 KB

скачать
picture_as_pdf

6082.pdf

6,391.9 KB

скачать
picture_as_pdf

6083.pdf

5,254.7 KB

скачать
picture_as_pdf

6084.pdf

6,032.6 KB

скачать
picture_as_pdf

6085.pdf

1,113.9 KB

скачать
Товары Серия 1.420.1-24с (60)
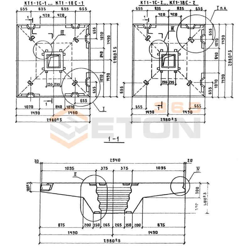
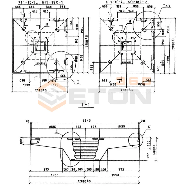
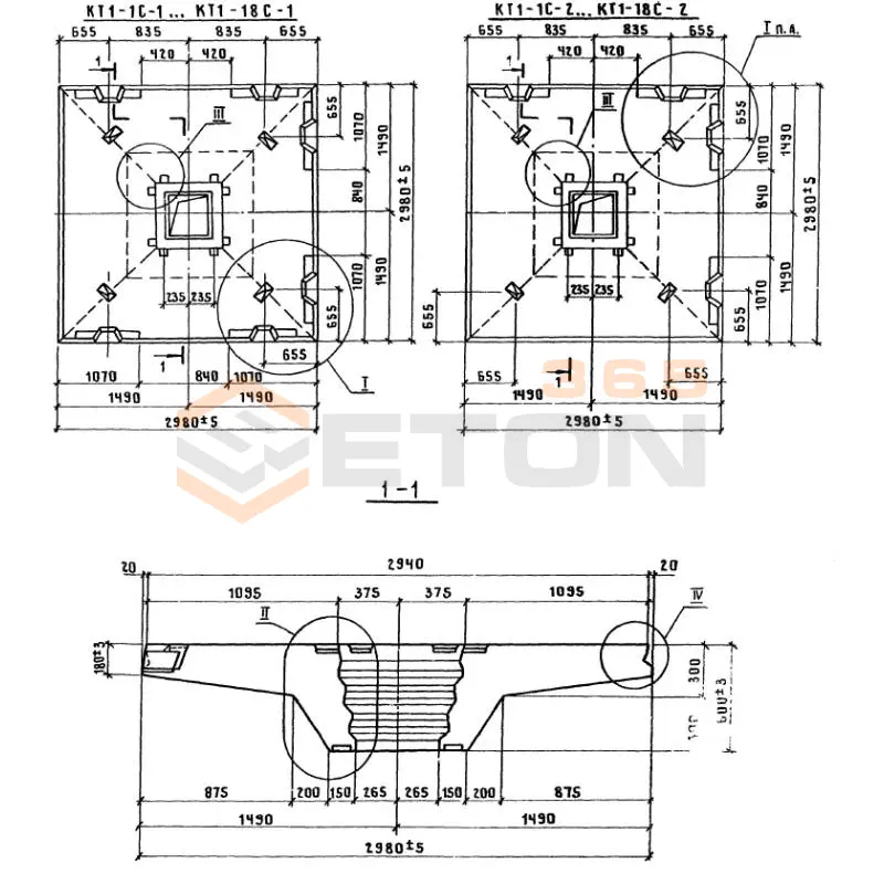
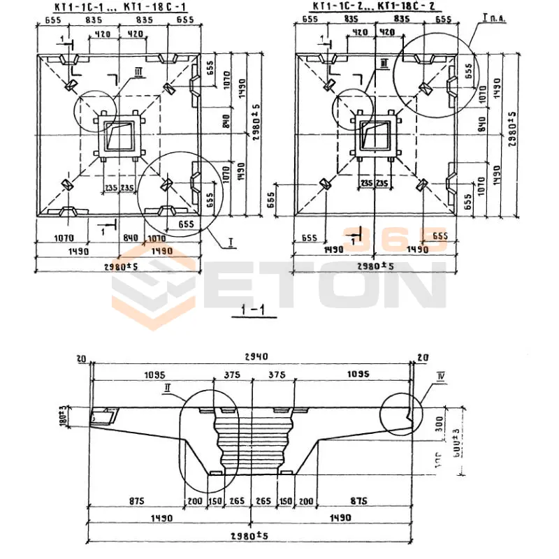
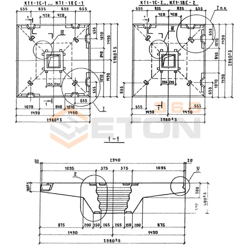
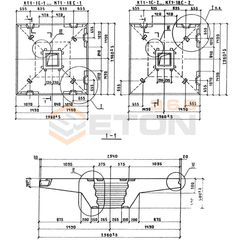
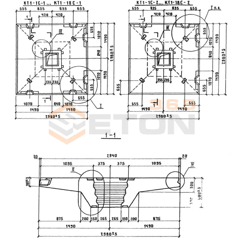
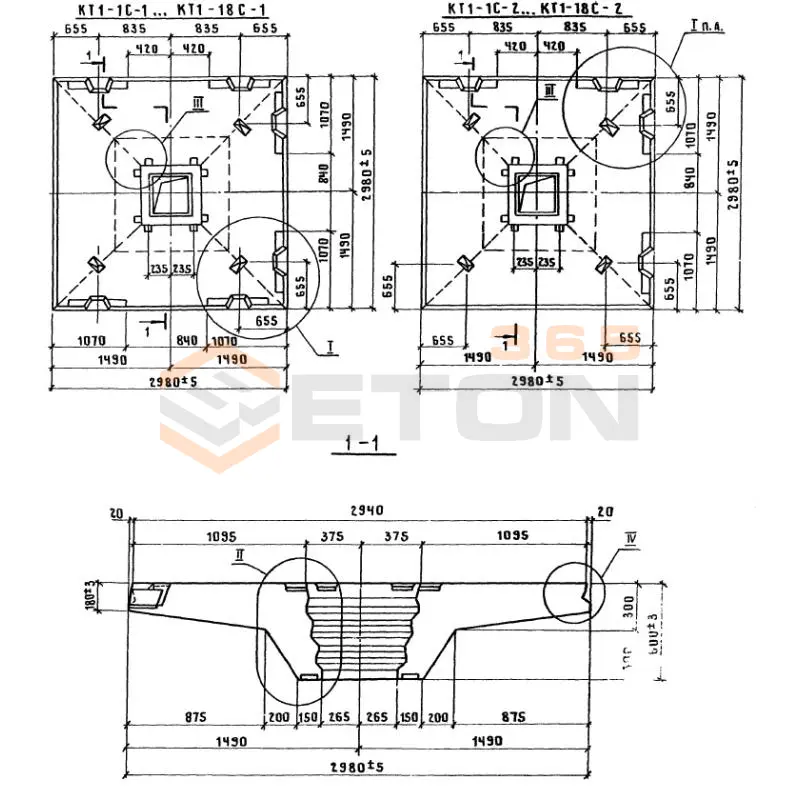
КТ 1-1 с-1 (1.420.1-24с)
Колонны Серия 1.420.1-24с
  • Длина 2980 мм.
  • Ширина 2980 мм.
  • Высота 600 мм.
  • Вес 5000 кг.
  • Объем бетона 2 м3
  • Геометрический объем 5,3282 м3
Цена: 40740 руб.
Подробнее
КТ 1-1 с-2 (1.420.1-24с)
Колонны Серия 1.420.1-24с
  • Длина 2980 мм.
  • Ширина 2980 мм.
  • Высота 600 мм.
  • Вес 5000 кг.
  • Объем бетона 2 м3
  • Геометрический объем 5,3282 м3
Цена: 40740 руб.
Подробнее
КТ 1-10 с (1.420.1-24с)
Колонны Серия 1.420.1-24с
  • Длина 2980 мм.
  • Ширина 2980 мм.
  • Высота 600 мм.
  • Вес 5000 кг.
  • Объем бетона 2 м3
  • Геометрический объем 5,3282 м3
Цена: 40740 руб.
Подробнее
КТ 1-10 с-1 (1.420.1-24с)
Колонны Серия 1.420.1-24с
  • Длина 2980 мм.
  • Ширина 2980 мм.
  • Высота 600 мм.
  • Вес 5000 кг.
  • Объем бетона 2 м3
  • Геометрический объем 5,3282 м3
Цена: 40740 руб.
Подробнее
КТ 1-10 с-2 (1.420.1-24с)
Колонны Серия 1.420.1-24с
  • Длина 2980 мм.
  • Ширина 2980 мм.
  • Высота 600 мм.
  • Вес 5000 кг.
  • Объем бетона 2 м3
  • Геометрический объем 5,3282 м3
Цена: 40740 руб.
Подробнее
КТ 1-11 с (1.420.1-24с)
Колонны Серия 1.420.1-24с
  • Длина 2980 мм.
  • Ширина 2980 мм.
  • Высота 600 мм.
  • Вес 5000 кг.
  • Объем бетона 2 м3
  • Геометрический объем 5,3282 м3
Цена: 40740 руб.
Подробнее
КТ 1-11 с-1 (1.420.1-24с)
Колонны Серия 1.420.1-24с
  • Длина 2980 мм.
  • Ширина 2980 мм.
  • Высота 600 мм.
  • Вес 5000 кг.
  • Объем бетона 2 м3
  • Геометрический объем 5,3282 м3
Цена: 40740 руб.
Подробнее
КТ 1-12 с (1.420.1-24с)
Колонны Серия 1.420.1-24с
  • Длина 2980 мм.
  • Ширина 2980 мм.
  • Высота 600 мм.
  • Вес 5000 кг.
  • Объем бетона 2 м3
  • Геометрический объем 5,3282 м3
Цена: 40740 руб.
Подробнее
КТ 1-11 с-2 (1.420.1-24с)
Колонны Серия 1.420.1-24с
  • Длина 2980 мм.
  • Ширина 2980 мм.
  • Высота 600 мм.
  • Вес 5000 кг.
  • Объем бетона 2 м3
  • Геометрический объем 5,3282 м3
Цена: 40740 руб.
Подробнее
КТ 1-12 с-1 (1.420.1-24с)
Колонны Серия 1.420.1-24с
  • Длина 2980 мм.
  • Ширина 2980 мм.
  • Высота 600 мм.
  • Вес 5000 кг.
  • Объем бетона 2 м3
  • Геометрический объем 5,3282 м3
Цена: 40740 руб.
Подробнее
КТ 1-12 с-2 (1.420.1-24с)
Колонны Серия 1.420.1-24с
  • Длина 2980 мм.
  • Ширина 2980 мм.
  • Высота 600 мм.
  • Вес 5000 кг.
  • Объем бетона 2 м3
  • Геометрический объем 5,3282 м3
Цена: 40740 руб.
Подробнее
КТ 1-13 с (1.420.1-24с)
Колонны Серия 1.420.1-24с
  • Длина 2980 мм.
  • Ширина 2980 мм.
  • Высота 600 мм.
  • Вес 5000 кг.
  • Объем бетона 2 м3
  • Геометрический объем 5,3282 м3
Цена: 40740 руб.
Подробнее
КТ 1-13 с-1 (1.420.1-24с)
Колонны Серия 1.420.1-24с
  • Длина 2980 мм.
  • Ширина 2980 мм.
  • Высота 600 мм.
  • Вес 5000 кг.
  • Объем бетона 2 м3
  • Геометрический объем 5,3282 м3
Цена: 40740 руб.
Подробнее
КТ 1-13 с-2 (1.420.1-24с)
Колонны Серия 1.420.1-24с
  • Длина 2980 мм.
  • Ширина 2980 мм.
  • Высота 600 мм.
  • Вес 5000 кг.
  • Объем бетона 2 м3
  • Геометрический объем 5,3282 м3
Цена: 40740 руб.
Подробнее
КТ 1-14 с (1.420.1-24с)
Колонны Серия 1.420.1-24с
  • Длина 2980 мм.
  • Ширина 2980 мм.
  • Высота 600 мм.
  • Вес 5000 кг.
  • Объем бетона 2 м3
  • Геометрический объем 5,3282 м3
Цена: 40740 руб.
Подробнее
КТ 1-14 с-1 (1.420.1-24с)
Колонны Серия 1.420.1-24с
  • Длина 2980 мм.
  • Ширина 2980 мм.
  • Высота 600 мм.
  • Вес 5000 кг.
  • Объем бетона 2 м3
  • Геометрический объем 5,3282 м3
Цена: 40740 руб.
Подробнее
КТ 1-15 с (1.420.1-24с)
Колонны Серия 1.420.1-24с
  • Длина 2980 мм.
  • Ширина 2980 мм.
  • Высота 600 мм.
  • Вес 5000 кг.
  • Объем бетона 2 м3
  • Геометрический объем 5,3282 м3
Цена: 40740 руб.
Подробнее
КТ 1-14 с-2 (1.420.1-24с)
Колонны Серия 1.420.1-24с
  • Длина 2980 мм.
  • Ширина 2980 мм.
  • Высота 600 мм.
  • Вес 5000 кг.
  • Объем бетона 2 м3
  • Геометрический объем 5,3282 м3
Цена: 40740 руб.
Подробнее
КТ 1-15 с-1 (1.420.1-24с)
Колонны Серия 1.420.1-24с
  • Длина 2980 мм.
  • Ширина 2980 мм.
  • Высота 600 мм.
  • Вес 5000 кг.
  • Объем бетона 2 м3
  • Геометрический объем 5,3282 м3
Цена: 40740 руб.
Подробнее
КТ 1-16 с-1 (1.420.1-24с)
Колонны Серия 1.420.1-24с
  • Длина 2980 мм.
  • Ширина 2980 мм.
  • Высота 600 мм.
  • Вес 5000 кг.
  • Объем бетона 2 м3
  • Геометрический объем 5,3282 м3
Цена: 40740 руб.
Подробнее
КТ 1-16 с (1.420.1-24с)
Колонны Серия 1.420.1-24с
  • Длина 2980 мм.
  • Ширина 2980 мм.
  • Высота 600 мм.
  • Вес 5000 кг.
  • Объем бетона 2 м3
  • Геометрический объем 5,3282 м3
Цена: 40740 руб.
Подробнее
КТ 1-15 с-2 (1.420.1-24с)
Колонны Серия 1.420.1-24с
  • Длина 2980 мм.
  • Ширина 2980 мм.
  • Высота 600 мм.
  • Вес 5000 кг.
  • Объем бетона 2 м3
  • Геометрический объем 5,3282 м3
Цена: 40740 руб.
Подробнее
КТ 1-17 с-2 (1.420.1-24с)
Колонны Серия 1.420.1-24с
  • Длина 2980 мм.
  • Ширина 2980 мм.
  • Высота 600 мм.
  • Вес 5000 кг.
  • Объем бетона 2 м3
  • Геометрический объем 5,3282 м3
Цена: 40740 руб.
Подробнее
КТ 1-16 с-2 (1.420.1-24с)
Колонны Серия 1.420.1-24с
  • Длина 2980 мм.
  • Ширина 2980 мм.
  • Высота 600 мм.
  • Вес 5000 кг.
  • Объем бетона 2 м3
  • Геометрический объем 5,3282 м3
Цена: 40740 руб.
Подробнее
КТ 1-17 с (1.420.1-24с)
Колонны Серия 1.420.1-24с
  • Длина 2980 мм.
  • Ширина 2980 мм.
  • Высота 600 мм.
  • Вес 5000 кг.
  • Объем бетона 2 м3
  • Геометрический объем 5,3282 м3
Цена: 40740 руб.
Подробнее
КТ 1-17 с-1 (1.420.1-24с)
Колонны Серия 1.420.1-24с
  • Длина 2980 мм.
  • Ширина 2980 мм.
  • Высота 600 мм.
  • Вес 5000 кг.
  • Объем бетона 2 м3
  • Геометрический объем 5,3282 м3
Цена: 40740 руб.
Подробнее
КТ 1-18 с (1.420.1-24с)
Колонны Серия 1.420.1-24с
  • Длина 2980 мм.
  • Ширина 2980 мм.
  • Высота 600 мм.
  • Вес 5000 кг.
  • Объем бетона 2 м3
  • Геометрический объем 5,3282 м3
Цена: 40740 руб.
Подробнее
КТ 1-18 с-1 (1.420.1-24с)
Колонны Серия 1.420.1-24с
  • Длина 2980 мм.
  • Ширина 2980 мм.
  • Высота 600 мм.
  • Вес 5000 кг.
  • Объем бетона 2 м3
  • Геометрический объем 5,3282 м3
Цена: 40740 руб.
Подробнее
КТ 1-18 с-2 (1.420.1-24с)
Колонны Серия 1.420.1-24с
  • Длина 2980 мм.
  • Ширина 2980 мм.
  • Высота 600 мм.
  • Вес 5000 кг.
  • Объем бетона 2 м3
  • Геометрический объем 5,3282 м3
Цена: 40740 руб.
Подробнее
КТ 1-2 с-2 (1.420.1-24с)
Колонны Серия 1.420.1-24с
  • Длина 2980 мм.
  • Ширина 2980 мм.
  • Высота 600 мм.
  • Вес 5000 кг.
  • Объем бетона 2 м3
  • Геометрический объем 5,3282 м3
Цена: 40740 руб.
Подробнее
КТ 1-2 с-1 (1.420.1-24с)
Колонны Серия 1.420.1-24с
  • Длина 2980 мм.
  • Ширина 2980 мм.
  • Высота 600 мм.
  • Вес 5000 кг.
  • Объем бетона 2 м3
  • Геометрический объем 5,3282 м3
Цена: 40740 руб.
Подробнее
КТ 1-3 с (1.420.1-24с)
Колонны Серия 1.420.1-24с
  • Длина 2980 мм.
  • Ширина 2980 мм.
  • Высота 600 мм.
  • Вес 5000 кг.
  • Объем бетона 2 м3
  • Геометрический объем 5,3282 м3
Цена: 40740 руб.
Подробнее
КТ 1-3 с-1 (1.420.1-24с)
Колонны Серия 1.420.1-24с
  • Длина 2980 мм.
  • Ширина 2980 мм.
  • Высота 600 мм.
  • Вес 5000 кг.
  • Объем бетона 2 м3
  • Геометрический объем 5,3282 м3
Цена: 40740 руб.
Подробнее
КТ 1-2 с (1.420.1-24с)
Колонны Серия 1.420.1-24с
  • Длина 2980 мм.
  • Ширина 2980 мм.
  • Высота 600 мм.
  • Вес 5000 кг.
  • Объем бетона 2 м3
  • Геометрический объем 5,3282 м3
Цена: 40740 руб.
Подробнее
КТ 1-3 с-2 (1.420.1-24с)
Колонны Серия 1.420.1-24с
  • Длина 2980 мм.
  • Ширина 2980 мм.
  • Высота 600 мм.
  • Вес 5000 кг.
  • Объем бетона 2 м3
  • Геометрический объем 5,3282 м3
Цена: 40740 руб.
Подробнее
КТ 1-4 с (1.420.1-24с)
Колонны Серия 1.420.1-24с
  • Длина 2980 мм.
  • Ширина 2980 мм.
  • Высота 600 мм.
  • Вес 5000 кг.
  • Объем бетона 2 м3
  • Геометрический объем 5,3282 м3
Цена: 40740 руб.
Подробнее
КТ 1-4 с-2 (1.420.1-24с)
Колонны Серия 1.420.1-24с
  • Длина 2980 мм.
  • Ширина 2980 мм.
  • Высота 600 мм.
  • Вес 5000 кг.
  • Объем бетона 2 м3
  • Геометрический объем 5,3282 м3
Цена: 40740 руб.
Подробнее
КТ 1-5 с (1.420.1-24с)
Колонны Серия 1.420.1-24с
  • Длина 2980 мм.
  • Ширина 2980 мм.
  • Высота 600 мм.
  • Вес 5000 кг.
  • Объем бетона 2 м3
  • Геометрический объем 5,3282 м3
Цена: 40740 руб.
Подробнее
КТ 1-4 с-1 (1.420.1-24с)
Колонны Серия 1.420.1-24с
  • Длина 2980 мм.
  • Ширина 2980 мм.
  • Высота 600 мм.
  • Вес 5000 кг.
  • Объем бетона 2 м3
  • Геометрический объем 5,3282 м3
Цена: 40740 руб.
Подробнее
КТ 1-5 с-1 (1.420.1-24с)
Колонны Серия 1.420.1-24с
  • Длина 2980 мм.
  • Ширина 2980 мм.
  • Высота 600 мм.
  • Вес 5000 кг.
  • Объем бетона 2 м3
  • Геометрический объем 5,3282 м3
Цена: 40740 руб.
Подробнее
КТ 1-5 с-2 (1.420.1-24с)
Колонны Серия 1.420.1-24с
  • Длина 2980 мм.
  • Ширина 2980 мм.
  • Высота 600 мм.
  • Вес 5000 кг.
  • Объем бетона 2 м3
  • Геометрический объем 5,3282 м3
Цена: 40740 руб.
Подробнее
КТ 1-6 с-1 (1.420.1-24с)
Колонны Серия 1.420.1-24с
  • Длина 2980 мм.
  • Ширина 2980 мм.
  • Высота 600 мм.
  • Вес 5000 кг.
  • Объем бетона 2 м3
  • Геометрический объем 5,3282 м3
Цена: 40740 руб.
Подробнее
КТ 1-6 с (1.420.1-24с)
Колонны Серия 1.420.1-24с
  • Длина 2980 мм.
  • Ширина 2980 мм.
  • Высота 600 мм.
  • Вес 5000 кг.
  • Объем бетона 2 м3
  • Геометрический объем 5,3282 м3
Цена: 40740 руб.
Подробнее
КТ 1-7 с (1.420.1-24с)
Колонны Серия 1.420.1-24с
  • Длина 2980 мм.
  • Ширина 2980 мм.
  • Высота 600 мм.
  • Вес 5000 кг.
  • Объем бетона 2 м3
  • Геометрический объем 5,3282 м3
Цена: 40740 руб.
Подробнее
КТ 1-7 с-1 (1.420.1-24с)
Колонны Серия 1.420.1-24с
  • Длина 2980 мм.
  • Ширина 2980 мм.
  • Высота 600 мм.
  • Вес 5000 кг.
  • Объем бетона 2 м3
  • Геометрический объем 5,3282 м3
Цена: 40740 руб.
Подробнее
КТ 1-6 с-2 (1.420.1-24с)
Колонны Серия 1.420.1-24с
  • Длина 2980 мм.
  • Ширина 2980 мм.
  • Высота 600 мм.
  • Вес 5000 кг.
  • Объем бетона 2 м3
  • Геометрический объем 5,3282 м3
Цена: 40740 руб.
Подробнее
КТ 1-8 с-1 (1.420.1-24с)
Колонны Серия 1.420.1-24с
  • Длина 2980 мм.
  • Ширина 2980 мм.
  • Высота 600 мм.
  • Вес 5000 кг.
  • Объем бетона 2 м3
  • Геометрический объем 5,3282 м3
Цена: 40740 руб.
Подробнее
КТ 1-9 с-1 (1.420.1-24с)
Колонны Серия 1.420.1-24с
  • Длина 2980 мм.
  • Ширина 2980 мм.
  • Высота 600 мм.
  • Вес 5000 кг.
  • Объем бетона 2 м3
  • Геометрический объем 5,3282 м3
Цена: 40740 руб.
Подробнее
КТ 1-7 с-2 (1.420.1-24с)
Колонны Серия 1.420.1-24с
  • Длина 2980 мм.
  • Ширина 2980 мм.
  • Высота 600 мм.
  • Вес 5000 кг.
  • Объем бетона 2 м3
  • Геометрический объем 5,3282 м3
Цена: 40740 руб.
Подробнее
КТ 1-8 с-2 (1.420.1-24с)
Колонны Серия 1.420.1-24с
  • Длина 2980 мм.
  • Ширина 2980 мм.
  • Высота 600 мм.
  • Вес 5000 кг.
  • Объем бетона 2 м3
  • Геометрический объем 5,3282 м3
Цена: 40740 руб.
Подробнее
КТ 1-9 с (1.420.1-24с)
Колонны Серия 1.420.1-24с
  • Длина 2980 мм.
  • Ширина 2980 мм.
  • Высота 600 мм.
  • Вес 5000 кг.
  • Объем бетона 2 м3
  • Геометрический объем 5,3282 м3
Цена: 40740 руб.
Подробнее
КТ 1-8 с (1.420.1-24с)
Колонны Серия 1.420.1-24с
  • Длина 2980 мм.
  • Ширина 2980 мм.
  • Высота 600 мм.
  • Вес 5000 кг.
  • Объем бетона 2 м3
  • Геометрический объем 5,3282 м3
Цена: 40740 руб.
Подробнее
КТ 1л-12 с-3 (1.420.1-24с)
Колонны Серия 1.420.1-24с
  • Длина 2980 мм.
  • Ширина 2980 мм.
  • Высота 600 мм.
  • Вес 4750 кг.
  • Объем бетона 1,9 м3
  • Геометрический объем 5,3282 м3
Цена: 38703 руб.
Подробнее
КТ 1л-1 с-3 (1.420.1-24с)
Колонны Серия 1.420.1-24с
  • Длина 2980 мм.
  • Ширина 2980 мм.
  • Высота 600 мм.
  • Вес 4750 кг.
  • Объем бетона 1,9 м3
  • Геометрический объем 5,3282 м3
Цена: 38703 руб.
Подробнее
КТ 1л-10 с-3 (1.420.1-24с)
Колонны Серия 1.420.1-24с
  • Длина 2980 мм.
  • Ширина 2980 мм.
  • Высота 600 мм.
  • Вес 4750 кг.
  • Объем бетона 1,9 м3
  • Геометрический объем 5,3282 м3
Цена: 38703 руб.
Подробнее
КТ 1л-11 с-3 (1.420.1-24с)
Колонны Серия 1.420.1-24с
  • Длина 2980 мм.
  • Ширина 2980 мм.
  • Высота 600 мм.
  • Вес 4750 кг.
  • Объем бетона 1,9 м3
  • Геометрический объем 5,3282 м3
Цена: 38703 руб.
Подробнее
КТ 1-9 с-2 (1.420.1-24с)
Колонны Серия 1.420.1-24с
  • Длина 2980 мм.
  • Ширина 2980 мм.
  • Высота 600 мм.
  • Вес 5000 кг.
  • Объем бетона 2 м3
  • Геометрический объем 5,3282 м3
Цена: 40740 руб.
Подробнее
КТ 1л-13 с-3 (1.420.1-24с)
Колонны Серия 1.420.1-24с
  • Длина 2980 мм.
  • Ширина 2980 мм.
  • Высота 600 мм.
  • Вес 4750 кг.
  • Объем бетона 1,9 м3
  • Геометрический объем 5,3282 м3
Цена: 38703 руб.
Подробнее
КТ 1л-14 с-3 (1.420.1-24с)
Колонны Серия 1.420.1-24с
  • Длина 2980 мм.
  • Ширина 2980 мм.
  • Высота 600 мм.
  • Вес 4750 кг.
  • Объем бетона 1,9 м3
  • Геометрический объем 5,3282 м3
Цена: 38703 руб.
Подробнее
КТ 1л-15 с-3 (1.420.1-24с)
Колонны Серия 1.420.1-24с
  • Длина 2980 мм.
  • Ширина 2980 мм.
  • Высота 600 мм.
  • Вес 4750 кг.
  • Объем бетона 1,9 м3
  • Геометрический объем 5,3282 м3
Цена: 38703 руб.
Подробнее

Уведомление о файлах cookie

Мы используем файлы cookie для улучшения вашего опыта просмотра и анализа трафика. Нажимая "Принять все", вы соглашаетесь с нашей политикой конфиденциальности и политикой обработки файлов cookie.

MAX Дзен Телеграм Вконтакте vk