mobile_sound +7 (930) 655-55-90

Типовые конструкции и железобетонные изделия. Рабочие чертежи (Серия 1.420.1-24с)

Поделиться:
Поделиться:

Документ Серия 1.420.1-24с описывает область применения, номенклатуру и ключевые требования, опираясь на действующие нормы и практику проектирования. В состав Серии 1.420.1-24с входит шесть выпусков, содержащих подробное описание производства колон, межколонных и пролетных плит. изделия и конструкции проектировались специально для использования в составе каркасов промышленных объектов с большим количеством этажей, отличающихся отсутствием балочных перекрытий и имеющих сетку колонн 6х6 метров. Главная особенность представленных в номенклатурном перечне изделия и конструкции состоит в высокой прочности, благодаря чему становится возможным их использовать в районах с сейсмичностью до 8 баллов.

Файлы для скачивания:
picture_as_pdf

6080.pdf

9,010.9 KB

скачать
picture_as_pdf

6081.pdf

5,039.5 KB

скачать
picture_as_pdf

6082.pdf

6,391.9 KB

скачать
picture_as_pdf

6083.pdf

5,254.7 KB

скачать
picture_as_pdf

6084.pdf

6,032.6 KB

скачать
picture_as_pdf

6085.pdf

1,113.9 KB

скачать
Товары Серия 1.420.1-24с (60)
К 7-20 с (1.420.1-24с)
Колонны Серия 1.420.1-24с
  • Длина 16290 мм.
  • Ширина 450 мм.
  • Высота 450 мм.
  • Вес 8200 кг.
  • Объем бетона 3,3 м3
  • Геометрический объем 3,2987 м3
Цена: 67221 руб.
Подробнее
К 7-23 с (1.420.1-24с)
Колонны Серия 1.420.1-24с
  • Длина 16290 мм.
  • Ширина 450 мм.
  • Высота 450 мм.
  • Вес 8200 кг.
  • Объем бетона 3,3 м3
  • Геометрический объем 3,2987 м3
Цена: 67221 руб.
Подробнее
К 7-21 с (1.420.1-24с)
Колонны Серия 1.420.1-24с
  • Длина 16290 мм.
  • Ширина 450 мм.
  • Высота 450 мм.
  • Вес 8200 кг.
  • Объем бетона 3,3 м3
  • Геометрический объем 3,2987 м3
Цена: 67221 руб.
Подробнее
К 7-24 с (1.420.1-24с)
Колонны Серия 1.420.1-24с
  • Длина 16290 мм.
  • Ширина 450 мм.
  • Высота 450 мм.
  • Вес 8200 кг.
  • Объем бетона 3,3 м3
  • Геометрический объем 3,2987 м3
Цена: 67221 руб.
Подробнее
К 7-25 с (1.420.1-24с)
Колонны Серия 1.420.1-24с
  • Длина 16290 мм.
  • Ширина 450 мм.
  • Высота 450 мм.
  • Вес 8200 кг.
  • Объем бетона 3,3 м3
  • Геометрический объем 3,2987 м3
Цена: 67221 руб.
Подробнее
К 7-27 с (1.420.1-24с)
Колонны Серия 1.420.1-24с
  • Длина 16290 мм.
  • Ширина 450 мм.
  • Высота 450 мм.
  • Вес 8200 кг.
  • Объем бетона 3,3 м3
  • Геометрический объем 3,2987 м3
Цена: 67221 руб.
Подробнее
К 7-26 с (1.420.1-24с)
Колонны Серия 1.420.1-24с
  • Длина 16290 мм.
  • Ширина 450 мм.
  • Высота 450 мм.
  • Вес 8200 кг.
  • Объем бетона 3,3 м3
  • Геометрический объем 3,2987 м3
Цена: 67221 руб.
Подробнее
К 7-28 с (1.420.1-24с)
Колонны Серия 1.420.1-24с
  • Длина 16290 мм.
  • Ширина 450 мм.
  • Высота 450 мм.
  • Вес 8200 кг.
  • Объем бетона 3,3 м3
  • Геометрический объем 3,2987 м3
Цена: 67221 руб.
Подробнее
К 7-29 с (1.420.1-24с)
Колонны Серия 1.420.1-24с
  • Длина 16290 мм.
  • Ширина 450 мм.
  • Высота 450 мм.
  • Вес 8200 кг.
  • Объем бетона 3,3 м3
  • Геометрический объем 3,2987 м3
Цена: 67221 руб.
Подробнее
К 7-3 с (1.420.1-24с)
Колонны Серия 1.420.1-24с
  • Длина 16290 мм.
  • Ширина 450 мм.
  • Высота 450 мм.
  • Вес 8200 кг.
  • Объем бетона 3,3 м3
  • Геометрический объем 3,2987 м3
Цена: 67221 руб.
Подробнее
К 7-5 с (1.420.1-24с)
Колонны Серия 1.420.1-24с
  • Длина 16290 мм.
  • Ширина 450 мм.
  • Высота 450 мм.
  • Вес 8200 кг.
  • Объем бетона 3,3 м3
  • Геометрический объем 3,2987 м3
Цена: 67221 руб.
Подробнее
К 7-7 с (1.420.1-24с)
Колонны Серия 1.420.1-24с
  • Длина 16290 мм.
  • Ширина 450 мм.
  • Высота 450 мм.
  • Вес 8200 кг.
  • Объем бетона 3,3 м3
  • Геометрический объем 3,2987 м3
Цена: 67221 руб.
Подробнее
К 7-8 с (1.420.1-24с)
Колонны Серия 1.420.1-24с
  • Длина 16290 мм.
  • Ширина 450 мм.
  • Высота 450 мм.
  • Вес 8200 кг.
  • Объем бетона 3,3 м3
  • Геометрический объем 3,2987 м3
Цена: 67221 руб.
Подробнее
К 7-6 с (1.420.1-24с)
Колонны Серия 1.420.1-24с
  • Длина 16290 мм.
  • Ширина 450 мм.
  • Высота 450 мм.
  • Вес 8200 кг.
  • Объем бетона 3,3 м3
  • Геометрический объем 3,2987 м3
Цена: 67221 руб.
Подробнее
К 7-4 с (1.420.1-24с)
Колонны Серия 1.420.1-24с
  • Длина 16290 мм.
  • Ширина 450 мм.
  • Высота 450 мм.
  • Вес 8200 кг.
  • Объем бетона 3,3 м3
  • Геометрический объем 3,2987 м3
Цена: 67221 руб.
Подробнее
К 7-30 с (1.420.1-24с)
Колонны Серия 1.420.1-24с
  • Длина 16290 мм.
  • Ширина 450 мм.
  • Высота 450 мм.
  • Вес 8200 кг.
  • Объем бетона 3,3 м3
  • Геометрический объем 3,2987 м3
Цена: 67221 руб.
Подробнее
К 7-9 с (1.420.1-24с)
Колонны Серия 1.420.1-24с
  • Длина 16290 мм.
  • Ширина 450 мм.
  • Высота 450 мм.
  • Вес 8200 кг.
  • Объем бетона 3,3 м3
  • Геометрический объем 3,2987 м3
Цена: 67221 руб.
Подробнее
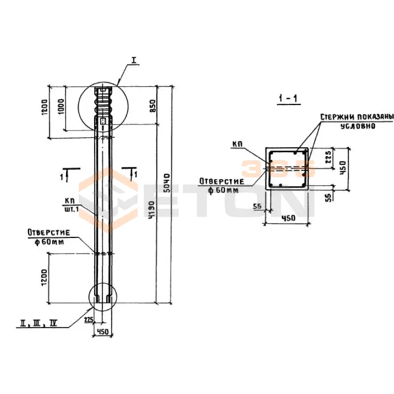
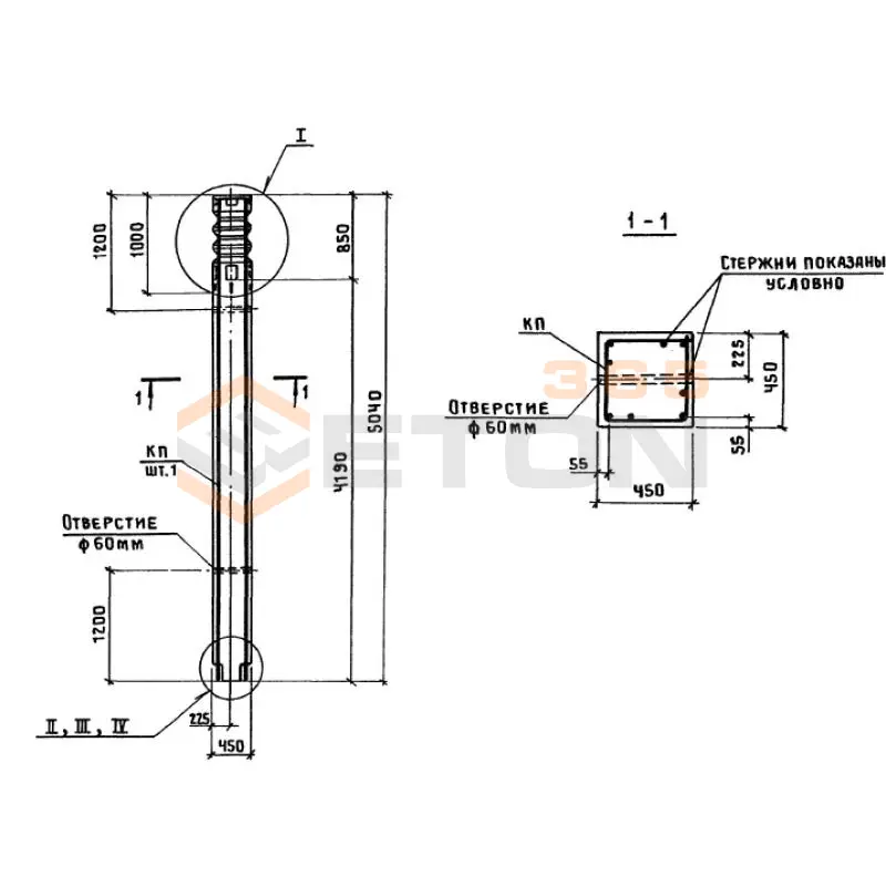
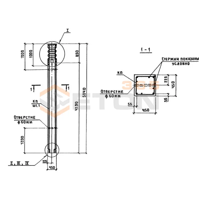
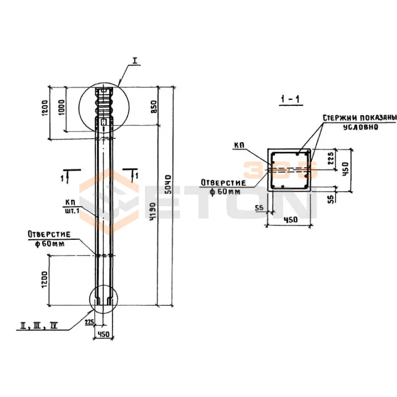
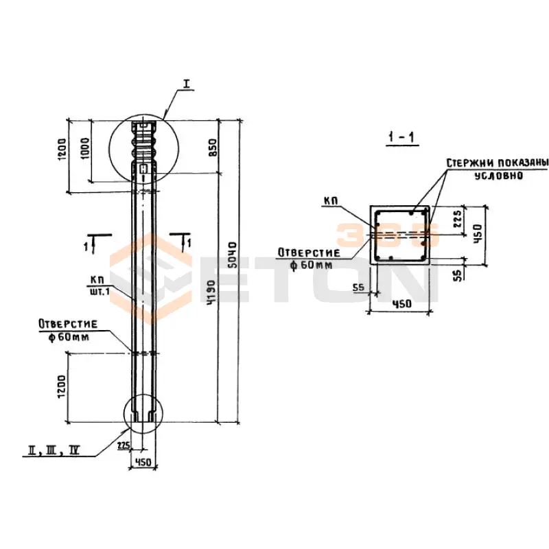
К 8-1 с (1.420.1-24с)
Колонны Серия 1.420.1-24с
  • Длина 5040 мм.
  • Ширина 450 мм.
  • Высота 450 мм.
  • Вес 2500 кг.
  • Объем бетона 1 м3
  • Геометрический объем 1,0206 м3
Цена: 20370 руб.
Подробнее
К 8-10 с (1.420.1-24с)
Колонны Серия 1.420.1-24с
  • Длина 5040 мм.
  • Ширина 450 мм.
  • Высота 450 мм.
  • Вес 2500 кг.
  • Объем бетона 1 м3
  • Геометрический объем 1,0206 м3
Цена: 20370 руб.
Подробнее
К 8-12 с (1.420.1-24с)
Колонны Серия 1.420.1-24с
  • Длина 5040 мм.
  • Ширина 450 мм.
  • Высота 450 мм.
  • Вес 2500 кг.
  • Объем бетона 1 м3
  • Геометрический объем 1,0206 м3
Цена: 20370 руб.
Подробнее
К 8-11 с (1.420.1-24с)
Колонны Серия 1.420.1-24с
  • Длина 5040 мм.
  • Ширина 450 мм.
  • Высота 450 мм.
  • Вес 2500 кг.
  • Объем бетона 1 м3
  • Геометрический объем 1,0206 м3
Цена: 20370 руб.
Подробнее
К 8-13 с (1.420.1-24с)
Колонны Серия 1.420.1-24с
  • Длина 5040 мм.
  • Ширина 450 мм.
  • Высота 450 мм.
  • Вес 2500 кг.
  • Объем бетона 1 м3
  • Геометрический объем 1,0206 м3
Цена: 20370 руб.
Подробнее
К 8-14 с (1.420.1-24с)
Колонны Серия 1.420.1-24с
  • Длина 5040 мм.
  • Ширина 450 мм.
  • Высота 450 мм.
  • Вес 2500 кг.
  • Объем бетона 1 м3
  • Геометрический объем 1,0206 м3
Цена: 20370 руб.
Подробнее
К 8-15 с (1.420.1-24с)
Колонны Серия 1.420.1-24с
  • Длина 5040 мм.
  • Ширина 450 мм.
  • Высота 450 мм.
  • Вес 2500 кг.
  • Объем бетона 1 м3
  • Геометрический объем 1,0206 м3
Цена: 20370 руб.
Подробнее
К 8-16 с (1.420.1-24с)
Колонны Серия 1.420.1-24с
  • Длина 5040 мм.
  • Ширина 450 мм.
  • Высота 450 мм.
  • Вес 2500 кг.
  • Объем бетона 1 м3
  • Геометрический объем 1,0206 м3
Цена: 20370 руб.
Подробнее
К 8-17 с (1.420.1-24с)
Колонны Серия 1.420.1-24с
  • Длина 5040 мм.
  • Ширина 450 мм.
  • Высота 450 мм.
  • Вес 2500 кг.
  • Объем бетона 1 м3
  • Геометрический объем 1,0206 м3
Цена: 20370 руб.
Подробнее
К 8-19 с (1.420.1-24с)
Колонны Серия 1.420.1-24с
  • Длина 5040 мм.
  • Ширина 450 мм.
  • Высота 450 мм.
  • Вес 2500 кг.
  • Объем бетона 1 м3
  • Геометрический объем 1,0206 м3
Цена: 20370 руб.
Подробнее
К 8-18 с (1.420.1-24с)
Колонны Серия 1.420.1-24с
  • Длина 5040 мм.
  • Ширина 450 мм.
  • Высота 450 мм.
  • Вес 2500 кг.
  • Объем бетона 1 м3
  • Геометрический объем 1,0206 м3
Цена: 20370 руб.
Подробнее
К 8-2 с (1.420.1-24с)
Колонны Серия 1.420.1-24с
  • Длина 5040 мм.
  • Ширина 450 мм.
  • Высота 450 мм.
  • Вес 2500 кг.
  • Объем бетона 1 м3
  • Геометрический объем 1,0206 м3
Цена: 20370 руб.
Подробнее
К 8-3 с (1.420.1-24с)
Колонны Серия 1.420.1-24с
  • Длина 5040 мм.
  • Ширина 450 мм.
  • Высота 450 мм.
  • Вес 2500 кг.
  • Объем бетона 1 м3
  • Геометрический объем 1,0206 м3
Цена: 20370 руб.
Подробнее
К 8-20 с (1.420.1-24с)
Колонны Серия 1.420.1-24с
  • Длина 5040 мм.
  • Ширина 450 мм.
  • Высота 450 мм.
  • Вес 2500 кг.
  • Объем бетона 1 м3
  • Геометрический объем 1,0206 м3
Цена: 20370 руб.
Подробнее
К 8-4 с (1.420.1-24с)
Колонны Серия 1.420.1-24с
  • Длина 5040 мм.
  • Ширина 450 мм.
  • Высота 450 мм.
  • Вес 2500 кг.
  • Объем бетона 1 м3
  • Геометрический объем 1,0206 м3
Цена: 20370 руб.
Подробнее
К 8-5 с (1.420.1-24с)
Колонны Серия 1.420.1-24с
  • Длина 5040 мм.
  • Ширина 450 мм.
  • Высота 450 мм.
  • Вес 2500 кг.
  • Объем бетона 1 м3
  • Геометрический объем 1,0206 м3
Цена: 20370 руб.
Подробнее
К 8-6 с (1.420.1-24с)
Колонны Серия 1.420.1-24с
  • Длина 5040 мм.
  • Ширина 450 мм.
  • Высота 450 мм.
  • Вес 2500 кг.
  • Объем бетона 1 м3
  • Геометрический объем 1,0206 м3
Цена: 20370 руб.
Подробнее
К 8-7 с (1.420.1-24с)
Колонны Серия 1.420.1-24с
  • Длина 5040 мм.
  • Ширина 450 мм.
  • Высота 450 мм.
  • Вес 2500 кг.
  • Объем бетона 1 м3
  • Геометрический объем 1,0206 м3
Цена: 20370 руб.
Подробнее
К 8-8 с (1.420.1-24с)
Колонны Серия 1.420.1-24с
  • Длина 5040 мм.
  • Ширина 450 мм.
  • Высота 450 мм.
  • Вес 2500 кг.
  • Объем бетона 1 м3
  • Геометрический объем 1,0206 м3
Цена: 20370 руб.
Подробнее
К 8-9 с (1.420.1-24с)
Колонны Серия 1.420.1-24с
  • Длина 5040 мм.
  • Ширина 450 мм.
  • Высота 450 мм.
  • Вес 2500 кг.
  • Объем бетона 1 м3
  • Геометрический объем 1,0206 м3
Цена: 20370 руб.
Подробнее
К 9-1 с (1.420.1-24с)
Колонны Серия 1.420.1-24с
  • Длина 9840 мм.
  • Ширина 450 мм.
  • Высота 450 мм.
  • Вес 5000 кг.
  • Объем бетона 2 м3
  • Геометрический объем 1,9926 м3
Цена: 40740 руб.
Подробнее
К 9-10 с (1.420.1-24с)
Колонны Серия 1.420.1-24с
  • Длина 9840 мм.
  • Ширина 450 мм.
  • Высота 450 мм.
  • Вес 5000 кг.
  • Объем бетона 2 м3
  • Геометрический объем 1,9926 м3
Цена: 40740 руб.
Подробнее
К 9-11 с (1.420.1-24с)
Колонны Серия 1.420.1-24с
  • Длина 9840 мм.
  • Ширина 450 мм.
  • Высота 450 мм.
  • Вес 5000 кг.
  • Объем бетона 2 м3
  • Геометрический объем 1,9926 м3
Цена: 40740 руб.
Подробнее
К 9-12 с (1.420.1-24с)
Колонны Серия 1.420.1-24с
  • Длина 9840 мм.
  • Ширина 450 мм.
  • Высота 450 мм.
  • Вес 5000 кг.
  • Объем бетона 2 м3
  • Геометрический объем 1,9926 м3
Цена: 40740 руб.
Подробнее
К 9-15 с (1.420.1-24с)
Колонны Серия 1.420.1-24с
  • Длина 9840 мм.
  • Ширина 450 мм.
  • Высота 450 мм.
  • Вес 5000 кг.
  • Объем бетона 2 м3
  • Геометрический объем 1,9926 м3
Цена: 40740 руб.
Подробнее
К 9-14 с (1.420.1-24с)
Колонны Серия 1.420.1-24с
  • Длина 9840 мм.
  • Ширина 450 мм.
  • Высота 450 мм.
  • Вес 5000 кг.
  • Объем бетона 2 м3
  • Геометрический объем 1,9926 м3
Цена: 40740 руб.
Подробнее
К 9-13 с (1.420.1-24с)
Колонны Серия 1.420.1-24с
  • Длина 9840 мм.
  • Ширина 450 мм.
  • Высота 450 мм.
  • Вес 5000 кг.
  • Объем бетона 2 м3
  • Геометрический объем 1,9926 м3
Цена: 40740 руб.
Подробнее
К 9-16 с (1.420.1-24с)
Колонны Серия 1.420.1-24с
  • Длина 9840 мм.
  • Ширина 450 мм.
  • Высота 450 мм.
  • Вес 5000 кг.
  • Объем бетона 2 м3
  • Геометрический объем 1,9926 м3
Цена: 40740 руб.
Подробнее
К 9-17 с (1.420.1-24с)
Колонны Серия 1.420.1-24с
  • Длина 9840 мм.
  • Ширина 450 мм.
  • Высота 450 мм.
  • Вес 5000 кг.
  • Объем бетона 2 м3
  • Геометрический объем 1,9926 м3
Цена: 40740 руб.
Подробнее
К 9-18 с (1.420.1-24с)
Колонны Серия 1.420.1-24с
  • Длина 9840 мм.
  • Ширина 450 мм.
  • Высота 450 мм.
  • Вес 5000 кг.
  • Объем бетона 2 м3
  • Геометрический объем 1,9926 м3
Цена: 40740 руб.
Подробнее
К 9-2 с (1.420.1-24с)
Колонны Серия 1.420.1-24с
  • Длина 9840 мм.
  • Ширина 450 мм.
  • Высота 450 мм.
  • Вес 5000 кг.
  • Объем бетона 2 м3
  • Геометрический объем 1,9926 м3
Цена: 40740 руб.
Подробнее
К 9-19 с (1.420.1-24с)
Колонны Серия 1.420.1-24с
  • Длина 9840 мм.
  • Ширина 450 мм.
  • Высота 450 мм.
  • Вес 5000 кг.
  • Объем бетона 2 м3
  • Геометрический объем 1,9926 м3
Цена: 40740 руб.
Подробнее
К 9-20 с (1.420.1-24с)
Колонны Серия 1.420.1-24с
  • Длина 9840 мм.
  • Ширина 450 мм.
  • Высота 450 мм.
  • Вес 5000 кг.
  • Объем бетона 2 м3
  • Геометрический объем 1,9926 м3
Цена: 40740 руб.
Подробнее
К 9-22 с (1.420.1-24с)
Колонны Серия 1.420.1-24с
  • Длина 9840 мм.
  • Ширина 450 мм.
  • Высота 450 мм.
  • Вес 5000 кг.
  • Объем бетона 2 м3
  • Геометрический объем 1,9926 м3
Цена: 40740 руб.
Подробнее
К 9-21 с (1.420.1-24с)
Колонны Серия 1.420.1-24с
  • Длина 9840 мм.
  • Ширина 450 мм.
  • Высота 450 мм.
  • Вес 5000 кг.
  • Объем бетона 2 м3
  • Геометрический объем 1,9926 м3
Цена: 40740 руб.
Подробнее
К 9-3 с (1.420.1-24с)
Колонны Серия 1.420.1-24с
  • Длина 9840 мм.
  • Ширина 450 мм.
  • Высота 450 мм.
  • Вес 5000 кг.
  • Объем бетона 2 м3
  • Геометрический объем 1,9926 м3
Цена: 40740 руб.
Подробнее
К 9-4 с (1.420.1-24с)
Колонны Серия 1.420.1-24с
  • Длина 9840 мм.
  • Ширина 450 мм.
  • Высота 450 мм.
  • Вес 5000 кг.
  • Объем бетона 2 м3
  • Геометрический объем 1,9926 м3
Цена: 40740 руб.
Подробнее
К 9-6 с (1.420.1-24с)
Колонны Серия 1.420.1-24с
  • Длина 9840 мм.
  • Ширина 450 мм.
  • Высота 450 мм.
  • Вес 5000 кг.
  • Объем бетона 2 м3
  • Геометрический объем 1,9926 м3
Цена: 40740 руб.
Подробнее
К 9-5 с (1.420.1-24с)
Колонны Серия 1.420.1-24с
  • Длина 9840 мм.
  • Ширина 450 мм.
  • Высота 450 мм.
  • Вес 5000 кг.
  • Объем бетона 2 м3
  • Геометрический объем 1,9926 м3
Цена: 40740 руб.
Подробнее
К 9-8 с (1.420.1-24с)
Колонны Серия 1.420.1-24с
  • Длина 9840 мм.
  • Ширина 450 мм.
  • Высота 450 мм.
  • Вес 5000 кг.
  • Объем бетона 2 м3
  • Геометрический объем 1,9926 м3
Цена: 40740 руб.
Подробнее
К 9-7 с (1.420.1-24с)
Колонны Серия 1.420.1-24с
  • Длина 9840 мм.
  • Ширина 450 мм.
  • Высота 450 мм.
  • Вес 5000 кг.
  • Объем бетона 2 м3
  • Геометрический объем 1,9926 м3
Цена: 40740 руб.
Подробнее
К 9-9 с (1.420.1-24с)
Колонны Серия 1.420.1-24с
  • Длина 9840 мм.
  • Ширина 450 мм.
  • Высота 450 мм.
  • Вес 5000 кг.
  • Объем бетона 2 м3
  • Геометрический объем 1,9926 м3
Цена: 40740 руб.
Подробнее
КТ 1-1 с (1.420.1-24с)
Колонны Серия 1.420.1-24с
  • Длина 2980 мм.
  • Ширина 2980 мм.
  • Высота 600 мм.
  • Вес 5000 кг.
  • Объем бетона 2 м3
  • Геометрический объем 5,3282 м3
Цена: 40740 руб.
Подробнее

Уведомление о файлах cookie

Мы используем файлы cookie для улучшения вашего опыта просмотра и анализа трафика. Нажимая "Принять все", вы соглашаетесь с нашей политикой конфиденциальности и политикой обработки файлов cookie.

MAX Дзен Телеграм Вконтакте vk