mobile_sound +7 (930) 655-55-90

Железобетонные опоры линий электропередачи. Рабочие чертежи (Серия 1.420-13)

Поделиться:
Поделиться:

Документ Серия 1.420-13 описывает область применения, номенклатуру и ключевые требования, опираясь на действующие нормы и практику проектирования. Серия 1.420-13 была разработана институтом ЦНИИПРОМЗДАНИЙ совместно с организацией НИИЖБ и введён в действие в действие после утверждения с 7 июня 1979 года. Нормативный документ состоит из нескольких выпусков (в общей сложности из четырнадцати) с подробным описанием конструкций, используемых для возведения производственных сооружений, строящихся с сеткой колонн 6х6, а также 9х6 метров. допускается возможность эксплуатация изделия и конструкции в зданиях с большим количеством этажей.

Файлы для скачивания:
picture_as_pdf

6139.pdf

4,335.5 KB

скачать
picture_as_pdf

6140.pdf

13,532.8 KB

скачать
picture_as_pdf

6141.pdf

7,702.6 KB

скачать
picture_as_pdf

6142.pdf

11,071.3 KB

скачать
picture_as_pdf

6143.pdf

2,562.5 KB

скачать
picture_as_pdf

6144.pdf

12,704.8 KB

скачать
picture_as_pdf

6145.pdf

10,973.6 KB

скачать
picture_as_pdf

6146.pdf

4,226.3 KB

скачать
picture_as_pdf

6147.pdf

2,144.3 KB

скачать
picture_as_pdf

6148.pdf

8,345.5 KB

скачать
picture_as_pdf

6149.pdf

2,528.8 KB

скачать
picture_as_pdf

6150.pdf

1,637.1 KB

скачать
picture_as_pdf

6151.pdf

4,832.2 KB

скачать
picture_as_pdf

6152.pdf

1,534.6 KB

скачать
Товары Серия 1.420-13 (60)
К 18а-17 т-01 (1.420-13)
Колонны Серия 1.420-13
  • Длина 11225 мм.
  • Ширина 600 мм.
  • Высота 400 мм.
  • Вес 6800 кг.
  • Объем бетона 2,73 м3
  • Геометрический объем 2,694 м3
Цена: 60906 руб.
Подробнее
К 18а-16 т-62 (1.420-13)
Колонны Серия 1.420-13
  • Длина 11225 мм.
  • Ширина 600 мм.
  • Высота 400 мм.
  • Вес 6800 кг.
  • Объем бетона 2,73 м3
  • Геометрический объем 2,694 м3
Цена: 60906 руб.
Подробнее
К 18а-17 т-11 (1.420-13)
Колонны Серия 1.420-13
  • Длина 11225 мм.
  • Ширина 600 мм.
  • Высота 400 мм.
  • Вес 6800 кг.
  • Объем бетона 2,73 м3
  • Геометрический объем 2,694 м3
Цена: 60906 руб.
Подробнее
К 18а-18 т-01 (1.420-13)
Колонны Серия 1.420-13
  • Длина 11225 мм.
  • Ширина 600 мм.
  • Высота 400 мм.
  • Вес 6800 кг.
  • Объем бетона 2,73 м3
  • Геометрический объем 2,694 м3
Цена: 60906 руб.
Подробнее
К 18а-18 т-02 (1.420-13)
Колонны Серия 1.420-13
  • Длина 11225 мм.
  • Ширина 600 мм.
  • Высота 400 мм.
  • Вес 6800 кг.
  • Объем бетона 2,73 м3
  • Геометрический объем 2,694 м3
Цена: 60906 руб.
Подробнее
К 18а-18 т-12 (1.420-13)
Колонны Серия 1.420-13
  • Длина 11225 мм.
  • Ширина 600 мм.
  • Высота 400 мм.
  • Вес 6800 кг.
  • Объем бетона 2,73 м3
  • Геометрический объем 2,694 м3
Цена: 60906 руб.
Подробнее
К 18а-18 т-21 (1.420-13)
Колонны Серия 1.420-13
  • Длина 11225 мм.
  • Ширина 600 мм.
  • Высота 400 мм.
  • Вес 6800 кг.
  • Объем бетона 2,73 м3
  • Геометрический объем 2,694 м3
Цена: 60906 руб.
Подробнее
К 18а-18 т-22 (1.420-13)
Колонны Серия 1.420-13
  • Длина 11225 мм.
  • Ширина 600 мм.
  • Высота 400 мм.
  • Вес 6800 кг.
  • Объем бетона 2,73 м3
  • Геометрический объем 2,694 м3
Цена: 60906 руб.
Подробнее
К 18а-18 т-51 (1.420-13)
Колонны Серия 1.420-13
  • Длина 11225 мм.
  • Ширина 600 мм.
  • Высота 400 мм.
  • Вес 6800 кг.
  • Объем бетона 2,73 м3
  • Геометрический объем 2,694 м3
Цена: 60906 руб.
Подробнее
К 18а-18 т-52 (1.420-13)
Колонны Серия 1.420-13
  • Длина 11225 мм.
  • Ширина 600 мм.
  • Высота 400 мм.
  • Вес 6800 кг.
  • Объем бетона 2,73 м3
  • Геометрический объем 2,694 м3
Цена: 60906 руб.
Подробнее
К 18а-18 т-62 (1.420-13)
Колонны Серия 1.420-13
  • Длина 11225 мм.
  • Ширина 600 мм.
  • Высота 400 мм.
  • Вес 6800 кг.
  • Объем бетона 2,73 м3
  • Геометрический объем 2,694 м3
Цена: 60906 руб.
Подробнее
К 18а-18 т-61 (1.420-13)
Колонны Серия 1.420-13
  • Длина 11225 мм.
  • Ширина 600 мм.
  • Высота 400 мм.
  • Вес 6800 кг.
  • Объем бетона 2,73 м3
  • Геометрический объем 2,694 м3
Цена: 60906 руб.
Подробнее
К 18а-19 т-11 (1.420-13)
Колонны Серия 1.420-13
  • Длина 11225 мм.
  • Ширина 600 мм.
  • Высота 400 мм.
  • Вес 6800 кг.
  • Объем бетона 2,73 м3
  • Геометрический объем 2,694 м3
Цена: 60906 руб.
Подробнее
К 18а-19 т-01 (1.420-13)
Колонны Серия 1.420-13
  • Длина 11225 мм.
  • Ширина 600 мм.
  • Высота 400 мм.
  • Вес 6800 кг.
  • Объем бетона 2,73 м3
  • Геометрический объем 2,694 м3
Цена: 60906 руб.
Подробнее
К 18а-19 т-02 (1.420-13)
Колонны Серия 1.420-13
  • Длина 11225 мм.
  • Ширина 600 мм.
  • Высота 400 мм.
  • Вес 6800 кг.
  • Объем бетона 2,73 м3
  • Геометрический объем 2,694 м3
Цена: 60906 руб.
Подробнее
К 18а-19 т-31 (1.420-13)
Колонны Серия 1.420-13
  • Длина 11225 мм.
  • Ширина 600 мм.
  • Высота 400 мм.
  • Вес 6800 кг.
  • Объем бетона 2,73 м3
  • Геометрический объем 2,694 м3
Цена: 60906 руб.
Подробнее
К 18а-19 т-51 (1.420-13)
Колонны Серия 1.420-13
  • Длина 11225 мм.
  • Ширина 600 мм.
  • Высота 400 мм.
  • Вес 6800 кг.
  • Объем бетона 2,73 м3
  • Геометрический объем 2,694 м3
Цена: 60906 руб.
Подробнее
К 18а-19 т-52 (1.420-13)
Колонны Серия 1.420-13
  • Длина 11225 мм.
  • Ширина 600 мм.
  • Высота 400 мм.
  • Вес 6800 кг.
  • Объем бетона 2,73 м3
  • Геометрический объем 2,694 м3
Цена: 60906 руб.
Подробнее
К 18а-20 т-11 (1.420-13)
Колонны Серия 1.420-13
  • Длина 11225 мм.
  • Ширина 600 мм.
  • Высота 400 мм.
  • Вес 6800 кг.
  • Объем бетона 2,73 м3
  • Геометрический объем 2,694 м3
Цена: 60906 руб.
Подробнее
К 18а-20 т-01 (1.420-13)
Колонны Серия 1.420-13
  • Длина 11225 мм.
  • Ширина 600 мм.
  • Высота 400 мм.
  • Вес 6800 кг.
  • Объем бетона 2,73 м3
  • Геометрический объем 2,694 м3
Цена: 60906 руб.
Подробнее
К 18а-20 т-02 (1.420-13)
Колонны Серия 1.420-13
  • Длина 11225 мм.
  • Ширина 600 мм.
  • Высота 400 мм.
  • Вес 6800 кг.
  • Объем бетона 2,73 м3
  • Геометрический объем 2,694 м3
Цена: 60906 руб.
Подробнее
К 18а-20 т-21 (1.420-13)
Колонны Серия 1.420-13
  • Длина 11225 мм.
  • Ширина 600 мм.
  • Высота 400 мм.
  • Вес 6800 кг.
  • Объем бетона 2,73 м3
  • Геометрический объем 2,694 м3
Цена: 60906 руб.
Подробнее
К 18а-20 т-12 (1.420-13)
Колонны Серия 1.420-13
  • Длина 11225 мм.
  • Ширина 600 мм.
  • Высота 400 мм.
  • Вес 6800 кг.
  • Объем бетона 2,73 м3
  • Геометрический объем 2,694 м3
Цена: 60906 руб.
Подробнее
К 18а-20 т-22 (1.420-13)
Колонны Серия 1.420-13
  • Длина 11225 мм.
  • Ширина 600 мм.
  • Высота 400 мм.
  • Вес 6800 кг.
  • Объем бетона 2,73 м3
  • Геометрический объем 2,694 м3
Цена: 60906 руб.
Подробнее
К 18а-20 т-32 (1.420-13)
Колонны Серия 1.420-13
  • Длина 11225 мм.
  • Ширина 600 мм.
  • Высота 400 мм.
  • Вес 6800 кг.
  • Объем бетона 2,73 м3
  • Геометрический объем 2,694 м3
Цена: 60906 руб.
Подробнее
К 18а-20 т-31 (1.420-13)
Колонны Серия 1.420-13
  • Длина 11225 мм.
  • Ширина 600 мм.
  • Высота 400 мм.
  • Вес 6800 кг.
  • Объем бетона 2,73 м3
  • Геометрический объем 2,694 м3
Цена: 60906 руб.
Подробнее
К 18а-20 т-51 (1.420-13)
Колонны Серия 1.420-13
  • Длина 11225 мм.
  • Ширина 600 мм.
  • Высота 400 мм.
  • Вес 6800 кг.
  • Объем бетона 2,73 м3
  • Геометрический объем 2,694 м3
Цена: 60906 руб.
Подробнее
К 18а-21 т-01 (1.420-13)
Колонны Серия 1.420-13
  • Длина 11225 мм.
  • Ширина 600 мм.
  • Высота 400 мм.
  • Вес 6800 кг.
  • Объем бетона 2,73 м3
  • Геометрический объем 2,694 м3
Цена: 60906 руб.
Подробнее
К 18а-21 т-02 (1.420-13)
Колонны Серия 1.420-13
  • Длина 11225 мм.
  • Ширина 600 мм.
  • Высота 400 мм.
  • Вес 6800 кг.
  • Объем бетона 2,73 м3
  • Геометрический объем 2,694 м3
Цена: 60906 руб.
Подробнее
К 18а-21 т-11 (1.420-13)
Колонны Серия 1.420-13
  • Длина 11225 мм.
  • Ширина 600 мм.
  • Высота 400 мм.
  • Вес 6800 кг.
  • Объем бетона 2,73 м3
  • Геометрический объем 2,694 м3
Цена: 60906 руб.
Подробнее
К 18а-21 т-12 (1.420-13)
Колонны Серия 1.420-13
  • Длина 11225 мм.
  • Ширина 600 мм.
  • Высота 400 мм.
  • Вес 6800 кг.
  • Объем бетона 2,73 м3
  • Геометрический объем 2,694 м3
Цена: 60906 руб.
Подробнее
К 18а-21 т-22 (1.420-13)
Колонны Серия 1.420-13
  • Длина 11225 мм.
  • Ширина 600 мм.
  • Высота 400 мм.
  • Вес 6800 кг.
  • Объем бетона 2,73 м3
  • Геометрический объем 2,694 м3
Цена: 60906 руб.
Подробнее
К 18а-21 т-31 (1.420-13)
Колонны Серия 1.420-13
  • Длина 11225 мм.
  • Ширина 600 мм.
  • Высота 400 мм.
  • Вес 6800 кг.
  • Объем бетона 2,73 м3
  • Геометрический объем 2,694 м3
Цена: 60906 руб.
Подробнее
К 18а-21 т-32 (1.420-13)
Колонны Серия 1.420-13
  • Длина 11225 мм.
  • Ширина 600 мм.
  • Высота 400 мм.
  • Вес 6800 кг.
  • Объем бетона 2,73 м3
  • Геометрический объем 2,694 м3
Цена: 60906 руб.
Подробнее
К 18в-2 т-02 (1.420-13)
Колонны Серия 1.420-13
  • Длина 10120 мм.
  • Ширина 600 мм.
  • Высота 400 мм.
  • Вес 6800 кг.
  • Объем бетона 2,73 м3
  • Геометрический объем 2,4288 м3
Цена: 60906 руб.
Подробнее
К 18в-2 т-22 (1.420-13)
Колонны Серия 1.420-13
  • Длина 10120 мм.
  • Ширина 600 мм.
  • Высота 400 мм.
  • Вес 6800 кг.
  • Объем бетона 2,73 м3
  • Геометрический объем 2,4288 м3
Цена: 60906 руб.
Подробнее
К 18в-2 т-62 (1.420-13)
Колонны Серия 1.420-13
  • Длина 10120 мм.
  • Ширина 600 мм.
  • Высота 400 мм.
  • Вес 6800 кг.
  • Объем бетона 2,73 м3
  • Геометрический объем 2,4288 м3
Цена: 60906 руб.
Подробнее
К 18в-2 т-52 (1.420-13)
Колонны Серия 1.420-13
  • Длина 10120 мм.
  • Ширина 600 мм.
  • Высота 400 мм.
  • Вес 6800 кг.
  • Объем бетона 2,73 м3
  • Геометрический объем 2,4288 м3
Цена: 60906 руб.
Подробнее
К 18в-3 т-02 (1.420-13)
Колонны Серия 1.420-13
  • Длина 10120 мм.
  • Ширина 600 мм.
  • Высота 400 мм.
  • Вес 6800 кг.
  • Объем бетона 2,73 м3
  • Геометрический объем 2,4288 м3
Цена: 60906 руб.
Подробнее
К 18в-3 т-12 (1.420-13)
Колонны Серия 1.420-13
  • Длина 10120 мм.
  • Ширина 600 мм.
  • Высота 400 мм.
  • Вес 6800 кг.
  • Объем бетона 2,73 м3
  • Геометрический объем 2,4288 м3
Цена: 60906 руб.
Подробнее
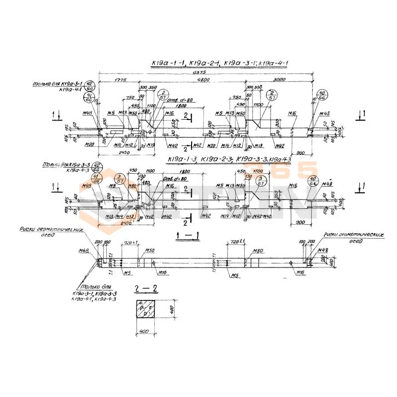
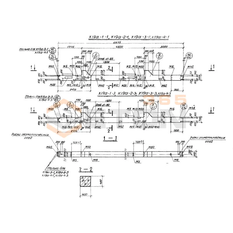
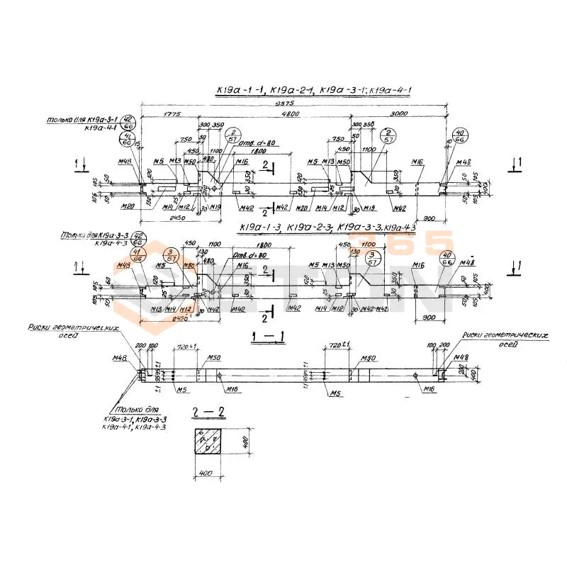
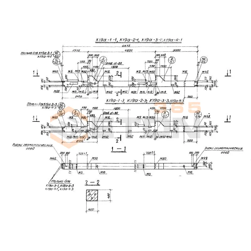
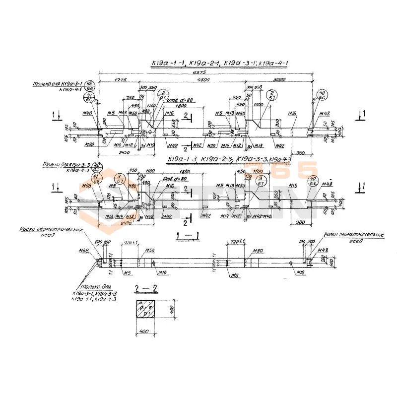
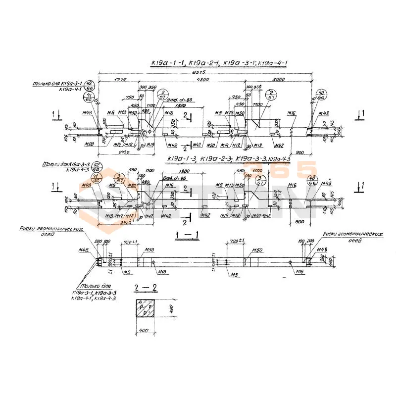
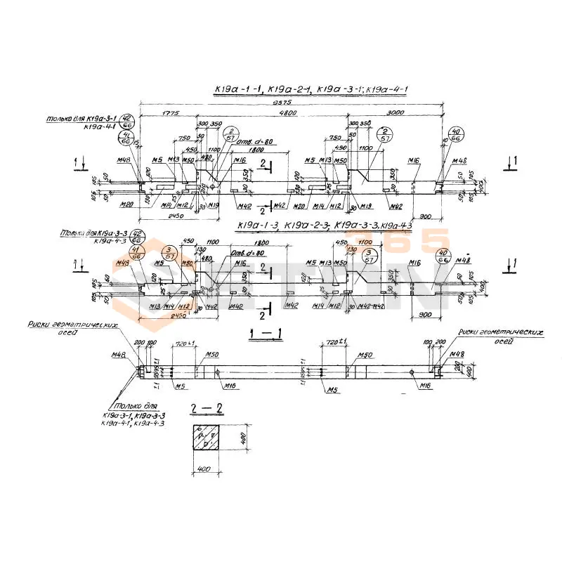
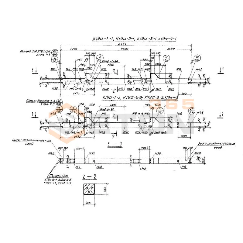
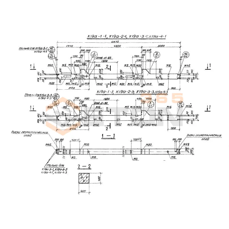
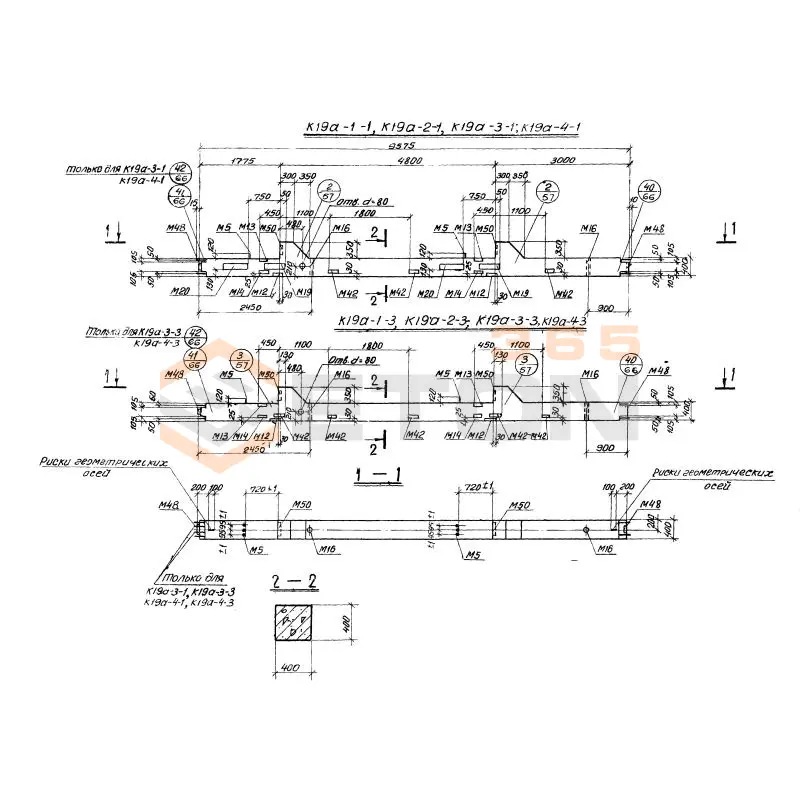
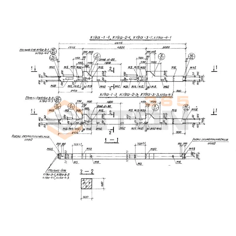
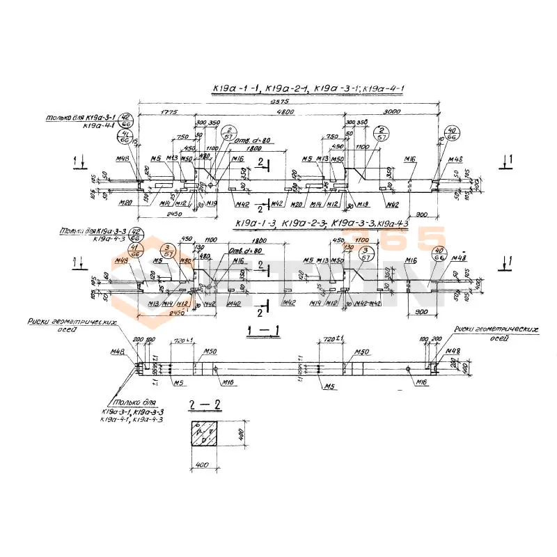
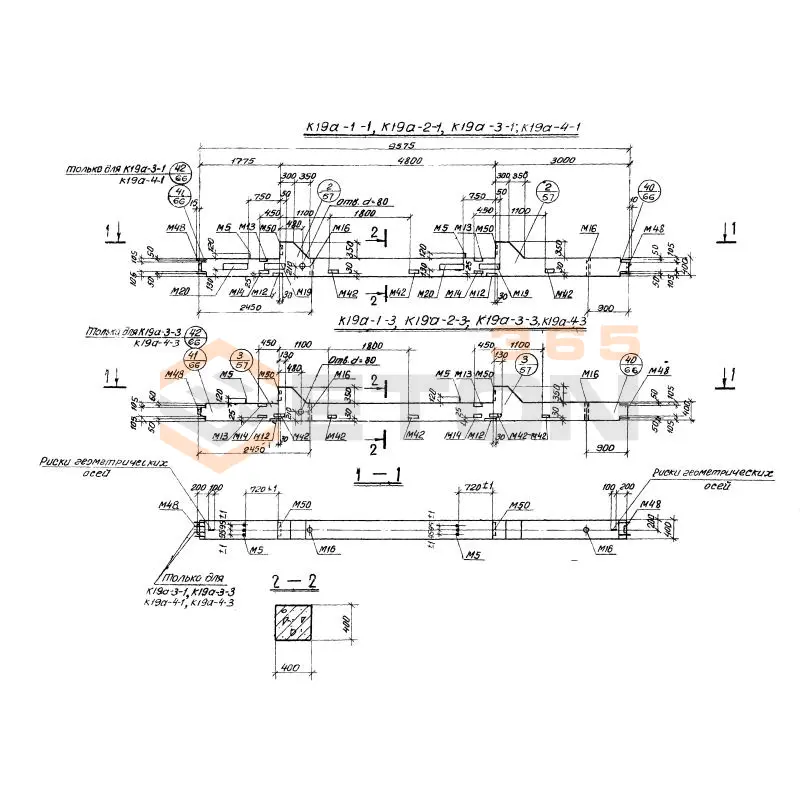
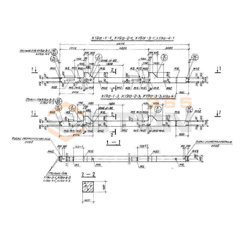
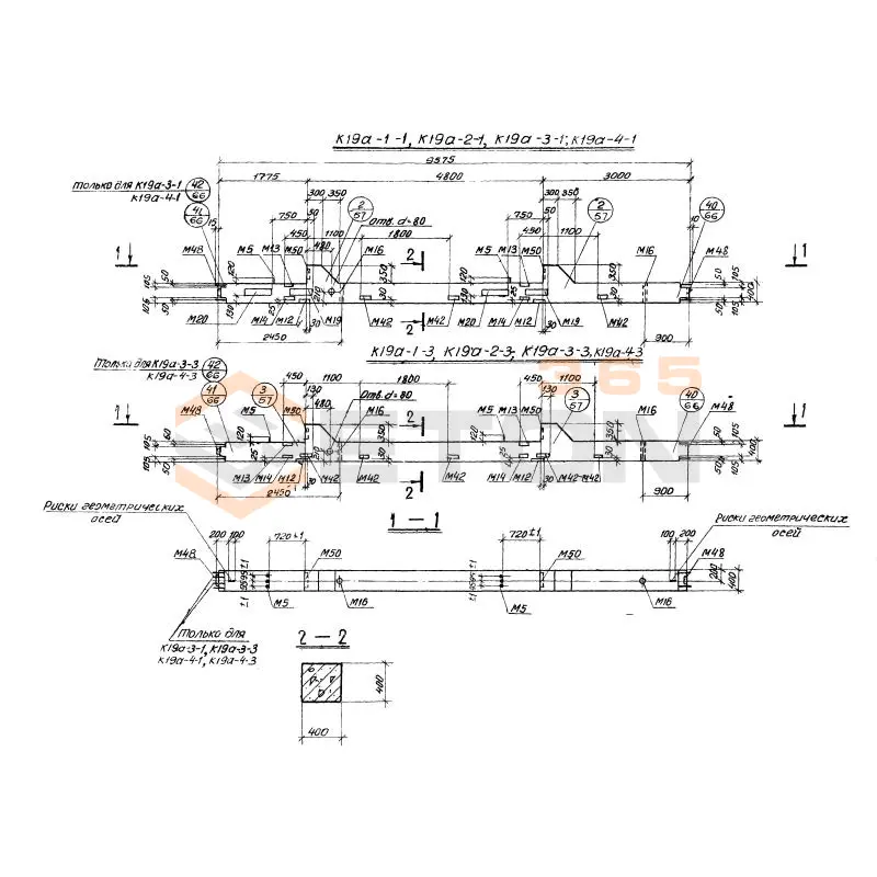
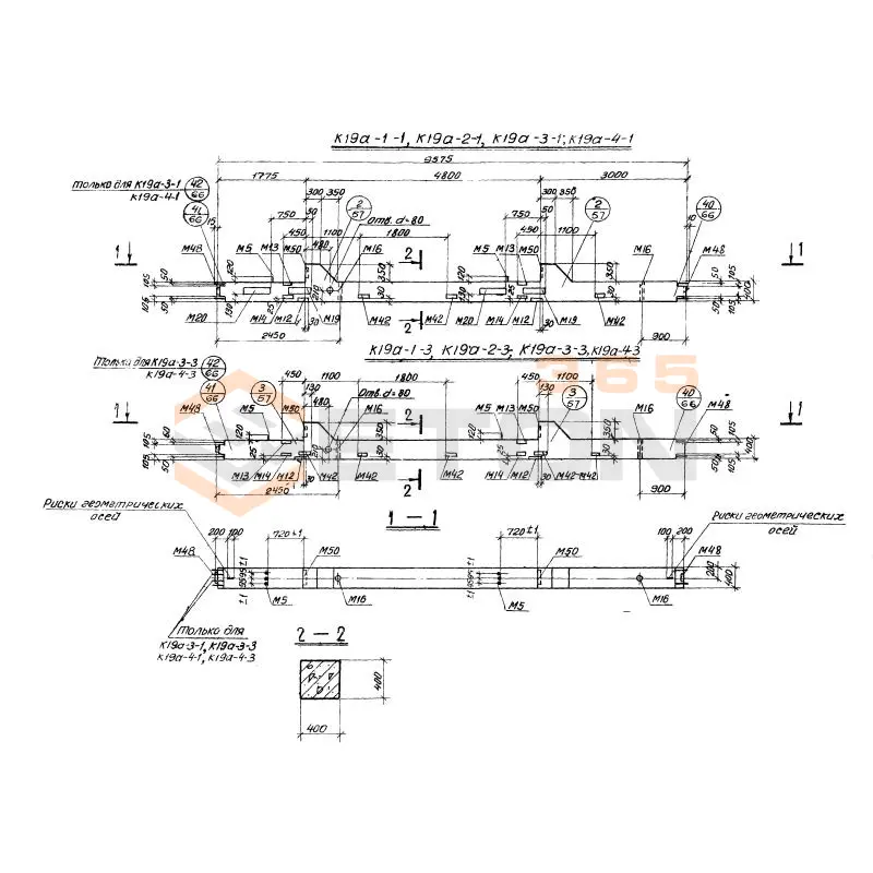
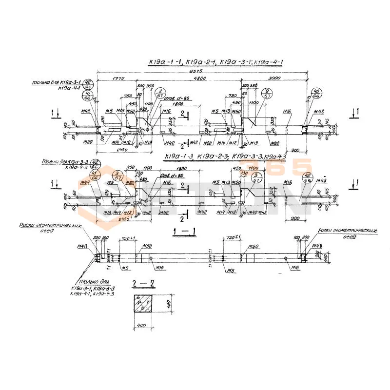
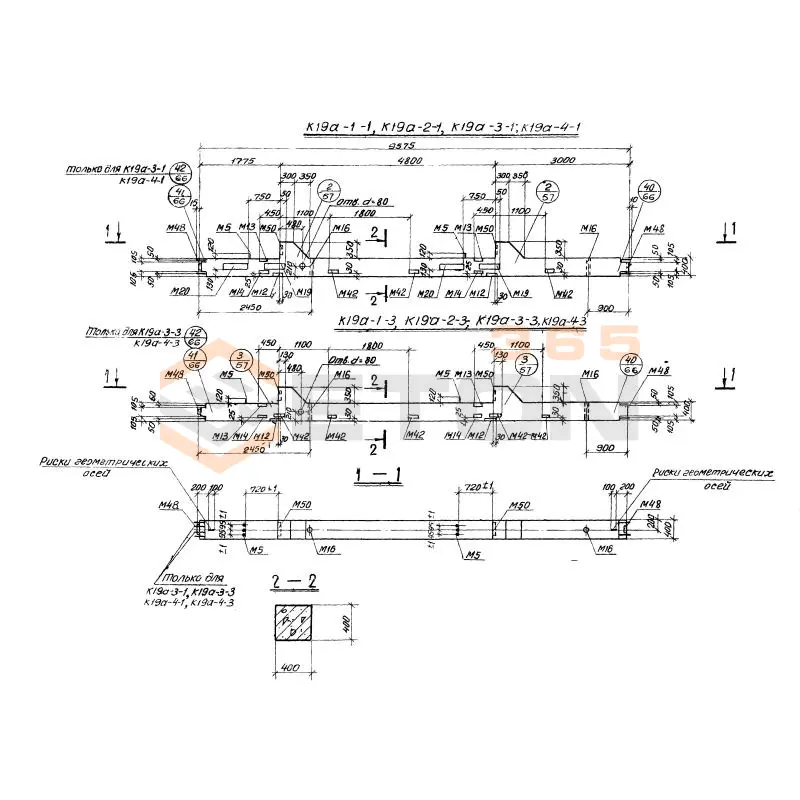
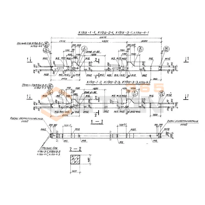
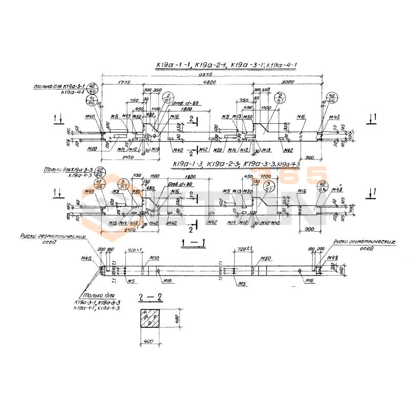
К 19а-10 т-21 (1.420-13)
Колонны Серия 1.420-13
  • Длина 9575 мм.
  • Ширина 400 мм.
  • Высота 400 мм.
  • Вес 4100 кг.
  • Объем бетона 1,64 м3
  • Геометрический объем 1,532 м3
Цена: 36588 руб.
Подробнее
К 19а-10 т-22 (1.420-13)
Колонны Серия 1.420-13
  • Длина 9575 мм.
  • Ширина 400 мм.
  • Высота 400 мм.
  • Вес 4100 кг.
  • Объем бетона 1,64 м3
  • Геометрический объем 1,532 м3
Цена: 36588 руб.
Подробнее
К 19а-10 т-32 (1.420-13)
Колонны Серия 1.420-13
  • Длина 9575 мм.
  • Ширина 400 мм.
  • Высота 400 мм.
  • Вес 4100 кг.
  • Объем бетона 1,64 м3
  • Геометрический объем 1,532 м3
Цена: 36588 руб.
Подробнее
К 19а-10 т-31 (1.420-13)
Колонны Серия 1.420-13
  • Длина 9575 мм.
  • Ширина 400 мм.
  • Высота 400 мм.
  • Вес 4100 кг.
  • Объем бетона 1,64 м3
  • Геометрический объем 1,532 м3
Цена: 36588 руб.
Подробнее
К 19а-10 т-41 (1.420-13)
Колонны Серия 1.420-13
  • Длина 9575 мм.
  • Ширина 400 мм.
  • Высота 400 мм.
  • Вес 4100 кг.
  • Объем бетона 1,64 м3
  • Геометрический объем 1,532 м3
Цена: 36588 руб.
Подробнее
К 19а-10 т-42 (1.420-13)
Колонны Серия 1.420-13
  • Длина 9575 мм.
  • Ширина 400 мм.
  • Высота 400 мм.
  • Вес 4100 кг.
  • Объем бетона 1,64 м3
  • Геометрический объем 1,532 м3
Цена: 36588 руб.
Подробнее
К 19а-10 т-52 (1.420-13)
Колонны Серия 1.420-13
  • Длина 9575 мм.
  • Ширина 400 мм.
  • Высота 400 мм.
  • Вес 4100 кг.
  • Объем бетона 1,64 м3
  • Геометрический объем 1,532 м3
Цена: 36588 руб.
Подробнее
К 19а-10 т-51 (1.420-13)
Колонны Серия 1.420-13
  • Длина 9575 мм.
  • Ширина 400 мм.
  • Высота 400 мм.
  • Вес 4100 кг.
  • Объем бетона 1,64 м3
  • Геометрический объем 1,532 м3
Цена: 36588 руб.
Подробнее
К 19а-11 т-11 (1.420-13)
Колонны Серия 1.420-13
  • Длина 9575 мм.
  • Ширина 400 мм.
  • Высота 400 мм.
  • Вес 4100 кг.
  • Объем бетона 1,64 м3
  • Геометрический объем 1,532 м3
Цена: 36588 руб.
Подробнее
К 19а-10 т-62 (1.420-13)
Колонны Серия 1.420-13
  • Длина 9575 мм.
  • Ширина 400 мм.
  • Высота 400 мм.
  • Вес 4100 кг.
  • Объем бетона 1,64 м3
  • Геометрический объем 1,532 м3
Цена: 36588 руб.
Подробнее
К 19а-11 т-12 (1.420-13)
Колонны Серия 1.420-13
  • Длина 9575 мм.
  • Ширина 400 мм.
  • Высота 400 мм.
  • Вес 4100 кг.
  • Объем бетона 1,64 м3
  • Геометрический объем 1,532 м3
Цена: 36588 руб.
Подробнее
К 19а-11 т-31 (1.420-13)
Колонны Серия 1.420-13
  • Длина 9575 мм.
  • Ширина 400 мм.
  • Высота 400 мм.
  • Вес 4100 кг.
  • Объем бетона 1,64 м3
  • Геометрический объем 1,532 м3
Цена: 36588 руб.
Подробнее
К 19а-11 т-32 (1.420-13)
Колонны Серия 1.420-13
  • Длина 9575 мм.
  • Ширина 400 мм.
  • Высота 400 мм.
  • Вес 4100 кг.
  • Объем бетона 1,64 м3
  • Геометрический объем 1,532 м3
Цена: 36588 руб.
Подробнее
К 19а-12 т-32 (1.420-13)
Колонны Серия 1.420-13
  • Длина 9575 мм.
  • Ширина 400 мм.
  • Высота 400 мм.
  • Вес 4100 кг.
  • Объем бетона 1,64 м3
  • Геометрический объем 1,532 м3
Цена: 36588 руб.
Подробнее
К 19а-13 т-11 (1.420-13)
Колонны Серия 1.420-13
  • Длина 9575 мм.
  • Ширина 400 мм.
  • Высота 400 мм.
  • Вес 4100 кг.
  • Объем бетона 1,64 м3
  • Геометрический объем 1,532 м3
Цена: 36588 руб.
Подробнее
К 19а-13 т-12 (1.420-13)
Колонны Серия 1.420-13
  • Длина 9575 мм.
  • Ширина 400 мм.
  • Высота 400 мм.
  • Вес 4100 кг.
  • Объем бетона 1,64 м3
  • Геометрический объем 1,532 м3
Цена: 36588 руб.
Подробнее
К 19а-13 т-31 (1.420-13)
Колонны Серия 1.420-13
  • Длина 9575 мм.
  • Ширина 400 мм.
  • Высота 400 мм.
  • Вес 4100 кг.
  • Объем бетона 1,64 м3
  • Геометрический объем 1,532 м3
Цена: 36588 руб.
Подробнее
К 19а-13 т-32 (1.420-13)
Колонны Серия 1.420-13
  • Длина 9575 мм.
  • Ширина 400 мм.
  • Высота 400 мм.
  • Вес 4100 кг.
  • Объем бетона 1,64 м3
  • Геометрический объем 1,532 м3
Цена: 36588 руб.
Подробнее
К 19а-15 т-22 (1.420-13)
Колонны Серия 1.420-13
  • Длина 9575 мм.
  • Ширина 400 мм.
  • Высота 400 мм.
  • Вес 4100 кг.
  • Объем бетона 1,64 м3
  • Геометрический объем 1,532 м3
Цена: 36588 руб.
Подробнее
К 19а-15 т-42 (1.420-13)
Колонны Серия 1.420-13
  • Длина 9575 мм.
  • Ширина 400 мм.
  • Высота 400 мм.
  • Вес 4100 кг.
  • Объем бетона 1,64 м3
  • Геометрический объем 1,532 м3
Цена: 36588 руб.
Подробнее

Уведомление о файлах cookie

Мы используем файлы cookie для улучшения вашего опыта просмотра и анализа трафика. Нажимая "Принять все", вы соглашаетесь с нашей политикой конфиденциальности и политикой обработки файлов cookie.

MAX Дзен Телеграм Вконтакте vk